模具弹簧规格及参数
- 格式:docx
- 大小:15.97 KB
- 文档页数:3
模具弹簧标准规格及参数1. 什么是模具弹簧?模具弹簧,这个词听起来可能有点陌生,但实际上,它在工业生产中扮演着重要的角色。
你可以把它想象成模具的“心脏”,没有它,很多东西都难以顺利运转。
简单来说,模具弹簧就是一种专门用于模具内的弹簧,主要负责推动和支撑,确保模具的各种部件能够顺利工作。
它们的作用就像是你家里的弹簧床,让一切都保持在适当的位置,不至于塌方。
1.1 模具弹簧的分类模具弹簧的种类可多得让人眼花缭乱,简直像是大街上的小吃摊,每一个都有自己独特的风味。
常见的有圆形弹簧、扭簧和压缩弹簧。
圆形弹簧比较常见,用于需要均匀力量的地方。
扭簧则像是在玩杂技,需要巧妙地转换方向,适合那些要求比较高的模具。
压缩弹簧则是大家比较熟悉的“弹簧”,就像你在玩具车里看到的那样,压缩后再弹出,简直是一种视觉享受。
1.2 模具弹簧的规格接下来咱们聊聊模具弹簧的规格。
这就像你挑衣服一样,得看合身不合身。
模具弹簧的标准规格一般包括外径、内径、线径和自由高度等参数。
每一个参数都关系到弹簧的性能,选错了就像穿错了鞋,走路都得打趔趄。
通常,外径越大,弹簧的承载能力也越强;而内径则影响了弹簧的压缩程度,简直是“相辅相成”,少了哪一项都不行。
2. 模具弹簧的材料说到模具弹簧的材料,哎呀,那可是个“大文章”。
常见的材料有碳钢、不锈钢和合金钢,各有千秋。
碳钢弹簧就像是“百搭”,经济实惠,适合大多数普通模具。
而不锈钢弹簧则有点“高冷”,虽然贵点,但耐腐蚀性强,适合在潮湿环境中使用。
合金钢弹簧则是追求极致性能的“高手”,在高温和高压环境中表现出色。
2.1 选材小技巧挑选材料的时候,别只看表面,得考虑到实际的使用环境。
你要是把不锈钢弹簧放在干燥的地方,那简直是“多此一举”。
而如果把碳钢弹簧放在潮湿的环境中,可能就要为它的“生锈”而心疼了。
所以,选择合适的材料,能为你省不少麻烦,真是“事半功倍”。
2.2 价格与性能说到价格,大家都知道,价格与性能通常成正比。
模具弹簧规格及参数模具弹簧是一种在模具制造中常用的零部件,它具有弹性变形的特性,可以在一定范围内承受外力并恢复原状。
模具弹簧一般由弹簧钢材料制成,具有良好的耐磨性和耐腐蚀性,能够在长时间的使用中保持弹性恢复能力。
下面我们将详细介绍模具弹簧的规格和参数。
模具弹簧的规格主要包括直径、线径、外径、内径、圈数、材料等。
1. 直径:模具弹簧的直径通常表示为d,是指弹簧的线圈部分的直径。
直径的大小直接影响到弹簧的刚度和载荷能力。
一般常用的直径分为以下几种:0.3mm、0.4mm、0.5mm、0.6mm、0.7mm、0.8mm、1.0mm等。
具体的直径选择需要根据实际应用来确定。
2. 线径:模具弹簧线径通常表示为d1,是指弹簧的钢线直径。
线径的大小直接影响到弹簧的刚度和强度。
一般常用的线径分为以下几种:0.2mm、0.3mm、0.4mm、0.5mm、0.6mm、0.8mm、1.0mm等。
3.外径:模具弹簧的外径通常表示为D,是指弹簧的外圈直径。
外径的大小一般与直径和线径相关,对于同一直径和线径的弹簧,外径越大,弹簧的负载能力越大。
4.内径:模具弹簧的内径通常表示为d2,是指弹簧的内圈直径。
内径的大小一般与直径和线径相关,对于同一直径和线径的弹簧,内径与外径之间的差异越大,弹簧的刚度越大。
5.圈数:模具弹簧的圈数通常表示为n,是指弹簧上的线圈数目。
圈数的多少直接影响到弹簧的长度和柔度。
一般常用的圈数分为以下几种:4圈、6圈、8圈、10圈、12圈、14圈、16圈等。
6.材料:模具弹簧的材料通常选择高碳钢或不锈钢。
高碳钢弹簧具有良好的强度和韧性,适用于承受较大载荷的情况;不锈钢弹簧具有良好的耐腐蚀性,适用于在潮湿或腐蚀性环境中使用。
除了上述规格和参数,模具弹簧还有一些其他的参数需要考虑,如工作长度、自由长度、刚度系数等等。
这些参数的选择和设计需要根据具体的应用来确定,可以根据模具的工作环境、载荷、变形要求等进行合理选择。
模具弹簧规格及参数 Document serial number【KKGB-LBS98YT-BS8CB-BSUT-BST108】模具弹簧规格及参数一. 弹簧功能弹簧是模具中广泛应用的弹性零件,主要用于卸料、压料、推件和顶出等工作.根据荷重不同,共分五种不同颜色加以区分,易於判别和选用.二. 规格系列1.弹簧外径系列: Φ6Φ8,Φ10,Φ12,Φ14,Φ16,Φ18,Φ20,Φ22,Φ25,Φ30,Φ35,Φ40,Φ50等.2.种类3.弹簧长度:15<=L<=80MM时,每5MM为一个阶;80=<L<=100MM时,每10MM为一个阶;L>=100MM时,每25MM为一个阶.4.扁线弹簧最小直径6mm5.弹簧内径等于弹簧外径的二分之一.6.相同直径颜色的弹簧,不管自由长度是多长,压40%产生的力一样结论:相同直径颜色的弹簧,自由长度越短,压缩1mm产生的力越大7.通常使用的最大压缩比是弹簧使用30万次的最大压缩比.汽车模具使用50万次的最大压缩比..8.弹簧能压缩的长度=弹簧的自由长度x弹簧的压缩比例:Φ20绿色弹簧长度50mm,弹簧要求寿命30万次,弹簧能压缩多长50x24%=12(mm)9.弹簧的长度=弹簧要压缩的长度÷弹簧的压缩比例:弹簧要压缩20mm, 弹簧颜色为红色,弹簧要求寿命50万次要用多长的弹簧弹簧的长度=20÷%+5MM= 查表选用75MM长弹簧一般选弹簧长度会加5mm的安全余量10.弹簧要压缩的长度=活动板行程+3~5mm预压 (常规预压3mm)11.弹簧模板孔的大小直径<20模板孔=D+1直径>=20模板孔=D+2三. 选用原则1.长度选择一般保证:在开模状态弹簧的预压缩量等於3~5(常规预压3mm,预压缩量随实际情况而定.);闭模状态弹簧压缩量小於或等於最大压缩量(最大压缩量LA=弹簧自由长L*最大压缩比取值%).2.模板压料,脱料板压料优先选用绿色或棕色(茶色,咖啡色)弹簧;如果向上成形的下模压料,折弯脱料所需的顶料力不很大时,可选用红色,绿色弹簧,浮料用黄色,圆线弹簧.3.复合模外脱料板用红色弹簧,内脱料板用绿色或棕色弹簧.4.活动定位销一般选用Φ6顶料销,配Φ10黄色弹簧和M12止付螺丝.Φ8顶料销,配Φ12黄色弹簧和M14止付螺丝.5.冲孔模和成形模用绿色或棕色(茶色,咖啡色)弹簧,如有特殊需求时,由专案主管确定.6.弹簧规格优先选用Φ30.在空间较小区域可考虑选用其它规格(如Φ25,Φ20,Φ18,Φ16…...等).Φ25的内导柱用Φ30的弹簧脱料Φ20的内导柱用Φ25的弹簧脱料四. 排配原则1.弹簧过孔中心到模板边缘距离大於外径D,与其他孔距离保持实体壁厚大於5MM,空间不足时最少留2MM.2.弹簧排列首先考虑受力重点部位,然後再考虑整个模具受力均衡平稳.受力重点部位是指:复合模的内脱料板外形和冲头的周围;冲孔模的冲头周围;成形模的折弯边及有抽成形的地方.3.成形模采用气垫结构时,下打板排配2~6个弹簧.下模座上不沉孔,弹簧选用黄色或蓝色即可.五. 五金零件需求表填写范例弹簧(颜色):D*L (D-弹簧外径 L-自由长度)例: 弹簧TH(绿): Φ20*70。
模具弹簧规格及参数 Company number:【0089WT-8898YT-W8CCB-BUUT-202108】模具弹簧规格及参数一.弹簧功能弹簧是模具中广泛应用的弹性零件,主要用于卸料、压料、推件和顶出等工作.根据荷重不同,共分五种不同颜色加以区分,易於判别和选用.二.规格系列1.弹簧外径系列:Φ6Φ8,Φ10,Φ12,Φ14,Φ16,Φ18,Φ20,Φ22,Φ25,Φ30,Φ35,Φ40,Φ50等.2.种类3.弹簧长度:15<=L<=80MM时,每5MM为一个阶;80=<L<=100MM时,每10MM为一个阶;L>=100MM时,每25MM为一个阶.4.扁线弹簧最小直径6mm5.弹簧内径等于弹簧外径的二分之一.6.相同直径颜色的弹簧,不管自由长度是多长,压40%产生的力一样结论:相同直径颜色的弹簧,自由长度越短,压缩1mm产生的力越大7.通常使用的最大压缩比是弹簧使用30万次的最大压缩比.汽车模具使用50万次的最大压缩比..8.弹簧能压缩的长度=弹簧的自由长度x弹簧的压缩比例:Φ20绿色弹簧长度50mm,弹簧要求寿命30万次,弹簧能压缩多长50x24%=12(mm)9.弹簧的长度=弹簧要压缩的长度÷弹簧的压缩比例:弹簧要压缩20mm, 弹簧颜色为红色,弹簧要求寿命50万次要用多长的弹簧弹簧的长度=20÷%+5MM= 查表选用75MM长弹簧一般选弹簧长度会加5mm的安全余量10.弹簧要压缩的长度=活动板行程+3~5mm预压 (常规预压3mm)11.弹簧模板孔的大小直径<20模板孔=D+1直径>=20模板孔=D+2三.选用原则1.长度选择一般保证:在开模状态弹簧的预压缩量等於3~5(常规预压3mm,预压缩量随实际情况而定.);闭模状态弹簧压缩量小於或等於最大压缩量(最大压缩量LA=弹簧自由长L*最大压缩比取值%).2.模板压料,脱料板压料优先选用绿色或棕色(茶色,咖啡色)弹簧;如果向上成形的下模压料,折弯脱料所需的顶料力不很大时,可选用红色,绿色弹簧,浮料用黄色,圆线弹簧.3.复合模外脱料板用红色弹簧,内脱料板用绿色或棕色弹簧.4.活动定位销一般选用Φ6顶料销,配Φ10黄色弹簧和M12止付螺丝.Φ8顶料销,配Φ12黄色弹簧和M14止付螺丝.5.冲孔模和成形模用绿色或棕色(茶色,咖啡色)弹簧,如有特殊需求时,由专案主管确定.6.弹簧规格优先选用Φ30.在空间较小区域可考虑选用其它规格(如Φ25,Φ20,Φ18,Φ16…...等).Φ25的内导柱用Φ30的弹簧脱料Φ20的内导柱用Φ25的弹簧脱料四.排配原则1.弹簧过孔中心到模板边缘距离大於外径D,与其他孔距离保持实体壁厚大於5MM,空间不足时最少留2MM.2.弹簧排列首先考虑受力重点部位,然後再考虑整个模具受力均衡平稳.受力重点部位是指:复合模的内脱料板外形和冲头的周围;冲孔模的冲头周围;成形模的折弯边及有抽成形的地方.3.成形模采用气垫结构时,下打板排配2~6个弹簧.下模座上不沉孔,弹簧选用黄色或蓝色即可.五.五金零件需求表填写范例弹簧(颜色):D*L (D-弹簧外径 L-自由长度)例: 弹簧TH(绿): Φ20*70。
模具弹簧规格表矩形截面模具弹簧(简称模具弹簧)主要用于冲压模、金属压铸模、塑料注射模以及结构精密的机械设备等。
模具弹簧主要选用50CrV A。
它具有安装体积小、弹性好、刚度大、精密度高、制作材料呈矩形及表面分色喷涂(镀),外表美观等特点。
我公司目前标准化产品主要参照日标B5012(较小荷重、轻荷重、中荷重、重荷重、超重荷重),美国联合标准(中荷重、中等荷重、重荷重、超重荷重),美国ISO标准(轻荷重、中荷重、重荷重、超重荷重),德标ISO10243(1S、2S、3S、4S、5S)等数千种规格,供用户选用。
模具弹簧规格表请参阅:KF较小荷重KL轻荷重KM中荷重KH重荷重KB超重荷重模具弹簧使用次数和压缩比的关系使用100万次使用50万次使用30万次色别(压缩比:占自由高度的%)荷重种类较小40.045.050.0黄色Yellow 轻32.036.040.0蓝色Blue 中25.628.832.0红色Red 重19.221.624.0绿色Green 超重16.018.0棕色Brown模具弹簧几何尺寸及负荷公差外径D(mm)内径D(mm)自由高度H0≤50(mm)自由高度H0≥50(mm)负荷P N(N)旋向0.0+0.7±0.5±10%H0±10%P N右-0.7+0.1模具弹簧最大压缩量种类最大压缩度较小荷重自由高度×58%轻荷重自由高度×48%中荷重自由高度×38%重荷重自由高度×28%超重荷重自由高度×24%模具弹簧订货方法模具弹簧规格表-KF较小荷重KF轻小荷重LIGHTESTLOAD产品编号外径OuterDia.(mm)内径InnerDia.(mm)自由长FreeLength(mm)定数SpringConst.(kgf/mm)30万0.3million50万0.5million100万1million压缩量(mm)荷重(kgf)压缩量(mm)荷重(kgf)压缩量(mm)荷重(kgf)KF08x158415 1.077.586.876.0620200.8010.09.08.0 25250.6412.511.310.0 30300.5315.013.512.0 35350.4617.515.814.0 40400.4020.018.016.0 45450.3622.520.318.0 50500.3225.022.520.0 55550.2927.524.822.0 60600.2730.027.024.0KF10x2010520 1.0010.0109.098.0825250.8012.511.310.0 30300.6715.013.512.0 35350.5717.515.814.0 40400.5020.018.016.0 45450.4422.520.318.0 50500.4025.022.520.0 55550.3627.524.822.060600.3330.027.024.0KF12x2012620 1.4010.0149.0138.0112525 1.1212.511.310.0 30300.9315.013.512.0 35350.8017.515.814.0 40400.7020.018.016.0 45450.6222.520.318.0 50500.5625.022.520.0 55550.5127.524.822.0 60600.4730.027.024.0KF14x2514725 1.4412.51811.31610.0143030 1.2015.013.512.0 3535 1.0317.515.814.0 40400.9020.018.016.0 45450.8022.520.318.0 50500.7225.022.520.0 55550.6527.524.822.0 60600.6030.027.024.0 65650.5532.529.326.0 70700.5135.031.528.0KF16x2516825 1.6812.52111.31910.0173030 1.4015.013.512.0 3535 1.2017.515.814.0 4040 1.0520.018.016.0 45450.9322.520.318.0 50500.8425.022.520.0 55550.7627.524.822.0 60600.7030.027.024.0 65650.6532.529.326.070700.6035.031.528.0 75750.5637.533.830.0 80800.5240.036.032.0KF18x2518925 2.0812.52611.32310.0213030 1.7315.013.512.0 3535 1.4917.515.814.0 4040 1.3020.018.016.0 4545 1.1622.520.318.0 5050 1.0425.022.520.0 55550.9527.524.822.0 60600.8730.027.024.0 65650.8032.529.326.0 70700.7435.031.528.0 75750.6937.533.830.0 80800.6540.036.032.0 90900.5845.040.536.0KF20x25201125 2.5612.53211.32910.0263030 2.1315.013.512.0 3535 1.8317.515.814.0 4040 1.6020.018.016.0 4545 1.4222.520.318.0 5050 1.2825.022.520.0 5555 1.1627.524.822.0 6060 1.0730.027.024.0 65650.9832.529.326.0 70700.9135.031.528.0 75750.8537.533.830.0 80800.8040.036.032.0 90900.7145.040.536.01001000.6450.045.040.0 1251250.5162.556.350.0KF22x25221125 3.2012.54011.33610.0323030 2.6715.013.512.0 3535 2.2917.515.814.0 4040 2.0020.018.016.0 4545 1.7822.520.318.0 5050 1.6025.022.520.0 5555 1.4527.524.822.0 6060 1.3330.027.024.0 6565 1.2332.529.326.0 7070 1.1435.031.528.0 7575 1.0737.533.830.0 8080 1.0040.036.032.0 90900.8945.040.536.0 1001000.8050.045.040.0 1251250.6462.556.350.0 1501500.5375.067.560.0KF25x252513.525 4.0012.55011.34510.0403030 3.3315.013.512.0 3535 2.8617.515.814.0 4040 2.5020.018.016.0 4545 2.2222.520.318.0 5050 2.0025.022.520.0 5555 1.8227.524.822.0 6060 1.6730.027.024.0 6565 1.5432.529.326.0 7070 1.4335.031.528.0 7575 1.3337.533.830.08080 1.2540.036.032.0 9090 1.1145.040.536.0 100100 1.0050.045.040.0 1251250.8062.556.350.0 1501500.6775.067.560.0KF27x252713.525 4.8012.56011.35410.0483030 4.0015.013.512.0 3535 3.4317.515.814.0 4040 3.0020.018.016.0 4545 2.6722.520.318.0 5050 2.4025.022.520.0 5555 2.1827.524.822.0 6060 2.0030.027.024.0 6565 1.8532.529.326.0 7070 1.7135.031.528.0 7575 1.6037.533.830.0 8080 1.5040.036.032.0 9090 1.3345.040.536.0 100100 1.2050.045.040.0 1251250.9662.556.350.0 1501500.8075.067.560.0 1751750.6987.578.870.0KF30X25301625 5.7612.57211.36510.0583030 4.8015.013.512.0 3535 4.1117.515.814.0 4040 3.6020.018.016.0 4545 3.2022.520.318.0 5050 2.8825.022.520.0 5555 2.6227.524.322.06060 2.4030.027.024.0 6565 2.2232.529.326.0 7070 2.0635.031.528.0 7575 1.9237.533.830.0 8080 1.8040.036.032.0 9090 1.6045.040.536.0 100100 1.4450.045.040.0 125125 1.1562.556.350.0 1501500.9675.067.560.0 1751750.8287.578.870.0KF35x40351940 4.9020.09818.08816.0784545 4.3622.520.318.0 5050 3.9225.022.520.0 5555 3.5627.524.822.0 6060 3.2730.027.024.0 6565 3.0232.529.326.0 7070 2.8035.031.528.0 7575 2.6137.533.830.0 8080 2.4540.036.032.0 9090 2.1845.040.536.0 100100 1.9650.045.040.0 125125 1.5762.556.350.0 150150 1.3175.067.560.0 175175 1.1287.578.870.0 2002000.98100.090.080.0KF40x50402250 5.1225.012822.511520.01026060 4.2730.027.024.0 7070 3.6635.031.528.0 8080 3.2040.036.032.09090 2.8445.040.536.0 100100 2.5650.045.040.0 125125 2.0562.556.350.0 150150 1.7175.067.560.0 175175 1.4687.578.870.0 200200 1.28100.090.080.0 250250 1.02125.0112.5100.0KF50x605027.560 6.6730.020027.018024.01607070 5.7135.031.528.0 8080 5.0040.036.032.0 9090 4.4445.040.536.0 100100 4.0050.045.040.0 125125 3.2062.556.350.0 150150 2.6775.067.560.0 175175 2.2987.578.870.0 200200 2.00100.090.080.0 250250 1.60125.0112.5100.0 300300 1.33150.0135.0120.0KF60x90603390 6.4045.028840.525936.0230100100 5.7650.045.040.0 125125 4.6162.556.350.0 150150 3.8475.067.560.0 175175 3.2987.578.870.0 200200 2.88100.090.080.0 250250 2.30125.0112.5100.0 300300 1.92150.0135.0120.0模具弹簧规格表-KL轻荷重KL轻荷重LightLoad产品编号外径OuterDia.(mm)内径InnerDia.(mm)自由长FreeLength(mm)定数SpringConst.(kgf/mm)30万0.3million50万0.5million100万1million压缩量(mm)荷重(kgf)压缩量(mm)荷重(kgf)压缩量(mm)荷重(kgf)KL08x158415 1.67 6.0105.494.882020 1.258.07.2 6.4 2525 1.0010.09.08.0 30300.8312.010.89.6 35350.7114.012.611.2 40400.6216.014.412.8 45450.5618.016.214.4 50500.5020.018.016.0 55550.4522.019.817.6 60600.4224.021.619.2KL10x2010520 1.818.014.57.2136.411.42525 1.4510.09.08.03030 1.2112.010.89.63535 1.0414.012.611.240400.9116.014.412.845450.8118.016.214.450500.7220.018.016.055550.6622.019.817.660600.6024.021.619.2KL12x2012 6.520 2.628.0217.219 6.4172525 2.1010.09.08.0 3030 1.7512.010.89.6 3535 1.5014.012.611.2 4040 1.3116.014.412.8 4545 1.1718.016.214.4 5050 1.0520.018.016.0 55550.9522.019.817.6 60600.8824.021.619.2KL14x2514725 2.8010.0289.0258.0223030 2.3312.010.89.6 3535 2.0014.012.611.2 4040 1.7516.014.412.8 4545 1.5618.016.214.4 5050 1.4020.018.016.0 5555 1.2722.019.817.6 6060 1.1724.021.619.2 6565 1.0826.023.420.8 7070 1.0028.025.222.4KL16x2516825 3.5010.0359.0328.0283030 2.9212.010.89.6 3535 2.5014.012.611.2 4040 2.1916.014.412.8 4545 1.9418.016.214.4 5050 1.7520.018.016.0 5555 1.5922.019.817.6 6060 1.4624.021.619.2 6565 1.3526.023.420.8 7070 1.2528.025.222.4 7575 1.1730.027.024.08080 1.0932.028.825.6KL18x2518925 4.3010.0439.0398.0343030 3.5812.010.89.6 3535 3.0714.012.611.2 4040 2.6916.014.412.8 4545 2.3918.016.214.4 5050 2.1520.018.016.0 5555 1.9522.019.817.6 6060 1.7924.021.619.2 6565 1.6526.023.420.8 7070 1.5428.025.222.4 7575 1.4330.027.024.0 8080 1.3432.028.825.6 9090 1.1936.032.428.8KL20x25201025 5.4010.0549.0488.0433030 4.5012.010.89.6 3535 3.8614.012.611.2 4040 3.3816.014.412.8 4545 3.0018.016.214.4 5050 2.7020.018.016.0 5555 2.4522.019.817.6 6060 2.2524.021.619.2 6565 2.0826.023.420.8 7070 1.9328.025.222.4 7575 1.8030.027.024.0 8080 1.6932.028.825.6 9090 1.5036.032.428.8 100100 1.3540.036.032.0 125125 1.0850.045.040.0KL22x25221125 6.7010.0679.0608.0543030 5.5812.010.89.6 3535 4.7914.012.611.2 4040 4.1916.014.412.8 4545 3.7218.016.214.4 5050 3.3520.018.016.0 5555 3.0522.019.817.6 6060 2.7924.021.619.2 6565 2.5826.023.420.8 7070 2.3928.025.222.4 7575 2.2330.027.024.0 8080 2.0932.028.825.6 9090 1.8636.032.428.8 100100 1.6840.036.032.0 125125 1.3450.045.040.0 150150 1.1260.054.048.0KL25X252512.5258.4010.0849.0758.06730307.0012.010.89.6 3535 6.0014.012.611.2 4040 5.2516.014.412.8 4545 4.6718.016.214.4 5050 4.2020.018.016.0 5555 3.8222.019.817.6 6060 3.5024.021.619.2 6565 3.2326.023.420.8 7070 3.0028.025.222.4 7575 2.8030.027.024.0 8080 2.6232.028.825.6 9090 2.3336.032.428.8100100 2.1040.036.032.0 125125 1.6850.045.040.0 150150 1.4060.054.048.0KL27X252713.52510.0010.01009.0908.08030308.3312.010.89.6 35357.1414.012.611.2 4040 6.2516.014.412.8 4545 5.5618.016.214.4 5050 5.0020.018.016.0 5555 4.5522.019.817.6 6060 4.1724.021.619.2 6565 3.8526.023.420.8 7070 3.5728.025.222.4 7575 3.3330.027.024.0 8080 3.1232.028.825.6 9090 2.7836.032.428.8 100100 2.5040.036.032.0 125125 2.0050.045.040.0 150150 1.6760.054.048.0KL30x2530152512.1010.01219.01098.097303010.0812.010.89.6 35358.6414.012.611.2 40407.5616.014.412.8 4545 6.7218.016.214.4 5050 6.0520.018.016.0 5555 5.5022.019.817.6 6060 5.0424.021.619.2 6565 4.6526.023.420.8 7070 4.3228.025.222.47575 4.0330.027.024.0 8080 3.7832.028.825.6 9090 3.3636.032.428.8 100100 3.0240.036.032.0 125125 2.4250.045.040.0 150150 2.0260.054.048.0 175175 1.7370.063.056.0KL35x403517.54010.3116.016514.414912.813245459.1718.016.214.4 50508.2520.018.016.0 55557.5022.019.817.6 6060 6.8824.021.619.2 6565 6.3526.023.420.8 7070 5.8928.025.222.4 7575 5.5030.027.024.0 8080 5.1632.028.825.6 9090 4.5836.032.428.8 100100 4.1240.036.032.0 125125 3.3050.045.040.0 150150 2.7560.054.048.0 175175 2.3670.063.056.0 200200 2.0680.072.064.0KL40x5040205010.8020.021618.019416.017360609.0024.021.619.2 70707.7128.025.222.4 8080 6.7532.028.825.6 9090 6.0036.032.428.8 100100 5.4040.036.032.0 125125 4.3250.045.040.0150150 3.6060.054.048.0 175175 3.0970.063.056.0 200200 2.7080.072.064.0 250250 2.16100.090.080.0KL50x6050256014.0824.033821.630419.2270707012.0728.025.222.4 808010.5632.028.825.6 90909.3936.032.428.8 1001008.4540.036.032.0 125125 6.7650.045.040.0 150150 5.6360.054.048.0 175175 4.8370.063.056.0 200200 4.2280.072.064.0 250250 3.38100.090.080.0 300300 2.82120.0108.096.0KL60X9060309013.5036.048632.443728.838910010012.1540.036.032.0 1251259.7250.045.040.0 1501508.1060.054.048.0 175175 6.9470.063.056.0 200200 6.0880.072.064.0 250250 4.86100.090.080.0 300300 4.05120.0108.096.0模具弹簧规格表-KM中荷重KM中荷重MediumLoad产品编号外径OuterDia.(mm)内径InnerDia.(mm)自由长FreeLength(mm)定数SpringConst.(kgf/mm)30万0.3million30万0.3million100万1million压缩量(mm)荷重(kgf)压缩量(mm)荷重(kgf)压缩量(mm)荷重(kgf)KM08x158415 2.92 4.8144.312.53.8112020 2.19 6.4 5.8 5.1 2525 1.758.07.2 6.4 3030 1.469.68.77.7 3535 1.2511.210.19.0 4040 1.0912.811.010.2 45450.9714.413.011.5 50500.8816.014.412.8 55550.8017.615.914.1 60600.7319.217.315.4KM10x2010520 3.12 6.4205.8185.1162525 2.508.07.2 6.4 3030 2.089.68.77.7 3535 1.7911.210.19.0 4040 1.5612.811.510.2 4545 1.3914.413.011.5 5050 1.2516.014.412.8 5555 1.1417.615.914.1 6060 1.0419.217.315.4KM12x2012620 4.53 6.4295.8265.1232525 3.628.07.2 6.43030 3.029.68.77.7 3535 2.5911.210.19.0 4040 2.2712.811.610.2 4545 2.0114.413.011.5 5050 1.8116.014.412.8 5555 1.6517.615.814.1 6060 1.5119.217.315.4KM14x2514725 4.888.0397.2356.4313030 4.069.68.77.7 3535 3.4811.210.19.0 4040 3.0512.811.510.2 4545 2.7114.413.011.5 5050 2.4416.014.412.8 5555 2.2217.615.914.1 6060 2.0319.217.315.4 6565 1.8820.818.716.6 7070 1.7422.420.217.9KM16x2516825 6.388.0517.2466.4413030 5.319.68.67.7 3535 4.5511.210.19.0 4040 3.9812.811.510.2 4545 3.5414.413.011.5 5050 3.1916.014.412.8 5555 2.9017.615.914.1 6060 2.6619.217.315.4 6565 2.4520.818.716.6 7070 2.2822.420.217.9 7575 2.1224.021.619.2 8080 1.9925.623.020.5KM18x25189258.128.0657.2586.4523030 6.779.68.67.7 3535 5.8011.210.19.0 4040 5.0812.811.510.2 4545 4.5114.413.011.5 5050 4.0616.014.412.8 5555 3.6917.615.814.1 6060 3.3919.217.315.4 6565 3.1220.818.716.6 7070 2.9022.420.217.9 7575 2.7124.021.619.2 8080 2.5425.623.020.5 9090 2.2628.825.923.0KM20x2520102510.008.0807.2726.46430308.339.68.67.7 35357.1411.210.19.0 4040 6.2512.811.510.2 4545 5.5614.413.011.5 5050 5.0016.014.412.8 5555 4.5517.615.814.1 6060 4.1719.217.315.4 6565 3.8520.818.716.6 7070 3.5722.420.217.9 7575 3.3324.021.619.2 8080 3.1225.623.020.5 9090 2.7828.825.923.0 100100 2.5032.028.825.6KM22x2522112512.128.0977.2876.477303010.109.68.67.735358.6611.210.19.0 40407.5812.811.510.2 4545 6.7414.413.011.5 5050 6.0616.014.412.8 5555 5.5117.615.814.1 6060 5.0519.217.315.4 6565 4.6620.818.716.6 7070 4.3322.420.217.9 7575 4.0424.021.619.2 8080 3.7925.623.020.5 9090 3.3728.825.923.0 100100 3.0332.028.825.6 125125 2.4240.036.032.0KM25x252512.52515.628.01257.21126.4100303013.029.68.67.7353511.1611.210.19.040409.7712.811.510.245458.6814.413.011.550507.8116.014.412.855557.1017.615.814.16060 6.5119.217.315.46565 6.0120.818.716.67070 5.5822.420.217.97575 5.2124.021.619.28080 4.8825.623.020.59090 4.3428.825.923.0100100 3.9132.028.825.6125125 3.1240.036.032.0KM27x252713.52518.258.01467.2131 6.4117303015.219.68.67.7 353513.0411.210.19.0 404011.4112.811.510.2 454510.1414.413.011.5 50509.1216.014.412.8 55558.3017.615.814.1 60607.6019.217.315.4 65657.0220.818.716.6 7070 6.5222.420.217.9 7575 6.0824.021.619.2 8080 5.7025.623.020.5 9090 5.0728.825.323.0 100100 4.5632.028.825.6 125125 3.6540.036.032.0 150150 3.0448.043.238.4KM30x2530152522.508.01807.21616.4144303018.759.68.67.7 353516.0711.210.19.0 404014.0612.811.510.2 454512.5014.413.011.5 505011.2516.014.412.8 555510.2317.615.814.1 60609.3819.217.315.4 65658.6520.818.716.6 70708.0422.420.217.9 75757.5024.021.619.2 80807.0325.623.020.5 9090 6.2528.825.923.0 100100 5.6232.028.825.6125125 4.5040.036.032.0 150150 3.7548.043.238.4 175175 3.2156.050.444.8KM35x403517.54019.1412.824511.522010.2195454517.0114.413.011.5 505015.3116.014.412.8 555513.9217.615.814.1 606012.7619.217.315.4 656511.7820.818.716.6 707010.9422.420.217.9 757510.2124.021.619.2 80809.5725.623.020.5 90908.5128.825.923.0 1001007.6632.028.825.6 125125 6.1240.036.032.0 150150 5.1048.043.238.4 175175 4.3856.050.444.8 200200 3.8364.057.651.2KM40x5040205020.0016.032014.428812.8256606016.6719.217.315.4 707014.2922.420.217.9 808012.5025.623.020.5 909011.1128.825.923.0 10010010.003228.825.6 1251258.0040.036.032.0 150150 6.6748.043.238.4 175175 5.7156.050.444.8 200200 5.0064.057.651.2 250250 4.0080.072.064.0KM50x6050256026.0419.250017.345015.4400707022.3222.420.217.9 808019.5325.623.020.5 909017.3628.825.923.0 10010015.6232.028.825.6 12512512.5040.036.032.0 15015010.4248.043.238.4 1751758.9356.050.444.8 2002007.8164.057.651.2 250250 6.2580.072.064.0 300300 5.2196.086.476.8KM60x7060307032.1422.472020.264817.9575808028.1225.623.020.5 909025.0028.825.923.0 10010022.5032.028.825.6 12512518.0040.036.032.0 15015015.0048.043.238.4 17517512.8656.050.444.8 20020011.2564.057.651.2 2502509.0080.072.064.0 3003007.5096.086.476.8模具弹簧规格表-KH重荷重KH重荷重HeavyLoad产品编号外径OuterDia.(mm)内径InnerDia.(mm)自由长FreeLength(mm)定数SpringConst.(kgf/mm)30万0.3million50万0.5million100万1million压缩量(mm)荷重(kgf)压缩量(mm)荷重(kgf)压缩量(mm)荷重(kgf)KH08x158415 5.83 3.6213.2192.9172020 4.38 4.8 4.3 3.8 2525 3.50 6.0 5.4 4.8 3030 2.927.2 6.5 5.8 3535 2.508.47.6 6.7 4040 2.199.68.67.7 4545 1.9410.89.78.6 5050 1.7512.010.89.6 5555 1.5913.211.910.6 6060 1.4614.413.011.5KH10x2010520 6.25 4.8304.3273.8242525 5.00 6.0 5.4 4.83030 4.177.2 6.5 5.83535 3.578.47.6 6.74040 3.129.68.67.74545 2.7810.89.78.65050 2.5012.010.810.05555 2.2713.211.910.66060 2.0814.413.011.5KH12x20126208.96 4.843 4.338 3.83425257.17 6.0 5.4 4.8 3030 5.977.2 6.5 5.8 3535 5.128.47.6 6.7 4040 4.489.68.67.7 4545 3.9810.89.78.6 5050 3.5812.010.810.0 5555 3.2613.211.910.6 6060 2.9914.413.011.5KH14x25147259.83 6.0595.4534.84730308.197.2 6.5 5.8 35357.028.47.6 6.7 4040 6.159.68.67.7 4545 5.4610.89.78.6 5050 4.9212.010.810.0 5555 4.4713.211.910.6 6060 4.1014.413.011.5 6565 3.7815.614.012.5 7070 3.5116.815.113.4KH16x251682512.83 6.0775.4694.862303010.697.2 6.5 5.8 35359.178.47.6 6.7 40408.029.68.67.7 45457.1310.89.78.6 5050 6.4212.010.89.6 5555 5.8313.211.910.6 6060 5.3514.413.011.5 6565 4.9415.614.012.5 7070 4.5816.815.113.4 7575 4.2818.016.214.48080 4.0119.217.315.4KH18x251892516.17 6.0975.4874.878303013.477.2 6.5 5.8 353511.558.47.6 6.7 404010.109.68.67.7 45458.9810.89.78.6 50508.0812.010.89.6 55557.3513.211.910.6 6060 6.7414.413.011.5 6565 6.2215.614.012.5 7070 5.7716.815.113.4 7575 5.3918.016.214.4 8080 5.0519.217.315.4 9090 4.4921.619.417.3KH20x2520102520.00 6.01205.41084.896303016.677.2 6.5 5.8353514.298.47.6 6.7404012.509.68.67.7454511.1110.89.78.6505010.0012.010.89.655559.0913.211.910.660608.3314.413.011.565657.6915.614.012.570707.1416.815.113.47575 6.6718.016.214.48080 6.2519.217.315.49090 5.5621.619.417.3100100 5.0024.021.619.2KH22x25222524.17 6.0145 5.4130 4.8116303020.147.2 6.5 5.8 353517.268.47.6 6.7 404015.109.68.67.7 454513.4310.89.78.6 505012.0812.010.89.6 555510.9813.211.910.6 606010.0714.413.011.5 65659.2915.614.012.5 70708.6316.815.113.4 75758.0618.016.214.4 80807.5519.217.315.4 9090 6.7121.619.417.3 100100 6.0424.021.619.2 125125 4.8330.027.024.0KH25x252512.52531.17 6.01875.41694.8150303025.977.2 6.5 5.8 353522.268.47.6 6.7 404019.489.68.67.7 454517.3110.89.78.6 505015.581210.89.6 555514.1713.211.910.6 606012.9914.413.011.5 656511.9915.614.012.5 707011.1316.815.113.4 757510.3918.016.214.4 80809.7419.217.315.4 90908.6621.619.417.3 1001007.7924.021.619.2 125125 6.2330.027.024.0KH27x252713.52536.50 6.02195.41974.8175303030.427.2 6.5 5.8 353526.078.47.6 6.7 404022.819.68.67.7 454520.2810.89.78.6 505018.2512.010.89.6 555516.5913.211.910.6 606015.2114.413.011.5 656514.0415.614.012.5 707013.0416.815.113.4 757512.1718.016.214.4 808011.4119.217.315.4 909010.1421.619.417.3 1001009.1224.021.619.2 1251257.3030.027.024.0 150150 6.0836.032.428.8KH30x2530152545.00 6.02705.42434.8216303037.507.2 6.5 5.8 353532.148.47.6 6.7 404028.129.68.67.7 454525.0010.89.78.6 505022.5012.010.89.6 555520.4513.211.910.6 606018.7514.413.011.5 656517.3115.614.012.5 707016.0716.815.113.4 757515.0018.016.214.4 808014.0619.217.315.4 909012.5021.619.417.310010011.2524.021.619.2 1251259.0030.027.024.0 1501507.5036.032.428.8 175175 6.4342.037.833.6KH35x403517.54038.239.63678.63307.7293454533.9810.89.78.6 505030.5812.010.89.6 555527.8013.211.910.6 606025.4914.413.011.5 656523.5315.614.012.5 707021.8516.815.113.4 757520.3918.016.214.4 808019.1119.217.315.4 909016.9921.619.417.3 10010015.2924.021.619.2 12512512.2330.027.024.0 15015010.1936.032.428.8 1751758.7442.037.833.6 2002007.6548.043.238.4KH40x5040205040.0012.048010.84329.6384606033.3314.413.011.5 707028.5716.815.113.4 808025.0019.217.315.4 909022.2221.619.417.3 10010020.0024.021.619.2 12512516.0030.027.024.0 15015013.3336.032.428.8 17517511.4342.037.833.6 20020010.0048.043.238.42502508.0060.054.048.0KH50x6050256052.0814.475013.067511.5600707044.6416.815.113.4 808039.0619.217.315.4 909034.7221.619.417.3 10010031.2524.021.619.2 12512525.0030.027.024.0 15015020.8336.032.428.8 17517517.8642.037.833.6 20020015.6248.043.238.4 25025012.5060.054.048.0 30030010.4272.064.857.6KH60x7060307064.2916.8108015.197313.4864808056.2519.217.315.4 909050.0021.619.417.3 10010045.0024.021.619.2 12512536.0030.027.024.0 15015030.0036.032.428.8 17517525.7142.037.833.6 20020022.5048.043.238.4 25025018.0060.054.048.0 30030015.0072.064.857.6模具弹簧规格表-KB超重荷重KB极重荷重SUPERLoad产品编号外径OuterDia.(mm)内径InnerDia.(mm)自由长FreeLength(mm)定数SpringConst.(kgf/mm)30万0.3million50万0.5million100万1million压缩量(mm)荷重(kgf)压缩量(mm)荷重(kgf)压缩量(mm)荷重(kgf)KB08x15841511.30 3.0352.730.52.42620208.47 4.0 3.6 3.2 2525 6.78 5.0 4.5 4.0 3030 5.65 6.0 5.4 4.8 3535 4.847.0 6.3 5.6 4040 4.248.07.2 6.4 4545 3.779.08.17.2 5050 3.3910.09.08.0 5555 3.0811.09.98.8 6060 2.8212.010.89.6KB10x201052011.25 4.0453.6413.23625259.00 5.0 4.5 4.030307.50 6.0 5.4 4.83535 6.437.0 6.3 5.64040 5.628.07.2 6.44545 5.009.08.17.25050 4.5010.09.08.05555 4.0911.09.98.86060 3.7512.010.89.6KB12x201262014.50 4.058 3.652 3.246252511.60 5.0 4.5 4.0 30309.67 6.0 5.4 4.8 35358.297.0 6.3 5.6 40407.258.07.2 6.4 4545 6.449.08.17.2 5050 5.8010.09.08.0 5555 5.2711.09.98.8 6060 4.8312.010.89.6KB14x251472515.00 5.0754.5684.060303012.50 6.0 5.4 4.8 353510.717.0 6.3 5.6 40409.388.07.2 6.4 45458.339.08.17.2 50507.5010.09.08.0 5555 6.8211.09.98.8 6060 6.2512.010.89.6 6565 5.7713.011.710.4 7070 5.3614.012.611.2KB16x251682520.00 5.01004.5904.080303016.67 6.0 5.4 4.8 353514.297.0 6.3 5.6 404012.508.07.2 6.4 454511.119.08.17.2 505010.0010.09.08.0 55559.0911.09.98.8 60608.3312.010.89.6 65657.6913.011.710.4 70707.1414.012.611.2 7575 6.6715.013.512.08080 6.2516.014.412.8KB18x251892525.00 5.01254.51134.0100303020.83 6.0 5.4 4.8 353517.867.0 6.3 5.6 404015.628.07.2 6.4 454513.899.08.17.2 505012.5010.09.08.0 555511.3611.09.98.8 606010.4212.010.89.6 65659.6213.011.710.4 70708.9314.012.611.2 75758.3315.013.512.0 80807.8116.014.412.8 9090 6.9418.016.214.4KB20x2520102532.00 5.01604.51444.0128303026.67 6.0 5.4 4.8353522.867.0 6.3 5.6404020.008.07.2 6.4454517.789.08.17.2505016.0010.09.08.0555514.5511.09.98.8606013.3312.010.89.6656512.3113.011.710.4707011.4314.012.611.2757510.6715.013.512.0808010.0016.014.412.890908.8918.016.214.41001008.0020.018.016.0KB22x25222539.00 5.0195 4.5176 4.0156303032.50 6.0 5.4 4.8 353527.867.0 6.3 5.6 404024.388.07.2 6.4 454521.679.08.17.2 505019.5010.09.08.0 555517.7311.09.98.8 606016.2512.010.89.6 656515.0013.011.710.4 707013.9314.012.611.2 757513.0015.013.512.0 808012.1916.014.412.8 909010.8318.016.214.4 1001009.7520.018.016.0 1251257.8025.022.520.0KB25x252512.52549.00 5.02454.52214.0196303040.83 6.0 5.4 4.8 353535.007.0 6.3 5.6 404030.628.07.2 6.4 454527.229.08.17.2 505024.5010.09.08.0 555522.2711.09.98.8 606020.4212.010.89.6 656518.8513.011.710.4 707017.5014.012.611.2 757516.3315.013.512.0 808015.3116.014.412.8 909013.6118.016.214.4 10010012.2520.018.016.0 1251259.8025.022.520.0KB27X252713.52558.00 5.02904.52614.0232303048.33 6.0 5.4 4.8 353541.437.0 6.3 5.6 404036.258.07.2 6.4 454532.229.08.17.2 505029.0010.09.08.0 555526.3611.09.98.8 606024.1712.010.89.6 656522.3113.011.710.4 707020.7114.012.611.2 757519.3315.013.512.0 808018.1216.014.412.8 909016.1118.016.214.4 10010014.5020.018.016.0 12512511.6025.022.520.0 1501509.6730.027.024.0KB30x2530152572.00 5.03604.53244.0288303060.00 6.0 5.4 4.8 353551.437.0 6.3 5.6 404045.008.07.2 6.4 454540.009.08.17.2 505036.0010.09.08.0 555532.7311.09.98.8 606030.0012.010.89.6 656527.6913.011.710.4 707025.7114.012.611.2 757524.0015.013.512.0 808022.5016.014.412.8909020.0018.016.214.4 10010018.0020.018.016.0 12512514.4025.022.520.0 15015012.0030.027.024.0 17517510.2935.031.528.0KB35x403517.54061.258.04907.24416.4392454554.449.08.17.2 505049.0010.09.08.0 555544.5511.09.98.8 606040.8312.010.89.6 656537.6913.011.710.4 707035.0014.012.611.2 757532.6715.013.512.0 808030.6216.014.412.8 909027.2218.016.214.4 10010024.5020.018.16.0 12512519.6025.022.520.0 15015016.3330.027.024.0 17517514.0035.031.528.0 20020012.2540.036.032.0 KB40X540205064.0010.06409.05768.0512606053.3312.010.89.6 707045.7114.012.611.2 808040.0016.014.412.8 909035.5618.016.214.4 10010032.0020.018.016.0 12512525.6025.022.520.0 15015021.3330.027.024.017517518.2935.031.528.0 20020016.0040.036.032.0 25025012.8050.045.040.0KB50x6050256083.3312.0100010.89009.6800707071.4314.012.611.2 808062.5016.014.412.8 909055.5618.016.214.4 10010050.0020.018.016.0 12512540.0025.022.520.0 15015033.3330.027.024.0 17517528.5735.031.528.0 20020025.0040.036.032.0 25025020.0050.045.040.0 30030016.6760.054.048.0KB60x9060309080.0018.0144016.2129614.4115210010072.0020.018.016.0 12512557.6025.022.520.0 15015048.0030.027.024.0 17517541.1435.031.528.0 20020036.0040.036.032.0 25025028.8050.045.040.0 30030024.0060.054.048.0。
模具弹簧规格及参数模具弹簧规格及参数⼀. 弹簧功能弹簧是模具中⼴泛应⽤的弹性零件,主要⽤于卸料、压料、推件和顶出等⼯作.根据荷重不同,共分五种不同颜⾊加以区分,易於判别和选⽤.⼆. 规格系列1.弹簧外径系列: Φ6Φ8,Φ10,Φ12,Φ14,Φ16,Φ18,Φ20,Φ22,Φ25,Φ30,Φ35,Φ40,Φ50等.2.种类3.弹簧长度:15<=L<=80MM时,每5MM为⼀个阶;80=L>=100MM时,每25MM为⼀个阶.4.扁线弹簧最⼩直径6mm5.弹簧内径等于弹簧外径的⼆分之⼀.6.相同直径颜⾊的弹簧,不管⾃由长度是多长,压40%产⽣的⼒⼀样结论:相同直径颜⾊的弹簧,⾃由长度越短,压缩1mm产⽣的⼒越⼤7.通常使⽤的最⼤压缩⽐是弹簧使⽤30万次的最⼤压缩⽐.汽车模具使⽤50万次的最⼤压缩⽐..8.弹簧能压缩的长度=弹簧的⾃由长度x弹簧的压缩⽐例:Φ20绿⾊弹簧长度50mm,弹簧要求寿命30万次,弹簧能压缩多长?50x24%=12(mm)9.弹簧的长度=弹簧要压缩的长度÷弹簧的压缩⽐例:弹簧要压缩20mm, 弹簧颜⾊为红⾊,弹簧要求寿命50万次要⽤多长的弹簧?弹簧的长度=20÷28.8%+5MM=74.4 查表选⽤75MM长弹簧⼀般选弹簧长度会加5mm的安全余量10.弹簧要压缩的长度=活动板⾏程+3~5mm预压 (常规预压3mm)11.弹簧模板孔的⼤⼩直径<20模板孔=D+1直径>=20模板孔=D+2三. 选⽤原则1.长度选择⼀般保证:在开模状态弹簧的预压缩量等於3~5(常规预压3mm,预压缩量随实际情况⽽定.);闭模状态弹簧压缩量⼩於或等於最⼤压缩量(最⼤压缩量LA=弹簧⾃由长L*最⼤压缩⽐取值%).2.模板压料,脱料板压料优先选⽤绿⾊或棕⾊(茶⾊,咖啡⾊)弹簧;如果向上成形的下模压料,折弯脱料所需的顶料⼒不很⼤时,可选⽤红⾊,绿⾊弹簧,浮料⽤黄⾊,圆线弹簧.3.复合模外脱料板⽤红⾊弹簧,内脱料板⽤绿⾊或棕⾊弹簧.4.活动定位销⼀般选⽤Φ6顶料销,配Φ10黄⾊弹簧和M12⽌付螺丝.Φ8顶料销,配Φ12黄⾊弹簧和M14⽌付螺丝.5.冲孔模和成形模⽤绿⾊或棕⾊(茶⾊,咖啡⾊)弹簧,如有特殊需求时,由专案主管确定.6.弹簧规格优先选⽤Φ30.在空间较⼩区域可考虑选⽤其它规格(如Φ25,Φ20,Φ18,Φ16…...等).Φ25的内导柱⽤Φ30的弹簧脱料Φ20的内导柱⽤Φ25的弹簧脱料四. 排配原则1.弹簧过孔中⼼到模板边缘距离⼤於外径D,与其他孔距离保持实体壁厚⼤於5MM,空间不⾜时最少留2MM.2.弹簧排列⾸先考虑受⼒重点部位,然後再考虑整个模具受⼒均衡平稳.受⼒重点部位是指:复合模的内脱料板外形和冲头的周围;冲孔模的冲头周围;成形模的折弯边及有抽成形的地⽅.3.成形模采⽤⽓垫结构时,下打板排配2~6个弹簧.下模座上不沉孔,弹簧选⽤黄⾊或蓝⾊即可.五. 五⾦零件需求表填写范例弹簧(颜⾊):D*L (D-弹簧外径L-⾃由长度)例: 弹簧TH(绿): Φ20*70。
模具彈簧规格及参数彈簧功能彈簧是模具中廣泛應用的彈性零件,主要用于卸料、壓料、推件和頂出等工作.根據荷重不同,共分五種不同顏色加以區分,易於判別和選用.二.規格系列1. 彈簧外徑系列:①6①8,①10,①12,①14,①16,①18,①20,①22,①25,①30,①35,①40,①50等.2. 種類3. 彈簧長度:15<=L<=80MM 時,每5MM 為一個階;80=V L V=100MM時,每10MM 為一個階;L>=100MM 時,每25MM 為一個階.4. 扁线彈簧最小直径6mm5. 彈簧內徑等于彈簧外徑的二分之一.6•相同直径颜色的弹簧,不管自由长度是多长,压40%产生的力一样结论:相同直径颜色的弹簧,自由长度越短,压缩1mm产生的力越大7.通常使用的最大壓縮比是彈簧使用30萬次的最大壓縮比.汽车模具使用50萬次的最大壓縮比..8•弹簧能压缩的长度=弹簧的自由长度x弹簧的压缩比例:①20绿色弹簧长度50mm,弹簧要求寿命30万次,弹簧能压缩多长?50x24% =12(mm)9•弹簧的长度=弹簧要压缩的长度十弹簧的压缩比例:弹簧要压缩20mm,弹簧颜色为红色,弹簧要求寿命50 万次要用多长的弹簧?弹簧的长度=20 - 28.8 % +5MM=74.4 查表选用75MM长弹簧一般选弹簧长度会加5mm的安全余量10. 弹簧要压缩的长度=活动板行程+3~5mm预压(常规预压3mm)11. 弹簧模板孔的大小直径<20模板孔=D+1直径>=20模板孔=D+2彈黄定數縮讯4彈赞荷币心f三.選用原則1. 長度選擇一般保証:在開模狀態彈簧的預壓縮量等於3~5(常规预压3mm,預壓縮量隨實際情況而定.);閉模狀態彈簧壓縮量小於或等於最大壓縮量(最大壓縮量LA=彈簧自由長L*最大壓縮比取值%).2•模板压料,脱料板压料優先選用綠色或棕色(茶色,咖啡色)彈簧;如果向上成形的下模压料,折弯脱料所需的頂料力不很大時,可選用紅色,绿色彈簧,浮料用黄色,圆线弹簧.3•復合模外脫料板用紅色彈簧,內脫料板用綠色或棕色彈簧•\ 1.}创 门计I ---------------------1 -----------匚 £ h4. 活動定位銷一般選用①6頂料銷,配①10黃色彈簧和M12止付 螺絲• ①8頂料銷,配①12黃色彈簧和M14止付螺絲.5. 沖孔模和成形模用綠色或棕色(茶色,咖啡色)彈簧,如有特殊 需求時,由專案主管確定•s工6. 彈簧規格優先選用①30.在空間較小區域可考慮選用其它規格(如①25,①20,①18,①16…...等).①25的内导柱用①30的弹簧脱料①20的内导柱用①25的弹簧脱料四.排配原則1.彈簧過孔中心到模板邊緣距離大於外徑D,與其他孔距離保持實體壁厚大於5MM,空间不足时最少留2MM.2. 彈簧排列首先考慮受力重點部位撚後再考慮整個模具受力均衡平穩.受力重點部位是指:復合模的內脫料板外形和沖頭的周圍;沖孔模的沖頭周圍;成形模的折彎邊及有抽成形的地方.3. 成形模采用氣墊結構時,下打板排配2~6個彈簧.下模座上不沉孔,彈簧選用黃色或藍色即可.五.五金零件需求表填寫範例彈簧(顏色):D*L (D-彈簧外徑L-自由長度)例:彈簧TH(綠):①20*70。
产品外径内径 自由长 定数编号Outer Inner Free Spring Dia.Dia. Length Const.(mm)(mm)(mm)(kgf/mm)压缩量荷重压缩量荷重(mm)(kgf)(mm) (kgf)KF08x1515 1.07 7.5 6.820 20 0.80 10925 25 0.64 12.5 11.330 30 0.53 15.0 13.535 35 0.46 17.5 15.840 40 0.40 201845 45 0.36 22.5 20.350 50 0.32 2522.555 55 0.29 27.5 24.86060 0.27 30.0 27KF10x2020 1.00 10.0 925 25 0.80 12.5 11.330 30 0.67 15.0 13.535 35 0.57 17.5 15.840 40 0.50 201845 45 0.44 22.5 20.350 50 0.40 2522.555 55 0.36 27.5 24.86060 0.33 30.0 27KF12x2020 1.40 10.0 925 25 1.12 12.5 11.330 30 0.93 1513.535 35 0.80 17.5 15.840 40 0.70 20.0 1845 45 0.62 22.5 20.350 50 0.56 25.0 22.555 55 0.51 27.5 24.86060 0.47 30.0 27KF14x2525 1.44 12.5 11.330 30 1.20 15.0 13.535 35 1.03 17.5 15.840 40 0.90 20.0 1845 45 0.80 22.5 20.350 50 0.72 25.0 22.555 55 0.65 27.5 24.860 60 0.60 302765 65 0.55 32.5 29.37070 0.51 35.0 31.5KF16x2525 1.68 12.5 11.330 30 1.40 15.0 13.535 35 1.20 17.5 15.840 40 1.05 20.0 18KF 轻小荷重LIGHTEST LOAD12 6 14 1314 7 18 168 710 5 10 98 4 30万0.3million 50万0.5million产品外径内径自由长定数编号Outer Inner Free Spring Dia.Dia.Length Const. 压缩量荷重(mm)(mm)(mm) (kgf/mm)压缩量(mm)(mm) (kgf)KL08x1515 1.67 6.0 620 20 1.25 8.0 8.0 25 25 1.00 10.0 1030 30 0.83 12.0 1235 35 0.71 14.0 1440 40 0.62 16.0 16.0 45 45 0.56 18.0 1850 50 0.50 20.0 2055 55 0.45 22.0 226060 0.42 24.0 24KL10x2020 1.81 8.0 825 25 1.45 10.0 1030 30 1.21 12.0 12.0 35 35 1.04 14.0 1440 40 0.91 16.0 16.0 45 45 0.81 18.0 18.0 50 50 0.72 20.0 2055 55 0.66 22.0 22.0 6060 0.60 24.0 24.0 KL12x2020 2.62 8.0 825 25 2.10 10.0 1030 30 1.75 12.0 12.0 35 35 1.50 14.0 1440 40 1.31 16.0 16.0 45 45 1.17 18.0 18.0 50 50 1.05 20.0 2055 55 0.95 22.0 22.0 6060 0.88 24.0 24.0 KL14x2525 2.80 10.0 1030 30 2.33 12.0 12.0 35 35 2.00 14.0 1440 40 1.75 16.0 16.0 45 45 1.56 18.0 18.0 50 50 1.40 20.0 2055 55 1.27 22.0 22.0 60 60 1.17 24.0 24.0 65 65 1.08 26267070 1.00 28.0 28KL16x2525 3.50 10.0 1030 30 2.92 12.0 12.0 35 35 2.50 14.0 1440 40 2.19 16.0 16.0 45 45 1.94 18.0 KL 轻荷重Light Load7512 6.58 430万0.3milli 10 14 111468100万1million产品外径内径编号Outer Inner Dia.Dia.荷重(kgf)压缩量(mm)荷重(kgf)压缩量(mm)荷重(kgf)(mm)(mm)5.4 4.8 KM08x157.2 6.4 20 9.0 8.0 25 10.8 9.6 30 12.6 11.2 35 14.4 12.8 40 16.2 14.4 45 18.0 16.0 50 19.8 17.6 55 21.6 19.2 60 7.2 6.4 KM10x209.0 8.0 25 10.8 9.6 30 12.6 11.2 35 14.4 12.8 40 16.2 14.4 45 18.0 16.0 50 19.8 17.6 55 21.6 19.2 60 7.2 6.4 KM12x209.0 8.0 25 10.8 9.6 30 12.6 11.2 35 14.4 12.8 40 16.2 14.4 45 18.0 16.0 50 19.8 17.6 55 21.6 19.2 609.0 8.0 KM14x 2510.8 9.6 30 12.6 11.2 35 14.4 12.8 40 16.2 14.4 45 18.0 16.0 50 19.8 17.6 55 21.6 19.2 60 23.4 20.8 65 25.2 22.4 70 9.0 8.0 KM16x2510.8 9.6 30 12.6 11.2 35 14.4 12.8 40 16.2 14.4 45 KM 中荷重Medium Load14 710 512 68 428 25 2214.5 13 11.421 19 17100万1million10 9 830万million 50万0.5million自由长定数Free Spring Length Const. (mm) (kgf/mm)压缩量(mm)荷重(kgf)压缩量(mm)荷重(kgf)压缩量(mm)荷重(kgf)15 2.92 4.8 4.3 3.820 2.19 6.4 5.8 5.125 1.75 8.0 7.2 6.430 1.46 9.6 8.77.735 1.25 11.2 10.1940 1.09 12.8 1110.245 0.97 14.4 1311.550 0.88 16.0 14.412.8 55 0.80 17.6 15.914.160 0.73 19.2 17.315.420 3.12 6.4 5.8 5.125 2.50 8.0 7.2 6.430 2.08 9.6 8.77.735 1.79 11.2 10.1940 1.56 12.8 11.510.245 1.39 14.4 1311.550 1.25 16.0 14.412.855 1.14 17.6 15.914.160 1.04 19.2 17.315.420 4.53 6.4 5.8 5.125 3.62 8.0 7.2 6.430 3.02 9.6 8.77.735 2.59 11.2 10.1940 2.27 12.8 11.610.245 2.01 14.4 1311.550 1.81 16.0 14.412.855 1.65 17.6 15.814.160 1.51 19.2 17.315.425 4.88 8.0 7.2 6.430 4.06 9.6 8.77.735 3.48 11.2 10.1940 3.05 12.8 11.510.245 2.71 14.4 1311.550 2.44 1614.412.855 2.22 17.6 15.914.160 2.03 19.2 17.315.465 1.88 20.8 18.716.670 1.74 22.4 20.217.925 6.38 8.0 7.2 6.430 5.31 9.6 8.67.735 4.55 11.2 10.1940 3.98 12.8 11.510.245 3.54 14.4 1311.5503.1916.014.412.839 35 3151 46 4120 18 1629 26 23100万1million 14 12.5 1130万0.3million30万0.3million产品外径内径自由长定数编号Outer Inner Free Spring Dia.Dia.Length Const. (mm)(mm)(mm) (kgf/mm)压缩量(mm)荷重(kgf)压缩量(mm)荷重(kgf)KH08x1515 5.83 3.6 3.220 20 4.38 4.8 4.325 25 3.50 6.0 5.430 30 2.92 7.2 6.535 35 2.50 8.4 7.640 40 2.19 9.6 8.645 45 1.94 10.8 9.750 50 1.75 12.0 10.855 55 1.59 13.2 11.96060 1.46 14.4 13KH10x2020 6.25 4.8 4.325 25 5.00 6.0 5.430 30 4.17 7.2 6.535 35 3.57 8.4 7.640 40 3.12 9.6 8.645 45 2.78 10.8 9.750 50 2.50 12.0 10.855 55 2.27 13.2 11.96060 2.08 14.4 13KH12x2020 8.96 4.8 4.325 25 7.17 6.0 5.430 30 5.97 7.2 6.535 35 5.12 8.4 7.640 40 4.48 9.6 8.645 45 3.98 10.8 9.750 50 3.58 12.0 10.855 55 3.26 13.2 11.96060 2.99 14.4 13KH14x2525 9.83 6.0 5.430 30 8.19 7.2 6.535 35 7.02 8.4 7.640 40 6.15 9.6 8.645 45 5.46 10.8 9.750 50 4.92 12.0 10.855 55 4.47 13.2 11.960 60 4.10 14.4 1365 65 3.78 15.6 147070 3.51 16.8 15.1KH16x2525 12.83 6.0 5.430 30 10.69 7.2 6.535 35 9.17 8.4 7.640 40 8.02 9.6 8.645 45 7.13 10.8 9.750506.4212.010.814 7 59 5316 8 77 6910 5 30 2712 6 43 388 4 21 1930万0.3million50万0.5millionKH 重荷重Heavy Load产品外径内径自由长定数编号 Outer Inner Free Spring Dia.Dia.Length Const. 压缩量(mm)荷重(kgf)(mm)(mm) (mm) (kgf/mm)压缩量(mm)2.9KB08x15 15 11.30 3.0 3.820 20 8.47 4.0 4.825 25 6.78 5.0 5.830 30 5.65 6.0 6.735 35 4.84 7.0 7.740 40 4.24 8.0 8.645 45 3.77 99.650 50 3.39 10.0 10.655 55 3.08 11.0 11.560 60 2.82 12.0 3.8KB10x20 20 11.25 4.0 4.825 25 9.00 5.0 5.830 30 7.50 6.0 6.735 35 6.43 7.0 7.740 40 5.62 8.0 8.645 45 5.00 9.0 1050 50 4.50 10.0 10.655 55 4.09 11.0 11.560 60 3.75 12.0 3.8KB12x20 20 14.50 4.0 4.825 25 11.60 5.0 5.830 30 9.67 6.0 6.735 35 8.29 7.0 7.740 40 7.25 8.0 8.645 45 6.44 9.0 1050 50 5.80 10.0 10.655 55 5.27 11.0 11.560 60 4.83 12.0 4.8KB14x25 25 15.00 5.0 5.830 30 12.50 6.0 6.735 35 10.71 7.0 7.740 40 9.38 8.0 8.645 45 8.33 9.0 1050 50 7.50 10.0 10.655 55 6.82 11.0 11.560 60 6.25 12.0 12.565 65 5.77 13.0 13.470 70 5.36 14.0 4.8KB16x25 25 20.00 5.0 5.830 30 16.67 6.0 6.735 35 14.29 7.0 7.740 40 12.50 8.0 8.645 45 11.11 9.0 10 5 KB 极重荷重SUPER Load 14 7 12 6 8 4 30万0.3milli 47 2434100万1million17。
模具弹簧规格及参数一.弹簧功能弹簧是模具中广泛应用的弹性零件,主要用于卸料、压料、推件和顶出等工作.根据荷重不同,共分五种不同颜色加以区分,易於判别和选用.二.规格系列1.弹簧外径系列: Φ6Φ8,Φ10,Φ12,Φ14,Φ16,Φ18,Φ20,Φ22,Φ25,Φ30,Φ35,Φ40,Φ50等.2.种类3.弹簧长度:15<=L<=80MM时,每5MM为一个阶;80=<L<=100MM时,每10MM为一个阶;L>=100MM时,每25MM为一个阶.4.扁线弹簧最小直径6mm5.弹簧内径等于弹簧外径的二分之一.6.相同直径颜色的弹簧,不管自由长度是多长,压40%产生的力一样结论:相同直径颜色的弹簧,自由长度越短,压缩1mm产生的力越大7.通常使用的最大压缩比是弹簧使用30万次的最大压缩比.汽车模具使用50万次的最大压缩比..8.弹簧能压缩的长度=弹簧的自由长度x弹簧的压缩比例:Φ20绿色弹簧长度50mm,弹簧要求寿命30万次,弹簧能压缩多长?50x24%=12(mm)9.弹簧的长度=弹簧要压缩的长度÷弹簧的压缩比例:弹簧要压缩20mm, 弹簧颜色为红色,弹簧要求寿命50万次要用多长的弹簧?弹簧的长度=20÷28.8%+5MM=74.4 查表选用75MM长弹簧一般选弹簧长度会加5mm的安全余量10.弹簧要压缩的长度=活动板行程+3~5mm预压(常规预压3mm)11.弹簧模板孔的大小直径<20模板孔=D+1直径>=20模板孔=D+2三.选用原则1.长度选择一般保证:在开模状态弹簧的预压缩量等於3~5(常规预压3mm,预压缩量随实际情况而定.);闭模状态弹簧压缩量小於或等於最大压缩量(最大压缩量LA=弹簧自由长L*最大压缩比取值%).2.模板压料,脱料板压料优先选用绿色或棕色(茶色,咖啡色)弹簧;如果向上成形的下模压料,折弯脱料所需的顶料力不很大时,可选用红色,绿色弹簧,浮料用黄色,圆线弹簧.3.复合模外脱料板用红色弹簧,内脱料板用绿色或棕色弹簧.4.活动定位销一般选用Φ6顶料销,配Φ10黄色弹簧和M12止付螺丝.Φ8顶料销,配Φ12黄色弹簧和M14止付螺丝.5.冲孔模和成形模用绿色或棕色(茶色,咖啡色)弹簧,如有特殊需求时,由专案主管确定.6.弹簧规格优先选用Φ30.在空间较小区域可考虑选用其它规格(如Φ25,Φ20,Φ18,Φ16…...等).Φ25的内导柱用Φ30的弹簧脱料Φ20的内导柱用Φ25的弹簧脱料四.排配原则1.弹簧过孔中心到模板边缘距离大於外径D,与其他孔距离保持实体壁厚大於5MM,空间不足时最少留2MM.2.弹簧排列首先考虑受力重点部位,然後再考虑整个模具受力均衡平稳.受力重点部位是指:复合模的内脱料板外形和冲头的周围;冲孔模的冲头周围;成形模的折弯边及有抽成形的地方.3.成形模采用气垫结构时,下打板排配2~6个弹簧.下模座上不沉孔,弹簧选用黄色或蓝色即可.五.五金零件需求表填写范例弹簧(颜色):D*L (D-弹簧外径L-自由长度)例: 弹簧TH(绿): Φ20*70。
弹性势能
弹性势能的定义物体由于发生弹性形变而具有的势能叫弹性势能(elasticpo tentialener gy)。
同一弹性物体在一定范围内形变越大,具有的弹性势能就越多。
弹性势能的应用工程中又称“弹性变形能”。
例
如,被压缩的气体、拉弯了的弓、卷紧了的发条、拉长或压缩了的弹簧都具有弹性势能。
弹性势能的计算及公式弹性势能=弹力做功=∫(0-
x)kx*dx=1/ 2k*x^2。
其中,k为弹性系数,x 为压缩量。
注意:此公式中的x必须在弹簧的弹性限度内。
弹力做功与弹性势能变化的关系:弹力做正功,弹性势能减少,弹力做负功,弹性势能增加。
模具弹簧标准
一、弹簧材料
模具弹簧的材料应采用高品质的合金钢,如65Mn、50CrVA等。
这些材料具有高的弹性模量、抗拉强度和屈服强度,能够保证弹簧的力学性能和耐久性。
二、弹簧尺寸
模具弹簧的尺寸应符合设计要求,弹簧的直径、圈数、节距等参数应符合行业标准或企业标准。
对于不同用途的弹簧,尺寸规格也有所不同,如用于侧向压合模具的弹簧需考虑其压缩长度和弹性。
三、弹簧刚度
弹簧刚度是描述弹簧在单位受力作用下产生变形量的物理量。
在模具设计中,应根据所需弹簧的刚度值进行选择。
一般来说,弹簧刚度越大,产生的弹力越大,适用于大型、厚重的模具;反之,适用于小型、轻型的模具。
四、弹簧承载能力
弹簧的承载能力应满足模具的使用要求。
在选择弹簧时,需考虑其最大负荷能力、工作负荷范围以及疲劳寿命等因素。
对于需要频繁使用或承受较大冲击力的模具,应选择承载能力较高的弹簧。
五、弹簧使用寿命
弹簧的使用寿命取决于其材料、制造工艺、工作环境等因素。
在保证弹簧承载能力和刚度的前提下,应尽量选择使用寿命较长的弹簧。
六、弹簧外观质量
弹簧的外观质量应符合要求,表面应光滑、无裂纹、锈蚀等现象。
此外,弹簧的圈数和节距应均匀,无明显偏差。
七、弹簧性能测试
在生产过程中和成品出厂前,应对模具弹簧进行性能测试,以确保其符合设计要求和使用性能。
测试项目应包括弹簧的弹性模量、抗拉强度、屈服强度、疲劳寿命等指标。
测试方法可参照相关标准或企业标准进行。
一、模具弹簧规格表-KB超重荷重KB超重荷重SUPERLoad产品编号外径OuterDia.(mm)内径InnerDia.(mm)自由长FreeLength(mm)定数SpringConst.(kgf/mm)30万0.3million50万0.5million100万1million压缩量(mm)荷重(kgf)压缩量(mm)荷重(kgf)压缩量(mm)荷重(kgf)KB08x158 4 15 11.30 3.0352.730.52.42620 20 8.47 4.0 3.6 3.2 25 25 6.78 5.0 4.5 4.0 30 30 5.65 6.0 5.4 4.8 35 35 4.84 7.0 6.3 5.6 40 40 4.24 8.0 7.2 6.4 45 45 3.77 9.0 8.1 7.2 50 50 3.39 10.0 9.0 8.0 55 55 3.08 11.0 9.9 8.8 60 60 2.82 12.0 10.8 9.6KB10x2010 5 20 11.25 4.0453.6413.23625 25 9.00 5.0 4.5 4.0 30 30 7.50 6.0 5.4 4.8 35 35 6.43 7.0 6.3 5.6 40 40 5.62 8.0 7.2 6.4 45 45 5.00 9.0 8.1 7.2 50 50 4.50 10.0 9.0 8.0 55 55 4.09 11.0 9.9 8.8 60 60 3.75 12.0 10.8 9.6KB12x2012 6 20 14.50 4.0583.6523.24625 25 11.60 5.0 4.5 4.0 30 30 9.67 6.0 5.4 4.8 35 35 8.29 7.0 6.3 5.6 40 40 7.25 8.0 7.2 6.4 45 45 6.44 9.0 8.1 7.2 50 50 5.80 10.0 9.0 8.0 55 55 5.27 11.0 9.9 8.8 60 60 4.83 12.0 10.8 9.6KB14x2514 7 25 15.00 5.0754.5684.06030 30 12.50 6.0 5.4 4.8 35 35 10.71 7.0 6.3 5.6 40 40 9.38 8.0 7.2 6.4 45 45 8.33 9.0 8.1 7.2 50 50 7.50 10.0 9.0 8.0 55 55 6.82 11.0 9.9 8.865 65 5.77 13.0 11.7 10.4 70 70 5.36 14.0 12.6 11.2KB16x2516 8 25 20.00 5.01004.5904.08030 30 16.67 6.0 5.4 4.8 35 35 14.29 7.0 6.3 5.6 40 40 12.50 8.0 7.2 6.4 45 45 11.11 9.0 8.1 7.2 50 50 10.00 10.0 9.0 8.0 55 55 9.09 11.0 9.9 8.8 60 60 8.33 12.0 10.8 9.6 65 65 7.69 13.0 11.7 10.4 70 70 7.14 14.0 12.6 11.2 75 75 6.67 15.0 13.5 12.0 80 80 6.25 16.0 14.4 12.8KB18x2518 9 25 25.00 5.01254.51134.010030 30 20.83 6.0 5.4 4.8 35 35 17.86 7.0 6.3 5.6 40 40 15.62 8.0 7.2 6.4 45 45 13.89 9.0 8.1 7.2 50 50 12.50 10.0 9.0 8.0 55 55 11.36 11.0 9.9 8.8 60 60 10.42 12.0 10.8 9.6 65 65 9.62 13.0 11.7 10.4 70 70 8.93 14.0 12.6 11.2 75 75 8.33 15.0 13.5 12.0 80 80 7.81 16.0 14.4 12.8 90 90 6.94 18.0 16.2 14.4KB20x2520 10 25 32.00 5.01604.51444.012830 30 26.67 6.0 5.4 4.8 35 35 22.86 7.0 6.3 5.6 40 40 20.00 8.0 7.2 6.4 45 45 17.78 9.0 8.1 7.2 50 50 16.00 10.0 9.0 8.0 55 55 14.55 11.0 9.9 8.8 60 60 13.33 12.0 10.8 9.6 65 65 12.31 13.0 11.7 10.4 70 70 11.43 14.0 12.6 11.2 75 75 10.67 15.0 13.5 12.0 80 80 10.00 16.0 14.4 12.8 90 90 8.89 18.0 16.2 14.4 100 100 8.00 20.0 18.0 16.0KB22x2522 25 39.00 5.01954.51764.015630 30 32.50 6.0 5.4 4.8 35 35 27.86 7.0 6.3 5.645 45 21.67 9.0 8.1 7.2 50 50 19.50 10.0 9.0 8.0 55 55 17.73 11.0 9.9 8.8 60 60 16.25 12.0 10.8 9.6 65 65 15.00 13.0 11.7 10.4 70 70 13.93 14.0 12.6 11.2 75 75 13.00 15.0 13.5 12.0 80 80 12.19 16.0 14.4 12.8 90 90 10.83 18.0 16.2 14.4 100 100 9.75 20.0 18.0 16.0 125 125 7.80 25.0 22.5 20.0KB25x2525 12.5 25 49.00 5.02454.52214.019630 30 40.83 6.0 5.4 4.8 35 35 35.00 7.0 6.3 5.6 40 40 30.62 8.0 7.2 6.4 45 45 27.22 9.0 8.1 7.2 50 50 24.50 10.0 9.0 8.0 55 55 22.27 11.0 9.9 8.8 60 60 20.42 12.0 10.8 9.6 65 65 18.85 13.0 11.7 10.4 70 70 17.50 14.0 12.6 11.2 75 75 16.33 15.0 13.5 12.0 80 80 15.31 16.0 14.4 12.8 90 90 13.61 18.0 16.2 14.4 100 100 12.25 20.0 18.0 16.0 125 125 9.80 25.0 22.5 20.0KB27X2527 13.5 25 58.00 5.02904.52614.023230 30 48.33 6.0 5.4 4.8 35 35 41.43 7.0 6.3 5.6 40 40 36.25 8.0 7.2 6.4 45 45 32.22 9.0 8.1 7.2 50 50 29.00 10.0 9.0 8.0 55 55 26.36 11.0 9.9 8.8 60 60 24.17 12.0 10.8 9.6 65 65 22.31 13.0 11.7 10.4 70 70 20.71 14.0 12.6 11.2 75 75 19.33 15.0 13.5 12.0 80 80 18.12 16.0 14.4 12.8 90 90 16.11 18.0 16.2 14.4 100 100 14.50 20.0 18.0 16.0 125 125 11.60 25.0 22.5 20.0 150 150 9.67 30.0 27.0 24.0KB30x2530 15 25 72.00 5.03604.53244.028830 30 60.00 6.0 5.4 4.840 40 45.00 8.0 7.2 6.4 45 45 40.00 9.0 8.1 7.2 50 50 36.00 10.0 9.0 8.0 55 55 32.73 11.0 9.9 8.8 60 60 30.00 12.0 10.8 9.6 65 65 27.69 13.0 11.7 10.4 70 70 25.71 14.0 12.6 11.2 75 75 24.00 15.0 13.5 12.0 80 80 22.50 16.0 14.4 12.8 90 90 20.00 18.0 16.2 14.4 100 100 18.00 20.0 18.0 16.0 125 125 14.40 25.0 22.5 20.0 150 150 12.00 30.0 27.0 24.0 175 175 10.29 35.0 31.5 28.0KB35x4035 17.5 40 61.25 8.04907.24416.439245 45 54.44 9.0 8.1 7.2 50 50 49.00 10.0 9.0 8.0 55 55 44.55 11.0 9.9 8.8 60 60 40.83 12.0 10.8 9.6 65 65 37.69 13.0 11.7 10.4 70 70 35.00 14.0 12.6 11.2 75 75 32.67 15.0 13.5 12.0 80 80 30.62 16.0 14.4 12.8 90 90 27.22 18.0 16.2 14.4 100 100 24.50 20.0 18. 16.0 125 125 19.60 25.0 22.5 20.0 150 150 16.33 30.0 27.0 24.0 175 175 14.00 35.0 31.5 28.0 200 200 12.25 40.0 36.0 32.0KB40X5040 20 50 64.00 10.06409.05768.051260 60 53.33 12.0 10.8 9.6 70 70 45.71 14.0 12.6 11.2 80 80 40.00 16.0 14.4 12.8 90 90 35.56 18.0 16.2 14.4 100 100 32.00 20.0 18.0 16.0 125 125 25.60 25.0 22.5 20.0 150 150 21.33 30.0 27.0 24.0 175 175 18.29 35.0 31.5 28.0 200 200 16.00 40.0 36.0 32.0 250 250 12.80 50.0 45.0 40.0KB50x6050 25 60 83.33 12.0100010.89009.680070 70 71.43 14.0 12.6 11.2 80 80 62.50 16.0 14.4 12.8 90 90 55.56 18.0 16.2 14.4125 125 40.00 25.0 22.5 20.0 150 150 33.33 30.0 27.0 24.0 175 175 28.57 35.0 31.5 28.0 200 200 25.00 40.0 36.0 32.0 250 250 20.00 50.0 45.0 40.0 300 300 16.67 60.0 54.0 48.0KB60x9060 30 90 80.00 18.0144016.2129614.41152100 100 72.00 20.0 18.0 16.0 125 125 57.60 25.0 22.5 20.0 150 150 48.00 30.0 27.0 24.0 175 175 41.14 35.0 31.5 28.0 200 200 36.00 40.0 36.0 32.0 250 250 28.80 50.0 45.0 40.0 300 300 24.00 60.0 54.0 48.0二、模具弹簧规格表-KH重荷重KH重荷重SUPERLoad产品编号外径OuterDia.(mm)内径InnerDia.(mm)自由长FreeLength(mm)定数SpringConst.(kgf/mm)30万0.3million50万0.5million100万1million压缩量(mm)荷重(kgf)压缩量(mm)荷重(kgf)压缩量(mm)荷重(kgf)KH08x158 4 15 5.83 3.6213.2192.91720 20 4.38 4.8 4.3 3.8 25 25 3.50 6.0 5.4 4.8 30 30 2.92 7.2 6.5 5.8 35 35 2.50 8.4 7.6 6.7 40 40 2.19 9.6 8.6 7.7 45 45 1.94 10.8 9.7 8.6 50 50 1.75 12.0 10.8 9.6 55 55 1.59 13.2 11.9 10.6 60 60 1.46 14.4 13.0 11.5KH10x2010 5 20 6.25 4.8304.3273.82425 25 5.00 6.0 5.4 4.8 30 30 4.17 7.2 6.5 5.8 35 35 3.57 8.4 7.6 6.7 40 40 3.12 9.6 8.6 7.7 45 45 2.78 10.8 9.7 8.6 50 50 2.50 12.0 10.8 10.0 55 55 2.27 13.2 11.9 10.6 60 60 2.08 14.4 13.0 11.5KH12x2012 6 20 8.96 4.8434.3383.83425 25 7.17 6.0 5.4 4.8 30 30 5.97 7.2 6.5 5.8 35 35 5.12 8.4 7.6 6.7 40 40 4.48 9.6 8.6 7.7 45 45 3.98 10.8 9.7 8.6 50 50 3.58 12.0 10.8 10.0 55 55 3.26 13.2 11.9 10.6 60 60 2.99 14.4 13.0 11.5KH14x2514 7 25 9.83 6.0595.4534.84730 30 8.19 7.2 6.5 5.8 35 35 7.02 8.4 7.6 6.7 40 40 6.15 9.6 8.6 7.7 45 45 5.46 10.8 9.7 8.6 50 50 4.92 12.0 10.8 10.0 55 55 4.47 13.2 11.9 10.665 65 3.78 15.6 14.0 12.5 70 70 3.51 16.8 15.1 13.4KH16x2516 8 25 12.83 6.0775.4694.86230 30 10.69 7.2 6.5 5.8 35 35 9.17 8.4 7.6 6.7 40 40 8.02 9.6 8.6 7.7 45 45 7.13 10.8 9.7 8.6 50 50 6.42 12.0 10.8 9.6 55 55 5.83 13.2 11.9 10.6 60 60 5.35 14.4 13.0 11.5 65 65 4.94 15.6 14.0 12.5 70 70 4.58 16.8 15.1 13.4 75 75 4.28 18.0 16.2 14.4 80 80 4.01 19.2 17.3 15.4KH18x2518 9 25 16.17 6.0975.4874.87830 30 13.47 7.2 6.5 5.8 35 35 11.55 8.4 7.6 6.7 40 40 10.10 9.6 8.6 7.7 45 45 8.98 10.8 9.7 8.6 50 50 8.08 12.0 10.8 9.6 55 55 7.35 13.2 11.9 10.6 60 60 6.74 14.4 13.0 11.5 65 65 6.22 15.6 14.0 12.5 70 70 5.77 16.8 15.1 13.4 75 75 5.39 18.0 16.2 14.4 80 80 5.05 19.2 17.3 15.4 90 90 4.49 21.6 19.4 17.3KH20x2520 10 25 20.00 6.01205.41084.89630 30 16.67 7.2 6.5 5.8 35 35 14.29 8.4 7.6 6.7 40 40 12.50 9.6 8.6 7.7 45 45 11.11 10.8 9.7 8.6 50 50 10.00 12.0 10.8 9.6 55 55 9.09 13.2 11.9 10.6 60 60 8.33 14.4 13.0 11.5 65 65 7.69 15.6 14.0 12.5 70 70 7.14 16.8 15.1 13.4 75 75 6.67 18.0 16.2 14.4 80 80 6.25 19.2 17.3 15.4 90 90 5.56 21.6 19.4 17.3 100 100 5.00 24.0 21.6 19.2KH22x2522 25 24.17 6.01455.41304.811630 30 20.14 7.2 6.5 5.8 35 35 17.26 8.4 7.6 6.745 45 13.43 10.8 9.7 8.6 50 50 12.08 12.0 10.8 9.6 55 55 10.98 13.2 11.9 10.6 60 60 10.07 14.4 13.0 11.5 65 65 9.29 15.6 14.0 12.5 70 70 8.63 16.8 15.1 13.4 75 75 8.06 18.0 16.2 14.4 80 80 7.55 19.2 17.3 15.4 90 90 6.71 21.6 19.4 17.3 100 100 6.04 24.0 21.6 19.2 125 125 4.83 30.0 27.0 24.0KH25x2525 12.5 25 31.17 6.01875.41694.815030 30 25.97 7.2 6.5 5.8 35 35 22.26 8.4 7.6 6.7 40 40 19.48 9.6 8.6 7.7 45 45 17.31 10.8 9.7 8.6 50 50 15.58 12 10.8 9.6 55 55 14.17 13.2 11.9 10.6 60 60 12.99 14.4 13.0 11.5 65 65 11.99 15.6 14.0 12.5 70 70 11.13 16.8 15.1 13.4 75 75 10.39 18.0 16.2 14.4 80 80 9.74 19.2 17.3 15.4 90 90 8.66 21.6 19.4 17.3 100 100 7.79 24.0 21.6 19.2 125 125 6.23 30.0 27.0 24.0KH27x2527 13.5 25 36.50 6.02195.41974.817530 30 30.42 7.2 6.5 5.8 35 35 26.07 8.4 7.6 6.7 40 40 22.81 9.6 8.6 7.7 45 45 20.28 10.8 9.7 8.6 50 50 18.25 12.0 10.8 9.6 55 55 16.59 13.2 11.9 10.6 60 60 15.21 14.4 13.0 11.5 65 65 14.04 15.6 14.0 12.5 70 70 13.04 16.8 15.1 13.4 75 75 12.17 18.0 16.2 14.4 80 80 11.41 19.2 17.3 15.4 90 90 10.14 21.6 19.4 17.3 100 100 9.12 24.0 21.6 19.2 125 125 7.30 30.0 27.0 24.0 150 150 6.08 36.0 32.4 28.8KH30x2530 15 25 45.00 6.02705.42434.821630 30 37.50 7.2 6.5 5.840 40 28.12 9.6 8.6 7.7 45 45 25.00 10.8 9.7 8.6 50 50 22.50 12.0 10.8 9.6 55 55 20.45 13.2 11.9 10.6 60 60 18.75 14.4 13.0 11.5 65 65 17.31 15.6 14.0 12.5 70 70 16.07 16.8 15.1 13.4 75 75 15.00 18.0 16.2 14.4 80 80 14.06 19.2 17.3 15.4 90 90 12.50 21.6 19.4 17.3 100 100 11.25 24.0 21.6 19.2 125 125 9.00 30.0 27.0 24.0 150 150 7.50 36.0 32.4 28.8 175 175 6.43 42.0 37.8 33.6KH35x4035 17.5 40 38.23 9.63678.63307.729345 45 33.98 10.8 9.7 8.6 50 50 30.58 12.0 10.8 9.6 55 55 27.80 13.2 11.9 10.6 60 60 25.49 14.4 13.0 11.5 65 65 23.53 15.6 14.0 12.5 70 70 21.85 16.8 15.1 13.4 75 75 20.39 18.0 16.2 14.4 80 80 19.11 19.2 17.3 15.4 90 90 16.99 21.6 19.4 17.3 100 100 15.29 24.0 21.6 19.2 125 125 12.23 30.0 27.0 24.0 150 150 10.19 36.0 32.4 28.8 175 175 8.74 42.0 37.8 33.6 200 200 7.65 48.0 43.2 38.4KH40x5040 20 50 40.00 12.048010.84329.638460 60 33.33 14.4 13.0 11.5 70 70 28.57 16.8 15.1 13.4 80 80 25.00 19.2 17.3 15.4 90 90 22.22 21.6 19.4 17.3 100 100 20.00 24.0 21.6 19.2 125 125 16.00 30.0 27.0 24.0 150 150 13.33 36.0 32.4 28.8 175 175 11.43 42.0 37.8 33.6 200 200 10.00 48.0 43.2 38.4 250 250 8.00 60.0 54.0 48.0KH50x6050 25 60 52.08 14.475013.067511.560070 70 44.64 16.8 15.1 13.4 80 80 39.06 19.2 17.3 15.4 90 90 34.72 21.6 19.4 17.3125 125 25.00 30.0 27.0 24.0 150 150 20.83 36.0 32.4 28.8 175 175 17.86 42.0 37.8 33.6 200 200 15.62 48.0 43.2 38.4 250 250 12.50 60.0 54.0 48.0 300 300 10.42 72.0 64.8 57.6KH60x7060 30 70 64.29 16.8108015.197313.486480 80 56.25 19.2 17.3 15.4 90 90 50.00 21.6 19.4 17.3 100 100 45.00 24.0 21.6 19.2 125 125 36.00 30.0 27.0 24.0 150 150 30.00 36.0 32.4 28.8 175 175 25.71 42.0 37.8 33.6 200 200 22.50 48.0 43.2 38.4 250 250 18.00 60.0 54.0 48.0 300 300 15.00 72.0 64.8 57.6三、模具弹簧规格表-KM中荷重KB中荷重SUPERLoad产品编号外径OuterDia.(mm)内径InnerDia.(mm)自由长FreeLength(mm)定数SpringConst.(kgf/mm)30万0.3million50万0.5million100万1million压缩量(mm)荷重(kgf)压缩量(mm)荷重(kgf)压缩量(mm)荷重(kgf)KM08x158 4 15 2.92 4.8144.312.53.81120 20 2.19 6.4 5.8 5.1 25 25 1.75 8.0 7.2 6.4 30 30 1.46 9.6 8.7 7.7 35 35 1.25 11.2 10.1 9.0 40 40 1.09 12.8 11.0 10.2 45 45 0.97 14.4 13.0 11.5 50 50 0.88 16.0 14.4 12.8 55 55 0.80 17.6 15.9 14.1 60 60 0.73 19.2 17.3 15.4KM10x2010 5 20 3.12 6.4205.8185.11625 25 2.50 8.0 7.2 6.4 30 30 2.08 9.6 8.7 7.7 35 35 1.79 11.2 10.1 9.0 40 40 1.56 12.8 11.5 10.2 45 45 1.39 14.4 13.0 11.5 50 50 1.25 16.0 14.4 12.8 55 55 1.14 17.6 15.9 14.1 60 60 1.04 19.2 17.3 15.4KM12x2012 6 20 4.53 6.4295.8265.12325 25 3.62 8.0 7.2 6.4 30 30 3.02 9.6 8.7 7.7 35 35 2.59 11.2 10.1 9.0 40 40 2.27 12.8 11.6 10.2 45 45 2.01 14.4 13.0 11.5 50 50 1.81 16.0 14.4 12.8 55 55 1.65 17.6 15.8 14.1 60 60 1.51 19.2 17.3 15.4KM14x2514 7 25 4.88 8.0397.2356.43130 30 4.06 9.6 8.7 7.7 35 35 3.48 11.2 10.1 9.0 40 40 3.05 12.8 11.5 10.2 45 45 2.71 14.4 13.0 11.5 50 50 2.44 16.0 14.4 12.8 55 55 2.22 17.6 15.9 14.165 65 1.88 20.8 18.7 16.6 70 70 1.74 22.4 20.2 17.9KM16x2516 8 25 6.38 8.0517.2466.44130 30 5.31 9.6 8.6 7.7 35 35 4.55 11.2 10.1 9.0 40 40 3.98 12.8 11.5 10.2 45 45 3.54 14.4 13.0 11.5 50 50 3.19 16.0 14.4 12.8 55 55 2.90 17.6 15.9 14.1 60 60 2.66 19.2 17.3 15.4 65 65 2.45 20.8 18.7 16.6 70 70 2.28 22.4 20.2 17.9 75 75 2.12 24.0 21.6 19.2 80 80 1.99 25.6 23.0 20.5KM18x2518 9 25 8.12 8.0657.2586.45230 30 6.77 9.6 8.6 7.7 35 35 5.80 11.2 10.1 9.0 40 40 5.08 12.8 11.5 10.2 45 45 4.51 14.4 13.0 11.5 50 50 4.06 16.0 14.4 12.8 55 55 3.69 17.6 15.8 14.1 60 60 3.39 19.2 17.3 15.4 65 65 3.12 20.8 18.7 16.6 70 70 2.90 22.4 20.2 17.9 75 75 2.71 24.0 21.6 19.2 80 80 2.54 25.6 23.0 20.5 90 90 2.26 28.8 25.9 23.0KM20x2520 10 25 10.00 8.0807.2726.46430 30 8.33 9.6 8.6 7.7 35 35 7.14 11.2 10.1 9.0 40 40 6.25 12.8 11.5 10.2 45 45 5.56 14.4 13.0 11.5 50 50 5.00 16.0 14.4 12.8 55 55 4.55 17.6 15.8 14.1 60 60 4.17 19.2 17.3 15.4 65 65 3.85 20.8 18.7 16.6 70 70 3.57 22.4 20.2 17.9 75 75 3.33 24.0 21.6 19.2 80 80 3.12 25.6 23.0 20.5 90 90 2.78 28.8 25.9 23.0 100 100 2.50 32.0 28.8 25.6KM22x2522 11 25 12.12 8.0977.2876.47730 30 10.10 9.6 8.6 7.7 35 35 8.66 11.2 10.1 9.045 45 6.74 14.4 13.0 11.5 50 50 6.06 16.0 14.4 12.8 55 55 5.51 17.6 15.8 14.1 60 60 5.05 19.2 17.3 15.4 65 65 4.66 20.8 18.7 16.6 70 70 4.33 22.4 20.2 17.9 75 75 4.04 24.0 21.6 19.2 80 80 3.79 25.6 23.0 20.5 90 90 3.37 28.8 25.9 23.0 100 100 3.03 32.0 28.8 25.6 125 125 2.42 40.0 36.0 32.0KM25x2525 12.5 25 15.62 8.01257.21126.410030 30 13.02 9.6 8.6 7.7 35 35 11.16 11.2 10.1 9.0 40 40 9.77 12.8 11.5 10.2 45 45 8.68 14.4 13.0 11.5 50 50 7.81 16.0 14.4 12.8 55 55 7.10 17.6 15.8 14.1 60 60 6.51 19.2 17.3 15.4 65 65 6.01 20.8 18.7 16.6 70 70 5.58 22.4 20.2 17.9 75 75 5.21 24.0 21.6 19.2 80 80 4.88 25.6 23.0 20.5 90 90 4.34 28.8 25.9 23.0 100 100 3.91 32.0 28.8 25.6 125 125 3.12 40.0 36.0 32.0KM27x2527 13.5 25 18.25 8.01467.21316.411730 30 15.21 9.6 8.6 7.7 35 35 13.04 11.2 10.1 9.0 40 40 11.41 12.8 11.5 10.2 45 45 10.14 14.4 13.0 11.5 50 50 9.12 16.0 14.4 12.8 55 55 8.30 17.6 15.8 14.1 60 60 7.60 19.2 17.3 15.4 65 65 7.02 20.8 18.7 16.6 70 70 6.52 22.4 20.2 17.9 75 75 6.08 24.0 21.6 19.2 80 80 5.70 25.6 23.0 20.5 90 90 5.07 28.8 25.3 23.0 100 100 4.56 32.0 28.8 25.6 125 125 3.65 40.0 36.0 32.0 150 150 3.04 48.0 43.2 38.4KM30x2530 15 25 22.50 8.01807.21616.414430 30 18.75 9.6 8.6 7.740 40 14.06 12.8 11.5 10.2 45 45 12.50 14.4 13.0 11.5 50 50 11.25 16.0 14.4 12.8 55 55 10.23 17.6 15.8 14.1 60 60 9.38 19.2 17.3 15.4 65 65 8.65 20.8 18.7 16.6 70 70 8.04 22.4 20.2 17.9 75 75 7.50 24.0 21.6 19.2 80 80 7.03 25.6 23.0 20.5 90 90 6.25 28.8 25.9 23.0 100 100 5.62 32.0 28.8 25.6 125 125 4.50 40.0 36.0 32.0 150 150 3.75 48.0 43.2 38.4 175 175 3.21 56.0 50.4 44.8KM35x4035 17.5 40 19.14 12.824511.522010.219545 45 17.01 14.4 13.0 11.5 50 50 15.31 16.0 14.4 12.8 55 55 13.92 17.6 15.8 14.1 60 60 12.76 19.2 17.3 15.4 65 65 11.78 20.8 18.7 16.6 70 70 10.94 22.4 20.2 17.9 75 75 10.21 24.0 21.6 19.2 80 80 9.57 25.6 23.0 20.5 90 90 8.51 28.8 25.9 23.0 100 100 7.66 32.0 28.8 25.6 125 125 6.12 40.0 36.0 32.0 150 150 5.10 48.0 43.2 38.4 175 175 4.38 56.0 50.4 44.8 200 200 3.83 64.0 57.6 51.2KM40x5040 20 50 20.00 16.032014.428812.825660 60 16.67 19.2 17.3 15.4 70 70 14.29 22.4 20.2 17.9 80 80 12.50 25.6 23.0 20.5 90 90 11.11 28.8 25.9 23.0 100 100 10.00 32 28.8 25.6 125 125 8.00 40.0 36.0 32.0 150 150 6.67 48.0 43.2 38.4 175 175 5.71 56.0 50.4 44.8 200 200 5.00 64.0 57.6 51.2 250 250 4.00 80.0 72.0 64.0KM50x6050 25 60 26.04 19.250017.345015.440070 70 22.32 22.4 20.2 17.9 80 80 19.53 25.6 23.0 20.5 90 90 17.36 28.8 25.9 23.0125 125 12.50 40.0 36.0 32.0 150 150 10.42 48.0 43.2 38.4 175 175 8.93 56.0 50.4 44.8 200 200 7.81 64.0 57.6 51.2 250 250 6.25 80.0 72.0 64.0 300 300 5.21 96.0 86.4 76.8KM60x7060 30 70 32.14 22.472020.264817.957580 80 28.12 25.6 23.0 20.5 90 90 25.00 28.8 25.9 23.0 100 100 22.50 32.0 28.8 25.6 125 125 18.00 40.0 36.0 32.0 150 150 15.00 48.0 43.2 38.4 175 175 12.86 56.0 50.4 44.8 200 200 11.25 64.0 57.6 51.2 250 250 9.00 80.0 72.0 64.0 300 300 7.50 96.0 86.4 76.8四、模具弹簧规格表-KL轻荷重KL轻荷重SUPERLoad产品编号外径OuterDia.(mm)内径InnerDia.(mm)自由长FreeLength(mm)定数SpringConst.(kgf/mm)30万0.3million50万0.5million100万1million压缩量(mm)荷重(kgf)压缩量(mm)荷重(kgf)压缩量(mm)荷重(kgf)KL08x158 4 15 1.67 6.0105.494.8820 20 1.25 8.0 7.2 6.4 25 25 1.00 10.0 9.0 8.0 30 30 0.83 12.0 10.8 9.6 35 35 0.71 14.0 12.6 11.2 40 40 0.62 16.0 14.4 12.8 45 45 0.56 18.0 16.2 14.4 50 50 0.50 20.0 18.0 16.0 55 55 0.45 22.0 19.8 17.6 60 60 0.42 24.0 21.6 19.2KL10x2010 5 20 1.81 8.014.57.2136.411.425 25 1.45 10.0 9.0 8.0 30 30 1.21 12.0 10.8 9.6 35 35 1.04 14.0 12.6 11.2 40 40 0.91 16.0 14.4 12.8 45 45 0.81 18.0 16.2 14.4 50 50 0.72 20.0 18.0 16.0 55 55 0.66 22.0 19.8 17.6 60 60 0.60 24.0 21.6 19.2KL12x2012 6.5 20 2.62 8.0217.2196.41725 25 2.10 10.0 9.0 8.0 30 30 1.75 12.0 10.8 9.6 35 35 1.50 14.0 12.6 11.2 40 40 1.31 16.0 14.4 12.8 45 45 1.17 18.0 16.2 14.4 50 50 1.05 20.0 18.0 16.0 55 55 0.95 22.0 19.8 17.6 60 60 0.88 24.0 21.6 19.2KL14x2514 7 25 2.80 10.0289.0258.02230 30 2.33 12.0 10.8 9.6 35 35 2.00 14.0 12.6 11.2 40 40 1.75 16.0 14.4 12.8 45 45 1.56 18.0 16.2 14.4 50 50 1.40 20.0 18.0 16.0 55 55 1.27 22.0 19.8 17.665 65 1.08 26.0 23.4 20.8 70 70 1.00 28.0 25.2 22.4KL16x2516 8 25 3.50 10.0359.0328.02830 30 2.92 12.0 10.8 9.6 35 35 2.50 14.0 12.6 11.2 40 40 2.19 16.0 14.4 12.8 45 45 1.94 18.0 16.2 14.4 50 50 1.75 20.0 18.0 16.0 55 55 1.59 22.0 19.8 17.6 60 60 1.46 24.0 21.6 19.2 65 65 1.35 26.0 23.4 20.8 70 70 1.25 28.0 25.2 22.4 75 75 1.17 30.0 27.0 24.0 80 80 1.09 32.0 28.8 25.6KL18x2518 9 25 4.30 10.0439.0398.03430 30 3.58 12.0 10.8 9.6 35 35 3.07 14.0 12.6 11.2 40 40 2.69 16.0 14.4 12.8 45 45 2.39 18.0 16.2 14.4 50 50 2.15 20.0 18.0 16.0 55 55 1.95 22.0 19.8 17.6 60 60 1.79 24.0 21.6 19.2 65 65 1.65 26.0 23.4 20.8 70 70 1.54 28.0 25.2 22.4 75 75 1.43 30.0 27.0 24.0 80 80 1.34 32.0 28.8 25.6 90 90 1.19 36.0 32.4 28.8KL20x2520 10 25 5.40 10.0549.0488.04330 30 4.50 12.0 10.8 9.6 35 35 3.86 14.0 12.6 11.2 40 40 3.38 16.0 14.4 12.8 45 45 3.00 18.0 16.2 14.4 50 50 2.70 20.0 18.0 16.0 55 55 2.45 22.0 19.8 17.6 60 60 2.25 24.0 21.6 19.2 65 65 2.08 26.0 23.4 20.8 70 70 1.93 28.0 25.2 22.4 75 75 1.80 30.0 27.0 24.0 80 80 1.69 32.0 28.8 25.6 90 90 1.50 36.0 32.4 28.8 100 100 1.35 40.0 36.0 32.0 125 125 1.08 50.0 45.0 40.0KL22x2522 11 25 6.70 10.0679.0608.05430 30 5.58 12.0 10.8 9.640 40 4.19 16.0 14.4 12.8 45 45 3.72 18.0 16.2 14.4 50 50 3.35 20.0 18.0 16.0 55 55 3.05 22.0 19.8 17.6 60 60 2.79 24.0 21.6 19.2 65 65 2.58 26.0 23.4 20.8 70 70 2.39 28.0 25.2 22.4 75 75 2.23 30.0 27.0 24.0 80 80 2.09 32.0 28.8 25.6 90 90 1.86 36.0 32.4 28.8 100 100 1.68 40.0 36.0 32.0 125 125 1.34 50.0 45.0 40.0 150 150 1.12 60.0 54.0 48.0KL25X2525 12.5 25 8.40 10.0849.0758.06730 30 7.00 12.0 10.8 9.6 35 35 6.00 14.0 12.6 11.2 40 40 5.25 16.0 14.4 12.8 45 45 4.67 18.0 16.2 14.4 50 50 4.20 20.0 18.0 16.0 55 55 3.82 22.0 19.8 17.6 60 60 3.50 24.0 21.6 19.2 65 65 3.23 26.0 23.4 20.8 70 70 3.00 28.0 25.2 22.4 75 75 2.80 30.0 27.0 24.0 80 80 2.62 32.0 28.8 25.6 90 90 2.33 36.0 32.4 28.8 100 100 2.10 40.0 36.0 32.0 125 125 1.68 50.0 45.0 40.0 150 150 1.40 60.0 54.0 48.0KL27X2527 13.5 25 10.00 10.01009.0908.08030 30 8.33 12.0 10.8 9.6 35 35 7.14 14.0 12.6 11.2 40 40 6.25 16.0 14.4 12.8 45 45 5.56 18.0 16.2 14.4 50 50 5.00 20.0 18.0 16.0 55 55 4.55 22.0 19.8 17.6 60 60 4.17 24.0 21.6 19.2 65 65 3.85 26.0 23.4 20.8 70 70 3.57 28.0 25.2 22.4 75 75 3.33 30.0 27.0 24.0 80 80 3.12 32.0 28.8 25.6 90 90 2.78 36.0 32.4 28.8 100 100 2.50 40.0 36.0 32.0 125 125 2.00 50.0 45.0 40.0KL30x2530 15 25 12.10 10.01219.01098.09730 30 10.08 12.0 10.8 9.6 35 35 8.64 14.0 12.6 11.2 40 40 7.56 16.0 14.4 12.8 45 45 6.72 18.0 16.2 14.4 50 50 6.05 20.0 18.0 16.0 55 55 5.50 22.0 19.8 17.6 60 60 5.04 24.0 21.6 19.2 65 65 4.65 26.0 23.4 20.8 70 70 4.32 28.0 25.2 22.4 75 75 4.03 30.0 27.0 24.0 80 80 3.78 32.0 28.8 25.6 90 90 3.36 36.0 32.4 28.8 100 100 3.02 40.0 36.0 32.0 125 125 2.42 50.0 45.0 40.0 150 150 2.02 60.0 54.0 48.0 175 175 1.73 70.0 63.0 56.0KL35x4035 17.5 40 10.31 16.016514.414912.813245 45 9.17 18.0 16.2 14.4 50 50 8.25 20.0 18.0 16.0 55 55 7.50 22.0 19.8 17.6 60 60 6.88 24.0 21.6 19.2 65 65 6.35 26.0 23.4 20.8 70 70 5.89 28.0 25.2 22.4 75 75 5.50 30.0 27.0 24.0 80 80 5.16 32.0 28.8 25.6 90 90 4.58 36.0 32.4 28.8 100 100 4.12 40.0 36.0 32.0 125 125 3.30 50.0 45.0 40.0 150 150 2.75 60.0 54.0 48.0 175 175 2.36 70.0 63.0 56.0 200 200 2.06 80.0 72.0 64.0KL40x5040 20 50 10.80 20.021618.019416.017360 60 9.00 24.0 21.6 19.270 70 7.71 28.0 25.2 22.480 80 6.75 32.0 28.8 25.690 90 6.00 36.0 32.4 28.8100 100 5.40 40.0 36.0 32.0125 125 4.32 50.0 45.0 40.0150 150 3.60 60.0 54.0 48.0175 175 3.09 70.0 63.0 56.0200 200 2.70 80.0 72.0 64.0250 250 2.16 100.0 90.0 80.0KL50x60 50 25 60 14.08 24.0 338 21.6 304 19.2 27080 80 10.56 32.0 28.8 25.6 90 90 9.39 36.0 32.4 28.8 100 100 8.45 40.0 36.0 32.0 125 125 6.76 50.0 45.0 40.0 150 150 5.63 60.0 54.0 48.0 175 175 4.83 70.0 63.0 56.0 200 200 4.22 80.0 72.0 64.0 250 250 3.38 100.0 90.0 80.0 300 300 2.82 120.0 108.0 96.0KL60X9060 30 90 13.50 36.048632.443728.8389100 100 12.15 40.0 36.0 32.0 125 125 9.72 50.0 45.0 40.0 150 150 8.10 60.0 54.0 48.0 175 175 6.94 70.0 63.0 56.0 200 200 6.08 80.0 72.0 64.0 250 250 4.86 100.0 90.0 80.0 300 300 4.05 120.0 108.0 96.0五、模具弹簧规格表-KF轻小荷重KF轻小荷重SUPERLoad产品编号外径OuterDia.(mm)内径InnerDia.(mm)自由长FreeLength(mm)定数SpringConst.(kgf/mm)30万0.3million50万0.5million100万1million压缩量(mm)荷重(kgf)压缩量(mm)荷重(kgf)压缩量(mm)荷重(kgf)KF08x158 4 15 1.07 7.586.876.0620 20 0.80 10.0 9.0 8.0 25 25 0.64 12.5 11.3 10.0 30 30 0.53 15.0 13.5 12.0 35 35 0.46 17.5 15.8 14.0 40 40 0.40 20.0 18.0 16.0 45 45 0.36 22.5 20.3 18.0 50 50 0.32 25.0 22.5 20.0 55 55 0.29 27.5 24.8 22.0 60 60 0.27 30.0 27.0 24.0KF10x2010 5 20 1.00 10.0109.098.0825 25 0.80 12.5 11.3 10.0 30 30 0.67 15.0 13.5 12.0 35 35 0.57 17.5 15.8 14.0 40 40 0.50 20.0 18.0 16.0 45 45 0.44 22.5 20.3 18.0 50 50 0.40 25.0 22.5 20.0 55 55 0.36 27.5 24.8 22.0 60 60 0.33 30.0 27.0 24.0KF12x2012 6 20 1.40 10.0149.0138.01125 25 1.12 12.5 11.3 10.0 30 30 0.93 15.0 13.5 12.0 35 35 0.80 17.5 15.8 14.0 40 40 0.70 20.0 18.0 16.0 45 45 0.62 22.5 20.3 18.0 50 50 0.56 25.0 22.5 20.0 55 55 0.51 27.5 24.8 22.0 60 60 0.47 30.0 27.0 24.0KF14x2514 7 25 1.44 12.51811.31610.01430 30 1.20 15.0 13.5 12.0 35 35 1.03 17.5 15.8 14.0 40 40 0.90 20.0 18.0 16.0 45 45 0.80 22.5 20.3 18.0 50 50 0.72 25.0 22.5 20.0 55 55 0.65 27.5 24.8 22.065 65 0.55 32.5 29.3 26.0 70 70 0.51 35.0 31.5 28.0KF16x2516 8 25 1.68 12.52111.31910.01730 30 1.40 15.0 13.5 12.0 35 35 1.20 17.5 15.8 14.0 40 40 1.05 20.0 18.0 16.0 45 45 0.93 22.5 20.3 18.0 50 50 0.84 25.0 22.5 20.0 55 55 0.76 27.5 24.8 22.0 60 60 0.70 30.0 27.0 24.0 65 65 0.65 32.5 29.3 26.0 70 70 0.60 35.0 31.5 28.0 75 75 0.56 37.5 33.8 30.0 80 80 0.52 40.0 36.0 32.0KF18x2518 9 25 2.08 12.52611.32310.02130 30 1.73 15.0 13.5 12.0 35 35 1.49 17.5 15.8 14.0 40 40 1.30 20.0 18.0 16.0 45 45 1.16 22.5 20.3 18.0 50 50 1.04 25.0 22.5 20.0 55 55 0.95 27.5 24.8 22.0 60 60 0.87 30.0 27.0 24.0 65 65 0.80 32.5 29.3 26.0 70 70 0.74 35.0 31.5 28.0 75 75 0.69 37.5 33.8 30.0 80 80 0.65 40.0 36.0 32.0 90 90 0.58 45.0 40.5 36.0KF20x2520 11 25 2.56 12.53211.32910.02630 30 2.13 15.0 13.5 12.0 35 35 1.83 17.5 15.8 14.0 40 40 1.60 20.0 18.0 16.0 45 45 1.42 22.5 20.3 18.0 50 50 1.28 25.0 22.5 20.0 55 55 1.16 27.5 24.8 22.0 60 60 1.07 30.0 27.0 24.0 65 65 0.98 32.5 29.3 26.0 70 70 0.91 35.0 31.5 28.0 75 75 0.85 37.5 33.8 30.0 80 80 0.80 40.0 36.0 32.0 90 90 0.71 45.0 40.5 36.0 100 100 0.64 50.0 45.0 40.0 125 125 0.51 62.5 56.3 50.0KF22x2522 11 25 3.20 12.54011.33610.03230 30 2.67 15.0 13.5 12.040 40 2.00 20.0 18.0 16.0 45 45 1.78 22.5 20.3 18.0 50 50 1.60 25.0 22.5 20.0 55 55 1.45 27.5 24.8 22.0 60 60 1.33 30.0 27.0 24.0 65 65 1.23 32.5 29.3 26.0 70 70 1.14 35.0 31.5 28.0 75 75 1.07 37.5 33.8 30.0 80 80 1.00 40.0 36.0 32.0 90 90 0.89 45.0 40.5 36.0 100 100 0.80 50.0 45.0 40.0 125 125 0.64 62.5 56.3 50.0 150 150 0.53 75.0 67.5 60.0KF25x2525 13.5 25 4.00 12.55011.34510.04030 30 3.33 15.0 13.5 12.0 35 35 2.86 17.5 15.8 14.0 40 40 2.50 20.0 18.0 16.0 45 45 2.22 22.5 20.3 18.0 50 50 2.00 25.0 22.5 20.0 55 55 1.82 27.5 24.8 22.0 60 60 1.67 30.0 27.0 24.0 65 65 1.54 32.5 29.3 26.0 70 70 1.43 35.0 31.5 28.0 75 75 1.33 37.5 33.8 30.0 80 80 1.25 40.0 36.0 32.0 90 90 1.11 45.0 40.5 36.0 100 100 1.00 50.0 45.0 40.0 125 125 0.80 62.5 56.3 50.0 150 150 0.67 75.0 67.5 60.0KF27x2527 13.5 25 4.80 12.56011.35410.04830 30 4.00 15.0 13.5 12.0 35 35 3.43 17.5 15.8 14.0 40 40 3.00 20.0 18.0 16.0 45 45 2.67 22.5 20.3 18.0 50 50 2.40 25.0 22.5 20.0 55 55 2.18 27.5 24.8 22.0 60 60 2.00 30.0 27.0 24.0 65 65 1.85 32.5 29.3 26.0 70 70 1.71 35.0 31.5 28.0 75 75 1.60 37.5 33.8 30.0 80 80 1.50 40.0 36.0 32.0 90 90 1.33 45.0 40.5 36.0 100 100 1.20 50.0 45.0 40.0 125 125 0.96 62.5 56.3 50.0175 175 0.69 87.5 78.8 70.0KF30X2530 16 25 5.76 12.57211.36510.05830 30 4.80 15.0 13.5 12.0 35 35 4.11 17.5 15.8 14.0 40 40 3.60 20.0 18.0 16.0 45 45 3.20 22.5 20.3 18.0 50 50 2.88 25.0 22.5 20.0 55 55 2.62 27.5 24.3 22.0 60 60 2.40 30.0 27.0 24.0 65 65 2.22 32.5 29.3 26.0 70 70 2.06 35.0 31.5 28.0 75 75 1.92 37.5 33.8 30.0 80 80 1.80 40.0 36.0 32.0 90 90 1.60 45.0 40.5 36.0 100 100 1.44 50.0 45.0 40.0 125 125 1.15 62.5 56.3 50.0 150 150 0.96 75.0 67.5 60.0 175 175 0.82 87.5 78.8 70.0KF35x4035 19 40 4.90 20.09818.08816.07845 45 4.36 22.5 20.3 18.0 50 50 3.92 25.0 22.5 20.0 55 55 3.56 27.5 24.8 22.0 60 60 3.27 30.0 27.0 24.0 65 65 3.02 32.5 29.3 26.0 70 70 2.80 35.0 31.5 28.0 75 75 2.61 37.5 33.8 30.0 80 80 2.45 40.0 36.0 32.0 90 90 2.18 45.0 40.5 36.0 100 100 1.96 50.0 45.0 40.0 125 125 1.57 62.5 56.3 50.0 150 150 1.31 75.0 67.5 60.0 175 175 1.12 87.5 78.8 70.0 200 200 0.98 100.0 90.0 80.0KF40x5040 22 50 5.12 25.012822.511520.010260 60 4.27 30.0 27.0 24.0 70 70 3.66 35.0 31.5 28.0 80 80 3.20 40.0 36.0 32.0 90 90 2.84 45.0 40.5 36.0 100 100 2.56 50.0 45.0 40.0 125 125 2.05 62.5 56.3 50.0 150 150 1.71 75.0 67.5 60.0 175 175 1.46 87.5 78.8 70.0 200 200 1.28 100.0 90.0 80.0 250 250 1.02 125.0 112.5 100.0。
模具彈簧规格及参数一 . 彈簧功能彈 簧是模具中廣泛應用的彈性零件,主要用于卸料、壓料、推件和頂出等工作.根據荷重不同,共分五種不同顏色加以區分,易於判別和選用.二 . 規格系列1. 彈簧外徑系列 : Φ6Φ8,Φ 10,Φ 12,Φ 14,Φ 16,Φ18,Φ20,Φ22,Φ25,Φ30,Φ 35,Φ 40,Φ50 等.彈簧外徑D Φ 8 Φ10 Φ12 Φ14 Φ16 Φ18 Φ20Φ 22Φ25 Φ30 Φ35 Φ40 Φ50過孔直徑D1Φ8.5Φ10.5 Φ12.5 Φ14.5 Φ17.0 Φ19.0 Φ21.0 Φ23.0 Φ26.0 Φ32.0 Φ37.0 Φ42.0 Φ52.0上模座沉孔直徑D2 Φ12.0 Φ14.0 Φ16.0 Φ18.0 Φ20.0 Φ23.0 Φ26.0 Φ26.0 Φ30.0 Φ35.0 Φ40.0 Φ45.0 Φ55.0彈簧TF(黃) ╳ 20~80 20~80 25~90 25~10025~10025~125 ╳ 25~15025~17540~20050~25060~300 彈簧TL(藍) ╳ 20~80 20~80 25~90 25~10025~10025~125 ╳ 25~15025~17540~20050~25060~300長度15~60 20~60 20~60 25~70 25~80 25~90 25~10025~12525~12525~17545~20050~25060~300 彈簧TM(紅)L彈簧TH(綠) 15~60 20~60 20~60 25~70 25~80 25~90 25~10025~12525~12525~17540~20050~25060~300 彈簧TB(棕) 15~60 20~80 20~80 25~90 25~10025~10025~10025~12525~12525~17540~20050~25060~3002. 種類種類 顏色 最大極限壓縮比30 万回最大壓縮比50 万回最大壓縮比 100万回最大壓縮比輕小荷重 黃色 58%50% 45% 40% 輕荷重 藍色 48% 40% 36% 32% 中荷重 紅色 38% 32% 28.8% 25.6% 重荷重 綠色28% 24% 21.6% 19.2% 極重荷重棕色(茶色,24%20%18%16%咖啡色)3. 彈簧長度: 15<=L<=80MM時 ,每 5MM 為一個階;80=<L<=100MM 時,每 10MM為一個階;L>=100MM時,每 25MM 為一個階.4.扁线彈簧最小直径 6mm5.彈簧內徑等于彈簧外徑的二分之一.6.相同直径颜色的弹簧,不管自由长度是多长,压40%产生的力一样结论:相同直径颜色的弹簧,自由长度越短,压缩 1mm 产生的力越大7.通常使用的最大壓縮比是彈簧使用 30 萬次的最大壓縮比 .汽车模具使用 50 萬次的最大壓縮比 ..8.弹簧能压缩的长度 =弹簧的自由长度 x 弹簧的压缩比例:Φ20 绿色弹簧长度 50mm,弹簧要求寿命 30 万次,弹簧能压缩多长?50x24%=12(mm)9.弹簧的长度 = 弹簧要压缩的长度÷弹簧的压缩比例:弹簧要压缩20mm,弹簧颜色为红色,弹簧要求寿命50万次要用多长的弹簧?弹簧的长度=20÷28.8% +5MM=74.4查表选用75MM长弹簧一般选弹簧长度会加 5mm 的安全余量10.弹簧要压缩的长度 =活动板行程 +3~5mm 预压 (常规预压 3mm)11.弹簧模板孔的大小直径<20模板孔=D+1直径 >=20 模板孔 =D+2DD1D2三.選用原則1.長度選擇一般保証:在開模狀態彈簧的預壓縮量等於3~5(常规预压 3mm, 預壓縮量隨實際情況而定 .); 閉模狀態彈簧壓縮量小於或等於最大壓縮量(最大壓縮量 LA= 彈簧自由長 L* 最大壓縮比取值%).2.模板压料,脱料板压料優先選用綠色或棕色(茶色,咖啡色)彈簧;如果向上成形的下模压料,折弯脱料所需的頂料力不很大時,可選用紅色,绿色彈簧,浮料用黄色,圆线弹簧.3.復合模外脫料板用紅色彈簧,內脫料板用綠色或棕色彈簧.4.活動定位銷一般選用Φ6頂料銷,配Φ10黃色彈簧和 M12 止付螺絲 .Φ8頂料銷,配Φ12黃色彈簧和 M14 止付螺絲.5.沖孔模和成形模用綠色或棕色(茶色,咖啡色)彈簧,如有特殊需求時,由專案主管確定.6.彈簧規格優先選用Φ30.在空間較小區域可考慮選用其它規格(如Φ25,Φ20,Φ18,Φ16⋯...等). Φ25 的内导柱用Φ30 的弹簧脱料Φ20 的内导柱用Φ25的弹簧脱料四. 排配原則1.彈簧過孔中心到模板邊緣距離大於外徑 D,與其他孔距離保持實體壁厚大於5MM, 空间不足时最少留 2MM.2.彈簧排列首先考慮受力重點部位,然後再考慮整個模具受力均衡平穩.受力重點部位是指:復合模的內脫料板外形和沖頭的周圍;沖孔模的沖頭周圍;成形模的折彎邊及有抽成形的地方.3.成形模采用氣墊結構時,下打板排配 2~6 個彈簧.下模座上不沉孔,彈簧選用黃色或藍色即可.五. 五金零件需求表填寫範例彈簧(顏色):D*L(D- 彈簧外徑L-自由長度)例:彈簧TH(綠):Φ20*70。
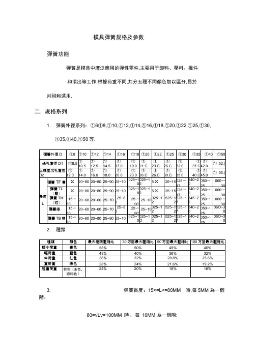
模具弹簧规格及参数
一.弹簧功能
弹簧是模具中广泛应用的弹性零件,主要用于卸料、压料、推件和顶出等工作.根据荷重不同,共分五种不同颜色加以区分,易於判别和选用.
二.规格系列
1.弹簧外径系列:Φ6Φ8,Φ10,Φ12,Φ14,Φ16,Φ18,Φ20,Φ22,Φ25,Φ30,Φ35,Φ40,Φ50等.
2.种类
3.弹簧长度:15<=L<=80MM时,每5MM为一个阶;
80=<L<=100MM时,每10MM为一个阶;
L>=100MM时,每25MM为一个阶.
4.扁线弹簧最小直径6mm
5.弹簧内径等于弹簧外径的二分之一.
6.相同直径颜色的弹簧,不管自由长度是多长,压40%产生的力一样
结论:相同直径颜色的弹簧,自由长度越短,压缩1mm产生的力越大
7.通常使用的最大压缩比是弹簧使用30万次的最大压缩比.
汽车模具使用50万次的最大压缩比..
8.弹簧能压缩的长度=弹簧的自由长度x弹簧的压缩比
例:Φ20绿色弹簧长度50mm,弹簧要求寿命30万次,弹簧能压缩多长?
50x24%=12(mm)
9.弹簧的长度=弹簧要压缩的长度÷弹簧的压缩比
例:弹簧要压缩20mm,弹簧颜色为红色,弹簧要求寿命50万次
要用多长的弹簧?
弹簧的长度=20÷28.8%+5MM=74.4 查表选用75MM长弹簧
一般选弹簧长度会加5mm的安全余量
10.弹簧要压缩的长度=活动板行程+3~5mm预压(常规预压3mm)
11.弹簧模板孔的大小直径<20模板孔=D+1
直径>=20模板孔=D+2
三.选用原则
1.长度选择一般保证:在开模状态弹簧的预压缩量等於3~5(常规预压3mm,预压缩量随
实际情况而定.);闭模状态弹簧压缩量小於或等於最大压缩量(最大压缩量LA=弹簧
自由长L*最大压缩比取值%).
2.模板压料,脱料板压料优先选用绿色或棕色(茶色,咖啡色)弹簧;如果向上成形的
下模压料,折弯脱料所需的顶料力不很大时,可选用红色,绿色弹簧,浮料用黄色,圆线弹簧.
3.复合模外脱料板用红色弹簧,内脱料板用绿色或棕色弹簧.
4.活动定位销一般选用Φ6顶料销,配Φ10黄色弹簧和M12止付螺丝.
Φ8顶料销,配Φ12黄色弹簧和M14止付螺丝.
5.冲孔模和成形模用绿色或棕色(茶色,咖啡色)弹簧,如有特殊需求时,由专案主管确
定.
6.弹簧规格优先选用Φ30.在空间较小区域可考虑选用其它规格(如Φ25,Φ20,Φ18,Φ
16…...等).Φ25的内导柱用Φ30的弹簧脱料
Φ20的内导柱用Φ25的弹簧脱料
四.排配原则
1.弹簧过孔中心到模板边缘距离大於外径D,与其他孔距离保持实体壁厚大於5MM,
空间不足时最少留2MM.
2.弹簧排列首先考虑受力重点部位,然後再考虑整个模具受力均衡平稳.受力重点部
位是指:复合模的内脱料板外形和冲头的周围;冲孔模的冲头周围;成形模的折弯边
及有抽成形的地方.
3.成形模采用气垫结构时,下打板排配2~6个弹簧.下模座上不沉孔,弹簧选用黄色或
蓝色即可.
五.五金零件需求表填写范例
弹簧(颜色):D*L (D-弹簧外径L-自由长度) 例: 弹簧TH(绿): Φ20*70。