人体正常组织放射耐受量(Gy)
- 格式:docx
- 大小:14.55 KB
- 文档页数:1
放疗过程中计划调整程序
放射治疗过程中应根据患者具体情况进行计划调
整,遵循如下原则:
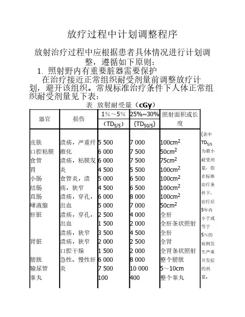
1. 照射野内有重要脏器需要保护
在治疗接近正常组织耐受剂量前调整放疗计划,避开该组织。
常规标准治疗条件下人体正常组织耐受剂量见下表:
表中
5/5
年内
%的
50/5
年,
%的
1~
6MeV),1000cGy/周,每天1次,治疗5次,休息2天。
整个治疗根据总剂量在2~8周内完成。
)
2.患者病情出现变化
如患者病情好转,可将姑息性放疗目的改为根
治性放疗;如病情恶化或疗效不理想,可将根治性放疗目的改为姑息性放疗,或终止放疗。
如放疗过程中出现严重的放疗反应,应暂停放疗或终止放疗。
3. 放射治疗过程中根据患者具体情况进行计划调整时应向患者或家属讲明原因及调整方法,有告知记录及知情同意书。
4. 调整后的计划必须由医师、物理师签字方可执行。
正常组织的耐受剂量(一)常规标准治疗条件下人体正常组织耐受剂量常规放射治疗中正常组织的耐受量一般可参考表1。
表中TD5/5为最小耐受剂量,指在标准治疗条件下,治疗后5年内小于或等于5%的病例发生严重并发症的剂量。
TD50/5为最大耐受剂量,指在标准治疗条件下,治疗后5年,50%的病例发生严重并发症的剂量。
此处标准治疗条件是指从超高压治疗(1~6MeV),1000cGy/周,每天1次,治疗5次,休息2天。
整个治疗根据总剂量在2~8周内完成(表1)。
表1 放射耐受量(cGy)器官损伤1%~5%25%~30%照射面积或长度(TD5/5)(TD50/5)皮肤口腔粘膜食管胃小肠结肠直肠唾液腺肝脏肾脏膀胱输尿管睾丸卵巢子宫阴道乳腺儿童成人肺毛细血管心脏骨及软骨儿童成人脑溃疡,严重纤维化溃疡,粘膜发炎食管炎,溃疡,狭窄溃疡,穿孔,出血溃疡,穿孔,出血溃疡,狭窄溃疡,狭窄口腔干燥急性、慢性肝炎肝功能衰竭、腹水急、慢性肾炎挛缩狭窄永久不育永久不育坏死,穿孔溃疡,瘘管不发育萎缩,坏死急、慢性肺炎扩张,硬化心包炎,全心炎生长受阻,侏儒坏死,骨折硬化梗死,坏死梗死,坏死5 5006 0006 0004 5005 0004 5006 0005 0002 5001 5003 5002 0001 5006 0007 500100200~300>10 0009 0001 000>5 0003 0001 5005 000~6 0004 5001 0006 0006 0007 0007 0007 5007 5005 5006 5006 5008 0007 0004 0002 0004 5002 5002 0008 00010 000400625~1 200>20 000>10 0001 500>10 0003 5002 5007 000~10 0005 5003 00010 0007 0008 000100cm250cm275cm2100cm2100cm2100cm2100cm250cm2全肝全肝条状照射全肝全肾全肾条状照射整个膀胱5~10cm整个睾丸(5cGy/天,散射)整个卵巢整个子宫全部全乳全乳100cm2全肺60%整块骨或10cm2整个骨或10cm2全脑25%续表(二) 局部照射的正常组织耐受量(供常规分次治疗参考)1. 照射1 000~2 000cGy 剂量范围:一些对放射线最敏感的组织受到影响。
正常组织的临床放射生物学中山大学肿瘤医院放疗科韩非前言放射肿瘤学的内容放射肿瘤学临床肿瘤学放射物理学放疗技术学放射生物学实验放射生物学临床放射生物学实验生物学与临床生物学的关系§争论: 增殖能力与生存能力§我国研究现状§我科研究现状放射肿瘤学的发展特点§放射治疗技术的改进,放射物理学的迅猛发展,肿瘤诊断水平提高,治疗效果“越来越好”–肿瘤(尤其头颈部癌)的局控率明显增加–生存时间延长–生活质量在治疗效果的评价方面日益重要放射生物学的意义§放射治疗的两大基本原则–最大程度地杀灭肿瘤–最大程度地保护正常组织§正常组织的放射生物学效应对放疗方案的设计、实施和修改影响巨大复发是最严重的并发症?§Eagle§Pigeon目的§掌握和熟悉正常组织在放射治疗中和放射治疗后的生物学效应,是临床医师更好运用各种放射治疗方案所必须考虑的重点之一§如何使正常组织和重要器官在接受放射治疗时能够避免或尽量减少照射剂量是当今放射肿瘤学的一个重要内容正常组织的增殖动力学各组成细胞群的动力学为基础§人体正常组织受一种自动稳定控制系统的控制,正常情况下细胞群的增殖相当于细胞群的丢失§当组织处于稳定状态时,新生和死亡的细胞数相等§但当某一细胞群失去平衡时这种自动控制作用将使细胞加快增殖,以迅速补充缺损不同组织的细胞群按增殖和生长活动可分为四大类§快更新组织(fast renew tissue)–具有未分化的干细胞(undifferentiated stem cell,USC),包括造血细胞、小肠上皮、表皮、输精上皮和淋巴生成细胞等§慢更新组织(slow renew tissue)–更新时间很长,包括肝、肾、呼吸道、内分泌器官和结缔组织等§非更新组织–偶有分裂,在成年人这种分裂不足以自我更新,包括骨、脂肪和平滑肌等§无更新组织–细胞完全没有分裂,组织无法更新,包括神经细胞、睾丸的足细胞和心肌细胞等放射损伤的决定因素§损伤的表现取决于细胞内干细胞的耗尽程度§损伤发展的过程、程度及严重性取决于–干细胞中前体细胞的分化速度和方式–干细胞增殖速度放射损伤的组织效应模式§结构等级制模式(hierarchical model)–至少存在两个层次的细胞:干细胞层次和成熟细胞层次–与照射剂量无关–大多数上皮性早反应组织经历的模式§灵活模式(flexible model)–无明确细胞分化层次和严格细胞等级制度–与照射剂量相关§混合模式早反应组织和晚反应组织§临床上将正常组织分为两大类:早反应组织(early response tissue)和晚反应组织(late response tissue)§分类基础–增殖动力学–靶细胞存活公式对α/β比值的推算§两者在放射损伤的表现方面有明显的区别早反应组织§快更新组织–主要表现为放射急性反应–照射损伤出现时间较早–主要通过同源干细胞增殖、分化来补充§大多数正常组织与肿瘤组织都属于早反应组织晚反应组织§慢更新组织§主要表现为放射晚期反应–一般都有纤维细胞和其他结缔组织过度增生–广泛纤维化–血管内皮细胞的损伤造成血供减少–器官功能的缓慢丧失§损伤后不是干细胞增殖分化的结果,而是由附近的功能细胞进入分裂周期,通过细胞复制来代偿加速再增殖理论§经射线照射后可引起细胞群的再增殖§在一定的剂量作用下可能存在加速再增殖§加速再增殖在其他治疗方式(例如外科、化疗、加温治疗等)所致的损伤时很少出现或根本没有§不同组织加速再增殖的开始时间存在较大的差异3“A”学说(Dorr)§治疗一段时间后,组织细胞在接受一定损伤刺激,正常组织和肿瘤内部会出现三种情况–干细胞加速分裂(Accelerated stem cell division)–不对称丢失(Asymmetry loss)–流产分裂(Abortive division)§它们相互影响,使组织发生比治疗前要快几倍的再增殖临床上加速再增殖的表现有§分段放疗的疗效比连续放疗的疗效差§肺肿瘤治疗后短期内复发,复发时间远远小于肿瘤倍增时间§头颈肿瘤的放疗时间延长,肿瘤复发比例增加§头颈肿瘤放疗前与放疗中的肿瘤细胞倍增时间由最初的60天左右缩短至4天左右§正常组织加速再增殖理论上应该存在且与肿瘤组织类似§常规分割,单纯放疗的鼻咽癌患者,在放疗DT40Gy以后,口腔粘膜反应程度会有所减轻正常组织放射敏感性放射敏感性定义§放射敏感性是指一切照射条件完全严格一致时,机体器官或组织对辐射反应的强弱或速度快慢不同;若反应强、速度快,其敏感性就越高,反之则低§细胞放射生物学角度来看,放射敏感性定义为造成一次击中所需的辐射量(剂量)越小,放射敏感性越高§B-T 定律为四大类(1)§高度敏感组织–剂量范围为1000~2000cGy–包括生殖腺——卵巢、睾丸,发育中的乳腺,生长中的骨和软骨,骨髓等§中度敏感组织–剂量范围为2000~4500cGy–胃,小肠,结肠,肾,肺,肝,甲状腺,垂体,生长中的肌肉,淋巴结等为四大类(2)§低度敏感组织–剂量范围5000~7000cGy–皮肤,口腔粘膜,食管,直肠,唾液腺,胰腺,膀胱,成熟的骨和软骨,中枢神经系统,脊髓,眼,耳,肾上腺等§不敏感组织–剂量范围7500cGy以上–输尿管,子宫,成人乳腺,成人肌肉,血液,胆道,关节软骨和周围神经,肺尖可耐受6000~9000cGy的剂量,常规剂量放疗对这些组织基本不发生严重并发症组织放射敏感性的放射生物学因素§再增殖和加速再增殖§氧效应(再氧化)§再修复§细胞周期再群体化放射线对正常组织的影响放射线生物损伤的机理§放射线作用于组织,组织内细胞群会发生一系列物理、化学和生物反应§射线作用于生物体,产生了大量的快速运动电子,许多电子能够使吸收介质的其他原子电离,破坏机体内不可缺少的化学键,造成一系列后果,最终表现为生物损伤生物损伤的表现§生物损伤–微观上表现为细胞死亡,细胞内结构和细胞连接组成的改变–宏观上表现为组织功能暂时或永久的丧失§不同类型细胞其死亡的定义也有不同–已分化不再增殖的细胞,如神经细胞、肌肉细胞、分泌细胞指功能的丧失–增殖性细胞,指丧失持续增殖的能力,即失去完整的增殖能力基于放射损伤的器官分类(1)§Ⅰ类器官§包括骨髓、肝、胃、小肠、脑、脊髓、心脏、肺、肾和胎儿等§多为人体的重要器官,如果受到照射的话,在一定剂量下可能会产生严重的放射损伤,甚至影响患者的生命§临床计划设计时应尽量避免不照射或少照射基于放射损伤的器官分类(2)Ⅱ类器官§包括皮肤、口腔、咽部、食管、直肠、唾液腺、膀胱、子宫、睾丸、卵巢、生长期软骨、儿童骨、成人软骨、成人骨、眼(视网膜、角膜、晶体)、内分泌腺(甲状腺、肾上腺、垂体)、周围神经、耳(中耳、内耳)等§可以耐受一定的放射剂量,产生中度的放射损伤,损伤后可能导致一定的功能障碍,但基本对生命无严重影响§临床计划设计可在肿瘤剂量充足的条件下考虑减少此类器官的照射量基于放射损伤的器官分类(3)§Ⅲ类器官§包括肌肉、淋巴结和淋巴管、大动静脉、关节软骨、子宫、阴道、乳腺等§组织的耐受量大多高于肿瘤的致死量,照射后一般不产生或产生轻度的放射损伤§临床计划设计时常优先考虑肿瘤的致死量,而不着重考虑此类器官的耐受和损伤问题正常组织器官的耐受量§定义:产生临床可接受的综合症的剂量§最小耐受量(TD5/5)–是指在标准治疗条件下,照射后5年内放射合并症发生率不超过5%(实际工作中指发生率为1%~5%)所对应的放射剂量§最大耐受量(TD50/5)–是指标准治疗条件下,照射后5年内放射合并症发生率不超过50%(实际工作中指发生率为25%~30%)所对应的放射剂量标准治疗条件§超高压治疗(1~6MeV)§1000cGy/周,每天1次,治疗5次,休息2天§整个治疗根据总剂量在2~8周内完成耐受剂量的正确认识§只能代表一种几率§非标准条件的照射方式的影响§再程放疗的影响§精确设计和精确治疗§年龄的影响§全身性疾病的影响§其他治疗手段的影响(化疗、生物修饰剂甚至手术)§医生记录及评价标准的影响正常组织的放射耐受量(cGy )全部或部分晶体1 200500白内障晶体全角膜>6 0005 000角膜炎角膜全眼10 0005 500全眼炎,出血眼全垂体20 000~30 0004 500功能低下垂体10cm 5 5004 500梗死,坏死脊髓全脑干6 5005 000梗死,坏死脑干25%8 0007 000梗死,坏死全脑7 0006 000梗死,坏死脑100cm 27 0005 500溃疡,严重纤维化皮肤设野面积或长度TD50/5TD5/5损伤组织器官正常组织的放射耐受量(cGy )全肺2 5001 500100cm 23 5003 000急、慢性肺炎肺100cm 28 0006 000溃疡,狭窄直肠100cm 26 5004 500溃疡,狭窄结肠100cm 26 5005 000溃疡,穿孔,出血小肠100cm 25 5004 500溃疡,穿孔,出血胃75cm 27 5006 000食管炎,溃疡,狭窄食管喉全甲状腺15 0004 500功能低下甲状腺50cm 27 0005 000口腔干燥唾液腺50cm 27 5006 000溃疡,粘膜炎症口腔粘膜全前庭7 0006 000梅尼埃病耳(前庭)全中耳7 0006 000严重中耳炎耳(中耳)设野面积或长度TD50/5TD5/5损伤组织器官正常组织的放射耐受量(cGy )全肾上腺->6 000功能低下肾上腺全肾条状照射2 0001 500全肾2 5002 000急、慢性肾炎肾脏全肝4 5003 500肝功能衰竭,腹水全肝条状照射2 0001 500全肝4 0002 500急、慢性肝炎肝脏全乳>10 000>5 000萎缩,坏死乳腺(成人)全乳1 5001 000不发育乳腺(儿童)60%5 5004 500心包炎,全心炎心脏设野面积或长度TD50/5TD5/5损伤组织器官正常组织的放射耐受量(cGy )全身骨髓450200再生不良骨髓关节整块骨或10cm 210 0006 000坏死,骨折硬化骨、软骨(成人)整块骨或10cm 23 0001 000生长受阻,侏儒骨、软骨(儿童)全胎儿400200死亡胎儿全阴道>10 0009 000溃疡,瘘管阴道全子宫>20 000>10 000坏死,穿孔子宫全卵巢625~1200200~300永久不育卵巢(5cGy/天,散射)全睾丸400100永久不育睾丸尿道5~10cm 10 0007 500狭窄输尿管全膀胱8 0006 000挛缩膀胱设野面积或长度TD50/5TD5/5损伤组织器官正常组织的放射耐受量(cGy )10cm 210 0006 000神经炎周围神经整块肌肉8 0006 000纤维化肌肉(成人)整块肌肉4 000~5 0002 000~3000萎缩肌肉(儿童)整个淋巴结>7 0005 000萎缩,硬化淋巴结(管)10cm 2>10 000>8 000硬化大静脉10cm 2>10 000>8 000硬化大动脉7 000~10 0005 000~6000扩张,硬化毛细血管设野面积或长度TD50/5TD5/5损伤组织器官剂量体积与放射耐受量串联器官与并联器官§正常器官组织的耐受量–剂量和体积–正常组织放射并发症的发生概率(NTCP)依赖于组织的放射性类型§各器官损伤实质是射线破坏了器官的“功能元单位”,根据“功能元单位”的性质,可以将全身器官分成以下四种类型⑴串联器官§器官的功能单位呈“串行”相连接,其中一个单位的损伤会导致其它功能单位的功能障碍§如脊髓、脑干、视神经等,这类器官的损伤程度与全结构中最大剂量相关⑵并联器官§器官的功能单位以“并行”形式相连接,某一功能单位的损伤不会引起周围功能单位的功能障碍§如肝脏、肺脏,腮腺,颞叶等等。
正常组织的放射耐受剂量(一)常规标准治疗条件下人体正常组织耐受剂量常规放射治疗中正常组织的耐受量一般可参考表1。
表中TD5/5为最小耐受剂量,指在标准治疗条件下,治疗后5年内小于或等于5%的病例发生严重并发症的剂量。
TD50/5为最大耐受剂量,指在标准治疗条件下,治疗后5年,50%的病例发生严重并发症的剂量。
此处标准治疗条件是指从超高压治疗(1~6MeV),1000cGy/周,每天1次,治疗5次,休息2天。
整个治疗根据总剂量在2~8周内完成(表1)。
表1 放射耐受量(cGy)1%~5%25%~30%器官损伤(TD5/5)(TD50/5)照射面积或长度皮肤溃疡,严重纤维化 5 500 7 000 100cm2口腔粘膜溃疡,粘膜发炎 6 000 7 500 50cm2食管食管炎,溃疡,狭窄 6 000 7 500 75cm2胃溃疡,穿孔,出血 4 500 5 500 100cm2小肠溃疡,穿孔,出血 5 000 6 500 100cm2结肠溃疡,狭窄 4 500 6 500 100cm2直肠溃疡,狭窄 6 000 8 000 100cm2唾液腺口腔干燥 5 000 7 000 50cm2肝脏急性、慢性肝炎肝功能衰竭、腹水2 5001 5003 5004 0002 0004 500全肝全肝条状照射全肝肾脏急、慢性肾炎 2 0001 5002 5002 000全肾全肾条状照射膀胱挛缩 6 000 8 000 整个膀胱输尿管狭窄7 500 10 000 5~10cm睾丸永久不育100 400 整个睾丸(5cGy/天,散射)卵巢永久不育200~300 625~1 200 整个卵巢子宫坏死,穿孔>10 000 >20 000 整个子宫阴道溃疡,瘘管9 000 >10 000 全部乳腺儿童成人不发育萎缩,坏死1 000>5 0001 500>10 000全乳全乳肺急、慢性肺炎 3 0001 500 3 5002 500100cm2全肺毛细血管扩张,硬化5000~6 000 7000~10 000心脏心包炎,全心炎 4 500 5 500 60%骨及软骨儿童成人生长受阻,侏儒坏死,骨折硬化1 0006 0003 00010 000整块骨或10cm2整个骨或10cm2脑梗死,坏死梗死,坏死6 0007 0007 0008 000全脑25%续表(二) 局部照射的正常组织耐受量(供常规分次治疗参考)1. 照射1 000~2 000cGy 剂量范围:一些对放射线最敏感的组织受到影响。
放射治疗质控---临床部分(3DCRT和IMRT)苏州市立医院东区苏州市肿瘤诊疗中心放疗科史建平整理根据ICRU29、50、62、71、83号报告和相关循证医学以及科室运行目前存在的问题,特制定本院放射治疗质控规范(临床部分---3DCRT,IMRT),并随着设备的引进和新技术的开展,逐步会推出临床质控、放射物理质控、放疗技术质控等新的规范,使精确放疗、临床治疗效果得到有效保障和提高。
一:基本评价指标规范:*PTV评价指标:D近似最小剂量=D98%D95%D50%(中位剂量)D近似最大值=D2%D median*OAR和PRV的剂量体积评价1:并行器官推荐: D mean V D 需勾画整个器官2: 串行器官推荐: V max D2%科室制定相应的勾画标准3:串并不明器官推荐: D2% D mean V D*需要科研或者特殊的病例观察指标TCPNTCPEUD(等效均匀剂量)CI*各种体积的定义GTV 肿瘤区CTV 临床靶区PTV 计划靶区OAR S 危及器官PRV 计划危及器官靶区ITV 内靶区TV 治疗区RVR 其他危及体积二:靶区命名规范1:GTV应标明影像手段和放疗剂量T: 肿瘤原发灶, N 淋巴结转移灶例如:GTV-T(Clin,60GY) GTV-T(MRT-T2, 50GY)GTV-N(CT,45GY) GTV-N(PEG-PET,30GY)*鼻咽部用:GTV-NX(* , *)2:CTV和PTV应标明放疗剂量,但不需标明影像手段三:剂量医嘱的规范医生医嘱:提出PTV的D50%处方剂量和特殊的OAR(危及器官)和PRV (计划危及器官靶区)剂量约束的要求★RTOG 0615晶体的剂量限制为最高剂量≤25Gy,RTOG 0225中规定晶体的受量尽可能低,而国内情况,晶体的限量多为最高剂量≤9Gy。
★其他头颈部肿瘤的肿瘤的PRV约束条件参照鼻咽癌(2)胸、腹、盆腔等肿瘤的精确放疗靶区评价和PRV约束条件1、靶区评价:★至少95%PTV满足PTV-D50%(中位剂量或处方剂量)★靶体积内的剂量均匀度95-105%的等剂量线范围内,★PTV的剂量范围在:93-107%PTV 接受<93%的处方剂量的体积<3%PTV 接受>110%的处方剂量的体积<20%★PTV外不出现>110%的处方剂量★出现>TD5/5剂量限值需进行备案登记,由物理师、责任医师和各医疗组长共同讨论并告知决定,杜绝发生>TD50/5事件。
表11.13 正常组织耐受剂量(单位:cGy)器官TD5/5体积TD50/5放射损伤1/3 2/3 3/3 1/3 2/3 3/3肾5000 3000* 2300 —4000* 2800 临床性肾炎膀胱N/A 8000 6500 N/A 8500 8000 膀胱挛缩和体积变小(有症状的)骨股骨头——5200 ——6500 坏死颞颌关节6500 6000 6000 770 7200 7200 关节功能显著受限及下颌骨肋骨5000 ——6500 ——病理性骨折皮肤10cm2/—30cm2/—100cm2/5000 10cm2/—30cm2/—100cm2/650毛细血管扩张7000 6000 5500 ——7000 坏死、溃疡脑6000 5000 4500 7500 6500 6000脑干6000 5300 5000 ——6500 坏死、梗死视神经无部分体积5000 ——6500 失明视交叉无部分体积5000 无部分体积6500 失明脊髓5cm/5000 10cm/5000 20cm/4700 5cm/7000 10cm/7000 20cm/—脊髓炎坏死马尾无体积效应6000 无体积效应7500 临床上明显的神经损伤臂丛6200 6100 6000 7700 7600 7500 临床上明显的神经损伤眼晶体无部分体积1000 ——1800 需要处置的白内障眼视网膜无部分体积4500 ——6500 失明耳(中/外)3000 3000 3000* 4000 4000 4000* 急性浆液性耳炎耳(中/外)5500 5500 5500* 6500 6500 6500* 慢性浆液性耳炎腮腺—3200* 3200* —4600* 4600* 口干(TD100/5=5000)喉7900* 7000* 7000* 9000*8000*8000*软骨坏死喉—4500 4500*——8000*喉水肿肺4500 3000 1750 6500 4000 2450 肺炎心脏6000 4500 4000 7000 5500 5000 心包炎食管6000 5800 5500 7200 7000 6800 临床狭窄/穿孔胃6000 5500 5000 7000 6700 6500 溃疡穿孔小肠5000 4000*6000 5500 梗阻/穿孔/瘘道结肠5500 4500 6500 5500 梗阻穿孔/溃疡/瘘道直肠100 cm3无体积效应6000 100 cm3无体积效应8000 严重直肠炎坏死/瘘道/狭窄肝5000 3500 3000 3500 4500 4000 肝衰*小于50%体积不会有显著改变1表11.15 TG 101报告推荐的正常器官剂量限值23。
正常组织的耐受剂量Newly compiled on November 23, 2020正常组织的耐受剂量(一)常规标准治疗条件下人体正常组织耐受剂量常规放射治疗中正常组织的耐受量一般可参考表1。
表中TD5/5为最小耐受剂量,指在标准治疗条件下,治疗后5年内小于或等于5%的病例发生严重并发症的剂量。
TD50/5为最大耐受剂量,指在标准治疗条件下,治疗后5年,50%的病例发生严重并发症的剂量。
此处标准治疗条件是指从超高压治疗(1~6MeV),1000cGy/周,每天1次,治疗5次,休息2天。
整个治疗根据总剂量在2~8周内完成(表1)。
表1 放射耐受量(cGy)器官损伤1%~5%25%~30%照射面积或长度(TD5/5)(TD50/5)皮肤口腔粘膜食管胃小肠结肠直肠唾液腺肝脏肾脏膀胱输尿管睾丸卵巢子宫阴道乳腺儿童成人肺毛细血管心脏骨及软骨儿童成人脑溃疡,严重纤维化溃疡,粘膜发炎食管炎,溃疡,狭窄溃疡,穿孔,出血溃疡,穿孔,出血溃疡,狭窄溃疡,狭窄口腔干燥急性、慢性肝炎肝功能衰竭、腹水急、慢性肾炎挛缩狭窄永久不育永久不育坏死,穿孔溃疡,瘘管不发育萎缩,坏死急、慢性肺炎扩张,硬化心包炎,全心炎生长受阻,侏儒坏死,骨折硬化梗死,坏死5 5006 0006 0004 5005 0004 5006 0005 0002 5001 5003 5002 0001 5006 0007 500100200~300>10 0009 0001 000>5 0003 0001 5005 000~6 0004 5001 0006 0006 0007 0007 0007 5007 5005 5006 5006 5008 0007 0004 0002 0004 5002 5002 0008 00010 000400625~1 200>20 000>10 0001 500>10 0003 5002 5007 000~100005 5003 00010 0007 0008 000100cm250cm275cm2100cm2100cm2100cm2100cm250cm2全肝全肝条状照射全肝全肾全肾条状照射整个膀胱5~10cm整个睾丸(5cGy/天,散射)整个卵巢整个子宫全部全乳全乳100cm2全肺60%整块骨或10cm2整个骨或10cm2续表(二) 局部照射的正常组织耐受量(供常规分次治疗参考)1. 照射1 000~2 000cGy 剂量范围:一些对放射线最敏感的组织受到影响。
正常组织的放疗耐受剂量(一)常规标准治疗条件下人体正常组织耐受剂量常规放射治疗中正常组织的耐受量一般可参考表1。
表中TD5/5为最小耐受剂量,指在标准治疗条件下,治疗后5年内小于或等于5%的病例发生严重并发症的剂量。
TD50/5为最大耐受剂量,指在标准治疗条件下,治疗后5年,50%的病例发生严重并发症的剂量。
此处标准治疗条件是指从超高压治疗(1~6MeV),1000cGy/周,每天1次,治疗5次,休息2天。
整个治疗根据总剂量在2~8周内完成(表1)。
表1 放射耐受量(cGy)续表(二)局部照射的正常组织耐受量(供常规分次治疗参考)1. 照射1 000~2 000cGy 剂量范围:一些对放射线最敏感的组织受到影响。
生殖腺-卵巢、睾丸的生殖功能丧失。
发育中的乳腺、生长中的骨和软骨有严重的损伤,骨髓功能明显抑制。
大于2 000cGy生长中的骨与软骨完全停止生长,局部骨髓照射后不能再生,晶体浑浊并发生进行性白内障。
胎儿受1 000cGy照射将死亡。
2. 照射2 000~4 500cGy水平的中等剂量范围:整个消化系统、大部分或全部胃、小肠、结肠受此剂量范围的照射后基本不发生严重的并发症。
双侧肾、全肺照射2 500cGy以上即有一定比例发生放射性肾炎及放射性肺炎。
全肝照射4 000cGy以上,发生一定比例的放射性肝炎。
全心照射4 000cGy以上会有心肌受损的可能。
甲状腺、垂体在一定情况下也受到影响,产生功能低下。
生长中的肌肉可以萎缩。
淋巴结受此剂量水平的照射后可萎缩。
3. 照射5 000~7 000cGy剂量范围:皮肤、口腔粘膜、食管、直肠、唾液腺、胰腺、膀胱有1%~5%发生严重并发症。
成熟的骨和软骨、中枢神经系统、脊髓、眼、耳、和肾上腺等器官,如照射较高剂量(7 500cGy)将有20%~50%发生严重损伤。
4. 一般性临床高剂量照射:照射7 500cGy以上不发生严重并发症的有输卵管、子宫、成人乳腺、成人肌肉、血液、胆道、关节软骨及周围神经。
百分深度剂量的名词解释在放射治疗中,百分深度剂量是一个非常重要的概念,它涉及到吸收剂量、参考剂量、有效剂量、剂量的均匀性、耐受剂量、最大剂量、均匀剂量、靶剂量等多个方面。
下面将对这些问题进行详细解释。
1.吸收剂量吸收剂量是指单位质量物质在辐射作用下吸收的能量,通常以戈瑞(Gy)为单位表示。
在放射治疗中,吸收剂量可以用来描述放射线在组织中沉积的能量,对于评估放射治疗的疗效和副作用具有重要意义。
2.参考剂量参考剂量是指在进行放射治疗计划制定时,作为依据的剂量值。
它通常是在放射治疗计划中设定的一个参考点,用于评估放射治疗的剂量分布是否符合治疗要求。
参考剂量的单位也是戈瑞(Gy)。
3.有效剂量有效剂量是指在放射治疗中,达到治疗目的所需的最小剂量。
它考虑了肿瘤和周围正常组织的剂量分布,用于评估放射治疗的合理性和有效性。
有效剂量的单位也是戈瑞(Gy)。
4.剂量的均匀性剂量的均匀性是指放射治疗中,肿瘤和周围正常组织所接受的剂量分布是否均匀。
剂量的不均匀性可能会导致局部剂量过高或过低,从而影响放射治疗的疗效和副作用。
剂量的均匀性通常用剂量均匀系数(DHI)来表示。
5.耐受剂量耐受剂量是指在放射治疗中,正常组织能够承受的最大剂量。
它反映了正常组织对放射线的耐受能力,通常是根据放射生物学原理进行评估的。
在放射治疗计划制定时,需要将耐受剂量作为限制条件之一,以确保放射治疗的安全性。
6.最大剂量最大剂量是指在进行放射治疗时,特定照射野或射束中能够给予的最大照射剂量。
它受到正常组织耐受量的限制,同时也会影响肿瘤的控制概率。
在放射治疗计划制定时,需要通过优化照射野或射束的剂量分布,以实现肿瘤的最大化控制,同时降低对正常组织的损伤。
7.均匀剂量均匀剂量是指在放射治疗中,使肿瘤和周围正常组织达到相同剂量的目的所需要的照射剂量。
它通常是通过调整照射野或射束的大小、形状和位置来实现的,以保证放射治疗的疗效和安全性。
8.靶剂量靶剂量是指在进行放射治疗时,为达到治疗目的所需要的照射剂量。
● 急性放射损伤:发生于治疗完成后1-2月内;(3月内)● 晚期放射损伤:发生于治疗完成后≥6-9月;(≥3月)● 中期放射损伤:发生于治疗完成后2-6月,并可持续数月,如放射性肺炎(可能自限性,也可能进展为纤维化)、L ’Hermitte ’s syndrome (自限性)一. 中枢神经系统及周围神经系统 1、脊髓a 照射长度10cm ,5/5TD =45Gy ,损伤表现为梗阻、坏死。
过去认为45Gy/4.5-5周是脊髓的放射耐受量,现认为50Gy/25次/5周是安全的。
(出于安全考虑)脊髓受量不应超过40Gy ,脊髓每次受量不应超过2Gy ,(1.8-2.0Gy )。
b 照射长度5cm ,5/5TD =50Gy ,照射长度10cm ,5/5TD =50Gy ,照射长度20cm ,5/5TD =47Gy ,损伤表现为骨髓炎坏死。
c 颈段脊髓的耐受剂量是40~44Gy/20~22DAY 。
如果单次剂量增加,耐受剂量降低。
胸段脊髓的放射敏感性较低,但耐受剂量限值仍应遵循上面的要求。
The spinal cord dose was limited to 45Gy. 照射总剂量45Gy/22~25次,每次分割剂量1.8~2.04Gy 时,脊髓病变的发生率为0.2%。
当总剂量降低到40Gy 时并未降低其发生率。
但总剂量为57~61Gy 常规分割照射时可导致5年内5%的脊髓病变发生率,总剂量提高到68~73Gy 时,5年发生率提高到50%。
目前几乎还没有对脊髓的剂量超过50Gy 临床资料报道。
对儿童来说,脊髓的耐受量更低,大约为30~35Gy 。
2、脑放射性脑病分为早期急性反应、早期迟发性反应、晚期迟发性反应三个阶段:1.早期急性反应:通常发生在放疗后头几天,出现头痛、发热、嗜睡和原有的局部症状加重2.早期迟发性反应:依据脑的放射部位不同,产生相应的临床症状,表现为头痛、嗜睡,可伴有原有疾病病情恶化,一般能自行恢复,非致死性。
567What are the recommended dose constraints for the following organs and clinical scenarios?ORGANCONSTRAINTSCNS (1.8–2.0 Gy/fx)Spinal cordm ax 50 Gy (full cord cross-section); tolerance increases by 25% 6 mos after 1st course (for re-irradiation) (QUANTEC)Brain m ax 72 Gy (partial brain); avoidϾ2 Gy/fx or hyperfractionation (QUANTEC)Chiasm/optic nerves max 55 Gy (QUANTEC)Brainstem E ntire brainstem Ͻ54 Gy , V59 GyϽ1–10 cc (QUANTEC)Eyes (globe) M ean Ͻ35 Gy (RTOG 0225), max 54 Gy(RTOG 0615)Lens max 7 Gy (RTOG 0539) Retina max 50 Gy (RTOG 0539)Lacrimal Gland max 40 Gy (Parsons)Inner ear/cochlea m ean Յ45 Gy (consider constraining toՅ35 Gy with concurrent cisplatin) (QUANTEC)Pituitary gland m ax 45 Gy (for panhypopituitarism,lower for GH deficiency) (Emami)Cauda equina M ax 60 Gy (Emami)CNS (single fraction)Spinal cordm ax 13 Gy (if 3 fxs, max 20 Gy ) (QUANTEC)APPENDIXNormal Tissue ConstraintGuidelinesThe radiation dose constraints below are meant to serve as a guide only and may not beapplicable to all clinical scenarios. Most doses are derived from randomized studies or consensus guidelines and we have attempted to provide the sources for these recommendations. Please refer to the individual pediatric chapters for dose constraints in the pediatric population as these can vary greatly from protocol to protocol and tend to be particularly site- and age-dependent.Appendix Normal Tissue Constraint GuidelinesAppendix Normal Tissue Constraint GuidelinesAppendix Normal Tissue Constraint Guidelines。
乳腺癌的放射治疗剂量计算乳腺癌是女性中常见的一种恶性肿瘤,对于乳腺癌的治疗,放射治疗是常用的方法之一。
在放射治疗中,合理的剂量计算对于治疗的安全和有效性至关重要。
本文将介绍乳腺癌的放射治疗剂量计算的相关内容,包括剂量的定义、计算的原理和注意事项等。
一、剂量的定义放射治疗中的剂量通常指的是给予患者放射线照射的能量量。
常用的剂量单位是格雷(Gy),1格雷相当于患者吸收1焦耳的能量。
根据放射治疗的目的和疾病的特点,剂量的分配可以有所不同,通常分为总剂量、分割剂量和每日剂量等。
总剂量(Total Dose)是指放射治疗一次性给予患者的总辐射剂量。
通常根据乳腺癌的不同分期和患者的具体情况,总剂量的选择会有所差异。
分割剂量(Fractional Dose)是指将总剂量分为若干小剂量分次给予患者的方式。
分割剂量的选择既要考虑乳腺癌对放射线的敏感性,又要考虑正常组织对辐射的耐受性。
每日剂量(Daily Dose)是指每次治疗给予患者的辐射剂量。
每日剂量的调整需根据患者的肿瘤反应和毒副反应来进行,以确保治疗效果和患者的安全。
二、剂量计算的原理在乳腺癌的放射治疗中,剂量计算是通过选择合适的计算方法来确定。
常见的剂量计算方法有等效平均剂量(EQD2)和百分比通量剂量(PCTD)。
等效平均剂量(EQD2)是根据肿瘤组织和正常组织对放射线的敏感性差异,通过将分割剂量进行修正,得到一个等效的总剂量。
这个等效总剂量能够更准确地反映肿瘤对放射线的耐受性。
百分比通量剂量(PCTD)是根据放射线通过组织时的吸收和散射情况,计算出组织中达到剂量的百分比。
这种剂量计算方法可以对不同组织的辐射剂量进行分析和比较,有助于放射治疗的精确度和剂量调整。
三、注意事项在进行乳腺癌的放射治疗剂量计算时,需要注意以下几点:1. 患者的临床特征和病情要充分考虑,包括分期、年龄、健康状况等。
这些因素对剂量的选择和计算有重要的影响。
2. 剂量计算涉及到放射物理学知识和技术,必须由专业的放射治疗师或医学物理师进行操作。
● 急性放射损伤:发生于治疗完成后1-2月内;(3月内)● 晚期放射损伤:发生于治疗完成后≥6-9月;(≥3月)● 中期放射损伤:发生于治疗完成后2-6月,并可持续数月,如放射性肺炎(可能自限性,也可能进展为纤维化)、L ’Hermitte ’s syndrome (自限性)一. 中枢神经系统及周围神经系统 1、脊髓a 照射长度10cm ,5/5TD =45Gy ,损伤表现为梗阻、坏死。
过去认为45Gy/4.5-5周是脊髓的放射耐受量,现认为50Gy/25次/5周是安全的。
(出于安全考虑)脊髓受量不应超过40Gy ,脊髓每次受量不应超过2Gy ,(1.8-2.0Gy )。
b 照射长度5cm ,5/5TD =50Gy ,照射长度10cm ,5/5TD =50Gy ,照射长度20cm ,5/5TD =47Gy ,损伤表现为骨髓炎坏死。
c 颈段脊髓的耐受剂量是40~44Gy/20~22DAY 。
如果单次剂量增加,耐受剂量降低。
胸段脊髓的放射敏感性较低,但耐受剂量限值仍应遵循上面的要求。
The spinal cord dose was limited to 45Gy. 照射总剂量45Gy/22~25次,每次分割剂量1.8~2.04Gy 时,脊髓病变的发生率为0.2%。
当总剂量降低到40Gy 时并未降低其发生率。
但总剂量为57~61Gy 常规分割照射时可导致5年内5%的脊髓病变发生率,总剂量提高到68~73Gy 时,5年发生率提高到50%。
目前几乎还没有对脊髓的剂量超过50Gy 临床资料报道。
对儿童来说,脊髓的耐受量更低,大约为30~35Gy 。
2、脑放射性脑病分为早期急性反应、早期迟发性反应、晚期迟发性反应三个阶段:1.早期急性反应:通常发生在放疗后头几天,出现头痛、发热、嗜睡和原有的局部症状加重2.早期迟发性反应:依据脑的放射部位不同,产生相应的临床症状,表现为头痛、嗜睡,可伴有原有疾病病情恶化,一般能自行恢复,非致死性。
正常组织的放射耐受剂量剂量单位:cGy 器官损伤1%-5% 25%-30% 照射面积或长度(TD5/5)* (TD50/5)*皮肤溃疡,严重纤维化 5500 7000 100cm2口腔粘膜溃疡.粘膜发炎 6000 7500 50cm2食管食管炎,溃疡,狭窄 6000 7500 75cm2胃溃疡,穿孔,出血 4500 5500 100cm2小肠溃疡,穿孔,出血 5000 6500 100cm2结肠溃疡,狭窄 4500 6500 100cm2直肠溃疡,狭窄 6000 8000 100cm2诞腺口腔干燥 5000 7000 50cm2肝脏急性,慢性肝炎 2500 4000 全肝1500 2000 全肝条状照射肝功能衰竭、腹水 3500 4500 全肝肾脏急、慢性肾炎 2000 2500 全肾1500 2000 全肾条状照射膀胱挛缩 6000 8000 整个膀胱输尿管狭窄 7500 10000 5-10cm睾丸永久不育 100 400 整个睾丸(5cGy/d,散射)卵巢永久不育 200-300 625-1200 整个卵巢子宫坏死、穿孔 >10000 >20000 整个子宫阴道溃疡、瘘管 9000 >10000 全部乳腺儿童不发育 1000 1500 全乳成人萎缩、坏死 >5000 >10000 全乳肺急、慢性肺炎 3000 3500 100cm21500 2500 全肺毛细血管扩张、硬化 5000-6000 7000-10000心脏心包炎、全心炎 4500 5500 60%骨及软骨儿童生长受阻、侏儒 1000 3000 整块骨或10cm2成人坏死、骨折、硬化 6000 10000 整块骨或10cm2脑梗死、坏死 6000 7000 全脑梗死、坏死 7000 8000 25%脊髓梗死、坏死 4500 5500 10cm眼全眼炎、出血 5500 10000 全眼角膜角膜炎 5000 >6000 整个角膜晶体白内障 500 1200 整个或部分晶体耳(中耳)严重中耳炎 6000 7000 整个中耳前庭梅尼埃综合征 6000 7000 整个前庭甲状腺功能低下 4500 15000 整个甲状腺肾上腺功能低下 >6000 整个肾上腺垂体功能低下 4500 20000-30000 整个垂体肌肉儿童萎缩 2000-3000 4000-5000 整块肌肉成人纤维化 6000 8000 整块肌肉骨髓再生不良 200 450 全身骨髓3000 4000 局部骨髓淋巴结及淋巴管萎缩、硬化 5000 >7000 整个淋巴结胎儿死亡 200 400 整个胎儿外周神经神经炎 6000 10000 10cm2大动脉硬化 >8000 >10000 10cm2大静脉硬化 >8000 >10000 10cm2。