电力电缆井检验批质量验收记录表
- 格式:doc
- 大小:41.50 KB
- 文档页数:4
电力检验批质量验收记录表1. 引言本文档旨在记录电力检验批质量验收的过程和结果。
电力检验批质量验收是对电力工程施工过程中的检验和测试结果进行评估和确认的过程,以确保电力设备和系统的质量达到要求,并符合相关的标准和规范。
2. 项目概述本次电力检验批质量验收的项目为XXX电力工程,施工地点位于XXX。
该项目的主要任务是安装和调试电力设备和系统,确保其正常运行和符合安全标准。
3. 验收内容本次电力检验批质量验收的内容包括但不限于以下方面:•对电力设备和系统的安装质量进行评估和确认;•对电力设备和系统的功能进行测试和验证;•检查电力设备和系统的接地和防雷措施;•检验现场施工质量,并核实图纸和规范的要求;•检查是否符合相关法规和标准。
4. 验收过程本次电力检验批质量验收的过程如下:4.1 规划和准备•制定电力检验批质量验收计划;•准备验收所需的仪器设备和工具。
4.2 确认安装质量•检查电力设备的安装位置和固定方式;•检查电力设备的接线是否正确;•检查电力设备的接地是否符合要求;•检查电力设备的绝缘测试结果。
4.3 验证功能•对电力系统进行负载测试,检查各项功能和控制是否正常;•对电力设备进行性能测试,如温度、电压和频率等。
4.4 检查现场施工质量•检查现场施工的工艺和质量;•检查电力设备的安全防护措施;•检查电力设备的标识和警示标志是否齐全。
4.5 符合法规和标准•检查电力设备和系统是否符合国家和地方的法规和标准;•检查电力设备和系统是否符合相关行业的标准和规范。
5. 验收结果本次电力检验批质量验收的结果如下:•电力设备和系统的安装质量符合要求;•电力设备和系统的功能正常,并符合设计要求;•现场施工质量良好,符合图纸和规范要求;•电力设备和系统符合相关法规和标准。
6. 结论本次电力检验批质量验收的结果表明,XXX电力工程的安装和调试工作符合要求,电力设备和系统的质量达到了预期目标。
通过本次验收,可以确认该工程的电力设备和系统可以正常运行,并满足安全标准。
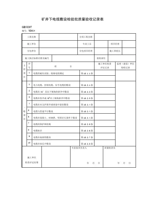
电缆沟内和电缆竖井内电缆敷设检验批质量验收记录表 1 / 1
电缆沟内和电缆竖井内电缆敷设查验批质量查收记录表
鲁 DQ —047
单位(子单位)工程名称
分部(子分部)工程名称
查收部位
施工单位 项目经理 分包单位 分包项目经理
施工履行标准名称及编号
施工质量查收规范规定
监理(建设)单 施工单位检查评定记录
位查收记录 主 金属电缆支架、电线导管的接 第条
1 地或接零 控
项
2 电缆敷设检查 第条
目 1 电缆支架安装
第条 一
电缆的曲折半径 第条 2 般
项
3 电缆的敷设固定和防火举措 第条 目
4
电缆的首端、尾端和分支处的 第条 标记牌
专业工长(施工员) 施工班组长
施工单位检查
评定结果
项目专业质量检查员: 年 月 日
监理(建设)单位
查收结论
监理工程师:
(建设单位项目专业技术负责人) 年 月 日
山东省建设工程质量监察总站监制。
电气工程检验批电缆线路工程检验批质量验收记录〔SY4206-2007〕表6.1〔共两页〕管配线工程检验批质量验收记录〔SY4206-2007〕滑接线安装工程检验批质量验收记录〔SY4206-2007〕母线安装工程检验批质量验收记录〔SY4206-2007〕电力变压器安装工程检验批质量验收记录〔SY4206-2007〕〔SY4206-2007〕断路器安装工程检验批质量验收记录〔SY4206-2007〕隔离开关、负荷开关及高压熔断器安装工程检验批质量验收记录〔SY4206-2007〕电抗器安装工程检验批质量验收记录〔SY4206-2007〕避雷器安装工程检验批质量验收记录〔SY4206-2007〕电容器安装工程检验批质量验收记录〔SY4206-2007〕互感器安装工程检验批质量验收记录〔SY4206-2007〕蓄电池安装工程检验批质量验收记录〔SY4206-2007〕照明器具及配电箱、板安装工程检验批质量验收记录〔SY4206-2007〕电动机的电气检查和接线工程检验批质量验收记录〔SY4206-2007〕二次回路结线工程检验批质量验收记录〔SY4206-2007〕电伴热带安装工程检验批质量验收记录〔SY4206-2007〕接地装置及避雷针〔带、网〕安装工程检验批质量验收记录〔SY4206-2007〕土石方工程检验批质量验收记录〔SY4206-2007〕现场浇注根底工程检验批质量验收记录〔SY4206-2007〕装配式预制根底工程检验批质量验收记录〔SY4206-2007〕岩石根底工程检验批质量验收记录〔SY4206-2007〕杆塔工程检验批质量验收记录〔SY4206-2007〕拉线安装工程检验批质量验收记录〔SY4206-2007〕导线架设工程检验批质量验收记录〔SY4206-2007〕附件安装工程检验批质量验收记录〔SY4206-2007〕杆上电器设备及接户线安装工程检验批质量验收记录〔SY4206-2007〕杆塔接地工程检验批质量验收记录〔SY4206-2007〕附录C〔标准性附录〕电气工程质量控制资料核查记录电气工程质量控制资料核查记录应按表C.9进行。
电力电缆沟(工作井)分项工程质量验收记录表工程编号:单位工程名称工程地点电缆沟长度m 验收部位验收长度m 工序检验项目性质质量标准施工单位自检结果土方开挖开挖尺寸关键符合设计要求基底处理关键符合设计要求墙体砌筑砖的强度等级关键必须符合设计要求砂浆的强度等级关键必须符合设计要求砌体留槎关键对不能同时砌筑而又必须留置的临时间断处应砌成斜槎,斜槎水平投影长度不小高度的2/3砌体砂浆饱满度关键砌体水平灰缝的砂浆饱满度不得小于80%(85%)砌体上下错缝关键长度大于或等于300mm的通缝每200延长米不超过3处砌体接槎关键接槎处表面清理干净,浇水湿润,并填实砂浆,保持灰缝平直,竖向灰缝不得出现透明缝、瞎缝和假缝沟道上口平直关键顺直沟道排水关键沟面严密,无明显进水;沟底排水畅通,无明显积水沟面过水沟关键应符合设计要求,平直美观沟道中心线位移一般≤20(15)mm沟道顶面标高一般0~10(0~8)mm沟道截面尺寸一般±15(±10)mm沟内侧平整度一般≤8(5)mm监理验收意见:验收单位质量验收结论签名班组年月日施工队年月日项目部年月日监理年月日【H089】Q/CSG表8-7.21-2 电缆沟(井)分项工程质量验收记录表工程编号:Q/CSG表8-7.21-2 单位工程名称工程地点运行线路名称线路设计名称起止位置电缆沟长度km工序检验项目性质质量标准施工单位自检结果墙体砌筑沟道截面尺寸一般±15(±10)mm沟道壁厚一般±5(±3)mm沟内侧平整度一般≤8(5)mm预留孔洞及预埋件中心位移一般≤15(10)mm倾斜度一般2%沟道底面坡度偏差一般±10%的设计坡度沟底排水管口标高偏差一般+10~20(+5~15)mm监理验收意见:验收单位质量验收结论签名班组年月日施工队年月日项目部年月日监理年月日【H089】Q/CSG表8-7.21-3 电缆沟(井)分项工程质量验收记录表工程编号:Q/CSG表8-7.21-3单位工程名称工程地点运行线路名称线路设计名称起止位置电缆沟长度km工序检验项目性质质量标准施工单位自检结果模板安装工程模板及其支架关键应根据工程结构形式、荷载大小、地基土类别、施工设备和材料供应等条件进行设计。
贵阳市 桐荫路 7标段 道路工程电力电缆检查井室施工检验批质量验收记录表YD5103-2003编号:G2-155工程名称贵阳市桐荫路 7标段道路工程施工单位中铁二局股份有限公司单位工程名称 电力及综通工程分部工程名称 人(手)孔建筑分项工程名称电力电缆井室验收部位K18+020~K18+500 段右侧( 个)电力电缆检查井项目经理技术负责人检验日期年月日验收规范及图号《通信管道工程施工及验收技术规范》 YD5103-2003质量验收规范规定的检查项目质量要求、允许偏差 或允许值 (mm )施工单位检查评定记录12345678910 应测 点数合格 合格率点数 (%)监理(建设)单位验收记录1 砖、混凝土砌体墙面应平整、美观,不应出现坚向通缝砖砌体砂浆饱满程度应不低 第5.1.1 条砖、混凝土砌体墙面平整、美观,没有出现坚向通缝,符合质量验收规定。
砖砌体砂浆饱满程度不低于 80%:砖缝宽度为 8~12毫米,同2于80%:砖缝宽度应为 8~12毫 米,同一砖缝的宽度应一致。
砌块砌体横缝应为 15~20毫米,坚缝应为10~15毫米;横缝砂浆饱满程度应不低于 380%,坚缝灌浆必须饱满、严实,不得出 现跑漏现象。
第5.1.2 条第5.1.3 条一砖缝的宽度一致,符合质量验收规定。
砌块砌体横缝为 15~20毫米,坚缝应为 10~15毫米;横缝砂浆饱满程度不低于 80%,坚缝灌浆必须饱满、严实,没出现跑漏现象 。
砌体必须垂直,砌体顶部四角应水平一致;砌体的形状、尺寸应符合图纸要求。
设计规定抹面的砌体,应将墙面清扫干净,抹面应平整、压光、不空鼓、墙角不 第5.1.4 条砌体垂直,砌体顶部四角水平一致;砌体的形状、尺寸应符合图纸要求。
设计规定抹面的砌体,已将墙面清扫干净,抹面平整、压光、5得歪斜。
抹面厚度、砂浆配比应符合设计规定。
勾缝的砌体,勾缝应整齐均匀,不得空鼓、不应脱落或遗漏。
人(手)孔、通道的地基应按设计规定处6理,如系天然地基必须按设计规定的高程进行夯、抄平一般项目 第5.1.5 条 第5.2.1 条无空鼓、墙角没有歪斜。