技师考试实际操作题
- 格式:doc
- 大小:83.50 KB
- 文档页数:6
本套试卷为电工精选题库,总共300道题!题目几乎覆盖电工常考的知识点。
题库说明:本套电工题库包含(选择题150道,多选题50道,判断题100道)一、单选题(共计150题,每题1分)1.数字式触发电路中如UK=O时,脉冲频率f=13kHz,UK=10V时,f=( )kHz。
A. 1.3B.13C.130D.1300答案:C2. 关于单向晶闸管的构成下述说法正确的是( )。
A.可以等效地看成是由三个三极管构成B.可以等效地看成是由一个NPN.一个PNP三极管构成C.可以等效地看成是由二个NPN三极管构成D.可以等效地看成是由二个PNP三极管构成答案:B3. 10kV电力电缆同沟并列敷设时,相互问距离不小于( )。
A.200mmB.150mmC.100mmD.50mm答案:C4. ( )能说明变压器二次电压变化的程度大小,是衡量变压器供电质量好坏的数据。
A.电压波形B.电压相位C.电压幅值答案:C5. 电能的常用单位有kw·h和J,其换算关系是1kW·h等于( )。
A.360JB.3600JC.360000JD.3600000J答案:D6. 三极管超过( )时,必定会损坏。
A.集电极最大允许电流IcmB.管子的电流放大倍数βC.集电极最大允许耗散功率Pcm答案:C7. 双稳态触发脉冲过窄,将会使电路出现的后果是( )。
A.空翻B.正常翻转C.触发而不翻转D.上述说法都对答案:C8. 绝缘档板一般每( )进行一次绝缘试验。
A.12个月B.6个月C.3个月D.1个月答案:A9. 进行心肺复苏应将伤员平旅( )在硬地上?A.仰卧B.俯卧C.侧卧D.无要求答案:A10. 电容的单位是( )。
A.库仑B.法拉C.克拉D.瓦特答案:B11. 自耦变压器的特点之一是:一.二次绕组之间有( )的连接。
A.机械B.电气C.电子D.光纤答案:B12. 三相笼形异步电动机的启动方式有两类,既在额定电压下的直接启动和( )启动。
完整版)钳工技师实做试题钳工技师实际操作试题:方形组合试题要求:1.零件1(凸方形)和零件2(凹方形)在配合位置进行透光检查,配合间隙不得大于0.06mm。
2.零件1(凸方形)和零件2(凹方形)在装配位置的平面应该贴合,0.06mm的塞尺不能插入。
3.两个圆锥销应该紧密配合,其两端露出部分应符合一般装配技术要求。
考试场地:机械车间考试形式和时间:现场操作,时间为360分钟。
配合图:装配图:评分标准:考核项目:尺寸精度考核要求:28-0.03配分:15(两处)评分标准:超差无分考核项目:尺寸精度考核要求:33±0.02(两处)配分:8±0.10(四处)评分标准:超差无分考核项目:尺寸精度考核要求:68±0.02(两处)配分:6评分标准:超差无分考核项目:表面粗糙度考核要求:Ra 1.6(22处)配分:0.015评分标准:Ra值大1级无分考核项目:形位公差考核要求:AB 4(两处)、÷0.03AB 12(两处)、⊥0.03ABC 4(四处)配分:技术要求1 4、技术要求2 8、技术要求3 6评分标准:超差无分考核项目:组合尺寸精度考核要求:48±0.04、51±0.04、68±0.04(两处)配分:15评分标准:超差无分考核项目:安全文明考核要求:有关规定配分:4评分标准:违反有关规定,酌情扣总分1~50分评分表:题目:方形组合考生:配分:考试日期:用时(分钟):检测结果:评分标准:尺寸精度:超差无分表面粗糙度:Ra值大1级无分形位公差:超差无分组合尺寸精度:超差无分安全文明:不符合装配要求无分技术要求2和技术要求3需要满足的精度分别为48±0.04和51±0.04.此外,还需要考虑组合的问题。
在生产过程中,必须遵守安全文明的要求,以确保生产过程的安全性和文明性。
如果违反了相关规定,将会被酌情扣除1-50分的总分。
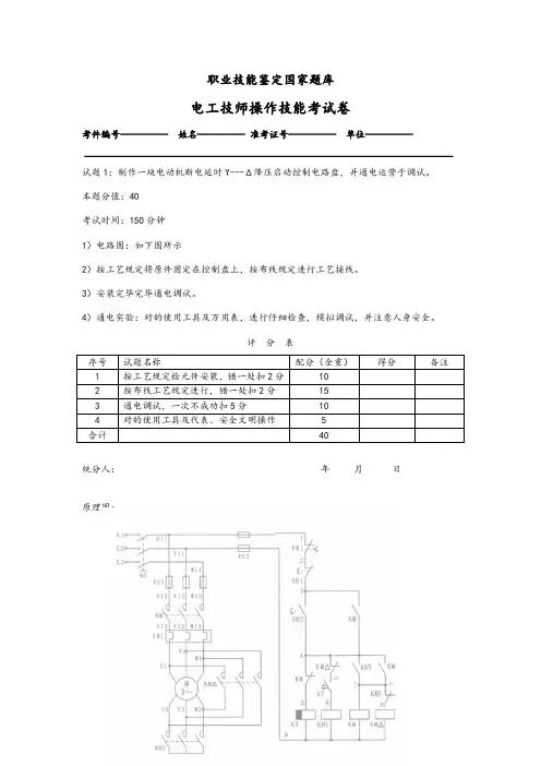
职业技能鉴定国家题库电工技师操作技能考试卷考件编号---------- 姓名---------- 准考证号---------- 单位----------试题1:制作一块电动机断电延时Y---Δ降压启动控制电路盘,并通电运营于调试。
本题分值:40考试时间:150分钟1)电路图:如下图所示2)按工艺规定将原件固定在控制盘上,按布线规定进行工艺接线。
3)安装完毕完毕通电调试。
4)通电实验:对的使用工具及万用表,进行仔细检查,模拟调试,并注意人身安全。
评分表序号试题名称配分(全重)得分备注1 按工艺规定检元件安装,错一处扣2分102 按布线工艺规定进行,错一处扣2分153 通电调试,一次不成功扣5分104 对的使用工具及代表、安全文明操作 5合计40统分人:年月日原理图:职业技能鉴定国家题库电工技师操作技能考试卷考件编号---------- 姓名---------- 准考证号---------- 单位----------试题2:西门子(MM440)变频器外部电压控制电动机调速运营调速。
本题分值:35考试时间:120分钟考核规定:1)设计电动变频器控制电器:2)按设计的电路完毕接线:3)参数设立如下图所示:电动机能完毕如下动作;电动机正、反启动------调速------停车4)通电实验时,对的使用工具及万用表,进行仔细检查,通电调试,并注意人身及设备安全。
评分表统分人:年月日职业技能鉴定国家题库电工技师操作技能考试卷考件编号---------- 姓名---------- 准考证号---------- 单位----------试题3:培训指导本题分值:25考试时间:40分钟考核规定:内容:试分析X62W万能铣床电气线路原理及线路特点:1)编写教案:现场编写教案,内容对的。
2)教学过程(该项可与答辩同时进行)(1)教学内容对的,重点突出(2)板书工整,教法情切自然,语言精练准确。
评分表统分人:年月日电路原理图;(X62W万能铣床电气线路原理图)考核规定:1)分析原理:职业技能鉴定国家题库电工技师操作技能考试卷考件编号---------- 姓名---------- 准考证号---------- 单位----------职业技能鉴定国家题库电工技师操作技能考试卷考件编号---------- 姓名---------- 准考证号---------- 单位----------2)编写教案:总成绩表统分人:年月日。
西式面点师(技师)实操考试题库含答案1、【单选题】()不是食物中毒的特征。
(C )A、潜伏期短、集体性暴发B、临床症状相似C、呕吐、腹泻D、病人与健康人不直接传染2、【单选题】()不符合脆皮面包的质量的标准。
(D )A、不生不糊B、内部松软C、粗细一致D、外皮松软3、【单选题】()松质面包表皮松脆,层次分明,有类似“清酥”之类的特性。
(D )A、俄式B、法式C、日式D、欧式4、【单选题】()的充气性,是风味蛋糕膨松的原因之一。
(B )A、牛奶B、黄油D、白糖5、【单选题】-1℃左右,保存5~14天的鱼称为()。
(A )A、冷却鱼B、冷冻鱼C、鲜鱼D、冰鲜鱼6、【单选题】“creampuff”是指()。
(A )A、泡夫B、奶酪C、吐司D、少司7、【单选题】“足价蛋白”一般是指()蛋白。
(A )A、蛋类B、奶类C、鱼类D、禽类8、【单选题】一般混合食物每生热4.184千焦耳约可产生()毫升的水。
(A )A、12B、20C、229、【单选题】下列中科学的喝水方法是()。
(A )A、清晨空腹喝一杯凉开水B、每天只饮用纯净水C、饥渴时多饮水D、边吃饭边饮用大量的水10、【单选题】下列对科学膳食制度的原则的叙述中正确的是()。
(D )A、满足用餐者饱腹和食欲的需要B、满足用餐者参加各种活动的需要C、满足用餐者基本的生理需要D、满足用餐者生理和各种活动的需要11、【单选题】下列对维生素的共同特点叙述中不正确的是()。
(D )A、维生素在机体内不能自行合成B、维生素不供给机体能量C、维生素不是构成机体各组织的原料D、机体对维生素的需要量较多,缺乏时可引起维生素缺乏症12、【单选题】下列选项中对钙的生理功用叙述错误的是()(C )A、构成骨骼和牙齿B、辅助血液凝固C、延缓衰老D、维持肌肉的伸缩性13、【单选题】下列选项中属于必需氨基酸的是()。
(B )A、酪氨酸B、色氨酸C、胱氨酸D、谷氨酸14、【单选题】不属于放射性污染源的是()。
工程内容 配分 评分标准 扣分 1. 估量阻值选用电桥正确给 2 分; 2. 准确使用电桥得 5 分,测试中违犯操作规程不得分 电阻测量 10 定额时间 (10 分钟) 备注 3. 读数准确得 3 分。
4. 工具使用不娴熟不正确,每次扣1 分,10 分扣完为止 5. 考试中损坏工具和设备扣 10 分 每超过 1 分钟扣 1 分 除定额时间外,各工程的最高扣分不应超过配分数 成绩 开头时间 完毕时间 实际时间(60 分钟〕 每超过 5 分钟以内以扣 5 分计算备注开头时间 除定额时间外,各工程的最高扣分不应超过配分数 成绩 完毕时间 实际时间电工技师实操考试试卷一、工具的使用与维护。
1. 试题:用电桥测试准确电阻值。
2. 考核要求(1) 工具、设备(仪器、仪表等)的使用与维护要正确无误(2) 安全文明操作。
(3) 总分值 10 分,考试时间 10 分钟3.评分标准二、从 CA6140 车床、KH-Z3040B 摇臂钻床、T68 镗床智能化考核系统各 30 个故障点中随机抽出 3 个故障点组成考题。
即每题 3 故障,每故障点为 12 分,有两次答题时机。
1.考核要求:在 CA6140 车床、KH-Z3040B 摇臂钻床、T68 镗床中任选一种,在其电气线路上,设隐蔽故障三处,其中主回路一处,掌握回路二处。
考生抽签打算参与车床、铣床、磨床、镗床中的何 种考核,用万用表等查找故障位置,并单独排解故障。
(1) 万用表等测量工具预备; (2) 开 CA6140、KH-Z3040B 摇臂钻床、T68 镗床电气故障智能化考核设备;(3) 查故障、答题、交卷;(4) 正确使用工具和仪表。
(5) 安全文明操作(6) 此题总分值 40 分,考核时限 50min 。
2.评分标准工程内容 配分 评分标准扣分故障检修 40 1. 排故障前不进展调查争论扣 5 分。
2. 每个故障点第一次答对得 12 分,其次次答对得 10 分 3.损坏电动机扣 10 分。
考件编号: 试卷编码:1800181103011011(湘潭湘钢)湖南省人力资源和社会保障厅职业技能鉴定中心监制注 意 事 项 一、本试卷依据2009年颁布的《维修电工》国家职业标准命制。
二、请根据试题考核要求,完成考试内容。
三、请服从考评人员指挥,保证考核安全顺利进行。
试题1、PLC 恒液位控制系统 (1)考试时间:240分钟 (2)考核方式:实操 (3)本题分值:60分 (4)具体考核要求:PLC 恒液位控制系统考生答题不准超过此线地区姓名 单位名称 准 考 证 号考件编号:(5)考核要求:a) 正确绘制用PLC的I/O接线图;b) 按技术要求正确编制、录入PLC程序,按技术要求正确编制触摸屏画面;c) 正确完成触摸屏与PLC间的通讯;d) 按技术要求、操作规范、工艺要求完成用触摸屏、PLC控制系统的安装、调试任务;e) 试运行良好,符合技术要求。
(6)技术要求:a) 系统采用PLC控制,触摸屏作为操作和监控界面;b) 加热器为电加热器,功率为200W;c) 触摸屏组态画面要求:系统的启动、停止按钮,液位设定、液位实时显示,磁力泵由变频器控制;d) 液体高度由液位传感器测出,经液位变送器送给PLC的A/D模块,液位为0~100cm变化时,变送器输出为0~20mA;e) 按下启动键(上位机组态操作),电磁阀打开,磁力泵按设定的30cm恒液位运行,当容器B、C中的液位到达20cm高度时,加热器全压启动运行。
B到C的放液阀处于打开状态,当液位到达设定的30cm时,磁力泵停止运行。
f) 停止操作按下停止按键,本工序结束后系统停止运行,但再次按下启动按钮,系统能正常运行。
笔答部分答题纸系统接线图试卷编码:1800181103011011(湘潭湘钢)湖南省人力资源和社会保障厅职业技能鉴定中心监制考件编号:试题2、自动化系统远程控制的安装与调试(1)考试时间:120分钟(2)考核方式:实操(3)本题分值:20分(4)具体考核要求:自动化系统远程控制的安装与调试(5)考核要求:a) 正确绘制用PLC的I/O接线图;b) 按技术要求正确编制、录入PLC程序,按技术要求正确编制触摸屏画面;c) 正确完成触摸屏与PLC间的通讯;d) 按技术要求、操作规范、工艺要求完成系统的安装、调试任务;e) 试运行良好,符合技术要求。
电工技师plc实操试题及答案PLC是自动化控制领域常用的一种控制设备,广泛应用于工业生产过程中。
作为一名电工技师,掌握PLC的实操操作和问题解决能力是非常重要的。
本文将提供一些常见的PLC实操试题及答案,以帮助电工技师练习和巩固相关知识。
试题一:PLC输入输出线路练习根据以下PLC输入输出线路图,回答下列问题。
答案一:1. Q1的真值表为:X1 | Q1----|----0 | 01 | 12. Q2的真值表为:X2 | Q2----|----0 | 11 | 03. Q3的真值表为:X3 | Q3----|----0 | 01 | 1试题二:PLC定时器应用以下为一个PLC定时器电路图,请根据图中给出的条件回答问题。
答案二:1. 定时器的时间设置为10秒。
2. 当PLC输入I1为ON状态时,定时器开始计时,计时10秒后输出Q1为ON状态;当I1为OFF状态时,定时器停止计时。
3. 当定时器未计时满10秒时,I2的状态无关紧要。
4. 当定时器计时满10秒后,I2为ON状态时,将触发Q2输出为ON状态;当I2为OFF状态时,Q2保持原先状态。
试题三:PLC计数器应用以下为一个PLC计数器电路图,请回答下列问题。
答案三:1. 计数器的设定值为100。
2. 当PLC输入I1为ON状态时,计数器开始计数,每次计数加1,直到计数满100时,输出Q1为ON状态。
3. 当I1为OFF状态时,计数器保持当前计数值不变。
4. 当计数器值为100时,即使I1为ON状态,计数器也不再继续计数。
以上是一些常见的PLC实操试题及答案。
通过解答这些问题,可以加深对PLC的理论知识的理解,并提升实际操作能力。
在实际工作中,电工技师需要能够准确地配置PLC系统,调试和排除各类故障。
希望以上内容对您有所帮助,祝您在电工技师的职业道路上取得更大的成功!。
部分试题
维修电工技师、高级技师试题一
题目名称:安装和调试三相异步电动机正反转启动切一段电阻器
一、考核要求:
1、要求:设计主回路和控制回路电路图,在规定的时间内完成控制回路的接线、
调试,达到考核题规定的要求。
2、不要求主回路接线;
3、时间:40分钟。
二、评分原则:
按照完成的工作是否达到了全部或部分要求,由考评员按评分标准进行评分。
在规定的时间内考核不得延时。
三、考核内容:
设计电路图:
四、考核要求:
1、根据要求设计电路图,设计完成后请考评员验收后方可接线;
2、能用仪表测量调整和选择元件,切电阻延时2秒;
3、根据正确的电路图进行控制电路接线(设计不正确的提供正确电路图),要求走
线规范,要求有必要的连锁;
4、装接完毕后,提请监考到位方可通电试车
5、能熟练地对电路进行调试
6、如遇故障自行排除
维修电工技师试题一准备单
比赛使用的场地、设备、工具、材料:
1、三相接触继电器线圈电压220伏三台
2、两相空气开关一台
3、得电延时接通时间继电器一台
4、按钮三个
5、1.5mm2导线 5米
- 1 -。
技师实操考试试卷及答案一、单项选择题(每题2分,共40分)1. 机械制图中,表示零件长度的尺寸是()。
A. 直径尺寸B. 半径尺寸C. 长度尺寸D. 角度尺寸答案:C2. 普通车床的主轴箱内装有()。
A. 齿轮B. 丝杠C. 导轨D. 轴承答案:A3. 车削加工时,切削速度的选择主要取决于()。
A. 工件材料B. 刀具材料C. 机床性能D. 切削液答案:A4. 铣削加工中,铣刀的旋转方向与工件的进给方向是()。
A. 相同B. 相反C. 垂直D. 任意5. 钻孔加工时,钻头的切削部分应略()工件表面。
A. 高于B. 低于C. 等于D. 不影响答案:A6. 磨削加工时,砂轮的硬度选择应根据()来确定。
A. 工件材料B. 砂轮材料C. 机床性能D. 切削液答案:A7. 电火花加工中,电极材料的选择主要取决于()。
A. 工件材料B. 加工效率C. 机床性能D. 电极形状答案:A8. 激光切割加工时,激光束的聚焦点应位于()。
A. 工件表面B. 工件内部C. 工件上方D. 工件下方答案:B9. 焊接过程中,焊条的角度应保持()。
B. 水平C. 倾斜D. 任意答案:C10. 钣金加工中,折弯加工的折弯角度通常为()。
A. 90度B. 45度C. 180度D. 任意角度答案:A11. 数控加工中,刀具路径的生成主要依赖于()。
A. 机床B. 刀具C. 编程D. 操作者答案:C12. 热处理加工中,淬火后的工件需要进行()。
A. 退火B. 正火C. 回火D. 时效答案:C13. 测量工件的圆度时,应使用()。
A. 卡尺B. 千分尺C. 圆度仪答案:C14. 螺纹加工时,丝锥的切削部分应略()工件表面。
A. 高于B. 低于C. 等于D. 不影响答案:B15. 齿轮加工中,齿形的精度主要取决于()。
A. 机床精度B. 刀具精度C. 操作者技能D. 测量设备答案:B16. 镗削加工时,镗刀的旋转方向与工件的进给方向是()。
按摩技师考试题库及答案一、单选题1. 按摩的基本作用不包括以下哪项?A. 促进血液循环B. 缓解肌肉紧张C. 治疗所有疾病D. 放松身心答案:C2. 以下哪个穴位不属于足三里?A. 内关B. 合谷C. 足三里D. 太溪答案:A3. 按摩时,以下哪个动作是正确的?A. 使用指尖施加压力B. 使用手掌根部施加压力B. 使用肘部施加压力D. 使用拳头施加压力答案:B二、多选题1. 按摩的适应症包括以下哪些?A. 肌肉疲劳B. 关节僵硬C. 骨折D. 肌肉酸痛答案:A, B, D2. 按摩时应注意的事项包括:A. 保持环境安静B. 使用润滑剂C. 避免在皮肤破损处按摩D. 按摩力度要适中答案:A, B, C, D三、判断题1. 按摩可以代替药物治疗所有疾病。
(错误)2. 按摩前应询问客户是否有任何健康问题或不适。
(正确)3. 按摩时可以忽略客户的反馈,继续进行按摩。
(错误)四、简答题1. 简述按摩的基本手法有哪些?答:按摩的基本手法包括滑动、揉捏、敲击、摩擦、振动、按压等。
2. 描述按摩过程中如何正确使用润滑剂?答:在按摩过程中,使用润滑剂可以减少皮肤之间的摩擦,提高按摩效果。
首先,取适量的润滑剂在手心,然后均匀涂抹在需要按摩的部位,确保按摩时皮肤不会相互摩擦。
五、案例分析题案例:一位客户因为长时间坐在电脑前工作,感到颈部和肩部肌肉紧张,请求进行按摩缓解。
问题:作为按摩技师,你将如何进行操作?答:首先,我会与客户进行沟通,了解其具体的不适部位和程度,询问是否有任何健康问题或禁忌。
然后,我会调整环境,确保安静舒适,并准备好按摩所需的工具和润滑剂。
在按摩过程中,我会采用适当的手法,如揉捏、按压和滑动,重点按摩颈部和肩部的肌肉,同时注意力度的控制,避免造成不适。
按摩结束后,我会询问客户的感受,并提供一些日常预防肌肉紧张的建议。
六、实操题1. 请演示如何正确进行背部按摩。
答:在进行背部按摩时,首先让客户采取舒适的俯卧位。
电工二级技师实操试题职业技能鉴定国家题库电工技师操作技能考试卷考件编号---------- 姓名---------- 准考证号---------- 单位----------试题1:制作一块电动机断电延时Y---Δ降压启动控制电路盘,并通电运行于调试。
本题分值:40考试时间:150分钟1)电路图:如下图所示2)按工艺要求将原件固定在控制盘上,按布线要求进行工艺接线。
3)安装完毕完成通电调试。
4)通电试验:正确使用工具及万用表,进行仔细检查,模拟调试,并注意人身安全。
评分表序号试题名称配分(全重)得分备注1 按工艺要求检元件安装,错一处扣2分102 按布线工艺要求进15行,错一处扣2分3 通电调试,一次不成功扣5分104 正确使用工具及代表、安全文明操作5合计40统分人:年月日原理图:职业技能鉴定国家题库电工技师操作技能考试卷考件编号---------- 姓名---------- 准考证号---------- 单位----------试题2:西门子(MM440)变频器外部电压控制电动机调速运行调速。
本题分值:35考试时间:120分钟考核要求:1)设计电动变频器控制电器:2)按设计的电路完成接线:3)参数设置如下图所示:电动机能完成如下动作;电动机正、反启动------调速------停车4)通电试验时,正确使用工具及万用表,进行仔细检查,通电调试,并注意人身及设备安全。
评分表序号试题名称配分(全得分备注重)1 电路设计,错一处扣2分102 电路盘安装布线,不合规范错一处扣2分103 通电调试,一次不成功扣5分104 正确使用工具及代表、安全文明操作5合计40统分人:年月日职业技能鉴定国家题库电工技师操作技能考试卷考件编号---------- 姓名---------- 准考证号---------- 单位----------试题3:培训指导本题分值:25考试时间:40分钟考核要求:内容:试分析X62W万能铣床电气线路原理及线路特点:1)编写教案:现场编写教案,内容正确。
技师车工实操考题一、围着车床转一圈进行工作前的巡查工作。
二、材料的准备(1)45#圆钢毛坯尺寸:φ45×155。
三、工具与设备准备工作(1)游标卡尺0~200mm、深度尺0~200mm、外径千分尺0~25mm、齿厚卡尺、万能角度尺0?~320?、钢板尺0~300。
(2)百分表0~5mm、磁力表座各1个。
(3)三爪卡盘1件。
(4)45?弯头刀、90?偏刀、30?对刀板、梯形螺纹车刀Tr40×12。
(5)A3中心钻(6)CA6140车床1台。
四、工艺过程(1)调质热处理T250与质量检查。
(2)找正夹紧毛坯外圆伸出110mm找正夹紧。
(3)车端面打中心孔。
(4)将外圆车到φ41至105长。
(5)掉头找正夹紧外圆φ41伸出40mm找正夹紧,车端面取总长150mm,打中心孔。
(6)将外圆φ32、φ25留1-2㎜余量,找正夹紧外圆φ25采用一夹一顶的方式装夹在车床上,粗车外圆φ32、φ25留1-2㎜余量再粗车车梯形螺纹Tr40×12(P6)-7h。
(7)将工件卸下用两顶的方式安装在车床上,精车两头外圆φ32、φ25至尺寸,精车梯形螺纹Tr40*12(P6)-7h。
五、现场的清理打扫卫生与工具整理。
一、围着车床转一圈进行工作前的巡查工作。
二、材料的准备(1)45#圆钢毛坯尺寸:φ40×145三、工具与设备准备工作(1)游标卡尺0~300mm外径千分尺0~25mm、25~50mm 各1把,三针、公法线千分尺25~50mm、钢板尺0~300。
(2)百分表0~5mm、磁力表座各1个。
(3)三爪卡盘1件。
(4)45?弯头刀、90?偏刀、30?对刀板、切槽刀、梯形螺纹车刀30?(P=6)。
(5)A3中心钻。
(6)CA6140车床1台。
四、工艺过程(1)调质热处理T250与质量检查。
(2)找正夹紧毛坯外圆伸出80mm找正夹紧,车端面。
(3)将外圆粗车到φ38至75长,粗车圆球Sφ35及φ20槽留1-2㎜余量。
电工技师实操考试题及答案一、实操考试题1. 题目:安装开关插座实操要求:根据给定的电路图,正确安装开关插座,并进行相应的接线工作。
2. 题目:故障排除实操要求:在给定的电路中,排除故障并修复。
故障可能涉及电线短路、断路、线路过载等情况。
3. 题目:安装照明设备实操要求:根据给定要求,安装照明设备,并进行相应的接线和灯泡更换工作。
4. 题目:配电箱操作实操要求:根据给定的情境,进行配电箱的操作。
包括通电、断电、开关操作等。
5. 题目:接地故障处理实操要求:在给定电路中,发现接地故障并进行相应的处理与修复。
二、实操考试答案1. 答案:安装开关插座根据电路图中的标识,选择正确的位置安装开关插座。
然后,按照接线图示的方式进行接线。
确保接线牢固且符合标准。
2. 答案:故障排除首先,使用万用表等工具检测电路中是否存在短路、断路等情况。
确定故障位置后,修复或更换受损部件,确保电路恢复正常。
3. 答案:安装照明设备根据给定要求,确定照明设备的安装位置。
然后,根据接线图示的方式进行接线工作。
最后,测试灯泡是否正常发光,确保设备安装正确且正常工作。
4. 答案:配电箱操作根据情境,正确操作配电箱。
开关操作必须符合安全规程,并确保电路通断正常,保障电力供应的可靠性。
5. 答案:接地故障处理首先,使用万用表等工具检测电路的接地情况。
确定接地故障的位置后,修复或更换受损的接地线路或设备,确保接地正常,减少电气事故的发生。
三、总结电工技师的实操考试题及答案涵盖了日常实际工作中常见的操作和故障排除情况。
参加考试的电工技师需要熟悉相关的安装、维修、故障排除知识,并具备一定的操作技能。
在实际工作中,电工技师需要做好安全防护工作,严格遵守规程要求,确保自身和他人的安全。
同时,准确、快速地定位和解决各类电路故障,保障电力设备的正常运行。
电工技师实操考试的目的在于提高电工技师的实际操作能力和应对各类故障的能力,为电工技师的工作质量和安全保障提供保障。
国家职业鉴定统一试卷
考评员总分数得分
1、请首先按要求在试卷上填写个人姓名、考号、和单位名称
2、请仔细阅读题目要求,在规定的设备上按照要求和标准进行实际操作;
3、不得在记录上乱写、乱画无关内容;
4、注意人身和设备安全,无关人员不得靠近操作现场;
二、考核内容
DM 2-2500/60型灭磁开关的检修
三、考核要求
1、按照要求的工艺顺序进行操作、测量、记录;
2、一人负责测量数据,一人负责记录,两人相互配合工作;
3、考核结束,考生应将操作试卷及记录整理填写清楚后交考评员
4、注意安全操作,对于违反操作规程发生重大事故者,取消考试资格;
5、现场工器具、量具摆放整齐;
6、考生不服从管理或与考评员争吵,取消考试资格。
四、考核时间
1、实际操作50分钟;
2、数据整理、填写10分钟。
设备名称DM2-2500/60型灭磁开关
检修项目技术要求实测数据
主触头两边开距之和≥18mm
主触头每边超程≥1.5mm
主触头弹簧压缩≥3mm
主触头的开距≥26mm
弧触头刚接触主触头两
≥6mm
边开距之和
1.5-2 mm
半轴与顶杆合闸时的搭
接尺寸
灭磁开关主触头检查情
况
灭磁开关操作机构检查
情况
灭磁开关各部连线连接
情况
测量人
记录人
日期
国家职业鉴定统一试卷
考评员总分数得分
1、请首先按要求在试卷上填写个人姓名、考号、和单位名称
2、请仔细阅读题目要求,在规定的设备上按照要求和标准进行实际操作;
3、不得在记录上乱写、乱画无关内容;
4、注意人身和设备安全,无关人员不得靠近操作现场;
二、考核内容
双重联锁正反转控制电气线路的安装
三、考核要求
1、照要求的工艺顺序进行操作、测量、记录;
2、一人负责画二次回路图,一人负责配线,两人相互配合工作;
3、考核结束,考生应将操作试卷及记录整理填写清楚后交考评员
3、意安全操作,对于违反操作规程发生重大事故者,取消考试资格;
4、现场工器具、量具摆放整齐;
5、考生不服从管理或与考评员争吵,取消考试资格。
五、考核时间
1、实际操作50分钟;
2、数据整理、填写10分钟。
双重联锁正反转控制电气线路的安装
画出双重联锁正反转控制电气原理图
序号代号元件名称数量作用
安装人:记录人:日期:
国家职业鉴定统一试卷
考评员总分数得分
1、请首先按要求在试卷上填写个人姓名、考号、和单位名称
2、请仔细阅读题目要求,在规定的设备上按照要求和标准进行实际操作;
3、不得在记录上乱写、乱画无关内容;
4、注意人身和设备安全,无关人员不得靠近操作现场;
二、考核内容
异步电动机定子绕组的干燥
三、考核要求
1、按照要求的工艺顺序进行操作、接线;
2、一人负责接线,一人负责记录,两人相互配合工作;
3、考核结束,考生应将操作试卷及记录整理填写清楚后交考评员
4、意安全操作,对于违反操作规程发生重大事故者,取消考试资格;
5、现场工器具、量具摆放整齐;
6、考生不服从管理或与考评员争吵,取消考试资格。
四、微软(中国)有限公司第 3 页12/6/2020考核时间
7、实际操作50分钟;
8、数据整理、填写10分钟。
异步电动机定子绕组的干燥
1、用并联加热法进行干燥
绘出并联加热法原理接线图并按图接线
2、用串联加热法进行干燥
绘出串联加热法原理接线图并按图接线
3、用星型加热法进行干燥
绘出星型加热法原理接线图并按图接线
接线人:试验人:日期:
电机检修技师DM2-2500/60型灭磁开关的检修实际技能操作考核评分标准序号考核项目评分要素扣分
1 文明生产(2分)工器具、材料摆放整齐,摆放混乱一处扣1分
检修场地清洁,做到检修过程现场清,检修完毕现场清,有一处不合格扣1分
2 安全生产(6分)违反安全规程操作,每一项扣2分不发生破皮流血事件
认真戴好劳动保护,否则扣4分
3 检修工器具、量具
的使用(12分)
正确使用常用电工工具,不正常使用扣1
分
测量时,测量工具使用不正确,扣2分
4 测量、检查过程
(16分)
测量数值准确,顺序正确,一处错误扣1
分
开关解体检查方法、顺序正确,一处错
误扣1分
开关组装顺序正确,零部件无漏装,否
则扣2分
开关手动拉合良好,否则扣3分
5 数据整理(4分)按要求数据清晰、真实、齐全,一项不合格扣2分
6 其它
总分:40分实际得分:
考评员: 2003年月日
电机检修技师双重联锁正反转控制电气线路的安装实际技能操作考核评分标准序号考核项目评分要素扣分
1 文明生产(2分)工器具、材料摆放整齐,摆放混乱一处扣1分
检修场地清洁,做到检修过程现场清,检修完毕现场清,有一处不合格扣1分
2 安全生产(6分)违反安全规程操作,每一项扣2分
不发生破皮流血事件,否则每次扣2分认真戴好劳动保护,否则扣4分
3 检修工器具、量具
的使用(12分)
正确使用常用电工工具,不正常使用扣1
分
测量时,测量工具使用不正确,扣2分
4 安装试验过程(16
分)
原理接线图错误,每处扣1分
未按元件布置图安装扣3分,安装不规
范扣2分
线路敷设不合理,配线不规范扣2分
热继电器未整定或整定错误,扣2分
电动机拆、接线不正确,扣2分
正、反转控制不灵活,扣2分
通电试验一次不成功,扣5分,两次不
成功,扣10分,三次不成功,不得分。
5 绘图、填表(4
分)
按要求画好电气原理图并填好元器件明
细表,元器件表填错一处扣1分
6 其它
总分:40分实际得分:
考评员: 2003年月日
电机检修技师异步电动机定子绕组的干燥实际技能操作考核评分标准
序号考核项目评分要素扣分
1 文明生产(2分)工器具、材料摆放整齐,摆放混乱一处扣1分
检修场地清洁,做到检修过程现场清,检修完毕现场清,有一处不合格扣1分
2 安全生产(6分)违反安全规程操作,每一项扣2分
不发生破皮流血事件,否则每次扣2分认真戴好劳动保护,否则扣4分
3 检修工器具、量具
的使用(12分)
正确使用常用电工工具,不正常使用扣1
分
测量时,测量工具使用不正确,扣2分
4 安装试验过程(16
分)
并联加热原理图与接线错误,每处扣1
分
加热干燥方法、步骤不正确扣3分
串联加热原理图与接线错误,每处扣1
分
加热干燥方法、步骤不正确扣3分
星型加热原理图与接线错误,每处扣1
分
加热干燥方法、步骤不正确扣3分
以上方法加热电流与绕组温度不合适扣
3分
5 绘图、填表(4
分)
按要求画好电气原理图并填好元器件明
细表,元器件表填错一处扣1分
6 其它
总分:40分实际得分:
考评员: 2003年月日。