建设工程开工安全条件审查全套
- 格式:docx
- 大小:18.95 KB
- 文档页数:10
建设项目安全审查制度范文一、引言在现代社会,建设项目安全审查是确保工程质量和人员安全的必要措施。
为了有效保障各类建设项目的安全,建立和健全建设项目安全审查制度至关重要。
本文旨在探讨建设项目安全审查制度的主要内容和流程,为相关部门在实践中进行参考和借鉴。
二、建设项目安全审查制度的目的建设项目安全审查制度的目的在于监督和管理建设项目的安全保障工作,确保项目在设计、施工、验收及运营维护等各个阶段都符合相关的安全要求和标准。
通过建设项目安全审查制度,可以有效预防和控制各类安全事故的发生,有效提高工程项目的质量和安全水平。
三、建设项目安全审查制度的主要内容1. 建设项目安全规划在项目启动之初,应制定详细的建设项目安全规划,明确各个阶段的安全目标和措施。
安全规划应包括建设项目的风险评估、安全目标的设定、安全责任人的确定、安全培训的开展等内容。
2. 建设项目安全设计审查建设项目的设计阶段是确保安全的关键环节,应对项目的安全设计进行全面审查。
审查的重点包括设计图纸的合理性、结构安全的可靠性、防火、防爆等安全要求的满足程度等。
同时,还要对建设过程中可能存在的安全隐患进行评估和预防。
3. 建设项目安全施工及监督建设项目的施工阶段是安全风险最高的阶段,需要采取一系列的措施保障施工人员的安全。
包括建立安全施工方案、制定安全交底制度、实施安全巡视和检查等。
同时,监督部门应加强对建设单位的监管,确保施工过程中符合相关安全规定。
4. 建设项目安全验收建设项目完工后,需要进行安全验收,确保项目符合相关安全标准和规范要求。
验收内容包括建设项目的消防设施、安全通道、安全标识等是否符合要求。
同时,还要对建设单位的安全管理进行综合评估。
四、建设项目安全审查制度的流程1. 项目启动阶段:明确安全目标,确定安全责任人,并制定安全规划。
2. 设计阶段:对项目的安全设计进行审查并提出意见和建议。
3. 施工阶段:建立安全施工方案,进行安全巡视和检查,并进行定期评估和改进。
建设工程开工安全生产条件复核报审材料清单备注:表中第9、11、16、17项到德阳市建设工程质量安全监督站网站()下载相应表格,根据项目特点填报。
建设工程危险性较大分部分项工程清单申报表建设工程开工安全生产条件审查表工程名称: 建设单位:施工单位: 项目经理:监理单位: 项目总监:注:本表一式四份,建设、监理、施工单位各一份,另一份为安全监督备案的附件材料。
施工现场周边环境安全评估表注:1、本表内容如填写不下应另附页;2、本表作为安全监督备案的附件材料。
施工现场平面布置图注:1、施工现场平面布置图设计应符合“边界清晰、围护美观、场内平实、物料整齐、内卫达标、文明有序”的总体要求,并做好功能齐全、布局合理、图示、标清晰;2、本表作为安全监督备案的附件材料。
建设工程开工安全条件审查程序与依据一、《中华人民共与国建筑法》第三条:建筑活动应当确保建筑工程质量与安全,符合国家的建筑工程安全标准、二、《中华人民共与国建筑法》第八条:申请领取施工许可证,应当具备下列条件:(六)有保证工程质量与安全的具体措施;三、《中华人民共与国安全生产法》第十六条:生产经营单位应当具备本法与有关法律、行政法规与国家标准或者行业标准规定的安全生产条件;不具备安全生产条件的,不得从事生产经营活动、四、《中华人民共与国安全生产法》第五十四条:对安全生产负有监督管理职责的部门依照有关法律、法规的规定,对涉及安全生产的事项需要审查批准或者验收的,必须严格按照有关法律、法规与国家标准或者行业标准规定的安全生产条件与程序进行审查;不符合有关法律、法规与国家标准或者行业标准规定的安全生产条件的,不得批准或者验收通过、五、《建设工程安全生产管理条例》第四条:建设单位、勘察单位、设计单位、施工单位、工程监理单位及其她与建设工程安全生产有关的单位,必须遵守安全生产的法律、法规的规定,保证建设工程安全生产,依法承担建设工程安全生产责任。
六、《建设工程安全生产管理条例》第十条: 建设单位在申请领取施工许可证时,应当提供建设工程有关安全施工措施的资料。
工程开工审查制度一、总则为规范工程开工审查流程,确保工程项目的安全、质量和进度,提高工程管理水平,制定本工程开工审查制度。
二、适用范围本工程开工审查制度适用于所有涉及工程建设的单位,包括政府部门、企事业单位和个人等。
三、审查程序1. 提交申请:工程建设单位在准备进行工程开工前,需向相关审查部门提交开工审查申请。
2. 接收申请:审查部门在收到申请后,应及时受理,并安排相关人员进行审查。
3. 材料审核:审查部门应对申请材料进行审核,确保申请材料的完整性和准确性。
4. 现场核查:审查部门可对工程现场进行核查,以了解工程开工前的具体情况。
5. 审查结论:审查部门应根据材料审核和现场核查情况,做出开工审查结论,提出审查意见。
6. 下发通知书:审查部门将开工审查结论和意见下发给工程建设单位,并告知开工审查结果。
四、审查要求1. 工程建设单位应提供真实有效的申请材料,确保申请内容的真实性。
2. 工程建设单位应配合审查部门的现场核查工作,提供必要的协助和支持。
3. 工程建设单位应根据审查意见及时调整工程计划和方案,确保工程开工的顺利进行。
4. 审查部门应严格按照法律法规和相关标准进行审查,不得违规放行。
五、审查标准1. 工程建设单位是否具有合法资质、施工条件和技术能力。
2. 工程建设单位是否已经完成前期工程准备工作,具备开工条件。
3. 工程建设单位是否符合相关法规和标准,是否存在违规情况。
4. 工程建设单位的工程计划和方案是否合理、科学,是否符合实际情况。
5. 工程建设单位是否已经进行了安全生产和环保措施的规划和设计。
六、审查结果1. 如果审查结论为通过,工程建设单位可按照工程计划进行开工。
2. 如果审查结论为不通过,工程建设单位需根据审查意见进行整改并重新申请审查。
3. 审查部门应及时告知工程建设单位审查结果,并提出整改建议。
4. 工程建设单位应服从审查部门的决定,配合合作,确保工程顺利进行。
七、监督管理1. 审查部门应定期对工程建设单位进行监督检查,确保工程开工后的施工安全、质量和进度等方面的符合要求。
首件工程开工审查制度一、目的和依据本制度旨在明确首件工程开工审查的基本要求和程序,确保工程项目按照国家及行业标准、设计文件和合同约定的要求进行施工。
本制度依据《建设工程质量管理条例》、《建设工程施工合同管理办法》等相关法律法规制定。
二、适用范围本制度适用于所有新建、改建、扩建的建筑工程、市政工程、交通工程等各类建设项目的首件工程开工审查。
三、审查原则首件工程开工审查应坚持公正客观、重点突出的原则,确保审查工作的科学性、准确性和权威性。
四、审查内容1. 首件工程的施工方案是否合理可行,是否符合设计要求和施工规范。
2. 施工图纸和技术资料是否齐全,是否经过设计单位确认。
3. 施工现场的质量管理体系和安全生产责任制是否健全。
4. 主要施工设备和机具是否符合施工要求,是否经过检验合格。
5. 施工人员的资质和技能是否满足工程需要,特别是关键岗位的人员是否具备相应的资格证书。
6. 环境保护和文明施工措施是否到位。
五、审查程序1. 施工单位应在首件工程开工前,向监理单位提交开工申请报告和相关资料。
2. 监理单位收到申请后,应及时组织有关专业人员对提交的资料进行审查,并提出初步意见。
3. 监理单位应组织专家对首件工程的施工方案进行评审,必要时可邀请设计单位参与。
4. 审查通过后,监理单位应出具开工审查意见书,并报建设单位备案。
5. 施工单位根据审查意见进行整改,整改完成后方可正式开工。
六、责任与义务1. 施工单位应对提交的开工申请资料的真实性负责,确保首件工程按照审查意见进行施工。
2. 监理单位应认真履行审查职责,确保审查工作的质量和效率。
3. 建设单位应提供必要的支持和配合,确保审查工作的顺利进行。
七、监督管理各级建设行政主管部门应对首件工程开工审查工作进行监督检查,对违反本制度的单位和个人依法进行处理。
八、附则本制度自发布之日起实施,由建设单位负责解释。
如有与国家法律法规相抵触之处,以国家法律法规为准。
工程施工安全审查制度任何一份安全审查制度都必须以国家和地方的相关法律法规为基础。
这些法律框架提供了对安全标准和要求的最低底线,而我们的审查制度将在此基础上进行细化和强化。
例如,根据《中华人民共和国安全生产法》等法规的要求,结合工程特点制定具体的操作规程和应急预案。
制度中要明确安全审查的目标和原则。
目标通常包括但不限于:确保施工过程符合安全标准、预防和减少事故发生、保护员工生命安全及健康、以及保障工程质量和进度。
原则则应强调预防为主、综合治理、责任到人等方面。
制度应当详细规定安全审查的组织机构和人员职责。
这包括设立专门的安全审查团队,由具备相应资质和经验的专业人员组成。
同时,明确项目经理、安全负责人、现场工人等各岗位的安全职责,形成层层把关的责任体系。
审查流程是制度的核心部分。
审查流程应该涵盖从工程开工前的安全计划审核、施工过程中的日常检查、到项目完工后的综合评估。
每一个环节都要有明确的操作步骤和标准,以确保无遗漏地覆盖所有潜在的安全风险点。
另一个关键点是事故处理机制。
一旦发生安全事故,应有快速反应机制和详细的处置流程。
这包括立即启动应急预案,迅速采取控制措施,及时报告相关部门,以及对事故原因进行调查分析,总结经验教训。
为了增强制度的执行力,还需要设立一套考核与激励机制。
通过对施工团队和个人的安全表现进行定期评价,并将评价结果与奖惩措施挂钩,可以有效提高全员的安全意识和行为自律性。
制度还应当包含定期的培训和教育计划。
通过组织定期的安全知识更新培训,不仅能够提升员工的安全技能,还能够持续推动安全文化的深入人心。
工程施工安全审查制度范本应当是一个全面、系统、具有操作性的管理工具。
它不仅要符合法律法规的要求,更要结合项目实际情况,通过明确的目标、原则、组织结构、流程、事故处理、考核激励以及教育培训等多个维度,来构建起一道坚固的安全防线,为工程建设的顺利进行提供坚实的安全保障。
建筑工程安全资料全套标准版.doc 建筑工程安全资料全套标准版1. 前言建设工程是一项复杂的系统工程,在建设过程中安全问题一直是一个重要的方面。
本文档旨在提供一个全面的建筑工程安全资料范本,以帮助建设单位、工程承包商和监理机构准确地编制建筑工程安全资料,以确保工程安全和质量。
该文档仅供参考,具体的安全技术措施应根据实际情况进行确定。
2. 范围本文档适用于按照标准建设的各类建筑工程和房屋建设工程。
文档详细描述了建筑工程安全资料的编制、提交和审查流程,并提供了范例。
3. 安全资料编制3.1 安全资料要求安全资料是指包括安全方案、施工组织设计、环境影响评价和应急预案等在内的资料,主要用于描述施工中可能发生的危险和事故,以及避免或应对这些危险和事故的措施。
建筑工程安全资料的编制应符合以下要求:(1)符合国家和地方的相关法律、法规、标准和规范;(2)考虑建设工程的特点,明确工程的安全风险和管理要求;(3)包含完整的信息和数据,确保安全性能的可靠性和可操作性。
3.2 安全资料编制流程安全资料的编制分为三个阶段:前期准备、施工阶段和竣工验收。
(1)前期准备阶段在工程立项阶段,建设单位应制定工程可行性研究报告,明确建设要求和目标。
在此基础上,施工单位应编制安全评估报告,确定安全目标、风险评估和建议的措施,并根据评估结果编制安全方案和施工组织设计。
(2)施工阶段施工单位应在施工过程中及时更新安全资料,并向监理机构汇报。
(3)竣工验收阶段在工程竣工验收时,施工单位应向相关部门提交安全资料和安全档案,以供审查。
4. 整合资料审查整合资料是指将施工阶段产生的资料进行整理和归档,形成建筑工程安全档案。
5. 相关名词及注释(1)安全方案:描述建筑工程施工中可能存在的危险和事故,以及应对这些危险和事故的措施。
(2)施工组织设计:在安全方案的基础上,详细描述施工工序、施工方法、施工工艺等。
(3)环境影响评价:评估建筑工程对环境产生的影响,以指导环保工程的建设和管理。
建筑施工安全管理标准化资料(V 2012.1)总目录第一册安全管理基本资料 基本内容 .................. 1.1 1.1 1.1 1.1 1.1 1.1 1.1 1.1 1.1 1.1 1.1 1.1 1.2 工程概况表 项目部管理人员名册 特种作业人员名册 分包单位登记表 分包单位资质审查表 总包与分包单位安全协议 相关附件材料企业资质证书、营业执照、安全生产许可证、信用管理手册复印件 项目经理注册证书复印件(变更的需提供手续) 中标通知书复印件企业主要负责人、项目经理、安全员(三类人员) 安全考核合格证书复印件1.1.7- 5企业主要负责人、项目经理、安全员(三类人员)参加年度继续教育培训合格证书复印件1.1.7- 6特种作业人员证书复印件 1.1.7- 7专职安全员公司委派证明材料各项保证措施 ....................................................1.2-11.2.21.2.31.2.41 2 3 4 5 6 77-1 7-2 7-3 7-4意外伤害保险、公众责任险凭证复印件 施工现场总平面布置图 施工现场安全警示标志总平面布置图及登记册 安全文明施工开工条件审查1.3 (1) 建筑施工程安全生产文明施工条件(施工单位)检查表(2) 南京市建设工程文明施工承诺书(3) 建设工程围挡冲洗设施管理达标验收证明1.2.5安全管理文件项目部安全生产组织机构及网络 ........................ 1.3.1 1.3.2 1.3.3 1.3.4 1.3.5 1.3.6 1.3.71.3.8项目安全生产管理网络 项目文明施工管理网络 项目消防安全管理网络 事故应急预案管理网络 民工业余学校管理网络 安全生产、文明施工责任书 安全质量标准化管理责任分解图 安全管理目标责任落实考核办法1.4 应急救援预案与事故调查处理 1.4.1施工现场事故应急救援预案12294050建筑施工安全管理标准化资料(V 2012.1)总目录施工现场应急救援组织人员名册 施工现场应急救援设施设备仪器登记表 事故应急救援演习记录表 演习过程中照片 安全事故报表2.1.10机械设备管理人员安全职责2.2安全生产和文明施工管理制度… 2.2.1 2.2.2 2.2.3 2.2.4 2.2.5 2.2.6 2.2.7 2.2.8 2.2.92.2.10防护用品管理制度 2.2.11班组安全活动制度 2.2.12文明施工管理制度 2.2.13水上作业安全管理制度 2.2.14事故调查处理制度2.2.15施工现场应急救援预案制度 2.2.16防火消防管理制度 2.2.17用电管理制度第二册岗位责任制、管理制度、操作规程 2.1人员岗位职责 ...................... 2.1.1 2.1.22.1.3 2.1.4 2.1.5 2.1.6 2.1.7 2.1.82.1.9公司经理安全职责公司分管安全经理安全职责 项目经理安全职责分管安全项目副经理安全职责 项目总工安全职责 项目安全员安全职责班组长安全职责 项目保卫消防员安全职责 项目材料员安全职责57 611.4.2 143 144 1.4.5 1.4.668安全生产责任制安全生产目标管理制度 安全生产考核奖罚制度安全检查制度 安全教育培训制度 安全生产交底制度安全生产技术措施制度 安全生产资金保障制度 机械设备安全管理制度建筑施工安全管理标准化资料(V 2012.1) 总目录1492.2.18宿舍卫生管理制度 2.2.19食堂卫生管理制度 2.2.20厕所卫生管理制度 2.2.21门卫制度2.2.22资料台帐管理制度建筑施工安全管理标准化资料(V 2012.1)总目录2.3施工现场工人操作规程 ................................... 2.3.1新工人安全生产须知、安全生产六大纪律、十项安全技术措施2.3.2起重吊装“十不吊”规定;气割、电焊“十不烧”规定 2.3.3各工种安全技术操作规程2.4安全目标生产管理 .......................................2.4.1安全生产目标责任书2.4.2管理人员安全生产责任制考核1、 项目经理安全生产责任制考核记录2、 项目副经理安全生产责任制考核记录3、 项目技术负责人安全生产责任制考核记录4、 项目安全员安全生产责任制考核记录5、 项目质检员安全生产责任制考核记录6、 项目班组长安全生产责任制考核记录7、 项目保卫消防员安全生产责任制考核记录 &项目材料员安全生产责任制考核记录 9、 项目机械管理员安全生产责任制考核记录 10、 项目管理人员安全生产责任制考核记录汇总表第三册安全防护用品和机械设备管理 3.1安全防护用品(具)管理 ........ 3.1.1 3.1.23.1.3 3.1.4 3.1.5 3.1.6 安全防护用品 安全防护用品 安全防护用品 安全防护用品 购置使用计划 进场报验单 生产许可证、合格证、安全认证、评估报告、推荐证标志 送检检验报告 个人劳动防护用品发放记录 安全防护用具、材料领用记录3.2起重机械设备登记台账和相关资料 3.2.1机械设备登记台账 3.2.2进场机械设备报验单 3.2.3机械设备检测报告 3.2.4日常维修保养记录 3.2.5机械设备定期检查记录 3.2.6起重机械设备登记备案资料 3.2.7起重机械设备使用登记牌 3.3机动车辆及桩工机械管理 .......... 3.3.1机动车辆、桩工机械登记表 3.3.2机动车辆、桩工机械检测报告 3.3.3机动车辆验收表3.4中小型施工机具管理 ..............3.3.1机具登记表 129 13213714589116建筑施工安全管理标准化资料(V 2012.1) 总目录1493.3.3建筑施工机具验收记录表 第四册安全教育及安全活动记录 安全教育培训计划 ..............4.1.1 4.1.2 4.1.3 4.1.4 4.1.5 4.1.6 4.1.7 4.1.8 4.1.9153 4.1 1564.2 4.3 项目部安全培训计划表 项目部作业人员花名册 项目部职工安全培训情况登记表 安全教育记录汇总台账 安全技术教育记录 职工三级教育卡片 施工人员安全手册承诺书 三级安全教育记录汇总表 项目部施工机具操作人员花名册民工业余学校管理台帐4.2.1 4.2.2 4.2.3 4.2.4 4.2.5 4.2.6 4.2.7 4.2.8 4.2.9 4.2.10 4.2.11 4.2.12 4.2.13 4.2.14民工业余学校基本情况 民工业余学校章程 民工业余学校管理制度 民工业余学校学员守则 民工业余学校组织机构图 民工业余学校师资力量配备表 民工业余学校学员名单 民工学校教学计划 民工业余学校月课时安排计划表 民工业余学校开展活动记录 简报、照片、影音资料 民工业余学校教材 南京市农民工业余学校备案表 农民工业余学校达标自评表安全日志和活动记录 4.3.1 4.3.2 4.3.3 4.3.4 4.3.5 安全施工日志项目部安全活动记录 项目部安全会议记录 班组(日)安全上岗记录 班组(周)安全讲评记录第五册 施工方案及安全技术交底 …••… 5.1施工组织设计及专项施工方案 ........ 5.1.1专项施工方案编审要求 5.1.2危险性较大的分部分项工程清单5.1.3专项施工方案编审 167180185 1872525.1.3- 2 5.1.3- 3 5.1.3- 4 5.1.3- 5 5.1.3- 6 专项施工方案审批表超过一定规模的危险性较大分部分项工程专项施工方案专家论证签到表 超过一定规模的危险性较大分部分项工程专项施工方案专家论证报告 超过一定规模的危险性较大分部分项工程专项施工方案专家论证审批表 专项施工方案 5.2安全技术交底 ................................ 安全技术交底编写要求 开工前安全技术交底表分部(分项)工程安全技术交底记录汇总表 分部(分项)工程安全技术交底表 班组安全技术交底记录汇总表 班组安全技术交底表5.2.1 5.2.2 5.2.3 5.2.4 5.2.5 5.2.6第六册安全检查记录及隐患整改 .................. 6.1安全检查及隐患整改 ......................... 6.1.1企业检查记录汇总表 6.1.2企业检查记录及项目部隐患整改记录表 6.1.3项目经理部安全检查及隐患整改记录汇总表 6.1.4项目经理部安全检查及隐患整改记录表 6.1.5安全员安全动态管理(日)检查表 6.1.6安全检查隐患整改单 6.1.7附件 ................................... 1. 日检表重点检查内容 2. 建筑施工安全检查评分汇总表 3. 建筑施工各项安全检查评分表 6.2安全奖罚 ................................... 6.2.1违章处理登记表 6.2.2安全奖罚记录汇总表 6.2.3安全奖励单和罚款单 第七册安全验收 7.1 7.2 7.3安全验收记录汇总表 .......................... 临建设施 ..................................... 7.2.1施工现场围挡验收表 7.2.2施工现场装配式活动板房安装验收表 7.2.3施工现场装配式轻钢结构活动板房安全检查表 分部分项工程 .................................7.3.17.3.2 7.3.3 7.3.4基坑支护、降水安全验收表 土方开挖安全验收表模板工程及支撑体系安全验收表 落地式钢管扣件脚手架搭设验收表200207 210216238243 246 2478.52947.3.5起重机械设备安装验收记录表 7.4防护设施与临时用电 ............. 7.4.1 7.4.27.4.3 7.4.47.4.5临边、洞口安全防护设施验收表 安全防护棚搭设验收表 攀登作业设施验收表 临时用电验收表临时用电技术档案 第八册文明施工 8.1 8.2 文明(绿色)施工组织管理 .................. 8.1.1施工管理网络图 8.1.2文明工地创建目标 8.1.3实施方案 8.1.4安全文明施工措施费支付计划及票据复印件 环境保护方案 ..............................8.2.18.2.2 8.2.3 8.2.4 扬尘控制 噪音与振动控制 建筑垃圾控制 地下管线设施、文物和资源保护 8.3 施工现场卫生管理 8.3.1 8.3.2 8.3.3 8.3.4 8.3.5 8.3.6环境卫生管理 施工现场场容场貌验收表 施工现场卫生保洁责任表 施工现场环境卫生检查记录表 工地食堂卫生、食品安全检查表 流行病发病季节人员体温监控表8.4 消防安全管理8.4.1 8.4.2 8.4.3 8.4.4 8.4.5 8.4.6施工现场消防安全管理制度和措施施工现场消防重点部位登记表 义务消防人员登记表 施工现场消防设施检查验收表 灭火器材更新登记表 动火许可证8.4.6- 1 一级动火许可证 8.4.6- 2二级动火许可证 8.4.6- 3三级动火许可证 8.4.7施工现场消防设施布置图民工工资管理 ..........8.5.1民工权益告知牌设置258267 2702742782853288.5.2民工工资保障金缴纳证明 8.5.3农民工劳动计酬手册 8.5.4劳动合同 8.6南京市水利工程市级文明工地考核表 297第九册工会劳动保护 .................................... 9.1、 组织建设 ......................................... 9.1.1公司劳动保护监督委员会名单 9.1.2分公司劳动保护监督小组名单9.1.3集团公司劳动保护监督委员会组织网络9.1.4分公司劳动保护监督小组(劳动保护检查员)网络图 9.1.5集团公司工会劳动保护监督计划9.1.6分公司劳动保护监督计划 9.1.7月度劳动保护检查情况记录表(项目部) 9.1.8劳动保护实施情况半年度总结(二级工会) 9.2、 制度建设 ......................................... 9.2.1工会劳动保护监督岗位职责 9.2.2工会劳动保护工作会议制度 9.2.3工会劳动保护宣传教育制度 9.2.4工会劳动保护检查考核制度 9.2.5关于禁止招收未成年工的通知 9.2.6工会劳动保护工作会议记录表 9.3、 教育培训 ........................................ 9.3.19.3.2 9.3.4 9.3.5 9.3.6 9.3.7 9.3.8附件: 附件: 303 306315322安全管理目标责任书 文明工地创建考评细则开展“安全生产月”和“安全生产周”竞赛活动方案 公司安全奖惩细则 年度培训计划新工人、换岗工人、特殊工种上岗证 培训登记表、项目人员上岗证 三级教育卡 安全教育考试附件:工人考试成绩册9.4、 群众监督 ..........9.4.1 9.4.2 9.4.3 9.4.4 9.4.5公司 年度安全生产工作意见安全管理实施意见 工会工作意见安全生产执法队工作条例 职工代表巡视现场安全保护工作记录9.4.6卫生管理制度9.4.7队组安全生产奖惩制度9.4.8建筑职工职业道德准则9.4.9建筑施工现场环境卫生管理考核标准9.4.10施工现场环境卫生管理奖惩办法9.4.11施工现场防火规定342 9.5依法维护 .....................................9.5.1关于事故伤亡调查和处理规定9.5.2关于贯彻落实女职工劳动保护办法的实施细则9.5.3关于女职工怀孕和婴儿哺乳期间休假的办法9.5.4计划生育规章制度9.5.5全年计生工作计划9.5.6公司计划生育领导小组及网络系统第十册工程完工安全评估349 附录法律、法规、条例及规范355。
工程建设项目前期工作流程
1.基本流程
项目建议可行性研项目评立项决方案设初步设计及其审扩初步设施工图设计及其审建设准施工许施工与安生产准竣工验竣工结算与竣工决项目后评价.
建设项目投资决策(建议书、可行性研究报告)流程2.企业投资项目政府投资项目
3.建设项目设计阶段工作流程
4.建设项目准备阶段工作流程
工程建设项目管理流程5.项目管理基本流程
6.招投标基本流程
7.合同签订流程
确定合同结构和性质8.施工准备流程
项目风险管理与信息管理流程9.项目风险管理流程
减小风险? 积极保留? 保险转移? 10.项目信息管理流程
项目管理部门勘察设计物质供应单位竣工验收流程11.
工程项目监理工作基本流程12.工程项目实施监理的总流程
13.施工准备阶段监理工作流程
14.施工阶段工程投资控制流程
15.施工阶段工程进度控制流程
16..施工阶段工程质量控制流程
修改
17.施工阶段安全监理控制流程
18.合同管理控制流程
19.信息管理控制流程
20.组织协调控制流程
21.工程质量问题及工程质量事故处理流程
22.工程安全事故处理流程
处理
23.工程洽商控制及签证工作流程
24.工程竣工验收控制流程
竣工档案做好工程竣工移交25.保修阶段监理工作流程。
工程开工安全条件现场审查资料清单范本一、施工现场的基本情况1. 工程名称、单位及负责人2. 工程施工地点及范围3. 工程总体进度计划二、人员安全管理情况1. 施工现场人员组织架构图2. 安全人员配备情况3. 施工人员的安全培训记录和证书4. 施工人员的劳动合同及相关证件5. 安全人员的工作日志和记录三、施工现场安全设施1. 施工现场的防护围挡设置情况2. 施工现场的安全标识设置情况3. 施工现场的临时交通组织措施4. 施工现场的消防设施设置情况5. 施工现场的危险源管理与控制四、施工现场安全管理制度1. 安全管理制度文本及相关培训记录2. 施工现场安全交底记录和签字确认3. 施工现场安全巡查记录和整改措施4. 施工现场事故处理记录和经济赔偿记录五、施工现场的安全风险分析1. 工程施工前的安全风险分析报告2. 施工现场临时用电的安全检查记录3. 施工现场高处作业的安全检查记录4. 施工现场危险品的安全管理措施5. 施工现场机械设备的安全检查记录六、施工现场的环境保护措施1. 施工现场的扬尘控制与治理措施2. 施工现场的噪音控制与治理措施3. 施工现场的废弃物处理方式与记录4. 施工现场的污染源管理与整改记录七、施工现场的应急管理措施1. 施工现场的应急救护设备及人员配备2. 施工现场的事故应急预案记录3. 施工现场的事故处置演练记录4. 施工现场的事故报告及处理记录八、施工现场的安全教育与培训1. 施工现场安全教育与培训计划2. 施工现场安全教育与培训记录3. 施工现场应急演练与培训记录4. 施工现场技能培训和安全考核记录以上资料清单为工程开工安全条件现场审查的基本要求,施工单位应按照相关法规和要求进行合理的管理和整改。
工程开工安全条件现场审查资料清单范本(二)一、工程概况1. 工程名称:XX工程2. 工程地址:XX地区3. 建设单位:XX公司4. 施工单位:XX施工公司5. 安全监理单位:XX监理公司6. 专业监理单位:XX监理公司二、现场安全责任人及人员配备情况1. 现场安全责任人:XX姓名2. 安全员:XX姓名3. 监理人员:XX姓名4. 施工队长:XX姓名5. 安全队长:XX姓名三、施工现场危险源辨识及防控措施1. 危险源辨识报告:包括危险源调查、辨识和评估结果2. 危险源控制措施:详细描述各类危险源的防控措施,如高处作业、档案资料的存放、施工机械设备的运行等3. 安全技术措施:列举采取的安全技术措施,如安全防护网的设置、电气设备的接地等四、施工现场安全设施及安全操作规程1. 安全警示标识牌:包括施工区域划定、禁止通行、安全警示等标志牌的设置情况2. 安全通道设置:描述现场安全通道的划定和设置情况3. 安全防护栏杆:详细描述现场各类安全防护栏杆的设置情况,如高处安全防护栏杆、施工现场封闭等4. 安全警示标识牌使用规定:描述各类安全警示标识牌的使用规定,如颜色、内容等5. 安全操作规程:列举现场安全操作规程,如高处作业、机械设备操作等五、施工现场应急救援措施1. 应急救援预案:包括突发事件应对措施、事故应急救援措施等2. 应急通道设置:描述现场应急通道的划定和设置情况3. 应急设备配置:列举应急设备的配置情况,如灭火器、急救箱等六、施工现场专项安全措施1. 施工机械设备安全措施:详细描述施工机械设备的安全控制措施,如起重机械使用及调试、交接班制度等2. 施工车辆安全措施:描述施工现场各类车辆的安全控制措施,如行车路线划定、限速等3. 焊接和切割安全措施:列举焊接和切割作业的安全控制措施,如防火措施、防护措施等七、施工现场安全员巡查记录1. 巡查记录表格:包括巡查时间、巡查地点、巡查内容等2. 时间与地点统计:统计巡查时间和巡查地点的次数八、施工现场安全培训记录1. 安全培训记录表格:包括培训时间、培训内容、培训人员名单等2. 参与人员统计:统计参与培训的人员名单及人数以上便是工程开工安全条件现场审查资料清单的范文,详细列举了资料清单中的内容,可根据具体需求进行调整和补充。
工程开工资料全套模板
工程开工令
工程名称:编号:A.0.5—
B.0.2
工程开工报审表
工程名称:编号:B.0.2-
开工报告
B.3.2施工进度计划报审表
B.0.1
施工组织设计/施工方案报审表
工程名称:编号:B.0.1 -
工程名称
施
工
组
织
设
计
编制单位: 编制日期:
--------施工组织设计
项目负责:
技术负责:
审核人:
编制人:
1、附本工程施工组织设计方案
2、附本单位资质等级证书、税务登记证、组织机构代码、人员资
质证书、特殊作业证书等证件
3、中标通知书及授权书
B.0.3施工现场质量、安全生产管理体系报审表工程名称:编号:B.0.3-
1、附安全交底、安全责任书、安全协议
2、附施工人员的安全职责
3、附安全教育培训制度及培训记录
4、附施工现场安全事故应急预案及安全施工专项事故应急预
案
5、安全措施费使用,工器具照片,人员保险,销售清单
B.3.1
工程材料、构配件、设备报审表
工程名称:编号:B.1.3—
监9 工程主要材料检验记录表
工程名称:施工单位(章):
本表一式三份,供货、施工、监理单位各一份
1、附材料合格证复印件
2、附材料出厂检验报告
3、材料附省级或市级质检部门检验合格报告
监10 进场机具仪表报验工程名称:。
工程开工前安全审查制度一、制度目的本制度旨在确保工程项目在开工前能够进行全面的安全风险评估,及时发现并解决潜在的安全隐患,保障工程建设过程的安全性,防止事故的发生,保护工人生命安全和身体健康,以及确保工程质量和环境保护。
二、适用范围本制度适用于所有新建、改建、扩建的建筑工程,包括但不限于土木工程、装修装饰工程、设备安装工程等各类工程项目。
三、组织机构1. 成立安全审查小组,由项目负责人担任组长,安全管理人员、技术负责人、施工队伍代表等组成。
2. 安全审查小组负责制定审查计划,组织实施审查工作,并对审查结果负责。
四、审查内容1. 工程项目的安全生产责任制落实情况。
2. 安全生产管理制度和操作规程的完善程度。
3. 施工现场安全防护措施的设置情况。
4. 特种作业人员资质和操作证书的合规性。
5. 施工机械设备的安全性能和维护状况。
6. 应急预案的制定和演练情况。
7. 其他可能影响工程安全的因素。
五、审查程序1. 安全审查小组根据工程特点制定具体的审查计划。
2. 通知相关部门和人员配合审查工作。
3. 按照审查计划进行现场检查、资料审核等工作。
4. 汇总审查结果,形成书面报告。
5. 对于发现的问题,提出整改建议并明确整改时限。
6. 跟踪整改进展,直至问题得到彻底解决。
六、责任与处罚1. 项目负责人对本次安全审查负总责,确保审查工作的顺利进行。
2. 安全管理人员负责具体审查工作的实施,对审查结果的准确性负责。
3. 任何单位和个人不得阻挠、干扰审查工作,违者将依法依规处理。
4. 对于未按要求完成整改的单位或个人,将按照相关法规进行处罚。
七、附则本制度自发布之日起实施,由公司安全管理部门负责解释。
如有与国家法律法规相抵触之处,以国家法律法规为准。
工程安全措施审查制度一、总则为了加强工程建设项目的安全管理工作,预防各类事故的发生,保障工人和公众的生命财产安全,提高施工质量,根据国家有关法律法规和《建设工程安全生产管理条例》,制定本制度。
二、适用范围本制度适用于所有在进行建设工程项目的单位,包括建筑、市政、水利、交通等各类工程。
三、审查内容及流程1. 项目安全措施的编制:建设单位在开工前应组织专业人员对工程项目进行安全风险评估,编制安全措施方案。
安全措施方案应包括施工期间的各项安全措施,包括现场防护、施工工艺、安全操作规范等内容。
2. 安全管理机构的设置:建设单位应设立专门的安全管理机构,负责对施工现场的安全管理,定期检查和评估安全措施的执行情况。
3. 安全培训:所有参与施工的工人都应接受安全生产培训,掌握安全操作规程和应急救援知识。
4. 安全设备和器具的配备:建设单位应根据工程项目的实际情况,配备必要的安全设备和器具,保证施工现场的安全。
5. 审查流程:工程安全措施应在项目启动前经有关部门审查通过,审查结果需进行备案。
6. 安全隐患整改:一旦发现安全隐患,建设单位应立即采取措施进行整改,并报告有关部门。
四、责任制度1. 建设单位:负责编制工程安全措施方案,组织实施,定期检查评估,确保施工现场的安全。
2. 施工单位:按照安全措施方案开展施工,保证施工现场的安全。
3. 监理单位:对工程安全措施方案进行审查,在施工过程中监督施工单位执行安全措施。
4. 相关部门:负责对工程安全措施方案进行审查,并定期检查施工现场的安全管理情况。
五、监督检查建设单位应定期对工程安全措施方案的执行情况进行检查,确保施工现场的安全。
监管部门应加强对工程项目的安全检查,及时发现问题并督促整改。
六、处罚制度对违反本制度规定的单位和个人,将依法给予处罚,并要求其立即整改。
严重情节的,将追究法律责任。
七、附则1. 本制度自发布之日起正式施行,如有需要修改,应经相关部门审批后方可实施。
开工安全生产条件审查制度模版一、引言为了保障工人们的生命安全和身体健康,提高生产安全水平,公司制定了开工安全生产条件审查制度。
本制度着重强调了开工前对生产条件的全面检查和审查,以确保工作环境的安全和防范意外事故的发生。
为了避免表述的单一和重复,本文将避免使用诸如“首先、其次、另外、总之、最后”等分段语句。
下面将详细阐述开工安全生产条件审查制度的相关内容。
二、制度目的本制度的目的是规范开工前对生产条件的审查程序,确保工作场所的安全和健康,并制定相应的措施和标准,防范事故的发生,保障员工的生命安全和身体健康;同时加强管理,预防和控制生产事故的发生,提高生产效率和质量。
三、制度适用范围本制度适用于公司所有部门和工作场所。
四、相关原则1.因地制宜原则:根据不同的工作环境和作业特点,制定符合实际情况的开工安全生产条件审查制度。
2.全员参与原则:保证每位员工都参与到开工安全生产条件审查工作中,培养员工的安全意识和责任心。
3.科学决策原则:根据实际情况和技术要求,科学决策,合理确定开工安全生产条件审查内容和标准。
4.持续改进原则:不断总结经验,完善开工安全生产条件审查制度,提高工作效率和质量。
五、开工安全生产条件审查内容1.工作场所环境条件审查(1)卫生条件:检查工作场所是否保持干净整洁,有无垃圾堆积和异味等。
(2)通风条件:检查工作场所的通风设施是否完善,是否存在污染和粉尘积聚的情况。
(3)照明条件:检查工作场所的照明设施是否良好,是否存在光线不足或过强的情况。
(4)噪声控制:检查工作场所的噪声情况,是否达到国家标准要求。
(5)温湿度控制:检查工作场所的温度和湿度情况,是否适宜作业。
2.作业设备及工具条件审查(1)设备状态:检查生产设备的使用状态,是否存在损坏或安全隐患。
(2)设备保养:检查是否进行定期保养和维修,设备是否正常运转。
(3)使用工具:检查工作人员使用的工具是否符合标准要求,是否有安全风险。
3.安全生产控制条件审查(1)危险源识别:对工作环境中的潜在危险源进行识别和评估。
开工安全生产条件审查制度范文一、引言安全生产是企业发展的重要环节,关系到企业员工的生命安全和财产利益。
为了落实国家安全生产法律法规,确保企业开工时的安全生产条件,我们公司制定了开工安全生产条件审查制度,以便及时发现和解决安全隐患,保障员工的人身安全和工作环境。
二、审查目的开工安全生产条件审查是为了确保企业在开工前具备必要的安全生产条件,以便真正做到“安全第一、预防为主”,切实保障员工的安全和健康。
三、审查范围1. 生产车间和设备:(1)生产车间是否符合国家相关安全标准,是否存在危险品泄漏风险;(2)设备是否按照规定进行维护和保养,是否存在设备故障或安全隐患。
2. 电气设备和用电安全:(1)用电设备是否通过专业机构检验和维护;(2)用电线路是否正常,是否存在漏电、短路等安全隐患。
3. 消防设施和消防通道:(1)消防设备是否齐全,如灭火器、喷淋系统等;(2)消防通道是否畅通,是否有易燃易爆物品堆放。
4. 安全出口和疏散通道:(1)安全出口是否设置合理,能否及时疏散人员;(2)疏散通道是否畅通,是否有阻碍物和障碍物。
5. 安全防护设施和个人防护用具:(1)是否设置了必要的安全防护设施,如防护网、防护栏等;(2)是否提供员工必要的个人防护用具,如安全帽、护目镜等。
四、审查程序1. 制定开工安全生产条件审查计划,明确审查的时间和范围。
2. 成立由安全生产负责人、技术负责人、监督员等组成的审查小组。
3. 对上述审查范围内的项目逐一进行检查,记录存在的问题和隐患。
4. 对存在的问题和隐患,制定整改计划并跟进整改情况。
5. 审查小组形成安全生产条件审查报告,报告内容包括审查情况、存在的问题和隐患、整改措施等。
五、整改措施1. 对存在的问题和隐患,制定相应的整改措施和时限。
2. 指定责任人负责整改工作,并跟进整改进展情况。
3. 完成整改工作后,进行复查,确保问题得到解决。
六、监督与检查1. 审查小组定期对企业进行安全生产条件的监督和检查。
建筑工程项目开工安全条件复核表范文一、项目名称:___________________二、项目地点:___________________三、复核日期:___________________四、复核人员:___________________五、复核内容:1. 建筑工程项目施工安保措施:- 施工现场周边的道路交通是否畅通,是否设有合适的交通指示标志和警示标志;- 施工现场是否设置了围挡,并按照相关规定进行了标识;- 施工现场进出口通道是否明确,是否设置了防护措施;- 施工场地周边是否设置了警示线,并在周边设立了警示牌;- 施工现场是否进行了统一清理,是否清除了危险物品和杂物;- 施工现场是否设有紧急疏散通道,并在通道上进行了标识。
2. 建筑工程项目重大危险源控制:- 施工现场是否建立了安全防护区域,并进行了标识;- 施工现场是否设置了防护网,并对高空作业区域进行了围护;- 施工现场是否设有扬尘保护措施,是否设置了喷淋设备;- 施工现场是否设置了电气设施的防护措施,是否接地可靠;- 施工设备是否经过了安全检查和维护,是否符合相关安全要求;- 施工现场是否建立了消防管理体系,是否准备了足够的灭火器材。
3. 建筑工程项目员工安全培训:- 建筑工程项目员工是否都参加了安全培训,是否熟悉施工现场的安全规章制度;- 建筑工程项目员工是否具备相应的技术和安全操作能力,是否持有有效的证书;- 建筑工程项目员工是否了解应急救援措施,是否掌握基本的急救知识;- 施工现场是否设有专职的安全员,是否配备了必要的安全设备。
4. 建筑工程项目安全风险评估:- 建筑工程项目是否进行了安全风险评估,是否制定了相应的安全管理措施;- 是否建立了安全事故应急预案,是否进行了演练和模拟测试;- 施工现场是否建立了安全事故报告制度,是否及时上报和处理了安全事故。
六、复核结论:经过对建筑工程项目开工安全条件的复核,综合考虑各项因素,结论如下:- 符合安全要求,可以开工;- 部分问题需要整改后方可开工;- 存在严重的安全隐患,暂不能开工。
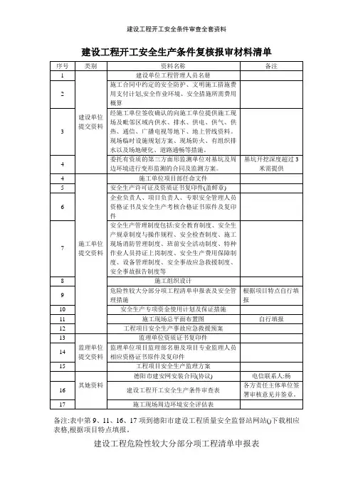
建设工程开工安全生产条件复核报审材料清单
备注:表中第9、11、16、17项到德阳市建设工程质量安全监督站网站()下载相应表格,根据项目特点填报。
建设工程危险性较大分部分项工程清单申报表
建设工程开工安全生产条件审查表
工程名称:建设单位:
施工单位:项目经理:
监理单位:项目总监:
注:本表一式四份,建设、监理、施工单位各一份,另一份为安全监督备案的附件材料。
施工现场周边环境安全评估表
注:1、本表内容如填写不下应另附页;2、本表作为安全监督备案的附件材料。
施工现场平面布置图
注:1、施工现场平面布置图设计应符合“边界清晰、围护美观、场内平实、物料整齐、内卫达标、文明有序”的总体要求,并做好功能齐全、布局合理、图示、标清晰;
2、本表作为安全监督备案的附件材料。
建设工程开工安全条件审查程序和依据
一、《中华人民共和国建筑法》第三条:建筑活动应当确保建筑工程质量和安全,符合国家的建筑工程安全标准.
二、《中华人民共和国建筑法》第八条:申请领取施工许可证,应当具备下列条件:
(六)有保证工程质量和安全的具体措施;
三、《中华人民共和国安全生产法》第十六条:生产经营单位应当具备本法和有关法律、行政法规和国家标准或者行业标准规定的安全生产条件;不具备安全生产条件的,不得从事生产经营活动.
四、《中华人民共和国安全生产法》第五十四条:对安全生产负有监督管理职责的部门依照有关法律、法规的规定,对涉及安全生产的事项需要审查批准或者验收的,必须严格按照有关法律、法规和国家标准或者行业标准规定的安全生产条件和程序进行审查;不符合有关法律、法规和国家标准或者行业标准规定的安全生产条件的,不得批准或者验收通过.
五、《建设工程安全生产管理条例》第四条:建设单位、勘察单位、设计单位、施工单位、工程监理单位及其他与建设工程安全生产有关的单位,必须遵守安全生产的法律、法规的规定,保证建设工程安全生产,依法承担建设工程安全生产责任。
六、《建设工程安全生产管理条例》第十条:建设单位在申请领取施工许可证时,应当提供建设工程有关安全施工措施的资料。
七、《建设工程安全生产管理条例》第四十二条:建设行政主管部门在审核发放施工许可证时,应当对建设工程是否有安全施工措施进行审查,对没有安全施工措施的不得办法施工许可证。
八、《安全生产许可证条例》
二、建设单位的安全责任
1、《建设工程安全生产管理条例》第六条:建设单位应当向施工单位提供施工现场及毗邻区域内供水、排水、供电、供气、供热、通信、
广播电视等地下管线资料,气象和水文观测资料,相邻建筑物和构筑物、地下工程的有关资料,并保证资料的真实、准确、完整。
2、《建设工程安全生产管理条例》第七条:建设单位不得对勘察、设计、施工、工程监理等单位提出不符合建设工程安全生产法律、法规和强制性标准规定的要求,不得压缩合同约定的工期。
3、《建设工程安全生产管理条例》第八条:建设单位在编制工程概算时,应当确定建设工程安全作业环境及安全施工措施所需费用。
4、《建设工程安全生产管理条例》第九条:建设单位不得明示或者暗示施工单位购买、租赁、使用不符合安全施工要求的安全防护用具、机械设备、施工机械及配件、消防设施和器材。
5、《建设工程安全生产管理条例》第十条:建设单位在申请领取施工许可证时,应当提供建设工程有关安全施工措施的资料。
依法批准开工报告的建设工程,建设单位应当自开工报告批准之日起15日内,将保证安全施工的措施报送建设工程所在地的县级以上地方人民政府建设行政主管部门或者其他有关部门备案。
6、《建设工程安全生产管理条例》第十一条:建设单位应当将拆除工程发包给具有相应资质等级的施工单位。
建设单位应当在拆除工程施工15日前,将下列资料报送建设工程所在地的县级以上地方人民政府建设行政主管部门或者其他有关部门备案:
(一)施工单位资质等级证明;
(二)拟拆除建筑物、构筑物及可能危及毗邻建筑的说明;
(三)拆除施工组织方案;
(四)堆放、清除废弃物的措施。
实施爆破作业的,应当遵守国家有关民用爆破物品管理的规定。
九、《危险性较大的分部分项工程安全管理办法》第四条:建设单位在申请领取施工许可证或办理安全监督手续时,应当提供危险性较大的分部分项工程清单和安全管理措施。
施工单位、监理单位应当建立危险性较大的分部分项工程安全管理制度。