《焊接标注规范》(参考Word)
- 格式:doc
- 大小:5.06 MB
- 文档页数:12
焊缝标注的标准一、焊缝位置在标注焊缝时,首先需要确定焊缝的位置。
这包括描述焊缝在部件中的相对位置,如对接焊缝、角焊缝等。
同时,需要标明焊缝所在的板材或结构的哪一面。
二、焊缝编号为方便管理和跟踪,每个焊缝都应有一个唯一的编号。
编号应清晰易读,并且能够反映焊缝的特性。
编号应包括一个标识符和可能的序列号。
三、焊缝类型焊缝类型描述了焊缝的基本形状和结构。
常见的焊缝类型包括角焊缝、对接焊缝、塞焊缝等。
焊缝类型应与图纸和焊接工艺相适应。
四、焊接方法焊接方法描述了制造焊缝所使用的工艺。
这包括手工电弧焊、气体保护焊、埋弧焊等。
焊接方法的选择应基于工件材料、厚度和焊接质量要求。
五、焊接参数焊接参数包括电流、电压、焊接速度等,这些参数影响焊接质量。
在标注焊缝时,应明确标明适用的焊接参数范围,以确保焊接的一致性和质量。
六、焊接顺序某些情况下,焊缝的焊接顺序可能会影响焊接质量和工件的整体结构。
因此,在标注焊缝时,应明确规定焊缝的焊接顺序。
七、焊工标识为了确保焊接质量,每个焊工都应有明确的标识。
在标注焊缝时,应标明负责焊接该焊缝的焊工姓名或标识符。
八、焊缝质量等级根据工件的应用和安全要求,焊缝应具有不同的质量等级。
例如,一级焊缝不允许有任何缺陷,二级焊缝允许在一定条件下有缺陷等。
在标注焊缝时,应明确标明质量等级。
九、验收标准验收标准描述了如何评估焊缝的质量。
这包括对焊缝的外观检查、无损检测等要求。
标注时应明确规定验收标准和验收程序。
十、备注信息备注信息用于提供其他与焊缝标注相关的附加信息,如特殊工艺要求、注意事项等。
这些信息可能不经常使用,但在特定情况下非常重要。
焊缝标注说明(参照 GB 12212-90 )
焊接标注由焊接符号及指引线组成
1. 指引线:
指引线由箭头线及两条基准线(实基准线和虚基准线)组成。
① 焊缝在箭头所指一侧,则基本符号标注在是基准线(实线)上方; ② 焊缝在箭头所指另一侧,则基本符号标注在是基准线(虚线)上方; 2. 基本符号
I I 单边V 形焊缝,例: 》双面角焊缝 双面带钝边的单边V 形焊缝 角焊缝 环形焊缝 1/单边V 形焊缝(“
匚 三面焊 ”焊缝表面平整)
I 表示塞焊
3.字母的含义:
S:熔透深度,即母材熔化的深度;
d:塞焊或点焊的焊点直径;
N :表示相同焊缝的条数;
C:表示焊缝宽度;
表示箭头所指一侧为熔透深度是8mm的带钝
边的单边V形环焊缝,
箭头所指一侧的另一侧为环焊角焊缝,焊脚
尺寸为a x 5mm (a为1.414)。
焊脚是从一个焊件上的焊趾到另一焊件表面
的距离。
表示两边都为角焊,焊脚尺寸为a5mm,
50 (50)表示50mm间隔50mm的断焊, N2表示
相同焊缝条数为2条。
直径为20mm的表面平整的断焊, N24表示相同塞焊
有24个。
表示熔透深度为25mm的表面平整的单边V 形环焊
缝。
表示表面平整的熔透深度为4mm的I形焊缝,N2
表示相同焊缝条数为2
Z4表示焊脚尺寸为4mm, 50mm间隔50mm 的断焊,
相同焊缝有2条。
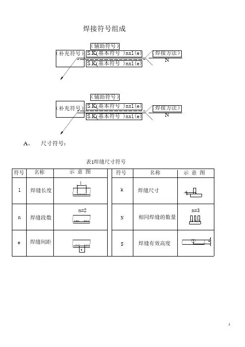
焊缝尺寸符号及数据的标注原则:a、焊缝截面上的尺寸标注在基本符号的左侧;b、焊缝长度方向尺寸标注在基本符号的右侧;c、坡口角度、坡口面角度、根部间隙等尺寸标注在基本符号的上侧或下侧;d、相同焊缝数量符号标注在尾部。
尺寸符号的说明:a、确定焊缝位置的尺寸不在焊缝符号中给出,而将其标注在图样上;b、在基本符号的右侧无任何标注又无其他说明时,表示焊缝在工件的整个长度上是连续的;c、在基本符号的左侧无任何标注又无其他说明时,表示焊缝要完全焊透;d、塞焊缝、槽焊缝带有斜边时,应标注孔底部的尺寸。
B、焊接方法:C、基本符号:表示焊缝横截面形状的符号序号表3 基本符号名 称示 意 图符 号说 明11形焊缝V形焊缝单边V形焊缝带钝边V形焊缝带钝边U形焊缝带钝边J形焊缝封底焊缝角焊缝塞焊缝或槽焊缝点焊缝缝焊缝R8.5d’为指向图线中心的尺寸其它尺寸参照序号3其它尺寸参照序号4R8.5d’为指向图线中心的尺寸其它尺寸参照序号7R8d’为指向图线中心的尺寸φ13d’为指向图线中心的尺寸偏离中心:尺寸参照上图其它尺寸参照序号12偏离中心:尺寸参照上图2 3 4 5 6 7 8 9 10 1112 133d'R8.5d'7d'1d'1d'45°60°1d'4d'1d'4d'1d'1d'3d'R4.5d'5d'R8d'1d'45°12d'7d'20d'5d'卷边焊缝(卷边完全熔化 )11d'D、辅助符号:表示焊缝表面形状的符号B、基本规定:在任一图样中,焊缝图形符号的线宽、焊缝符号中字体的字型、字高和字体的笔画宽度应与图样中其他符号(如尺寸符号、表面粗糙度符号、形状和位置公差符号)的线宽、尺寸字体的字型、字高和笔画宽度相同;焊缝符号的表示法一般由基准线、箭头线和基本符号组成,必要时还可以加上辅助符号、补充符号和焊缝尺寸符号;基准线一般与图样标题栏的长边平行,必要时也可以与标题栏的长边垂直。
焊缝尺寸符号及数据的标注原则:a、焊缝截面上的尺寸标注在基本符号的左侧;b、焊缝长度方向尺寸标注在基本符号的右侧;c、坡口角度、坡口面角度、根部间隙等尺寸标注在基本符号的上侧或下侧;d、相同焊缝数量符号标注在尾部。
尺寸符号的说明:a、确定焊缝位置的尺寸不在焊缝符号中给出,而将其标注在图样上;b、在基本符号的右侧无任何标注又无其他说明时,表示焊缝在工件的整个长度上是连续的;c、在基本符号的左侧无任何标注又无其他说明时,表示焊缝要完全焊透;d、塞焊缝、槽焊缝带有斜边时,应标注孔底部的尺寸。
C、基本符号:表示焊缝横截面形状的符号序号表3 基本符号名 称示 意 图符 号说 明11形焊缝V形焊缝单边V形焊缝带钝边V形焊缝带钝边U形焊缝带钝边J形焊缝封底焊缝角焊缝塞焊缝或槽焊缝点焊缝缝焊缝R8.5d’为指向图线中心的尺寸其它尺寸参照序号3其它尺寸参照序号4R8.5d’为指向图线中心的尺寸其它尺寸参照序号7R8d’为指向图线中心的尺寸φ13d’为指向图线中心的尺寸偏离中心:尺寸参照上图其它尺寸参照序号12偏离中心:尺寸参照上图2 3 4 5 6 7 8 9 10 1112 133d'R8.5d'7d'1d'1d'45°60°1d'4d'1d'4d'1d'1d'3d'R4.5d'5d'R8d'1d'45°12d'7d'20d'5d'卷边焊缝(卷边完全熔化 )11d'D、辅助符号:表示焊缝表面形状的符号(如尺寸符号、表面粗糙度符号、形状和位置公差符号)的线宽、尺寸字体的字型、字高和笔画宽度相同;焊缝符号的表示法一般由基准线、箭头线和基本符号组成,必要时还可以加上辅助符号、补充符号和焊缝尺寸符号;基准线一般与图样标题栏的长边平行,必要时也可以与标题栏的长边垂直。
◆版本更新记录◆修订说明:目录版本更新记录及修订说明 (2)前言 (4)1 目的 (5)2 适用范围 (5)3 术语 (5)4 使用焊接标识的判定原则 (5)4.1不可视焊点提示 (5)4.2凸焊孔防错 (7)4.3烧焊段提示 (7)5 焊接标识的分类 (8)5.1凸台标识 (8)5.2凸点标识 (8)5.3缺口标识 (10)5.4压痕标识 (11)6 焊接标识的选择原则 (12)前言由于车身结构和工艺顺序的限制,部分手工焊接在操作者一侧看不见焊点准确区域,或烧焊、凸焊时焊接位置容易混淆,手工施焊时会出现位置错误,导致焊接错误或焊接缺陷。
为此,需在零件或工装上增加特殊的焊接标识来正确引导工人施焊,避免由焊接位置错误引起的质量问题;焊接标识的方法有:1. 在零件操作面一侧标识出焊接位置,提供一个可视的参照特征,用于引导焊接操作者正确施焊;2.夹具上增加相应的挡块,作为限制焊接错位的约束机构,使操作者正确操作;本规范在制定时以A3II项目的前舱及下部车身为基础,进行的具体讨论;同时考虑了以往车型焊接标识的表示方式。
在不影响产品性能的前提下,本规范对焊接标识的方法和方式做了详细的定义,车身院内部各项目组可以参照此规范中提及的几个方法,选择一个简单经济的方案体现。
由于焊接标识更改比较困难、优先采用工艺工装的手段来保证,产品焊接标识作为最后的考虑方案。
本规范参考了原规划设计院未发布的《焊点标识通用标准》本规范主要规定焊接标识的表示和标注方法;本规范后期会随车型的开发,技术的提升不断完善。
本规范由汽车工程技术研发总院车身技术研究院前舱及下部车身部提出;本规范由汽车工程技术研发总院车身技术研究院归口;本规范起草单位:汽车工程技术研发总院车身技术研究院前舱及下部车身部。
本规范主要编制人员:魏庆华、李建华参与评审人员:李程、刘勇、温秀海、席艳秋、张贵万、周权明、赵研、周伟,谢侠,俞克胜、周世一、陈正垒、姬进军等本规范实施时间:签字发布之日起1、目的为保证产品焊接质量,车身技术研究院前舱及下部车身部特制定本规范,对焊接标识的方法和方式做详细规定。
焊接标注方法范文焊接标注是在工程图纸中使用符号和文字标注焊接要求和相关信息的一种方法。
通过标注焊接信息,可以明确指导焊接工操作,确保焊接质量和安全性。
下面将介绍几种常见的焊接标注方法。
1.符号标注法:符号标注法是指使用特定的焊接符号代表焊缝形式、尺寸和详细信息。
符号标注法根据具体要求使用不同的焊接符号来表示不同的焊缝类型。
例如,“∮”表示环焊缝,“⌒”表示套筒焊缝,“⌘”表示埋角焊缝等。
使用符号标注法时,需要注意选择适合的符号,并添加文字说明,以确保表达准确。
2.文字标注法:文字标注法是指在工程图纸中使用具体的文字描述来标注焊接要求和相关信息。
文字标注法适用于一些复杂的焊接要求,无法用符号精确表示的情况。
比如,要求填充材料、焊丝规格、焊接工艺等。
使用文字标注法时,需要选择简明清晰的语言,确保标注准确明了。
3.尺寸标注法:尺寸标注法是指在工程图纸中使用尺寸及尺寸公差来标注焊缝尺寸要求。
通过尺寸标注法,可以明确焊接尺寸的要求,并确保焊缝尺寸的精确度。
在标注中应注明焊缝的高度、宽度、长度等尺寸要求,并按照国家标准规定的尺寸公差进行标注。
在尺寸标注法中,一般使用直线、弧线等简单的几何图形来表示焊缝的形状和尺寸。
4.标注牌法:标注牌法是指在工程现场使用专门的标注牌来标注焊缝类型和相关信息。
在焊接过程中,通常需要在焊缝附近设置标注牌,明确指示焊缝类型、焊缝编号、焊接方法、焊工编号等信息。
标注牌可以使用可擦写或可更换的材料制作,以方便修改和更新焊接信息。
总的来说,焊接标注是一种重要的工程标准化方法,在焊接工艺控制和质量管理中起着关键作用。
通过选择适合的标注方法和标注内容,可以确保焊接质量的稳定性和可靠性。
在实际应用中,需要根据具体情况选择合适的标注方法,并结合相关标准和规范进行操作。
焊缝符号表示法GB 324-88国家技术监督局1988-12-10批准 1989-07-01实施1 主题内容及适用范围本标准规定了焊缝符号表示方法。
本标准适用于金属熔化焊及电阻焊。
2 引用标准GB 5185 金属焊接及钎焊方法在图样上的表示代号3 总则3.1 为了简化图样上的焊缝一般应采用本标准规定的焊缝符号表示。
但也可采用技术制图方法表示。
3.2 焊缝符号应明确地表示所要说明的焊缝,而且不使图样增加过多的注解。
3.3 焊缝符号一般由基本符号与指引线组成。
必要时还可以加上辅助符号、补充符号和焊缝尺寸符号。
图形符号的比例、尺寸和在图样上的标注方法,按技术制图有关规定。
3.4 为了方便,允许制定专门的说明书或技术条件,用以说明焊缝尺寸和焊接工艺等内容。
必要时也可在焊缝符号中表示这些内容。
4 符号4.1 基本符号基本符号是表示焊缝横截面形状的符号见表1。
表1 基本符号注:1)不完全熔化的卷边焊缝用I形焊缝符号来表示,并加注焊缝有效厚度S,见表7。
4.2 辅助符号辅助符号是表示焊缝表面形状特征的符号,见表2。
表2 辅助符号不需要确切地说明焊缝的表面形状时,可以不用辅助符号。
辅助符号的应用示例见表3。
表3 辅助符号的应用示例4.3 补充符号补充符号是为了补充说明焊缝的某些特征而采用的符号,见表4。
表4 补充符号序号名称示意图符号说明采用说明:1)ISO 2553标准未作规定。
补充符号的应用示例见表5。
表5 补充符号应用示例5 符号在图样上的位置1带垫板符号1)表示焊缝底部有垫板2三面焊缝符号1)表示三面带有焊缝3周围焊缝符号表示环绕工件周围焊缝4现场符号表示在现场或工地上进行焊接5尾部符号可以参照GB 5185标注焊接工艺方法等内容示 意 图标 注 示 例说 明表示V 形焊缝的背面底部有垫板工件三面带有焊缝,焊接方法为手工电弧焊表示在现场沿工件周围施焊5.1 基本要求完整的焊缝表示方法除了上述基本符号、辅助符号,补充符号以外,还包括指引线、一些尺寸符号及数据。
焊缝标注的标准全文共四篇示例,供读者参考第一篇示例:焊缝标注是焊接工程中非常重要的一环,它旨在规范焊接过程中的质量控制,确保焊接接头的质量和可靠性。
焊缝标注需要符合一定的标准和规范,以便工程师和操作人员能够准确地理解和执行。
本文将介绍焊缝标注的标准及其重要性。
一、焊缝标注的意义焊缝是焊接工艺中最核心的部分,它直接影响到焊接接头的质量和性能。
正确的焊缝标注能够为焊接工程提供清晰的指引,帮助工程师和操作人员准确地了解焊接要求和规范,从而确保焊接接头符合设计要求,具有良好的机械性能和耐久性。
焊缝标注通常包括以下内容:1. 焊接方法:标明使用的焊接方法,如手工焊、埋弧焊、气保焊等;2. 焊接位置:标明焊接的具体位置,如水平焊、垂直焊、仰角焊、横角焊等;3. 焊接材料:标明使用的焊材种类和规格,如焊丝、焊条、焊粉等;4. 焊接工艺:标明焊接过程中的各项参数,如焊接电流、电压、焊接速度等;5. 检验要求:标明对焊接接头进行的检验方法和要求,如X射线检测、超声波检测、磁粉检测等。
焊缝标注需要符合相应的标准,以确保焊接工程具有一致性和可靠性。
常见的焊缝标注标准包括:1. GB/T 985.1-1988《焊接术语》:这是中国国家标准,规定了焊接术语和符号的使用方法,包括焊缝的标记和表达;2. AWS A2.4-2012《符号化表示的焊接和切割标准》:这是美国焊接学会(AWS)发布的标准,规定了焊接符号和标记的使用方法,适用于各类焊接和切割过程;3. EN 22553-2008《焊接和相关过程的符号化表示》:这是欧洲标准化委员会(CEN)发布的标准,规定了焊接符号和标志的表达方法,适用于欧洲范围内的焊接工程。
正确的焊缝标注对焊接工程至关重要,它可以起到以下作用:1. 指导焊接操作:焊缝标注可以让操作人员清晰地了解焊接要求和规范,避免出现操作失误和质量问题;2. 保证焊接质量:焊缝标注可以确保焊接接头符合设计要求,避免隐藏质量缺陷和安全隐患;3. 提高焊接效率:焊缝标注可以让工程师和操作人员更加高效地进行焊接工作,减少无谓的沟通和误解。
2、尽量减少焊缝数量和长度减少焊缝数量和长度,可减少焊接加热、焊接应力和变形,减少焊接材料消耗,提高生产率。
如下图所示。
3、焊缝布置应避免密集和交汇。
焊缝密集和交汇处容易造成应力集中和缺陷集中,降低焊件使用过程中的可靠性。
下图中a是焊缝密集,d焊缝设置较合理。
4、焊缝应避开应力最大或应力集中部位。
下图为一大跨度横梁,图a中,最大应力和焊缝均在梁的中部,焊缝是梁的薄弱环节,这种结构使承载能力减弱,不合理。
而图b虽多了一条焊缝,但改善了焊缝受力情况,较合理5、焊缝布置应尽量对称焊缝对称可使焊接应力相互抵消,减少了焊接变形的产生。
如下图所示4、焊缝应避开切削加工表面有些焊件若在切削加工后进行焊接时,为保证加工表面精度不受影响,焊缝应尽量远离加工面。
如下图所示:五、绘制焊接件结构图焊接件结构图上的焊缝通常可用焊缝符号表示。
焊缝符号能简明地表达要说明的焊缝。
GB324-88、GB12212-90和GB518-85分别对焊缝符号和焊接代号的标注方法作了规定。
标准中规定的焊缝符号一般由基本符号与指引线组成,必要时可以加上辅助符号、补充符号和焊尺寸符号。
1、基本符号基本符号是表示焊缝横截面开头的符号。
标准规定的焊缝基本符号可查阅焊接技术手册。
2、辅助符号辅助符号是表示焊缝表面形状特征的符号。
GB324-88中规定了3种辅助符号,辅助符号往往与基本符号配合使用。
3、补充符号是为了补充说明焊缝的某些特征而设置的符号。
标准规定的补充符号可查阅焊接技术手册。
4、指引线按标准规定,指引线由箭头线和两条基准线(一条为实线、另一条为虚线)两部分组成,如下图所示。
箭头线相对焊缝的位置一般没有特殊要求,虚线、基准线可以画在基准线的实线上侧或下侧,基准线一般应与图样的底边相平行。
如果焊缝和箭头线在接头的同一侧,则将焊缝基本符号标在基准线的实线侧,相反,则将基本符号标在基准线的虚线侧。
对于对称焊缝,可以不画虚线基准线。
5、焊缝尺寸符号标准规定的焊缝尺寸符号可查阅有关的焊接技术手册,焊缝尺寸的标注原则如下图所示:焊缝横截面上的尺寸标注在基本符号的左侧,焊缝长度方向的尺寸标注在基本符号的右侧,坡口角度等尺寸标注在基本符号的上侧或下侧,相同焊缝数量N及焊接方法标在尾部符号右侧。
螺母、螺栓焊接标注规范
在2016年8月23日的EN15085年度监督审核中,审核员对公司产品的图纸设计提出更改意见,内容为:“焊缝标注参数中的间距由原来填写的均分更改为具体长度。
”
为规范结构图纸中的焊接标注,现对图纸中的螺母、螺栓焊接标注进行规范,以便公司图纸中焊接标注的统一。
具体规范内容为:对焊接在板上的螺母,螺母承力较小的焊缝采用三段焊缝断续焊接,螺母承力较大的采用满焊焊接,焊缝参数依板厚、螺母尺寸及承力大小来决定。
规范参考示例如下:
1、M4螺母断续焊焊接标注示意:
2、M5螺母断续焊焊接标注示意:
3、M6螺母断续焊焊接标注示意:
4、M8螺母断续焊焊接标注示意:
5、M8螺母满焊焊接标注示意:
6、M10螺母断续焊焊接标注示意:
7、M10螺母满焊焊接标注示意:
8、M12螺母断续焊焊接标注示意:
9、M12螺母满焊焊接标注示意:
10、非标准螺母、螺套根据具体直径和具体应用填写焊缝间距。
——李建力(设计开发一部)
2016.11.03。
焊接结构施工图焊缝符号标注规范
1、焊缝符号是用于在图样上标注焊缝形式、焊缝尺寸和焊接方法等。
2、焊缝符号标注组成:一般由基本符号与指引线组成,必要时加上辅助符号、补充符号和焊缝尺寸符号。
3、基本符号是表示焊缝截面形状的符号,如下表:
4、辅助符号:表示焊缝表面形状特征的符号。
有三种:焊缝表面平齐,焊缝表面凹陷,焊缝表面凸起。
一般情况下,不需要确切说明焊缝的表面形状,所以一般情况下辅助符号不需标出。
辅助焊缝示例如下表:
5、焊缝补充符号:有时为了补充说明焊缝的某些特征,需要用其它符号说明。
常见有三种:
一种是表示背面底部有垫板(图一)。
一种是表示三面围焊(图二)。
一种是表示四面围焊(图三)。
一种是表示现场施焊(图三)。
一种是尾部添加符号(图二)
图一. 图二图三
6、为了完整地表示焊缝,除了以上符号外,还应包括指引线、一些尺寸符号及数据。
7、焊缝符号在图样上的位置
1)基要符号相对基准线的位置,指引线一般由带有箭头的指引线和两条基准线(一条为实线,另一条为虚线)两部份组成(图四),如果焊缝在接头的箭头侧,则将基本符号标在基准线的实线侧(图五),如果焊缝在接头的非箭头侧,则将基本符号标在基准线的虚线侧
(图六),标注对称焊缝及双面焊缝时,可不加虚线(图七)。
..
图四图五图六
图七
2)前头线相对焊缝的位置一般没什么要求(图八),但在标注带坡口的V、Y、J形焊缝时,箭头线应指向带有坡口一侧(图九),必要时,充许箭头线弯折一次(图十)。
图八图九
图十
3)基准线的位置,基准线的虚线可以画在基准线的实线下侧或上侧。
基准线一般应与图样的底边平行,但在特殊条件下亦可与底边互相垂直。
4)标注实际焊缝时,如果尺寸因素较少,直接在焊缝符号上标注。
如果为了更明确地表示出焊缝的形式,就采用机械制图的方式来表示,即画出连接接头截面详细结构和加工尺寸,图十一,图十二。
图十一图十二
8、焊缝尺寸符号及其标注位置
1)基本符号必要时可以附带尺寸符号及数据,尺寸符号汇总见下表:
2)焊缝尺寸符号及数据的标注原则如下图
说明:
(1)、焊缝横绝面的尺寸,标在基本符号码左侧。
(2)、焊缝长度方向的尺寸,标在基本符号的右侧。
(3)、坡口角度、坡口面角度、根据间隙等尺寸,标在基本符号的上侧或下侧。
(4)、相同焊缝数量符号,标在尾部,相同焊缝数量及焊缝段数均用n表示。
(5)、当需要标注的尺寸数据较多又不易分辨时,可在数据前面增加相应的尺寸符号。
(6)当箭头方向变化时,上述原则不变。
9、焊缝尺寸的标注典型示例:
10、常用符号标注应用示例
11、使用CAD软件制图标注焊缝事项:
1)CAD制图焊缝标注模块标注格式总体与此规范一致。
可以同时标注焊缝代号、辅助符号、补充符号、焊缝参数值和尾部符号后面的参数值。
2)用CAD标注焊缝参数时,对焊缝结构详细尺寸与坡口尺寸未涉及,标注时,焊缝尺寸除一项主要特征尺寸标注外,其它尺寸不作要求。
3)CAD模块中焊缝参数标注焊缝特征尺寸,主要特征尺寸代表此形状焊缝的有效设计厚度值,不为外观总厚度,但角焊缝特征尺寸标注两项,代表焊缝两侧的K值(角焊缝设计有效厚度应为最小K值的70%。
其它焊缝特征尺寸为不包括余高的断面厚度。
4)CAD标注焊缝参数时,焊缝段数与每段长度及每段间距,如果焊缝段数与每段长度及每段间距未标注,则默认为接头满焊。
5)如标注时,如果只对箭头或非箭头侧单侧焊缝参数进行标注,设计者未作持殊说明或标明,默认另一侧焊缝参数类同。
6)如未特别说明,焊缝参数标注时,对交错焊缝,参数值只需标单面,但默认两面焊缝参数一样。
7)标双面焊缝与对称焊缝时,可要或可不要虚线基准线,可以同时标注两面焊缝参数,如果只标注一面焊缝参数,则默认另一面类同。
8)CAD焊接标注基本符号种类与此规范的异同点
a 增加了三种类型的钎焊焊缝,平面连接、斜面连接与折叠连接钎焊缝。
b增加了墙焊缝。
c陡边V型焊缝与单边陡边V型焊缝即为此规范中的带垫板焊缝。
d 增加喇叭形焊缝(接头断面为喇叭形)同,注意与卷边焊缝的区别,符号朝向相反。
e注意非穿透型点焊缝与穿透型点焊缝,穿透型缝焊缝与非穿透型缝焊缝的区别表示。
12、建议在CAD标注无法表述焊缝参数设计时,重要焊缝在标注后端部附加文字,说明焊缝是熔透焊还是非熔透焊,接头坡口设计由工艺确定。
(注:文件素材和资料部分来自网络,供参考。
请预览后才下载,期待你的好评与关注。
)。