计件工资每日报表
- 格式:pdf
- 大小:25.78 KB
- 文档页数:1
计件工资模板表格是一种用于记录和计算员工计件工资的工具。
它通常包含以下内容:
1. 员工基本信息:包括员工姓名、部门、职位等。
2. 计件项目:列出员工所完成的各项任务或产品,以及每个任务或产品的单价。
3. 完成数量:记录员工完成每个计件项目的数量。
4. 计件工资:根据完成数量和单价,计算出员工的计件工资总额。
5. 日期和签名:记录表格的制作日期和制作人签名,以确保数据的准确性和完整性。
计件工资模板表格可以帮助企业更高效地管理和计算员工的工资,同时也能激励员工提高工作效率和质量。
员工计件工资明细表excel模板英文回答:1. Introduction.A piece-rate payroll detail sheet is a spreadsheet that tracks the wages earned by employees who are paid based on the number of pieces they produce. This type of pay structure is common in industries such as manufacturing and construction, where workers are paid a set amount for each unit they complete.2. Benefits of Using a Piece-Rate Payroll Detail Sheet.There are several benefits to using a piece-ratepayroll detail sheet, including:Increased accuracy: A piece-rate payroll detail sheet can help to ensure that employees are paid accurately for the work they complete. This is because the sheet tracksthe number of pieces produced by each employee, which can be used to calculate their wages.Improved efficiency: A piece-rate payroll detail sheet can help to improve efficiency by streamlining the payroll process. This is because the sheet can be used to automatically calculate wages, which can save time and reduce errors.Enhanced productivity: A piece-rate payroll detail sheet can help to enhance productivity by providing employees with a clear understanding of how their pay is calculated. This can motivate employees to work harder and produce more pieces, which can lead to increased profitsfor the company.3. How to Create a Piece-Rate Payroll Detail Sheet.To create a piece-rate payroll detail sheet, you will need to follow these steps:1. Open a new spreadsheet in Microsoft Excel or anotherspreadsheet program.2. Create a header row that includes the following columns: employee name, employee ID, date, number of pieces produced, and wages earned.3. Enter the employee information into the appropriate columns.4. Calculate the wages earned by each employee by multiplying the number of pieces produced by the piece rate.5. Save the spreadsheet as a template so that you can use it again in the future.4. Tips for Using a Piece-Rate Payroll Detail Sheet.Here are a few tips for using a piece-rate payrolldetail sheet:Make sure that the piece rate is set at a fair level. The piece rate should be high enough to motivate employeesto work hard, but it should not be so high that the company loses money.Track the number of pieces produced by each employee carefully. This information is essential for calculating wages accurately.Review the payroll detail sheet regularly to ensurethat it is accurate and up-to-date. This will help to prevent errors and ensure that employees are paid correctly.中文回答:1. 简介。
工厂计件工资考勤表模板表格全文共四篇示例,供读者参考第一篇示例:工厂计件工资考勤表是工厂管理中非常重要的一项,它能够帮助工厂准确地记录员工的工作情况和计件工资情况,使工资发放更加公平和透明。
今天我们就来介绍一份关于工厂计件工资考勤表的模板,希望能对大家有所帮助。
一、表头部分在工厂计件工资考勤表的表头部分,通常包括以下内容:1. 工厂名称:填写工厂的名称,以方便员工和管理人员识别。
2. 日期:填写考勤表所涵盖的日期范围,例如“202X年X月”。
3. 考勤表编号:每份考勤表都应有唯一的编号,以方便管理和归档。
4. 制表人:填写制表人的姓名,以便在表格上有问题时能够及时联系。
二、表格主体部分表格的主体部分是工厂计件工资考勤表的核心内容,它通常包括以下几个要素:1. 员工信息:列出每位员工的基本信息,包括姓名、工号、职位等。
2. 考勤记录:根据员工的考勤情况填写工作时间、迟到早退、请假等信息。
3. 计件记录:填写每位员工的计件工资情况,包括完成的产品数量、计件单价、计件金额等。
4. 加班记录:如有加班情况,需记录加班时间和加班工资情况。
三、表格底部部分表格底部部分通常包括以下几个内容:1. 合计:对表格中的各项数据进行合计,包括总工作时间、总计件金额、总加班时间等。
2. 审核人:填写审核人员的姓名,表明该考勤表已经审核过。
3. 备注:如有特殊情况需要说明,可在备注栏中备注。
以上就是关于工厂计件工资考勤表的模板的介绍,希望对大家在制作工厂计件工资考勤表时有所帮助。
制作一份规范、清晰的工厂计件工资考勤表能够准确记录员工的工作情况,为工资发放提供有效的参考依据,推动工厂管理工作的有序进行。
希望大家在使用考勤表的时候能够认真填写,确保数据的准确性和真实性。
【工厂计件工资考勤表模板表格】的制作需要根据具体情况进行调整,以适应工厂的实际情况,提高管理效率,促进工厂的生产和发展。
第二篇示例:工厂计件工资考勤表是工厂管理工资的重要工具,它记录了工人每天的工作时间和完成的任务数量,帮助企业准确计算工人的工资。
计件工资核算表模板
以下是一个简单的计件工资核算表模板:
计件工资核算表
日期:____________________
序号项目/工种完成数量单价小计
--------------------------------------------------------
1 项目1 __________ ________ ________
2 项目2 __________ ________ ________
3 项目3 __________ ________ ________
...
--------------------------------------------------------
合计: ________
说明:
1. 填写日期为计件工资核算的日期。
2. 序号根据实际工作项目的数量进行填写。
3. 项目/工种根据具体工作项目的名称进行填写。
4. 完成数量根据实际工作完成的数量进行填写。
5. 单价根据每个工作项目的单价进行填写。
6. 小计栏位完成数量与单价相乘的结果。
7. 最后一行为合计栏,将所有小计相加,得到总金额。
注意事项:
- 在填写完成数量时,请务必保证准确性,以避免计件工资的计算错误。
- 单价请根据实际情况进行填写,不同工作项目的单价可能不同。
- 每次计件工资核算完成后,请及时保存备份并妥善保管。
请注意,这只是一个简单的计件工资核算表模板,您可以根据实际需求进行修改和定制。
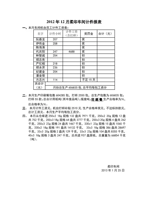
2012年12月柔印车间计件报表
一、
二、本月生产印刷餐包数604285包,打样2550包,总生产包数为606835包;
打样55款;总合计用纸吨(其中废品吨);报废吨;印刷餐
...生产合格率为%,总合格率为%。
三、本月计件工资元,机台打样补贴2510元,生产合格率奖元,不达标扣款元,
总计工资元。
本月生产平均每包工资分。
四、本月从仓库进250x2 18g规格132盘共7971千克,250x2 20g规格12盘
共752千克,250x3 18g规格64盘共3777千克,250x3 20g规格4盘共262千克,250x3 23g规格24盘共1467千克,330x1 23g规格15盘共1065千克,330x2 18g规格191盘共14132千克, 33x3 18g规格386盘共28697千克,33x3 20g规格2盘共129千克,33x3 23g规格104盘共8355千克,40x3 18g规格3盘共247千克,总共进937盘原纸,总重量为66854千克(吨)。
柔印车间
2013年1月25日。
计件工资计算表序号产品名称数量单价总价1 产品A 10 ¥5 ¥502 产品B 8 ¥7 ¥563 产品C 12 ¥4 ¥484 产品D 15 ¥6 ¥905 产品E 20 ¥3 ¥606 产品F 18 ¥8 ¥144总数量:83总工资:¥448根据以上数据计算,本期计件工资总数为¥448。
根据每个产品的数量和单价,计算出每个产品的总价,然后汇总得到总工资数。
此计件工资计算表用于记录每个产品的数量和单价,并自动计算产品的总价和总工资数。
表格直观清晰,方便工资的核算和统计分析。
使用方法:1. 在表格中填写产品的名称、数量和单价,根据实际情况进行填写。
2. 每行代表一个产品,按照序号的顺序依次填写。
3. 数量和单价栏目填写数字,总价栏目会自动计算出来。
4. 最后一行为总计栏目,显示总数量和总工资数。
注意事项:1. 确保填写的数据准确无误,否则计算结果可能会有偏差。
2. 产品名称、数量和单价必须填写完整,不得有遗漏或者错误信息。
3. 每个产品的单价可根据实际情况进行调整,保证数值的准确性。
4. 若有新增产品或者删除产品,需适时调整表格的行数和序号。
该计件工资计算表可广泛应用于各类产业中的计件工资核算,有效提高工资管理的准确性和效率。
通过使用该表格,不仅可以方便地计算工资数额,还可以对各项产品的产量和工资进行统计和分析,为企业的生产和管理提供参考依据。
总之,这个计件工资计算表是一个便捷实用的工具,通过按照规定的格式进行填写和计算,可以准确地反映出每个产品的产量和工资数额。
使用这个表格,使工资核算变得方便快捷,减少了人为错误的可能性,提高了工资管理的效率。
希望以上内容能够满足您的需求,如有任何问题,请随时与我联系。
序号日期所属部门员工编号姓名产品名称工序计件数量单价工资月份工资姓名工资所属部门工资12022/1/1车间1DK005 5.00产品3工序1127000.601,620.001月8460013480车间113350022022/1/1车间3DK003 3.00产品8工序1591000.605,460.002月5388021320车间214574032022/1/2车间1DK005 5.00产品2工序7101000.606,060.003月6258039660车间317256042022/1/2车间5DK0088.00产品8工序730000.601,800.004月5250048460车间416590052022/1/3车间3DK005 5.00产品3工序1372000.604,320.005月5826053900车间515624062022/1/4车间2DK001 1.00产品7工序4119000.607,140.006月607806270072022/1/4车间5DK0077.00产品9工序1019000.601,140.007月798007114082022/1/7车间2DK0088.00产品9工序1446000.602,760.008月625808432092022/1/7车间4DK003 3.00产品6工序636000.602,160.009月349800102022/1/8车间2DK004 4.00产品6工序617000.601,020.0010月816000112022/1/8车间3DK004 4.00产品4工序495000.605,700.0011月567600122022/1/9车间4DK004 4.00产品6工序1092000.605,520.0012月856200132022/1/11车间4DK003 3.00产品4工序2105000.606,300.00总计##########142022/1/15车间3DK0077.00产品3工序14105000.606,300.00152022/1/24车间4DK001 1.00产品4工序7103000.606,180.00本月工资34,980.00162022/1/24车间3DK003 3.00产品3工序372000.604,320.00172022/1/25车间3DK0088.00产品8工序12118000.607,080.00182022/1/25车间2DK004 4.00产品4工序338000.602,280.00192022/1/27车间3DK0088.00产品10工序1154000.603,240.00星期五2022年9月16日2022年9月备注车间员工计件工资明细表Detailed list of piecework wages of workshop employees本月工资34,980.00全年累计773,940.0017%19%22%22%20%各部门工资对比图车间1车间2车间3车间42500050000750001000001月2月3月4月5月6月7月8月9月10月11月12月每月工资对比图。