拉刀课程设计要求
- 格式:pdf
- 大小:932.02 KB
- 文档页数:12
题目: 矩形花键拉刀目录1. 前言1.1矩形花键拉刀设计————————————————— 32. 矩形花键拉刀设计2.10选择刀具材料及热处理硬度——————————————4 2.11拟订拉削余量切除顺序和拉削方式————————————4 2.12选择切削齿几何参数————————————————5 2.13确定校准齿直径,倒角齿不设校准齿———————————5 2.14计算倒角齿参数—————————————————5 2.15计算拉削余量—————————————————6 2.16选择齿升量——————————————————6 2.17设计容屑槽——————————————————6 2.18花键齿截形设计—————————————————7 2.19确定分屑槽参数—————————————————82.21校验拉刀强度和拉床载荷——————————————8 2.22确定拉刀齿数及每齿直径——————————————8 2.23拉刀齿部长度—————————————————9 2.24设计拉刀其他部分————————————————102.26 制定技术条件——————————————————— 114.总结—————————————————————————155.参考文献————————————————————16 6.附表—————————————————————17矩形花键拉刀及矩形花键铣刀设计1.1矩形花键拉刀设计被加工零件如图1.所示,工件材料为: 45钢;硬度HBS180 ;强度σb =610Mpa;工件长度L=30mm。
拉床为L6120型良好状态旧拉床,拉削时采用10%乳化液。
拉削前采用钻削加工预制孔。
1.2.矩形花键铣刀设计被加工零件如图2.所示,工件材料为:45钢;硬度HBS180 ;强度σb = 610Mpa ;工件长度L=30mm 。
2. 矩形花键拉刀设计【原始条件和设计要求】要求设计一把矩形内花键拉刀。
目录一.圆孔拉刀设计任务书 (2)1.设计题目 (2)二.设计过程 (3)(1)拉刀材料 (3)(2)拉削方式 (3)(3)几何参数 (3)(4)校准齿直径 (3)(5)拉削余量 (3)(6)齿升量 (3)(7)容屑槽 (3)(8)分层式拉刀粗切齿、过度齿和精切齿均采用三角形分屑槽 (4)(9)前柄部形状和尺寸 (4)(10)校验拉刀强度与拉床载荷 (4)(11)齿数及每齿直径 (5)(12)拉刀及其他部分 (6)(13)计算和校验拉刀总长 (6)(14) 制定技术条件 (7)三.技术条件 (7)四.课程设计小结 (8)五.参考文献 (9)一.圆孔拉刀设计任务书1.设计题目已知条件:1、要加工的工件零件图如图所示。
2、工件材料:HT200零件图零件尺寸参数表要求:1、设计刀具工作图一份;2、课程设计说明书一份。
倒角1×45°二.设计过程工件直径0.030060+长度60mm ,材料HT200,工作如上图所示;拉床为L6140型不良状态的旧拉床,采用10%极压乳化液,拉削后孔的扩张量为0.01mm 。
设计步骤如下:(1) 拉刀材料:由于工件材料为HT200,且热处理状态为,那么刀具材料选择W18Cr4V 。
(2) 拉削方式:分层式(3) 几何参数:由《金属切削机床与刀具课程设计指导书》表4.2,选择前角γ=5°,精切齿与校准齿前刀面倒棱 b γ1=0.5~1.0mm ,10γ =-5°;由《金属切削机床与刀具课程设计指导书》表 4.3,选择粗切齿后角0α=3°,倒棱宽1αb ≦0.2mm ,精切齿后角0α=2°,倒棱宽1αb =0.3mm ,校准齿后 角0α=1°,倒棱宽1αb =0.6mm(4) 校准齿直径(以角标x 表示校准齿的参数)0x d =δ+max m d式中δ—扩张量,取δ=0.01mm ,则ox d =60.030-0.01=60.020mm ;(5) 拉削余量:按表4.1计算。
圆孔拉刀设计说明书目录前言 (3)1.原始条件和设计要求 (4)2.设计步骤 (4)2.1选择拉刀材料 (4)2.2拉削方式 (4)2.3校准齿直径 (5)2.4拉削余量 (5)2.5几何参数 (5)2.6齿升量 (5)2.7确定齿距 (5)2.8确定同时工作齿数 (5)2.9容屑槽形状 (5)2.10确定容屑系数 (6)2.11确定容屑槽尺寸 (6)2.12拉刀的分屑槽形状及尺寸 (6)2.13确定拉刀的齿数和每齿直径 (6)2.14柄部结构形式及尺寸 (8)2.15颈部直径与长度 (8)2.16过渡锥长度 (9)2.17前导部直径长度 (9)2.18后导部直径长度 (9)2.18柄部前端到第一齿长度 (9)2.19后导部直径长度 (9)2.20计算最大切削力 (9)2.21拉床拉力校验 (9)2.22拉刀强度校验 (10)2.23计算校验拉刀 (10)2.24确定拉刀技术要求 (10)2.25绘制拉刀工作图 (13)3.总结 (14)4.总结 (15)5.参考文献 (16)前言大学三年的学习即将结束,在我们即将进入大四,踏入社会之前,通过课程设计来检查和考验我们在这几年中的所学,同时对于我们自身来说,这次课程设计很贴切地把一些实践性的东西引入我们的设计中和平时所学的理论知识相关联。
为我们无论是在将来的工作或者是继续学习的过程中打下一个坚实的基础。
我的课程设计课题是圆孔拉刀的设计。
在设计过程当中,我通过查阅有关资料和运用所学的专业或有关知识,比如零件图设计、金属切削原理、金属切削刀具、以及所学软件AUTOCAD、PRO/E的运用,设计了零件的工艺、编制了零件的加工程序等。
我利用此次课程设计的机会对以往所有所学知识加以梳理检验,同时又可以在设计当中查找自己所学的不足从而加以弥补。
使我对专业知识得到进一步的了解和系统掌握.1.原始条件和设计要求工件直径03.0+Ra1.6 μm,工件材料: 拉床型号采用10%极压乳化液 2.设计步骤 2.1选择拉刀材料拉刀材料常用 W6Mo5Cr4V2高速工具钢整体制造。
(卓越工程师)设计说明书(拉刀设计)题目:拉刀设计学院:机械工程学院专业:机械设计制造及其自动化姓名:指导教师:完成日期:2013年11月24日佳木斯大学机械工程学院2013年11月目录第1章设计要求 (3)第2章设计步骤 (4)2.1 选择拉刀材料及热处理硬度 (4)2.2确定拉削方式 (4)2.3选择刀齿几何参数 (4)2.4确定校准齿直径 (4)2.5确定拉削余量 (4)2.6选取齿升量 (4)2.7设计容屑槽 (5)2.8确定分屑槽参数 (5)2.9选择拉刀前柄 (5)2.10校验拉刀强度与拉床载荷 (6)2.11确定拉刀齿数和每齿直径尺寸 (6)2.12设计拉刀其他部分 (7)2.13计算和校验拉刀总长 (7)第1章 设计要求工件预制孔为0.2826w D mm +=,拉削孔为0.03328m D mm +=,拉削表面粗糙度要求为1.6a R =,拉削长度为58L =,有空刀槽。
工件材料为HT20—40硬度为170—241HB 。
拉床型号为L6110型拉床,工作状况为一般。
采用10%极压乳化液。
要求对预制孔进行扩孔,设计圆拉刀。
设计时要考虑拉削变形量;拉削后孔收缩,收缩量为0.01mm 。
第2章 设计步骤2.1 选择拉刀材料及热处理硬度拉刀材料选择W6MoCr4V2高速钢,按整体式制造拉刀。
热处理硬度为刀尺及后导部63~66HRC ;前导部为60~66HRC ;前柄为45~58HRC 。
2.2确定拉削方式综合式拉刀较短,适合于拉削碳钢和低合金钢,拉削精度和表面质量并不低于其他拉削方式,且拉刀耐用度高。
因此,采用综合式拉刀。
2.3选择刀齿几何参数根据《金属切削刀具设计简明手册》表4-2和表4-3 选择;前角5o γ=︒,精切齿和校准齿倒棱前角5ol γ=-︒,粗切齿后角 2.5o α=︒,0.1al b mm =,精切齿2o α=︒,0.1al b mm =,校准齿1o α=︒,0.2al b mm =。
《金属切削刀具》课程设计说明书课题名称:专业:班级:姓名:学号:指导老师:2012 年 6 月江西农业大学工学院前言伴随着大三的结束,大四的开始,我们已经开始慢慢的步入社会,课程设计其实已经变成鉴证我们三年所学的重要部分,通过课程设计很贴切地把一些实践性的东西引入我们的设计中和平时所学的理论知识相结合。
为我们无论是在将来的工作或者是继续学习的过程中打下一个坚实的基础。
种类繁多拉刀,它可加工各种形状通孔,直槽,螺旋槽和直线或曲线的外表面。
拉刀按加工表面不同,可分为内拉刀和外拉刀;按工作时受力方向不同,可分为拉刀和推刀。
拉削方式是指拉削过程中切削余量在各切削齿上的分配方式。
拉削方式对拉刀的结构和制造,拉到的耐用度,拉削力,拉削的表面光洁度和生产率有很大的影响。
拉刀是一种高生产率刀具,它切削速度低,耐用度高,寿命高。
拉刀是多刃切削刀具,切削力较大但机床结构简单,成本高,只适用于大批量生产我的课程设计课题是圆孔拉刀的设计。
在设计过程当中,我通过查阅有关资料和运用所学的专业或有关知识,比如金属切削原理、金属切削刀具、以及所学软件AUTOCAD、Solidworks的运用。
我利用此次课程设计的机会对以往所有所学知识加以梳理检验,同时又可以在设计当中查找自己所学的不足从而加以弥补。
使我对专业知识得到进一步的了解和系统掌握。
由于本人水平有限,设计时间也比较仓促,在设计的过程中会遇到一些技术和其它方面的问题,再加上我对知识掌握的程度,也只能到这个程度了,理解万岁。
目录前言第一章绪论设计题目 (3)第二章拉刀工作部分设计2.1选择刀具材料 (4)2.2确定拉削余量A (4)2.3齿升量的选取 (4)2.4选择几何角度 (5)2.5齿距及各齿数的确定 (5)2.6确定容屑槽形状和尺寸 (5)2.7分屑槽的确定 (7)2.8确定拉刀齿数和直径 (7)第三章拉刀光滑部分设计3.1柄部、颈部与过渡锥 (9)3.2 前导部、后导部与尾部 (10)3.3 拉刀总长度L0 (10)第四章拉削力及拉刀强度的校验4.1 拉削力的校验 (11)4.2 拉刀强度的校验 (11)4.3拉床拉力校验............................................................11第五章课程设计小结结束语 (12)参考文献 (12)23金属切削原理与刀具课程设计 “成形圆孔拉刀刀具设计”第一章 绪论设计题目图1-11.1已知条件:1、要加工的工件零件图如下图图所示。
机械设计制造及其自动化专业设计说明书(圆孔拉刀设计)题目:圆孔拉刀设计说明书学院:机械工程学院专业:机械设计制造及其自动化姓名:指导教师:完成日期:2013年11月28日机械工程学院2013年11月目录第1章原始条件 (1)第2章设计计算过程 (2)2.1选择拉刀材料及热处理硬度 (2)2.2确定拉削方式 (2)2.3选择刀齿几何参数 (2)2.4确定校准齿直径 (2)2.5确定拉削余量 (2)2.6选取齿升量 (2)2.7设计容屑槽 (3)2.8确定分屑槽参数 (3)2.9选择拉刀前柄 (4)2.10校验拉刀强度与拉床载荷 (4)2.11确定拉刀齿数和每齿直径尺寸 (4)2.12设计拉刀其他部分 (5)2.13技术要求 (5)2.14绘图 (5)设计总结 (7)致谢 (8)参考文献 (9)第1章原始条件1、工件材料:40Cr,硬度:217-255 HB,毛坯为扩孔。
Ra=1.6,L=80mm,有空刀槽。
2、零件尺寸:拉前孔径:DW=53,上偏差为+0.12,下偏差为0,拉后孔径:DM=55,上偏差为+0.03,下偏差为0,。
3、使用设备:L6140型卧式拉床。
第2章 设计计算过程2.1选择拉刀材料及热处理硬度40Cr 为合金结构钢,选择W18Cr4V 钨系高速钢按整体式制造拉刀。
拉刀热处理硬度:刀齿及后导部63~66HRC ;前导部60~66HRC ;前柄45~58HRC 。
2.2确定拉削方式综合式拉刀较短,拉削精度和表面质量并不低于其它拉削方式,且拉刀耐用度较高。
因此,本例选择综合式拉削。
2.3选择刀齿几何参数按《金属切削刀具设计简明手册》表4-2、表4-3选择,得工件材料为合金结构钢,拉刀刀齿前角10o γ=︒,粗切齿11230,0.1o a b mm α+︒'=︒≤;精切齿3012,(0.1~0.2)o a b mm α'︒+==;校准齿3011,(0.2~0.3)o a b mm α'︒+==。
目录前言1 拉刀设计要求 (1)2 确定拉削余量、齿升量、齿数和刀齿半径 (2)3 选择几何参数 (3)4确定齿距、容屑槽、分屑槽 (3)5 拉刀检测 (5)6 确定拉刀非工作部分及总长度 (5)7 材料及热处理硬度 (6)8 绘图 (6)9 总结 (6)参考文献 (7)1 拉刀设计要求已知条件:1.要加工的工件零件图如下图图所示。
2.工件材料:35钢。
σb=0.60GPa3.使用拉床:卧式内拉床L6140A4.倒角45°5.刀具材料:W18Cr4V2 确定拉削余量、齿升量、齿数和刀齿半径2.1确定拉削余量 A.由GB1439-85锥柄长麻花钻《锥柄麻花钻》第1系列取21直径方向拉屑余量 A=Dmax-Dwmin=22.02-21=1.02mm2.2选取齿升量f z.由<金属切削原理与刀具>粗切齿齿升量:一般f zⅠ=0.03~0.06mm,取f zⅠ=0.03。
精切齿齿升量:按拉削表面质量要求选取,一般f zⅢ=0.01~0.02mm,取f zⅢ=0.01。
过渡齿齿升量:f zⅡ在各齿上是变化的,变化规律在f zⅠ与f zⅢ之间逐齿递减,所以取f zⅡ=0.025 0.020 0.015 0.010。
校准齿齿升量:f zⅣ=02.3确定拉刀齿数Z初选取ZⅢ=4 ZⅡ=4 ZⅣ= 6 计算ZⅠZⅠ=[A-(A ZⅡ+A ZⅢ)]/(2×f zⅠ)ZⅠ=[A-(A ZⅡ+A ZⅢ)]/(2×f zⅠ)={1.02-[2×(0.025+0.020+0.015+0.010)+2×(4×0.01)]}/(2×0.03)=13.33取ZⅠ= 13 余下未切除的余量为:2A={1.02-[13×2×0.03+2×(0.025+0.020+0.015+0.010)+4×2×0.010]} =1.02-(0.78+0.14+0.08)=0.02将0.02未切除的余量分配给粗切齿,则粗切齿ZⅠ=13+1=14最终选定齿数 ZⅠ= 14 ZⅡ=4ZⅢ= 4 ZⅣ= 6总齿数 Z =ZⅠ+ZⅡ+ZⅢ+ZⅣ=14+4+4+6= 282.4确定刀齿直径 D x⑴粗切齿D x1=dw min =21.00 ,其余各刀齿直径Dx按下式推算:D x2 =D x1+2f zⅠ计算得:D x2 -D x14=21.06、21.12、21.18、21.24、21.30、21.36、21.42、21.48、21.54、21.60、21.66、21.72、21.78、21.80⑵过渡齿D x15 -D x18 =21.85、21.89、21.92、21.94⑶精切齿D x14 -D x17 =21.96、21.98、22.00、22.02⑷校准齿D x18 -D x23 =22.023 选择几何参数由<金属切削原理与刀具>因为材料是35钢粗切齿:γo=15°αo=2.5°~4° bα=0~0.05mm精切齿:γo=15°αo=2.5°~4° bα=0.1~0.15mm校准齿:γo=15°αo=0.5°~1° bα=0.3~0.5mm刀带后角:αb1=04 确定齿距、容屑槽、分屑槽4.1拉刀齿距齿距P=(1.25~1.8)× L0.5=1.5×0.555=11.12,取整11mm粗与过渡切屑齿齿距P1 P2取P1=P2=11精与校准切屑齿齿距P3 Pz取P3=Pz=(0.6~0.8)P=8mm4.2容屑槽4.2.1容屑槽形状选取圆弧齿背型,容屑空间大,适用于拉削塑性材料和综合拉削拉刀上。
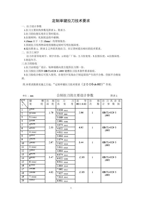
定制单键拉刀技术要求
一、拉刀设计参数
1.拉刀主要结构参数见附表1、附表2。
2.拉刀的拉削长度在订货时提出。
3.拉削材料:轧制状态的中碳钢。
4.10mm以下(含10mm)均带倒角齿。
5.英制拉刀有两种深度的规格定制时写明拉削深度。
6.超出附表1、附表2之外的其他拉刀,在订货时提出相应的技术要求。
二.拉刀上刻字
拉刀在前导处刻字,刻字内容:1.制造厂厂标。
2.刀齿宽度。
3.拉削长度。
4.拉削深度。
5.制造年月。
三.拉刀的验收
1.拉刀由制造厂设计,每种规格向需方提供拉刀图一份。
2.拉刀按拉刀图和GB/T14329-4-1993键槽拉刀技术条件要求验收。
3.拉刀验收合格后可投入使用,在使用中发现由于制造原因产生的不合格,仍按不合格处理。
四.本要求批准实施之日起,“定制单键拉刀技术要求(2000-A-005)”作废。
单位:mm 公制拉刀的主要设计参数附表1
单位: mm英制拉刀的主要设计参数附表2
编制:审核:批准:。
课题:拉刀的选材及热处理生产线设计1.设计原则1.1 热处理零件结构形状设计(1)热处理件结构形状有一定的设计要求.①结构形状设计应避免应力集中截面急剧变化的工件,淬火时易引起过量变形或开裂,一般应采用平滑过渡或圆弧过渡;外形的尖锐棱边,尖角和凹腔角处会产生应力集中,因此,也常用圆弧代替尖角,为防止工件上的孔或模具型腔成为裂纹的策源地,孔与孔之间应有一定的距离,冲模型腔与模边之间的距离也应足够大。
②结构形状设计应尽量简单、均衡、规则、对称.结构件的形状应尽量使工件各部位的质量均匀分布,以减少淬火时可能引起的过量变形和开裂。
理想的结构形状可遵循以下的基本原则:a.球形优于立方体,更优于长方体;b.圆柱体优于圆锥体;c.圆形截面优于椭圆形截面,方形截面优于矩形截面;d.在可能的条件下,应尽量使功能孔的尺寸与位置均衡、对称、分布,也可以通过加开工艺孔或工艺槽来解决质量均衡问题;辅助孔应位于交叉刃口的延长线上,尤其不能靠近小锐角,以免成为裂。
总结:为减少损失,避免事故,充分估计各种因素的影响,可采用设计、热加工和热处理几方面共同商讨,协同设计,避免因设计不当造成加工、热处理和使用上的题。
(2)拉刀的结构及形状设计拉刀零件图拉刀主要由柄部、前导向部、切削尺、精切尺、后导向部组成.拉削原理 圆拉刀的最大总长度L(单位:mm)拉刀直径6~1010~1818~3030~4040~5050~60L 值28D30D 28D 26D 25D 24D 1500>60本课题选择圆拉刀 24003-070B 25H8 10°40~50 JB/T7962-1995 名称 产品编号 径和孔公差带代号拉刀前角拉削长度 标准号24003-070B 25H8 25H8 10° 40~50 JB/T7962-1995名称、产品编号、直径和孔公差带代号、拉刀前角、拉削长度、标准号。
拉刀长度为565mm,根据上表中的计算,满足。
l56拉刀课程设计一、课程目标知识目标:1. 学生能理解拉刀的基本概念、分类及其在机械加工中的应用。
2. 学生能掌握拉刀的组成、结构、工作原理及其使用方法。
3. 学生了解拉刀的材质、热处理和刃磨技术,理解其对加工质量的影响。
技能目标:1. 学生能够正确选择和使用拉刀,进行简单的机械加工操作。
2. 学生能够根据加工要求,对拉刀进行适当的刃磨和调整。
3. 学生能够分析加工过程中出现的问题,并提出相应的解决方法。
情感态度价值观目标:1. 培养学生热爱机械加工专业,增强职业认同感。
2. 培养学生严谨细致的工作态度,提高安全意识和责任感。
3. 培养学生团队协作精神,提高沟通与交流能力。
本课程针对高年级学生,结合课程性质、学生特点和教学要求,旨在使学生在掌握拉刀基本知识的基础上,提高实际操作技能,培养良好的职业素养。
通过本课程的学习,学生将能够独立完成拉刀的选用、使用和维护,为今后的工作实践打下坚实基础。
二、教学内容1. 拉刀概述- 拉刀的定义、分类及其在机械加工中的应用。
- 拉刀的发展历程及未来发展趋势。
2. 拉刀的结构与工作原理- 拉刀的组成、结构特点。
- 拉刀的工作原理及其在加工过程中的作用。
3. 拉刀的选用与使用- 拉刀的选择原则和方法。
- 拉刀的使用技巧、注意事项。
4. 拉刀的刃磨与维护- 拉刀刃磨的基本要求、方法和技术。
- 拉刀的维护保养、故障排除。
5. 拉刀加工实例分析- 典型拉刀加工工艺流程。
- 拉刀加工过程中常见问题及解决方法。
教学内容根据课程目标,紧密结合教材,确保科学性和系统性。
教学大纲明确教学内容安排和进度,以教材相关章节为基础,涵盖拉刀基本知识、选用与使用、刃磨与维护等方面。
通过实例分析,使学生能够将理论知识与实际操作相结合,提高解决实际问题的能力。
三、教学方法本课程采用以下多元化的教学方法,旨在激发学生的学习兴趣,提高教学效果:1. 讲授法:教师通过生动的语言、形象的比喻,对拉刀的基本概念、结构、工作原理等理论知识进行讲解,使学生形成系统的认识。
刀具拉刀课程设计一、课程目标知识目标:1. 学生能够理解并掌握刀具拉刀的基本概念、分类及其在机械加工中的应用。
2. 学生能够掌握刀具拉刀的组成、结构、工作原理及其相关参数。
3. 学生能够了解不同材质的刀具拉刀特性及其适用范围。
技能目标:1. 学生能够运用所学知识,正确选择、使用和保养刀具拉刀。
2. 学生能够独立完成刀具拉刀的拆装、调试和简单维修。
3. 学生能够运用刀具拉刀进行金属切削加工,并分析加工过程中的问题。
情感态度价值观目标:1. 培养学生对机械加工的兴趣,激发他们学习刀具知识的热情。
2. 培养学生的团队合作意识,提高他们在实际操作中的沟通协作能力。
3. 增强学生的安全生产意识,使他们养成良好的操作习惯。
课程性质:本课程为实践性较强的课程,旨在帮助学生将理论知识与实际操作相结合,提高学生的动手能力和解决实际问题的能力。
学生特点:学生为初中年级,具有一定的机械基础知识和动手能力,但需加强对刀具拉刀知识的系统学习和实践操作。
教学要求:注重理论与实践相结合,通过讲解、示范、实践等多种教学手段,使学生在掌握知识的同时,提高操作技能和解决实际问题的能力。
将课程目标分解为具体的学习成果,便于教学设计和评估。
二、教学内容1. 刀具拉刀基础知识:- 刀具拉刀的定义、分类及用途- 刀具拉刀的组成、结构及其工作原理- 刀具拉刀的主要参数及其对加工的影响2. 刀具拉刀的选择与应用:- 不同材质的刀具拉刀特性及选用原则- 刀具拉刀在金属切削加工中的应用实例- 刀具拉刀使用中的注意事项及维护保养方法3. 刀具拉刀操作技能:- 刀具拉刀的拆装、调试方法- 刀具拉刀的切削加工操作步骤及技巧- 刀具拉刀加工过程中常见问题及解决方案4. 实践教学环节:- 安排学生进行刀具拉刀的拆装、调试和切削加工实践- 组织学生进行刀具拉刀应用案例分析,提高学生解决问题的能力- 组织小组讨论,培养学生的团队合作和沟通能力教材章节关联:本教学内容与教材中“金属切削机床与刀具”章节相关,涉及教材中第3章第2节“刀具的类型及其应用”和第3章第3节“刀具的选用与维护”。
一、金属切削刀具课程设计的目的金属切削刀具课程设计是学生在学完“金属切削原理及刀具”等有关课程的基础上进行的重要的实践性教学环节,其目的是使学生巩固和深化课堂理论教学内容,锻炼和培养学生综合运用所学知识和理论的能力,是对学生进行独立分析、解决问题能力的强化训练。
通过金属切削刀具课程设计,具体应使学生做到:(1) 掌握金属切削刀具的设计和计算的基本方法;(2) 学会运用各种设计资料、手册和国家标难;(3) 学会绘制符合标准要求的刀具工作图,能标注出必要的技术条件。
二、设计内容和要求完成矩形花键铣刀、矩形花键拉刀两种刀具的设计和计算工作,绘制刀具工作图和必要的零件图以及编写一份正确、完整的设计说明书。
刀具工作图应包括制造及检验该刀具所需的全部图形、尺寸、公差、粗糙度要求及技术条件等;说明书应包括设计时所涉及的主要问题以及设计计算的全部过程;设计说明书中的计算必须准确无误,所使用的尺寸、数据和计量单位,均应符合有关标准和法定计量单位;使用A4纸打印,语言简练,文句通顺。
具体设计要求见附页。
三、拉刀的设计(一)选定刀具类型和材料的依据1选择刀具类型:对每种工件进行工艺设计和工艺装备设计时,必须考虑选用合适的刀具类型。
事实上,对同一个工件,常可用多种不同的刀具加工出来。
采用的刀具类型不同将对加工生产率和精度有重要影响。
总结更多的高生产率刀具可以看出,增加刀具同时参加切削的刀刃长度能有效的提高其生产效率。
例如,用花键拉刀加工花键孔时,同时参加切削的刀刃长度l=B³n³Zi,其中B 为键宽,n为键数,Zi为在拉削长度内同时参加切削的齿数。
若用插刀同时参加切削的刀刃长度比插刀大得多,因而生产率也高得多。
2正确选择刀具材料:刀具材料选择得是否恰当对刀具的生产率有重要的影响。
因为硬质合金比高速钢及其他工具钢生产率高得多,因此,在能采用硬质合金、的情况下应尽力采用。
由于目前硬质合金的性能还有许多缺陷,如脆性大,极难加工等,使他在许多刀具上应用还很困难,因而,目前许多复杂刀具还主要应用高速钢制造。
组合式圆孔拉刀设计举例一.已知条件加工零件如右图材料:40Cr钢,σb=0.98Gpa 硬度210HBS拉前孔径φ拉后孔径φ拉后表面粗糙度R a 0.8 μm拉床型号L6110 拉刀材料W6Mo5Cr4V2 许用应力[σ]=350Mpa二.设计要求设计计算组合式圆孔拉刀,绘制拉刀工作图三.设计计算过程:1、直径方向拉削余量AA=D max–d min =20.021-19=1.021mm2. 齿升量f z (Ⅰ-粗切Ⅱ-过渡Ⅲ-精切Ⅳ-校正)选f zⅠ=0.03f zⅡ=0.025、0.02、0.015f zⅢ=0.01f zⅣ=03.计算齿数Z初选ZⅡ=3ZⅢ=4 ZⅣ=6 计算ZⅠZⅠ=[A-(A ZⅡ+A ZⅢ)]/2×f zⅠ=[1.021-(2×(0.025+0.02+0.015) +(4×0.01)]/2×0.03=13.68取ZⅠ= 13 余下未切除的余量为:2A={1.021-[13×2×0.03+2×(0.025+0.02+0.015)+(4×2×0.01)]}}=0.041 mm将0.041未切除的余量分配给过渡齿切,则过渡齿数ZⅡ=5过渡齿齿升量调正为:f zⅡ=0.025、0.02、0.015、0.01、0.01最终选定齿数ZⅠ= 13+1 ZⅡ=5ZⅢ= 4+1 ZⅣ= 6Z =ZⅠ+ZⅡ+ZⅢ+ZⅣ=304.直径D x⑴粗切齿D x1=d min =19.00 D x2 =D x1+2f zⅠ……………………D x2 -D x14=19.06、19.12、19.18、19.24、19.30、19.36、19.42、19.48、19.54、19.60、19.66、19.72、19.78⑵过渡齿D x15 -D x19 =19.83、19.87、19.90、19.92、19.94⑶精切齿D x20 -D x24 =19.96、19.98、20.00、20.02、20.021⑷校准齿D x25 -D x30 =20.0215.几何参数γo =15° αo =1.5°~2.5° b α1=0.1~0.36.齿距 P/mmP=1.5× L 0.5 =1.5 ×500.5=10.6选取P=11 mm7. 检验同时工作齿数 ZeZe =L / P +1 =50 / 11+1 =5.5 >38. 计算容屑槽深度 hh = 1.13 × (k L h D )0.5 = 1.13 × (3×50×0.06 )0.5 = 3.399. 容屑槽形式和尺寸形式:圆弧齿背形尺寸:粗切齿: p=11、g=4、h=4、r=2、R=7精切齿、校准齿:p=9、g=3、h=3.5、r=1.8、R=510. 分屑槽尺寸弧形槽:n=6、R=25角度槽:n=8、b n =7、ω=90°槽底后角:αn =5°11.检验检验拉削力:F c < F QF c = F c ’ × b D × Ze × k= 195×πD/2 ×Ze ×k = 195 ×3.1416 ×20/2 ×5 ×10-3kN = 30.6 kN F Q = 100×0.75 kN =75 kNF c < F Q检验拉刀强度: σ< [σ][σ] =350 MPaσ= F c / A minA min =π(D z1-2h)2/4 = 3.1416(19-8)2/4= 942 mmσ = 30615 N /94 Mpa =325 Mpa < 350 MPa 12. 前柄D 1 = 18 d 1 = 13.5 L 1=16+20=3613. 过渡锥与颈部 过渡锥长:l 3 =15颈部: D 2=18 l 2 =10014. 前导部与后导部 -0.016 -0.043 D-0.018前导部:D 4 = d min =19.00l 4 = 50后导部:D 6 = D min =20.00 l 6 = 40 15. 长度 LL =前柄+过渡锥+颈部+前导部+刀齿部+后导部 =36+15+100+50+(18×11+11×9)+40 =538 ≈540mm16. 中心孔两端选用带护准中心孔d=2 d 1= 6.3 t 1 = 2.54 t =217. 材料与热处理硬度材料:W6Mo5CrV2刀齿与后导部 63~66HRC前导部 60~66HRC柄部 40~52HRC18.技术条件参考国标确定。
前言机械制造工艺学课程设计使我们学完了大学的全部基础课、技术基础课以及大部分专业课之后进行的.这是我们在进行毕业设计之前对所学各课程的一次深入的综合性的总复习,也是一次理论联系实际的训练,因此,它在我们四年的大学生活中占有重要的地位。
就我个人而言,我希望能通过这次课程设计对自己未来将从事的工作进行一次适应性训练,从中锻炼自己分析问题、解决问题的能力,为今后参加祖国的“四化”建设打下一个良好的基础。
随着科学技术的发展,各种新材料、新工艺和新技术不断涌现,机械制造工艺正向着高质量、高生产率和低成本方向发展。
各种新工艺的出现,已突破传统的依靠机械能、切削力进行切削加工的范畴,可以加工各种难加工材料、复杂的型面和某些具有特殊要求的零件。
数控机床的问世,提高了更新频率的小批量零件和形状工具是人类文明进步的标志。
自20世纪末期以来,现代制造技术与机械制造工艺自动化都有了长足的发展。
但工具(含夹具、刀具、量具与辅具等)在不断的革新中,其功能仍然十分显著。
机床夹具对零件加工的质量、生产率和产品成本都有着直接的影响。
复杂的零件加工的生产率及加工精度。
特别是计算方法和计算机技术的迅速发展,极大地推动了机械加工工艺的进步,使工艺过程的自动化达到了一个新的阶段目录1.已知条件 (5)2.车刀具材料的选择 (6)3.车刀几何参数的确定 (6)4.车刀具体设计 (8)5.拉刀已知条件 (10)6.拉刀几何参数的确定 (13)7拉刀的具体设计 (14)8.小结 (15)9.参考文献 (16)1.C刀片95°偏头外圆车刀设计已知: 工件材料HT200,使用机床CA6140,加工后dm=95,Ra=3.2,需粗、半精车完成,加工余量自定,设计装C刀片95°偏头外圆车刀。
设计步骤:1.1选择刀片夹固结构考虑到加工是在CA6140普通机床上进行,属于连续切削,参照表2-1典型刀片夹固结构简图和特点,采用偏心式刀片夹固结构。