7.梯形图与助记符的转换
- 格式:ppt
- 大小:555.50 KB
- 文档页数:36
机械设备控制技术试卷一、选择题(每小题2分,共40分)1.在电器元件的文字符号中,“QS”可代表()A.控制按钮B.继电器C.刀开关D.接触器2.熔断器应()在被保护电路中。
A.串联B.并联C.二者均可D.不确定3.流量连续性方程表明液体在管道中流动时,流速和通流面积的关系是()A成正比 B 成反比 C 无关 D 相等4.三相异步电动机的旋转方向取决于三相电源的()A.相序B.电压C.电流D.频率5.电磁式接触器的主要结构不包括()A.电磁机构B.触点系统C.灭弧装置D.刀开关6.接触器的互锁触点应在对应的线圈电路中。
()A.串联B.并联C.二者均可D.不确定7.温度对油液粘度影响很大,温度升高,粘度()A显著上升 B 基本不变 C 稍有下降 D 显著下降8.时间继电器的文字符号是()A.KM B.KT C.KA D.KV 9.当电路中发生短路时,自动开关中的()会起保护作用。
A.热脱扣器B.电磁脱扣器C.欠压脱扣器D.分励脱扣器10.热继电器在电路中具有()保护作用。
A.过载B.短路C.欠压D.失压11.活塞有效作用面积一定时,活塞的运动速度取决于()A液压缸中油液的压力 B 负载阻力的大小C进入液压缸的流量D 液压泵的输出流量12.三相异步电动机能耗制动时,通入定子绕组中的直流电流越大,制动力矩()A.越大B.越小C.不变D.不确定13.行程开关主要是利用使触头动作来实现接通或分断电路。
()A.手动B.机械运动C.电磁吸引D.热变形14.电气基本控制线路表示方法一般不包括()A.电气原理图B.电气设备安装图C.电气设备接线图D.电器元件外形图15.液压系统中液压缸属于()A动力元件 B 执行元件C控制元件 D 辅助元件16.多地控制的原则是:起动按钮,停止按钮。
()A.串联;并联B.并联;串联C.串联;串联D.并联;并联17.在CM6132型普通车床中,电动机起动的顺序是()A.液压泵电动机先起动,主电动机后起动B.主电动机先起动,液压泵电动机后起动C.二者同时起动D.不确定18.对电动机进行正常维护时,要定期检查电动机的()A.外壳B.额定电流C.额定电压D.绝缘电阻19.CPM1A中指令AND-NOT功能是()A.将一个动断触点与前面的触点串联B.将一个动合触点与前面的触点串联C.将一个动合触点与它上面的触点并联D.将一个动断触点与它上面的触点并联20.在CPM1A中,若TIM的设定值为200,则延时时间为()A.1s B.10s C.2s D.20s 二、判断题(每小题2分,共20分。
S7-200PLC编程及应用题库(一)一、填空题(20分)1.S7-200系列PLC的数据存储区分两大部分,是与。
2.高速计数器HC的寻址格式是。
3.S7-200型PLC的定时器包括、、三种类型。
4.S7-200系列PLC的与两个输出端子,除正常使用外,还可利用PLC的高速输出功能产生PTO与PWM输出。
5.定时器预设值PT采用的寻址方式为。
6.在PLC运行的第一个扫描周期为ON的特殊存储器位是。
7.S7-200系列PLC共有个高速计数器,其中只有1种工作模式的是。
8.定时器的两个变量是和。
9.PLC中输入接口电路的类型有和两种。
10.I/O总点数是指和的数量。
11.具有自己的CPU和系统的模块称为。
12.EM231模拟量输入模块的输入类型为。
二、选择题(40分)1.下列那项属于双字寻址()。
A.QW1 B.V10 C.IB0 D.MD282.只能使用字寻址方式来存取信息的寄存器是()。
A.S B.I C.HC D.AI3.SM是哪个存储器的标识符。
()A.高速计数器B.累加器C.内部辅助寄存器D.特殊辅助寄存器4.CPU214型PLC本机I/O点数为()。
A.14/10 B.8/16 C.24/16 D.14/165.CPU214 型PLC有几个通讯端口()。
A.2个B.1个C.3个D.4个6.HSC1的控制寄存器是()。
A.SMW137 B.SMB57 C.SMB47 D.SMW147 7.指令的脉宽值设定寄存器是()。
A.SMW80 B.SMW78 C.SMW68 D.SMW708.顺序控制段开始指令的操作码是()。
A.SCR B.SCRP C.SCRE D.SCRT9.S7-200系列PLC继电器输出时的每点电流值为()。
A.1A B.2A C.3A D.4A10.字传送指令的操作数IN和OUT可寻址的寄存器不包括下列那项()。
A.T B.M C.AQ D.AC11.PLC的系统程序不包括()。
西门子S7-200P L C试题(1)一、填空题(20分)1.S7-200系列PLC的数据存储区分两大部分,是与。
2.高速计数器HC的寻址格式是。
3.S7-200型PLC的定时器包括、、三种类型。
4.S7-200系列PLC的与两个输出端子,除正常使用外,还可利用PLC的高速输出功能产生PTO与PWM输出。
5.定时器预设值PT采用的寻址方式为。
6.在PLC运行的第一个扫描周期为ON的特殊存储器位是。
7.S7-200系列PLC共有个高速计数器,其中只有1种工作模式的是。
8.定时器的两个变量是和。
9.PLC中输入接口电路的类型有和两种。
10.I/O总点数是指和的数量。
11.具有自己的CPU和系统的模块称为。
12.EM231模拟量输入模块的输入类型为。
二、选择题(40分)1.下列那项属于双字寻址()。
A.QW1 B.V10 C.IB0 D.MD282.只能使用字寻址方式来存取信息的寄存器是()。
A.S B.I C.HC D.AI3.SM是哪个存储器的标识符。
()A.高速计数器B.累加器C.内部辅助寄存器D.特殊辅助寄存器4.CPU214型PLC本机I/O点数为()。
A.14/10 B.8/16 C.24/16 D.14/165.CPU214 型PLC有几个通讯端口()。
A.2个B.1个C.3个D.4个6.HSC1的控制寄存器是()。
A.SMW137 B.SMB57 C.SMB47 D.SMW1477.指令的脉宽值设定寄存器是()。
A.SMW80 B.SMW78 C.SMW68 D.SMW708.顺序控制段开始指令的操作码是()。
A.SCR B.SCRP C.SCRE D.SCRT9.S7-200系列PLC继电器输出时的每点电流值为()。
A.1A B.2A C.3A D.4A10.字传送指令的操作数IN和OUT可寻址的寄存器不包括下列那项()。
A.T B.M C.AQ D.AC11.PLC的系统程序不包括()。
西门子S7-200PLC试题(2)一、填空题(20分)1.PLC的输出接口类型有、与。
2.PLC的软件系统可分为和两大部分。
3.S7-200型PLC的指令系统有、、三种形式。
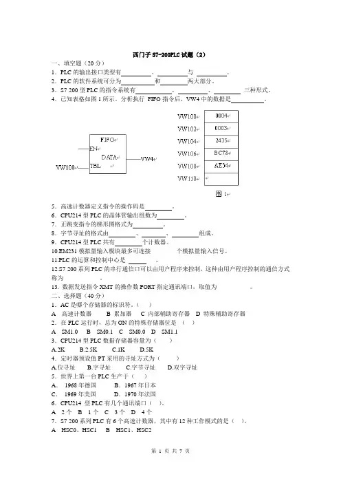
4.已知表格如图1所示。
分析执行FIFO指令后,VW4中的数据是。
5.高速计数器定义指令的操作码是。
6.CPU214型PLC的晶体管输出组数为。
7.正跳变指令的梯形图格式为。
8.字节寻址的格式由、、组成。
9.CPU214型PLC共有个计数器。
10.EM231模拟量输入模块最多可连接_____ ___个模拟量输入信号。
11.PLC的运算和控制中心是__ ___。
12.S7-200系列PLC的串行通信口可以由用户程序来控制,这种由用户程序控制的通信方式称为____________。
13. 数据发送指令XMT的操作数PORT指定通讯端口,取值为___________。
二、选择题(40分)1.AC是哪个存储器的标识符。
()A 高速计数器B 累加器C 内部辅助寄存器D 特殊辅助寄存器2.在PLC运行时,总为ON的特殊存储器位是()A SM1.0B SM0.1C SM0.0D SM1.13.CPU214型PLC数据存储器容量为()A.2KB.2.5KC.1KD.5K4.定时器预设值PT采用的寻址方式为()A.位寻址B.字寻址C.字节寻址D.双字寻址5.世界上第一台PLC生产于()A.1968年德国B.1967年日本C.1969年美国D.1970年法国6.CPU214 型PLC有几个通讯端口()。
A 2个B 1个C 3个D 4个7.S7-200系列PLC有6个高速计数器,其中有12种工作模式的是()。
A HSC0、HSC1B HSC1、HSC2C HSC0、HSC4D HSC2、HSC48.下列那项属于字节寻址()。
A.VB10B.VW10C.ID0D. I0.29.字节传送指令的操作数IN和OUT可寻址的寄存器不包括下列那项()A.V B.I C.Q D.AI10.图示指令的脉宽值设定寄存器是()。
FANUC PMC文件类型转换1. 存储卡格式PMC的转换通过存储卡备份的PMC梯形图称之为存储卡格式的PMC(Memory card format file)。
由于其为机器语言格式,不能由计算机的Ladder 3直接识别和读取并进行修改和编辑,所以必须进行格式转换。
同样,当在计算机上编辑好的PMC 程序也不能直接存储到M-CARD上,也必须通过格式转换,然后才能装载到CNC 中。
1.1 M-CARD格式(后缀.000 .001等)->计算机格式(.LAD)运行LADDERⅢ软件,在该软件下新建一个类型与备份的M-CARD格式的PMC程序类型相同的空文件。
2)选择FILE中的IMPORT(即导入M-CARD格式文件),软件会提示导入的源文件格式,选择M-CARD格式即可。
执行下一步找到要进行转换的M-CARD格式文件,按照软件提示的默认操作一步步执行即可将M-CARD格式的PMC程序转换成计算即可,直接识别的.LAD格式文件,这样就可以在计算机上进行修改和编辑操作了。
1.2计算机格式(.LAD)->M-CARD格式当把计算机格式(.LAD)的PMC转换成M-CARD格式的文件后,可以将其存储到M-CARD上,通过M-CARD装载到CNC中,而不用通过外部通讯工具(例如:RS-232-C 或网线)进行传输。
在LADDERⅢ软件中打开要转换的PMC程序。
现在TOOL中选择COMPILE将该程序进行编译成机器语言,如果没有提示错误,则编译成功,如果提示有错误,要退出修改后重新编译,然后保存,再选择FILE中的EXPORT。
2)在选择EXPORT后,软件提示选择输出的文件类型,选择M-CARD格式。
确定M-CARD格式后,选择下一步指定文件名,按照软件提示的默认操作即可得到转换了格式的PMC程序,注意该程序的图标是一个WINDOWS图标(即操作系统不能识别的文件格式,只有FANUC系统才能识别)。
第1章综合练习题一、判断题(正确打“√”、错误打“×”)(√)1-4,7、8、9,17-24(× )5、6,10-16,二、填空题1. 通电和断电。
2.电压和电流。
3. 10 A,专门 ; 4.灭弧系统、保护装置、操作机构。
5.动、静。
6. 1140 V、 630 A。
7.双金属片、加热元件、动作机构。
8.电感、电子。
9.灭弧栅;磁吹灭弧;纵缝。
10.机械位移电信号。
11. 1 200 V 1 500 V。
12.短路和严重过载。
13.交流和直流。
14. 电磁系统、触头系统、灭弧装置。
15. 延时接通或断开。
三、选择题1. ( B )。
2. (B)。
3. (B )。
4. (B )。
5. (C )。
6. (C)7. (A )8. ( B )9. ( A ) 10. ( B )四、简答题1.答:交流接触器是电力拖动和自动控制系统中用来自动地接通或断开大电流电路的一种低压控制电器,主要控制对象是电动机,能实现远距离控制,交流接触器具有欠(零)电压保护、低电压释放保护、使用寿命长、工作可靠性高等优点,是一种最重要和最常用的低压控制电器。
2.答:电流继电器与电压继电器在结构上的区别主要是线圈不同。
电流继电器的线圈匝数少、导线粗,与负载串联以反映电路电流的变化。
电压继电器的线圈匝数多、导线细,与负载并联以反映其两端的电压。
中间继电器实际上也是一种电压继电器,只是它具有数量较多、容量较大的触点,起到中间放大的作用。
3.答:热继电器是利用电流的热效应原理来切断电路的保护电器,主要用于电动机或其他负载的过载保护。
当负载电流超过规定电流值并经过一定时间后,发热元件所产生的热量使双金属片受热弯曲,带动动触点与静触点分断,切断电动机的控制回路,使接触器线圈断电释放,断开主电路,实现了对电动机的过载保护。
热继电器不能作短路保护。
4.答:低压断路器又称自动空气开关或自动空气断路器,主要用于低压动力线路中。
西门子S7-200系列PLC试题及答案(1)精选试题西门子S7-200PLC试题(1)一、填空题(20分)1.S7-200系列PLC的数据存储区分两大部分,是与。
2.高速计数器HC的寻址格式是。
3.S7-200型PLC的定时器包括ton 、tof 、tonr 三种类型。
4.S7-200系列PLC的q0.0 与q0.1 两个输出端子,除正常使用外,还可利用PLC的高速输出功能产生PTO与PWM输出。
5.定时器预设值PT采用的寻址方式为字寻址。
6.在PLC运行的第一个扫描周期为ON的特殊存储器位是sm0.1 。
7.S7-200系列PLC共有 6 个高速计数器,其中只有1种工作模式的是hsc3和hsc5 。
8.定时器的两个变量是当前值和位值。
9.PLC中输入接口电路的类型有直流和交流两种。
10.I/O总点数是指输入信号和输出信号的数量。
11.具有自己的CPU和系统的模块称为智能模块。
12.EM231模拟量输入模块的输入类型为差分输入型。
二、选择题(40分)1.下列那项属于双字寻址()。
A.QW1 B.V10 C.IB0 D.MD282.只能使用字寻址方式来存取信息的寄存器是()。
A.S B.I C.HC D.AI3.SM是哪个存储器的标识符。
()A.高速计数器B.累加器C.内部辅助寄存器D.特殊辅助寄存器4.CPU214型PLC本机I/O点数为()。
A.14/10 B.8/16 C.24/16 D.14/16 5.CPU214 型PLC有几个通讯端口()。
A.2个B.1个C.3个D.4个6.HSC1的控制寄存器是()。
A.SMW137 B.SMB57 C.SMB47 D.SMW1477.指令的脉宽值设定寄存器是()。
A.SMW80 B.SMW78 C.SMW68 D.SMW708.顺序控制段开始指令的操作码是()。
A.SCR B.SCRP C.SCRE D.SCRT 9.S7-200系列PLC继电器输出时的每点电流值为()。
一、填空题(20分)1.S7-200系列PLC的数据存储区分两大部分,是—————与—————。
2.高速计数器HC的寻址格式是—————。
3.S7-200型PLC的定时器包括—————、—————、—————三种类型。
4.S7-200系列PLC的—————与—————两个输出端子,除正常使用外,还可利用PLC 的高速输出功能,产生PTO与PWM输出。
5.定时器预设值PT采用的寻址方式为—————。
6.在PLC运行的第一个扫描周期为ON的特殊存储器位是—————。
7.S7-200系列PLC共有—————个高速计数器,其中只有1种工作模式的是—————。
8.定时器的两个变量是—————和—————。
9.PLC中输入接口电路的类型有—————和—————两种。
10.I/O总点数是指—————和——————的数量。
11.具有自己的CPU和系统的模块称为————————。
12.EM231模拟量输入模块的输入类型为————————。
二.选择题(40分)1.下列那项属于双字寻址()。
A.QW1B.V10C.IB0D. MD282.只能使用字寻址方式来存取信息的寄存器是()。
A.S B.I C.HC D.AI3.SM是哪个存储器的标识符。
()A.高速计数器B.累加器C.内部辅助寄存器D.特殊辅助寄存器4.CPU214型PLC本机I/O点数为()。
A.14/10B.8/16C.24/16D.14/165.CPU214 型PLC有几个通讯端口()。
A 2个B 1个C 3个D 4个6.HSC1的控制寄存器是()。
A SMW137B SMB57C SMB47D SMW1477.指令的脉宽值设定寄存器是()。
A .SMW80 B。
SMW78 C。
SMW68 D。
SMW708.顺序控制段开始指令的操作码是( )。
A.SCR B。
SCRP C。
SCRE D。
SCRT9.S7-200系列PLC继电器输出时的每点电流值为()。
A.1AB.2AC.3AD.4A10.字传送指令的操作数IN和OUT可寻址的寄存器不包括下列那项()A.TB.MC.AQD.AC11.PLC的系统程序不包括()A.管理程序B.供系统调用的标准程序模块C.用户指令解释程序D.开关量逻辑控制程序12.PID回路指令操作数TBL可寻址的寄存器为()。
电气操纵与PLC?模拟考试试卷(一)题号 一 二 三 四 五 总分 得分一.填空题〔每空1分,共30分〕1.低压电器通常指工作在交流 V 以下,直流 V 以下的电路中,起到连接、 、 和调节作用的电器设备。
2.热继电器是专门用来对连续运行的电动机实现 及 保卫,以防电动机因过热而烧毁的一种保卫电器,通常是把其 触点串接在操纵电路中。
3.在电气操纵技术中,通常采纳 或 进行短路保卫。
4.行程开关的工作原理和 相同,区不在于它不是靠手的按压,而是利用 使触头动作。
5.常用的电气制动方式有 制动和 制动。
6.电动机长动与点动操纵区不的要害环节是 触头是否接进。
7.当电动机容量较大,起动时产生较大的 ,会引起 下落,因此必须采纳落压起动的方法。
8.关于正常运行在 连接的电动机,可采纳星/三角形落压起动,即起动时,定子绕组先接成 ,当转速上升到接近额定转速时,将定子绕组联结方式改接成 ,使电动机进进 运行状态。
9.PLC 采纳 工作方式,其工作过程一般分为三个时期,即 、 和 时期。
10.从组成结构形式上瞧能够将PLC 分为两类:一类是 PLC 、另一类是 PLC.11.在PLC 中有多种程序设计语言,它们是 、 和 。
12.FP1-C40型PLC 中的C 表示其为 单元,40表示其 为40。
二.将如下面图1中的梯形图转换成指令表〔10分〕,将图2中的指令表转换为梯形图。
〔10分〕三.写出下面梯形图的程序语句。
〔10分〕班级_______________________学号________________姓名______________________o -----------------------------------------装-----------------------------------------订-------------------------------------线-----------------------------------o四.电路分析〔共20分〕1.如下面图能否实现正常的电动机正反转操纵,什么缘故?2.把该图改为能实现电动机“正-反-停〞操纵的线路。
精选试题西门子S7-200PLC试题(1)一、填空题(20分)1.S7-200系列PLC的数据存储区分两大部分,是与。
2.高速计数器HC的寻址格式是。
3.S7-200型PLC的定时器包括ton 、tof 、tonr 三种类型。
4.S7-200系列PLC的q0.0 与q0.1 两个输出端子,除正常使用外,还可利用PLC的高速输出功能产生PTO与PWM输出。
5.定时器预设值PT采用的寻址方式为字寻址。
6.在PLC运行的第一个扫描周期为ON的特殊存储器位是sm0.1 。
7.S7-200系列PLC共有 6 个高速计数器,其中只有1种工作模式的是hsc3和hsc5 。
8.定时器的两个变量是当前值和位值。
9.PLC中输入接口电路的类型有直流和交流两种。
10.I/O总点数是指输入信号和输出信号的数量。
11.具有自己的CPU和系统的模块称为智能模块。
12.EM231模拟量输入模块的输入类型为差分输入型。
二、选择题(40分)1.下列那项属于双字寻址()。
A.QW1 B.V10 C.IB0 D.MD282.只能使用字寻址方式来存取信息的寄存器是()。
A.S B.I C.HC D.AI3.SM是哪个存储器的标识符。
()A.高速计数器B.累加器C.内部辅助寄存器D.特殊辅助寄存器4.CPU214型PLC本机I/O点数为()。
A.14/10 B.8/16 C.24/16 D.14/165.CPU214 型PLC有几个通讯端口()。
A.2个B.1个C.3个D.4个6.HSC1的控制寄存器是()。
A.SMW137 B.SMB57 C.SMB47 D.SMW1477.指令的脉宽值设定寄存器是()。
A.SMW80 B.SMW78 C.SMW68 D.SMW708.顺序控制段开始指令的操作码是()。
A.SCR B.SCRP C.SCRE D.SCRT9.S7-200系列PLC继电器输出时的每点电流值为()。
A.1A B.2A C.3A D.4A10.字传送指令的操作数IN和OUT可寻址的寄存器不包括下列那项()。
2011-2012学年《机械设备控制技术》模拟试卷(一)姓名:分数:一、选择题1.熔断器应()在被保护电路中。
A.串联 B.并联 C.二者均可 D.不确定2.热继电器在电路中具有()保护作用。
A.过载 B.短路 C.欠压 D.失压3.时间继电器的文字符号是()A.FRB.FUC.KTD.QS4.接触器线圈得电时,触电的动作顺序是()A.动和触电先闭合,动断触电后断开B.动断触电先断开,动和触点后闭合C.动合触点与动断点同时动作D.难以确定5.行程开关的文字符号是()A.QSB.KRC.KMD.SQ6.下面不是可编程序控制器特点的是()。
A.编程简单B.可靠性高C.体积大D.使用维护方便7.CPM1A的定时器在使用时()。
A.不能重号B.能重号C.有时能,有时不能8.CPM1A-20的输出通道中,实际能作为输出继电器的有()个。
A.160B.20C.12D.89.PLC的每一周期进行扫描各输入端子状态的阶段是()。
A.输入采样阶段B.程序执行阶段C.输出控制信号阶段10.CPM1A的扩展单元()A.没有CPU,不可单独使用B.没有CPU,但可单独使用C.有CPU,可单独使用11.静止油液中()。
A.任何一点所受的压力都不相等B.油液压力的方向不总是垂直于受压表面C.当一处受压力作用时,将通过油液传递到连通器的任意点上,且压力值处处相等D.内部压力不能传递动力12.普通压力表所测得的压力值表示()。
A.绝对压力B.真空度C.相对压力D.大气压力13.在液压系统的组成中液压缸是()。
A.动力元件B.执行元件C.控制元件D.传动元件14.活塞有效作用面积一定是,活塞的运动速度取决于()。
A.液压缸中油液的压力B.负载阻力的大小C.进入液压缸的流量D.液压泵的输出流量15.当液压系统中几个负载并联时,系统压力取决于克服负载的各压力值中的()值。
A.最小 B.平均 C.最大16.气缸和气马达,他们将压缩空气的压力能转换为机械能,在气压传动系统中属于()。
《可编程控制器技术应用PLC》考试试卷(A)一、填空题。
(每空1分,共20分)1.输入接口电路一般由电路和电路组成。
2.输出接口电路一般分,,三种形式。
3.PLC采用工作方式,其过程可分为五个阶段:,通信处理,输入采样,,称为一个扫描周期。
4.PLC与继电接触器控制的重要区别是工作方式不同。
继电接触器是按“并行”的方式工作的;而PLC是方式工作的,这种方式可以避免继电接触器控制的和问题。
5.评价PLC的常用技术指标有输入输出点数,,,内部继电器配置,等。
6.按结构形式分类,PLC可分为式和式两种。
7.PLC的指令结构一般由,操作码和组成。
8.插入NOP指令时,程序容量,但对算术运算结果没影响。
9.ST和ST/的操作数包括_____________。
二、根据梯形图写指令表、补全时序图并说明其程序功能。
1.2.3.4.5.三、将下列指令语句转换成梯形图。
(每小题5分,共10分)1. ST XO2. ST X0PSHS OT Y0AN X1 ST X1OT Y0 MC 0RDS ST X0AN X2 OT Y1OT R0 ST X2POPS OT Y2AN X3 MCE 0OT Y1《PLC应用技术》精品课——自测试题一、填空题(20分)1.PLC的输出接口类型有、与。
2.PLC的软件系统可分为和两大部分。
3.S7-200型PLC的指令系统有、、三种形式。
4.已知表格如图1所示。
分析执行 FIFO指令后,VW4中的数据是——————。
5.高速计数器定义指令的操作码是。
6.CPU214型PLC的晶体管输出组数为。
7.正跳变指令的梯形图格式为。
8.字节寻址的格式由、、组成。
9.CPU214型PLC共有个计数器。
10.EM231模拟量输入模块最多可连接________个模拟量输入信号。
11.PLC的运算和控制中心是________。
12.S7-200系列PLC的串行通信口可以由用户程序来控制,这种由用户程序控制的通信方式称为___________________。