机械制造基础形成性考核册作业答案
- 格式:pdf
- 大小:4.63 KB
- 文档页数:1
(精华版)国家开放大学电大专科《机械制造基础》形考任务网络核心课标准题库及答案(精华版)国家开放大学电大专科《机械制造基础》形考任务网络核心课标准题库及答案盗传必究形考任务一一、填空题题目1金属材料的力学性能是指在外载荷作用下其抵抗变形或破坏的能力。
题目2强度是指金属材料在外载荷作用下,抵抗塑性变形和断裂的能力。
题目3金属材料在外载荷作用下产生断裂前所能承受塑性变形的能力称为塑性。
题目4在铁碳合金中,莱氏体是由奥氏体和渗碳体所构成的机械混合物。
题目5疲劳强度是表示材料经受无数次交变载荷作用而不引起断裂的最大应力值。
题目6优质碳素结构钢的牌号有两位数字表示,这两位数字具体表示钢中含碳量是万分之几。
题目7合金钢就是在碳钢的基础上有目的地加入一定量合金元素的钢。
题目8橡胶按用途可分为通用橡胶和特种橡胶两大类。
题目9常用的表面热处理工艺有表面淬火和表面化学热处理两种。
题目10淬火前,若钢中存在网状渗碳体,应采用正火的方法予以消除,否则会增大钢的淬透性。
题目11砂型铸造中常用的手工造型方有整模造型、分模造型、挖砂造型、活块造型等。
题目12根据药皮所含氧化物的性质,焊条分为酸性焊条和碱性焊条两类。
题目13冲压生产的基本工序有分离工序和变形工序两大类。
题目14电焊条由焊芯和药皮两部分组成。
二、是非判断题题目15冲击韧性值随温度的降低而增加。
选择一项:错题目16抗拉强度是表示金属材料抵抗最大均匀塑性变形或断裂的能力。
选择一项:对题目17硬度是指金属材料抵抗其他物体压入其表面的能力。
选择一项:错题目18金属材料在外载荷作用下产生断裂前所能承受最大塑性变形的能力称为塑性。
选择一项:对题目19冲击韧性值随温度的降低而减小。
选择一项:对题目20强度越高,塑性变形抗力越大,硬度值也越高。
选择一项:对题目21屈服强度是表示金属材料抵抗微量弹性变形的能力。
选择一项:错题目22冲击韧性值愈大,材料的韧性愈好。
选择一项:对题目23硬度是指金属材料抵抗比它更硬的物体压入其表面的能力。
机械制造基础形成性考核册答案第一章一、填空题1.金属材料的力学性能是指在外载荷作用下其抵抗( 变形) 或( 破坏) 的能力。
2.材料的性能一般分为( 使用性能) 和( 工艺性能) 。
3.材料的使用性能包括( 力学性能) 、 ( 物理性能) 和( 化学性能) 。
4.材料的工艺性能包括( 铸造性) 、 ( 锻造性) 、 ( 焊接性) 、 ( 切削加工性) 和热处理性等。
5.强度是指金属材料在外载荷作用下, 抵抗( 塑性变形) 和( 断裂) 的能力。
6.金属材料在外载荷作用下产生( 断裂前) 所能承受( 最大塑性变形) 的能力称为塑性。
7.金属塑性的指标主要有( 伸长率) 和( 断面收缩率) 两种。
8.金属抵抗冲击载荷的作用而不被破坏的能力称为( 冲击韧性) , 其数值( 愈大) , 材料的韧性愈好。
其数值的大小与试验的温度、试样的形状、表面粗糙度和( 内部组织) 等因素的影响有关。
9.在铁碳合金中, 莱氏体是由( 珠光体) 和( 渗碳体) 所构成的机械混合物。
10.疲劳强度是表示材料经无数次( 交变载荷) 作用而不引起( 断裂) 的最大应力值。
11.低碳钢拉伸试验的过程能够分为弹性变形、 ( 塑性变形) 和( 断裂) 三个阶段。
12.表征金属材料抵抗冲击载荷能力的性能指标是( 冲击韧性) 。
13.表征金属材料抵抗交变载荷能力的性能指标是( 疲劳强度) 。
14.铁碳合金的基本组织有( 铁素体) , ( 奥氏体) , ( 渗碳体) , ( 珠光体) , ( 莱氏体) 五种二、判断题1.冲击韧性值随温度的降低而增加。
( X)2.抗拉强度是表示金属材料抵抗最大均匀塑性变形或断裂的能力。
( √)3.硬度是指金属材料抵抗其它物体压入其表面的能力。
( X)4.金属材料在外载荷作用下产生断裂前所能承受最大塑性变形的能力称为塑性。
( √)5.冲击韧性值随温度的降低而减小。
( √)6.强度越高, 塑性变形抗力越大, 硬度值也越高。
电大机械制造基础形成性考核册作业1答案1、常用的工程材料可以用教材第一页的表格表示,请完成工程材料的分类表:答:1、人们在描述金属材料力学性能重要指标时,经常使用如下术语,请填写其使用的符号和内涵:(a)强度:金属材料在外载荷的作用下抵抗塑性变形和断裂的能力。
强度有屈服强度σs 和抗拉强度σb。
(b)塑性:金属材料在外载荷作用下产生断裂前所能承受最大塑性变形的能力。
(c)强度:是指金属材料抵抗比它更硬的物体压入其表面的能力。
硬度有布氏硬度HBS 和洛氏硬度HR。
(d)冲击韧性:金属抵抗冲击载荷作用而不被破坏的能力。
(e)疲劳强度:金属材料经受无数次交变载荷作用而不引起断裂的最大应力值。
2、参照教材图1—2填写材料拉伸曲线中的相应特征值点的符号,并描述相应的含义。
(a)横坐标表示:试件的变形量ΔL(b)纵坐标表示:载荷F(c)S点:屈服点(d)b点:颈缩点(e)k点:拉断点(f)屈服点以后出现的规律:试样的伸长率又随载荷的增加而增大,此时试样已产生较大的塑性变形,材料的抗拉强度明显增加。
(g)一根标准试样的直径为10mm、标距长度为50mm。
拉伸试验时测出试样在26kN 时屈服,出现的最大载荷为45 kN。
拉断后的标距长度为58mm,断口处直径为7.75mm。
试计算试样的σ0.2、σb。
(h)答:σ0.2=F0.2/S0=26000/(3.14*0.0052)=3.3*108MPaσb=F b/S0=45000/(3.14*0.0052)=5.7*108MPa3、HR是零件设计中常用的表示材料硬度指标。
请回答下表中表示的有效范围和应用范围:HR和HB有什么差别?答:两种都是测试硬度的标准,区别在于测量方法不同。
两种硬度标准根本性区别在于:布氏和洛氏测量的对象不同。
布氏测量低硬度的材料,洛氏测量高硬度的材料。
6、参照教材1-7图补充如下Fe-Fe3C相图缺少的内容(标注相应的数据和材料相符号),思考每个线条和线条包容区域内金属相符号的特点参考上图回答以下问题::(a.).AC线为:合金的液相线(b.).Acm线为:碳在奥氏体中的溶解限度线(c.).AC3线为:奥氏体中开始析出铁素体或铁素体全部溶入奥氏体的转变线(d.).A表示:奥氏体相(e.).F表示:铁素体相(f.).P表示:珠光体相(g.).Ld表示:液相(h.).Fe3C表示:渗碳体相(i.).含碳0.77%为:都是奥氏体(j.).导致过共析钢中材料脆性很高的主要原因是:若加热到略高于AC1温度时,珠光体完全转变成奥氏体,并又少量的渗碳体溶入奥氏体。
机械制造基础形成性考核册作业3答案1、以车床上的外圆加工为例,描述工件上的加工表面。
2、实现对零件的切削加工需要哪些基本运动,它们在切削中的作用是什么?对于车削、铣削、刨削加工来说,主运动是什么?在上图标出车床加工的主运动和进给运动方向。
答:1)主运动2)进给运动3)合成切削运动主运动:直接切除工件上的切削层,使之转变为切屑,从而形成工件新表面。
进给运动:不断地把切削层投入切削,以逐渐切出整个工件表面。
合成切削运动:它是由主运动和进给运动合成的运动。
3、什么是切削层参数?切削用量三要素是什么?试分析多切削刃刀具的铣削中切削层参数变化?答:切削层的尺寸称为切削层参数。
切削用量三要素:1)切削速度2)进给量3)背吃刀量4、从影响切削加工的角度,刀具材料需要具备哪些基本性能要求?归纳教材中列举材料的特点。
答:对刀具切削部分材料的要求:1)高硬度2)高耐磨性3)有足够的强度和韧性4)热硬性刀具材料有:1)碳素工具钢2)合金工具钢3)高速工具钢4)硬质合金5)陶瓷材料6)涂层硬质合金7)人造金刚石8)立方氮化硼5、以外圆车刀为例,画图说明刀具的正交参考系,描述刀具的角度α、β、Kr、ε的含义。
答:教材P126的图8—4。
α后角:在正交平面内度量的后刀面与切削平面之间的夹角。
β楔角:在正交平面内度量的前刀面与后刀面之间的夹角。
Kr主偏角:主切削刃在基面上的投影与进给方向的夹角。
ε刀尖角:在基面内度量的主切削刃与副切削刃之间的夹角。
6、什么是积屑瘤?试述其成因、对加工的影响和精加工中避免产生积屑瘤的金属方案。
答:在切削塑性金属材料时,经常在前刀面上靠刃口处粘结一小块很硬的金属楔块,这个金属楔块称为积屑瘤。
在中速切削塑性材料时,当温度和压力增加到一定程度,底层金属层与刀具前刀面产生粘结时,出现切削“滞流”现象。
继续切削,层层堆积,高度逐渐增加,形成了积屑瘤。
积屑瘤对切削过程的影响:1)刀具实际前角增大2)增大切削厚度3)使加工表面粗糙度值增大4)对刀具耐用度有影响7、切削热对切削过程有什么影响?它是如何产生的传出的?答:在切削加工时,切削力作的功转换为热量,使切削区的温度升高,引起工件的热变形,影响工件的加工精度,加速了刀具磨损。
《机械制造基础》第3次形成性考核册作业答案集团文件发布号:(9816-UATWW-MWUB-WUNN-INNUL-DQQTY-《机械制造基础》第3次形成性考核册作业答案1、表面粗糙度的含义是什么对零件的工作性能有何影响答:零件表面总会存在着由较小间距的峰谷组成的微量高低不平的痕迹,它是一种微观几何形状误差,用粗糙度来表示,表面粗糙度越小,表面越光滑。
表面粗糙度的大小对零件的使用性能和使用寿命的影响如下:1)影响零件的耐磨性;2)影响配合性质的稳定性;3)影响疲劳强度;4)影响抗腐蚀性。
2、在一般情况下,40H7 和80H7 相比,40H6/j5 和40H6/s5 相比,哪个应选用较小的粗糙度值答: 40H7 和80H7 相比,公差等级相同时,基本尺寸越小,粗糙度值就越小。
40H6/j5 和40H6/s5 相比,前者是过渡配合,后者是过盈配合,则过盈配合要求粗糙度值小一些。
3、什么是积屑瘤试述其成因、影响和避免方式。
答:在加工过程中,由于工件材料是被挤裂的,因此切屑对刀具的前面产生有很大的压力,并摩擦生成大量的切削热。
在这种高温高压下,与刀具前面接触的那一部分切屑由于摩擦力的影响,流动速度相对减慢,形成“滞留层”。
当摩擦力一旦大于材料内部晶格之间的结合力时,“滞流层”中的一些材料就会粘附在刀具附近刀尖的前面上,形成积屑瘤。
积屑瘤的影响:1)刀具实际前角增大;2)增大切削厚度;3)使加工表面粗糙度值增大;4)对刀具耐用度有影响。
避免方式:(1)材料的性质材料的塑性越好,产生积屑瘤的可能性越大。
因此对于中、低碳钢以及一些有色金属在精加工前应对于它们进行相应的热处理,如正火或调质等,以提高材料的硬度、降低材料的塑性。
(2)切削速度当加工中出现不想要的积屑瘤时,可提高或降低切削速度,亦可以消除积屑瘤。
但要与刀具的材料、角度以及工件的形状相适应。
(3)冷却润滑冷却液的加入一般可消除积屑瘤的出现,而在冷却液中加入润滑成分则效果更好4、切削热是如何产生的它对切削过程有什么影响答:切削热源于切削层金属产生的弹性变形和塑性变形所作的功,以_____及刀具前后刀面与切屑和工件加工表面间消耗的摩擦功。
电大机械制造基础形成性考核册作业11.常用的工程材料可以用教材第一页的表格表示,请完成工程材料的分类表。
2.人们在描述金属材料力学性能重要指标时,经常使用如下术语,请填写其使用的符号和内涵:(a)强度:(b)塑性:(c)强度:(d)冲击韧性:(e)疲劳强度:3.参照教材图1—2填写材料拉伸曲线中的相应特征值点的符号,并描述相应的含义。
4.一根标准试样的直径为10mm、标距长度为50mm。
拉伸试验时测出试样在26kN时屈服,出现的最大载荷为45 kN。
拉断后的标距长度为58mm,断口处直径为7.75mm。
试计算试样的σ0.2、σb。
5. HR是零件设计中常用的表示材料硬度指标。
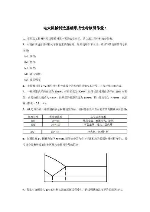
请回答下表中表示的有效范围和应用范围:6.参照教材1-7图补充如下Fe-Fe3C相图缺少的内容(标注相应的数据和材料相符号),思考每个线条和线条包容区域内金属相符号的特点7.假定有含碳量为80%的材料从液态逐渐缓慢冷却,请说明其随温度下降的组织变化。
8. AC3和Acm是重要指标线,在这个温度以下会稳定得逞室温组织。
在高温度附近的冷却速度决定了材料的晶粒大小。
因此,为细化晶粒的退火热处理的工艺设计是需要查阅相图的(通常要高出50°C)。
请同学补充完成下面的回答:9.钢的热处理主要包括淬火、退火、回火、调质处理和渗碳。
它们的主要特点是按照热处理温度、冷却速度、热处理目的或用途、工艺过程安排特点考虑的。
请藐视它们的特点:10.请回答.077%碳钢和1.%碳钢的细化晶粒温度。
11.现有40Cr钢制造的机床主轴,心部要求良好的强韧性(200~300HBS),轴颈处要求硬而耐磨(54~58HRC),试问:(1)应进行哪种预处理和最终热处理?(2)热处理后获得什么组织?(3)热处理工序在加工工艺路线中位置如何安排?12.铸铁是制造机器零件毛坯的主要黑色金属材料之一,请说明铸铁的基本特征。
(牌号、石墨形态、铸造性能、成本等)13.为了获得优质的铸件毛坯,在结构工艺性方面需要注意哪些原则?14.按照碳含量将碳钢分为低、中、高碳钢,参考教材中图3-2归纳碳钢的力学性能随含碳量的变化规律。
国家开放大学《机械制造基础》形考任务(1-4)试题答案解析形考任务一一、填空题(每空2分,共58分)(请选择正确的文字答案填写,例如:塑性变形)试题1满分4.00标记试题试题正文金属材料的力学性能是指在外载荷作用下其抵抗或的能力。
正确答案是:变形、破坏试题2满分4.00标记试题试题正文强度是指金属材料在外载荷作用下,抵抗和的能力。
正确答案是:塑性变形、断裂试题3满分4.00标记试题试题正文金属材料在外载荷作用下产生所能承受的能力称为塑性。
正确答案是:断裂前、最大塑性变形试题4满分4.00标记试题试题正文在铁碳合金中,莱氏体是由和所构成的机械混合物。
正确答案是:珠光体、渗碳体试题5满分4.00标记试题试题正文疲劳强度是表示材料经受无数次作用而不引起的最大应力值。
正确答案是:交变载荷、断裂试题6满分4.00标记试题试题正文优质碳素结构钢的牌号有两位数字表示,这两位数字具体表示钢中是。
正确答案是:含碳量、万分之几试题7满分4.00标记试题试题正文合金钢就是在的基础上有目的地加入一定量的钢。
正确答案是:碳钢、合金元素试题8满分4.00标记试题试题正文橡胶按用途可分为和两大类。
正确答案是:通用橡胶、特种橡胶试题9满分4.00标记试题试题正文常用的表面热处理工艺有和两种。
正确答案是:表面淬火、表面化学热处理试题10满分2.00标记试题试题正文淬火前,若钢中存在网状渗碳体,应采用的方法予以消除,否则会增大钢的淬透性。
正确答案是:正火试题11满分8.00标记试题试题正文砂型铸造中常用的手工造型方有、、、等。
正确答案是:整模造型、分模造型、挖砂造型、活块造型试题12满分4.00标记试题试题正文根据药皮所含氧化物的性质,焊条分为和两类。
正确答案是:酸性焊条、碱性焊条试题13满分4.00标记试题试题正文冲压生产的基本工序有和两大类。
正确答案是:分离工序、变形工序试题14满分4.00标记试题试题正文电焊条由和两部分组成。
电大机械制造基础形成性考核册作业1答案1、常用的工程材料可以用教材第一页的表格表示,请完成工程材料的分类表: 答:1、人们在描述金属材料力学性能重要指标时,经常使用如下术语,请填写其使用的符号和内涵:(a)强度:金属材料在外载荷的作用下抵抗塑性变形和断裂的能力。
强度有屈服强度d s和抗拉强度d b o(b)塑性:金属材料在外载荷作用下产生断裂前所能承受最大塑性变形的能力。
(c)强度:是指金属材料抵抗比它更硬的物体压入其表面的能力。
硬度有布氏硬度HBS和洛氏硬度HR(d)冲击韧性:金属抵抗冲击载荷作用而不被破坏的能力。
(e)疲劳强度:金属材料经受无数次交变载荷作用而不引起断裂的最大应力值。
2、参照教材图1 —2填写材料拉伸曲线中的相应特征值点的符号,并描述相应的含义。
(a)横坐标表示:试件的变形量△ L(b)纵坐标表示:载荷F(c)S点:屈服点(d)b点:颈缩点(e)k点:拉断点(f)屈服点以后出现的规律:试样的伸长率又随载荷的增加而增大,此时试样已产生较大的塑性变形,材料的抗拉强度明显增加。
3、一根标准试样的直径为10mm标距长度为50mm拉伸试验时测出试样在26kN时屈服,出现的最大载荷为45 kN。
拉断后的标距长度为58mm断口处直径为7.75mm o试计算试样的d 0.2、d b o2 8答:d 0.2 =F0.2/S 0=26000/(3.14*0.005 )=3.3*10 MPa2 8d b=F b/S o=45OOO/(3.14*O.OO5 )=5.7*10 MPa4、HR是零件设计中常用的表示材料硬度指标。
请回答下表中表示的有效范围和应用范围:答:两种都是测试硬度的标准,区别在于测量方法不同。
两种硬度标准根本性区别在于:布氏和洛氏测量的对象不同。
布氏测量低硬度的材料,洛氏测量高硬度的材料。
6、参照教材1-7图补充如下Fe-Fe3C相图缺少的内容(标注相应的数据和材料相符号),思考每个线条和线条包容区域内金属相符号的特点参考上图回答以下问题::(a.). AC线为:合金的液相线(b.). Acm线为:碳在奥氏体中的溶解限度线(c.). AC3线为:奥氏体中开始析出铁素体或铁素体全部溶入奥氏体的转变线(d.). A表示:奥氏体相(e.). F表示:铁素体相(f.). P表示:珠光体相(g.). Ld表示:液相(h.). FaC表示:渗碳体相(i.). 含碳0.77 %为:都是奥氏体(j.). 导致过共析钢中材料脆性很高的主要原因是:若加热到略高于AC1温度时, 珠光体完全转变成奥氏体,并又少量的渗碳体溶入奥氏体。
《机械技术基础》形考作业(一)答案一、单选题(每题2分,共30分)1、二力杆是指( b )。
A.只受二力作用的构件B.只受二力作用而处于平衡的构件C.同一点只受二力作用的构件D.二力作用线相同的构件2、作用在刚体上的力可以( c ),并不改变该力对刚体的作用效果。
A.改变其作用大小B.改变其作用方向C.沿作用线滑移D.改变其作用位置3、力F使物体绕点O转动的效果,取决于( c )。
A.力F的大小和力F使物体绕O点转动的方向B.力臂d的长短和力F使物体绕O点转动的方向C.力与力臂乘积F·d的大小和力F使物体绕O点转动的方向D.力与力臂乘积Fd的大小,与转动方向无关4、与作用点无关的矢量是( b )。
A.作用力B.力偶C.力矩D.力偶矩5、设一平面任意力系向某一点O简化得到一合力,如另选适当的点为简化中心O’,力系向该简化中心简化得到( c )。
A.一力偶B.一合力C.一合力和一力偶D.平衡6、当刚体在平面力系作用下保持平衡时,力系的主矢和对任意一点的主矩(b)A.相等B.同时为零C.同时不为零D.不等7、阻碍( a )的物体滑动的力称为静滑动摩擦力。
A.具有滑动趋势B.开始滑动C.静止不动D.任意状态8、静滑动摩擦力的大小等于( d )。
A.大于动滑动摩擦力的常量B.小于动滑动摩擦力的常量C.常量D.变量9、动滑动摩擦力的大小等于( d )。
A.大于静滑动摩擦力的常量B.小于静滑动摩擦力的常量C.变量D.常量10、斜面自锁的条件是斜面的倾角( a )。
A.小于或等于摩擦角B.大于摩擦角C.小于10ºD.小于8 º11、螺纹自锁的条件是( a )。
A.螺旋升角≤摩擦角B.螺旋升角>摩擦角C.导程小于1mm D.直径大于8mm12、动点瞬时加速度等于( b )和法向加速度的矢量和。
A.加速度B.切向加速度C.法向加速度D.全加速度13、刚体平动时,其上各点的速度( d )。
电大机械制造基础形成性考核册作业11.常用的工程材料可以用教材第一页的表格表示,请完成工程材料的分类表。
2.人们在描述金属材料力学性能重要指标时,经常使用如下术语,请填写其使用的符号和内涵:(a)强度:(b)塑性:(c)强度:(d)冲击韧性:(e)疲劳强度:3.参照教材图1—2填写材料拉伸曲线中的相应特征值点的符号,并描述相应的含义。
4.一根标准试样的直径为10mm、标距长度为50mm。
拉伸试验时测出试样在26kN时屈服,出现的最大载荷为45 kN。
拉断后的标距长度为58mm,断口处直径为7.75mm。
试计算试样的σ0.2、σb。
5. HR是零件设计中常用的表示材料硬度指标。
请回答下表中表示的有效范围和应用范围:6.参照教材1-7图补充如下Fe-Fe3C相图缺少的内容(标注相应的数据和材料相符号),思考每个线条和线条包容区域内金属相符号的特点7.假定有含碳量为80%的材料从液态逐渐缓慢冷却,请说明其随温度下降的组织变化。
8. AC3和Acm是重要指标线,在这个温度以下会稳定得逞室温组织。
在高温度附近的冷却速度决定了材料的晶粒大小。
因此,为细化晶粒的退火热处理的工艺设计是需要查阅相图的(通常要高出50°C)。
请同学补充完成下面的回答:9.钢的热处理主要包括淬火、退火、回火、调质处理和渗碳。
它们的主要特点是按照热处理温度、冷却速度、热处理目的或用途、工艺过程安排特点考虑的。
请藐视它们的特点:10.请回答.077%碳钢和1.%碳钢的细化晶粒温度。
11.现有40Cr钢制造的机床主轴,心部要求良好的强韧性(200~300HBS),轴颈处要求硬而耐磨(54~58HRC),试问:(1)应进行哪种预处理和最终热处理?(2)热处理后获得什么组织?(3)热处理工序在加工工艺路线中位置如何安排?12.铸铁是制造机器零件毛坯的主要黑色金属材料之一,请说明铸铁的基本特征。
(牌号、石墨形态、铸造性能、成本等)13.为了获得优质的铸件毛坯,在结构工艺性方面需要注意哪些原则?14.按照碳含量将碳钢分为低、中、高碳钢,参考教材中图3-2归纳碳钢的力学性能随含碳量的变化规律。
1、常用的工程材料可以用教材第一页的表格表示,请完成工程材料的分类表:答:19、人们在描述金属材料力学性能重要指标时,经常使用如下术语,请填写其使用的符号和内涵:(a)强度:金属材料在外载荷的作用下抵抗塑性变形和断裂的能力。
强度有屈服强度σs和抗拉强度σb。
(b)塑性:金属材料在外载荷作用下产生断裂前所能承受最大塑性变形的能力。
(c)强度:是指金属材料抵抗比它更硬的物体压入其表面的能力。
硬度有布氏硬度HBS和洛氏硬度HR。
(d)冲击韧性:金属抵抗冲击载荷作用而不被破坏的能力。
(e)疲劳强度:金属材料经受无数次交变载荷作用而不引起断裂的最大应力值。
20、参照教材图1—2填写材料拉伸曲线中的相应特征值点的符号,并描述相应的含义。
(a)横坐标表示:试件的变形量ΔL(b)纵坐标表示:载荷F(c) S点:屈服点(d) b点:颈缩点(e) k点:拉断点(f)屈服点以后出现的规律:试样的伸长率又随载荷的增加而增大,此时试样已产生较大的塑性变形,材料的抗拉强度明显增加。
21、一根标准试样的直径为10mm、标距长度为50mm。
拉伸试验时测出试样在26kN时屈服,出现的最大载荷为45 kN。
拉断后的标距长度为58mm,断口处直径为7.75mm。
试计算试样的σ0.2、σb。
答:σ0.2=F0.2/S0=26000/(3.14*0.0052)=3.3*108MPa σb=F b/S0=45000/(3.14*0.0052)=5.7*108MPa22、HR是零件设计中常用的表示材料硬度指标。
请回答下表中表示的有效范围和应用范围:答:两种都是测试硬度的标准,区别在于测量方法不同。
两种硬度标准根本性区别在于:布氏和洛氏测量的对象不同。
布氏测量低硬度的材料,洛氏测量高硬度的材料。
6、参照教材1-7图补充如下Fe-Fe3C相图缺少的内容(标注相应的数据和材料相符号),思考每个线条和线条包容区域内金属相符号的特点参考上图回答以下问题::(a.).AC线为:合金的液相线(b.).Acm线为:碳在奥氏体中的溶解限度线(c.).AC3线为:奥氏体中开始析出铁素体或铁素体全部溶入奥氏体的转变线(d.).A表示:奥氏体相(e.).F表示:铁素体相(f.).P表示:珠光体相(g.).Ld表示:液相(h.).Fe3C表示:渗碳体相(i.).含碳0.77%为:都是奥氏体(j.).导致过共析钢中材料脆性很高的主要原因是:若加热到略高于AC1温度时,珠光体完全转变成奥氏体,并又少量的渗碳体溶入奥氏体。
国家开放大学《机械制造基础》形考任务(1-4)试题答案解析形考任务一一、填空题(每空2分,共58分)(请选择正确的文字答案填写,例如:塑性变形)试题1满分4.00标记试题试题正文金属材料的力学性能是指在外载荷作用下其抵抗或的能力。
正确答案是:变形、破坏试题2满分4.00标记试题试题正文强度是指金属材料在外载荷作用下,抵抗和的能力。
正确答案是:塑性变形、断裂试题3满分4.00标记试题试题正文金属材料在外载荷作用下产生所能承受的能力称为塑性。
正确答案是:断裂前、最大塑性变形试题4满分4.00标记试题试题正文在铁碳合金中,莱氏体是由和所构成的机械混合物。
正确答案是:珠光体、渗碳体试题5满分4.00标记试题试题正文疲劳强度是表示材料经受无数次作用而不引起的最大应力值。
正确答案是:交变载荷、断裂试题6满分4.00标记试题试题正文优质碳素结构钢的牌号有两位数字表示,这两位数字具体表示钢中是。
正确答案是:含碳量、万分之几试题7满分4.00标记试题试题正文合金钢就是在的基础上有目的地加入一定量的钢。
正确答案是:碳钢、合金元素试题8满分4.00标记试题试题正文橡胶按用途可分为和两大类。
正确答案是:通用橡胶、特种橡胶试题9满分4.00标记试题试题正文常用的表面热处理工艺有和两种。
正确答案是:表面淬火、表面化学热处理试题10满分2.00标记试题试题正文淬火前,若钢中存在网状渗碳体,应采用的方法予以消除,否则会增大钢的淬透性。
正确答案是:正火试题11满分8.00标记试题试题正文砂型铸造中常用的手工造型方有、、、等。
正确答案是:整模造型、分模造型、挖砂造型、活块造型试题12满分4.00标记试题试题正文根据药皮所含氧化物的性质,焊条分为和两类。
正确答案是:酸性焊条、碱性焊条试题13满分4.00标记试题试题正文冲压生产的基本工序有和两大类。
正确答案是:分离工序、变形工序试题14满分4.00标记试题试题正文电焊条由和两部分组成。
电大机械制造基础形成性考核册作业2答案1.什么是基准制?为什么要规定基准制?在哪些情况下采用基轴制?答:基准制是指同一限制的孔和轴组成配合的一种制度。
以两个相配合的零件中的一个零件为基准件,并选定标准公差带,而改变另一个零件的公差带位置,从而形成各种配合的一种制度。
一般情况下优先才用基孔制,加工时可以减少刀具、量具的数量,比较经济实惠。
基轴制通常用于下列情况:1)所用配合的公差等级要求不高。
2)活塞销和孔要求过渡配合。
3)在同一基本尺寸的各个部分需要装上不同配合的零件。
2.什么叫配合?配合的特征由什么来表示?答:配合是指基本尺寸相同的,相互结合的孔、轴公差带之间的关系。
配合的特征由配合的种类来表示,即1)间隙配合2)过盈配合3)过渡配合3.形位公差特征共有几项?其名称和符号是什么?答:形位公差国家标准分为14种。
其名称及符号如教材P93页的表6—14.用查表法确定下列各配合的孔、轴的极限偏差、计算极限间隙量(或过盈量),并画出公差带图。
孔的极限偏差轴的极限偏差极限间隙(过盈)公差带图Φ20H8/f7 +0.033 0 -0.020 -0.041 74 20 Φ30F8/h7 +0.053 +0.020 0 -0.021 74 20 Φ14H7/r6 +0.018 0 +0.034 +0.023 -5 -34 Φ60P6/h5 -0.026 -0.045 0 -0.013 -13 -45Φ45JS6/h5 +0.008 -0.008 0 -0.011 19 -8Φ40H7/t6 +0.025 0 +0.064 +0.048 -23 -645试解释图1注出的各项形位公差(说明被测要素、基准要素、公差带形状、大小和方位)。
图1答:答:A:当被测要素围绕基准线A作无轴向移动旋转一周时,在任一测量平面内的径向圆跳动量均不大于0.025mm;被测圆柱面必须位于半径差为公差值0.006mm的两同轴圆柱面之间。
机械制造基础形成性考核册作业答案
1、举例说明生产纲领在生产活动中的作用,说明划分生产类型的规律。
答:产品的年生产纲领是指企业在计划期内应当生产的产品产量和进度计划。
在计算出零件的生产纲领以后,即可根据生产纲领的大小,确定相应的生产类型。
2、何谓机床夹具?夹具有哪些作用?
答:在机械加工中,为了保证工件加工精度,使之占有确定位置以接受加工或检测的工艺装备统称为机床夹具,简称夹具。
作用:1)保证产品加工精度,稳定产品质量。
2)提高生产效率,降低加工成本。
3)改善工人的劳动条件。
4)扩大机床的工艺范围。
3、机床夹具有哪几个组成部分?各起何作用?
答:机床夹具大致可以分为6部分。
1)定位部分:用以确定工件在夹具中的正确位置。
2)夹紧元件:用以夹紧工件,确保工件在加工过程中不因外力作用而破坏其定位精
度。
3)导向、对刀元件:用以引导刀具或确定刀具与被加工工件加工表面间正确位置。
4)连接元件:用以确定并固定夹具本身在机床的工作台或主轴上的位置。
5)夹具体:用以连接或固定夹具上各元件使之成为一个整体。
6)其他装置和元件。
4、工件夹紧的基本要求是什么?
答:1)夹紧既不应破坏工件的定位,又要有足够的夹紧力,同时又不应产生过大的夹紧变形,不允许产生振动和损伤工件表面。
2)夹紧动作迅速,操作方便、安全省力。
3)手动夹紧机构要有可靠的自锁性;机动夹紧装置要统筹考虑其自锁性和稳定的原动力。
4)结构应尽量简单紧凑,工艺性要好。
5、什么叫“六点定位原则”?什么是欠定位?过定位?
答:夹具用合理分布的六个支承点限制工件的六个自由度,即用一个支承点限制工件的一个自由度的方法,使工件在夹具中的位置完全确定,这就是六点定位原理。
根据工件的加工要求,应该限制的自由度没有完全被限制的定位,称为欠定位。
同一个自由度被几个支承点重复限制的情况,称为过定位(也称为重复定位、超定位)
6、什么是粗基准?如何选择粗基准?
答:采用毛坯上未经加工的表面来定位,这种定位基准称为粗基准。