建设工程扬尘污染防治费明细表
- 格式:docx
- 大小:9.12 KB
- 文档页数:1
附表1:建设工程施工扬尘污染防治措施费用计算表附表2:建设工程施工扬尘污染防治措施费用计算表安徽省2013年关于调整执行建设工程定额人工费的实施意见造计〔2013〕16号各市造价(定额)站:根据省住房和城乡建设厅《关于调整建设工程定额人工费的通知》(建标〔2013〕155号)精神,我省建设工程定额人工费单价由57元/工日调整为68元/工日。
为便于贯彻实施,经研究提出如下实施意见:一、适用范围:凡执行我省现行建设工程计价依据的,包括建筑、安装、装饰装修、市政、房屋修缮、仿古建筑及园林、城市轨道交通、抗震加固等工程,均执行本实施意见。
二、调整的人工费单价包括的内容:主要包括定额人工费组成的内容及流动施工津贴,不包括社会保障费、住房公积金等费用。
三、执行清单计价的工程:1、对于执行2005年《建设工程工程量清单计价规范》及其配套清单计价依据的,原定额人工费单价为31元/工日,现调整为68元/工日,调整增加的人工费不参与取费,只计取税金。
其中装饰装修工程定额人工费单价可由工程当事人视工程技术特点、难易程度等,在合同中约定单价标准,但最高不得超过101元/工日。
2、对于执行2009年《安徽省建筑、装饰装修工程计价定额综合单价》、《安徽省安装工程(常用册)计价定额综合单价》的,原定额人工费单价为39元/工日,现调整为68元/工日,调整增加的人工费不参与取费,只计取税金。
3、对于执行2010年《安徽省城市轨道交通工程计价定额综合单价》的,原定额人工费单价为39元/工日,现调整为68元/工日,调整增加的人工费不参与取费,只计取税金。
四、执行定额计价的工程:其定额人工费单价统一调整为68元/工日,原定额中3.5元/工日的流动施工津贴均不再计取。
取消定额人工工日地区差价。
1、对于执行2000年建筑、安装、仿古建筑及园林定额计价依据的,原定额人工费单价(分别为27.64元/工日、25.84元/工日、24.55元/工日)统一调整到68元/工日,其价差计取税金后,计入工程总价。
建设工程施工扬尘污染防治措施费用计算表建设工程施工扬尘污染防治措施费用计算表安徽省2013年关于调整执行建设工程定额人工费的实施意见造计〔2013〕16号各市造价(定额)站:根据省住房和城乡建设厅《关于调整建设工程定额人工费的通知》(建标〔2013〕155号)精神,我省建设工程定额人工费单价由57元/工日调整为68元/工日。
为便于贯彻实施,经研究提出如下实施意见:一、适用范围:凡执行我省现行建设工程计价依据的,包括建筑、安装、装饰装修、市政、房屋修缮、仿古建筑及园林、城市轨道交通、抗震加固等工程,均执行本实施意见。
二、调整的人工费单价包括的内容:主要包括定额人工费组成的内容及流动施工津贴,不包括社会保障费、住房公积金等费用。
三、执行清单计价的工程:1、对于执行2005年《建设工程工程量清单计价规范》及其配套清单计价依据的,原定额人工费单价为31元/工日,现调整为68元/工日,调整增加的人工费不参与取费,只计取税金。
其中装饰装修工程定额人工费单价可由工程当事人视工程技术特点、难易程度等,在合同中约定单价标准,但最高不得超过101元/工日。
2、对于执行2009年《安徽省建筑、装饰装修工程计价定额综合单价》、《安徽省安装工程(常用册)计价定额综合单价》的,原定额人工费单价为39元/工日,现调整为68元/工日,调整增加的人工费不参与取费,只计取税金。
3、对于执行2010年《安徽省城市轨道交通工程计价定额综合单价》的,原定额人工费单价为39元/工日,现调整为68元/工日,调整增加的人工费不参与取费,只计取税金。
四、执行定额计价的工程:其定额人工费单价统一调整为68元/工日,原定额中3.5元/工日的流动施工津贴均不再计取。
取消定额人工工日地区差价。
1、对于执行2000年建筑、安装、仿古建筑及园林定额计价依据的,原定额人工费单价(分别为27.64元/工日、25.84元/工日、24.55元/工日)统一调整到68元/工日,其价差计取税金后,计入工程总价。
附表1:之答禄夫天创作建设工程施工扬尘污染防治办法费用计算表附表2:建设工程施工扬尘污染防治办法费用计算表造计〔〕16号各市造价(定额)站:根据省住房和城乡建设厅《关于调整建设工程定额人工费的通知》(建标〔〕155号)精神,我省建设工程定额人工费单价由57元/工日调整为68元/工日.为便于贯彻实施,经研究提出如下实施意见:一、适用范围:凡执行我省现行建设工程计价依据的,包括建筑、装置、装饰装修、市政、房屋修缮、仿古建筑及园林、城市轨道交通、抗震加固等工程,均执行本实施意见.二、调整的人工费单价包括的内容:主要包括定额人工费组成的内容及流动施工津贴,不包括社会保证费、住房公积金等费用.三、执行清单计价的工程:•1、对执行《建设工程工程量清单计价规范》及其配套清单计价依据的,原定额人工费单价为31元/工日,现调整为68元/工日,调整增加的人工费不介入取费,只计取税金.其中装饰装修工程定额人工费单价可由工程当事人视工程技术特点、难易水平等,在合同中约订单价标准,但最高不得超越101元/工日.•2、对执行《建筑、装饰装修工程计价定额综合单价》、《装置工程(经常使用册)计价定额综合单价》的,原定额人工费单价为39元/工日,现调整为68元/工日,调整增加的人工费不介入取费,只计取税金.•3、对执行《城市轨道交通工程计价定额综合单价》的,原定额人工费单价为39元/工日,现调整为68元/工日,调整增加的人工费不介入取费,只计取税金.四、执行定额计价的工程:其定额人工费单价统一调整为68元/工日,原定额中3.5元/工日的流动施工津贴均不再计取.取消定额人工工日地域差价.•1、对执行2000年建筑、装置、仿古建筑及园林定额计价依据的,原定额人工费单价(分别为27.64元/工日、25.84元/工日、24.55元/工日)统一调整到68元/工日,其价差计取税金后,计入工程总价.•2、对执行1999年《全国统一建筑工程基础定额装饰工程综合估价表》的,原定额人工费单价(分别为19.69元/工日、22.00元/工日、26.00元/工日)现统一调整为68元/工日,其价差计取税金后,计入工程总价.•3、对执行1999年《全国统一房屋修缮工程预算定额综合价格》的,原定额人工费单价为19.69元/工日,现调整为68元/工日,其价差计取税金后,计入工程总价.•4、对执行2000年《全国统一市政工程预算定额估价表》的,原定额人工费单价为25.84元/工日,现调整为68元/工日,其价差计取税金后,计入工程总价.•5、对执行《抗震加固工程计价定额》的,原定额人工费单价为57元/工日,现调整为68元/工日,其价差计取税金后,计入工程总价.•6、对执行《建设工程概算定额》的,原定额人工费单价为47元/工日,现调整为68元/工日,其价差计取税金后,计入工程总价.•7、施工机械台班费中的人工费调整应根据相应的定额和施工机械台班费用定额,分析机械台班用工量后,进行人工价差调整,其调整部份计取税金后,计入工程总价.五、执行时间:本实施意见自11月1日起执行.跨年度工程按工程合同约定规画.建设工程造价管理总站。
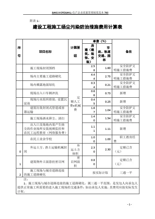
附表1:
建设工程施工扬尘污染防治措施费用计算表
项目名称
施工现场封闭围档
场内主要施工道路硬化场内裸露地面绿化
现场出入口车辆冲洗
计算基
础
定额人工费+机械
费
网面积(元)
施工现场与城市道路连
按实际计取三通一平接的施工道路硬化
注:
1、施工现场与城市道路连接的施工道路硬化,属三通一平范围,是发包人
向承包人提供正常施工所需要的进入施工现场的交通条件;如由承包人实施,
其费用应按实际发生计取。
2、单独承接装饰工程,其建设工程扬尘污染防治措施费用本表“房建(建
筑、装饰、安装)”费率的70%+取。
3、单独承接安装工程,其扬尘污染防治措施费用本表“房建(建筑、装饰、
安装)”费率的的50%计取。
4、2015年4月1日前签订的合同,建设工程扬尘污染防治措施费用仍按
《关于建设工程施工扬尘治理措施费用计取的通知》(合造价[2013]17号)规定计取。
附表2:
建设工程施工扬尘污染防治措施费用计算表
合肥市建设工程造价管理站建筑多层标准计算。
4、表中装饰工程为二次装修或单独承包的工程,安装工程为单独承
包的工程。
附表1:建设工程施工扬尘污染防治措施费用计算表序号项目名称计算基础率费(%)备注房建(建筑、装饰、安装)市政、轨道交通、园林1 施工现场封闭围档定额人工费+机械费2.58 1.60安全防护文明施工措施费2 场内主要施工道路硬化 4.44 2.75安全防护文明施工措施费3 场内裸露地面绿化0.34 0.21安全防护文明施工措施费4 现场出入口车辆冲洗0.66 0.73 新增5 现场污水组织排放,设置沉淀池0.45 0.25 新增6建筑垃圾封闭式管道或容器运输1.67 1.04安全防护文明施工措施费7 施工现场洒水降尘、清扫 1.40 1.54安全防护文明施工措施费8 出入口及场地内易产生扬尘的作业场所安装视频监控和农民工远程教育(网络服务费)1.11 1.11 新增9 农民工业余学校 1.00 1.00 职工教育经费10 外运土方、渣土运输机械封闭外运土方体积2.30 2.30 定额已含(元)11 建筑物外立面悬挂密目网密目网面积0.80 定额已含(元)12施工现场与城市道路连接的施工道路硬化按实际计取三通一平注:1、施工现场与城市道路连接的施工道路硬化,属三通一平范围,是发包人向承包人提供正常施工所需要的进入施工现场的交通条件;如由承包人实施,其费用应按实际发生计取。
2、单独承接装饰工程,其建设工程扬尘污染防治措施费用本表“房建(建筑、装饰、安装)”费率的70%计取。
3、单独承接安装工程,其扬尘污染防治措施费用本表“房建(建筑、装饰、安装)”费率的的50%计取。
4、2015年4月1日前签订的合同,建设工程扬尘污染防治措施费用仍按《关于建设工程施工扬尘治理措施费用计取的通知》(合造价[2013]17号)规定计取。
附表2:建设工程施工扬尘污染防治措施费用计算表项目名称计算基础单位施工扬尘治理措施费用房屋民用建筑及公共建筑多层建筑面积(㎡)元22.50 小高层27.00单层15.00厂房多层24.00装饰装饰 6.00安装安装 4.50注:1、未以相关定额作为合同价款确定依据的,其建设工程施工扬尘污染防治措施费用依据本表计算。
附表1:建设工程施工扬尘污染防治措施费用计算表序号项目名称计算基础率费(%)备注房建(建筑、装饰、安装)市政、轨道交通、园林1 施工现场封闭围档定额人工费+机械费安全防护文明施工措施费2 场内主要施工道路硬化安全防护文明施工措施费3 场内裸露地面绿化安全防护文明施工措施费4 现场出入口车辆冲洗新增5 现场污水组织排放,设置沉淀池新增6 建筑垃圾封闭式管道或容器运输安全防护文明施工措施费7 施工现场洒水降尘、清扫安全防护文明施工措施费8 出入口及场地内易产生扬尘的作业场所安装视频监控和农民新增工远程教育(网络服务费)9 农民工业余学校职工教育经费10 外运土方、渣土运输机械封闭外运土方体积定额已含(元)11 建筑物外立面悬挂密目网密目网面积定额已含(元)12 施工现场与城市道路连接的施工道路硬化按实际计取三通一平注:1、施工现场与城市道路连接的施工道路硬化,属三通一平范围,是发包人向承包人提供正常施工所需要的进入施工现场的交通条件;如由承包人实施,其费用应按实际发生计取。
2、单独承接装饰工程,其建设工程扬尘污染防治措施费用本表“房建(建筑、装饰、安装)”费率的70%计取。
3、单独承接安装工程,其扬尘污染防治措施费用本表“房建(建筑、装饰、安装)”费率的的50%计取。
4、2015年4月1日前签订的合同,建设工程扬尘污染防治措施费用仍按《关于建设工程施工扬尘治理措施费用计取的通知》(合造价[2013]17号)规定计取。
附表2:建设工程施工扬尘污染防治措施费用计算表项目名称计算基础单位施工扬尘治理措施费用房屋民用建筑及公共建筑多层建筑面积(㎡)元小高层厂房单层多层装饰装饰安装安装注:1、未以相关定额作为合同价款确定依据的,其建设工程施工扬尘污染防治措施费用依据本表计算。
2、表中多层为:3--6层,小高层为:7--11层。
3、表中单层厂房以钢结构厂房为主,若混凝土结构,按民用建筑多层标准计算。
4、表中装饰工程为二次装修或单独承包的工程,安装工程为单独承包的工程。
附表1:之勘阻及广创作建设工程施工扬尘污染防治办法费用计算表附表2:建设工程施工扬尘污染防治办法费用计算表造计〔〕16号各市造价(定额)站:根据省住房和城乡建设厅《关于调整建设工程定额人工费的通知》(建标〔〕155号)精神, 我省建设工程定额人工费单价由57元/工日调整为68元/工日.为便于贯彻实施, 经研究提出如下实施意见:一、适用范围:凡执行我省现行建设工程计价依据的, 包括建筑、装置、装饰装修、市政、房屋修缮、仿古建筑及园林、城市轨道交通、抗震加固等工程, 均执行本实施意见.二、调整的人工费单价包括的内容:主要包括定额人工费组成的内容及流动施工津贴, 不包括社会保证费、住房公积金等费用.三、执行清单计价的工程:•1、对执行《建设工程工程量清单计价规范》及其配套清单计价依据的, 原定额人工费单价为31元/工日, 现调整为68元/工日, 调整增加的人工费不介入取费, 只计取税金.其中装饰装修工程定额人工费单价可由工程当事人视工程技术特点、难易水平等, 在合同中约订单价标准, 但最高不得超越101元/工日.•2、对执行《建筑、装饰装修工程计价定额综合单价》、《装置工程(经常使用册)计价定额综合单价》的, 原定额人工费单价为39元/工日, 现调整为68元/工日, 调整增加的人工费不介入取费, 只计取税金.•3、对执行《城市轨道交通工程计价定额综合单价》的, 原定额人工费单价为39元/工日, 现调整为68元/工日, 调整增加的人工费不介入取费, 只计取税金.四、执行定额计价的工程:其定额人工费单价统一调整为68元/工日, 原定额中3.5元/工日的流动施工津贴均不再计取.取消定额人工工日地域差价.•1、对执行2000年建筑、装置、仿古建筑及园林定额计价依据的, 原定额人工费单价(分别为27.64元/工日、25.84元/工日、24.55元/工日)统一调整到68元/工日, 其价差计取税金后, 计入工程总价.•2、对执行1999年《全国统一建筑工程基础定额装饰工程综合估价表》的, 原定额人工费单价(分别为19.69元/工日、22.00元/工日、26.00元/工日)现统一调整为68元/工日, 其价差计取税金后, 计入工程总价.•3、对执行1999年《全国统一房屋修缮工程预算定额综合价格》的, 原定额人工费单价为19.69元/工日, 现调整为68元/工日, 其价差计取税金后, 计入工程总价.•4、对执行2000年《全国统一市政工程预算定额估价表》的, 原定额人工费单价为25.84元/工日, 现调整为68元/工日, 其价差计取税金后, 计入工程总价.•5、对执行《抗震加固工程计价定额》的, 原定额人工费单价为57元/工日, 现调整为68元/工日, 其价差计取税金后, 计入工程总价.•6、对执行《建设工程概算定额》的, 原定额人工费单价为47元/工日, 现调整为68元/工日, 其价差计取税金后, 计入工程总价.•7、施工机械台班费中的人工费调整应根据相应的定额和施工机械台班费用定额, 分析机械台班用工量后, 进行人工价差调整, 其调整部份计取税金后, 计入工程总价.五、执行时间:本实施意见自11月1日起执行.跨年度工程按工程合同约定规画.建设工程造价管理总站。