砖砌雨、污水检查井施工工艺-secret
- 格式:doc
- 大小:82.00 KB
- 文档页数:6
砖砌雨污水排水井施工工艺1. 引言本文档旨在介绍砖砌雨污水排水井施工工艺。
在设计和施工过程中,务必遵循相关法规和标准,确保施工质量和安全性。
2. 施工前准备在开始施工前,应进行必要的准备工作。
这包括确定施工位置、获取必要的施工许可和施工图纸等。
3. 施工材料和设备在进行砖砌雨污水排水井施工时,需要准备以下材料和设备:- 砖块:应选择符合相关标准的砖块,确保质量和耐久性。
- 水泥:用于粘结砖块和填充缝隙。
- 沙子:用于混合水泥。
- 水位仪:用于确定施工高度。
- 手动工具:如铲子、铁锹、水平仪等。
4. 施工步骤以下是砖砌雨污水排水井施工的基本步骤:4.1 准备基底在施工位置清理出合适的基底,确保平整和牢固。
4.2 搭建模板根据施工图纸要求,利用木板搭建出井口和井筒的模板。
4.3 砌筑井口按照设计要求,在模板内部开始砌筑井口砖墙,使用水平仪保证垂直度和水平度。
4.4 砌筑井筒完成井口后,继续砌筑井筒,注意处理连接点和保持砌筑的稳固性。
4.5 完善细节井筒砌筑完成后,检查井口和井筒之间的连接情况,确保无渗漏和缝隙。
修整井口边缘,使其平整。
4.6 确保排水通畅安装适当的排水设备,如排水管道和盖板,以确保雨污水能够顺畅排出。
5. 施工质量检验施工完成后,进行质量检验以确保施工质量符合要求。
检查砖墙的垂直度、水平度和连接情况,同时进行水密性和排水通畅性测试。
6. 安全注意事项在施工过程中,务必采取必要的安全措施,包括佩戴防护装备,遵守相关操作规范和安全操作指南。
7. 结论本文档介绍了砖砌雨污水排水井施工的基本工艺。
在实际施工中,应根据具体情况进行调整和优化,同时保证施工质量和安全性。
> 注意:本文档仅供参考,具体施工应根据实际情况和相关法规进行。
质检表4
年月日编号:井-
检查井井身尺寸;
质检表4
质检表4
2009年月日编号:
踏步安装牢固,位置准确,
各项偏差均符合
程质量检验评定标准》
质检表4
1、骨架的长度;
保护层厚度;
钢筋表面洁净、
油渍、油漆等油污;钢筋平直,调直
质检表4
2009年月日编号:
7.检查井井身尺寸;
8.井盖高程;
质检表4工程名称
圆形砖砌雨污水检查井
保护层厚度;4、其它;
经检查,钢筋表面洁净、
油渍、油漆等油污;钢筋平直,调直
质检表4
2009年月日编号:
工程名称
质检表4
油渍、油漆等油污;钢筋平直,调直
技术负责人
质检表4
2009年月日编号:
工程名称
井盖高程;
井底高程。
质检表4
盖板钢筋制作、绑扎
隐检内容:
钢筋表面洁净、无锈皮、
施工项目
技术负责人
隐蔽工程检查验收记录
质检表4
2009年月日编号:
隐检内容:
16.检查井井身尺寸;
隐蔽工程检查验收记录
质检表4工程名称
钢筋弯曲成形后,表面没有裂纹、。
砖砌雨、污水检查井施工工艺1、适用范围地基承载力较好,地下水位较低的雨、污水管道2、施工准备2、1材料要求1、水泥、砂、砖、掺合料及水等经检验合格,其数量应满足施工需要,质量要满足砂浆拌制的各项要求。
2、砖、砂浆、盖板砼抗压强度应符合设计要求。
3、井圈、井盖、踏步的选用符合设计要求。
2、2施工机具与设备砂浆拌制设备、数量、能力应满足现场拌制需要。
2、3作业条件1、排水管道检查井基础强度应满足设计要求,表面清理干净整洁。
2、测设井位轴线位置并标示井底高程(流水面高程)。
3、所用材料已运至施工现场,数量满足施工需要。
4、施工用砂浆配合比已完成并满足施工需要。
5、井室内未接通的备用支线管口已封堵完成。
2、4技术准备1、图纸(标准图集) 会审已完成并进行了设计交底。
2、施工人员获得了技术交底和安全交底,明确施工井位、砂浆等级等质量要求。
3、操作工艺3、1 工艺流程:井底基础→砌筑井室及井内流槽,表面应用砂浆分层压实抹光→井室收口及井内壁原浆勾缝,踏步安装→预留支管的安装与井壁衔接处理→井身二次接高至规定高程→浇筑或安装井圈→井盖就位。
3、2 操作办法1、井底基础应与管道基础同时浇筑。
2、砌筑井室时,用水冲净基础后,先铺一层砂浆,再压砖砌筑,必须做到满铺满挤,砖与砖之间灰缝保持1㎝。
3、排水管道检查井内的流槽应与井壁同时砌筑,当采用石砌时,表面应用砂浆分层压实抹光,流槽应与上下游管道接顺,管内底高程应符合本工艺质量标准的要求。
4、砖砌圆形检查井时,应随时检测直径尺寸,当需要收口时,如为四面收进,则每次收进不应大于30㎜;如为三面收进,则每次收进不应大于50㎜;砌筑检查井的内壁应采用原浆勾缝,在有抹面要求时,内壁抹面应分层压实,外壁用砂浆搓缝并应压实。
5、砌筑检查井的踏步应随砌随安,位置准确,踏步安装后在砌筑砂浆或砼未达到规定抗压强度前不得踩踏。
6、砌筑检查井的预留管应随砌随安,预留管的管径、方向、标高应符合设计要求,管与井壁衔接处应严密不得漏水,预留支管口应用低强度等级砂浆砌筑封口抹平。
砖砌检查井、雨水口井施工方法砌筑用砖采用同一厂家产品,砖表面要平整,无大缺角,强度符合设计要求.砌筑时,砖要淋水湿润,并控制好含水率在10~15%左右,一般以水浸入砖内四周10~15mm为宜,不可于砖上墙,以保证砂浆与砖块的粘结力。
砌砖时要按皮数杆砖外挂线.皮数杆是用来控制井室各部位的标高,并控制灰缝厚度的标准,实际上每10块砖平均调整砖缝在8~10mm之间的厚度.皮数杆的架设应牢固可靠,杆底要垫实、钉牢,底标高用水准仪进行找平,要准确统一.砖砌筑形式有一丁一顺、三丁一顺,施工前按所定砌法进行摆砖,按灰缝8~10mm。
宽度排砖,务必使丁砖摆底各皮砖的灰缝错开。
同一皮砖的砖面要水平,同一墙面上各部位组砌方法应统一,并使上下一致,排砖时由施工员和测量员反复核。
砌砖的操作方法为“三一”砌法,即指“一铲灰、一块砖、一揉挤" 的方法.竖缝宜采用挤浆或加浆法,俗称“顶头灰".先用砖刀铺浆,双手同时拿砖分前后挤浆砌平,做到调好准线后要“上跟线,下跟棱,左右相平要对平”。
随砌随刮顶头灰,始终保持内外搭接,上下错缝(1/4砖长),严禁用水冲浆灌缝,坚持三皮一吊,五皮一靠的方法,以保证砌筑质量。
支管及预埋管和扶梯尺寸位置准确预埋,避免事后凿补。
施工抹灰前,对墙体进行洒水湿润,对表面凹凸部位凿平或用1:3的水泥砂浆填平补齐。
施工时要自下而上的往上抹,确定大致抹灰厚度,用贴饼控制其垂直平整度。
然后用钢袜子按贴饼厚度上灰,用直压条初次找平,再用木抹子粗磨。
按灰浆的口水程度收水后,进行第一次压光,磨平和压光时用力要轻重一致,方向一致.在面层稍于手捺有轻微印痕时进行第二次压光,然后进行保养。
检查井的质量要求:a、井壁必须互相垂直,没有通缝,必须保证灰浆饱满,灰缝平整,抹面压光,不得有空鼓裂缝等现象。
b、井内流槽应平顺,踏步应安装牢固,位置准确,不得有建筑垃圾等杂物。
c、井框、井盖必须完整无损,安装平稳,位置正确。
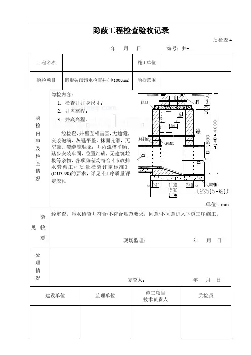
04s516排水雨、污检查井隐检表s e c r e t隐蔽工程检查验收记录质检表4年月日编号:井-工程名称施工单位隐检项目圆形砖砌污水检查井(Φ1000mm) 隐检范围隐检内容及检查情况隐检内容:1.检查井井身尺寸;2.井盖高程;3.井底高程。
经检查,井壁互相垂直,无通缝,灰浆饱满,灰缝平整,抹面光滑,无空鼓、裂缝等现象;井内流槽平顺,踏步安装牢固,位置准确,无建筑垃圾等杂物,各项偏差均符合《市政排水管渠工程质量检验评定标准》(CJJ3-90)的要求,详见《工序质量评定表》。
DD单位:mm验收意见经审查,污水检查井符合/不符合规范要求,同意/不同意进入下道工序施工。
现场监理:年月日处理情况复查人:年月日建设单位监理单位施工项目技术负责人质检员隐蔽工程检查验收记录质检表42009年月日编号:工程名称施工单位隐检项目圆形砖砌雨污水检查井(Φ1000mm)盖板钢筋制作、绑扎隐检范围隐检内容及检查情况隐检内容:1、骨架的长度;2、受力钢筋间距;3、保护层厚度;4、其它;经检查,钢筋表面洁净、无锈皮、油渍、油漆等油污;钢筋平直,调直后表面伤痕及锈蚀没有使截面积减小;钢筋弯曲成形后,表面没有裂纹、鳞落或断裂等现象。
钢筋绑扎成型的网片稳定、牢固,在安装及浇注混凝凝土时无松动功变形。
所配置钢筋的级别、直径、长度、间距、数量等量测各项内容均符合《市政排水管渠工程质量检验评定标准》(CJJ3-90)的要求,详见工序质量评定表。
①②③④⑤⑥⑦⑧⑨⑩s515-23单位:mm验收意见经审查,本段检查井盖板钢筋制作、绑扎符合/不符合设计及施工规范要求,同意/不同意进入下道工序施工。
现场监理:年月日处理情况复查人:年月日建设单位监理单位施工项目技术负责人质检员隐蔽工程检查验收记录质检表42009年月日编号:工程名称施工单位隐检项目圆形砖砌污水检查井(Φ1250mm) 隐检范围隐检内容及检查情况隐检内容:4.检查井井身尺寸;5.井盖高程;6.井底高程。
7砖砌雨污水检查井施工工艺7.1适用范围地基承载力较好,地下水位较低的雨污水管道。
7.2施工准备7。
2。
1材料要求:1水泥、砂、砖、掺和料及水等经检验合格,其数量应满足施工需要,质量要满足砂浆拌制的各项要求。
2砖、砂浆、盖板混凝土抗压强度应符合设计要求。
3井圈、井盖、踏步的选用符合设计要求。
7。
2。
2施工机具与设备:砂浆拌制设备、数量、能力应满足现场搅拌需要。
7.2。
3作业条件:1排水管道检查井基础强度应满足设计要求,表面清理干净整洁.2测设井位轴线位置并标示境地高程(流水面高程)。
3所用材料已运至施工现场,数量满足施工需要。
4施工用砂浆配合比已完成并满足施工需要.5井室内未接通的备用支线管口已封堵完成.7。
2.4技术准备:1图纸(标准图集)会审已完成并进行了设计交底.2施工人员获得了技术交底和安全交底,明确施工井位、砂浆等级质量要求。
7.3操作工艺7.3.1工艺流程:井底基础-—-砌筑井室及井内流槽,表面应用砂浆分层压实抹光-——井室收口及井内壁原浆勾缝,踏步安装——-预留支管的安装与井壁衔接处理---井身二次接高至规定高程———浇注或安装警犬———井盖就位.7.3.2操作办法:1井底基础应与管道基础同时浇注。
2砌筑井室时,用水冲净基础后,先铺一层砂浆,再压砖砌筑,必须做到满铺满挤,砖与砖间灰缝保持1cm。
3排水管道检查井内的流槽应与井壁同时砌筑,当采用石砌时,表面应用砂浆分层压实抹光,流槽应与上下游管道接顺,管内底高程应符合本工艺质量标准的要求.4砖砌圆形检查井时,应随时检测直径尺寸,当需要收口时,如为四面收进,则每次收进不应大于30mm;如为三面收进,则每次收进不应大于50mm;砌筑检查井的内壁应采用原浆勾缝,在有抹面要求时,内壁抹面应分层压实,外币用砂浆搓缝并应压实。
5砖砌检查井的踏步应随砌随安,位置之前,踏步安装后在砌筑砂浆或混凝土未达到规定抗压强度前不得踩踏。
6砖砌检查井的预留管应随砌随安,预留管的管径、方向、标高应符合设计要求,管与井壁衔接处应严密不得漏水,预留支管口应用低强度等级砂浆砌筑封口抹平。
7砖砌雨污水检查井施工工艺7.1适用范围地基承载力较好,地下水位较低的雨污水管道。
7.2施工准备7.2.1材料要求:1水泥、砂、砖、掺和料及水等经检验合格,其数量应满足施工需要,质量要满足砂浆拌制的各项要求。
2砖、砂浆、盖板混凝土抗压强度应符合设计要求。
3井圈、井盖、踏步的选用符合设计要求。
7.2.2施工机具与设备:砂浆拌制设备、数量、能力应满足现场搅拌需要。
7.2.3作业条件:1排水管道检查井基础强度应满足设计要求,表面清理干净整洁。
2测设井位轴线位置并标示境地高程(流水面高程)。
3所用材料已运至施工现场,数量满足施工需要。
4施工用砂浆配合比已完成并满足施工需要。
5井室内未接通的备用支线管口已封堵完成。
7.2.4技术准备:1图纸(标准图集)会审已完成并进行了设计交底。
2施工人员获得了技术交底和安全交底,明确施工井位、砂浆等级质量要求。
7.3操作工艺7.3.1工艺流程:井底基础---砌筑井室及井内流槽,表面应用砂浆分层压实抹光---井室收口及井内壁原浆勾缝,踏步安装---预留支管的安装与井壁衔接处理---井身二次接高至规定高程---浇注或安装警犬---井盖就位。
7.3.2操作办法:1井底基础应与管道基础同时浇注。
2砌筑井室时,用水冲净基础后,先铺一层砂浆,再压砖砌筑,必须做到满铺满挤,砖与砖间灰缝保持1cm。
3排水管道检查井内的流槽应与井壁同时砌筑,当采用石砌时,表面应用砂浆分层压实抹光,流槽应与上下游管道接顺,管内底高程应符合本工艺质量标准的要求。
4砖砌圆形检查井时,应随时检测直径尺寸,当需要收口时,如为四面收进,则每次收进不应大于30mm;如为三面收进,则每次收进不应大于50mm;砌筑检查井的内壁应采用原浆勾缝,在有抹面要求时,内壁抹面应分层压实,外币用砂浆搓缝并应压实。
5砖砌检查井的踏步应随砌随安,位置之前,踏步安装后在砌筑砂浆或混凝土未达到规定抗压强度前不得踩踏。
6砖砌检查井的预留管应随砌随安,预留管的管径、方向、标高应符合设计要求,管与井壁衔接处应严密不得漏水,预留支管口应用低强度等级砂浆砌筑封口抹平。
雨水检查井施工方法一、砖砌雨水检查井1、砌体原材料符合要求;砂浆按设计配合比配制。
2、基础砼经验收合格,达到规定强度,方可铺浆砌筑。
砌前测放出墙基线,撂底摆缝,确定砌法。
砌体用水浸透,不得有干心现象。
3、砌体上下错缝,内外搭接,根据尺寸,皮数尽量采用一顺一丁梅花形砌筑,但最上和最下一皮均用丁砖砌筑。
砌砖时,砂浆满铺满挤,灰缝不得有竖向通缝,水平灰缝厚度和竖向灰缝宽度一般为10mm,但不小于8mm,也不大于12mm;转角及交接处与墙体同时砌筑,临时间断处砌成斜槎,接槎时将表面清理干净,浇水润湿,填实砂浆,保持灰缝平整。
4、接入的支管随砌随安,管口伸入井内3cm。
预留管宜用低标号砂浆砌砖封口抹平。
井室内的踏步,在砌砖时用砂浆埋固,不得事后凿洞补装,砂浆未凝固前不得踩踏。
5、井室砌完后,及时安装井盖。
安装时,砖面用水冲刷干净,并铺砂浆按设计高程找平。
在道路上的井盖与路面平齐。
6、勾缝前,检查砌体灰缝的深度符合要求,如有瞎缝凿开,并将墙面上粘接的砂浆、泥土及杂物等清除干净后,洒水湿润墙面。
勾缝砂浆塞入灰缝中,压实拉平,深浅一致,横竖缝交接处平整。
勾完一段后及时将墙面清扫干净,灰缝不得有搭茬、毛刺、舌头灰等现象。
7、抹面前,将墙面上粘接的砂浆、泥土及杂物等清除干净,洒水湿润墙面。
抹面终凝后,做好养护工作,保持表面湿润。
8、暂时不接支线的预留管口,应砌死,并用水泥砂浆抹严。
二、混凝土雨水检查井1、工艺流程:井基础垫层混凝土→井室模板支搭→井室钢筋绑扎安装→井室混凝土浇注→井室模板拆除→井室现浇混凝土养护。
2、检查井垫层混凝土经验收合格后,方可进行井室模板支撑。
3、井室模板支搭:(1)在底板侧模安装前,必须在清洗后的素混凝土垫层面上,格局井壁边线样桩,正确划出模板内侧未知的墨线,再根据混凝土浇注高度立模,并支撑固定。
(2)井部直墙侧模,不采取螺栓固定时,其两侧模板间应加支撑杆,且在浇注时,应在混凝土面接近撑杆时,随将撑杆拆除。
7砖砌雨污水检查井施工工艺7.1适用范围地基承载力较好,地下水位较低的雨污水管道。
7.2施工准备7。
2.1材料要求:1水泥、砂、砖、掺和料及水等经检验合格,其数量应满足施工需要,质量要满足砂浆拌制的各项要求。
2砖、砂浆、盖板混凝土抗压强度应符合设计要求。
3井圈、井盖、踏步的选用符合设计要求。
7。
2。
2施工机具与设备:砂浆拌制设备、数量、能力应满足现场搅拌需要。
7.2。
3作业条件:1排水管道检查井基础强度应满足设计要求,表面清理干净整洁.2测设井位轴线位置并标示境地高程(流水面高程).3所用材料已运至施工现场,数量满足施工需要。
4施工用砂浆配合比已完成并满足施工需要。
5井室内未接通的备用支线管口已封堵完成。
7.2.4技术准备:1图纸(标准图集)会审已完成并进行了设计交底.2施工人员获得了技术交底和安全交底,明确施工井位、砂浆等级质量要求.7。
3操作工艺7。
3。
1工艺流程:井底基础——-砌筑井室及井内流槽,表面应用砂浆分层压实抹光—--井室收口及井内壁原浆勾缝,踏步安装—--预留支管的安装与井壁衔接处理—-—井身二次接高至规定高程—--浇注或安装警犬———井盖就位。
7。
3。
2操作办法:1井底基础应与管道基础同时浇注。
2砌筑井室时,用水冲净基础后,先铺一层砂浆,再压砖砌筑,必须做到满铺满挤,砖与砖间灰缝保持1cm。
3排水管道检查井内的流槽应与井壁同时砌筑,当采用石砌时,表面应用砂浆分层压实抹光,流槽应与上下游管道接顺,管内底高程应符合本工艺质量标准的要求。
4砖砌圆形检查井时,应随时检测直径尺寸,当需要收口时,如为四面收进,则每次收进不应大于30mm;如为三面收进,则每次收进不应大于50mm;砌筑检查井的内壁应采用原浆勾缝,在有抹面要求时,内壁抹面应分层压实,外币用砂浆搓缝并应压实。
5砖砌检查井的踏步应随砌随安,位置之前,踏步安装后在砌筑砂浆或混凝土未达到规定抗压强度前不得踩踏。
6砖砌检查井的预留管应随砌随安,预留管的管径、方向、标高应符合设计要求,管与井壁衔接处应严密不得漏水,预留支管口应用低强度等级砂浆砌筑封口抹平.7当砖砌井身不能一次砌完,在二次接高时,应将原砖面得泥土杂物清理干净,再用水清洗砖面并浸透.8砖砌检查井接入圆管的管口应予井内壁平齐,当接入管径大于300mm时,应砌砖圈加固。
7砖砌雨污水检查井施工工艺7.1适用范围地基承载力较好,地下水位较低的雨污水管道.7.2施工准备7。
2。
1材料要求:1水泥、砂、砖、掺和料及水等经检验合格,其数量应满足施工需要,质量要满足砂浆拌制的各项要求。
2砖、砂浆、盖板混凝土抗压强度应符合设计要求。
3井圈、井盖、踏步的选用符合设计要求。
7。
2.2施工机具与设备:砂浆拌制设备、数量、能力应满足现场搅拌需要。
7。
2.3作业条件:1排水管道检查井基础强度应满足设计要求,表面清理干净整洁。
2测设井位轴线位置并标示境地高程(流水面高程)。
3所用材料已运至施工现场,数量满足施工需要。
4施工用砂浆配合比已完成并满足施工需要。
5井室内未接通的备用支线管口已封堵完成。
7.2。
4技术准备:1图纸(标准图集)会审已完成并进行了设计交底。
2施工人员获得了技术交底和安全交底,明确施工井位、砂浆等级质量要求。
7。
3操作工艺7。
3。
1工艺流程:井底基础--—砌筑井室及井内流槽,表面应用砂浆分层压实抹光-—-井室收口及井内壁原浆勾缝,踏步安装—--预留支管的安装与井壁衔接处理—-—井身二次接高至规定高程--—浇注或安装警犬—-—井盖就位。
7。
3。
2操作办法:1井底基础应与管道基础同时浇注。
2砌筑井室时,用水冲净基础后,先铺一层砂浆,再压砖砌筑,必须做到满铺满挤,砖与砖间灰缝保持1cm.3排水管道检查井内的流槽应与井壁同时砌筑,当采用石砌时,表面应用砂浆分层压实抹光,流槽应与上下游管道接顺,管内底高程应符合本工艺质量标准的要求。
4砖砌圆形检查井时,应随时检测直径尺寸,当需要收口时,如为四面收进,则每次收进不应大于30mm;如为三面收进,则每次收进不应大于50mm;砌筑检查井的内壁应采用原浆勾缝,在有抹面要求时,内壁抹面应分层压实,外币用砂浆搓缝并应压实.5砖砌检查井的踏步应随砌随安,位置之前,踏步安装后在砌筑砂浆或混凝土未达到规定抗压强度前不得踩踏。
6砖砌检查井的预留管应随砌随安,预留管的管径、方向、标高应符合设计要求,管与井壁衔接处应严密不得漏水,预留支管口应用低强度等级砂浆砌筑封口抹平。
砖砌雨水排放检查井施工工艺
一、施工前准备
1. 砖、砂、水应该符合质量要求,检查井周边应平整,符合要求的施工标志应设置。
2. 工具、模板等准备完毕。
3. 施工方案、验收规范应该合理。
二、施工工艺
1. 按照工艺步骤在井壁、底座以及井顶分别铺设砖块。
2. 在施工过程中应排出与排水口平齐的积水。
同时,井壁应垂直,底座应水平,井顶应符合要求。
3. 在砌体内应留夹缝,以利于烧结以及松动时的膨胀。
4. 进行砌体加强。
在井筒四周的位置应按照图纸要求加固,使
其更加坚固。
三、施工验收
1. 施工结束后,应对井的外观、垂直度、水平度、夹缝、固定
质量进行检查,确认井的尺寸符合要求。
2. 检查井的底淤、排水口离地面的高度等,应符合规范的要求。
3. 对井的强度进行试验,以确认井的质量符合规范和品质标准。
四、施工安全
1. 施工人员应该熟知工艺步骤,防止操作不当。
2. 工地应该设置围挡,防止桥车通过危险区域。
3. 在施工现场应该加强安全监督,加强安全教育。
砖砌雨、污水检查井施工工艺1、适用范围地基承载力较好,地下水位较低的雨、污水管道2、施工准备2、1材料要求1、水泥、砂、砖、掺合料及水等经检验合格,其数量应满足施工需要,质量要满足砂浆拌制的各项要求。
2、砖、砂浆、盖板砼抗压强度应符合设计要求。
3、井圈、井盖、踏步的选用符合设计要求。
2、2施工机具与设备砂浆拌制设备、数量、能力应满足现场拌制需要。
2、3作业条件1、排水管道检查井基础强度应满足设计要求,表面清理干净整洁。
2、测设井位轴线位置并标示井底高程(流水面高程)。
3、所用材料已运至施工现场,数量满足施工需要。
4、施工用砂浆配合比已完成并满足施工需要。
5、井室内未接通的备用支线管口已封堵完成。
2、4技术准备1、图纸(标准图集) 会审已完成并进行了设计交底。
2、施工人员获得了技术交底和安全交底,明确施工井位、砂浆等级等质量要求。
3、操作工艺3、1 工艺流程:井底基础→砌筑井室及井内流槽,表面应用砂浆分层压实抹光→井室收口及井内壁原浆勾缝,踏步安装→预留支管的安装与井壁衔接处理→井身二次接高至规定高程→浇筑或安装井圈→井盖就位。
3、2 操作办法1、井底基础应与管道基础同时浇筑。
2、砌筑井室时,用水冲净基础后,先铺一层砂浆,再压砖砌筑,必须做到满铺满挤,砖与砖之间灰缝保持1㎝。
3、排水管道检查井内的流槽应与井壁同时砌筑,当采用石砌时,表面应用砂浆分层压实抹光,流槽应与上下游管道接顺,管内底高程应符合本工艺质量标准的要求。
4、砖砌圆形检查井时,应随时检测直径尺寸,当需要收口时,如为四面收进,则每次收进不应大于30㎜;如为三面收进,则每次收进不应大于50㎜;砌筑检查井的内壁应采用原浆勾缝,在有抹面要求时,内壁抹面应分层压实,外壁用砂浆搓缝并应压实。
5、砌筑检查井的踏步应随砌随安,位置准确,踏步安装后在砌筑砂浆或砼未达到规定抗压强度前不得踩踏。
6、砌筑检查井的预留管应随砌随安,预留管的管径、方向、标高应符合设计要求,管与井壁衔接处应严密不得漏水,预留支管口应用低强度等级砂浆砌筑封口抹平。
雨污水标准砖检查井砌筑施工方法要点
1、管道接口封包完毕,组织检查井砌筑施工材料进场,现场有条件堆放的可提前准备施工用料,材料进场须严格进场检验制度,杜绝不合格材料进场。
2、测量人员对检查井重新定位放线后,向施工人员交底,方可进行检查井砌筑。
3、检查井砌筑采用MU10标准砖,砌筑砂浆为M7.5水泥砂浆。
4、检查井砌筑前砌块应充分浇湿,砌筑砂浆配合比符合设计要求,砂浆必须搅拌均匀,随用随拌,不得屯积使用。
砌筑砂浆按每50m3砌体一组试块进行取样。
5、排水管道检查井内的流槽,宜与井壁同时进行砌筑,流槽应平顺、圆滑、光洁。
6、砌块应垂直砌筑,需收口砌筑时,应按严格按设计及规范要求的尺寸进行收口,圆井采用砌块逐层砌筑收口,四面收口时每层收进不大于30mm,偏心收口时每层收进不应大于50mm。
7、砌块砌筑时,铺浆应饱满,灰浆与砌块四周粘结紧密、不得漏浆,上下砌块应错缝砌筑,井室不得有渗水、水珠现象。
需安装踏步的,在砌筑的同时进行安装,安装位置必须准确、牢固,安装后在砌筑砂浆未达到规定抗压强度前不得踩踏。
8、雨水检查井内井壁采用1:2水泥砂浆抹面,污水检查井内外壁均用1:2水泥砂浆抹面,抹面密实平整,不得有空鼓、裂纹现象。
砖砌雨污水检查井施工工艺7砖砌雨污水检查井施工工艺7.1适用范围地基承载力较好,地下水位较低的雨污水管道。
7.2施工准备7.2.1材料要求:1水泥、砂、砖、掺和料及水等经检验合格,其数量应满足施工需要,质量要满足砂浆拌制的各项要求。
2砖、砂浆、盖板混凝土抗压强度应符合设计要求。
3井圈、井盖、踏步的选用符合设计要求。
7.2.2施工机具与设备:砂浆拌制设备、数量、能力应满足现场搅拌需要。
7.2.3作业条件:1排水管道检查井基础强度应满足设计要求,表面清理干净整洁。
2测设井位轴线位置并标示境地高程(流水面高程)。
3所用材料已运至施工现场,数量满足施工需要。
4施工用砂浆配合比已完成并满足施工需要。
5井室内未接通的备用支线管口已封堵完成。
7.2.4技术准备:1图纸(标准图集)会审已完成并进行了设计交底。
2施工人员获得了技术交底和安全交底,明确施工井位、砂浆等级质量要求。
7.3操作工艺7.3.1工艺流程:井底基础---砌筑井室及井内流槽,表面应用砂浆分层压实抹光---井室收口及井内壁原浆勾缝,踏步安装---预留支管的安装与井壁衔接处理---井身二次接高至规定高程---浇注或安装警犬---井盖就位。
7.3.2操作办法:1井底基础应与管道基础同时浇注。
2砌筑井室时,用水冲净基础后,先铺一层砂浆,再压砖砌筑,必须做到满铺满挤,砖与砖间灰缝保持1cm。
3排水管道检查井内的流槽应与井壁同时砌筑,当采用石砌时,表面应用砂浆分层压实抹光,流槽应与上下游管道接顺,管内底高程应符合本工艺质量标准的要求。
4砖砌圆形检查井时,应随时检测直径尺寸,当需要收口时,如为四面收进,则每次收进不应大于30mm;如为三面收进,则每次收进不应大于50mm;砌筑检查井的内壁应采用原浆1勾缝,在有抹面要求时,内壁抹面应分层压实,外币用砂浆搓缝并应压实。
5砖砌检查井的踏步应随砌随安,位置之前,踏步安装后在砌筑砂浆或混凝土未达到规定抗压强度前不得踩踏。
砖砌雨水井施工工艺流程如下:
1.验槽线、挖槽、钎探验收、支模、浇筑垫层混凝土。
2.砌雨水井墙、抹面、支模、砌筑雨水井墙。
3.安装盖板、回填。
注意事项:
1.雨水井坑底要平整,坑壁要垂直。
2.制作井圈要保证垂直度和水平度。
3.制作检查井要保证垂直度和水平度,并且要留出一个孔
洞,用于放置雨水井的进水管。
4.加固井圈要在井圈外部挖出一个沟槽,然后在沟槽中放
置钢筋,钢筋要与井圈垂直,接着用水泥将钢筋固定在
井圈上,形成一个环形的加固带。
5.在检查井内部,用砖头砌出一个圆形墩,用于支撑雨水
井的进水管,然后在检查井顶部用砖头砌出一个圆形墩,用于支撑雨水井的井盖,最后用水泥将井盖固定在墩上。
7砖砌雨污水检查井施工工艺7.1适用范围地基承载力较好,地下水位较低的雨污水管道。
7.2施工准备7.2.1材料要求:1水泥、砂、砖、掺和料及水等经检验合格,其数量应满足施工需要,质量要满足砂浆拌制的各项要求。
2砖、砂浆、盖板混凝土抗压强度应符合设计要求。
3井圈、井盖、踏步的选用符合设计要求。
7.2.2施工机具与设备:砂浆拌制设备、数量、能力应满足现场搅拌需要。
7.2.3作业条件:1排水管道检查井基础强度应满足设计要求,表面清理干净整洁。
2测设井位轴线位置并标示境地高程(流水面高程)。
3所用材料已运至施工现场,数量满足施工需要。
4施工用砂浆配合比已完成并满足施工需要。
5井室内未接通的备用支线管口已封堵完成。
7.2.4技术准备:1图纸(标准图集)会审已完成并进行了设计交底。
2施工人员获得了技术交底和安全交底,明确施工井位、砂浆等级质量要求。
7.3操作工艺7.3.1工艺流程:井底基础---砌筑井室及井内流槽,表面应用砂浆分层压实抹光---井室收口及井内壁原浆勾缝,踏步安装---预留支管的安装与井壁衔接处理---井身二次接高至规定高程---浇注或安装警犬---井盖就位。
7.3.2操作办法:1井底基础应与管道基础同时浇注。
2砌筑井室时,用水冲净基础后,先铺一层砂浆,再压砖砌筑,必须做到满铺满挤,砖与砖间灰缝保持1cm。
3排水管道检查井内的流槽应与井壁同时砌筑,当采用石砌时,表面应用砂浆分层压实抹光,流槽应与上下游管道接顺,管内底高程应符合本工艺质量标准的要求。
4砖砌圆形检查井时,应随时检测直径尺寸,当需要收口时,如为四面收进,则每次收进不应大于30mm;如为三面收进,则每次收进不应大于50mm;砌筑检查井的内壁应采用原浆勾缝,在有抹面要求时,内壁抹面应分层压实,外币用砂浆搓缝并应压实。
5砖砌检查井的踏步应随砌随安,位置之前,踏步安装后在砌筑砂浆或混凝土未达到规定抗压强度前不得踩踏。
6砖砌检查井的预留管应随砌随安,预留管的管径、方向、标高应符合设计要求,管与井壁衔接处应严密不得漏水,预留支管口应用低强度等级砂浆砌筑封口抹平。
砖砌雨污水检查井施工方案1.1适用范围地基承载力较好,地下水位较低的雨污水管道。
1.2施工准备1.2.1材料要求:1、水泥、砂、砖、掺和料及水等经检验合格,其数量应满足施工需要,质量要满足砂浆拌制的各项要求。
2、砖、砂浆、盖板混凝土抗压强度应符合设计要求。
3、井圈、井盖、踏步的选用符合设计要求。
1.2.2施工机具与设备:砂浆拌制设备、数量、能力应满足现场搅拌需要。
1.2.3作业条件:1、排水管道检查井基础强度应满足设计要求,表面清理干净整洁。
2、测设井位轴线位置并标示境地髙程(流水面高程)。
3、所用材料已运至施工现场,数量满足施工需要。
4、施工用砂浆配合比已完成并满足施工需要。
5、井室内未接通的备用支线管口已封堵完成。
1.2.4技术准备:1、图纸(标准图集)会审已完成并进行了设计交底。
2、施工人员获得了技术交底和安全交底,明确施工井位、砂浆等级质量要求。
1.3操作工艺1.3.1工艺流程:井底基础一砌筑井室及井内流槽,表面应用砂浆分层压实抹光一井室收口及井内壁原浆勾缝,踏步安装一预留支管的安装与井壁衔接处理一井身二次接高至规定高程一浇注或安装警犬一井盖就位。
1.3.2操作办法:1、井底基础应与管道基础同时浇注。
2、砌筑井室时,用水冲净基础后,先铺一层砂浆,再压砖砌筑,必须做到满铺满挤,砖与砖间灰缝保持1cm。
3、排水管道检查井内的流槽应与井壁同时砌筑,当采用石砌时,表面应用砂浆分层压实抹光,流槽应与上下游管道接顺,管内底高程应符合本工艺质量标准的要求。
4、砖砌圆形检查井时,应随时检测直径尺寸,当需要收口时,如为四面收进,则每次收进不应大于30mm;如为三面收进,则每次收进不应大于50mni;砌筑检查井的内壁应釆用原浆勾缝,在有抹面要求时,内壁抹面应分层压实,外币用砂浆搓缝并应压实。
5、砖砌检查井的踏步应随砌随安,位置之前,踏步安装后在砌筑砂浆或混凝土未达到规定抗压强度前不得踩踏。
6、砖砌检查井的预留管应随砌随安,预留管的管径、方向、标高应符合设计要求,管与井壁衔接处应严密不得漏水,预留支管口应用低强度等级砂浆砌筑封口抹平。
砖砌雨、污水检查井施工工艺
1、适用围
地基承载力较好,地下水位较低的雨、污水管道
2、施工准备
2、1材料要求
1、水泥、砂、砖、掺合料及水等经检验合格,其数量应满足施工
需要,质量要满足砂浆拌制的各项要求。
2、砖、砂浆、盖板砼抗压强度应符合设计要求。
3、井圈、井盖、踏步的选用符合设计要求。
2、2施工机具与设备
砂浆拌制设备、数量、能力应满足现场拌制需要。
2、3作业条件
1、排水管道检查井基础强度应满足设计要求,表面清理干净整洁。
2、测设井位轴线位置并标示井底高程(流水面高程)。
3、所用材料已运至施工现场,数量满足施工需要。
4、施工用砂浆配合比已完成并满足施工需要。
5、井室未接通的备用支线管口已封堵完成。
2、4技术准备
1、图纸(标准图集) 会审已完成并进行了设计交底。
2、施工人员获得了技术交底和安全交底,明确施工井位、砂浆等
级等质量要求。
3、操作工艺
3、1 工艺流程:
井底基础→砌筑井室及井流槽,表面应用砂浆分层压实抹光→井室收口及井壁原浆勾缝,踏步安装→预留支管的安装与井壁衔接处理→井身二次接高至规定高程→浇筑或安装井圈→井盖就位。
3、2 操作办法
1、井底基础应与管道基础同时浇筑。
2、砌筑井室时,用水冲净基础后,先铺一层砂浆,再压砖砌筑,必须做到满铺满挤,砖与砖之间灰缝保持1㎝。
3、排水管道检查井的流槽应与井壁同时砌筑,当采用石砌时,表面应用砂浆分层压实抹光,流槽应与上下游管道接顺,管底高程应符合本工艺质量标准的要求。
4、砖砌圆形检查井时,应随时检测直径尺寸,当需要收口时,如为四面收进,则每次收进不应大于30㎜;如为三面收进,则每次收进不应大于50㎜;砌筑检查井的壁应采用原浆勾缝,在有抹面要求时,壁抹面应分层压实,外壁用砂浆搓缝并应压实。
5、砌筑检查井的踏步应随砌随安,位置准确,踏步安装后在砌筑砂浆或砼未达到规定抗压强度前不得踩踏。
6、砌筑检查井的预留管应随砌随安,预留管的管径、方向、标高应符合设计要求,管与井壁衔接处应严密不得漏水,预留支管口应用低强度等级砂浆砌筑封口抹平。
7、当砖砌井身不能一次砌完,在二次接高时,应将原砖面的泥土杂
物清理干净,再用水清洗砖面并浸透。
8、砖砌检查井接入圆管的管口应与井壁平齐,当接入管径大于300㎜时,应砌砖圈加固。
管子穿越井室壁或井底,应留有30—50㎜的环缝,用油麻、水泥砂浆、油麻—石棉水泥或黏土填塞并捣实。
9、砖砌检查井砌筑至规定高程后,应及时浇筑或安装井圈,盖好井盖。
3、3 冬、雨期施工
1、雨期砌筑检查井时,应在管道铺设后一次砌起井身。
为了防止漂管,必要时可在检查井的井室底部预留进水孔,但填土前必须砌堵严实。
2、冬期砌筑检查井时应有覆盖等防寒措施,并应在两端管头加设风挡,必要时可采用抗冻砂浆砌筑。
对于特殊严寒地区,管道施工应在解冻后砌筑。
4、质量标准
4、1 主控项目
1、地基承载力必须符合设计要求。
2、砖与砂浆强度等级必须符合设计要求。
3、井盖的选用符合设计要求,标识明显。
4、井周边回填土必须符合设计要求。
4、2 一般项目
1、井壁砌筑应位置明确,砂浆饱满,灰缝平整,不得有通缝、瞎缝、抹面压光,不得有空鼓、裂缝等现象。
2、井流槽应平顺圆滑,不得有建筑垃圾等杂物。
3、井室盖板尺寸及预留位置应准确,压墙尺寸符合设计要求,勾缝整齐。
4、井圈、井盖应完整无损、安装稳固、位置准确。
5、井室未接通的备用支线管口应封堵。
6、踏步应安装牢固,位置正确。
7、砌筑检查井质量要求允许偏差见表4—2
检查井质量要求允许偏差表4—2
注:1、表中D为管径(㎜)。
2、接入检查井的支管管口露出井壁不大于2㎝。
3、农地、绿地中的井口应按有关规要求高出地面。
5、质量要求
参见《市政基础设施工程资料管理规程》
5、1 预制砼构件,管材进场抽检记录,见表C3-4-3
5、2 水泥试验报告,见表C3-4-5
5、3 砌筑块(砖)试验报告,见表C3-4-6
5、4 砂石检验报告表,见表C3-4-7
5、5 地基钎探记录,见表C5-2-2
5、6 砌筑砂浆抗压强度试验报告,见表C6-2-3
5、7 工序(分项)质量评定表,见表C8-3
6、安全与环保
6、1 基础强度达到规定强度,并经验收合格后及时砌筑井室结构。
6、2井室施工作业现场应设护栏和安全标志。
6、3 井室踏步材料规格、安置位置,应符合设计规定,作业中应随砌随安,不得砌筑完成后,再凿孔安装。
6、4 井室完成后,应及时安装井盖。
施工中断未安装井盖的井室,必须临时加盖或设围挡、护栏、并加安全标志。
6、5 位于道路上的井室井盖安装应符合相关标准规。
6、6 井室完成后,应及时回填土,清理现场;当日回填土不能完成时,必须设围挡或护栏,并加安全标志。
7、成品保护
7、1 砌筑井室施工过程中要注意对预制盖板、砖进行保护,严禁磕碰。
7、2 井室砌筑完成后,应及时安装井盖或临时加盖,以防止施工垃圾掉入井室污染井室。
7、3 要加强对井室及流槽抹面养护以防止出现抹面裂缝。