安全检查记录表范例65486
- 格式:docx
- 大小:78.07 KB
- 文档页数:37
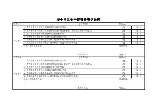
安全检查记录表说明一、安全检查记录表:检查记录内容包括定期安全检查、专项安全检查、季节性、节假日前后等各类安全检查(包括施工用电、大型机械、特殊脚手架、场容场貌、卫生防疫)将检查结果及时收集入册。
二、公司或行业安全管理部门,在安全检查中签发的整改单,工程项目部应根据整改内容,结合隐患的性质及时作出分析。
属经常性、系统性的隐患,必须按表(安7-1)转入事故隐患评审处理。
三、对平时组织的安全检查中,一般性并能当场作出整改的隐患,可不必作隐患评审处理,但必须在记录表中说明。
四、检查中开具的整改单,必须附在检查记录表后面。
安全检查记录表安-1检查类型:定期安全检查编号: 2013-001填表人:朱宗文安全检查记录表安-1检查类型:定期安全检查编号: 2013-002填表人:朱宗文安全检查记录表安-1 检查类型:中秋、国庆节前安全检查编号:填表人:×××安全检查记录表安-1 检查类型:中秋、国庆后检查编号:填表人:×××安全检查记录表安-1 检查类型:定期安全检查编号:填表人:×××安全检查记录表安-1 检查类型:编号:填表人:施工现场事故隐患处理表编号:填表人:填表日期:安8-2安全教育记录说明企业应对员工进行定期和专项安全教育。
教育内容包括:变换工种、操作规程和技能、经常性、季节性、节假日等各类安全教育。
并将每次教育的内容提要、教育类别、教育时数、主讲单位(部门),受教育单位(部门)、主讲人、听讲人数记入《安全教育记录本》(安8 – 2 )表格内,并归入《施工现场安全保证体系》台帐整理成册。
安全教育记录安8-2 教育类别:节后安全生产动员会教育课时:3学时 2000年2月10日记录人:×××注:教育类别分:变换工种、操作规程和技能、经常性、季节性、节假日等。
安全教育记录安8-2 教育类别:开工安全教育教育课时:2学时 2013年5月1日记录人:朱宗文注:教育类别分:变换工种、操作规程和技能、经常性、季节性、节假日等。
安全检查记录表说明一、安全检查记录表:检查记录内容包括定期安全检查、专项安全检查、季节性、节假日前后等各类安全检查(包括施工用电、大型机械、特殊脚手架、场容场貌、卫生防疫)将检查结果及时收集入册。
二、公司或行业安全管理部门,在安全检查中签发的整改单,工程项目部应根据整改内容,结合隐患的性质及时作出分析。
属经常性、系统性的隐患,必须按表(安7-1)转入事故隐患评审处理。
三、对平时组织的安全检查中,一般性并能当场作出整改的隐患,可不必作隐患评审处理,但必须在记录表中说明。
四、检查中开具的整改单,必须附在检查记录表后面。
安全检查记录表检查类型:每月安全检查安全检查记录表安-1 检查类型:中秋、国庆节前安全检查编号:填表人:口口口安全检查记录表填表人:口口口安-1安全检查记录表填表人:口口口安-1检查类型:定期安全检查编号:安全检查记录表填表人:安-1检查类型:口号:施工现场事故隐患处理表填表人:填表日期:安全教育记录教育类别:开工安全教育记录人:安全教育记录教育类别:操作规程学习交流会记录人:安全教育记录记录人:安全教育记录记录人:安全教育记录记录人:安全教育记录记录人:安全教育记录记录人:安全教育记录记录人:安全教育记录记录人:安全教育记录记录人:班前安全活动周五记录第六层填充墙砌筑,上班时间上午七时。
全组15人分成5小组,无人缺席检查个人劳动保护用品齐全,使用正确,在作业过程中要扣好安全帽带脚下要注意朝天钉,临边洞口注意防护。
脚手板上小砌块堆放不得超过3口。
同一块脚手板上操作人员不应超过2人记录人:口口□缺席人员姓名:无2000年8月11日加班日记录周六、周日、加班。
第十七层1口24轴混凝土口口,参加人数15人上班时间上午7:00—11:30时,下午1:30—18:30时。
班前检查个人劳动防护用品、振动器。
加班人员身体健康,睡眠充足,精神状态良好安全施工技术交底:注意口边洞口防护,确有难度要系好安全带,扣好安全结,正确使用振动器记录人:口口□缺席人员姓名:无2000年8月12日周安全活动讲评内容:本周泥工班全体员工遵守劳动纪律,遵照安全操作规程施工作业,能正确使用个人劳动保护用品,未发生安全事故。
XX 记录表安全检查记录表:检查记录内容包括定期安全检查、专项安全检查、季节 性、节假日前后等各类安全检查(包括施工用电、大型机械、特殊脚手架、场容 场貌、卫生防疫)将检查结果及时收集入册。
公司或行业安全管理部门,在安全检查中签发的整改单,工程项目部应根 据整改内容,结合隐患的性质及时作出分析。
属经常性、系统性的隐患,必须 按表(安7-1)转入事故隐患评审处理。
对平时组织的安全检查中,一般性并能当场作出整改的隐患,可不必作隐 患评审处理,但必须在记录表中说明。
检查中开具的整改单,必须附在检查记录表后面。
安全检查记录表 安-1检查类型:定期安全检查 编号:2009- 001填表人:XXX 安全检查记 安-1填表人:XXX安全检查记 安-1检查类型:中秋、 编号:国庆节前安全检查检查类型:中秋、国庆后检查编号:填表人:XXX安全检查记录表安-1检查类型:定期安全检查编号:填表人:XXX安全检查记录表安-1检查类型:编号:填表人:施工现场事故隐患处理表编号:填表人: 填表日期:安8-2安全教育记录企业应对员工进行定期和专项安全教育。
教育内容包括:变换工种、操作规程和技能、经常性、季节性、节假日等各类安全教育。
并将每次教育的内容提要、教育类别、教育时数、主讲单位(部门),受教育单位(部门)、主讲人、听讲人数记入《安全教育记录本》(安8 -2 )表格内,并归入《施工现场安全保证体系》台帐整理成册。
安全教育记录安8-2教育类别:节后安全生产动员会教育课时:3学时20xx年2月10日记录人:XXX注:教育类别分:变换工种、操作规程和技能、经常性、季节性、节假日等。
安全教育记录安8-2教育类别:三期全面开工安全教育教育课时:2学时20xx年2月25记录人:XXX注:教育类别分:变换工种、操作规程和技能、经常性、季节性、等。
节假日安全教育记录安8-2教育课时:3学时20xx年3月教育类别:操作规程学习交流会10日记录人:XXX注:教育类别分:变换工种、操作规程和技能、经常性、季节性、等。
安全检查记录表说明一、安全检查记录表:检查记录内容包括定期安全检查、专项安全检查、季节性、节假日前后等各类安全检查(包括施工用电、大型机械、特殊脚手架、场容场貌、卫生防疫)将检查结果及时收集入册。
二、公司或行业安全管理部门,在安全检查中签发的整改单,工程项目部应根据整改内容,结合隐患的性质及时作出分析。
属经常性、系统性的隐患,必须按表(安7-1)转入事故隐患评审处理。
三、对平时组织的安全检查中,一般性并能当场作出整改的隐患,可不必作隐患评审处理,但必须在记录表中说明。
四、检查中开具的整改单,必须附在检查记录表后面。
安全检查记录表安-1检查类型:定期安全检查填表人:王英安全检查记录表检查类型:定期安全检查安全检查记录表安-1 检查类型:中秋、国庆节前安全检查编号:填表人:×××安全检查记录表安-1 检查类型:中秋、国庆后检查编号:填表人:×××安全检查记录表安-1 检查类型:定期安全检查编号:填表人:×××安全检查记录表安-1 检查类型:编号:填表人:施工现场事故隐患处理表编号:填表人:填表日期:安8-2安全教育记录说明企业应对员工进行定期和专项安全教育。
教育内容包括:变换工种、操作规程和技能、经常性、季节性、节假日等各类安全教育。
并将每次教育的内容提要、教育类别、教育时数、主讲单位(部门),受教育单位(部门)、主讲人、听讲人数记入《安全教育记录本》(安8 – 2 )表格内,并归入《施工现场安全保证体系》台帐整理成册。
安全教育记录安8-2 教育类别:节后安全生产动员会教育课时:3学时 2000年2月10日记录人:×××注:教育类别分:变换工种、操作规程和技能、经常性、季节性、节假日等。
安全教育记录安8-2 教育类别:开工安全教育教育课时:2学时 2013年5月1日记录人:朱宗文注:教育类别分:变换工种、操作规程和技能、经常性、季节性、节假日等。
安全检查记录表填写实例说明一、安全检查记录表:检查记录内容包括定期安全检查、专项安全检查、季节性、节假日前后等各类安全检查(包括施工用电、大型机械、特殊脚手架、场容场貌、卫生防疫)将检查结果及时收集入册。
二、公司或行业安全管理部门,在安全检查中签发的整改单,工程项目部应根据整改内容,结合隐患的性质及时作出分析。
属经常性、系统性的隐患,必须转入事故隐患评审处理。
三、对平时组织的安全检查中,一般性并能当场作出整改的隐患,可不必作隐患评审处理,但必须在记录表中说明。
四、检查中开具的整改单,必须附在检查记录表后面。
五、本系列专题提供共24份安全检查记录表,检查类型涉及定期检查、节前、节后检查、公司定期检查、市区安监站检查。
安全检查记录表实例一检查类型:基础开挖安全检查编号:001填表人:×××安全检查记录表实例二检查类型:安全监督站基础开挖安全检查编号:002填表人:×××安全检查记录表实例三检查类型:定期安全检查编号:003填表人:×××安全检查记录表实例四检查类型:定期安全检查编号:004填表人:×××安全检查记录表实例五检查类型:定期安全检查编号:005填表人:苏州愚人安全检查记录表实例六检查类型:定期安全检查编号:006填表人:苏州愚人安全检查记录表实例七检查类型:定期安全检查编号:007填表人:苏州愚人安全检查记录表实例八检查类型:定期安全检查编号:008填表人:苏州愚人安全检查记录表实例九检查类型:区安监站安全抽查编号:009填表人:苏州愚人安全检查记录表实例十检查类型:定期安全检查编号:010填表人:苏州愚人安全检查记录表实例十一检查类型:定期安全检查编号:011填表人:苏州愚人安全检查记录表实例十二检查类型:定期安全检查编号:012填表人:苏州愚人安全检查记录表实例十三检查类型:定期安全检查编号:013填表人:苏州愚人安全检查记录表实例十四检查类型:定期安全检查编号:014填表人:苏州愚人安全检查记录表实例十五编号:015填表人:苏州愚人安全检查记录表实例十六编号:016填表人:苏州愚人。
安全检查记录表说明一、安全检查记录表:检查记录内容包括定期安全检查、专项安全检查、季节性、节假日前后等各类安全检查(包括施工用电、大型机械、特殊脚手架、场容场貌、卫生防疫)将检查结果及时收集入册。
二、公司或行业安全管理部门,在安全检查中签发的整改单,工程项目部应根据整改内容,结合隐患的性质及时作出分析。
属经常性、系统性的隐患,必须按表(安7-1)转入事故隐患评审处理。
三、对平时组织的安全检查中,一般性并能当场作出整改的隐患,可不必作隐患评审处理,但必须在记录表中说明。
四、检查中开具的整改单,必须附在检查记录表后面。
安全检查记录表检查类型:定期安全检查记录人:安全检查记录表安-1检查类型:定期安全检查编号: 2013-002填表人:朱宗文安全检查记录表安-1 检查类型:中秋、国庆节前安全检查编号:填表人:×××安全检查记录表安-1 检查类型:中秋、国庆后检查编号:填表人:×××安全检查记录表安-1 检查类型:定期安全检查编号:填表人:×××安全检查记录表安-1 检查类型:编号:填表人:施工现场事故隐患处理表编号:填表人:填表日期:安8-2安全教育记录说明企业应对员工进行定期和专项安全教育。
教育内容包括:变换工种、操作规程和技能、经常性、季节性、节假日等各类安全教育。
并将每次教育的内容提要、教育类别、教育时数、主讲单位(部门),受教育单位(部门)、主讲人、听讲人数记入《安全教育记录本》(安8 – 2 )表格内,并归入《施工现场安全保证体系》台帐整理成册。
安全教育记录安8-2 教育类别:节后安全生产动员会教育课时:3学时 2000年2月10日记录人:×××注:教育类别分:变换工种、操作规程和技能、经常性、季节性、节假日等。
安全教育记录安8-2 教育类别:开工安全教育教育课时:2学时 2013年5月1日记录人:朱宗文注:教育类别分:变换工种、操作规程和技能、经常性、季节性、节假日等。
安全检查记录表说明一、安全检查记录表:检查记录内容包括定期安全检查、专项安全检查、季节性、节假日前后等各类安全检查(包括施工用电、大型机械、特殊脚手架、场容场貌、卫生防疫)将检查结果及时收集入册。
二、公司或行业安全管理部门,在安全检查中签发的整改单,工程项目部应根据整改内容,结合隐患的性质及时作出分析。
属经常性、系统性的隐患,必须按表(安7-1)转入事故隐患评审处理。
三、对平时组织的安全检查中,一般性并能当场作出整改的隐患,可不必作隐患评审处理,但必须在记录表中说明。
四、检查中开具的整改单,必须附在检查记录表后面。
安全检查记录表安-1填表人:安全检查记录表安-1 检查类型:中秋、国庆节前安全检查编号:填表人:安全检查记录表安-1 检查类型:中秋、国庆后检查编号:填表人:×××安全检查记录表安-1 检查类型:定期安全检查编号:填表人:×××安全检查记录表安-1 检查类型:编号:填表人:施工现场事故隐患处理表编号:填表人:填表日期:安8-2安全教育记录说明企业应对员工进行定期和专项安全教育。
教育内容包括:变换工种、操作规程和技能、经常性、季节性、节假日等各类安全教育。
并将每次教育的内容提要、教育类别、教育时数、主讲单位(部门),受教育单位(部门)、主讲人、听讲人数记入《安全教育记录本》(安8 – 2 )表格内,并归入《施工现场安全保证体系》台帐整理成册。
安全教育记录安8-2 教育类别:节后安全生产动员会教育课时:3学时 2000年2月10日记录人:×××注:教育类别分:变换工种、操作规程和技能、经常性、季节性、节假日等。
安全教育记录安8-2 教育类别:三期全面开工安全教育教育课时:2学时 2000年2月25日记录人:×××注:教育类别分:变换工种、操作规程和技能、经常性、季节性、节假日等。
共享知识分享快乐
安全检查记录表
一、安全检查记录表:检查记录内容包括定期安全检查、专项安全检查、季节性、节假日前后等各类安全检查(包括施工用电、大型机械、特殊脚手架、场容场貌、卫生防疫)将检查结果及时收集入册。
二、公司或行业安全管理部门,在安全检查中签发的整改单,工程项目部应根据整改内容,结合隐患的性质及时作出分析。
属经常性、系统性的隐患,必须按表(安7-1)转入事故隐患评审处理。
三、对平时组织的安全检查中,一般性并能当场作出整改的隐患,可不必作隐患评审处理,但必须在记录表中说明。
四、检查中开具的整改单,必须附在检查记录表后面。
共享知识分享快乐
安全检查记录表
安-1
编号:
填表人:
安全检查记录表
填表人:安-1
检查类型:中秋、国庆节前安全检查编号:
共享知识分享快乐
安全检查记录表
安-1 检查类型:中秋、国庆后检查编号:
安全检查记录表
填表人:XXX
安-1
检查类型: 定期安全检查
编号:
安全检查记录表
填表人:安-1
检查类型:编号:
施工现场事故隐患处理表
编号:
安8-2
安全教育记录
说明
企业应对员工进行定期和专项安全教育。
教育内容包括:变换工种、操作规程和技能、经常性、季节性、节假日等各类安全教育。
并将每次教育的内容提要、教育类别、教育时数、主讲单位(部门),受教育单位(部门)、主讲人、听讲人数记入《安全教育记录本》(安8 - 2 )表格内,并归入《施工现场安全保证体系》台帐整理成册。
共享知识分享快乐
安全教育记录
安8-2 教育类别:节后安全生产动员会教育课时:3学时2000年2月10日
安全教育记录
安8-2 教育类别:三期全面开工安全教育教育课时:2学时2000年2月25日
安全教育记录
安8-2 教育类别:操作规程学习交流会教育课时:3学时2000年3月10日
安全教育记录
安8-2 教育类别:特殊工种换岗培训动员会教育课时:2学时2000年3月20日
安全教育记录
安8-2 教育类别:施工安全强制性条文学习教育课时:2学时2000年5月8日
安全教育记录
安8-2 教育类别:夏季安全生产教育教育课时:2小时2000年6月5日
安全教育记录
安8-2 教育类别:夏季安全生产教育教育课时:2学时2000年7月10日
安全教育记录
安8-2 教育类别:中秋、国庆前教育教育课时:2小时2000年9月23日
安全教育记录
安8-2
教育类别:施工现场用电技术教育培训教育课时:7:30 —11:00 1:30 —4:30 2000年10月20
日
安全教育记录
安8-2教育类
安全费用管理及节支教育课时:& 30 11:00 2000年10月21日
别:
安全教育记录
安8-2教育类别:季节性(冬季)教育课时:8学时2000年12月2日
安全教育记录
安8-2教育类
春节前安全教育教育课时:2小时2001年1月23日
别:
安全教育记录
安8-2 教育类别:春节后复工安全教育教育课时:2学时2001 年2月24日
XX市XX建筑安装工程有限公司2001年
教育培训计划
安8-3 班前安全活动、周讲评记录
说明
一、班前安全活动与周讲评记录是一份以班组为单位进行的安全活动原始记录,其中有两层含义: 第一层含义,是施工班组必须建立每天班前安全活动的制度,由班长交底,今天施工作业中应注意的
安全事项,检查个人劳动防护用品使用是否正确,员工身体健康状况和思想情绪,并以天为单位做好记录;第二层含义,是坚持每周一次的安全活动日,利用上班前、上班后一小时,小结一周来班组在施工活动中安全生产、先进事例及主要经验教训,针对不安全因素,发动本组人员提出改进措施,从中吸取教训,举一反三,做到警钟长鸣,并做好安全活动周讲评记录。
二、班前安全活动与周讲评记录以活页
形式分发给各施工班组,由班长组织班前安全活动和周讲
评,并做好记录,每月将活页记录汇总到安全科,以便掌握安全动态,工程完工归并入《施工现场安全保证体系》台帐(安8-3 )整理成册。
三、书篇幅有限,仅列举泥工班组2000年8月7日〜8月13日一周的班前安全活动与周讲评记录。
班前安全活动、周讲评记录
xxx>xxx>xxx>xxx>xxx>xxx>xxx>
xxx>xxx>xxx>xxx>xxx>xxx>xxx
周一记录
第十六层1 —32轴商品混凝土浇捣。
上班时间上午七时
1. 全组共15人,本周无人缺席,每个人劳动防护用品均佩戴整齐
2. 混凝土泵车到来之前,检查操作面,离地2m以上的框架,过梁、雨篷、悬空小平台是否已搭
设操作平台,临边施工时注意是否有可靠防护。
特殊情况下如无可靠安全设施,必须系好安全带并扣好保险钩,或架设安全网
记录人:XXX
缺席人员姓名:2000 年8月7日
周二记录
第十六层33—64轴商品混凝土浇捣。
上班时间上午七时
1. 全组共15人,缺席XXX—人,因病休息。
每个人劳动防护用品均佩戴整齐
2. 使用振动机前应检查电源电压,移动电箱放置是否安全,电线长度是否够长,机械运转是否正常,振动机移动时不能硬拉电线,更不能在钢筋和其他锐利物上拖拉,防止割破、拉断电线而造成触电死亡事故
记录人:XXX
缺席人员姓名:XXX 2000 年8月8日
周三记录
第六层填充墙砌筑。
上班时间上午七时,一人迟到
填充墙砌筑前先检查,临边洞口防护栏杆是否齐全,走道及跳板通道是否绑扎牢固,是否有挠头板,经检查符合要求后方可施工
墙身砌体高度超过1.2m以上时,应搭设脚手架;墙身高度超过4m时,采用里脚手的必须设置
安全网。
脚手架上堆料不得超过规定荷载。
同一块脚手板上操作人员不应超过2人
记录人:XXX
迟到人:XXX2000 年8月9日
周四记录
第六层填充墙砌筑,上班时间上午七时。
全组15人分成5小组,无缺席。
检查个人劳动保护用品齐全,使用正确。
上班前应对绳索、夹具、临时脚手架和其他运输工具、施工安全设施进行检查。
砌块应分散堆放。
在楼面卸下堆放砌块时,应尽量避免冲击,严禁倾卸及撞击楼板。
采用里脚手砌筑外墙时,应检查四周是否已张好安全网
记录人:XXX
缺席人员姓名:无2000 年8月10日
周五记录
第六层填充墙砌筑,上班时间上午七时。
全组15人分成5小组,无人缺席
检查个人劳动保护用品齐全,使用正确,在作业过程中要扣好安全帽带
脚下要注意朝天钉,临边洞口注意防护。
脚手板上小砌块堆放不得超过3皮。
同一块脚手板上
操作人员不应超过2人
记录人:XXX
缺席人员姓名:无2000 年8月11日
加班日记录
周六、周日、加班。
第十七层1〜24轴混凝土浇捣,参加人数15人
上班时间上午7:00 —11:30时,下午1:30 —18:30时。
班前检查个人劳动防护用品、振动器。
加班人员身体健康,睡眠充足,精神状态良好
安全施工技术交底:注意临边洞口防护,确有难度要系好安全带,扣好安全结,正确使用振动
器
记录人:XXX
缺席人员姓名:无2000 年8月12日
周安全活动讲评内容:
本周泥工班全体员工遵守劳动纪律,遵照安全操作规程施工作业,能正确使用个人劳动保护用品,未发生安全事故。
但个别同志还存在大胆冒险作业情况,在没有可靠防护的临边悬臂板上作业时,未系安全带、未扣安全结,应立刻改正,下周不再发生此类事情。
下周作业前各自检查自己的移动电箱、振动机等施工用具
主持人:XXX
2000 年8月13日
安8-4
安全员及特种作业员名册
说明
项目部安全员及特种作业人员应登记造册。
按XX市建筑行业管理要求,安全员、电工须持双证上岗,双证为建设行政主管部门颁发的岗位证书和本市劳动部门颁发的岗位证书,复证期限为三年。
持证人员的证件复印件应附在后面。
安全员及特种作业人员名册
安8-4
注:按建筑行业管理要求,须持“双证”上岗的工种为:安全员、电工
填表人:XXX
安全员及特种作业人员名册
安8-4
注:按建筑行业管理要求,须持“双证”上岗的工种为:安全员、电工
填表人:XXX
安全员及特种作业人员证书复印件粘贴处
粘贴线
安8-4-1
中小型机械作业人员名册
说明
项目部中小型机械作业人员应登记造册,持证人员的证件复印件应附在后面。
小型机械作业人员复证期限为一年。
中小型机械作业人员名册
安8-4-1 xx xx
xxx
中小型机械作业人员证书复印件粘贴处
粘贴线。