日本横河AXF系列电磁流量计(精)
- 格式:doc
- 大小:33.00 KB
- 文档页数:4
横河电磁流量计安全操作及保养规程前言横河电磁流量计是一种流量测量、流体输送及输送控制的精密仪器。
在日常使用和保养中,必须严格按照说明书要求和操作规程来进行,确保设备的正常运行和保护设备本身。
本文将详细阐述横河电磁流量计的安全操作和保养规程。
安全操作1. 安装前的安全检查在安装横河电磁流量计之前,必须做好以下安全检查:•检查电源线是否连接正常;•检查电线的绝缘情况;•检查接地线是否连接规范;•检查电源线是否符合供电要求。
2. 正确接线在进行接线前,必须先确认电源线是否匹配。
接线应保证清晰明了,•在接线前,先拆卸电源;•按照说明书中的指引进行接线;•防止线缆间产生干扰。
3. 合理安装横河电磁流量计的安装位置应保证:•避免各种噪声的干扰;•避免高温、低温、辐射等有害环境的影响;•避免水泥、铁筋等材料的干扰;•在安装过程中不得使用金属工具与电极相切。
4. 注意事项在使用横河电磁流量计时,要特别注意以下事项:•要将设备安装在充分通风位置;•在进行清洗时,应在设备停机时清洗;•要注意避免荷载与伸缩管的碰撞;•避免接线器内外金属触碰;5. 安全保护为保证横河电磁流量计的安全运行,必须做好以下安全保护措施:•防雷保护设施的安装;•设备本体外壳必须接地;•在操作现场,必须避免带电触摸设备上部的部分。
保养规程横河电磁流量计在正常使用中也需要做好保养工作,主要包含以下三个部分。
1. 周期性保养周期性保养主要包括以下内容:•对设备电线、接触器、定位器等处进行现场清洁和维护;•对设备部件进行润滑、检修和更换。
在日常维护中,要注意对设备进行科学、规范化的管理。
2. 维修保养设备在工作过程中,若发现异常情况,须及时采取以下措施:•停机检修;•拿下设备进行维修修理。
设备的维护工作应按照说明书的要求,严格按照规范操作。
3. 防锈保养为保证横河电磁流量计的正常使用寿命,设备本身表面进行防锈保养至关重要:•设备表层需经过清溶、清洗、钝化、除锈、喷漆等处理方可达到维护效果。
横河流量计说明书(1)
横河流量计是一种用于测量液体或气体流量的仪器。
它采用先进的技术和精确的传感器来准确地测量流体的流速和流量。
一、产品特点:
1.高精度测量:横河流量计采用高精度传感器和先进的算法,能够精确地测量流体的流速和流量。
2.多种测量方式:横河流量计支持多种流量测量方式,包括体积法、质量法和速度法等。
3.操作简便:横河流量计采用直观的人机界面和简单的操作方式,使用起来方便快捷。
4.可靠稳定:横河流量计具有可靠的性能和稳定的测量结果,能够满足长期稳定运行的需求。
二、主要结构和工作原理:
横河流量计主要由流量传感器、显示器和数据处理器组成。
流量传感器通过测量流体通过管道时产生的压力差来计算流速和流量。
显示器用于显示测量结果,并且可以通过数据处理器进行进一步的处理和分析。
三、安装和使用方法:
1.安装前,请确保将流量计放置在平稳的地面上,并且与测量管道连接紧密。
2.连接好电源,并根据需要设置相应的参数和测量单位。
3.打开流体阀门,开始测量。
可以通过显示器上的指示灯和数值来监测测量结果。
四、注意事项:
1.在使用过程中,请确保流量计不受到过高的温度和压力的影响,以免损坏仪器。
2.定期校准和维护流量计,以确保测量结果的准确性和稳定性。
3.避免流量计接触化学物质或腐蚀性液体,以免对仪器造成损坏。
General Specification 一般规格书 AE100MG/MN/MH/SC,AE200MG/MN/MH/SC,AE300MG/MN 一体型电磁流量计AE14 电磁流量转换器AE100DG/DN/DH,AE200DG/DN/DH,AE300DG/DN分离型电磁流量传感器AE100/200/300[Style:S2], AE14[Style:S1]ADMAG系列电磁流量计是横河公司在流量仪表领域中多年经验的结晶,其设计与横河公司质量控制体系保证了产品的高精度和高可靠性,ADMAG AE是由ADMAG系列改进而来的。
ADMAG AE 的外壳分为两腔,它将电器部分与周围隔开以便于接线。
ADMAG AE采用双频励磁,具有快速响应和消除输出噪声功能,而且可采用陶瓷衬里,从而使得该电磁流量计的应用更加广泛。
■特点:■双频励磁技术所带来的快速响应和高稳定性■高精确度,指示值的0.5%■双腔外壳将电器部分与周围隔开以便于接线■交、直流电源均可使用(100V/200V)■用于24V直流的4芯电缆■高清晰度LCD背光显示■99.9%高纯度氧化铝陶瓷衬里■完善的防漏液保护——铂氧化铝陶瓷合金电极和陶瓷衬里■压力容器等级97/23/EC■技术指标:■用于AE100MG/MN/SC/MH,AE200MG/MN/SC/MH,AE300MG/MN的电磁流量转换器AE14注1:对于不带显示器的转换器,必须用手持式终端来设置参数注2:脉冲输出和报警输出使用相同的接线端,所以这两个功能不能在同一时间使用注3:请参照GS01E07F01-00C现场通讯类型(/FB)输出信号:(注3)电流输出:4~20mA DC (负载电阻最大为750Ω) 半导体触点输出:脉冲输出或报警输出(参数选择) (额定触点:30V DC(关)和200mA(开)) 通信信号(选用)(注3)BRAIN或HART通信信号(叠加4~20mA DC信号上) 负载电阻:(包括电缆电阻)BRAIN:250~600ΩHART:230~600Ω取决于环路中的其它设备(多点模式)负载电容:最大0.22μF负载电感:最大3.3mH与电源线间距:≥15cm(避免平行布线)接收仪表的输入阻抗:≥10kΩ(在2.4kHz时)最大电缆长度:2km(使用“CEV”电缆时)瞬时流量量显示功能:(仅用于带显示器的转换器) 流量既可用流量单位显示,也可用量程百分比显示 累积流量显示功能:(仅用于带显示器的转换器) 只要设定一个积算系数,可以显示用任何流量单位表示的累积值阻尼功能:(注1)可设定范围从1秒~200秒(63%响应时间)量程范围设定功能:(注1)可以通过设定体积单位、时间单位、流量值和流量计通径来设定体积流量体积单位:加仑,桶(=158.987L),m3,L,cm3时间单位:秒、分钟、小时、天流量计通径:mm,inch脉冲输出功能:(注2)(注3)通过设定一个脉冲系数就可以输出用任何单位表示的脉冲量脉冲宽度:占空比50%或固定脉冲宽度(0.5,1,20,33,50或100ms)供用户选择输出速率:0.0001-1000PPS(选择脉冲输出时)状态输出功能:(注2)(注3)在参数设定中,可以选择下述中的一个·自动双范围状态输出自动双范围选择·正、反流向状态输出直接测量正向和反向流量·积算开关状态输出:当内部积算值超过设定值时,状态触点就改变状态·下限报警:流量小于下限设定值报警报警输出功能:(注2)(注3)在有警告产生时显示警告信号(通常被关闭)自诊断功能:(注1)转换器失灵,流量管损坏,设定错误等都可以被诊断并且显示出来失电数据保护:由EEPROM贮存数据,不需要备份电池接线口:ANSI 1/2NPT内螺纹,DIN Pg13.5内螺纹,ISO M20*1.5内螺纹,JIS G1/2内螺纹端子连接:M4螺钉外壳材料:铝合金涂层:聚氨酯防腐涂层盖子:深海藓绿(蒙赛尔色系0.6GY3.1/2.0)外壳:乳白色(蒙赛尔色系2.5Y8.4/1.2)防护结构:IP67,NEMA4X,JIS C0920水密性防护安装(AE14):2英寸管道安装■测量管AE100MG/MN/SC/MH,AE200MG/MN/SC/MH,AE300MG/MN;AE100DG/DN/DH,AE200DG/DN/DH,AE300DG/DN 结构:IP67,NEMA4X,JIS C0920防浸水型通径:**65和125mm衬里为PFA只有CENELEC ATEX涂层:接线盒(AE***D):聚氨酯防腐涂层盖子:深海藓绿(蒙赛尔色系0.6GY3.1/2.0)外壳:乳白色(蒙赛尔色系2.5Y8.4/1.2)壳体2.5~100mm通径:无(不锈钢表面)125~400mm通径:,乳白色(蒙赛尔色系2.5Y8.4/1.2)测量管材料:2.5~15mm通径:外壳:不锈钢(SCS11)法兰(仅15mm):不锈钢(SUS304)管子:不锈钢(SCS13)或氧化铝陶瓷(99.9%)接线盒:铝合金(AE***D)25~100mm通径:外壳:不锈钢(SCS304)法兰:不锈钢(SUS304)管子:不锈钢(SUS304)*或氧化铝陶瓷(99.9%) 接线盒:铝合金(AE***D)125~400mm通径:外壳:碳钢法兰:碳钢管子:不锈钢(SUS304)*或氧化铝陶瓷(99.9%——仅限150和200mm通径)接线盒:铝合金(AE***D)*仅对于PFA和聚氨酯衬里接液部分材质:衬里:PFA,氧化铝陶瓷,聚氨酯电极:不锈钢(SUS316L),哈氏合金C(相当于哈氏合金C-276),钛,钽,铂铱接地环:不锈钢(SUS316),哈氏合金C(相当于哈氏合金C-276),钛,钽,铂铱垫圈:·VALQUA#7020:四氟乙烯树脂和填充物(在流量管管体和接地环之间;陶瓷衬里)·VALQUA#4010:四氟乙烯橡胶(在流量管管体和接地环之间;附加规格/FRG)·非石棉连接片外壳带四氟乙烯树脂(在接地环和管道法兰之间。
横河AXF电磁流量计安装和常见的故障!20世纪50年代初EMF实现了工业化应用,近年来在世界范围内,EMF产量约占工业流量仪表总数的5%~6.5%,特别是2000年以来,这个数值有逐年上升的趋势。
电磁流量计作为工业流量测量仪表的一种,在其安装与使用方面有一些技巧和注意事项,在这里结合我一些切身经验和大家讨论,希望能对电磁流量计的正确安装与使用作出贡献。
1.磁流量计的使用优点电磁流量计的测量通道是一段无阻流检测件的光滑直管,因不易阻塞适用于测量含有固体颗粒或纤维的液固二相流体,如纸浆、煤水浆、矿浆、泥浆和污水等;它不产生因检测流量所形成的压力损失,仪表的阻力仅是同一长度管道的沿程阻力,节能效果,对于要求低阻力损失的大管径供水管道最为适合;电磁流量计所测得的体积流量,实际上不受流体密度、粘度、温度、压力和电导率(只要在某阈值以上)变化明显的影响;与其他大部分流量仪表相比,它的前置直管段要求较低;电磁流量计的测量范围度大,通常为20:1~50:1,可选流量范围宽。
满度值液体流速可在0.5~10m/s内选定。
有些型号仪表可在现场根据需要扩大和缩小流量(例如设有4位数电位器设定仪表常数)不必取下作离线实流标定;电磁流量计的口径范围比其他品种流量仪表宽,从几毫米到3m;可测正反双向流量,也可测脉动流量,只要脉动频率低于激磁频率很多;仪表输出本质上是线性的;易于选择与流体接触件的材料品种,可应用于腐蚀性流体。
当然,电磁流量计也有缺点。
比如它不能测量电导率很低的液体,如石油制品和有机溶剂等;不能测量气体、蒸汽和含有较多较大气泡的液体;通用型EMF由于衬里材料和电气绝缘材料的限制,不能用于测量较高温度的液体。
2.安装与使用注意事项2.1使用时应注意的一般事项液体应具有测量所需的电导率,并要求电导率分布大体上均匀。
因此流量传感器安装要避开容易产生电导率不均匀场所,例如其上游附近加入药液,加液点最好设于传感器下游。
使用时传感器测量管必须充满液体(非满管型例外)。
横河电磁流量计使用说明书
横河电磁流量计是一种测量流体流量的仪器,它适用于各种液体和气体的流量测量。
以下是横河电磁流量计的使用说明书:
1.安装:首先,确定流量计的安装位置。
应选择一个干燥、通风以及远离高温和振动的地方。
然后,使用螺丝固定流量计到所选择的位置。
根据流体的性质和使用条件,选择适当的电磁流量计型号和尺寸。
2.接线:根据仪表档案和安装环境的需求,将流量计与相应的配套仪器进行正确的接线。
确保接线牢固可靠,避免发生短路或开路等故障。
3.校准:在正确安装和接线之后,使用标准装置对流量计进行校准。
校准时,根据流体的类型和流量范围,设置相应的流量值,并与标准设备进行比较。
4.使用:在校准完成后,可以开始正常使用电磁流量计进行流量测量。
打开仪表电源,设置所需的测量范围和单位。
根据实际需要,可以选择显示流量、总量或其他参数。
同时,还可以设置报警功能和通信接口。
5.维护:定期检查流量计的运行状态和精度。
清洁传感器,确保传感器表面干净且无异物。
根据使用情况,定期更换零件或维修设备。
6.故障排除:如果发现流量计出现异常,如读数不准确、显示
错误等问题,首先进行故障排除。
请参考仪表的故障排除指南,检查和修复故障。
请注意,以上仅为横河电磁流量计的一般使用说明,具体操作步骤和注意事项应根据产品型号和实际情况来确定。
建议在使用之前详细阅读相关的使用说明书,并遵守相关的安全规定和操作规程。
上海数捷电气有限公司联系人丗胡先生 •i手机丗137********•j联系电话丗021-********-23传真丗021-******** E-mail•Fhxc@QQ:904091685電磁流量計操作說明書1.基本操作程序資料之設定可由SET,SHIFT,及鍵來變更.AXFA11亦可使用手提BRAIN Terminal(BT200)或HART 通信器設定.NOTE(1) 於保護蓋之玻璃視窗上使用這些按鍵.(2) 玻璃視窗上如有髒污,灰塵,或其他物質時,請用軟質乾淨的布料擦拭.(3) 穿戴髒污的手套操作,可能使按鍵反應異常1.1操作盤架構及功能(1) 資料顯示區依參數設定可顯示第一行(Display Select 1),第二行(Display Select 2),第三行(Display Select 3).每行右方以反白字體顯示對應該行之內容.(2) 按鍵設定操作SET: 往下移動項目層,選擇,或確認.SHIFT+SET: 往上移動項目層(按著SHIFT 鍵時,再按SET 鍵)移動游標向下(參數選項)或 增加數值(數值參數)SHIFT: 移動游標向右(數值參數)移動游標向上(參數選項)(3)顯示項目(4) 反白字體顯示(1) 資料顯示區(3) 顯示項目(2) 設定開關(紅外線觸控開關)顯示項目及反白字體指示瞬間流量: %實際瞬間流量實際瞬間流量: mA 條狀圖指示實際瞬間流量正向累積流量逆向累積流量正逆向偏差累積流量儀表標號電極附著診斷通信通信型式顯示瞬間流量之百分比顯示瞬間流量之讀值顯示瞬間流量電流輸出顯示瞬間流量之百分比條狀圖顯示正向累積流量顯示逆向累積流量顯示正逆向累積流量間之偏差量顯示儀表標號( 16個字元 )以條狀圖顯示電極附著狀況1.2顯示單元設定方法NOTE於改變任何設定之前請確認詳細之相關參數設定內容1.2.1顯示模式 → 設定模式當電源啟動時即進入顯示模式,且依下列步驟進入設定模式顯示例 : 顯示模式至設定模式步驟條狀圖指示瞬間流量按住鍵2 秒鐘同時按鍵和於設定模式回到顯示模式時 , 輸入模式將在一分鐘內被省略開始顯示模式顯示模式輸入模式(2秒或多)主項參數搜尋模式副項參數搜尋模式參數搜尋模式參數更換模式設定模式按著SHIFT鍵時,再按SET鍵實際瞬間流量﹝FR ﹞正向累積流量﹝FTL ﹞鍵並選擇[ YES ] , 進入設定模式銀幕顯示系統是否進入設定模式反白字體為游標位置指示目前選擇的項目按整個銀幕點滅要求確認此時再按一次確認所選之項目系統進入設定模式可選擇參數設定整個步驟是從顯示模式變為參數搜尋模式參數搜尋模式設定模式1.2.2設定模式當設定模式依照1.2.1所述被啟動,如在十分鐘內無任何操作時,系統自動回復至顯示模式 .1.3參數設定步驟AXFA11 常用的參數已一起群組在表單 B 中的Easy Setup . 本節提供B : Easy Setup 之參數設定步驟 .1.3.1( 例 ) 選擇型式資料 : 流量單位本例敘述流量單位設定B21 : Base Flow Unit ( 將 m3 改為 l [ Liter ] )此銀幕已在參數搜尋模式1. 選擇型式2. 數字型式3. 字元型式在預設清單中選擇所須之資料項目設定數值及小數點資料是由字元組合計16個字元詳下表開始主項目參數搜尋模式設定模 主項目參數按鍵進入 B : Easy Setup .此銀幕已在副項目參數搜尋模式按 鍵,使游標移至B21 : Base Flow Unit游標已移至 B21 : Base Flow Unit ( 副項目選擇畫面 ( A ) )此銀幕已用 鍵叫出參數更換模式按 鍵,使游標移至欲選擇之單位項目選定之後按 鍵整個畫面點滅要求確認再按一次 鍵系統自動回至副項目選擇畫面 ( A )主項目 副項目參數主項目 主項目主項目目前之單位設定可選擇之單位可選擇之單位目前之單位設定 副項目選擇 ( A )副項目參數搜尋模式參數更換模式副項目參數搜尋模式1.3.2( 例 ) 數字型式資料 : 流量範圍本例敘述流量範圍設定B23 : Flow Span ( 將 100 l/min 改為 120 l/min )此銀幕已在副項目參數搜尋模式按 鍵,使游標移至B23 : Flow Span游標已移至 B23 : Flow Span ( 副項目選擇畫面 ( B ) )按 鍵進入參數更換模式點滅的位數可變更NOTE用 鍵移動位數用 鍵變更數值及小數點位置變更至 120 l/min 步驟如下按 鍵機游標移至10位數按 鍵將數值變更為2設定完成後按 鍵設定模 主項目參數開始主項目參數搜尋模式副項目參數搜尋模式參數更換模式主項目 副項目參數主項目 副項目選擇 ( B )按鍵進入B : Easy Setup .上述步驟之後畫面將會點滅再按一次 鍵 , 確認數值變更為120 l/min .系統自動回至副項目選擇畫面 ( B )NOTE輸入值超出有效選擇範圍時 , 顯示" Out of range . Touch any key . "之訊息NOTE小數點位置設定超出有效選擇範圍時 ,顯示 " Invalid value . Touch any key . "之訊息1.3.3( 例 ) 字元型式資料 : 儀表標號本例敘述流量範圍設定C20 : Tag No. ( 將 "FI-1101" 改為 "FI-1201" )按 鍵,使游標移至C : Basic Setup游標已移至 C : Basic Setup 按 鍵進入 C : Basic Setup副項目參數搜尋模式主項目 副項目選擇 ( B )錯誤的 設定錯誤的 設定設定模 主項目參數開始主項目參數搜尋模式設定模主項目參數上述步驟完成後游標會定位在C10 :Tag No. ( 副項目選擇畫面 ( D ) )按 鍵進入參數更換模式游標會在要號之左方點滅此例要設定"FI-1201",按 鍵移動由標至百位數位置按 鍵將數值變更為 2再按 鍵上述步驟之後畫面將會點滅再按一次 鍵 , 確認標號變更為"FI-1201"系統自動回至副項目選擇畫面 ( D )在使用( 鍵和 鍵 )後,返回顯示畫面,如有設定顯示儀表標號,則可確認所變更的內容在 Display Select 3 選擇 Tag No. 顯示副項目參數搜尋模式參數更換模式副項目參數搜尋模式主項目副項目選擇 ( D )主項目 副項目選擇 ( D )目前之設定值變更值目前之設定值參數清單總覽1.A 項 ( 清單 A ) : 顯示項目 - Display Items2. B 項 ( 清單 B ) : 簡易設定項目 - Easy Setup Items瞬間流量 % 顯示瞬間流量顯示瞬間流量 mA 顯示正向累積流量顯示逆向累積流量顯示正逆向累積流量偏差顯示顯示自我檢查結果選擇語言顯示與 H30 連結設定阻尼時間,與 C11 連結設定流量單位與 C40 連結設定時間單位與 C41 連結設定流量範圍單位為 B22/B23 ,與 C42 連結選擇瞬間流量顯示之小數點位置與 C43 連結選擇每一脈波之流量單位用於累積流量顯示與 D10 連結設定每一脈波之流量與 D11 連結選擇每一脈波之流量單位用於脈波輸出與 E10 連結設定每一脈波之流量與 E11 連結選擇顯示幕第一行之顯示方式與 H10 連結選擇顯示幕第二行之顯示方式與 H11 連結選擇顯示幕第三行之顯示方式,與 H12 連結選擇是否執行自動零點調整,與 M10 連結顯示自我檢查結果3. C 項 ( 清單 C ) : 基本設定項目 - Basic Setting Items設定儀表標號,可達16個字母設定阻尼時間,與 B20 連結選擇雙頻激磁之測量模式設定雙頻激磁之低頻計器係數設定雙頻激磁之高頻計器係數設定增強型雙頻激磁之低頻計器係數設定增強型雙頻激磁之高頻計器係數選擇連接之流量計型式選擇流量計之尺寸單位設定流量計管徑設定流量單位與 B21 連結設定時間單位與 B22 連結設定流量範圍單位為 B22/B23 ,與 B23 連結選擇瞬間流量顯示之小數點位置與 B24 連結3. D 項 ( 清單 D ) : 累積設定項目 - Total Setting Items 顯示自我檢查結果顯示流量範圍設定之流速選用質量流量時,請選擇密度單位設定密度值選擇是否使用特殊之流量單位設定特殊單位,可設8個字元設定特殊流量範圍顯示自我檢查結果選擇每一脈波之流量單位用於累積流量顯示與 B30 連結設定每一脈波之流量與 B31 連結選擇累計顯示之小數點位置設定流量在多少(%)範圍內時停止流量累計功能設定積算之"啟動","停止", "正逆向預設累計"功能設定積算之預設累計值8 位數中之前 6 位數設定積算之預設累計值8 位數中之後 2 位數設定積算之切換值8 位數中之前 6 位數設定積算之切換值8 位數中之後 2 位數選擇是否使用特殊之積算單位設定特殊積算單位,可設個字元3. E 項 ( 清單 E ) : 脈波設定項目 - Pulse Setting Items選擇每一脈波之流量單位用於脈波輸出與 B32 連結設定每一脈波之流量與 B33 連結脈波寬度設定設定流量在多少(%)範圍內時,停止脈波輸出功能設定脈波輸出動作模式顯示自我檢查結果6. F 項 ( 清單 F ) : 輸出入接點功能設定項目 - Status Function Setting Items選擇 SO1 端子之輸出功能選擇 SO2 端子之輸出功能7.G 項 ( 清單 G ) : 警報設定項目 - Alarm Setting Items 顯示自我檢查結果選擇 SI1 端子之輸入功能選擇 SI2 端子之輸入功能設定 SO1,2 輸出動作模式設定 SI1,2 輸入動作模式設定 #2 正向流量範圍設定 #3 正向流量範圍設定 #4 正向流量範圍設定 #1 逆向流量範圍設定 #2 逆向流量範圍設定 #3 逆向流量範圍設定 #4 逆向流量範圍磁滯寬度設定, 用於測量範圍之自動切換磁滯寬度設定, 用於正逆流樣測量切換設定下限流量警報值設定上限流量警報值設定下下限流量警報值設定上上限流量警報值設定流量警報值磁滯寬度設定警報輸出之動作模式選擇警報發生時之電流輸出形式顯示CPU異常時,電流輸出形式設定警報種類是否可指定指定警報是否為一過載警報指定警報是否為一空管警報指定警報是否為一上上/下下限警報指定警報是否為一附著警報運作時時數顯示最近之警報內容顯示最近之警報發生時間顯示第二近之警報內容顯示第二近之警報發生時間顯示第三近之警報內容顯示第三近之警報發生時間顯示第四近之警報內容顯示第四近之警報發生時間顯示自我檢查結果8.H 項 ( 清單 H ) : 顯示設定項目 - Display Setting Items選擇顯示幕第一行之顯示方式與 B40 連結選擇顯示幕第二行之顯示方式與 B41 連結選擇顯示幕第三行之顯示方式,與 B42 連結選擇顯示週期選擇語言顯示與 B10 連結顯示自我檢查結果9.J 項 ( 清單 J ) : 輔助功能設定項目 - Auxiliary Function Setting Items設定電流在多少(%)範圍內時,輸出 4 mA設定電流輸出下限值設定電流輸出上限值設定流量方向減少輸出變動之等級設定設定不感帶時間,減少輸出變動, 0 - 不動作設定是否支援脈衝流量之測量選擇內部頻率是否與電源同步顯示電源頻率設定電源頻率備忘區備忘區備忘區軟體版本顯示自我檢查結果10.K 項 ( 清單 K ) : 診斷機能設定項目 - Diagnostic Function Setting Items選擇是否執行電極附著診斷設定 #1 級電極附著之阻抗值設定 #2 級電極附著之阻抗值設定 #3 級電極附著之阻抗值設定 #4 級電極附著之阻抗值顯示電極附著之阻抗值顯示自我檢查結果11.M 項 ( 清單 M ) : 自動零點調整功能設定項目 - Automatic Zero-Adjustment FunctionSetting Items選擇自動零點調整是否執行顯示調整結果或設定零點顯示自我檢查結果12.N 項 ( 清單 N ) : 迴路測試設定項目 - Loop Test Setting Items選擇 正常/測試 模式設定測試輸出值選擇SO1測試狀態選擇SO2測試狀態選擇警報輸出端測試狀態選擇SI1測試狀態選擇SI2測試狀態顯示自我檢查結果13.P 項 ( 清單 P ) : 參數保護項目 - Parameter Protection Items參數顯示限制顯示是否禁止參數覆寫允許正確的密碼輸入並解除寫入保護功能寫入保護功能之密碼設定顯示是否使用一個開玩笑的密碼(Break)顯示自我檢查結果。
横河电机株式会社IM 01E20C02-01C-C 第5版i IM 01E20C02-01C-C第4版: 2005年2月(KP)横河电机株式会社 版权所有2003目录1.简介..............................................................................................................1-11.1安全使用电磁流量计............................................................................1-21.2保修.....................................................................................................1-31.3分离型传感器配套................................................................................1-31.4ATEX 文件............................................................................................1-42.操作须知.......................................................................................................2-12.1检查型号和规格...................................................................................2-12.2附件.....................................................................................................2-12.3存放须知..............................................................................................2-12.4安装地点须知.......................................................................................2-23.安装..............................................................................................................3-13.1安装地点..............................................................................................3-13.2安装.....................................................................................................3-14.接线..............................................................................................................4-14.1接线须知..............................................................................................4-14.2电缆.....................................................................................................4-14.3接线口..................................................................................................4-34.4接线.....................................................................................................4-44.4.1打开壳盖.......................................................................................4-44.4.2端子结构.......................................................................................4-44.4.3电源电缆接线须知.........................................................................4-54.4.4直流电源连接................................................................................4-54.4.5接地..............................................................................................4-64.4.6分离型传感器与AXFA14转换器连接.............................................4-64.4.7连接外部仪表................................................................................4-74.4.8安装壳盖.......................................................................................4-85.基本操作步骤(显示单元的使用)...............................................................5-15.1操作面板的构造和功能........................................................................5-15.2显示单元的设置方法............................................................................5-25.2.1显示模式→设置模式.....................................................................5-25.2.2设置模式.......................................................................................5-45.3参数设置步骤.......................................................................................5-45.3.1选择型数据的设置示例:流量单位................................................5-45.3.2数值型数据的设置示例:流量量程................................................5-65.3.3字符数字组合型数据的设置示例:位号........................................5-7ii IM 01E20C02-01C-C6.参数说明.......................................................................................................6-16.1参数.....................................................................................................6-16.2参数列表..............................................................................................6-16.3参数列表总览.......................................................................................6-26.4参数说明............................................................................................6-12(1) 菜单B :快速设置项...........................................................................6-12(2) 菜单C :基本设置项..........................................................................6-15(3) 菜单D :累计值设置项.......................................................................6-17(4) 菜单E :脉冲设置项...........................................................................6-19(5) 菜单F :状态功能设置项....................................................................6-20(6) 菜单G :报警设置项..........................................................................6-26(7) 菜单H :显示设置项..........................................................................6-30(8) 菜单J :辅助功能设置项....................................................................6-30(9) 菜单K :诊断功能设置项...................................................................6-33(10) 菜单M :自动调零功能设置项..........................................................6-33(11) 菜单N :环路测试设置项..................................................................6-34(12) 菜单P :参数保护项.........................................................................6-346.5报警功能............................................................................................6-356.5.1报警级别.....................................................................................6-356.5.2报警选择.....................................................................................6-366.5.3报警和警告提示..........................................................................6-386.6AXF 一体型流量计须知.......................................................................6-407.使用智能终端(BT200)进行操作............................................................7-17.1BT200基本操作...................................................................................7-17.1.1键盘布置及显示............................................................................7-17.1.2按键说明.......................................................................................7-17.2使用BT200操作AXFA14......................................................................7-37.2.1BT200连线....................................................................................7-37.2.2BT200的数据更新和上传下载功能................................................7-37.2.3BT200界面和流量数据显示...........................................................7-47.3使用BT200进行参数设置.....................................................................7-47.3.1BT200选择型数据的设置:流量单位............................................7-57.3.2BT200数字型数据的设置:流量量程............................................7-67.3.3BT200字符数字组合型数据的设置:位号.....................................7-78.使用HART 手操器进行操作...........................................................................8-18.1通讯线路状况.......................................................................................8-28.1.1AXFA14和HART 手操器之间的连接..............................................8-28.1.2通讯线路要求................................................................................8-28.2HART 手操器(275型)的基本操作.....................................................8-38.2.1键盘布置和功能............................................................................8-38.2.2显示..............................................................................................8-48.2.3调入菜单地址................................................................................8-48.2.4输入、设置和发送数据..................................................................8-58.3参数.....................................................................................................8-58.3.1参数结构.......................................................................................8-58.3.2数据更新.......................................................................................8-58.3.3问题检查.......................................................................................8-68.3.4设置参数.......................................................................................8-68.3.5菜单树.........................................................................................8-21iii IM 01E20C02-01C-C9.实际操作.......................................................................................................9-19.1运行前调零..........................................................................................9-19.1.1利用显示单元开关进行调零..........................................................9-29.1.2通过外部状态输入进行调零操作...................................................9-310.维修............................................................................................................10-110.1零部件更换........................................................................................10-110.1.1更换保险丝..................................................................................10-110.1.2更换显示单元..............................................................................10-210.1.3更换放大器..................................................................................10-310.2开关设置............................................................................................10-410.2.1设置熔断开关..............................................................................10-410.2.2设置写保护开关..........................................................................10-410.3故障检修............................................................................................10-510.3.1无指示.........................................................................................10-510.3.2零点不稳定..................................................................................10-610.3.3显示与实际流量不一致................................................................10-711.概述............................................................................................................11-112.防爆型仪表.................................................................................................12-112.1CENELEC ATEX (KEMA).................................................................12-112.2FM .....................................................................................................12-212.3CSA ...................................................................................................12-312.4TIIS....................................................................................................12-4TIIS 防火设备的安装和操作注意事项...........................................................EX-B03E1.概述 (1)2.防爆结构防火型电气设备 (1)3.术语 (1)4.防火设备的安装 (2)5.防火设备的外部接线 (2)6.防火设备的维修 (3)7.防火型电缆接入设备的选择....................................................................31.简介本仪表在出厂前已经过全面调试。
General Specification 一般规格书 AE100MG/MN/MH/SC,AE200MG/MN/MH/SC,AE300MG/MN 一体型电磁流量计AE14 电磁流量转换器AE100DG/DN/DH,AE200DG/DN/DH,AE300DG/DN分离型电磁流量传感器AE100/200/300[Style:S2], AE14[Style:S1]ADMAG系列电磁流量计是横河公司在流量仪表领域中多年经验的结晶,其设计与横河公司质量控制体系保证了产品的高精度和高可靠性,ADMAG AE是由ADMAG系列改进而来的。
ADMAG AE 的外壳分为两腔,它将电器部分与周围隔开以便于接线。
ADMAG AE采用双频励磁,具有快速响应和消除输出噪声功能,而且可采用陶瓷衬里,从而使得该电磁流量计的应用更加广泛。
■特点:■双频励磁技术所带来的快速响应和高稳定性■高精确度,指示值的0.5%■双腔外壳将电器部分与周围隔开以便于接线■交、直流电源均可使用(100V/200V)■用于24V直流的4芯电缆■高清晰度LCD背光显示■99.9%高纯度氧化铝陶瓷衬里■完善的防漏液保护——铂氧化铝陶瓷合金电极和陶瓷衬里■压力容器等级97/23/EC■技术指标:■用于AE100MG/MN/SC/MH,AE200MG/MN/SC/MH,AE300MG/MN的电磁流量转换器AE14注1:对于不带显示器的转换器,必须用手持式终端来设置参数注2:脉冲输出和报警输出使用相同的接线端,所以这两个功能不能在同一时间使用注3:请参照GS01E07F01-00C现场通讯类型(/FB)输出信号:(注3)电流输出:4~20mA DC (负载电阻最大为750Ω) 半导体触点输出:脉冲输出或报警输出(参数选择) (额定触点:30V DC(关)和200mA(开)) 通信信号(选用)(注3)BRAIN或HART通信信号(叠加4~20mA DC信号上) 负载电阻:(包括电缆电阻)BRAIN:250~600ΩHART:230~600Ω取决于环路中的其它设备(多点模式)负载电容:最大0.22μF负载电感:最大3.3mH与电源线间距:≥15cm(避免平行布线)接收仪表的输入阻抗:≥10kΩ(在2.4kHz时)最大电缆长度:2km(使用“CEV”电缆时)瞬时流量量显示功能:(仅用于带显示器的转换器) 流量既可用流量单位显示,也可用量程百分比显示 累积流量显示功能:(仅用于带显示器的转换器) 只要设定一个积算系数,可以显示用任何流量单位表示的累积值阻尼功能:(注1)可设定范围从1秒~200秒(63%响应时间)量程范围设定功能:(注1)可以通过设定体积单位、时间单位、流量值和流量计通径来设定体积流量体积单位:加仑,桶(=158.987L),m3,L,cm3时间单位:秒、分钟、小时、天流量计通径:mm,inch脉冲输出功能:(注2)(注3)通过设定一个脉冲系数就可以输出用任何单位表示的脉冲量脉冲宽度:占空比50%或固定脉冲宽度(0.5,1,20,33,50或100ms)供用户选择输出速率:0.0001-1000PPS(选择脉冲输出时)状态输出功能:(注2)(注3)在参数设定中,可以选择下述中的一个·自动双范围状态输出自动双范围选择·正、反流向状态输出直接测量正向和反向流量·积算开关状态输出:当内部积算值超过设定值时,状态触点就改变状态·下限报警:流量小于下限设定值报警报警输出功能:(注2)(注3)在有警告产生时显示警告信号(通常被关闭)自诊断功能:(注1)转换器失灵,流量管损坏,设定错误等都可以被诊断并且显示出来失电数据保护:由EEPROM贮存数据,不需要备份电池接线口:ANSI 1/2NPT内螺纹,DIN Pg13.5内螺纹,ISO M20*1.5内螺纹,JIS G1/2内螺纹端子连接:M4螺钉外壳材料:铝合金涂层:聚氨酯防腐涂层盖子:深海藓绿(蒙赛尔色系0.6GY3.1/2.0)外壳:乳白色(蒙赛尔色系2.5Y8.4/1.2)防护结构:IP67,NEMA4X,JIS C0920水密性防护安装(AE14):2英寸管道安装■测量管AE100MG/MN/SC/MH,AE200MG/MN/SC/MH,AE300MG/MN;AE100DG/DN/DH,AE200DG/DN/DH,AE300DG/DN 结构:IP67,NEMA4X,JIS C0920防浸水型通径:**65和125mm衬里为PFA只有CENELEC ATEX涂层:接线盒(AE***D):聚氨酯防腐涂层盖子:深海藓绿(蒙赛尔色系0.6GY3.1/2.0)外壳:乳白色(蒙赛尔色系2.5Y8.4/1.2)壳体2.5~100mm通径:无(不锈钢表面)125~400mm通径:,乳白色(蒙赛尔色系2.5Y8.4/1.2)测量管材料:2.5~15mm通径:外壳:不锈钢(SCS11)法兰(仅15mm):不锈钢(SUS304)管子:不锈钢(SCS13)或氧化铝陶瓷(99.9%)接线盒:铝合金(AE***D)25~100mm通径:外壳:不锈钢(SCS304)法兰:不锈钢(SUS304)管子:不锈钢(SUS304)*或氧化铝陶瓷(99.9%) 接线盒:铝合金(AE***D)125~400mm通径:外壳:碳钢法兰:碳钢管子:不锈钢(SUS304)*或氧化铝陶瓷(99.9%——仅限150和200mm通径)接线盒:铝合金(AE***D)*仅对于PFA和聚氨酯衬里接液部分材质:衬里:PFA,氧化铝陶瓷,聚氨酯电极:不锈钢(SUS316L),哈氏合金C(相当于哈氏合金C-276),钛,钽,铂铱接地环:不锈钢(SUS316),哈氏合金C(相当于哈氏合金C-276),钛,钽,铂铱垫圈:·VALQUA#7020:四氟乙烯树脂和填充物(在流量管管体和接地环之间;陶瓷衬里)·VALQUA#4010:四氟乙烯橡胶(在流量管管体和接地环之间;附加规格/FRG)·非石棉连接片外壳带四氟乙烯树脂(在接地环和管道法兰之间。
横河电磁流量计使用说明书一、产品描述横河电磁流量计是一种用于测量液体流量的仪器。
其基本原理是根据法拉第电磁感应定律,当液体通过磁场时,会产生感应电动势,通过测量感应电动势的大小可以确定液体的流量。
横河电磁流量计结构紧凑、测量准确,广泛应用于工业自动化控制领域。
二、安装与调试1. 安装前,请确保电源已关闭,仪表处于断电状态。
2. 检查电磁流量计的外观有无损坏,如有损坏请及时更换或修理。
3. 将电磁流量计正确安装在流体管路上,确保流体能够顺利通过。
4. 连接电磁流量计的输入和输出接口,确保线路连接正确无误。
5. 打开电源,对电磁流量计进行简单的调试,如校准零点、调整放大倍数等,确保仪表的准确性。
6. 完成安装和调试后,合上电磁流量计的外部盖板,确保仪表的整洁美观。
三、仪表操作1. 开机与关机操作人员将仪表接入电源后,仪表自动进入工作状态。
关闭电源时,应先切断仪表与电源的供电连接,待指示灯熄灭后方可断开电源线。
2. 仪表校准为确保测量准确性,需要对电磁流量计进行校准。
根据实际使用情况和要求,进行相应的零点校准和放大倍数校准。
3. 显示与操作电磁流量计配备了直观的液晶显示屏,可以实时显示流体的流量数值。
通过仪表上的操作按钮,可以切换不同的显示模式,查看流速、体积等参数。
四、故障排除1. 显示异常当液晶显示屏显示异常时,首先检查电源是否正常,如电源正常,可以尝试重新启动仪表。
如果问题仍未解决,请联系售后服务。
2. 测量不准确当测量结果与实际情况存在偏差时,可以考虑以下几点排除故障:(1) 检查流体管路,确保无阻塞物或漏液情况。
(2) 检查电磁流量计的安装位置,避免受到外部干扰。
五、维护与保养1. 定期检查仪表的外观和内部零件,如发现异常情况及时处理。
2. 保持仪表周围环境整洁,避免灰尘和杂物进入仪表内部。
3. 避免电磁流量计受到强磁场干扰,以免影响测量准确性。
六、注意事项1. 在操作或维护仪表时,务必切断电源,以防电击事故发生。
电磁流量计示值误差测量结果不确定度评定1.概述1.测量依据: JJG 1033-2007 《电磁流量计检定规程》、JJF1059.1-2012《测量不确定度评定与表示》。
2.测量环境条件:环境温度:5℃~35℃,相对湿度:45%~75%,大气压力:86kPa~106kPa3.测量标准:是基于静态质量法测量原理的液体流量标准装置,型号为 LJY-03,测量范围(1~1800)m3/h,准确度为0.05%。
由电子台秤、测量管道、标准表、压力变送器、温度变送器等部分组成。
工作时通过离心水泵将地下水池的水抽到稳压罐中,通过相连接的测量管道流经被检流量计,流入称重容器并通过电子台秤进行称重,将被检流量计和电子台秤测得的质量流量进行比对计算得出示值误差,本文主要是对该示值误差测量结果进行不确定度分析。
4.被测对象:电磁流量是基于法拉第电磁感应定律工作的,在封闭管道中,设置一个与流动方向相垂直的磁场,通过测量导电液体在磁场中运动所产生的感应电动势推算出流量。
本次选用的被测流量计是由横河电机(苏州)有限公司生产,型号为ADMAG AXF系列一体型电磁流量计。
5测量方法:将被测流量计按照流量计表体上标注的箭头方向装夹在对应的管线上.管道内的流体介质为水,测量工况下水温为18.1℃,粘度为 1.0681Pa·s,使水流经被测流量计和流量标准装置。
根据电磁流量计的工作原理,在测量过程中,通过采集被测流量计发出的累积脉冲数,输入计算机系统,利用计算机进行数据处理,从而确定被检流量计的计量性能。
二、数学模型2.1 由于该装置为质量法装置,检定介质为液体,则流量计算公式为式中:——第i流量点第j次检定时标准器给出的累积流量,L;——第i检定点第j次检定时称重装置指示质量,kg;——检定使用液体的密度,kg/m3;——空气的密度,kg/m32.2 流量计K系数计算公式第i流量点第j次检定流量计的K系数为式中:——第i流量点第j次检定时被检流量计在检定时间内的累积脉冲数;——第i流量点第j次检定时流过被检流量计的实际累积流量,L。
功能如何设置参数(*2):用户可通过显示器LCD和三个红外感应开关在不打开壳盖时设置参数。
参数也可以通过HHT设置。
显示语言(*2):用户可以选择使用英语或日语。
公司正在开发德文版、法文版、意大利文版和西班牙文版。
瞬时流量/累积值显示功能(对于有显示器的型号)(*2):全点阵液晶显示器允许任意选择一行到三行显示:● 瞬时流量● 瞬时流量(%)● 瞬时流量(条状图)● 电流输出值(mA)● 累积值● 位号● 电极粘污度诊断结果累积值显示功能(*2):根据累积脉冲当量的设置,按一次计一个标记脉冲统计流量。
正向/反向量程,流向(正向或反向)上的累积值和流量以及它们的单位均显示在显示器上。
也能显示正向和反向流量累积值的差值。
使用正向单量程时,不计算反向流量。
延时时间常数(*2):时间常数的设定范围在0.1秒 ~ 200.0秒之间(63%响应时间)。
量程设置功能(*2):流量量程的单位可任意设置为体积流量、质量流量、时间或流量值。
也可设置流速单位。
体积流量单位:kcf, cf, mcf, Mgal (US), kgal (US), gal(US), mgal (US), kbbl (US)*, bbl (US)*,mbbl (US)*, µbbl (US)*, Ml (兆升), m3, kl(千升), l (升), cm3质量流量单位(必须设置密度):klb (US), lb (US),t (吨), kg, g流速单位:ft, m (米)时间单位:s (秒), min (分), h (时), d (天)*可以选用“US Oil”或“US Beer”。
脉冲输出(*1):通过脉冲当量设置,系统可以输出有标度的脉冲。
脉冲宽度:脉冲宽度可以设为50%占空比或固定值(0.05, 0.1, 0.5, 1, 20, 33, 50, 100 ms)。
输出速率:0.0001 ~ 10000 pps (脉冲/秒)多范围功能(*1)(*2):状态输入可以使转换器最多能切换两种范围。
横河电磁流量计在使用过程中常见故障原因流量计常见问题解决方法横河电磁流量计特点使用便利流体粘合度诊断通过监控电极上绝缘介质的粘合度可以判定仪表是否需要进行维护和修理。
由于接受了可更换电极,即使在严重粘合时,也可以很便利地从流量计上拆下电极进行清洗。
快捷的电气连接方向在通用型和卫生型的使用现场,转换器或接线盒可以任意旋转,以更改电气连接的方向。
多功能清楚显示指示器接受一个大的背光全点阵液晶显示屏,它可以用来进行各种显示。
指示器可以显示一到三行。
发生警报时,指示器上会显示出实在的应急对策。
日本横河电磁流量计无流量信号输出1.日本横河电磁流量计原因分析这类故障在使用过程中较为常见,原因一般有:(1)仪表供电不正常;(2)电缆连接不正常;(3)液体流动状不符合安装要求;(4)传感器零部件损坏或测量内壁有附着层;(5)转换器元器件损坏。
2.日本横河电磁流量计解决方案(1)确认已接入电源,检查电源线路板输出各路电压是否正常,或尝试置换整个电源线路板,判别其好坏。
(2)检查电缆是否完好,连接是否正确。
(3)检查液体流动方向和管内液体是否充分。
对于能正反向测量的电磁流量计,若方向不一致虽可测量,但设定的显示流量正反方向不符,必需改正。
若拆传感器工作量大,也可更改传感器上的箭头方向和重新设定显示仪表符号。
管道未流满液体紧要是传感器安装位置不妥引起的,应在安装时实行措施,避开造成管道内液体不满管。
(4)检查变送器内壁电极是否覆盖有液体结疤层,对于简单结疤的测量液体,要定期进行清理。
(5)若判定为是转换器元器件损坏引起的故障,更换损坏的元器件即可。
电磁流量计气泡噪声问题避开和解决方法电磁流量计可以测量包括酸、碱、盐等强腐蚀性的液体。
电磁流量计在钢铁行业冷却水测量中显现的误报警大多是由气泡擦过电极,形成短短时间间的感应信号为零,这是一种气穴现象,我们称这种故障为气泡噪声。
下面介绍一下气泡噪声问题的避开和解决方法。
首先,应从安装上充分电磁流量计上游直管段长度要求,规范仪表的安装,选择阔别热源的安装场所,合理使用管道流速,选用干净度高的PFA氟塑料衬里和高纯氧化铝工业陶瓷导管。
概述
AXF系列电磁流量计是基于数十年现场实践经验研发的产品,不仅耐用,而且易于操作。
可更换电极和电极粘污度诊断功能的结合大大提高了系统可维护性。
AXF系列采用能消除流体噪音的“双频励磁法”和为恶劣环境下使用所新增的“增强型双频励磁法”,提高了系统稳定性和响应的高速性。
注:“双频励磁法”是横河电机株式会社的专用技术。
特点
使用方便
流体粘合度诊断
通过监控电极上绝缘介质的粘合度可以判断仪表是否需要进行维修。
由于采用了可更换电极,即使在严重粘合时,也可以很方便地从流量计上拆下电极进行清洗。
灵活的电气连接方向
在通用型和卫生型的使用现场,转换器或接线盒可以任意旋转,以改变电气连接的方向。
多功能清晰显示
指示器采用一个大的背光全点阵液晶显示屏,它可以用来进行各种显示。
指示器可以显示一到三行。
发生警报时,指示器上会显示出具体的应急对策。
“Easy Setup(快速设置)”参数使用频率最高的参数整合成一组,位于参数设置的最前面。
用户可以在不打开壳盖的情况下,使用红外开关进行参数设置。
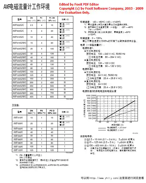
■产品系列
两种精度等级
标准精度为0.35%,也有高精度等级(0.2%)。
超小尺寸法兰型
法兰尺寸可以从2.5 mm开始。
不同的卫生型连接
可以有不同的卫生型连接,例如三点压板、ISO、DIN和SMS。
■增强型性能和技术规格
增强型双频励磁法
“增强型双频励磁法”为可选项。
对于恶劣状况,如混有高浓度泥浆或低电导率的流体,它可以实现高标准的稳定测量。
改进的最小电导率
电导率的下限是1μ S/cm。
高速脉冲输出
脉冲频率可以达到10000 pps(脉冲/秒),这样就可以参与高速应用,如进行短时间的批处理操作。
一体型流量计增加了更灵活的输入/输出功能
接地:接地电阻≤100Ω 当选择代码A 时,按C等级接地(接地电阻≤10Ω
*若是防爆型,接地保护端子必须连到相应的符合国际标准的接地系统。