【CN109909532A】一种机加工实心钨钢棒材倒角机【专利】
- 格式:pdf
- 大小:516.20 KB
- 文档页数:12
专利名称:一种钢棒端部全自动双向倒角系统及其加工方法专利类型:发明专利
发明人:黄朝辉
申请号:CN202010818350.4
申请日:20200814
公开号:CN111992813A
公开日:
20201127
专利内容由知识产权出版社提供
摘要:一种钢棒端部全自动双向倒角系统,其包括一个钢棒上料机构,一个设置在所述钢棒上料机构一侧的钢棒翻转移料机构,一个设置在所述钢棒翻转移料机构远离钢棒上料机构一侧的钢棒双向倒角机构,以及一个设置在所述钢棒双向倒角机构远离钢棒翻转移料机构一侧的钢棒下料机构。
钢棒上料机构能够将钢棒移送至钢棒翻转移料机构上,所述钢棒翻转移料机构将钢棒移送至钢棒双向倒角机构上,所述钢棒双向倒角机构构加工完成后移送至钢棒下料机构。
本钢棒端部全自动双向倒角系统自动化程度高,增强了输送稳定性并提高了工作效率。
申请人:俊钛金属材料(浙江)有限公司
地址:314100 浙江省嘉兴市嘉善县姚庄镇福泰路99号
国籍:CN
代理机构:北京中政联科专利代理事务所(普通合伙)
更多信息请下载全文后查看。
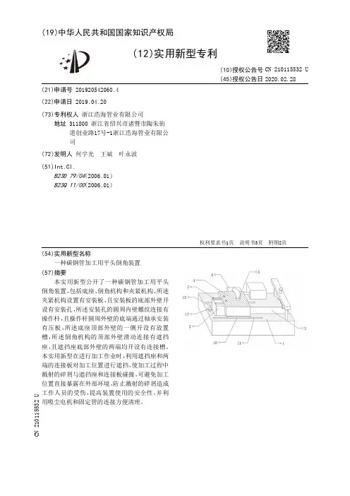
(19)中华人民共和国国家知识产权局(12)实用新型专利(10)授权公告号 (45)授权公告日 (21)申请号 201920542060.4(22)申请日 2019.04.20(73)专利权人 浙江浩海管业有限公司地址 311800 浙江省绍兴市诸暨市陶朱街道创业路17号-1浙江浩海管业有限公司(72)发明人 何宇光 王斌 叶永波 (51)Int.Cl.B23D 79/04(2006.01)B23Q 11/00(2006.01)(54)实用新型名称一种碳钢管加工用平头倒角装置(57)摘要本实用新型公开了一种碳钢管加工用平头倒角装置,包括底座、倒角机构和夹紧机构,所述夹紧机构设置有安装板,且安装板的底部外壁开设有安装孔,所述安装孔的圆周内壁螺纹连接有操作杆,且操作杆圆周外壁的底端通过轴承安装有压板,所述底座顶部外壁的一侧开设有放置槽,所述倒角机构的顶部外壁滑动连接有遮挡座,且遮挡座底部外壁的两端均开设有连接槽。
本实用新型在进行加工作业时,利用遮挡座和两端的连接板对加工位置进行遮挡,使加工过程中溅射的碎屑与遮挡座和连接板碰撞,可避免加工位置直接暴露在外部环境,防止溅射的碎屑造成工作人员的受伤,提高装置使用的安全性,并利用吸尘电机和固定管的连接方便清理。
权利要求书1页 说明书3页 附图2页CN 210115532 U 2020.02.28C N 210115532U权 利 要 求 书1/1页CN 210115532 U1.一种碳钢管加工用平头倒角装置,包括底座(1)、倒角机构(2)和夹紧机构,所述夹紧机构设置有安装板,且安装板的底部外壁开设有安装孔,所述安装孔的圆周内壁螺纹连接有操作杆,且操作杆圆周外壁的底端通过轴承安装有压板,其特征在于,所述底座(1)顶部外壁的一侧开设有放置槽(3),所述倒角机构(2)的顶部外壁滑动连接有遮挡座(4),且遮挡座(4)底部外壁的两端均开设有连接槽(8),所述连接槽(8)的两端内壁之间滑动连接有连接板(10),且连接板(10)顶部外壁与连接槽(8)顶部内壁之间固定有等距离分布的连接弹簧(9)。
专利名称:一种机械加工用倒角机专利类型:实用新型专利
发明人:储同生
申请号:CN202021550973.X
申请日:20200730
公开号:CN213257501U
公开日:
20210525
专利内容由知识产权出版社提供
摘要:本实用新型属于机械加工设备技术领域,尤其为一种机械加工用倒角机,包括工作台,所述工作台的顶部固定连接有直板,所述直板的一侧固定连接有第一电机,所述第一电机的输出轴固定连接有第一螺纹杆,所述第一螺纹杆的外表面螺纹连接有螺纹块,所述螺纹块的顶部固定连接有连接杆,两个所述连接杆之间固定连接有移动块。
本实用新型通过转动第二螺纹杆,带动下压板向下移动,从而对工件进行固定,不需要人工固定,减小了对工作人员的危险性,配合橡胶垫,保护工件不受损坏,配合第一电机带动第一螺纹杆旋转,从而带动螺纹块向前移动,使倒角刀片一起向前移动,使得倒角刀片的位置能够更换,便于对不同大小的工件进行加工。
申请人:海安华利机械有限公司
地址:226000 江苏省南通市海安县李堡镇李堡村16组28号1幢、2幢
国籍:CN
代理机构:苏州国卓知识产权代理有限公司
代理人:周鑫
更多信息请下载全文后查看。
专利名称:一种钢棒生产用倒角机
专利类型:实用新型专利
发明人:钱方良,唐伟平,朱建华,褚冰斌,朱颐,杨晓根,程培康,邱利强,吴金泉
申请号:CN202021274950.0
申请日:20200703
公开号:CN212734475U
公开日:
20210319
专利内容由知识产权出版社提供
摘要:本实用新型公开了一种钢棒生产用倒角机,包括有工作台,双头倒角装置,自动上料装置,通过将工件倒入料斗中,料斗进行水平定位,由拨盘一个个分隔上料于工作台的夹持机构上,通过压板限制工件位置定位夹紧,由双头倒角装置进行双头倒角,极大地简化了倒角流程,提高工作效率,工件不动,刀具旋转的方式提高了倒角的效果,既高效又美观。
申请人:浙江飞华科技有限公司
地址:313000 浙江省湖州市吴兴区八里店镇临港产业园
国籍:CN
代理机构:北京恒泰铭睿知识产权代理有限公司
代理人:姚健
更多信息请下载全文后查看。
(19)中华人民共和国国家知识产权局
(12)发明专利申请
(10)申请公布号 (43)申请公布日 (21)申请号 201910301029.6
(22)申请日 2019.04.15
(71)申请人 陆斌
地址 314500 浙江省嘉兴市桐乡市石门镇
周墅塘村德功庵村2号
(72)发明人 陆斌 陈波平 徐天一
(51)Int.Cl.
B23C 3/12(2006.01)
B23Q 11/00(2006.01)
B23Q 11/08(2006.01)
B23Q 17/00(2006.01)
(54)发明名称一种机加工实心钨钢棒材倒角机(57)摘要本发明涉及棒材倒角机技术领域,且公开了一种机加工实心钨钢棒材倒角机,包括支撑台,支撑台的顶端固定安装有倒角机本体,倒角机本体的顶端固定安装有防护罩,倒角机本体的正面活动套接有铣刀筒,铣刀筒的内部固定安装有铣刀本体,铣刀筒一侧的外壁滑动连接有导料罩,支撑台的底端固定安装有收集箱,收集箱的内部且位于铣刀本体的正下方设有导料轨,导料轨的数量设有两个,且两个导料轨处于同一平面依次排列布置。
该机加工实心钨钢棒材倒角机,通过防护罩、收集箱和防尘网的设置,使得倒角加工过程在一个相对密闭的空间中进行,有助于对加工中的灰尘集中处理,保证设备所处生产车间的
工作环境相对洁净。
权利要求书2页 说明书4页 附图5页CN 109909532 A 2019.06.21
C N 109909532
A
权 利 要 求 书1/2页CN 109909532 A
1.一种机加工实心钨钢棒材倒角机,包括支撑台(1),其特征在于:所述支撑台(1)的顶端固定安装有倒角机本体(2),所述倒角机本体(2)的顶端固定安装有防护罩(3),所述倒角机本体(2)的正面活动套接有铣刀筒(4),所述铣刀筒(4)的内部固定安装有铣刀本体(5),所述铣刀筒(4)一侧的外壁滑动连接有导料罩(6),所述支撑台(1)的底端固定安装有收集箱(7),所述收集箱(7)的内部且位于铣刀本体(5)的正下方设有导料轨(8),所述导料轨(8)的数量设有两个,且两个导料轨(8)处于同一平面依次排列布置,两个所述导料轨(8)底端的一侧分别与出料平台(9)的一端两侧固定连接,所述出料平台(9)的另一端伸出收集箱(7)的外部且侧壁与收集箱(7)的壁板固定连接,两个所述导料轨(8)的顶端分别与两个支撑柱(10)的顶端固定连接,两个所述支撑柱(10)的底端均与收集箱(7)的内底固定连接,所述导料轨(8)顶端的中部开设有安装槽(11),所述安装槽(11)的内部固定安装有位置检测机构(12),所述收集箱(7)内腔的顶端且位于位置检测机构(12)的一侧固定安装有出料控制装置(13),所述收集箱(7)位于支撑柱(10)的一侧滑动连接有废屑收集屉(14),所述废屑收集屉(14)正面的一侧和背面的一侧均固定安装有导向轮(15),所述废屑收集屉(14)伸出收集箱(7)外的一端固定安装有把手(16),所述废屑收集屉(14)位于收集箱(7)外的内壁顶端固定安装有封口板(17),封口板(17)用于将废屑收集屉(14)伸出收集箱(7)的部分密闭,所述废屑收集屉(14)伸出收集箱(7)部分的内侧壁中部开设有导气孔(18),所述导气孔(18)的内部固定套接有连接筒(19),所述连接筒(19)的一端与导气管(20)的一端连通,所述导气管(20)的另一端与抽风机(21)的进气口连通,所述抽风机(21)的出气口通过导气管(20)与进气管(22)的一端连通,所述进气管(22)的另一端伸入过滤箱(23)的内部且与过滤箱(23)内腔的底端连通。
2.根据权利要求1所述的一种机加工实心钨钢棒材倒角机,其特征在于:所述位置检测机构(12)包括固定块(121),所述固定块(121)的底端与安装槽(11)的内底固定连接,所述固定块(121)的顶端固定安装有距离传感器(122),所述安装槽(11)顶端边缘的左右两侧均通过螺栓固定安装有封挡板(123),两个所述封挡板(123)的间距为5mm。
3.根据权利要求1所述的一种机加工实心钨钢棒材倒角机,其特征在于:所述出料控制装置(13)包括固定套筒(131),所述固定套筒(131)的顶端与收集箱(7)内腔的顶端固定连接,所述固定套筒(131)的内部滑动连接有衔铁滑块(132),所述衔铁滑块(132)的顶端固定连接有弹簧(133),所述弹簧(133)的顶端与固定套筒(131)的内顶固定连接,所述固定套筒(131)的内顶且位于弹簧(133)的内部固定安装有电磁铁(134),所述衔铁滑块(132)的底端固定连接有连杆(135),所述连杆(135)的底端固定连接有封板(136)。
4.根据权利要求1所述的一种机加工实心钨钢棒材倒角机,其特征在于:所述导料罩(6)的形状为四分之一圆弧状,且与铣刀筒(4)的滑动连接方式采用T型滑块与T型滑槽的滑动连接方式。
5.根据权利要求3所述的一种机加工实心钨钢棒材倒角机,其特征在于:所述电磁铁(134)对衔铁滑块(132)的电磁吸附力大于弹簧(133)对衔铁滑块(132)的弹力以及连杆(135)和封板(136)的自重之和,所述弹簧(133)的初始长度与固定套筒(131)的内腔长度相等。
6.根据权利要求1所述的一种机加工实心钨钢棒材倒角机,其特征在于:所述支撑台(1)的顶端位于两个倒角机本体(2)正面之间的位置通过螺栓固定安装有防尘网(24),所述
2。