三相调压电路
- 格式:doc
- 大小:279.00 KB
- 文档页数:5
三相交流调压电路实验实验报告实验日期:2021年11月1日实验地点:XXX实验室一、实验目的1.了解三相交流电路的基本特点。
2.掌握三相交流调压电路的组成及原理。
3.掌握三相半波可控整流电路及三相全波可控整流电路的调压方法。
二、实验器材1.三相交流电源模块。
4.示波器。
5.直流电压表。
6.多用表。
7.接线板及导线。
三、实验原理三相电路是指电压或电流具有三个相位、相互相位差相等、频率相等的交流电。
三相交流电源是工业中最常用的电源形式。
三相交流电路具有以下特点:(1)电源电压稳定,电流平衡分配。
(2)发电机功率密度高,体积小,重量轻。
(3)运行平稳可靠,可实现无级调速。
(4)经济性高,在运输、建设、运行费用方面有一定优势。
2.三相半波可控整流电路半波可控整流电路是一类基础的电力电子电路,可以将交流电变成脉动的直流电。
三相半波可控整流电路由三个半波可控整流单元组成。
通过控制晶闸管的导通,实现输出电压的控制。
四、实验步骤2.连接多用表测量三相交流电源的电压。
3.连接示波器观测输出电压波形。
4.通过调节触发电路中的电压,调节输出电压大小。
5.记录输出电压大小及波形。
五、实验结果输出电压大小为12V,实验结果见图1。
六、实验分析此次实验通过搭建三相半波可控整流电路及三相全波可控整流电路,掌握了三相交流调压电路的组成及调压原理。
实验结果表明,三相半波可控整流电路与三相全波可控整流电路的实验结果大小略有差异,应注意控制输出电压的大小和稳定性,实现准确调压。
三相交流调压电路原理
三相交流调压电路是根据运行状态下的一定调节要求,研制出的一种电路,它能够实
现的调节功能是在输出电压不变的情况下实现平均负载的变化,以实现稳定输出电压的稳
定性。
三相交流调压电路分为直接调压和反馈调压两种原理:
直接调压原理:直接调压电路采用模拟电路调整及反馈控制调整,采用模拟电路直接
调节输出电压,无须经过数据采集和处理,能够实现快速、准确调整负载值,具有定时、
频率连续可控、效率高、功耗小的优点。
即调压部分中的输入电压不变的情况下,输出电
压随负载的变化而变化。
反馈调压原理:反馈调压电路采用数控方式调整,其原理是通过采集反馈信号来判断
负载状态,从而实现负载电流的稳定,并实现自动调压效果。
在调压部分中,输出电压不
变的情况下,输入电压随负载的变化而变化。
它的缺点是响应比较慢,因此,针对多变的
环境和紧急情况,可以采取组合式的调压技术,综合利用非反馈和反馈调压的方式来实现
精准的控制。
通过上述介绍,我们可以得出一个结论,无论直接调压还是反馈调压,它们都实现了
输出电压的变化,从而满足不同应用场合中对稳定电压的要求。
此外,它们可以组合使用,以满足不同负载及应用场合的要求,提高系统的调节精度和可靠性。
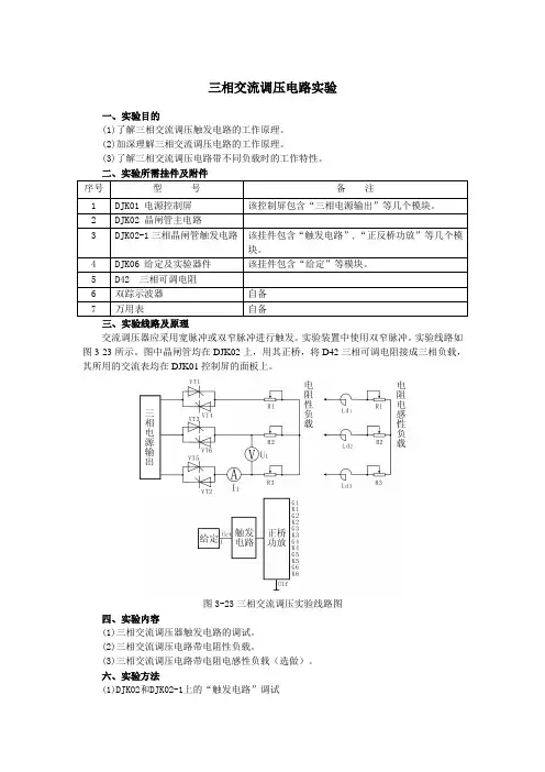
三相交流调压电路实验一、实验目的(1)了解三相交流调压触发电路的工作原理。
(2)加深理解三相交流调压电路的工作原理。
(3)了解三相交流调压电路带不同负载时的工作特性。
三、实验线路及原理交流调压器应采用宽脉冲或双窄脉冲进行触发。
实验装置中使用双窄脉冲。
实验线路如图3-23所示。
图中晶闸管均在DJK02上,用其正桥,将D42三相可调电阻接成三相负载,其所用的交流表均在DJK01控制屏的面板上。
图3-23三相交流调压实验线路图四、实验内容(1)三相交流调压器触发电路的调试。
(2)三相交流调压电路带电阻性负载。
(3)三相交流调压电路带电阻电感性负载(选做)。
六、实验方法(1)DJK02和DJK02-1上的“触发电路”调试①打开DJK01总电源开关,操作“电源控制屏”上的“三相电网电压指示”开关,观察输入的三相电网电压是否平衡。
②将DJK01“电源控制屏”上“调速电源选择开关”拨至“直流调速”侧。
③用10芯的扁平电缆,将DJK02的“三相同步信号输出”端和DJK02-1“三相同步信号输入”端相连,打开DJK02-1电源开关,拨动“触发脉冲指示”钮子开关,使“窄”的发光管亮。
④观察A、B、C三相的锯齿波,并调节A、B、C三相锯齿波斜率调节电位器(在各观测孔左侧),使三相锯齿波斜率尽可能一致。
⑤将DJK06上的“给定”输出U g直接与DJK02-1上的移相控制电压U ct相接,将给定开关S2拨到接地位置(即U ct=0),调节DJK02-1上的偏移电压电位器,用双踪示波器观察A相同步电压信号和“双脉冲观察孔” VT1的输出波形,使α=180°。
⑥适当增加给定U g的正电压输出,观测DJK02-1上“脉冲观察孔”的波形,此时应观测到单窄脉冲和双窄脉冲。
⑦用8芯的扁平电缆,将DJK02-1面板上“触发脉冲输出”和“触发脉冲输入”相连,使得触发脉冲加到正反桥功放的输入端。
⑧将DJK02-1面板上的U lf端接地,用20芯的扁平电缆,将DJK02-1的“正桥触发脉冲输出”端和DJK02“正桥触发脉冲输入”端相连,并将DJK02“正桥触发脉冲”的六个开关拨至“通”,观察正桥VT1~VT6晶闸管门极和阴极之间的触发脉冲是否正常。
一、三相交流调压电路(单向可控硅反并联)1、 主电路电气原理图电源输入600VACB A负载负载V22、 反馈信号说明A. 当负载以稳定交流电流为目时应采用交流电流反馈,从而组成交流电流闭环调节系统,此时的交流电流反馈器件多采用交流电流互感器CT 来完成,CT 二次额定输出电流要求满足2.0V< 2·R1≤10.0V(R1:电流-电压转换电阻,位于触发器左部居中,此时需要焊上)B. 当负载以稳定交流电压为目时应采用交流电压反馈,从而组成交流电压闭环调节系统,此时的交流电压反馈器件多采用交流电压互感器VT 来完成,VT 二次额定输出电压要求满足:5.0 < V2 ≤10.0V(R1:电流-电压转换电阻,位于触发器左部居中,此时不要焊上)C. 当系统采用开环控制时,可以不装设反馈器件,此时应在积分器电容C11两端并联一支20K 的普通电阻。
当给定信号从最小值到最大值变化而主电路输出并不从最小值到最大值跟随变化,此时应把给定信号设定为最小值,调节触发器上的电位器W0使主电路输出也刚好为最小值即可(若此时给定信号最大值与主电路输出最大值跟随性还相差较大时可适当调节电阻R12的阻值即能满足要求)。
D. 当反馈信号为直流信号时,为了消除主电路最小值输出的死区,应把触发器中的二极管D4、D9(位于触发器左部偏上,有明显的丝网加重标记)用短接线进行短接,短接后接线端子“CC ”与“GND ”为等电位。
3、触发器接线原理图故障反馈+5VK1K4K3K6K5K24、调节及保护电路说明C11为闭环调节积分器电容;W1为反馈比例调节电位器;W2为保护整定调节电位器,当UF > 2V 时,经过几秒钟延时后保护电路动作,封锁脉冲,同时对外发出故障信号(保护电路只对反馈信号所代表的电气参数起保护作用;保护电路动作后须断电复位)。
发光二极管指示如下:L0:触发器上电 L1:主电路参数超限 L2:快速熔断器熔断附:有关电源零线“N ”的说明三相可控硅调压/整流主电路的主要形式如下:U AB主电路电源千欧)当主电路电源为三相四线制时,电源零线“N ”可直接接入触发器,当快速熔断器发生一只或两只熔断时触发器能在一秒钟内封锁触发脉冲同时给出相应的故障指示及对外输出故障信号;当主电路电源为三相三线制时,若要求快速熔断器熔断检测还有效,则需要用户模拟出电源零线“N ” , 否则快速熔断器熔断检测无效。
三相交流调压电路原理三相交流调压电路是一种用于将三相交流电源的电压进行调节的电路。
它可以将输入电压调整到所需的输出电压,以满足不同的电器设备的工作要求。
三相交流调压电路的原理主要包括三相桥式整流电路、滤波电路和逆变电路。
首先,三相桥式整流电路是将三相交流电源转换为直流电源的关键部分。
它由六个二极管组成,分为三对,每对二极管连接在一个相位上。
当输入电压的相位为正时,对应的二极管导通,将电流导向负载;当输入电压的相位为负时,对应的二极管截止,电流无法通过。
通过这种方式,三相桥式整流电路可以将三相交流电源转换为直流电源。
其次,滤波电路用于去除直流电源中的脉动成分,使输出电压更加稳定。
滤波电路通常由电容器和电感器组成。
电容器可以存储电荷,并在电流方向发生变化时释放电荷,从而平滑输出电压。
电感器则可以阻止高频信号通过,使输出电压更加稳定。
通过合理选择电容器和电感器的数值,可以实现对输出电压的滤波效果。
最后,逆变电路是将直流电源转换为所需的交流电压的关键部分。
逆变电路通常由晶闸管或可控硅等器件组成。
当输入电压为正时,晶闸管导通,将电流导向负载;当输入电压为负时,晶闸管截止,电流无法通过。
通过控制晶闸管的导通和截止,可以实现对输出电压的调节。
逆变电路还可以通过改变晶闸管的导通角度,实现对输出电压的调制,从而实现对输出电压的精确调节。
总结起来,三相交流调压电路通过三相桥式整流电路将三相交流电源转换为直流电源,然后通过滤波电路去除直流电源中的脉动成分,最后通过逆变电路将直流电源转换为所需的交流电压。
通过合理选择电路元件的数值和控制器的工作方式,可以实现对输出电压的精确调节。
三相交流调压电路在工业生产和电力系统中得到广泛应用,可以满足不同设备对电压的要求,保证设备的正常运行。
三相交流调压电路设计三相交流调压电路的设计原理依据电力系统中的三相电压和相位关系。
在一个三相电力系统中,三相电压之间存在120度的相位差,因此可以通过合理地组合三相电压来达到所需的电压调节效果。
三相交流调压电路的常用设计方法有三相全波可控整流调压电路和三相半波可控整流调压电路两种。
三相全波可控整流调压电路是一种常用的三相交流调压电路,其主要由三相全波桥式可控整流电路和滤波电路组成。
在正弦波周期的不同阶段,选择合适的整流管导通和截止,控制正弦波波峰部分输出到负载,从而实现对输出电压的调节。
滤波电路能有效平滑输出电压波形,减小电压的纹波。
三相半波可控整流调压电路是另一种常用的三相交流调压电路,其主要由三相半波可控整流电路和滤波电路组成。
和全波可控整流电路相比,半波可控整流电路只利用正弦波的一半周期进行整流。
通过合理地选择整流管导通和截止的时刻,使得只有其中一个正弦波波峰部分输出到负载,从而实现对输出电压的调节。
滤波电路同样起到平滑输出电压波形的作用。
三相交流调压电路在实际应用中需要注意以下几点。
首先,电路中的可控整流器需要选用合适的元件,具有较高的导通和截止速度,以确保输出电压的稳定性。
其次,滤波电路需要具有良好的滤波效果,以减小输出电压的纹波和噪声。
此外,三相交流调压电路中的元件和线路布局需要合理选用和设计,以保证电路的可靠性和安全性。
总之,三相交流调压电路是一种常用的电路,在工业领域具有广泛的应用。
通过合理地设计和选择元件,可以实现对三相交流电的电压调节。
在实际应用中需要注意电路的稳定性、滤波效果和可靠性等问题,以确保电路正常工作。
实验四三相交流调压电路实验一、实验目的(1)加深理解三相交流调压电路的工作原理;(2)了解三相交流调压电路带不同负载时的工作原理;(3)了解三相交流调压电路触发电路的工作原理。
二、实验线路及原理本实验采用的三相交流调压器为三相三线制,由于没有中线,每相电流必须从另一相流出以构成回路。
交流调压采用宽脉冲或双窄脉冲进行触发。
实验装置中使用后沿固定、前沿可变的宽脉冲链。
实验线路如图4-1所示三、实验内容(1)三相交流调压器发电路的调试;(2)三相电流调压电路带电阻性负载;(3)三相交流调压电路带电阻电感性负载。
4-1三相交流调压实验线路图四、实验设备(1)主控制屏DJK01;(2)DJK02组件挂箱;(3)双臂滑线电阻器;(4)双踪慢扫描示波器,(5)万用表(6)电抗器(自备)五、预习要求(1)阅读电力电子技术教材中有关交流调压器的内容,掌握交流调压器的工作原理;(2)了解如何使用三相可控整流电路的触发电路使用于三相交流调压电路。
六、实验方法1.主控制屏调试及开关设置(1)开关设置:调速电源选择开关置于“交流调速”,触发电路脉冲指示:“宽”桥工作状态指示:任意。
(2)参考3-1的主控制屏调试方法,此时在“双脉冲”观察孔见到的应是后沿固定、前沿可调的宽脉冲链。
2.三相交流调压带电阻性负载使用I组晶闸管SCR1`~SCR6,按图4-1连成三相交流调压器主电路,其触发脉冲已通过内部连续线接好,只要将I组触发脉冲的6个开关拔至“接通”,“U LF”端地即可。
接上三相电阻负载,接通电源,用示波器观察并记录a=00、300、600、900、1200、1500时的输出电压波形,并记录相应的输出电压有效值填入下表中。
3.调压器接电阻电感性负载断开电源,改接电阻电感性负载。
接通电源,调节三相负载。
接通电源,调节三相负载的阻抗角,使 =600,用示波器观察并记录a=300、600、900、1200、时的波形,并记录输出电压u、电流I的波形及输出电压有效值U记于下表中。
三相交流调压电路晶闸管计算主要涉及以下参数:额定电压:在计算晶闸管时,首先需要知道其额定电压。
额定电压是指晶闸管在正常工作条件下,可以安全承受的最大电压。
额定电流:额定电流是指晶闸管在正常工作条件下,可以安全流过的最大电流。
门极触发电压和电流:门极触发电压和电流是指触发晶闸管导通的信号电压和电流。
不同的晶闸管型号具有不同的门极触发电压和电流要求。
反向击穿电压:反向击穿电压是指晶闸管在反向工作时,能够承受的最大电压。
根据这些参数,可以计算出晶闸管的额定功率,即额定电压与额定电流的乘积。
同时,还需要考虑电路中的电压和电流波形、工作频率、环境温度等因素对晶闸管性能的影响。
在选择合适的晶闸管时,需要根据电路的实际需求进行计算和选择,以确保电路的安全和稳定运行。
三相交流调压电路的主电路形式和触发脉冲的特点这里只针对三相交流调压电路,做出分析。
也可以认为,三相交、直流调压电路,仅表现为主电路的连接方式不同,其控制电路,又是非常相近乃至于是相同的,这是在控制原理上需要注意的地方。
在单相交、直流调压电路中,不必考虑单脉冲、宽脉冲和双脉冲的触发问题,只要满足触发脉冲有一定的宽度,使晶闸管的开通电流高于维持电流(有时称擎住电流),晶闸管能可靠开通就行了.但是三相交流调压电路,与单相调压有不同的地方,双脉冲触发,成为必须考虑的问题。
若将三路单相触发电路,原封不动地组合为三相调压电路,会发现电路可能完全不能正常工作,这是为什么呢?1、单相晶闸管交流调压主电路的电流回路图1能正常工作的单相交流调压电路上图为一例单相交流调压电路,主电路采用两只反并联单向晶闸管器件,电源供电为一火一零方式,L可以任取A、B、C三相中的一相电源。
交流电压由正、负半波组成,可以把交流电源分解为两个“瞬时直流电源”来分析,当L端为正、N端为负时,SCR1受触发开通,形成L→SCR1→负载电路→N的SCR1的正向电流通路;当L端为负、N端为正时,SCR2受触发开通,形成N→负载电路→SCR2→L的SCR2的正向电流通路,负载电路的正、负半波均通过电网中性线形成通路。
单相供电回路中,流过L、N的电流值是相同的(实质是为同一电流),L、N构成电源回路.移相触发电路由两只光耦合器取得正、负半波同步信号,由3N1整形,取出正向过零点同步脉冲,R27、C24、T5在同步脉冲作用下,形成正向锯齿波,T5为过零点放电管。
锯齿波电压与给定调压信号相比较,形成交相点,控制3N2输出调宽脉冲信号。
C25、R30等电路组成微分电路,检出3N2输出调宽矩形脉冲的上升沿信号,触发由U3组成的单稳态电路,形成定宽(移相)脉冲输出,再经T6放大器进行功率放大,由脉冲变压器BT3向主电路晶闸管输出触发脉冲。
上图电路与图2-26相比较,锯齿波为正向锯齿波,调宽脉冲的上升沿对应触发脉冲出现的时刻.由U3完成定输出脉冲定宽处理,触发脉冲的宽度可由R32、C27的取值决定,使触发晶闸管的可靠性提高.调压控制电路中,由R36、R37分压,决定控制电压范围,避开移相失交区域。
三相交流调压电路特点
嘿,咱今儿个就来唠唠三相交流调压电路的特点啊!你知道不,这玩意儿可牛了!就好比你家里的电灯,有时候你想让它亮一点,有时候又想暗一点,三相交流调压电路就能帮你实现这样的控制哟!
它呀,能实现对电压的平滑调节呢!比如说工业上那些大型设备,需要不同的电压来工作,这不就得靠它嘛。
它就像一个超级灵活的小助手,随时根据需求调整。
而且哦,它的稳定性还超强!不会一会儿高一会儿低,让你的设备安稳运行。
就像你走路,稳稳当当的,多安心呀!
还有呢,它适应性也广啊!不管是啥样的负载,它都能搞定。
这就好像是个万能钥匙,啥锁都能开!
总的来说,三相交流调压电路那可真是神通广大,在好多领域都有着不可或缺的作用呢!。
或盐池,那上面连小草也长不出来的。
华东交通大学理工学院课程设计报告书所属课程名称电气工程基础题目三相交流调压电路分院电信分院专业班级学号学生姓名指导教师2013 年 6 月28日池,那上面连小草也长不出来的。
课程设计(论文)评阅意见评阅人职称讲师2013 年6 月28 日池,那上面连小草也长不出来的。
目录第1章设计任务及设计目的第2章电路的设计第3章MATLAB建模与仿真第4章课程设计心得池,那上面连小草也长不出来的。
第一章.设计任务及设计目的1.1 电路设计任务1 方案设计2 完成主电路的原理分析,各主要元器件的选择3 触发电路的设计4 利用MATLAB仿真软件建模并仿真,获取电压电流波形,依据控制角与负载阻抗角的关系,对结果进行分析1.2 电路设计的目的电力电子技术是我们大三下学期学的一门很重要的专业课,课本上讲了很多电路,比如各种单相可控整流电路,斩波电路,电压型逆变电路,三相整流电路,三相逆变电路,等各种电路,通过对这些电路的学习,让我们知道了如何将交流变为直流,又如何将直流变为交流。
并且通过可控整流调节输出电压的有效值,以达到我们的目的。
而本次三相交流调压电路的设计与仿真,我们需要用晶闸管的触发电路来实现调节输入电压的有效值,然后加到负载上。
本次课程设计期间,我们自己通过老师提供的Matlab仿真技术的资料和我们在网上搜索相关的资料,到图书馆查阅书籍,以及同学之间的相互帮助,让我们学到了很多知识。
通过对主电路的设计与分析,对晶闸管触发电路的设计与分析,了解了他们的工作原理,知道了该电路是如何实现所要实现的功能的,把课堂所学知识运用起来,使我更能深刻理解所学知识,这让我受益匪浅。
通过写课程设计报告,电路的设计,提高了我的能力,为我以后的毕业设计以及池,那上面连小草也长不出来的。
今后的工作打下了坚实的基础。
第二章.主电路的设计2.1 主电路的原理分析所谓交流调压就是将两个晶闸管反并联后串联在交流电路中,在每半个周波内通过控制晶闸管开通相位,可以方便的调节输出电压的有效值。
实验七三相交流调压电路实验一.实验目的1.加深理解三相交流调压电路的工作原理。
2.了解三相交流调压电路带不同负载时的工作情况。
3.了解三相交流调压电路触发电路原理。
二.实验内容1.三相交流调压电路带电阻负载。
2.三相交流调压电路带电阻电感负载。
三.实验线路及原理本实验的三相交流调压器为三相三线制,由于没有中线,每相电流必须从另一相构成回路。
交流调压应采用宽脉冲或双窄脉冲进行触发。
这里使用的是双窄脉冲。
实验线路如图4-15所示。
四.实验设备及仪器1.NMCL系列教学实验台主控制屏2.NMEL—03三相可调电阻器3.NMCL—31组件:低压控制电路及仪表4.NMCL—32组件:电源控制屏5.NMCL—33组件:触发电路和晶闸管主回路6.NMCL—35组件:三相变压器7.二踪示波器8.万用表97.电抗器(自备)五.实验方法1.未上主电源之前,检查晶闸管的脉冲是否正常。
(1)打开NMCL-31电源开关,给定电压有电压显示。
(2)用示波器观察双脉冲观察孔。
(3)检查相序,用示波器观察“1”,“2”脉冲观察孔,“1”脉冲超前“2”脉冲600,则相序正确,否则,应调整输入电源。
(4)用示波器观察每只晶闸管的控制极,阴极,应有幅度为1V—2V的脉冲。
2.三相交流调压器带电阻性负载按图构成调压器主电路,使用I组晶闸管VT1∼VT6,其触发脉冲已通过内部连线接好,只要将I组触发脉冲的六个开关拨至“接通”即可,接上三相电阻负载(每相可采用两只900Ω电阻并联),并调节电阻负载至最大。
三相调压器逆时针调到底,合上主电源,调节主控制屏输出电压,使Uuv=220V。
用示波器观察并记录α=30°,90°,120°,150°时的输出电压波形,并记录相应的输出电压有效值U。
注:如您选购的产品为MCL—Ⅲ、Ⅴ,无三相调压器,直接合上主电源。
以下均同。
3.三相交流调压器带电阻电感负载断开电源,改接电阻电感负载。
三相交流调压晶闸管主电路的作用
三相交流调压晶闸管主电路是一种电力电子电路,用于对三相交流电源进行调压控制。
它的主要作用是通过控制晶闸管的导通角来调整三相电压的大小,从而实现对负载的电压调节。
该电路的主要组成部分包括三个晶闸管、三个二极管和一个电感。
晶闸管作为电子开关,可以控制电流的导通和截止。
二极管用于保护晶闸管,防止反向电压损坏晶闸管。
电感则用于平滑电流,减少电压波动。
在三相交流调压晶闸管主电路中,通过控制晶闸管的导通角,可以实现对电压的调节。
当晶闸管的导通角增大时,输出电压也会随之增加;当晶闸管的导通角减小时,输出电压也会随之降低。
这样就可以实现对负载的电压调节,满足不同负载的需求。
三相交流调压晶闸管主电路具有调压范围广、调压精度高、响应速度快等优点,因此在工业控制、电力传输等领域得到了广泛的应用。
同时,该电路也存在一些缺点,如晶闸管的导通损耗较大、需要进行散热等。
总的来说,三相交流调压晶闸管主电路是一种重要的电力电子电路,它的作用是对三相交流电源进行调压控制,实现对负载的电压调节,具有广泛的应用前景。
一种简单实用的三相交流调压电路
内容提要对于采用集成元件实现双向可控硅过零触发方式工作的三相交流调压电路的组成及工作过程进行了介绍。
关键词脉宽调制过零光隔双向可控硅驱动双向可控硅交流调压电路:输入的是交流电压,而输出电压波形是交流电源电压波形的一部分,并且是可调的,这样输出电压的有效值就成为可调。
一般交流调压电路采用的是可控硅控制,其触发方式有二种:过零触发和移相触发。
可控硅过零触发是对可控硅过零的通——断控制。
可控硅导通时,交流电源与负载接通,输出若干个周波电压以后,可控硅被关断,停止交流电压输出;经过一定周波数后,再使可控硅通,如此重复进行。
通过改变导通时间对固定重复周期的比值,从而改变输出电压有效值的大小。
可控硅的移相触发是对可控硅的导通角控制。
在交流电压的正、负半周都以一定的延迟角去触发可控硅的导通,经过改变可控硅的导通角达到输出电压可调的目的。
可控硅的移相触发往往在可控硅导通的瞬间使电网电压出现畸变,带来高次谐波,给电网中的其它用电设备和通讯系统的工作带来不良影响,并且对于电阻性负载在可控硅导通时有较大的冲击电流。
可控硅过零触发方式是把可控硅导通的起始点限制在电源电压过零处,它能很好的抑制移相触发所产生的高次谐波和避免因较大冲
击电流引起的电压瞬时大幅度下降。
一般的三相交流可控硅过零触发开关电路由同步电路、检零电路等组成,结构复杂,可靠性低,采用分离元件故障率高。
本文介绍一种用集成元件构成的三相交流可控硅过零触发调压电路。
该电路主要由电源电路、PWM脉冲形成电路、过零触发光隔离双向可控硅驱动等组成,电路如图1所示。
图1调压电路原理图
1 PWM脉冲形成及脉宽调制电路
利用在开关电源中应用较多的TL494双端脉宽调制器集成元件实现可控硅触发脉冲的形成及导通比控制。
将集成元件TL494的5、6脚分别接振荡器的电阻(R T)、电容(C T),通过改变电阻电容的大小,既可调节触发脉冲的频率(为保证频率的稳定性应采用金属膜电阻和漏电流小的电容),将TL494的1、2、3、15、16、13脚接地,7
脚接地,12、11脚接电源正端,4脚接控制电压,10脚输出脉冲序列。
改变4脚输入控制电压的大小,既可改变输出脉冲的宽度。
TL494的详细介绍可参考有关手册。
2 过零触发光隔离双向可控硅驱动器
传统的可控硅过零触发由同步电路、检零电路、隔离电路等组成,电路复杂,多为分离元件构成,可靠性低。
新型集成元件光隔双向可控硅开关过零触发器MOC4031,集光隔离、过零检测、过零触发功能于一体,具有体积小、功耗低、抗干扰能力强、无噪音等优点。
可以为高电流高电压的可控硅提供足够的触发电流,而又有7.5kV的非导介质保证耐住电源线与控制线之间的电压。
图2所示为过零光隔双向可控硅基本驱动电路。
假设电路处于阻断或“关”的状态(意味着电流I F为零),全部交流线电压跨于双向可控硅和双向可控硅驱动器两端。
当足够的电流I F加进来时以及交流线电压在截止电压以下时,则双向可控硅驱动器锁存在“通”。
这样在功率双向可控硅中引起了门极电流被触发,使它从阻断状态进入全导通。
每一次触发后跨在主端的电压降为一个很小值,这就引起双向可控硅驱动器输出电流降低到它的维持电流以下(即使I F仍然存在),强迫双向可控硅驱动器进入“断”态。
图2 过零光隔双向可控硅基本驱动电路图
功率双向可控硅的导通状态一直保持到负载电流降低到功率双
向可控硅的维持电流以下为止。
这一过程出现在交流电压每一半周期中。
双向可控硅驱动器的动作时间非常短,当I F出现,双向可控硅在交流线电压的每个半周期上再触发,一直到I F“关断”和功率双向可控硅到达零电流为止,见图3。
图3基本驱动电路的波形图
3 工作过程
调节电位器RW,改变控制电压TL494的4脚的输入量,即调制触发脉冲信号宽度,实现功率双向可控硅导通周波数控制。
TL494的10脚输出的脉宽信号经D5、D6发光二极管构成的或门电路,使MOC3041有电流I F产生,驱动功率双向可控硅,控制功率双向可控硅的通断,实现三相交流调压目的。
综上所述,本调压电路与传统的调压电路相比,它可以替代高成本费用的离善的用分立元件组成的标准电路。
以往脉宽调制与脉冲形成电路通常采用单结晶体管等分立元件设计成锯齿波发生器,器件的离善性和温漂将影响调控精度和稳定性,采用集成元件TL494简化了电路,保证了可靠性。
选用电压过零光隔双向可控硅驱动器省去了较为复杂的过零检测电路及同步电路,使电路大为简化,并实现了光电隔离,增强了抗干扰能力。
〖JP3〗
本调压电路在用电阻丝作为加热元件加热炉(箱)的加热和温度控制上使用,性能可靠,控温精度高。