市政给排水管道检验批实用模板
- 格式:doc
- 大小:680.28 KB
- 文档页数:24
单位(子单位)工程质量竣工验收记录单位(子单位)工程质量控制资料核查表单位(子单位)工程观感质量核查表单位(子单位)工程结构安全和使用功能性检测记录表编号:_________ 分部(子分部)工程质量验收记录_________ 分项工程质量验收记录沟槽开挖与地基处理工程检验批质量验收记录沟槽支护工程检验批质量验收记录沟槽回填(刚性管道)工程检验批质量验收记录I沟槽回填(刚性管道)工程检验批质量验收记录评定结果工程名称分部工程名称分项工程名称施工单位专业工长项目经理验收批名称、部位分包单位分包项目经理施工班组长GB50268- 2008《给水排水管道工程施工及验收规范》的规定施工单位检查评定记录监理(建设)单位验收记录主控项1 回填材料符合设计要求;2 沟槽不得带水回填,回填应密实;沟槽不得带水回填,回填应密实;符合要求回填土压实度应符合设计及或规范要求;应测10点,实测10点。
刚性管道沟槽回填土压实度检查项目最低压实度(%检查数量检查点偏差值或实测值施工单位检查情况重型击实标准轻型击实标准范围占八、、数石灰土类垫层93 95两井之间或1 0 0 0 m2每层每侧组(每组3占八、、¥合格率%沟槽在路基范围内胸腔部分管侧87 90 合格率% 管顶以上250 mm 87 ± 2 (轻型)合格率%由路槽底算起的深度范围(mm)< 800快速路及主干路95 98 合格率%次干路93 95 合格率%支路90 92 合格率% >800〜1500快速路及主干路93 95 合格率%次干路90 92 合格率%支路87 90 合格率%>1500快速路及主干路87 90 89 90 98 97 98 92 94 95 91 92 合格率100 %次干路87 90 89 88 90 91 92 95 96 91 92 94 合格率100 %支路87 1 90 91 92 96 88 88 89 87 91 95 93 合格率100 %平均合格率100 %检验结论符合要求34施工单位检查项目专业质量检查员:主控项目、一般项目均符合设计规范要求监理(建设)单位监理工程师验收结论(建设单位项目专业技术负责人)沟槽回填(柔性管道)工程检验批质量验收记录年月日评定结果工程名称分部工程名称分项工程名称施工单位专业工长项目经理验收批名称、部位分包单位分包项目经理施工班组长GB50268- 2008《给水排水管道工程施工及验收规范》的规定施工单位检查评定记录监理(建设)单位验收记录主控项目1 原状地基的承载力符合设计要求;2 混凝土基础的强度符合设计要求;3 砂石基础的压实度符合设计或规范要求;应测点,实测点。
表B.0.7 沟槽开挖与地基处理报审、报验表工程名称: XX水环境治理工程编号:附件:注:本表一式二份,项目监理机构、施工单位各一份。
4.6.1 沟槽开挖与地基处理分项工程质量验收记录表编号:隐蔽工程检查验收记录年月日质检表4表B.0.7 沟槽回填报审、报验表工程名称: X X水环境治理工程编号:附件:注:本表一式二份,项目监理机构、施工单位各一份。
4.6.3 沟槽回填分项工程质量验收记录表编号:工程名称分部工程名称土石方与地基处理分项工程名称沟槽回填施工单位专业工长项目经理验收批名称、部位井编号W1~W3段沟槽回填分包单位/ 分包项目经理/ 施工班组长主控项目质量验收规范规定的检查项目及验收标准施工单位检查评定记录监理(建设)单位验收记录1 回填材料符合设计要求第4.6 3.1条回填材料符合设计要求符合要求2沟槽不得带水回填,回填应密实第4.6 3.2条沟槽无带水回填,回填密实3柔性管道的变形率不得超过设计要求或本规范第4.5.13规定,管壁不得出现纵向隆起、环向扁平和其他变形情况第4.6.3.3条管道变形率符合设计要求,管壁无隆起、环向扁平和其他变形情况4刚性管道沟槽回填土压实度项目最低压实度(%)量测点(mm)符合要求重型击实标准轻型击实标准石灰土类垫层93 95 / / / / / / / / / / / / / / /合格率/沟槽在路基范围外胸腔部分管侧87 90 / / / / / / / / / / / / / / / /管顶以上500mm 85 87 / / / / / / / / / / / / / / / /其余部分≥90(轻型)或按设计要求/ / / / / / / / / / / / / / /农田或绿地范围表层500mm范围内不宜压实,预留沉降量,表面整平/ /沟槽在路基范围内胸腔部分管侧87 90 / / / / / / / / / / / / / / / /管顶以上250mm 85 87 / / / / / / / / / / / / / / / /由路槽底算起的深度范围≤800快速路及主干路95 98 / / / / / / / / / / / / / / / /次干路93 95 / / / / / / / / / / / / / / / /支路9092/ / / / / / / / / / / / / / / />800~1500快速路及主干路93 95 / / / / / / / / / / / / / / / /次干路90 92 / / / / / / / / / / / / / / / /支路87 90 / / / / / / / / / / / / / / / />1500快速路及主干路87 90 / / / / / / / / / / / / / / / /次干路87 90 / / / / / / / / / / / / / / / /支路87 90 / / / / / / / / / / / / / / / /5柔性管道沟槽回填土压实度槽内部位压实度(%)合格率管道基础管底基础≥9090 92 91 95 90 93 95 91 98 96 98 97 97 96 92 100% 管道有效支撑角≥9595 10098 95 100 97 97 98 10097 95 98 95 87%管道两侧≥95100 10097 96 99 98 99 97 100 96 96 97 99 100 97 100% 管顶以上500mm管道两侧≥9099 91 98 97 91 99 93 92 98 92 93 97 80%管道上部85±2管顶500~1000mm ≥9091 95 92 97 95 97 90 100 94 96 91 96 92 90 93%一般项目1回填应达到设计高程,表面应平整第4.6 3.5条回填达到设计高程,表面平整符合要求2回填时管道及附属构筑物无损伤、沉降、位移第4.6 3.6条回填时附近构筑物无损伤、沉降、位移施工单位检查评定结果经检查,主控项目全部合格,一般项目符合设计及施工规范要求项目专业质量检查员:年月日监理(建设)单位验收结论监理工程师(建设单位项目专业技术负责人)87 6472 70 4886年月日表B.0.7 管道基础报审、报验表工程名称: XX洋河镇洋河水环境治理工程编号:附件:注:本表一式二份,项目监理机构、施工单位各一份。
单位(子单位)工程质量竣工验收记录
编号:
单位(子单位)工程质量控制资料核查表
编号:
单位(子单位)工程观感质量核查表
编号:
单位(子单位)工程结构安全和使用功能性检测记录表
编号:
分部(子分部)工程质量验收记录
编号:
分项工程质量验收记录
编号:
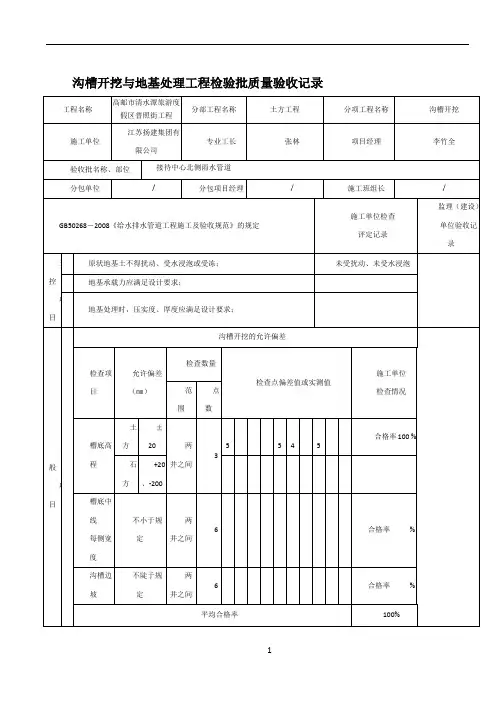
沟槽开挖与地基处理工程检验批质量验收记录
编号:002
沟槽支护工程检验批质量验收记录
编号:
沟槽回填(刚性管道)工程检验批质量验收记录Ⅰ
编号:
沟槽回填(刚性管道)工程检验批质量验收记录
编号: 004
编号
编号
编号:
编号
钢管防腐层工程检验批质量验收记录
编号:
编号:
钢管阴极保护工程检验批质量验收记录
编号:
编号:
钢筋混凝土管、预(自)应力混凝土管、预应力钢筒混凝土管接口连接工程检验批质量验收记录
编号:
化学建材管接口连接工程检验批质量验收记录
编号:
管道铺设工程检验批质量验收记录
编号:002
井室工程检验批质量验收记录
编号:
雨水口及支、连管工程检验批质量验收记录
编号:
编号:
(以上未列项目执行此表格)。
沟槽开挖与地基处理工程检验批质量验收记录
沟槽回填(柔性管道)工程检验批质量验收记录
管道基础工程检验批质量验收记录
管道铺设工程检验批质量验收记录
井室检验批质量验收记录
雨水口及支、连管工程检验批质量验收记录
编号:
井内尺寸
长、宽:
+20,0
1
1
1
5
1
1
2
1
6
1
7
1
5
1
2
1
1
1
3
合格率100%深:0,-20
-
15
-
11
-
12
-
10
-
17
-
12
-
10
-
11
-
15
-
13
合格率100%
井内支、连管管口底高
程
0,-20合格率%
平均合格率95%
检验结论合格
施工单位检查
评定结果
项目专业质量检查员:年月日监理(建设)单位
验收结论
监理工程师:
(建设单位项目专业技术负责人)年月日。
单位(子单位)工程质量竣工验收记录
编号:
单位(子单位)工程质量控制资料核查表
编号:
单位(子单位)工程观感质量核查表
编号:
单位(子单位)工程结构安全和使用功能性检测记录表
编号:
分部(子分部)工程质量验收记录
编号:
分项工程质量验收记录
编号:
沟槽开挖与地基处理工程检验批质量验收记录
编号:
沟槽支护工程检验批质量验收记录
编号:
沟槽回填(刚性管道)工程检验批质量验收记录Ⅰ
编号:
沟槽回填(刚性管道)工程检验批质量验收记录Ⅱ
编号:
沟槽回填(柔性管道)工程检验批质量验收记录
编号
管道基础工程检验批质量验收记录
编号
钢管接口连接工程检验批质量验收记录
编号:
钢管内防腐层工程检验批质量验收记录
编号
钢管内防腐层工程检验批质量验收记录
编号:
钢管外防腐层工程检验批质量验收记录
编号:
钢管阴极保护工程检验批质量验收记录
编号:
球墨铸铁管接口连接工程检验批质量验收记录
编号:
钢筋混凝土管、预(自)应力混凝土管、预应力钢筒混凝土管接口连接工程检验批质量验收记录
编号:
化学建材管接口连接工程检验批质量验收记录
编号:
管道铺设工程检验批质量验收记录
编号:
井室工程检验批质量验收记录
编号:
雨水口及支、连管工程检验批质量验收记录
编号:
工程检验批质量验收记录
编号:
(以上未列项目执行此表格)。
单位(子单位)工程质量竣工验收记录
编号:
单位(子单位)工程质量控制资料核查表
编号:
单位(子单位)工程观感质量核查表
编号:
单位(子单位)工程结构安全和使用功能性检测记录表
编号:
分部(子分部)工程质量验收记录
编号:
分项工程质量验收记录
编号:
沟槽开挖与地基处理工程检验批质量验收记录
编号:
沟槽支护工程检验批质量验收记录
编号:
编号:
编号:
沟槽回填(柔性管道)工程检验批质量验收记录
编号
管道基础工程检验批质量验收记录
编号
钢管接口连接工程检验批质量验收记录
编号:
编号
编号:
编号:
编号:
球墨铸铁管接口连接工程检验批质量验收记录
编号:
钢筋混凝土管、预(自)应力混凝土管、预应力钢筒混凝土管接口连接工程检验批质量验收记录
编号:
化学建材管接口连接工程检验批质量验收记录
编号:
管道铺设工程检验批质量验收记录
编号:
井室工程检验批质量验收记录
编号:
雨水口及支、连管工程检验批质量验收记录
编号:
工程检验批质量验收记录
编号:。
单位(子单位)工程质量竣工验收记录
编号:
单位(子单位)工程质量控制资料核查表
编号:
单位(子单位)工程观感质量核查表
编号:
单位(子单位)工程结构安全和使用功能性检测记录表
编号:
分部(子分部)工程质量验收记录
编号:
分项工程质量验收记录
编号:
沟槽开挖与地基处理工程检验批质量验收记录
编号:
沟槽支护工程检验批质量验收记录
编号:
编号:
编号:
沟槽回填(柔性管道)工程检验批质量验收记录
编号
管道基础工程检验批质量验收记录
编号
编号:
编号
钢管防腐层工程检验批质量验收记录
编号:
编号:
编号:
球墨铸铁管接口连接工程检验批质量验收记录
编号:
钢筋混凝土管、预(自)应力混凝土管、预应力钢筒混凝土管接口连接工程检验批质量验收记录
编号:
化学建材管接口连接工程检验批质量验收记录
编号:
管道铺设工程检验批质量验收记录
编号:
井室工程检验批质量验收记录
编号:
雨水口及支、连管工程检验批质量验收记录
编号:
工程检验批质量验收记录
编号:
(以上未列项目执行此表格)。