SMA 沥青砼路面摊铺技术交底
- 格式:docx
- 大小:10.50 KB
- 文档页数:2
沥青混凝土摊铺安全技术交底1. 引言沥青混凝土摊铺是道路建设中的重要环节,为确保施工质量和保障工人安全,我们对沥青混凝土摊铺的安全技术进行交底。
本文档将详细介绍沥青混凝土摊铺过程中需要注意的安全事项,以及相应的安全措施。
2. 摊铺前准备在进行沥青混凝土摊铺之前,必须进行一系列的准备工作,以确保施工安全和顺利进行。
2.1 施工人员准备•所有参与施工的人员必须经过专业培训,了解沥青混凝土摊铺的工艺和安全要求。
•每位施工人员必须佩戴个人防护装备,包括安全帽、防尘口罩、安全鞋等。
•施工人员应保持身体健康,对身体状况不适的人员必须及时请假。
2.2 设备检查•摊铺机、压路机等设备必须经过日常检查和维护,确保其正常工作。
•摊铺机的燃料必须符合安全要求,并储存在指定的地方。
•检查所使用的材料,确保其质量符合相关标准。
2.3 施工现场准备•施工现场必须进行安全管控,设置警示标志和警戒线,并有专人负责安全监督和指挥。
•清理施工现场,清除任何可能影响施工安全的物体,如大石块、杂草等。
•摊铺车辆和设备必须停放在指定的区域,确保通行道路畅通。
3. 摊铺过程中的安全措施沥青混凝土摊铺过程中,需要采取一系列的安全措施,以确保工人和设备的安全。
3.1 人员安全•所有施工人员必须佩戴好个人防护装备,并在工作期间始终保持警惕。
•避免接触沥青混凝土,必要时使用防护手套、工作服等。
•防止滑倒和摔跤,保持工作区域的清洁和干燥。
•严禁在摊铺机附近进食、吸烟或玩手机等行为,以避免分散注意力。
3.2 设备和车辆安全•摊铺机、压路机等设备必须由经过培训的工作人员操作,严禁未经许可的人员接近设备。
•设备操作人员必须严格按照操作规程操作设备,如遇异常情况需及时停机并向上级报告。
•车辆在运行过程中必须遵守交通规则,保持安全速度,严禁超速行驶。
•设备和车辆的维护保养必须按照规定进行,定期检查和保养,确保其正常工作。
3.3 沥青混凝土摊铺安全•在沥青混凝土摊铺过程中,严禁有人员跨过摊铺机工作面或触摸热沥青。
技术交底记录
工程名称: 施工单位
审核人
分包单位
□施工组织总设计交底 □单位工程施工组织交底
□施工方案交底 专项施工方案交底
□施工作业交底
交底部位 道路工程主机动车道
接受交底 范围 沥青混凝土路面
交底摘要:
道路工程主机动车道沥青混凝土路面施工工艺流程、技术质量保证措施、安全保证措施、文明施工保证措施。
交底内容: 一、工程简介
面层分三层设计,上中下两层分别为4cmSMA-13改性沥青混凝土、6cmAC-20中粒式改性沥青混凝土和8cmATB-25密集配沥青碎石,压实度不小于98%。
二、施工工艺流程及施工方法
1、乳化改性沥青层施工
当基层达到设计强度后(充分养生达到规定龄期),在沥青混凝土底面层施工前一天进行乳化沥青透层油(PC-2)施工。
喷洒前对基层进行验收,要求基层内部潮湿表面微干,
(3)面层与路缘石及其它构筑物应密贴接顺,不得有积水或漏水现象。
不符合要求时,每一处减1~2分。
沥青混凝土面层和沥青碎(砾)石面层实测
交底人被交底人数交底时间
被交底人员。
沥青混凝土路面施工质量、安全技术交底沥青混凝土路面施工安全、质量技术交底一质量1、施工前准备工作1.1 施工前应向监理工程师提供各种原材料的质检报告,各种机具规格、性能、数量清单,施工组织设计,经认可后才能开始施工。
1.2 原材料储备:经检测合格后的材料方可进场,未经检测或检测不合格的材料严禁进场。
料场应具备完善的排水设施,各种集料必须分割贮存,细集料应设防雨顶棚,料场及场内道路应做硬化处理,严禁泥土污染集料。
1.3 施工前应施工机械做全面检查,使其处于良好状态,管理人员和技术人员必须全部到位,并做好相关人员的技术培训工作。
1.4 施工前应对路面基层或作基层用的旧路面的质量进行检查,符合要求后方可修筑沥青面层。
1.5 透层油施工:基层顶面必须喷洒透层油,喷洒前必须将基层面清扫干净,沥青面层必须在透层完全渗入基层后方可铺筑,渗入深度不小于5mm,宜在铺筑沥青面层前1~2天前喷洒,遇大风天气,即将降雨时不得喷洒透层油。
透层油喷洒完毕后应对此段交通进行封闭,严禁车辆及行人在透层油上行走。
1.6防裂帖施工:施工前必须将裂缝清理干净,并用密封胶填充,再用50CM的抗裂贴贴缝。
基面潮湿及雨、雪天气不得施工。
施工后,必须用砂包或胶轮压路机将防裂帖碾压密实。
2、沥青混凝土拌和2.1 沥青混合料拌制所用各种材料要无杂质、干燥。
2.2 沥青混凝土拌和时要控制其温度、油石比及材料的级配。
拌合时间根据具体情况经试拌确定,以沥青均匀裹覆集料为度。
确保各种材料混合均匀,避免出现白茬料、结团成块和粗、细料严重离析现象。
本项目采用90号重交石油沥青,沥青加热温度宜控制在150℃~160℃之间。
2.3项目部要随时抽检油石比及级配,只要正常,调好的设备不允许随意改变各种数据的设置。
拌和过程中常见的缺陷是沥青混凝土混合料油石比不准确或温度不一致。
有时由于下雨没有覆盖碎石及砂,也造成混合料含有较高的水分。
不合格的混合料不能出场上路铺筑。
一、交底对象1. 施工单位全体沥青砼摊铺施工人员2. 项目监理人员3. 施工现场管理人员二、交底时间[填写具体日期]三、交底内容一、施工准备1. 施工人员应熟悉施工图纸、施工方案和安全技术规范,了解沥青砼摊铺工艺流程。
2. 施工前,应对施工现场进行安全检查,确保施工环境符合安全要求。
3. 施工机械和设备应经专业人员检查,确保其性能良好、安全可靠。
二、安全技术要求1. 施工人员进入施工现场必须佩戴安全帽、安全带,穿反光背心,禁止酒后、带病上岗。
2. 施工现场禁止吸烟、使用明火,防止火灾事故发生。
3. 施工现场应设置明显的安全警示标志,如:警示牌、警戒线等。
4. 施工人员应遵守操作规程,严格按照施工方案进行施工。
5. 施工过程中,应保持施工现场整洁,防止杂物掉落伤人。
三、施工安全注意事项1. 沥青砼拌合站应设立安全通道,确保人员通行畅通。
2. 拌合站内应配备消防器材,如灭火器、消防栓等。
3. 沥青砼运输过程中,车辆应保持安全距离,严禁超速、超载行驶。
4. 摊铺过程中,施工人员应与摊铺机械保持安全距离,防止机械伤害。
5. 施工现场应设置警示标志,提醒过往车辆减速慢行。
6. 施工过程中,如遇恶劣天气,应立即停止施工,确保人员安全。
四、应急措施1. 发生火灾时,应立即启动应急预案,使用灭火器、消防栓等进行灭火。
2. 发生人员伤害事故时,应立即拨打急救电话,并采取相应的急救措施。
3. 发生其他安全事故时,应立即报告项目负责人,并按照应急预案进行处理。
五、交底人签字[填写交底人姓名及职务][填写交底日期]六、接受人签字[填写接受人姓名及职务][填写接受日期]七、备注1. 本安全技术交底内容为模板,具体施工过程中应根据实际情况进行调整。
2. 施工单位应定期对施工人员进行安全技术培训,提高安全意识。
3. 施工过程中,如发现安全隐患,应立即整改,确保施工安全。
[填写施工单位名称][填写工程名称][填写施工部位][填写施工日期]。
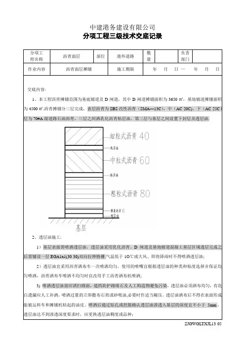
中建港务建设有限公司分项工程三级技术交底记录分项工程名称沥青面层部位港外道路数量负责部门作业内容沥青面层摊铺施工期限年月日—年月日交底内容:1、本工程沥青摊铺范围为基底辅道及D闸道,其中D闸道摊铺面积为3650㎡,基地辅道摊铺面积为4500㎡.沥青摊铺分三层完成,表层沥青为SBS改性沥青(SMA—13C),中(AC-20C)、下(AC-25C)层为70#A级道路石油沥青,三层之间洒乳化沥青粘层油,第三层与基层之间设置下封层及透层油.2、透层油施工:1)基层表面需喷洒透层油,透层油采用乳化沥青。
D闸道及基地辅道混凝土基层区域透层完成之后需铺设一层EGA1x1(30-30)双向拉伸格栅.气温低于1O℃或大风、即将降雨时不得喷洒透层油;2)透层油宜采用沥青洒布车一次喷洒均匀,使用的喷嘴宜根据透层油的种类和粘度选择并保证均匀喷洒,沥青洒布车喷洒不均匀时宜改用手工沥青洒布机喷洒;3) 喷洒透层油前应清扫路面,遮挡防护路缘石及人工构造物避免污染,透层油必须洒布均匀,有花白遗漏应人工补洒,喷洒过量的立即撒布石屑或砂吸油,必要时作适当碾压。
透层油洒布后不得在表面形成能被运料车和摊铺机粘起的油皮。
喷洒后通过钻孔或挖掘确认透层油渗透入基层的深度宜不小于5mm ,透层油达不到渗透深度要求时,应更换透层油稠度或品种;种机械设备或车辆,不得散落矿料、油料等杂物;5)沥青碾压完成后经养生期后需进行弯沉试验,实验结果满足要求之后方可进入下道施工工序。
6、粘层油喷洒施工:1)上、中、下三层沥青之间需喷洒粘层油,同时路缘石、雨水口、检查井等构造物与新铺沥青混合料接触的侧面也需要喷洒粘层油,粘层油采用快裂的洒布型乳化沥青;2)粘层油宜采用沥青洒布车喷洒,并选择适宜的喷嘴,洒布速度和喷洒量保持稳定。
当采用机动或手摇的手工沥青洒布机喷洒时,必须由熟练的技术工人操作,均匀洒布.气温低于l0℃时不得喷洒粘层油,寒冷季节施工不得不喷洒时可以分成两次喷洒。
沥青混凝土摊铺安全技术交底1. 前言沥青混凝土摊铺是道路建设中的一个重要环节,对于保证道路质量、提高道路使用寿命有着至关重要的作用。
然而,沥青混凝土摊铺作业在对道路质量进行保证的同时,也存在着一定的安全风险。
因此,在进行摊铺作业时,为了保证作业人员、设备及周边环境的安全,需要对沥青混凝土摊铺安全技术进行交底和培训。
2. 作业前安全交底2.1 作业人员安全交底作业前,应对参与摊铺作业的作业人员进行安全交底,包括但不限于以下内容:•作业人员应当了解摊铺作业的安全注意事项、操作规程及设备基本操作方法;•作业人员应当了解现场紧急事态处置措施;•作业人员应当了解日常应急救援知识;•作业人员应当了解作业现场、设备周边及道路交通状况;•作业人员应当了解自身在作业过程中应承担的职责和责任。
2.2 设备安全交底作业前,应对沥青混凝土摊铺设备进行安全交底,包括但不限于以下内容:•安全使用沥青混凝土摊铺设备的方法和注意事项;•摊铺设备的结构和功能;•设备的基本操作方法、常见故障及排除方法;•设备维护保养方法及班组长、负责人应承担的职责和责任。
3. 摊铺作业中的安全措施3.1 作业现场安全措施•摊铺现场要设立管控区域,如需要在道路上施工,应设立围挡、交通标志、指示灯等;•作业现场应进行排水;•为了防止污染周围环境,摊铺区域应覆盖防尘布或沙土;•确保现场足够光线以便于摊铺作业。
3.2 设备操作安全措施对于沥青混凝土摊铺设备的操作,必须要遵循以下基本安全措施:•操作人员应具有必要的专业技能和资质,且每次操作前应进行检查;•操作人员必须穿戴安全装备,如安全鞋、安全帽、耳塞、手套、眼罩等;•作业人员应对设备进行安全检查,包括液压系统、传动装置、动力系统和润滑系统的检查等;•在操作设备之前,需要对其进行预热;•在作业过程中,需要对设备的速度进行掌控;•在摊铺过程中,要及时清理现场的杂物和渣料,以免对道路质量产生不利影响。
4. 界面施工安全技术要点4.1 作业人员安全注意事项在界面施工中,作业人员需要注意以下事项:•作业人员应在安全指挥员的指示下进行操作;•作业人员在作业时,需要观察设备及周边环境的情况,及时处理发生的异常事件;•作业人员要注意防止滑倒、摔伤等事故发生。
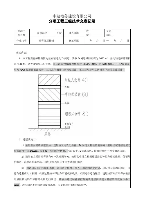
中建港务建设有限公司分项工程三级技术交底记录分项工程名称沥青面层部位港外道路数量负责部门作业内容沥青面层摊铺施工期限年月日—年月日交底内容:1、本工程沥青摊铺范围为基底辅道及D闸道,其中D闸道摊铺面积为3650㎡,基地辅道摊铺面积为4500㎡。
沥青摊铺分三层完成,表层沥青为SBS改性沥青(SMA-13C),中(AC-20C)、下(AC-25C)层为70#A级道路石油沥青,三层之间洒乳化沥青粘层油,第三层与基层之间设置下封层及透层油。
2、透层油施工:1)基层表面需喷洒透层油,透层油采用乳化沥青。
D闸道及基地辅道混凝土基层区域透层完成之后需铺设一层EGA1x1(30-30)双向拉伸格栅。
气温低于1O℃或大风、即将降雨时不得喷洒透层油;2)透层油宜采用沥青洒布车一次喷洒均匀,使用的喷嘴宜根据透层油的种类和粘度选择并保证均匀喷洒,沥青洒布车喷洒不均匀时宜改用手工沥青洒布机喷洒;3)喷洒透层油前应清扫路面,遮挡防护路缘石及人工构造物避免污染,透层油必须洒布均匀,有花白遗漏应人工补洒,喷洒过量的立即撒布石屑或砂吸油,必要时作适当碾压。
透层油洒布后不得在表面形成能被运料车和摊铺机粘起的油皮。
喷洒后通过钻孔或挖掘确认透层油渗透入基层的深度宜不小于5mm ,透层油达不到渗透深度要求时,应更换透层油稠度或品种;5)沥青碾压完成后经养生期后需进行弯沉试验,实验结果满足要求之后方可进入下道施工工序。
6、粘层油喷洒施工:1)上、中、下三层沥青之间需喷洒粘层油,同时路缘石、雨水口、检查井等构造物与新铺沥青混合料接触的侧面也需要喷洒粘层油,粘层油采用快裂的洒布型乳化沥青;2)粘层油宜采用沥青洒布车喷洒,并选择适宜的喷嘴,洒布速度和喷洒量保持稳定。
当采用机动或手摇的手工沥青洒布机喷洒时,必须由熟练的技术工人操作,均匀洒布。
气温低于l0℃时不得喷洒粘层油,寒冷季节施工不得不喷洒时可以分成两次喷洒。
路面潮湿时不得喷洒粘层油,用水洗刷后需待表面干燥后喷洒;3)喷洒的粘层油必须成均匀雾状,在路面全宽度内均匀分布成一薄层,不得有洒花漏空或成条状,也不得有堆积。
一、交底目的为确保砼路面摊铺作业的安全顺利进行,防止事故发生,提高施工人员的安全意识,特进行砼路面摊铺机安全技术交底。
二、交底对象所有参与砼路面摊铺作业的施工人员、管理人员及监督人员。
三、交底内容1. 作业现场环境及安全要求- 进入施工现场前,必须了解作业区域环境,包括地面平整度、是否存在地下管线、障碍物等。
- 作业现场应设置明显的警示标志,提醒过往行人及车辆注意安全。
- 作业区域应保持畅通,不得堆放杂物,确保施工安全。
2. 机械设备操作规范- 摊铺机操作人员必须持有相关操作证书,严禁无证操作。
- 操作前应检查摊铺机各部件是否完好,液压系统、电气系统是否正常。
- 操作过程中,必须严格遵守操作规程,不得擅自更改摊铺机设置参数。
- 摊铺过程中,严禁酒后驾驶、疲劳驾驶,确保操作安全。
3. 安全防护措施- 操作人员必须佩戴安全帽、安全带等个人防护用品。
- 作业现场应配备消防器材,确保火灾事故发生时能够及时进行灭火。
- 作业过程中,应保持通讯畅通,确保遇到紧急情况时能够迅速处理。
4. 作业现场管理- 作业现场应设立专人负责指挥,确保施工有序进行。
- 摊铺机行驶过程中,严禁超车、逆行、抢行,确保行车安全。
- 作业结束后,应将摊铺机停放至指定位置,锁好操作手柄,切断电源。
5. 应急处置- 发生事故时,应立即停止作业,并迅速上报。
- 根据事故情况,采取相应的应急处置措施,确保人员安全。
- 对事故原因进行调查分析,制定预防措施,防止类似事故再次发生。
四、交底要求1. 施工人员应认真听取安全技术交底,了解并掌握相关安全知识。
2. 施工人员必须严格遵守安全技术交底内容,确保施工安全。
3. 施工单位应定期对施工人员进行安全技术培训,提高安全意识。
五、总结砼路面摊铺机安全技术交底是确保施工安全的重要环节。
施工人员应充分认识到安全的重要性,严格遵守各项安全规定,共同营造一个安全、有序的施工环境。
SMA沥青砼路面施工质量缺陷处理技术交底一、摊铺面缺陷维修:1、缺陷查找:安排专人查找路面摊铺缺陷,比如:①路面的麻面、坑洞、块状料、油斑、拉痕等。
②摊铺路面边缘与侧缘接触是否密实、平整作为重点进行监控。
③碾压后侧缘石粘附料料的清除。
2、缺陷修复:缺陷修复易在复压前完成。
a、麻面、坑洞、拉痕修复补料要适量,严禁过量补料。
b、油斑、块状料剔除后补料要适宜。
c、侧缘石边缘安排专人进行质量缺陷修复,做到补料时按堆分布,然后用推平器找平,严禁人工撒料,补料要适量,多余料及时清除。
d、侧缘石粘附料的清除在复压完成后进行,安排专人用灰刀切除,然后清除至路面以外。
e、补料后必须及时碾压。
3、缺陷修复检测:复压过程中,安排专人经缺陷修复情况检测,如有不完善之处,及时再次修复。
二、接缝:纵缝处理:1、纵向热接缝处理:摊铺时采用梯队作业的纵缝采用热接缝,施工时将已铺部分留下100~200mm宽暂不碾压,用作后续摊铺的高程基准面,后续摊铺完成后,立即跨缝碾压,以消除缝迹。
2、横向施工缝横接缝采用平接缝。
在当日施工结束时,碾压结束后,趁路面冷却结硬时用3m杆和直尺检查端部平整度和厚度,然后垂直于路中线方向切齐清除平整度和厚度不足部分。
次日摊铺前,在切齐的成型路面的端部立面上喷洒一遍热沥青,然后进行摊铺新混合料。
碾压时用压路机进行横向压实,从先铺路面上行走碾压新铺层15cm左右,然后跨缝逐渐移向新铺面层,当压至一车宽时,再顺路方向正常碾压。
3、施工横向接缝的平整度及外观质量控制:a、平整度:摊铺机驶离接缝处后,用3m杆骑缝检测检测新铺面与压实面高差是否与松铺厚度一致,小时及时补料,大时及时刮除;然后用压路机静压一遍,并再一次用3米杆检测平整度,如有差异及时处理,直至达到标准要求。
然后方可开始正常碾压。
b、外观质量:主要检查接缝得密实情况,如不密实,及时适量补料,然后在进行碾压。
十、交通管制:路面在施工前及施工碾压结束后,均应严格封闭交通,使用禁行、绕行标志牌、导向牌、隔离桩与行车道隔开等措施进行交通管制。
沥青混凝土摊铺技术交底1. 什么是沥青混凝土摊铺?大家好,今天咱们来聊聊沥青混凝土摊铺这事儿。
听起来好像有点儿技术含量,但其实吧,这就是为了给我们的道路铺上个“舒适垫”,让车子开起来顺滑又舒服。
你想想,如果路面坑坑洼洼的,那可真是“颠得像坐过山车”,谁都受不了!所以,摊铺技术可不是小事,咱们得认真对待。
1.1 沥青混凝土的组成首先,沥青混凝土可不是单纯的沥青,里面还有砂、石子等材料。
简单来说,就像做菜一样,沥青是调味料,而砂和石子就是主菜。
好的比例才能做出美味的“道路”。
通常,我们会把这些材料按照一定的比例混合在一起,确保它们的粘合度和强度都到位。
你别看这些材料普普通通,但配比不对,那可真是“画蛇添足”!1.2 摊铺的意义再说说摊铺的意义。
你想啊,铺上好的沥青混凝土,咱们的出行就会方便多了,不管是上下班还是周末自驾游,都是“畅通无阻”。
而且,良好的路面还能降低噪音,开车的时候就像在听轻音乐,多惬意!再加上抗压能力强,能抵挡住烈日的暴晒和雨水的冲刷,这路面可真是“坚如磐石”。
2. 沥青摊铺的技术要点接下来,咱们聊聊摊铺的技术要点。
听着似乎很复杂,但其实掌握几个关键点就好了。
2.1 温度控制首先,温度可真是个大问题。
沥青混凝土在摊铺的时候,温度得合适。
太冷了,沥青就不容易流动,铺上去后就硬邦邦的;太热了,又容易变形,甚至“化了”。
所以,施工前一定要检查沥青的温度,确保它在最佳状态下进行。
温度就像是调皮的小孩子,得好好管着,不然就得出乱子!2.2 摊铺厚度再来就是摊铺的厚度了。
这就像是盖房子,基础得稳,才能长久。
沥青混凝土的厚度要根据具体的情况来定,通常情况下,路面厚度在510厘米之间。
咱们不想让路面“穿衣服”太薄,也不能“穿得太厚”,不然就像穿着冬装在夏天出门,真是“闹笑话”!而且,在摊铺的时候,要确保每一米的厚度均匀,不能有高低不平的情况出现。
3. 摊铺后的处理最后,咱们得说说摊铺后的处理。
这也是个讲究的活儿。
沥青混凝土路面摊铺施工技术交底
交底内容:
本工程沥青路面结构:上面层为4cmAC-16中粒式沥青混凝土、下面层为8cmsuperpave-25沥青混凝土。
1、面层施工采用两台摊铺机梯队作业摊铺。
2、恢复中线,在边线外侧0.5米处每隔10米钉边桩,拉好基准线和边线。
3、在基层施工完必后,应在基层上浇洒透层沥青。
透层沥青采用煤油稀释的中凝液体石沥油青AL(M)-2。
4、下封层施工采用热洒普通沥青+6~8㎜粒径碎石,沥青洒布量为0.5~1.0L/㎡。
5、在沥青混凝土上下面层之间用改性沥青浇洒一层粘层,洒布量宜为0.3~0.6L/㎡。
6、正式摊铺前选作100米以上试验段以核定松铺系数、施工工艺、机械配备、人员组织和压实遍数。
7、沥青混凝土运输车的车箱内保持干净,涂防粘薄膜剂。
运输车配备覆盖棚布以防雨淋和热量损失。
一、前言为确保沥青摊铺工程的安全、顺利进行,提高施工人员的安全意识,现将沥青摊铺技术及安全注意事项进行如下交底:二、工程概况1. 工程名称:[项目名称]2. 施工地点:[施工地点]3. 施工内容:沥青路面摊铺4. 施工单位:[施工单位名称]5. 施工日期:[开始日期]至[结束日期]三、施工技术要求1. 材料要求:- 沥青混凝土必须符合国家标准,并有出厂合格证。
- 沥青混合料的级配应符合设计要求,并经过试验室检验合格。
- 所有原材料进场前必须进行严格的质量检验。
2. 施工设备:- 摊铺机、压路机、沥青搅拌站等设备必须符合相关标准,并处于良好状态。
- 施工设备操作人员必须持证上岗。
3. 施工工艺:- 按照施工方案和施工规范进行施工。
- 严格控制摊铺温度、厚度、平整度等指标。
四、安全注意事项1. 个人防护:- 施工人员必须佩戴安全帽、工作服、防护眼镜、防尘口罩等个人防护用品。
- 驾驶员和操作人员必须穿戴符合要求的反光背心。
2. 机械操作安全:- 机械设备操作人员必须熟悉设备性能和操作规程,不得违规操作。
- 机械设备在运行过程中,严禁无关人员靠近。
3. 施工现场安全:- 施工现场应设置明显的安全警示标志。
- 施工区域与非施工区域应严格分隔。
- 确保施工通道畅通,不得占用消防通道。
4. 消防安全:- 施工现场必须配备足够的消防器材,并定期检查维护。
- 施工过程中严禁吸烟、使用明火。
5. 交通安全:- 施工期间,非施工车辆不得进入施工现场。
- 施工车辆必须遵守交通规则,确保行车安全。
6. 高空作业安全:- 高空作业人员必须佩戴安全带,并采取必要的防护措施。
- 高空作业区域下方应设置安全警戒线,并设专人监护。
五、应急措施1. 发生安全事故时,立即停止施工,及时上报。
2. 按照应急预案,迅速采取救援措施,确保人员安全。
3. 对事故原因进行调查分析,总结经验教训,防止类似事故再次发生。
六、总结通过本次安全交底,施工人员应充分认识到沥青摊铺施工过程中的安全风险,严格遵守各项安全规定,确保施工安全顺利进行。
SMA-13沥青混凝土路面摊铺技术交底
单位:贵州路桥集团有限公司
工程部位:K1320+000K1342+500 编号:项目名称路面工程作业队(班组)
交底部位K1320+000~K1342+500
段左右幅SMA-13沥青摊
铺
交底日期
交底部门接受交底人
交底内容:
摊铺:
1、提前对所有机械设备进行检修,确保所有机械以良好状态投入施工。
2、由于是夜间施工,应增加照明设施。
3、摊铺过程中,摊铺机的摊铺速度应根据拌和机的产量、施工机械配套情况及摊铺厚度,按1-3m/min左右予以调整,做到缓慢、均匀、不间断地摊铺。
禁止任意快速摊铺几分钟,然后再停下来等下一车料。
施工过程中,吃饭分批轮换进行,忌停铺用餐。
4、摊铺前应将熨平板预热至规定温度(不低于100℃),调整好熨平板高度,使之与松铺厚度相等,松铺系数为,摊铺过程中,应根据路床实际情况适当调整摊铺厚度,以保证摊铺的平整度及厚度,摊铺时熨平板应采用中强夯等级,使铺面的初始压实度不小于85%。
5、摊铺遇雨时,立即停止施工,并清除未压实成型的混合料,遭受
雨淋的混合料应废弃,不得卸入摊铺机摊铺,路表温度低于15℃时不进行面层施工。
6、沥青运送到现场时,应马上测温收料,到现场温度不低于165℃,摊铺温度不低于155℃,初压开始温度不低于150℃,复压最低温度不低于130℃,碾压完成后温度不低于110℃。
碾压:
1、SMA沥青砼的碾压遵循紧跟、慢压、高频、低幅的原则进行,初压用双钢轮紧跟在摊铺机后面静压1遍,复压用双钢轮压路机振动4遍,终压用双钢轮压路机静压2遍。
2、在初压和复压过程中,宜采用同类压路机并列成梯队压实。
由于是夜间施工,温度较低,摊铺后应抓紧碾压,由专人负责指挥协调各台压路机的碾压路线和碾压遍数,使摊铺面在较短时间内达到规定压实度,压路机折返应呈梯形,不应再同一断面上。
碾压速度控制在4~5km/h。
3、碾压时压路机驱动轮面向摊铺机,由低到高,超高段由内侧到外侧依次连续均匀碾压,不允许压路机在沥青混合料上转向、掉头,压路机起动、停止必须减速缓行,不准刹车制动。
接缝:
施工结束时,在端头撒适量砂子,便于接缝端头容易铲除,下次摊铺时,应将接缝处处理干净,涂上少量的粘层油。