贵州省国控污染源自动监控设施验收表格
- 格式:doc
- 大小:77.50 KB
- 文档页数:7
污染源自动监控设施验收备案登记表
登记备案单位(盖章)登记备案时间:年月日
表1 排污单位基本情况
登记备案单位(盖章)登记备案时间:年月日表3 废水排放口基本情况(每个排放口填一张表)
登记备案单位(盖章)登记备案时间:年月日表4 废水自动监控设施基本情况(每个监控因子填一张表)
登记备案单位(盖章)登记备案时间:年月日
表5 水质自动采样系统基本情况(如有)
登记备案单位(盖章)登记备案时间:年月日表6 废气排放口基本情况(每个排放口填一张表)
登记备案单位(盖章)登记备案时间:年月日表7 废气自动监控设施基本情况(每个监控因子填一张表)
登记备案单位(盖章)登记备案时间:年月日
表8 数据采集仪基本情况(每台填一张表)。
附:
国家重点监控企业污染源
自动监测设备监督考核表
企业名称:
考核单位:
中华人民共和国环境保护部制
谢谢观赏
填写说明
该表分“现场核查表”、“比对监测结果表”、“主管部门考核结论”、“考核组成员名单”四部分组成。
1、“现场核查表”由责任环保部门现场核查人员填写,并有企业人员认可签字。
2、“比对监测结果表”由责任环保部门污染源监测机构填写。
3、“主管部门监督考核结论”由责任环保部门填写。
4、填写时一律使用蓝黑钢笔或签字笔,字迹清晰、不得涂改。
谢谢观赏
表一:
国家重点监控企业污染源自动监测设备现场核查表核查单位:日期:
谢谢观赏
1.设备运转率计算公式:设备运转率(%)=(实际运转小时数/总运转小时数)×100%
2.数据传输率运算公式:数据传输率(%)=(实际传输数据量/总数据量)×100%
谢谢观赏
表二:
国控企业污染源自动监测设备比对监测结果表
谢谢观赏
表三:
考核组成员名单
谢谢观赏
谢谢观赏
表四:
责任环保部门监督考核结论
环验[]号
谢谢观赏
谢谢观赏。
监控验收单范本日期:[填写日期]项目名称:[填写项目名称]监控验收单编号:[填写编号]1. 验收目的本文档旨在记录监控系统的验收过程,确保系统符合预期要求,并能有效监控和管理相关项目的运行情况。
2. 项目概述项目名称:[填写项目名称]项目起止日期:[填写起止日期]项目负责人:[填写项目负责人姓名]项目背景和目标:[填写项目的背景和目标]3. 验收标准本次监控验收将根据以下标准进行:•监控系统的功能是否完整,能够满足项目管理的需求;•监控系统的稳定性和可靠性;•监控系统是否符合项目需求的界面设计。
4. 验收内容4.1 硬件和软件环境验收项目组对监控系统所依赖的硬件和软件环境进行了验收,确认环境配置符合要求,并确保监控系统能够正常运行。
4.2 功能验收项目组对监控系统的各项功能进行了验证,包括但不限于以下内容:•监控指标的设置和展示是否符合项目管理的需要;•报警功能是否正常,并能够及时通知项目管理人员;•数据分析报表是否准确、完整,以及能否满足项目管理的需求;•数据库的备份和恢复功能是否正常。
4.3 界面验收项目组对监控系统的界面进行了验收,主要包括以下方面:•界面设计是否美观大方,布局是否合理;•图表和表格的展示效果及可读性;•界面的交互是否流畅。
5. 验收结果5.1 功能验收结果经过对监控系统的功能验证,具体结果如下:•监控指标的设置和展示符合项目管理的需要;•报警功能正常,能够及时通知项目管理人员;•数据分析报表准确、完整,能够满足项目管理的需求;•数据库的备份和恢复功能正常。
5.2 界面验收结果经过对监控系统界面的验收,具体结果如下:•界面设计美观大方,布局合理;•图表和表格展示效果良好,具有良好的可读性;•界面的交互流畅。
6. 验收结论监控系统经过本次验收,具备了满足项目管理需求的功能和界面,能够有效监控和管理相关项目的运行情况。
7. 验收人员验收人员:[填写验收人员姓名]验收时间:[填写验收时间]本文档仅作为监控系统的验收文档,监控系统的维护和更新将由相关人员负责。
附表国家重点监控企业污染源自行监测情况检查表企业名称:企业类型:□工业企业□污水处理厂填表日期:填表人:环境保护部监测司2012年制表1 国控工业企业基本情况表表2 国控污水处理厂基本情况表表3 自行监测开展情况表(废水)一、手工监测开展情况:二、自动监测开展情况:表4 废水污染源自动监测设备基本情况表注:废水自动监测设备数量较多时可复印本页表格填写。
—12—表5 自行监测开展情况表(废气)一、手工监测开展情况:—13—二、自动监测开展情况:—14——15—表6 废气污染源自动监测系统基本情况表注:①废气自动监测系统数量较多时可复印本页表格填写。
②采样方式的选项中不包括颗粒物和流速的采样方式。
—16—填表要求及指标解释一、填表说明及注意事项1、检查表封面需由填表人签字。
2、【表1国控工业企业基本情况表】对国控废水企业、国控废气企业、重金属国控企业、十二五规划重金属企业需检查填写表1。
(重金属国控企业以及十二五规划重金属企业以下均简称重金属企业。
)【表2国控污水处理厂基本情况表】对国控污水处理厂需检查填写表2;【表3自行监测开展情况表(废水)】对国控废水企业、国控污水处理厂、存在重金属废水排放的重金属企业需检查填写表3;【表4废水污染源自动监测设备基本情况表】对国控废水企业、国控污水处理厂以及重金属企业中安装废水自动监测设备的需检查填写表4;【表5自行监测开展情况表(废气)】对国控废气企业、存在废气重金属排放的重金属企业需检查填写表5;【表6废气污染源自动监测系统基本情况表】对国控废气企业以及重金属企业中安装废气自动监测系统的需检查填写表6。
3、以下指标解释中凡是相同的指标,仅在首次出现时进行解释。
4、本次检查范围为环保部发布的《2012年国家重点监控企业名单》(环办[2011]144号文)中列出的国控企业,本次检查内容为企业基本情况和截止至2012年6月30日前企业自行监测开展情况。
二、基本情况表相关指标解释(一)表1国控工业企业基本情况表指标解释【控制级别】依据《2012年国家重点监控企业名单》(环办[2011]144号文),勾选“废水国控、废气国控、重金属国控、十二五规划重金属”选项。
18污染源自动监控设施例行检查表排污单位名称: 检查项目排污口是□, 否□1、采样位置位于渠道计量水槽流路的中央,且采样口采水的前端设在下流的 方向 是□, 否□2、测量合流排水时,在合流后充分混合的场所采水 是□, 否□3、采样头设置成随水面的涨落而上下挪移的形式 是□, 否□4、采样头距水面 10~20 厘米以下,离水槽底部 10 厘米以上 是□, 否□1、采样点位应优先选择在垂直管段和烟道负压区域。
是□, 否□2、采样点位应避开烟道弯头和断面急剧变化的部位,其设置应在距弯头、阀 门、变径管下游方向不小于 4 倍烟道直径,以及距上述部件上游方向不小于 2 倍烟道直径处;如不在以上位置时,采样点位前直管段的长度应大于后直管段的长度。
是□, 否□3、若一个固定污染源排气先通过多个烟道后进入该固定污染源的总排气管时,采样点位应设置在该固定污染源的总排气管上。
是□, 否□ 4、采样点平台面积应不小于 1.5m 2,平台、爬梯栏杆高度不低于 1. 1m ,爬梯 的宽度不小于 0.9m ,爬梯的角度不得大于 51°;当采样平台设置在离地面高 度≥5m 的位置时,应有通往平台的 Z 字梯/旋梯/升降梯;采样点平台上应安 装永久性电源。
是□, 否□ 1、污染源自动监控设施及其辅助设备类型、型号、位置、数量等是否与污染 源自动监控设施竣工验收一致 是□, 否□ 2、污染源自动监控设施及其辅助设备类型、型号、位置、数量等是否与污染 源自动监控设施申报登记一致 是□, 否□3、污染源自动监控设施及其辅助设备类型、型号、位置、数量等是否与最近一次污染源自动监测数据有效性审核一致 是□, 否□4、污染源自动监控设施采样点位置是否与验收一致 是□, 否□5、污染源自动监控设施采样点位置是否与申报登记一致 是□, 否□6、污染源自动监控设施采样点位置是否与最近一次有效性审核一致是□, 否□1、自动监控设施各组成部份处于完好状态,正常运转2、各分析仪器产生的含有危(wei )险废物的废液有专门回收装置 状况 检查结果记录1、 排污口是否与污染源自动监控设施竣工验收一致 是□, 否□2、 排污口是否与污染源自动监控设施申报登记一致 是□, 否□3、 排污口是否与最近一次污染源自动监测数据有效性审核一致自动监控设施变更情况是□, 否□ 是□, 否□ 废气采样点位 废水采样点位 自动监控 设施工作检查项目数据传输 及存储运行维护 记录自动监测 数据有效 性审核自动监控设施运行参数社会化运 行单位资质运维人员 资质仪器设备 资质自动监测数据相关 性 采样单元分析单元检查结果记录1、污染源自动监控设施是否按要求正常工作并传输数据2、分析仪器数据、数采仪数据、监控中心数据是否一致3、历史数据完整,缺失率低于 1%是□, 否□ 是□, 否□ 是□, 否□ 自动监控设施运行维护记录是否包括停运记录、故障及其处理、耗材更换等是□, 否□ 1、自动监测数据是否通过有效性审核2、如未通过数据有效性审核,是否落实整改措施1、自动监控设施运行参数与污染源自动监控设施竣工验收一致 是□, 否□2、自动监控设施运行参数与污染源自动监控设施申报登记一致 是□, 否□3、自动监控设施运行参数与最近一次污染源自动监测数据有效性审核一致是□, 否□ 1、社会化运行单位污染源自动监控设施运营资质是否在有效期内是□, 否□2、社会化运行单位是否按资质规定从事运行活动 是□, 否□从事污染源自动监控系统的运维、化验分析人员是否通过培训并取得相应合格证书,持证上岗 是□, 否□ 1、具备中华人民共和国计量器具创造许可证 是□, 否□2、进口仪器设备持有国家质量技术监督部门颁发的计量器具型式批准证书是□, 否□ 3、具备环境保护部环境监测仪器质量监督检测中心出具的产品合用性检测合 格报告和环境保护产品认证证书 是□, 否□ 1、企业生产负荷及工况、污染管理设施运行状况与自动监控设施显示数据变 化的相关性,特殊是其变化趋势是否符合逻辑。
附件二:贵州省重点监控企业污染源自动监控设施验收表企业名称:验收单位:贵州省环境监察总队制填写说明:该表由“基本情况表”、“联网情况表”、“现场验收核查表”三部分组成。
1、表一“基本情况”由申请验收的企业填写。
2、表二“联网情况”由企业向省监控中心申请,并由监控中心出具。
3、表三“现场验收核查表”由验收组在现场检查后填写。
4、验收时需按照要求提供齐全验收资料(附后)。
5、填写时一律使用蓝黑钢笔或签字笔,字迹清晰、不得涂改。
国控企业污染源自动监控设施基本情况表实用文档国控企业污染源自动监控设施联网情况国家重点监控企业污染源自动监控设施现场验收核查表实用文档贵州省污染源自动监控验收准备材料清单1、验收申请报告(要求正式报告,县级环保部门签署预验收意见);2、贵州省重点监控企业污染源自动监控设施验收表;3、环保部门关于安装污染源自动监控设施要求的文件(包括环评批复文件、下达建设任务文件);4、排污口规范化及点位确认的文件(自动监控点位申请表);5、提供所安装自动监控设备的由环境保护部环境监测仪器质量监督检验中心出具的适用性检测报告;6、自动监控设备安装调试检测及试运行报告(由设备安装方出具);7、设备比对监测报告(委托有资质的环境监测部门出具);8、相关管理制度(仪器设备操作、使用和维护规程;岗位责任制;定期校验制度;设备故障预防与处置制度);9、运行管理台账(按照要求提供完整的台账),各类台账请任意选取一份有实际内容的记录,无实际内容的需提供空白表格。
10、其他资料说明:各企业在申请验收时,必须按照清单全部准备齐全,并将其装订成册(一式四份)分别报省、市、县级环境监察部门,若缺少验收资料、资料不符合要求或装订散乱,将不予以接收。
XXX污染源在线监控项目
竣工验收申请表
项目名称 XXX污水厂污染源在线系统
企业名称 XXX有限责任公司(盖章)
联系电话
邮政编码
XXX环境保护局制
一、企业概况
企业全称企业规模小型
企业地址所属流域巢湖
行业类别污水处理及其再生利用注册类型私营企业
单位类型乡镇街道非工业企业隶属关系其他
监控级别市控投产日期
法人代表姓名法人代码
经纬度经度:116(116°0' 0")纬度:33(33°0' 0")
企业联系人
联系电话环保机构名称
姓名
环保负责人
无联系电话专职环保人数 1 姓名
二、项目概况
三、数据采集仪信息(污水进口)
数据采集仪信息(污水出口)
四、污水排口信息
1、污水排口信息
2、污水排口监测因子列表
五、废气排口信息
1、废气排口信息
2、废气排口监测因子列表
六、接受短信报警人员信息
七、审查意见。
污染源自动监控设施备案登记表数据采集仪基本情况示范文本2广西固定源烟气排放连续监测系统验收技术文件验收组织单位(盖章):现场验收日期:年月日前言为贯彻《中华人民共和国大气污染防治法》,执行国家、地方大气污染物排放标准,实施大气固定污染源排放污染物总量控制,提高固定污染源烟气排放连续监测系统建设水平,规范固定污染源烟气排放连续监测系统的验收工作,根据《固定污染源烟气排放连续监测系统技术要求及检测方法(试行)》(HJ/T 76—2007)、《固定污染源烟气排放连续监测技术规范(试行)》(HJ/T 75—2007)及实际工作需要,制定本验收技术文件。
本技术文件由广西壮族自治区环境监察总队起草。
本技术文件由广西壮族自治区环境保护局负责解释。
验收组专家名单污染源现场端自动监控(监测)设施验收意见表一、验收前调试检测要求验收方法:负责调试检测工作的机构填写意见,并附调试检测合格报告(包括检测记录、计算过程、结论等内容的文件),供验收组审核。
固定污染源烟气CEMS在现场安装运行以后,在接受验收前,应进行技术性能指标的调试,该调试可由①烟气CEMS的制造者、供应者;②用户;③受委托的有检测能力的部门承担。
(一)根据《固定污染源烟气排放连续监测技术规范(试行)》(HJ/T 75—2007)附录A(规范性附录)的要求进行了72 小时的调试检测,一般要求如下:1、现场完成烟气CEMS安装、初调后,烟气CEMS连续运行时间应不少于168 小时。
2、烟气CEMS连续运行168 小时后,可进入调试检测阶段,调试检测周期为72 小时,在调试检测期间,不允许计划外的检修和调节仪器。
3、如果因烟气CEMS故障、固定污染源故障、断电等原因造成调试检测中断,在上述因素恢复正常后,应重新开始进行为期72 小时的调试检测。
4、对于完全抽取式和稀释抽取式气态污染物CEMS,当进行零点和跨度校准、线性误差和响应时间的检测时,要求零气和标准气体与样品气体通过的路径(如:采样探头、过滤器、洗涤器、调节器)一致。
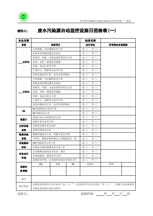
附件八:废水污染源自动监控设施日巡检表(一)企业名称站房名称系统巡检项目运行状况异常情况处理措施分析仪分析数据、历史数据是否正常是()否()系统各项参数设置是否更改是()否()取样泵、管路、内部试剂管等是否正常是()否()试剂、水样、废液是否泄露是()否()各阀、泵运行是否正常是()否()计量单元、测量单元是否正常是()否()试剂余量是否正常、是否在保质期内是()否()分析仪分析数据、历史数据是否正常是()否()系统各项参数设置是否更改是()否()取样泵、管路、内部试剂管等是否正常是()否()试剂、水样、废液是否泄露是()否()各阀、泵运行是否正常是()否()计量单元、测量单元是否正常是()否()试剂余量是否正常、是否在保质期内是()否()PH PH变送器显示是否正常是()否()PH电极是否正常是()否()流量计流量计显示及设置是否正常是()否()流量计探头是否正常是()否()水样采集系统采样泵及探头是否良好是()否()采样管道是否良好是()否()数据采集系统数据传输是否正常、传输卡是否欠费是()否()分析仪、数据采集传输仪上的数据是否一致是()否()其他辅助设备UPS电源是否正常工作是()否()仪器自动清洗装置是否正常工作是()否()设备运行环境各类数据连接线是否松动、规范是()否()室内的温度、湿度是否正常是()否()监测站房环境、自动监控设备是否清洁卫生是()否()巡检时监测值COD 氨氮PH 流量计其他备注填写要求巡检时检查项目正常记录为“是(√)”,检查项目不正常记录为“否(√)”,其他工作内容和异常情况处理请在备注内填写。
巡检人:巡检时间:年月日时废水污染源自动监控设施手工校验记录表(二) COD 分析仪校验(比对)分析仪分析方法: 量程:项目校验时间标准值测量值数据绝对误差最大变化幅度相对于量程值的漂移百分率校验结论零点漂移月日时\ 月日时\ 月日时\量程漂移月日时月日时标准值(A)测量值(B)数据对差=B-A相对误差=(B-A)/A*100%质控样校验月日时月日时实际水样校验月日时月日时氨氮分析仪校验(比对)分析仪分析方法: 量程:项目校验时间标准值测量值数据绝对误差最大变化幅度相对于量程值的漂移百分率校验结论零点漂移月日时月日时月日时量程漂移月日时月日时标准值(A)测量值(B)数据对差=B-A相对误差=(B-A)/A*100%质控样校验月日时月日时实际水样校验月日时月日时校验人:校验日期:手工校验台帐说明:请严格按照HJ/T354-2007、HJ/T355-2007、HJ/T356-2007、HJ/T377-2007、HJ/T101-2003、HJ/T535-2009操作规程及计算公式执行。
环境监测工程验收表格汇总
引言
本文档是对环境监测工程验收表格的汇总,旨在为环保部门提
供一份便捷的文档,以供参考和使用。
表格汇总
污染源环境监测数据汇总表
该表格用于记录污染源环境监测的数据情况,包括COD、氨氮、PH值等指标,并对数据进行统计分析,以评估污染源的环境
质量。
空气环境监测数据汇总表
该表格用于记录空气环境监测的数据情况,包括PM2.5、SO2、NO2等指标,并对数据进行统计分析,以评估空气质量是否符合规
定标准。
地表水环境监测数据汇总表
该表格用于记录地表水环境监测的数据情况,包括COD、氨氮、总磷等指标,并对数据进行统计分析,以评估地表水的环境质量。
生态环境监测数据汇总表
该表格用于记录生态环境监测的数据情况,包括植被覆盖率、土地利用状况等指标,并对数据进行统计分析,以评估生态环境质量是否正常。
结论
本文档提供了环境监测工程验收表格的汇总,为环保部门提供一份便捷的参考文献。
各监测数据均符合环保要求,因此工程验收合格。
贵州省污染源自动监控系统运行管理台帐(废气)-标准化文件发布号:(9456-EUATWK-MWUB-WUNN-INNUL-DDQTY-KII附件七:废气污染源自动监控设施日巡检表(一)巡检时监测值废气污染源自动监控设施手工校准记录表(二)企业名称:站房名称:校准人:校准日期:说明:操作规程严格按照HJ/T 75的规范执行,对气态污染物的手工校准至少每15天做一次。
废气污染源自动监控设施维修维护记录(三)企业名称:说明:此表用于自动监控设施故障维修、设备维护、更换配件、设备参数更改等情况下填写此记录并存档。
废气污染源自动监控设施停运(故障)报告表(四)1、企业在自动监控设备停运或设备故障时填写该表,并报县级环保部门批准,停运期间必须按照规范采取手工监测的方式并报送监测数据。
设备故障的必须在规定时间内完成设备的修复。
2、县级环保部门必须按照相关规范签署是否停运的意见;对于设备故障的,需明确设备修复的具体时限。
废气污染源自动监控设施停运(故障)报告送达签收记录(五)说明:此表用于企业向环保部门送达污染防治设施停运报告签收登记,由企业存档备查,所有自动监控设备的报告均登记在同一张表格上,以流水账的形式记录。
若采取传真等其他方式送达的,请在备注栏内说明清楚传真时间、传真收发号码、传真收发人等。
废气污染源自动监控设施标气更换记录表(六)6废气污染源自动监控数据异常及缺失标示和补充记录表(七)1、该记录用于自动监控设备工作时数据出现异常(过大、过小、为零)和数据出现缺失的情况下填报。
72、数据异常(缺失)情况描述是指设备分析数据的表现及原因;数据异常(缺失)段补充数据是指在异常及缺失的时间段内补充的分析数据;补充数据来源有企业实验室分析数据、监测站监督性监测数据,若没有以上两种数据来源则以自动监控设施本日内最大的数据予以补正。
8。
附件二:中华人民共和国国家环境保护标准HJ□□□-201□污染源自动监控设施现场监督检查技术规范Technical Specifications for Inspecting on-the-spot ofAuto Monitoring Facilities of Environmental Pollution Source(征求意见稿)201□-□□-□□发布 201□-□□-□□实施 环 境 保 护 部 发布目 次前言 (II)1 适用范围 (1)2 规范性引用文件 (1)3 术语和定义 (1)4 现场检查一般方法 (3)5 污染源自动监控设施现场检查准备工作 (3)6 例行检查 (4)7 自动监控设施不正常运行情形判别 (6)8 废水自动监控设施重点检查 (6)9 固定烟气污染源自动监控设施检查 (11)10 数据采集传输仪器检查 (12)11 弄虚作假的认定 (12)附录A(资料性附录)污染源自动监控设施申报登记表 (13)附录B(资料性附录)污染源自动监控设施例行检查表 (18)附录C(资料性附录)污染源自动监控设施采样单元重点检查表 (20)附录D(资料性附录)化学需氧量(COD Cr)污染源自动监控设施重点检查表 (21)附录E(资料性附录)总有机碳(TOC)污染源自动监控设施重点检查表 (22)附录F(资料性附录)紫外(UV)吸收水质自动监测仪重点检查表 (23)附录G(资料性附录)氨氮污染源自动监控设施重点检查表 (24)附录H(资料性附录)重金属离子污染源自动监控设施重点检查表 (25)附录I(资料性附录)流量计重点检查表 (26)附录J(资料性附录)CEMS污染源自动监控设施重点检查表 (27)附录K(资料性附录)数据采集传输仪器重点检查表 (28)附录L(资料性附录)污染源自动监控设施现场监督检查流程图 (29)前 言为贯彻《中华人民共和国环境保护法》、《中华人民共和国水污染防治法》、《中华人民共和国大气污染防治法》和《中华人民共和国固体废物污染环境防治法》和《污染源自动监控管理办法》,规范污染源自动监控设施现场监督检查,进一步提高现场监督检查的质量和效率,保障污染源自动监控设施正常运行,制定本标准。
附件二:
贵州省重点监控企业
污染源自动监控设施验收表
企业名称:
验收单位:
贵州省环境监察总队制
填写说明:
该表由“基本情况表”、“联网情况表”、“现场验收核查表”三部分组成。
1、表一“基本情况”由申请验收的企业填写。
2、表二“联网情况”由企业向省监控中心申请,并由监控中心出具。
3、表三“现场验收核查表”由验收组在现场检查后填写。
4、验收时需按照要求提供齐全验收资料(附后)。
5、填写时一律使用蓝黑钢笔或签字笔,字迹清晰、不得涂改。
国控企业污染源自动监控设施基本情况表
国控企业污染源自动监控设施联网情况
国家重点监控企业污染源自动监控设施现场验收核查表
贵州省污染源自动监控验收准备材料清单
1、验收申请报告(要求正式报告,县级环保部门签署预验收意见);
2、贵州省重点监控企业污染源自动监控设施验收表;
3、环保部门关于安装污染源自动监控设施要求的文件(包括环评批复文件、下达建设任务文件);
4、排污口规范化及点位确认的文件(自动监控点位申请表);
5、提供所安装自动监控设备的由环境保护部环境监测仪器质量监督检验中心出具的适用性检测报告;
6、自动监控设备安装调试检测及试运行报告(由设备安装方出具);
7、设备比对监测报告(委托有资质的环境监测部门出具);
8、相关管理制度(仪器设备操作、使用和维护规程;岗位责任制;定期校验制度;设备故障预防与处置制度);
9、运行管理台账(按照要求提供完整的台账),各类台账请任意选取一份有实际内容的记录,无实际内容的需提供空白表格。
10、其他资料
说明:各企业在申请验收时,必须按照清单全部准备齐全,并将其装订成册(一式四份)分别报省、市、县级环境监察部门,若缺少验收资料、资料不符合要求或装订散乱,将不予以接收。