挖孔桩检查记录
- 格式:docx
- 大小:55.55 KB
- 文档页数:3
人工挖孔桩隐蔽验收记录施工单位:XXX有限公司监理单位:XXX有限公司验收日期:XXXX年XX月XX日一、工程概况本工程为XXXX项目,属于人工挖孔桩工程,总共共有XX根桩。
二、施工过程1. 桩基材料准备:施工单位按照设计要求及时采购了钢筋、混凝土、砂石等桩基材料,并进行了验收,材料质量合格。
2. 桩基位置标定:根据设计要求,施工单位在施工现场按照平面布置图和竖向槽筏基础平台定位,标定了每根桩的位置。
3. 桩周方桩孔施工:根据设计要求,施工单位利用挖掘机进行了桩周方桩孔的施工,保证了桩基孔的准确度和垂直度。
4. 桩基清理:施工单位对桩周方桩孔进行了清理,确保孔底和孔壁的干净整洁。
5. 钢筋加工与安装:施工单位按照设计要求对钢筋进行了加工和现场调整,并进行了验收,验收结果通过。
6. 混凝土浇筑:施工单位按照设计要求及时进行了混凝土的搅拌、运输和浇筑,并对浇筑质量进行了检查,达到验收标准。
7. 检测与验收:施工单位请监理单位进行了桩基验收,监理单位对桩基进行了非破坏性检测,并检查了桩基的质量。
验收结果显示,桩基质量合格。
三、验收结果根据施工流程和验收标准,现对本工程的人工挖孔桩进行验收。
1. 材料验收:根据相关材料供应商提供的合格证明和国家标准,我们对施工单位采购的钢筋、混凝土、砂石等进行了验收,材料质量达到了设计要求。
2. 施工工艺和工序:施工单位在桩基施工过程中,严格按照设计要求和施工规范进行施工,保证了桩基的准确度和质量,工程工艺和工序合格。
3. 桩基质量:根据监理单位的检测结果,桩基的非破坏性检测合格,桩基质量达到了设计要求。
无修补现象,未发现桩基质量存在问题。
4. 桩顶标高:根据设计要求,施工单位对每根桩的桩顶标高进行了检测,桩顶标高符合设计要求,偏差在规定范围内。
5. 桩身砼强度:施工单位对桩身混凝土的强度进行了检测,达到了设计要求的强度等级。
6. 桩基孔准确度:对每根桩基孔的准确度进行了检查,孔的位置、孔径和垂直度符合设计要求。
人工挖孔桩开挖工程检验批验收记录人工挖孔桩作为一种常见的基础工程形式,在建筑施工中发挥着重要作用。
其开挖工程的质量直接关系到整个基础的稳定性和安全性,因此,做好人工挖孔桩开挖工程检验批验收记录至关重要。
人工挖孔桩开挖工程检验批验收记录主要包括以下几个方面的内容:一、工程概况首先要明确工程的名称、地点、建设单位、施工单位等基本信息。
同时,对人工挖孔桩的数量、桩径、桩长、桩顶标高、桩底标高等参数进行详细记录。
这些信息有助于对整个工程有一个全面的了解,为后续的验收工作提供基础。
二、施工依据记录施工所依据的相关规范、标准和设计文件。
例如《建筑地基基础工程施工质量验收规范》(GB50202-2018)、《建筑桩基技术规范》(JGJ94-2008)以及具体的工程设计图纸等。
明确施工依据可以确保施工过程符合相关要求,保证工程质量。
三、施工准备工作验收1、施工方案的审查检查施工单位提交的人工挖孔桩施工方案是否经过审批,内容是否完整、合理,是否具有针对性和可操作性。
施工方案应包括施工工艺、施工流程、安全措施、质量控制要点等方面的内容。
2、原材料的检验对用于人工挖孔桩的钢筋、水泥、砂、石等原材料进行检验,查看其质量证明文件是否齐全,检验报告是否合格。
同时,对原材料的现场存放条件进行检查,确保其不受潮、不受污染。
3、施工机械设备的检查检查挖孔桩施工所使用的机械设备,如提升设备、通风设备、照明设备等是否完好,性能是否满足施工要求。
同时,对设备的安全防护装置进行检查,确保施工过程中的安全。
4、测量放线的复核对人工挖孔桩的桩位进行测量放线复核,检查桩位的偏差是否在允许范围内。
桩位的准确性直接影响到桩基础的受力情况,因此必须严格控制。
四、挖孔过程的验收1、桩孔垂直度的检查使用垂线和钢尺等工具,定期对桩孔的垂直度进行检查。
桩孔垂直度偏差应符合规范要求,一般不应超过桩长的 05%。
如果垂直度偏差过大,应及时采取措施进行纠正。
2、桩孔直径的检查使用钢尺或卡尺等工具,对桩孔的直径进行检查。
人工挖孔桩验槽检查记录1:人工挖孔桩验槽检查记录1. 引言此记录了对人工挖孔桩的验槽检查过程及相关信息,旨在确保挖孔桩的质量和安全性。
2. 概述2.1 目的本次验槽检查的目的是确保挖孔桩的开挖的尺寸和形状符合设计要求。
2.2 检查对象本次验槽检查的对象是人工挖孔桩。
涉及的检查包括挖孔桩的尺寸、深度、形状等。
3. 检查前准备3.1 检查人员本次验槽检查由以下人员组成:- 主检人员:XXX- 辅助检查人员:XXX3.2 工具和设备准备准备以下工具和设备:- 验槽工具包(包括测量尺、水平仪等)- 摄像设备(可选)- 记录工具(如相机、笔记本电脑等)4. 检查步骤4.1 测量挖孔桩的尺寸使用测量尺测量挖孔桩的尺寸,包括直径、长度等,并记录在表格中。
4.2 检查挖孔桩的深度使用测量尺和水平仪测量挖孔桩的深度,并记录在表格中。
4.3 检查挖孔桩的形状使用测量尺和水平仪检查挖孔桩的形状是否符合设计要求,并记录在表格中。
4.4 拍摄照片(可选)使用摄像设备拍摄挖孔桩的照片,作为记录和参考。
5. 检查结果记录和报告将检查结果记录在表格中,并验槽检查报告。
报告应包括检查日期、检查地点、检查人员信息、检查结果等内容。
报告应由主检人员签字确认,并保存备份。
6. 附件本所涉及附件如下:- 表格1:挖孔桩尺寸测量记录- 表格2:挖孔桩深度测量记录- 表格3:挖孔桩形状检查记录- 照片附件(可选)7. 法律名词及注释本未涉及法律名词及注释。
--------------------------------------------------------------------2:人工挖孔桩验槽检查记录1. 引言本详细记录了对人工挖孔桩进行的验槽检查过程和结果,确保挖孔桩的质量符合设计要求,并保证施工安全。
2. 概述2.1 目的本次验槽检查的目的是验证人工挖孔桩的开挖尺寸和形状是否符合设计要求。
2.2 检查对象本次验槽检查的对象为人工挖孔桩,涉及的检查内容包括挖孔桩的直径、深度、形状等。
人工挖孔桩安全检查记录人工挖孔桩安全检查记录1.引言此旨在记录人工挖孔桩的安全检查过程和结果。
人工挖孔桩是一种常见的基础工程,为确保施工过程中的安全性,需要进行全面的检查和记录。
2.施工前准备在开始施工前,必须确保以下准备工作已经完成:2.1 检查挖孔桩施工图纸,确保无误。
2.2 确定施工现场并划定安全区域。
2.3 准备好所需的工具和设备。
2.4 确定施工团队的组成及各成员职责。
3.安全检查过程3.1 施工现场安全检查3.1.1 检查安全区域的设置是否合理,是否存在人员闯入的风险。
3.1.2 检查施工现场是否清洁整齐,是否存在杂物堆积的情况。
3.1.3 检查施工现场是否存在地质灾害的隐患,如塌方、地陷等。
3.1.4 检查施工现场是否存在障碍物,是否设有警示标志。
3.1.5 检查临时设施的搭建是否符合安全要求,如临时工棚、施工道路等。
3.2 挖孔桩设备检查3.2.1 检查挖孔机械设备的完好性,如是否存在漏油、断裂等情况。
3.2.2 检查挖孔机械设备的防护装置是否完善,如防护罩、安全门等。
3.2.3 检查挖孔机械设备的操作人员是否持有合法的操作证书。
3.2.4 检查挖孔机械设备周围是否有足够的通风和照明设施。
3.2.5 检查挖孔机械设备的稳定性和固定性,是否存在倾斜和晃动的情况。
3.3 人员安全检查3.3.1 检查施工人员是否佩戴个人防护装备,如安全帽、安全鞋等。
3.3.2 检查施工人员是否具备相关技能和培训证书。
3.3.3 检查施工人员是否了解自身的安全责任和应急预案。
4.安全检查结果记录4.1 记录施工现场安全检查的具体内容和发现的问题。
4.2 记录挖孔桩设备检查的结果,包括设备的完好性和操作人员的情况。
4.3 记录施工人员的安全检查情况,包括个人防护装备和技能培训情况。
5.安全整改措施5.1 根据安全检查结果,制定相应的整改措施。
5.2 指定责任人和整改时限。
5.3 监督和检查整改过程,确保问题得到解决。
人工挖孔桩防护检查记录范本1:人工挖孔桩防护检查记录1. 引言本旨在详细记录人工挖孔桩防护检查的内容。
人工挖孔桩是一种常用的基础施工方式,为确保施工安全与质量,必须进行严格的监护与检查。
本将根据检查内容进行细致分析和记录。
2. 桩体底部防护2.1 检查挖孔桩底部是否设有底板,底板尺寸是否符合设计要求。
2.2 检查底板与桩体的连接是否坚固,是否采取了适当的加固措施。
2.3 检查底板下方是否有适当的土石方填充,填充高度是否达到设计要求。
3. 桩体侧面支护3.1 检查桩体侧面是否设置了合适的防护措施,如防坍挡板、防护护筒等。
3.2 检查防护措施的固定是否坚固,是否存在松动或者脱落的情况。
3.3 检查防护措施的长度是否满足要求,是否能够有效保护桩体侧面。
4. 桩顶支护4.1 检查挖孔桩顶部是否设置了合适的支护措施,如暂时横梁、护筒等。
4.2 检查支护措施的固定是否可靠,是否存在松动或者脱落的情况。
4.3 检查支护措施是否满足安全要求,是否能够有效保护桩顶部。
5. 基坑边坡防护5.1 检查基坑周边是否设置了合适的边坡防护措施,如挡土墙、挡土坡等。
5.2 检查边坡防护措施的稳定性,是否有滑坡、塌方的迹象。
5.3 检查边坡防护措施与挖孔桩之间的协同性,是否能够有效防止地下水渗漏。
6. 监控与记录6.1 检查是否安装了适当的监控设备,如位移传感器、测斜仪等。
6.2 检查监控设备的状态,是否正常工作。
6.3 记录监控数据,包括位移、沉降等,以便及时发现问题。
7. 结论根据以上检查内容,判断挖孔桩防护工作是否合格。
如存在不合格的情况,应及时采取措施进行整改和修复,以确保施工安全与质量。
1. 罗列出本所涉及附件如下:- 挖孔桩设计图纸- 挖孔桩施工方案- 监控设备及数据记录2. 罗列出本所涉及的法律名词及注释:- 施工安全管理条例:指明了施工过程中的安全措施和管理要求。
- 挖孔桩:一种人工挖掘的基坑支护工程,采用桩体来支撑地基。
人工挖孔桩安全检查记录一、工程概况工程名称:_____施工地点:_____施工单位:_____本次检查的人工挖孔桩数量为_____根,桩径分别为_____,桩深为_____。
二、检查人员安全检查小组由项目经理_____、技术负责人_____、安全员_____、施工员_____等组成。
三、检查时间_____年_____月_____日四、检查内容及结果1、施工方案与技术交底施工方案是否经过审批,内容是否完整、可行,符合相关规范和标准。
技术交底是否落实到每一位作业人员,交底内容是否清晰、准确。
检查结果:施工方案经过审批,内容完整、可行。
技术交底已落实到每位作业人员,交底内容清晰、准确。
2、孔口防护孔口周边是否设置高于地面 30cm 的围护,是否牢固可靠。
孔口是否设置明显的警示标志。
检查结果:孔口周边围护高度符合要求,牢固可靠。
警示标志清晰、醒目。
3、孔内通风孔内是否配备有效的通风设备,通风时间是否满足要求。
通风设备是否正常运行,有无故障。
检查结果:孔内通风设备配备齐全,通风时间满足要求。
通风设备运行正常,无故障。
4、孔内照明孔内照明是否采用安全电压,灯具是否符合防爆要求。
照明线路是否架空或采取有效的防护措施。
检查结果:孔内照明采用安全电压,灯具符合防爆要求。
照明线路架空,防护措施到位。
5、孔内护壁护壁混凝土强度是否符合设计要求,护壁厚度是否满足规定。
护壁是否及时跟进,有无裂缝、脱落等现象。
检查结果:护壁混凝土强度符合设计要求,护壁厚度满足规定。
护壁及时跟进,无裂缝、脱落现象。
6、起吊设备起吊设备是否经过检测、验收,性能是否良好。
吊钩、吊绳等是否完好,有无磨损、断裂等情况。
检查结果:起吊设备经过检测、验收,性能良好。
吊钩、吊绳完好,无磨损、断裂情况。
7、作业人员个人防护作业人员是否佩戴安全帽、安全带等个人防护用品。
个人防护用品是否符合标准,是否正确使用。
检查结果:作业人员均佩戴安全帽、安全带等个人防护用品,且符合标准,使用正确。
人工挖孔桩安全检查记录
一、安全检查
1、检查挖孔桩机的固定装置是否完好无损,检查挖孔桩机的台腿是
否稳固,注意防止滑动危险。
2、检查挖孔桩机吊耳是否紧固,有无变形,有则需更换。
3、检查挖孔桩机的限位开关是否正常,有无异常噪音,若有,则需
更换限位开关。
4、检查挖孔桩机的钻铤是否完好无损,检查有无磨损现象,若有则
需更换。
5、检查挖孔桩机的升降电气系统是否正常工作,检查有无异常噪音,有则需更换驱动电机或电磁线圈。
6、检查挖孔桩机的控制系统是否正常工作,检查操作台上灯是否亮,检查操作台上按钮有无损坏情况,若有则需更换。
7、检查挖孔桩机的润滑系统是否畅通无阻,检查滑轮油和润滑油是
否添加,若有过期情况,则需及时更换油品。
8、检查挖孔桩机的发动机是否熄火,若有,则需更换和排放污染物。
9、检查挖孔桩机的操作设备是否完好无损,尤其是安全带,密封环
是否完好,若有损坏情况,则需及时更换。
10、检查操作现场是否有潜在危险因素,如桩基周围有无草及杂物,
有则需及时清理。
二、操作检查
1、检查操作者是否有持证上岗。
人工挖孔桩安全检查记录一:人工挖孔桩安全检查记录1. 概述本旨在详细记录人工挖孔桩的安全检查过程,确保施工过程中的安全性和合规性。
2. 施工前准备2.1 检查施工场地是否具备安全条件,周围是否有危险物品、障碍物等。
2.2 确认施工区域是否与周围建筑、设施保持安全距离,防止施工过程中对其造成影响。
2.3 确保施工人员已经接受必要的培训,了解施工过程中的安全操作要求。
3. 设备检查3.1 检查挖孔机械设备是否正常运行,液压系统是否无泄露。
3.2 检查起重机械设备是否经过合格检测,是否符合安全要求。
3.3 检查施工工具是否完好,并确保工作人员佩戴个人防护装备。
4. 挖孔过程安全控制4.1 在挖孔区域周围设置防护栏杆,标明施工警示标志,防止外界人员靠近施工现场。
4.2 在挖孔机械设备周围设置防护网,防止杂物、人员等误进入作业范围。
4.3 挖孔深度控制,确保不超过设计要求。
4.4 定期检查挖孔机械设备的液压系统,防止泄露或突发故障。
5. 安全防护措施5.1 确保施工人员佩戴安全帽、安全鞋等个人防护装备。
5.2 在施工现场设置灭火器等消防设备,应急时能迅速处置火灾等事故。
5.3 定期进行安全培训,提高施工人员的安全意识和紧急处理能力。
6. 现场记录6.1 记录挖孔的日期、时间、地点等基础信息。
6.2 记录施工过程中的安全隐患、紧急处理情况等。
附件:1、挖孔机械设备检查记录表2、施工现场安全检查表法律名词及注释:1、施工场地安全条件:指施工现场是否具备保证工作人员、设备和周围环境安全的条件。
2、液压系统无泄露:指挖孔机械设备的液压系统无液压油泄露,保证设备正常运行。
3、挖孔深度控制:指挖孔过程中,确保所挖孔的深度不超过设计要求。
二:人工挖孔桩安全检查记录1. 背景介绍本记录了人工挖孔桩在施工过程中的安全检查记录,旨在确保施工时的安全性和合规性。
2. 施工前准备2.1 检查施工现场的安全条件,包括检查周围是否有危险物品和障碍物等。
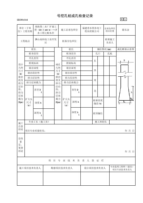
人工挖孔桩成孔隐蔽检查记录
一、概述
所挖孔桩位置为X村河道,洞口深度4.5m,下游距河道边缘1.5m,
下游距河面3.2m,桩筒内径0.5m,桩侧为抗拔桩,孔隐蔽检查距离河道
边缘1m,孔隐蔽检查距离河面2.7m,探检深度3.3m,距离河杆1m。
二、施工现场
1、工地环境
挖孔桩工程在X村河道,施工现场环境安全,现场周边以临时组织防
护措施。
2、工作准备
在施工前,现场应当有钻机、水泵、割簧锤、抗拔桩、水性耐力漆等
工具。
3、挖孔桩
①打桩:现场领班协调工人,采用手锤打桩,按照施工图纸要求的位
置完成桩孔;
②整平桩口:采用锤子整平桩口,保证桩口水平圆润,以便后续施工;
③向桩内和桩外均匀喷洒脲酸铝等耐力漆,以保护混凝土桩。
4、孔隐蔽检查
①现场领班协调工人,对桩侧进行抗拔桩,以保证桩侧位置稳固;
②使用水泵除去桩内水份;
③使用棒式探棄进行孔隐蔽检查,记录探头深度和抗拔桩深度,以及桩侧抗拔桩状态;
④使用棒式探棄测量桩侧抗拔桩后,进行数据比对,以确定抗拔桩位置是否符合要求;。
人工挖孔桩全过程质量平行检查记录检查项目一:基坑准备工作1.检查基坑是否按照设计要求进行挖掘,包括深度、宽度和坡度等。
2.检查基坑底部是否平整,无杂物和凸出物体。
3.检查基坑周边是否有坍塌风险,是否采取了相应的支护措施。
检查项目二:挖孔机械设备1.检查挖孔机械设备是否符合规定要求,是否经过定期维修和保养。
2.检查挖孔机械设备是否能够满足孔径和孔深的要求,是否能够控制孔的直径和垂直度。
3.检查挖孔机械设备是否设置了安全防护装置,例如挖孔机械设备的护栏和安全门等。
检查项目三:挖孔施工过程1.检查挖孔施工过程中是否按照设计要求进行操作,包括孔径、孔深和孔距等。
2.检查挖孔施工过程中是否控制好孔的直径和垂直度,是否有侧壁塌方、流砂和溜沙等情况。
3.检查挖孔施工过程中是否按照规定采取了排水措施,确保孔底无积水。
检查项目四:挖孔质量控制1.检查挖孔施工过程中是否采取了相应的质量控制措施,如挖孔机械设备的定位和调整,孔深的实时监控等。
2.检查挖孔施工过程中是否采取了相应的质量检测手段,如孔径的测量、孔深的测量、孔的垂直度的测量等。
3.检查挖孔施工过程中是否记录了关键数据,如孔深、孔径和垂直度等,是否有相关的质量记录和质量监测报告。
检查项目五:挖孔施工安全1.检查挖孔施工过程中是否设置了相关的安全警示标志和警示灯等。
2.检查挖孔施工过程中是否按照安全操作规程进行操作,是否佩戴了相应的个人防护装备。
3.检查挖孔施工过程中是否对周边设施和工人进行了保护,防止意外事故的发生。
检查项目六:挖孔完工验收1.检查挖孔完工后的孔口是否清理干净,无杂物和残渣。
2.检查挖孔完工后的孔底是否平整,无积水。
3.检查挖孔完工后是否对挖孔过程进行了总结和评估,是否有相关的验收报告。
以上是对人工挖孔桩全过程质量平行检查的记录。
通过对以上检查项目的严格把控和记录,可以确保人工挖孔桩施工过程的质量和安全,并及时发现和解决可能存在的问题,保证工程的顺利进行。
人工挖孔桩成孔验收记录日期:2024年4月10日施工单位:XXX建筑工程有限公司工地名称:XXX项目工地工程名称:XXX建筑项目一、项目概况本项目是为了支撑建筑物的基础结构而进行桩基施工,采用的是人工挖孔桩的方式。
挖孔桩的直径为1.2米,桩的深度为20米。
挖孔桩的设计采用钻进式施工方法,即在挖掘桩孔的过程中同时注入水泥浆体以维持土层的稳定。
二、验收目的本次验收的目的是为了检查人工挖孔桩的成孔质量是否符合设计要求,以及确认是否满足相关的技术规范和施工规程。
三、验收内容1.桩孔直径检查在验收过程中,首先检查了挖孔桩的直径。
通过使用钢卷尺测量了桩孔口的直径,结果表明直径为1.2米,符合设计要求。
2.桩孔深度检查随后,对桩孔的深度进行了检查。
使用了专用的测深仪器对桩孔底部的深度进行了测量,结果显示桩孔深度为20米,达到了设计要求。
3.桩孔的垂直度检查验收人员还对挖孔桩的垂直度进行了检查。
首先在桩孔顶部和底部各安装了两个垂直标杆,然后使用水平仪对标杆进行了测量。
结果显示,挖孔桩的垂直度误差在设计允许范围之内,符合相关要求。
4.桩孔质量检查验收人员对挖孔桩孔的质量进行了综合检查。
主要检查的内容包括土层是否稳定,桩孔边坡是否坍塌,以及桩孔底部是否存在松软土等不良情况。
经过观察和测量,未发现任何不良情况,桩孔质量良好。
四、验收结论根据以上检查结果,本次人工挖孔桩的成孔质量符合设计要求,满足相关的技术规范和施工规程。
桩孔直径、深度和垂直度均在设计范围内,并未发现任何不良情况。
因此,本次验收结论为合格。
五、存在的问题与改进措施在本次验收过程中,并未发现任何存在的问题。
为了进一步提高桩基施工的质量,今后在施工过程中,应加强对桩孔质量的检查和监控,确保每个工序都符合设计要求和规范要求。
六、备注本次验收记录将作为项目档案的一部分保存,并在工程竣工验收时提供给相关单位进行验收。
本次验收记录结束。
施工单位代表签字:__________________验收人签字:__________________。
人工挖孔桩安全检查记录(一)引言概述:人工挖孔桩是一种常用的地基处理方法,广泛应用于建筑工程中。
为了确保施工过程中的安全性,进行人工挖孔桩的安全检查是非常重要的。
本文将从施工前的准备工作、施工现场的安全措施、机械设备的使用情况、工人的个人防护以及施工过程中的安全问题等五个方面对人工挖孔桩进行安全检查记录。
一、施工前的准备工作:1. 检查施工现场的地基情况,确保没有地质隐患。
2. 确认所需挖孔桩的规格和数量,并准备相应的挖孔设备和工具。
3. 检查吊车的稳定性和安全装置,确保能够安全吊装挖孔设备。
4. 确保施工人员都接受了相关的安全培训,了解工作流程和紧急情况的应对措施。
5. 检查挖孔现场周围的环境,清除杂物和危险物品,确保施工现场整洁。
二、施工现场的安全措施:1. 布置安全警示标志,提醒施工人员和进入施工现场的其他人员注意安全。
2. 设立指定通道和工地围栏,控制人员和车辆进出施工区域。
3. 确保施工现场有足够的照明设备,以保证施工过程的可见度。
4. 配备灭火器和急救箱,并明确指示其位置,以备突发事件的处理。
5. 定期检查施工现场的安全措施,及时修复和更新设备,确保其可靠性。
三、机械设备的使用情况:1. 检查挖孔设备的外观状况,包括吊车、钻机等机械设备的稳定性和完好程度。
2. 检查机械设备的保养情况,包括润滑油、冷却液等的添加和更换。
3. 确保挖孔设备的使用人员经过专业培训,能够熟练操作和维护机械设备。
4. 定期对挖孔设备进行维护保养,检查机械零件的磨损情况,以确保其正常运行。
5. 在机械设备使用中注意安全,如佩戴安全帽、安全绳等,以防意外事故的发生。
四、工人的个人防护:1. 确保施工人员穿着符合安全标准的安全鞋、安全帽和工作服等个人防护装备。
2. 提供适当的呼吸防护设备,如防尘口罩或面具,以防止吸入有害颗粒。
3. 检查工人的体力状况和精神状态,确保施工过程中的人员安全。
4. 提供足够的休息时间,避免工人疲劳过度,增加意外事故的风险。
人工挖孔桩安全检查记录一、工程概述本次检查的人工挖孔桩工程位于_____(具体地点),属于_____(项目名称)的一部分。
该工程共计_____根挖孔桩,桩径为_____,桩深在_____至_____之间。
二、检查时间检查时间为_____年_____月_____日_____时_____分至_____时_____分。
三、检查人员检查人员包括:安全主管_____、施工员_____、安全员_____。
四、检查内容及结果1、施工设备与工具电动提升设备:检查了电动葫芦、卷扬机等提升设备的运行状况。
设备外观无明显损坏,刹车系统灵敏可靠,钢丝绳无断丝、磨损等情况。
通风设备:通风机运行正常,能够保证桩孔内空气流通。
但发现部分通风管道存在破损,已要求立即更换。
照明设备:照明灯具完好,亮度满足施工要求。
但部分线路存在老化现象,已安排电工进行更换。
2、孔口防护孔口周围设置了高于地面_____cm 的围栏,并悬挂了明显的警示标志。
但发现一处围栏有损坏,已及时修复。
孔口覆盖板牢固,无松动现象。
3、护壁施工护壁混凝土强度达到设计要求,无裂缝、脱落等现象。
护壁节段的搭接长度符合规范要求。
4、气体检测使用气体检测仪对桩孔内的气体进行了检测,未发现有害气体超标情况。
5、施工人员个人防护施工人员均佩戴了安全帽、安全带等个人防护用品,但有个别人员未正确系好安全带,已现场进行纠正和教育。
6、垂直运输吊桶、吊钩、吊绳等无破损,吊钩有保险装置。
物料吊运时,下方严禁站人,现场执行情况良好。
7、孔内排水孔内设置了有效的排水设施,能够及时排出积水。
8、临时用电配电箱设置符合规范要求,漏电保护器正常运行。
电线无拖地、乱拉乱接现象。
9、应急预案项目部制定了详细的应急预案,并在现场张贴。
应急救援物资配备齐全。
五、存在问题及整改措施1、部分通风管道存在破损。
整改措施:立即更换破损的通风管道,确保通风效果良好。
整改责任人:_____整改期限:_____年_____月_____日2、部分线路存在老化现象。