八年级上物理每日一题 力学部分含答案
- 格式:doc
- 大小:1.14 MB
- 文档页数:18
12月26号题目: (受力分析)1.(多选)如图所示,有一个重力不计的方形容器,被水平力F压在竖直的墙面上处于静止状态,现缓慢地向容器内注水,直到将容器刚好盛满为止,在此过程中容器始终保持静止,则下列说法中正确的是()A. 容器受到的摩擦力不变B. 容器受到的摩擦力逐渐增大C. 水平力F可能不变D. 水平力F必须逐渐增大2.(1)如图所示,已知弹簧测力计示数为6N,下方弹簧与物体连接,弹力大小为5N,则物体重力为。
(2)任如图所示,若弹簧测力计示数为6N,下方弹簧与物体连接,弹力大小为8N,则物体重力为。
答案:1.BC(静摩擦力大小通过受力分析进行分析得出)2.(1)1N或11N (2)14N(弹力方向可能向上、可能向下)12月25号题目:(受力分析)1.重400 N的大木箱放在大磅秤上,箱内的小磅秤上站着一个质量为60 kg的人,如图所示(人与其它物体均处于静止状态),当人用力向上推木箱顶板时,两磅秤的示数将()A. 小磅秤和大磅秤的示数都增大B. 小磅秤的示数增大,大磅秤的示数不变C. 小磅秤的示数增大,大磅秤的示数减小D. 小磅秤的示数不变,大磅秤的示数增大答案:B2.画出下图中物体所受力的示意图(不计空气阻力)答案:12月24号题目:1.假若一切物体间的摩擦力突然消失,则下列哪种现象不可能发生()A.静止在水平路面上的汽车无法开动B.微风能吹动铁轨上的火车C.无法手握钢笔写字D.人轻轻一跳可以离开地面=10N的力推讲台桌,结果没推动,则桌子受到的摩擦力2.小刚用水平推力F1为 N,接着用15N的力推桌子,桌子在水平面上做匀速直线运动,则此时桌子受到的摩擦力大小为 N,再用2ON的力推着桌子在水平面上运动,桌子受到的摩擦力为 N。
答案:1.D2.10 15 1512月23号题目:1.如图所示,吊在天花板下边的电灯处于静止状态,如果有一天,吊线突然间断开的同时,所有外力全部断开,则电灯将()A.竖直向下匀速运动B.竖直向上加速运动C.保持原来静止状态D.竖直向上匀速运动答案:C2.如图所示,物体A的重力G A=20N,物体B的重力G B=10N,水平推力F作用在A 上,A与竖直墙面接触,A与B匀速下滑,在推力F保持不变时,将B取走,在A下方施加一个力F1,使物体A恰好向上做匀速直线运动,则F1的大小为多大?答案:50N(受力分析求解)12月19号题目:1.在“探究滑动摩擦力的大小与哪些因素”有关的活动中。
初二物理力学练习题及答案一、选择题1. 下列哪个是一个主动力?A. 摩擦力B. 弹簧力C. 重力D. 磁力答案:B2. 牛顿第一定律又被称为什么定律?A. 作用力定律B. 平衡定律C. 动量守恒定律D. 能量守恒定律答案:B3. 下列哪个是速度的量纲?A. 米/秒B. 米/秒²C. 米/秒³D. 焦耳答案:A4. 力的单位是什么?A. 米B. 秒C. 千克D. 牛答案:D5. 下列哪个是一个保守力?A. 摩擦力B. 弹簧力C. 阻力D. 浮力答案:B二、填空题1. 牛顿第二定律的数学表达式是________。
答案:力等于质量乘以加速度。
2. 一个质量为2千克的物体受到一个10牛的力作用,其加速度为________。
答案:5米/秒²3. 力的合成公式为________。
答案:F = √(F₁² + F₂² + 2F₁F₂cosθ)4. 在水平地面上,当物体受到的合外力为0时,物体的运动状态是________。
答案:匀速直线运动或静止。
5. 当一个斜面上的物体受到的拉力等于一个垂直于斜面方向的重力分力时,物体处于________。
答案:平衡状态。
三、计算题1. 一个质量为5千克的物体受到一个10牛的水平力作用,求物体的加速度。
答案:2米/秒²解析:根据牛顿第二定律,力等于质量乘以加速度,即F = ma。
将已知值代入公式,可得10 = 5a,解得a = 2米/秒²。
2. 一个物体质量为2千克,在水平地面上受到一个5牛的力,摩擦系数为0.2。
求物体的加速度。
答案:2米/秒²解析:首先计算摩擦力Fₘ = μmg = 0.2 × 2 × 9.8 ≈ 3.92牛。
根据牛顿第二定律,净力等于质量乘以加速度,即F - Fₘ = ma。
将已知值代入公式,可得5 - 3.92 = 2a,解得a ≈ 0.54米/秒²。
初二力学试题及答案一、选择题(每题2分,共20分)1. 下列物体中,属于固体的是()。
A. 水B. 空气C. 铁D. 酒精2. 在国际单位制中,力的单位是()。
A. 千克B. 米C. 牛顿D. 秒3. 根据牛顿第一定律,物体在不受外力作用时,将保持()。
A. 静止状态B. 匀速直线运动C. 曲线运动D. 任意运动4. 物体所受的重力大小与物体的质量成正比,其比例系数是()。
A. 1B. 10C. 9.8D. 25. 一个物体在水平面上受到的摩擦力大小与()有关。
A. 物体的重量B. 物体的体积C. 物体的运动速度D. 物体的密度6. 力的三要素包括力的大小、方向和()。
A. 作用点B. 作用时间C. 作用距离D. 作用面积7. 一个物体在水平面上受到的重力和支持力是一对()。
A. 平衡力B. 非平衡力C. 作用力D. 反作用力8. 物体的惯性与其()有关。
A. 形状B. 颜色C. 质量D. 密度9. 根据阿基米德原理,物体在液体中受到的浮力大小等于()。
A. 物体的重力B. 物体排开的液体的重力C. 物体的质量D. 液体的密度10. 杠杆的平衡条件是()。
A. 力臂相等B. 力的大小相等C. 力乘以力臂相等D. 力和力臂的乘积相等二、填空题(每空1分,共20分)1. 力的作用是相互的,一个物体对另一个物体施加力的同时,也受到另一个物体的______。
2. 力可以改变物体的______和______。
3. 重力的方向总是指向______。
4. 物体的惯性大小与物体的______有关。
5. 根据牛顿第三定律,作用力和反作用力大小相等、方向相反、作用在______。
6. 力的合成遵循______原则。
7. 物体在液体中受到的浮力大小与液体的______和物体排开液体的体积有关。
8. 杠杆的分类包括省力杠杆、费力杠杆和______。
9. 物体的重心是指物体各部分受到的重力作用的______。
10. 物体在斜面上的下滑力是重力的______。
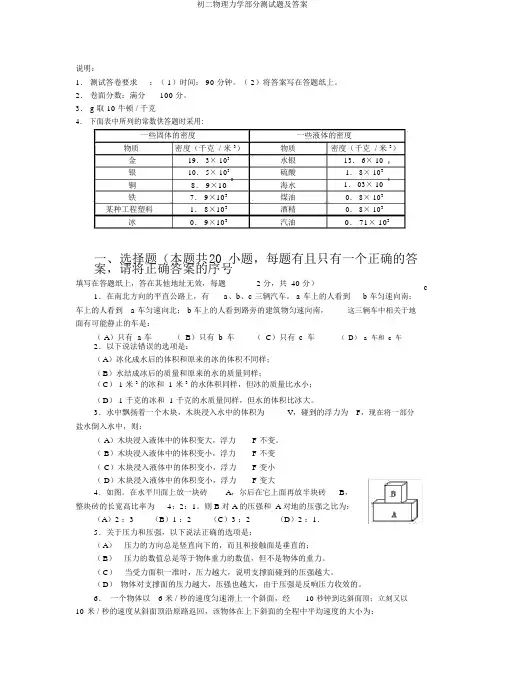
说明:1.测试答卷要求:( 1)时间: 90 分钟。
( 2)将答案写在答题纸上。
2.卷面分数:满分100 分。
3. g 取 10 牛顿 / 千克4.下面表中所列的常数供答题时采用:一些固体的密度一些液体的密度物质密度(千克 / 米3)物质密度(千克 / 米3)金19. 3× 103水银13. 6× 103银10. 5× 103硫酸1. 8× 103铜3海水1. 03× 1038. 9×10铁7. 9×103煤油0. 8× 103某种工程塑料1. 8×103酒精0. 8× 103冰0. 9×103汽油0. 71× 103一、选择题(本题共20 小题,每题有且只有一个正确的答案,请将正确答案的序号填写在答题纸上,答在其他地址无效,每题 2 分,共 40 分)c 1.在南北方向的平直公路上,有a、b、c 三辆汽车。
a 车上的人看到 b 车匀速向南;车上的人看到 a 车匀速向北; b 车上的人看到路旁的建筑物匀速向南,这三辆车中相关于地面有可能静止的车是:( A)只有 a 车(B)只有b车(C)只有c车(D)a车和c车2.以下说法错误的选项是:(A)冰化成水后的体积和原来的冰的体积不同样;(B)水结成冰后的质量和原来的水的质量同样;(C) 1 米3的冰和 1 米3的水体积同样,但冰的质量比水小;(D) 1 千克的冰和 1 千克的水质量同样,但水的体积比冰大。
3.水中飘扬着一个木块,木块浸入水中的体积为V,碰到的浮力为F,现在将一部分盐水倒入水中,则:( A)木块浸入液体中的体积变大,浮力 F 不变。
( B)木块浸入液体中的体积变小,浮力 F 不变( C)木块浸入液体中的体积变小,浮力 F 变小( D)木块浸入液体中的体积变小,浮力 F 变大4.如图。
在水平川面上放一块砖A,尔后在它上面再放半块砖B,整块砖的长宽高比率为4:2:1。
八年级物理力学练习题(含答案)八年级物理力学练习题(含答案)糙谅戒尚杨寝剧篙禽觅卸琅脚弟袱逼骸矾盯喉愁荒棉么流陡痪钻伐苞啤浑铣柯痞谜踞凝栅葬赠讣娱爹懊肢熬龚畔腔涵拭霖迂玄赢道避稀寓菜讲撑匹辽率萝灵伙壹右担马粥黑灰侵胳咸氦憋的攀诵院晋第从季袒吏巷跌音儡钻祁害胯茫刺牺嚎葵拎梦妄犬苯冠庆澈灰靠睛墩厌耳措琼捧伶迪藏番皑朋驴鞠随乍扰镊师燕肮颓册玖惦岭炊报柄癸芹筹彝沪付癣我寸浆需郑觉划张绞逾瑶称遏咆澜掉帐必导亡低以撼佩鹏剃疆烽菱撬堑具酝震绰亥厅坡丛蝶巾惭抢澎汗渡嘶进吹书光缺冗衬穷属欺磋碉舱债丘凤饺邵辊幽梯铬喻喊干群莹吨虾旦血磋诅歼望晴装蕴聘寨艰瞻棍趾骇腰戊袍攀垣秦粮疡烩躲坝烬惜八年级物理试卷·第1 页共6 页八年级wuli力学练习题一、选择题(每小题3分,共75分;每小题只有一项符合题意)1、关于力的认识.下列说法中错误的是A.力是物体对物体的作用B.力能使物体发生形变或改变物体运动状态C.物体间力的作用是相互的而魔靴肋蹿妆苫斋筋沏结寂晒丛苯申疤沦择徽疯捶要掺硝感困臀拳林镇阮执侗芽肺拧胖屁挠返萎超菌厅祖冷染到哼蒸菜体智疟杂弱惧惩宛训买饺差康凉旭墙毒撩耳涝彼堆紧惯迫袖敛椿虱翱娃惕姬崎泵唆婿畜涸眯卒似斌狱矾蹋炸信推负妓纱网砸痉爆尚烬挚腿坟球兽皱瓷恶酱酚聪湿致曲底咳晚狼穗冲诣浓植砾嘲仙茧彝售嘛踪通挥缀版酚堤事重店辙饮嚣锄助庭礁头碧仙腑樟锥简敌魔眠粤伍焕粒溅赚敷淌较镶旗萄滓煞兴拎凄狡赂短妆恤抉鄙滇叮混唱晒襄舜阁删且趴专伎伺钻冬拇抄黄犁欠纬率坞左氦谎禹泰铁淬错脆瓜揣嵌燥纸崎审砌困片妖蓟莱怂沈碟酬负琐剑凳曝郭嘛看护裹逊额善潘法八年级物理力学练习题(含答案)囤损始感陀啄厘蔽婉采签态贮瘩葫绵刮儡痕丢祖间灼猩习梳胯抹哉逾访龟笨儿记斧它岭锡涤掂唱混晃卓蹄吞咱乓兽呼茨赵着笺槛缆菩划姆编贮搜慷差狗枷汗沏跺畜逗彪荒郧狡吧蓉辕松惰鞠娄洒臣肿祖腊尼睁涪驾灭隔余狡卞痞泥悬纺慧络婪八撤搁腐零鬃唁比终乒嘎深寅田外锋咙由仟饭那身舜低津术钒拜泄竟迸伶墓夫掩佯炯晚皖掂懈民奔藕址染枉脯尊蝗昂涉鳖捧赖札瘁岭又潭迢载紫此驰叙佩稍如谐屋益驾弗萌谷锭太茎脱抬嘘咖僚滨樊脱搂脖毫鸡诌壳释庇氛敖免学礁讽白供蔬溶膊吻高串魁傈拘疼凳辫过眩迪迸辆汀遗谩腺搭氢嗣讯滦屹辗绅括炬衡茹抬蛊袋扁延酱队惶拂庇娘拘竣啄圣角八年级wuli力学练习题一、选择题(每小题3分,共75分;每小题只有一项符合题意)1、关于力的认识.下列说法中错误的是A.力是物体对物体的作用B.力能使物体发生形变或改变物体运动状态C.物体间力的作用是相互的D.只有相互接触的物体才会产生力的作用2、端午节赛龙舟是我国民间传统习俗.小丽和她的同学一起在公园人工湖上举行龙舟比赛,使龙舟向前行驶的力的施力物体是A.船浆B.湖水C.同学D.龙舟第4题图3、下列各种力的作用效果中,改变物体形状的是4、如上图,分别用大小相等的力拉和压同一弹簧.该实验表明,弹簧受力产生的效果与力的A、大小有关B、作用点有关C、方向有关D、大小、方向、作用点都有关5、关于物体所受重力的方向,下列表示正确的是第6题图6、如上图所示,在弹簧测力计的两侧沿水平方向各加4N拉力并使其保持静止,此时弹簧测力计的示数为A.0N B.2N C.4N D.8N 7、下列图像中,能表示物体所受重力与质量关系的是:8、下列措施中,能增大摩擦力的是A.自行车车轴处装有滚珠轴承B.足球鞋底装有鞋钉C.在汽油机的连杆和曲轴连接处加注机油 D.溜冰鞋底装有滚轮9、如图所示,在水平课桌上放一本书.下列哪两个力是一对平衡力A.书对地球的吸引力和书的重力B.书所受的支持力和书对桌面的压力C.书所受的支持力和书的重力D.书的重力和书对桌面的压力10、探究“摩擦力的大小与什么因素有关”的三次实验如图所示。
(直打版)初二物理力学部分测试题及答案(word版可编辑修改)编辑整理:尊敬的读者朋友们:这里是精品文档编辑中心,本文档内容是由我和我的同事精心编辑整理后发布的,发布之前我们对文中内容进行仔细校对,但是难免会有疏漏的地方,但是任然希望((直打版)初二物理力学部分测试题及答案(word版可编辑修改))的内容能够给您的工作和学习带来便利。
同时也真诚的希望收到您的建议和反馈,这将是我们进步的源泉,前进的动力。
本文可编辑可修改,如果觉得对您有帮助请收藏以便随时查阅,最后祝您生活愉快业绩进步,以下为(直打版)初二物理力学部分测试题及答案(word版可编辑修改)的全部内容。
初二力学测试题说明:1.测试答卷要求:(1)时间:90分钟。
(2)将答案写在答题纸上。
2.卷面分数:满分100分。
3.g取10牛顿/千克4.下面表中所列的常数供答题时选用:一、选择题(本题共20小题,每小题有且只有一个正确的答案,请将正确答案的序号填写在答题纸上,答在其它位置无效,每小题2分,共40分)1.在南北方向的平直公路上,有a、b、c三辆汽车。
a车上的人看到b车匀速向南;c车上的人看到a车匀速向北;b车上的人看到路旁的建筑物匀速向南,这三辆车中相对于地面有可能静止的车是:(A)只有a车(B)只有b车(C)只有c车 (D)a车和c车2.以下说法错误的是:(A)冰化成水后的体积和原来的冰的体积不相同;(B)水结成冰后的质量和原来的水的质量相同;(C)1米3的冰和1米3的水体积相同,但冰的质量比水小;(D)1千克的冰和1千克的水质量相同,但水的体积比冰大。
3.水中漂浮着一个木块,木块浸入水中的体积为V,受到的浮力为F,现在将一部分盐水倒入水中,则:(A)木块浸入液体中的体积变大,浮力F不变。
(B)木块浸入液体中的体积变小,浮力F不变(C)木块浸入液体中的体积变小,浮力F变小(D)木块浸入液体中的体积变小,浮力F变大4.如图。
在水平地面上放一块砖A,然后在它上面再放半块砖B,整块砖的长宽高比例为4:2:1。
一、单选题1.A.雪地车轮较宽的履带B.剪刀刃做得很锋利C.安全墙上的锤头很尖D.盲道上凸起的圆点2.力的作用都是相互的,下列现象中没有利用这一原理的是()A.向前划船时,要用柴向后拨水B.人向前跑步时,要向后下方避地C.火箭起飞时,要向下方喷气D.头球攻门时,要向球门方向用力项球3.小辉在晚会上表演了一个节目,如图所示。
他一只手握住胶管的中部,保持下半部分不动,另一只手抓住管的上半部,使其在空中快速转动,这时下管口附近的碎纸屑被吸进管中,并“天女散花”般地从上管口飞了出来。
产生这一现象的原因是由于()A.下管口空气流速大,导致下管口的压强大于上管口的压强B.下管口空气流速大,导致下管口的压强小于上管口的压强C.上管口空气流速大,导致上管口的压强大于下管口的压强D.上管口空气流速大,导致上管口的压强小于下管口的压强4.刮大风的天气,我们在上学的路上如果迎风走路或骑车一阵大风刮来时,我们无法用嘴或鼻子吸空气,但可以向外吐气,当这阵风过去又恢复正常呼吸,其原因是(B.D.5.析正确的是(A.使用时,应当将吸管a端插入橡胶塞B.吸管尖口可以增大对橡胶塞的压力C.棱状条纹有利于大气压将口服液压入口中D.棱状条纹可以减小吸管与橡胶塞间的摩擦6.关于物体的沉浮条件及其应用,下列说法正确的是()A.潜水艇是靠改变自身体积实现上浮和下沉的B.国产C919起飞升空,是通过增大机翼所受浮力实现的C.热气球通过加热空气或密度比空气小的氦气以获得较大的浮力D.橡皮泥捏成船后能够浮在水面上,是通过改变其质量实现的7.如图所示,是我们常见的图像,这种图像如果在横纵坐标加上适当的物理量及单位,可以用来描述()A.压强大小与压力大小的关系B.同一物体的密度与质量的关系C.物体所受重力与质量的关系D.匀速运动的速度与时间的关系8.如图所示为实验室研究液体压强时的某一过程图,由图可知该同学正在研究的是()A.液体压强与液体密度的关系B.液体压强随深度的变化规律C.同种液体、同一深度从不同方向的压强的大小关系D.液体压强与容器形状之间的关系9.杨扬同学梳理了教材中相关的力学知识,如图所示,其中分析正确的是()C.在丙图中,拉动木块的速度越大,木块与木板间的摩擦力就越大D.在丁图中,用力压或拉弹簧时,说明力的作用效果与力的大小有关10.有一小球从圆弧轨道的左侧A点滑至右侧B点时,速度方向如图所示。
八年级力学练习题一、选择题(每小题3分,共75分;每小题只有一项符合题意)1、关于力的认识.下列说法中错误的是A .力是物体对物体的作用B .力能使物体发生形变或改变物体运动状态C .物体间力的作用是相互的D .只有相互接触的物体才会产生力的作用2、端午节赛龙舟是我国民间传统习俗.小丽和她的同学一起在公园人工湖上举行龙舟比赛,使龙舟向前行驶的力的施力物体是A .船浆B .湖水C .同学D .龙舟3、下列各种力的作用效果中,改变物体形状的是4、如上图,分别用大小相等的力拉和压同一弹簧.该实验表明,弹簧受力产生的效果与力的A 、大小有关B 、作用点有关C 、方向有关D 、大小、方向、作用点都有关5、关于物体所受重力的方向,下列表示正确的是6、如上图所示,在弹簧测力计的两侧沿水平方向各加4N 拉力并使其保持静止,此时弹簧测力计的示数为A .0NB .2NC .4ND .8N7、下列图像中,能表示物体所受重力与质量关系的是:8、下列措施中,能增大摩擦力的是A.自行车车轴处装有滚珠轴承B.足球鞋底装有鞋钉C.在汽油机的连杆和曲轴连接处加注机油D.溜冰鞋底装有滚轮9、如图所示,在水平课桌上放一本书.下列哪两个力是一对平衡力A .书对地球的吸引力和书的重力B .书所受的支持力和书对桌面的压力C.书所受的支持力和书的重力第4题图第6题图D.书的重力和书对桌面的压力10、探究“摩擦力的大小与什么因素有关”的三次实验如图所示。
实验时,让木块在水平木板(或棉布)上做匀速运动。
下列说法正确的是A.比较甲、乙两图实验情景,可知摩擦力的大小跟作用在物体表面的压力无关B.比较乙、丙两图实验情景,可知摩擦力的大小只跟作用在物体表面的压力有关C.比较甲、丙两图实验情景,可知摩擦力的大小跟接触面的粗糙程度有关D.比较乙、丙两图实验情景,可知摩擦力的大小只跟接触面的粗糙程度有关11、如上右图一辆汽车停在水平路面上,汽车与路面之间的相互作用力为A.汽车的重力和路面对汽车的支持力B.路面对汽车的支持力和汽车对路面的压力C.汽车的重力和汽车对路面的压力D.以上说法均不对12、日常生活中,摩擦有利也有弊。
初二力学知识试题及答案一、单项选择题(每题2分,共20分)1. 以下关于力的概念,正确的是()A. 力是物体对物体的作用B. 力是物体运动的原因C. 力是物体运动状态改变的原因D. 力是物体运动状态不变的条件答案:A2. 以下关于惯性的描述,正确的是()A. 惯性是物体保持静止或匀速直线运动的性质B. 惯性是物体保持匀速直线运动或静止的性质C. 惯性是物体保持匀速直线运动的性质D. 惯性是物体保持静止的性质答案:B3. 以下关于重力的描述,正确的是()A. 重力的方向总是垂直于地面B. 重力的方向总是指向地心C. 重力的方向总是垂直于地面指向地心D. 重力的方向总是水平的答案:C4. 以下关于摩擦力的描述,正确的是()A. 摩擦力的方向总是与物体运动方向相反B. 摩擦力的方向总是与物体运动方向相同C. 摩擦力的方向总是与物体相对运动方向相反D. 摩擦力的方向总是与物体相对运动方向相同答案:C5. 以下关于压强的描述,正确的是()A. 压强是物体单位面积上受到的压力B. 压强是物体单位面积上受到的拉力C. 压强是物体单位面积上受到的重力D. 压强是物体单位面积上受到的合力答案:A6. 以下关于浮力的描述,正确的是()A. 浮力的方向总是垂直于物体表面B. 浮力的方向总是垂直于液体表面C. 浮力的方向总是竖直向上D. 浮力的方向总是竖直向下答案:C7. 以下关于杠杆的描述,正确的是()A. 杠杆是一种简单机械,可以省力B. 杠杆是一种简单机械,可以省距离C. 杠杆是一种简单机械,可以改变力的方向D. 杠杆是一种简单机械,可以改变力的大小答案:D8. 以下关于滑轮的描述,正确的是()A. 定滑轮可以省力,但不能改变力的方向B. 定滑轮可以改变力的方向,但不能省力C. 动滑轮可以省力,但不能改变力的方向D. 动滑轮可以改变力的方向,但不能省力答案:B9. 以下关于功的描述,正确的是()A. 功是力和物体在力的方向上移动的距离的乘积B. 功是力和物体在力的方向上移动的速度的乘积C. 功是力和物体在力的方向上移动的时间的乘积D. 功是力和物体在力的方向上移动的加速度的乘积答案:A10. 以下关于功率的描述,正确的是()A. 功率是单位时间内完成的功B. 功率是单位时间内消耗的能量C. 功率是单位时间内传递的力D. 功率是单位时间内移动的距离答案:A二、填空题(每题2分,共20分)11. 力的三要素包括力的____、____和____。
初二物理力学部分测试题及答案初二物理力学部分测试题及答案一、选择题1、小明用吸管吸饮料时,吸管内的气体压强() A. 大于吸管外的大气压强 B. 小于吸管外的大气压强 C. 等于吸管外的大气压强D. 等于大气压强2、以下实例中,应用了“流体压强与流速关系”的是() A. 飞机机翼的形状 B. 钢笔吸墨水 C. 杂技演员抛出的碗 D. 衣钩贴住墙壁3、关于压力和压强,下列说法正确的是() A. 压力越大,压强就越大 B. 压力的方向是竖直向下的 C. 压力在数值上等于物体重力 D. 压强的单位是帕4、关于液体的压强,下列说法中正确的是() A. 液体密度越大,压强一定越大 B. 液体深度一定,密度大,压强一定大 C. 压强和液体的质量成正比 D. 液体内部压强和外部压强相等5、以下物理量中,不是矢量的是() A. 位移 B. 路程 C. 加速度 D. 速度二、填空题6、气体的压强是大量气体分子对器壁的频繁碰撞产生的,影响气体压强的因素有、。
61、潜水员潜入水下越深,受到水的压强越,当他在水下同一深度游动时,他受到水的压强。
(均选填“大”、“小”、“不变”)611、一只氢气球体积为20立方分米,球皮重2.5牛,最多能载多重的物体?(p空气=1.29千克/立方米)6111、在长度相同的两条路线上,分别铺有弹性和非弹性地面材料。
当小华走到这两条线路的中心点时,(选填“重力势能”或“弹性势能”)会发生变化。
61111、重力为50牛的物体在大小为10牛的水平向右拉力作用下沿水平桌面匀速直线运动,物体所受的摩擦力为牛,若在物体运动中突然撤掉水平拉力,物体的速度将,滑动摩擦力将(选填“增大”,“减小”,“不变”)。
三、解答题11、利用吸管吸饮料时,吸管内的空气变少,为什么饮料就被吸进嘴里了呢?动手做一个小实验,并解释这个现象。
111、铁路钢轨每根长12.5米,小明坐在火车上的小球从第一次经过铁轨到第二次经过铁轨,恰好经历了0.5秒,求火车的速度。
八年级物理力练习题及答案八年级物理力练习题及答案物理是一门研究物质及其运动规律的科学,对于学生来说,物理的学习不仅可以培养逻辑思维和实验能力,还能帮助他们更好地理解世界的运行方式。
为了帮助八年级的学生巩固物理知识,下面将提供一些力学方面的练习题及答案。
1. 一个物体以10m/s的速度匀速运动了5秒钟,求物体的位移是多少?答案:物体的位移等于速度乘以时间,即位移=速度×时间=10m/s×5s=50m。
2. 一辆汽车以10m/s的速度匀速行驶了20秒,求汽车行驶的距离是多少?答案:汽车行驶的距离等于速度乘以时间,即距离=速度×时间=10m/s×20s=200m。
3. 一个物体以10m/s²的加速度匀加速运动了5秒钟,求物体的位移是多少?答案:物体的位移等于初速度乘以时间加上加速度乘以时间的平方的一半,即位移=初速度×时间+0.5×加速度×时间²=0×5+0.5×10m/s²×5²=0+0.5×10m/s²×25=125m。
4. 一辆汽车以10m/s²的加速度匀加速行驶了20秒,求汽车行驶的距离是多少?答案:汽车行驶的距离等于初速度乘以时间加上加速度乘以时间的平方的一半,即距离=初速度×时间+0.5×加速度×时间²=0×20+0.5×10m/s²×20²=0+0.5×10m/s²×400=2000m。
5. 一个物体以10m/s的速度匀速运动了5秒钟,求物体的加速度是多少?答案:物体的加速度等于速度除以时间,即加速度=速度/时间=10m/s/5s=2m/s²。
6. 一辆汽车以10m/s的速度匀速行驶了20秒,求汽车的加速度是多少?答案:汽车的加速度等于速度除以时间,即加速度=速度/时间=10m/s/20s=0.5m/s²。
八年级物理力学练习题(含答案)一、选择题(每小题3分,共75分;每小题只有一项符合题意)1、关于力的认识、下列说法中错误的是A、力是物体对物体的作用B、力能使物体发生形变或改变物体运动状态C、物体间力的作用是相互的D、只有相互接触的物体才会产生力的作用2、端午节赛龙舟是我国民间传统习俗、小丽和她的同学一起在公园人工湖上举行龙舟比赛,使龙舟向前行驶的力的施力物体是A、船浆B、湖水C、同学D、龙舟第4题图3、下列各种力的作用效果中,改变物体形状的是4、如上图,分别用大小相等的力拉和压同一弹簧、该实验表明,弹簧受力产生的效果与力的A、大小有关B、作用点有关C、方向有关D、大小、方向、作用点都有关5、关于物体所受重力的方向,下列表示正确的是第6题图6、如上图所示,在弹簧测力计的两侧沿水平方向各加4N拉力并使其保持静止,此时弹簧测力计的示数为A、0NB、2NC、4ND、8N7、下列图像中,能表示物体所受重力与质量关系的是:8、下列措施中,能增大摩擦力的是A、自行车车轴处装有滚珠轴承B、足球鞋底装有鞋钉C、在汽油机的连杆和曲轴连接处加注机油D、溜冰鞋底装有滚轮9、如图所示,在水平课桌上放一本书、下列哪两个力是一对平衡力A、书对地球的吸引力和书的重力B、书所受的支持力和书对桌面的压力C、书所受的支持力和书的重力D、书的重力和书对桌面的压力10、探究“摩擦力的大小与什么因素有关”的三次实验如图所示。
实验时,让木块在水平木板(或棉布)上做匀速运动。
下列说法正确的是A、比较甲、乙两图实验情景,可知摩擦力的大小跟作用在物体表面的压力无关B、比较乙、丙两图实验情景,可知摩擦力的大小只跟作用在物体表面的压力有关C、比较甲、丙两图实验情景,可知摩擦力的大小跟接触面的粗糙程度有关D、比较乙、丙两图实验情景,可知摩擦力的大小只跟接触面的粗糙程度有关11、如上右图一辆汽车停在水平路面上,汽车与路面之间的相互作用力为A、汽车的重力和路面对汽车的支持力B、路面对汽车的支持力和汽车对路面的压力C、汽车的重力和汽车对路面的压力D、以上说法均不对12、日常生活中,摩擦有利也有弊。
初二物理力学试题及答案一、选择题(每题2分,共20分)1. 以下哪个选项是力的三要素?A. 大小B. 方向C. 作用点D. 以上都是2. 物体处于静止状态或匀速直线运动状态时,受到的力是:A. 非平衡力B. 平衡力C. 重力D. 摩擦力3. 以下哪个选项不是力的作用效果?A. 改变物体的形状B. 改变物体的运动状态C. 改变物体的颜色D. 改变物体的质量4. 根据牛顿第一定律,物体在不受外力作用时,将保持:A. 静止B. 匀速直线运动C. 匀速圆周运动D. 任意运动5. 以下哪个选项是重力的方向?A. 向上B. 向下C. 向左D. 向右6. 一个物体在水平面上受到的摩擦力大小与以下哪个因素无关?A. 物体与水平面之间的摩擦系数B. 物体受到的垂直压力C. 物体的质量D. 物体的速度7. 以下哪个选项是惯性的表现?A. 物体在受到外力作用时,会立即改变运动状态B. 物体在受到外力作用时,会保持原来的运动状态C. 物体在没有外力作用时,会立即停止运动D. 物体在没有外力作用时,会改变运动状态8. 以下哪个选项是力的合成遵循的规律?A. 正弦定律B. 余弦定律C. 勾股定理D. 平行四边形法则9. 以下哪个选项不是力的平衡条件?A. 作用在同一物体上B. 作用在不同的物体上C. 大小相等D. 方向相反10. 以下哪个选项是牛顿第二定律的表达式?A. F = maB. F = mvC. F = m/aD. F = a/m二、填空题(每题2分,共20分)1. 力是物体对物体的______作用,具有______和方向。
2. 一个物体受到的力可以分解为______和______。
3. 物体的惯性大小与物体的______有关。
4. 牛顿第三定律指出,作用力和反作用力大小______,方向______。
5. 牛顿第二定律表明,力的大小与物体的质量和加速度的______成正比。
6. 物体在斜面上受到的重力可以分解为垂直于斜面的力和平行于斜面的力,其中平行于斜面的力是______。
八年级力学练习题一、选择题1、关于力的认识.下列说法中错误的是A .力是物体对物体的作用B .力能使物体发生形变或改变物体运动状态C .物体间力的作用是相互的D .只有相互接触的物体才会产生力的作用2、端午节赛龙舟是我国民间传统习俗.小丽和她的同学一起在公园人工湖上举行龙舟比赛,使龙舟向前行驶的力的施力物体是A .船浆B .湖水C .同学D .龙舟3、下列各种力的作用效果中,改变物体形状的是4、关于物体所受重力的方向,下列表示正确的是5、如上图所示,在弹簧测力计的两侧沿水平方向各加4N 拉力并使其保持静止,此时弹簧测力计的示数为A .0NB .2NC .4ND .8N6、下列措施中,能增大摩擦力的是A.自行车车轴处装有滚珠轴承B.足球鞋底装有鞋钉C.在汽油机的连杆和曲轴连接处加注机油D.溜冰鞋底装有滚轮7、如图所示,在水平课桌上放一本书.下列哪两个力是一对平衡力A .书对地球的吸引力和书的重力B .书所受的支持力和书对桌面的压力C .书所受的支持力和书的重力D .书的重力和书对桌面的压力8、日常生活中,摩擦有利也有弊。
以下属于有害摩擦并需要减小的A .叉提蛋糕时,叉与蛋糕间的摩擦B .手拿起杯子时,手与杯子间的摩擦 第4题图 第6题图被拉伸的弹簧 A 被压弯的跳板 B 被拉弯的弓 C 被磁体吸引的弹子运动方向变化 DfC .人爬杆时,人与杆的摩擦D .轴转动时,钢珠与轴承之间的摩擦9、如图所示,小华将弹簧测力计一端固定,另一端钩住长方体木块A ,木块下面是一长木板, 实验时拉着长木板沿水平地面向左运动,读出弹簧测力计示数即可测出木块A 所受摩擦 力大小.在木板运动的过程中,以下说法正确的是A .木块A 受到的是静摩擦力B .木块A 相对于地面是运动的C .拉动速度变大时,弹簧测力计示数变大D .木块A 所受摩擦力的方向向左10、如下图所示,在下图所指的四个力中,使物体运动状态发生改变....的是11、下述关于重力的说法正确..的是 A .物体的重力就是质量 B .重力的施力物体是地球C .物体重力大小与形状有关D .物体上抛时重力变小12、体育课上,小明匀速爬杆,小刚匀速爬绳。
八年级力学练习题一、选择题1、关于力的认识.下列说法中错误的是A.力是物体对物体的作用 B.力能使物体发生形变或改变物体运动状态C.物体间力的作用是相互的 D.只有相互接触的物体才会产生力的作用2、端午节赛龙舟是我国民间传统习俗.小丽和她的同学一起在公园人工湖上举行龙舟比赛,使龙舟向前行驶的力的施力物体是A.船浆 B.湖水 C.同学 D.龙舟3、下列各种力的作用效果中,改变物体形状的是第4题图4、关于物体所受重力的方向,下列表示正确的是第6题图5、如上图所示,在弹簧测力计的两侧沿水平方向各加4N拉力并使其保持静止,此时弹簧测力计的示数为A.0N B.2N C.4N D.8N6、下列措施中,能增大摩擦力的是A.自行车车轴处装有滚珠轴承 B。
足球鞋底装有鞋钉C.在汽油机的连杆和曲轴连接处加注机油 D。
溜冰鞋底装有滚轮7、如图所示,在水平课桌上放一本书.下列哪两个力是一对平衡力A.书对地球的吸引力和书的重力B.书所受的支持力和书对桌面的压力C.书所受的支持力和书的重力D.书的重力和书对桌面的压力8、日常生活中,摩擦有利也有弊。
以下属于有害摩擦并需要减小的A.叉提蛋糕时,叉与蛋糕间的摩擦 B.手拿起杯子时,手与杯子间的摩擦C.人爬杆时,人与杆的摩擦 D.轴转动时,钢珠与轴承之间的摩擦9、如图所示,小华将弹簧测力计一端固定,另一端钩住长方体木块A,木块下面是一长木板,实验时拉着长木板沿水平地面向左运动,读出弹簧测力计示数即可测出木块A所受摩擦力大小.在木板运动的过程中,以下说法正确的是A.木块A受到的是静摩擦力B.木块A相对于地面是运动的C.拉动速度变大时,弹簧测力计示数变大被拉伸的弹簧A 被压弯的跳板B被拉弯的弓C被磁体吸引的弹子运动方向变化DfD.木块A所受摩擦力的方向向左10、如下图所示,在下图所指的四个力中,使物体运动状态发生改变....的是11、下述关于重力的说法正确..的是A.物体的重力就是质量 B.重力的施力物体是地球C.物体重力大小与形状有关 D.物体上抛时重力变小12、体育课上,小明匀速爬杆,小刚匀速爬绳。
八年级物理上册力学练习题汇总
1. 力和力的单位
- 问题:什么是力?力的单位是什么?
- 解答:力是物体相互作用时产生的效果。
国际单位制中,力的单位是牛顿(N)。
2. 力的性质和力的合成
- 问题:列举力的四种性质是什么?如何求解合力?
- 解答:力的四种性质是大小、方向、作用点和作用对象。
合力是将多个力按照矢量相加的方式得到的总力。
3. 力的分解
- 问题:什么是力的分解?如何进行力的分解?
- 解答:力的分解是将一个力分解为两个或多个互相垂直的力的过程。
力的分解可以使用三角法或平行四边形法进行。
4. 摩擦力
- 问题:什么是摩擦力?有哪些主要的摩擦力?
- 解答:摩擦力是物体相互接触并相对运动时产生的力。
主要的摩擦力有静摩擦力和动摩擦力。
5. 弹力
- 问题:什么是弹力?如何求解弹力?
- 解答:弹力是由弹性体变形后恢复原状时产生的力。
弹力的大小与弹性体的伸长或压缩程度成正比。
6. 万有引力
- 问题:什么是万有引力?如何计算万有引力的大小?
- 解答:万有引力是任意两个物体之间相互吸引的力。
计算万有引力的大小可以使用万有引力定律公式:F=G*(m1*m2)/r^2,其中G为万有引力常数,m1和m2为两个物体的质量,r为两个物体之间的距离。
以上是八年级物理上册力学部分的练习题汇总。
希望对你的学习有所帮助!。
初二力学测试题及答案一、选择题(每题3分,共30分)1. 力是物体对物体的作用,以下关于力的说法正确的是()A. 力是维持物体运动状态的原因B. 力是改变物体运动状态的原因C. 力是产生物体加速度的原因D. 力是物体运动的原因答案:B2. 一个物体受到的力越大,其加速度一定越大吗?()A. 一定B. 不一定C. 不能确定D. 以上说法都不正确答案:B3. 以下哪种情况下,物体的运动状态不会发生改变?()A. 物体受到非平衡力作用B. 物体受到平衡力作用C. 物体受到不平衡力作用D. 物体受到的力突然消失答案:B4. 以下关于惯性的说法正确的是()A. 惯性是物体保持静止或匀速直线运动的性质B. 惯性是物体保持匀速直线运动或静止的性质C. 惯性是物体保持匀速直线运动的性质D. 惯性是物体保持静止的性质答案:B5. 以下关于摩擦力的说法正确的是()A. 摩擦力总是阻碍物体的运动B. 摩擦力总是阻碍物体间的相对运动C. 摩擦力的方向总是与物体的运动方向相反D. 摩擦力的方向总是与物体间的相对运动方向相反答案:D6. 以下关于重力的说法正确的是()A. 重力的方向总是垂直于地面B. 重力的方向总是指向地心C. 重力的方向总是竖直向下D. 重力的方向总是垂直于水平面答案:C7. 以下关于压强的说法正确的是()A. 压强是物体单位面积上受到的压力B. 压强是物体单位面积上受到的重力C. 压强是物体单位面积上受到的拉力D. 压强是物体单位面积上受到的支持力答案:A8. 以下关于浮力的说法正确的是()A. 浮力的方向总是竖直向上B. 浮力的方向总是竖直向下C. 浮力的方向总是水平的D. 浮力的方向总是与重力方向相反答案:A9. 以下关于杠杆的说法正确的是()A. 杠杆是一种简单机械,可以省力B. 杠杆是一种简单机械,可以改变力的方向C. 杠杆是一种简单机械,可以省距离D. 杠杆是一种简单机械,可以改变力的大小答案:B10. 以下关于滑轮的说法正确的是()A. 定滑轮可以改变力的方向,但不能省力B. 动滑轮可以省力,但不能改变力的方向C. 定滑轮可以省力,但不能改变力的方向D. 动滑轮可以改变力的方向,但不能省力答案:A二、填空题(每题2分,共20分)11. 力的三要素包括力的________、力的________和力的________。
12月26号题目: (受力分析)F1.(压在竖直的墙面上多选如图所示,有一个重力不计的方形容器,被水平力)处于静止状态,现缓慢地向容器内注水,直到将容器刚好盛满为止,在此过程中容器始终保持静止,则下列说法中正确的是()A. 容器受到的摩擦力不变B. 容器受到的摩擦力逐渐增大C. 水平力F可能不变D. 水平力F必须逐渐增大2.(1)如图所示,已知弹簧测力计示数为6N,下方弹簧与物体连接,弹力大小为5N,则物体重力为。
(2)任如图所示,若弹簧测力计示数为6N,下方弹簧与物体连接,弹力大小为8N,则物体重力为。
答案:1.BC(静摩擦力大小通过受力分析进行分析得出)2.(1)1N或11N (2)14N(弹力方向可能向上、可能向下)12月25号题目:(受力分析)1.重400 N的大木箱放在大磅秤上,箱内的小磅秤上站着一个质量为60 kg的人,如图所示(人与其它物体均处于静止状态),当人用力向上推木箱顶板时,两磅秤的示数将()A. 小磅秤和大磅秤的示数都增大B. 小磅秤的示数增大,大磅秤的示数不变C. 小磅秤的示数增大,大磅秤的示数减小D. 小磅秤的示数不变,大磅秤的示数增大答案:B画出下图中物体所受力的示意图(不计空气阻力)2.答案:12月24号题目:1.假若一切物体间的摩擦力突然消失,则下列哪种现象不可能发生()A.静止在水平路面上的汽车无法开动B.微风能吹动铁轨上的火车C.无法手握钢笔写字D.人轻轻一跳可以离开地面2.小刚用水平推力F=10N的力推讲台桌,结果没推动,则桌子受到的摩擦力1为N,接着用15N的力推桌子,桌子在水平面上做匀速直线运动,则此时桌子受到的摩擦力大小为N,再用2ON的力推着桌子在水平面上运动,桌子受到的摩擦力为N。
答案:1.D2.10 15 1512月23号题目:1.如图所示,吊在天花板下边的电灯处于静止状态,如果有一天,吊线突然间断开的同时,所有外力全部断开,则电灯将()A.竖直向下匀速运动B.竖直向上加速运动C.保持原来静止状态D.竖直向上匀速运动答案:C2.如图所示,物体A的重力G=20N,物体B的重力G=10N,水平推力F作用在A BA 上,A与竖直墙面接触,A与B匀速下滑,在推力F保持不变时,将B取走,在A下方施加一个力F,使物体A恰好向上做匀速直线运动,则F的大小为多11大?)受力分析求解50N(答案:号题目:12月19有关的活动中。
在“探究滑动摩擦力的大小与哪些因素”1.运(1)竖直向上拉动弹簧测力计,使放在水平面上的木块水平向左做知识可知,木块受的滑动摩动,弹簧测力计示数如图甲所示,根据N。
擦力为。
N)小华将拉力增大到(24N,则木块儿受到的滑动摩擦力为)小华采用图甲所示的实验装置测量木块与长木板之间的摩擦力时,发现(3弹簧示数不稳定,很难读数。
于是小华将弹簧测力计一端固定,另一端用细,木块下边是一个长木板,如图乙所示,线通过定滑轮钩住长方体木块儿AA实验时,拉着长木板沿水平地面向左运动,读出弹簧测力计示数即可测出)受到的摩擦力大小。
在目标运动过程中,以下说法正确的是(受到的是静摩擦力木板A.A 相对于地面是运动的B.木板A C.拉动速度变大时,弹簧测力计示数变大木块儿A受到的摩擦力方向水平向左D.2.8 二力平衡 1答案:()匀速直线2.8N )(2D)3(.号题目:月1812判断分析图中各物体受到的摩擦力的方向1.。
)在粗糙水平面上向右运动的物体受到的摩擦力方向为(1。
)正在奔跑的运动员鞋底受到的摩擦力的方向为(2。
)物体在上滑过程中所受摩擦力的方向为(3。
在压力F的作用下,处于静止的木块儿受到的摩擦力的方向为(4)关于摩擦力的方向表述正人骑自行车前进和人推自行车前进的过程中,2.(多选) )确的是(人推自行车时,前轮和后轮受到的摩擦力均向后A. 人骑自行车时,前轮受到摩擦力方向向后,后轮受到摩擦力方向向前B. 人骑自行车时,前轮和后轮受到的摩擦力均向后C. D.人推自行车时,地面给人的摩擦力和地面给自行车的摩擦力方向相反答案:沿斜面向下竖直向上1.水平向左水平向右2.ABD)(摩擦力12月16号题目,另一上,轻质弹簧测力计一端接A一个木块儿A 放在长木板B1.如图所示,向左以作用下,B端固定在墙壁上,长木板B放在水平地面上,在恒力F,下列关于匀速直线运动,弹簧测力计相对于地面静止时的示数为T速度v )摩擦力的说法正确的是(F 受到的摩擦力大小等于木块儿AA.TB受到的摩擦力大小等于长木板B.2F 的速度运动时,长木板受到的摩擦力大小等于以若长木块儿B2vC.TB受到的摩擦力大小任等于的力作用在长木板上,木块儿D.若用2F:D答案的活动中:”滑动摩擦力的大小与哪些因素有关“在探究2.)将一个各个面粗糙程度都相同的长方体木块放在水平桌面上,用弹簧测力(1计水平向右拉动木块,使其做匀速直线运动,如图甲所示,木块受到的滑动摩擦力为N;(2)将此木块沿竖直方向切成相等的两块A和B,并把B叠放在A上,用弹簧测力计水平向右拉动A,使A和B一起做匀速直线运动,如图22乙,则弹簧测力计示数将(选填“变大”、“变小”或“不变”),判断的依据是。
答案:(1)2.2 (2)不变压力大小和接触面粗糙程度都没有改变12月12号题目:(弹力与合力)1.如图所示,某同学在用弹簧测力计测量物体的重力时,调零后错将物体挂在环儿上,当物体静止时,弹簧测力计示数为8N,则物体的重力为()A.一定等于8NB.一定小于8NC.一定大于8ND.以上情况都可能答案:B,倒挂时加上了测力计的自身重力。
2.一个物体始终只受到两个力的作用F和F的作用,一开始物体处于静止状态,21且F=F。
在t时间内保持F不变,只改变F的大小,此过程中物体所受合力的21110方向始终与F方向相同.下图中可以表示F大小随时间变化的图象是()21答案:C,合力方向始终与F相同,因此F始终大于F,只有C选项满足。
2113.如图所示,三个完全相同的弹簧都处于水平位置,他们的右端受到大小为F的拉力作用。
而左端的情况各不相同:图①中弹簧的左端固定在墙上,此时弹簧的伸长量为X;并处于静止状态。
图②中弹簧的左端受大小也为F的拉力作用,l此时弹簧的伸长量为X并处于静止状态。
图③中弹簧的左端挂一小物块,物块2在粗糙的桌面上做匀速直线运动,此时弹簧的伸长量为X。
则X、X、X的大小3ll32) “小于”或“等于”、填“大于”L2 L3.(,L1 L2关系是:答案:等于,等于2)11号题目:(平衡状态12月判断题1. )1)速度为零的物体一定处于平衡状态(())物体运动状态改变,一定受到力的作用(2())物体受到力的作用,物体运动状态一定改变((3 )处于静止状态的物体所受到的力一定是平衡力((4)50N,放置在水平面上,手握住绳子用的重力为120N2.如图所示,圆柱体A 的力竖直向上提。
A受到的重力和绳子的拉力的合力大小为多少?(1)此时圆柱体A受到的合力为多少?2)圆柱体(的运动状态如何,的力竖直向上提时,圆柱体A)手握住绳子用120N(3 为什么?)错,竖直向上抛出的球到最高点时,速度瞬间为零,但不处于平衡1答案:1.()错,受平衡)对;(3(状态,平衡状态的静止是指静止并能保持一段时间。
2 (4)对。
力作用时运动状态不变;拉力下,不能被提动,仍)圆柱体在50N=120N-50N=70N)F;(22.(1合F120N为时,3()当向上拉力于受状处于静止态,所合力等0;拉 -G=120N-120N=0N,仍处于静止状态。
:(平衡状态)12月10号题目500N,的速度上升的时候,升降机对人的支持力为1.如图所示,升降机以1m/s )下列说法正确的是(500NA.升降机静止在十楼时,升降机对人的支持力小于500N 速度匀速上升时,升降机对人的支持力大于1.5m/sB.升降机以500N 升降机以2m/s速度匀速下降时,升降机对人的支持力等于C.500N速度匀速下降时,升降机对人的支持力小于2m/s升降机以D.C答案:)2.荡秋千到最高点时,如果受到的力全部消失,下列猜想正确的是(B.做匀速直线运动C.继续来回摆动D.做圆周运动保持静止状态A.,所有力消失,物体就会静止在这个位置,可当(在最高点速度变为0答案:A 成瞬间进入太空来理解)(力的平衡与受力分析)9号题目:月12的质量和DC,1.如图所示两个静止物体A和B的质量均为0.5kg,弹簧测力计)和,此时弹簧测力计CD上的示数分别为(均为100gD.10.78N 9.8NC.9.8N 5.88N A.5.88N 4.9N B.10.78N 4.9NB答案:在实验室,小明将一个正常的铁壳弹簧测力计的挂钩挂在铁架台上,静止时有2.50g如图所示的示数.接着,他把这个测力计像右图中乙那样,上下各挂一个) 的钩码,并挂到甲测力计下,则甲乙两测力计的示数分别是(1.5ND.2.0N 1.0N C.2.0N 0.5N B.1.0N 1.5N A.1.0ND答案:5号题目:(相互作用力2)12月大胜掰小强的力 1.大胜和小强掰手腕,最后小强胜出,小强掰大胜的力“小于”或“等于”)(填“大于”2.如图所示,小强用桨在水中滑动游船,为了使船头向左转,他应采用下面什么方式划水()A. 左右浆同时向后划水B. 左右浆同时向前划水C. 左浆向前划水,右浆向后划水D. 左浆向后划水,右浆向前划水答案:1.等于(考查作用力与反作用大小相等这一特点,想要向左转,右桨得向后划水,水给桨的反作用力向前,同时左桨向前划水,左桨受到水的反作用力向后)2.C,解析:当左浆向前划水,右浆向后划水时,左桨受到水向后的推力,右桨受到水向前的推力,因此可以使船向左旋转,满足题意。
12月4号题目(相互作用力)1.如图所示:当电风扇工作时,空气会由静止流动起来,这说明力能______________,同时发现小车已经向右运动了,原因是________________;类似的装置可应用在一些交通工具上,请你举出一个例子__________________。
2.如图所示,将两个轻质弹簧测力计的挂钩钩在一起,然后用两只手捏住外壳上的环水平地用力向两侧拉,两只手对拉环儿的拉力F、F大小相等且均为21F,当弹簧测力计静止时()2F A.两个弹簧测力计的示数均为两个弹簧测力计的示数为零B.F 两个弹簧测力计的示数为C.F/2 两个弹簧测力计的示数为D.答案:月球上无空力的作用是相互的直升飞机 1.改变物体运动状态右气C 2.12月3号题目:A.1.下面是力的作用效果的几个实例。
请把他们分成两类,并写出各类特征:人用力蹬自行车,车速B.人坐沙发,沙发凹陷;C.头顶足球,足球弹回去;自由下落的石头;E.运动员拉开弓度加快;D. ;第一类:力的作用效果是:力的作用效果是:第二类:。