水中墩专项施工方案钢板桩围堰
- 格式:docx
- 大小:168.69 KB
- 文档页数:31
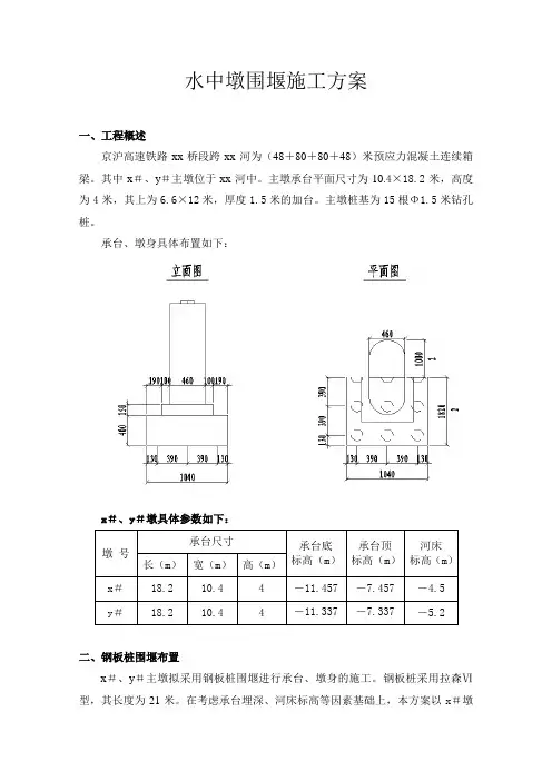
水中墩围堰施工方案一、工程概述京沪高速铁路xx桥段跨xx河为(48+80+80+48)米预应力混凝土连续箱梁。
其中x#、y#主墩位于xx河中。
主墩承台平面尺寸为10.4×18.2米,高度为4米,其上为6.6×12米,厚度1.5米的加台。
主墩桩基为15根Φ1.5米钻孔桩。
承台、墩身具体布置如下:x#、y#墩具体参数如下:二、钢板桩围堰布置x#、y#主墩拟采用钢板桩围堰进行承台、墩身的施工。
钢板桩采用拉森Ⅵ型,其长度为21米。
在考虑承台埋深、河床标高等因素基础上,本方案以x#墩为例,对钢板桩围堰的施工进行详细叙述。
钢板桩的具体布置如下图:三、钢板桩围堰施工方案(一)、插打钢板桩前的准备工作1、每个墩的钻孔桩完成后,移走钻机,清理钻孔平台,钻孔平台留作水下浇注封底砼的工作平台使用;2、对河床进行清理:在桩基施工完成后,对围堰范围内河床进行清理,避免在钢板桩插打位置遇到障碍物;3、钢板桩变形检查:因钢板桩在装卸、运输过程会出现撞伤、弯扭及锁口变形等现象,因此,钢板桩在插打前有必要对其进行变形检查。
对变形严重的钢板桩进行校正并做销口通过检查。
锁口检查方法:用一块长约2米的同类型、同规格的钢板桩作标准,采用卷扬机拉动标准钢板桩平车,从桩头至桩尾作锁口通过检查,对于检查通过的投入使用,不合格的再进行校正或淘汰不用。
钢板桩的其它检查:剔除钢板桩前期使用后表面因焊接钢板、钢筋留下的残渣瘤;4、振动锤检查:振动锤是打拔钢板桩的关键设备,在打拔前一定要进行专门检查,确保线路畅通,功能正常,振动锤的端电压要达到 380-420 V,而夹板牙齿不能有太多磨损;5、涂刷黄油混合物油膏:为了减少插打时锁口间的摩擦和减少钢板桩围堰的渗漏,在钢板桩锁口内涂抹黄油混合物油膏(重量配合比为沥青:黄油:滑石粉:锯末=4:6:10:1)。
(二)、钢板桩围堰的插打钢板桩插打利用50t吊车作为起吊设备,配合DZ90型振动锤的施工方法逐片插打。
水中墩钢板桩围堰施工方案在水利水电建设和海洋工程中,水中墩钢板桩围堰施工是一项重要工程,其施工方案的合理性和有效性对工程质量和进度具有至关重要的影响。
下面将介绍水中墩钢板桩围堰施工的具体方案。
1. 工程概况水中墩钢板桩围堰工程位于XX河道,全长XX米,主要包括桩基处理、围堰基础沉管、围堰板桩的沉管和固定及围堰板桩安装等工序。
2. 施工前准备在进行水中墩钢板桩围堰施工前,需全面检查施工设备的工作状态,准备充分,并制定详细的施工计划书。
对施工现场进行勘测,确定围堰结构的具体位置和布置。
3. 桩基处理1.桩基处理前,必须清理桩基周围的杂物和淤泥,保持桩基周围清洁;2.桩位打桩前,在桩基的预定位置打衩,并使用泥浆桩船将桩位附近的淤泥吹除;3.使用合适的打桩机具进行桩基打桩,确保桩的稳固和垂直性;4. 围堰板桩安装1.沉管安装完毕后,根据围堰板桩的尺寸和设计要求,使用专用设备将板桩吊装到沉管端口处,并逐步沉入水底;2.确保板桩与地基之间的连接紧密,使用专用工具将板桩连接牢固;3.对围堰板桩进行调整,保证整体结构的垂直性和水平性;4.完成围堰板桩的安装后,进行围堰结构的检查,确保每个连接点均符合设计要求。
5. 施工安全1.施工中要保证施工人员的安全,必须穿戴好相应的安全防护装备;2.严格执行施工流程,避免操作失误导致事故发生;3.严格遵守相关施工规范和操作规程。
通过以上方案的施工,水中墩钢板桩围堰工程能够顺利进行,并最终达到设计要求,保障工程质量和进度。
以上是水中墩钢板桩围堰施工方案的详细介绍,希望能够为相关工程提供一定的参考和指导。
钢板桩围堰施工方案一、工程简介新建连镇铁路正线跨宁启铁路特大桥于DK241+165.777 处采用32m 简支梁跨越邵仙河。
1078#墩、1079#墩为双线圆端形实体桥墩,墩高 27.85m、27.35m 。
承台为两级承台,一级承台尺寸为10.3×10.3×3m;二级承台尺寸为 5.3×9.1×1.5m ;桩基采用钻孔灌注桩,设计为摩擦桩,1078#共9根,桩径1.5m,桩长42.5m ;1079#共9根,桩径1.5m,桩长40m;1078#、1079#位于河道中,为水中墩,桥墩位置与河岸的关系见下图。
图7.1 1078#墩、1079#墩与河岸位置关系示意图二、邵仙河水文特征实测邵仙河河面宽36m (含河滩宽度),水深2~3m 左右,航道现状等外级航道。
设计通航最高水位为4.33m。
每年7 月底至次年6 月初为枯水期,在此期间施工较为有利。
桥址区地表水对钢筋混凝土具无氯盐侵蚀性。
桥址处河道现状如下:图7.2 桥址现状图三、地震参数根据国家标准《中国地震动参数区划图》(GB18306-2001),场地地震动峰值加速度为0.15g,相应的地震基本烈度为七度,地震动反应谱特征周期分区为1 区,场地类别为Ⅲ类,地震动反应谱特征周期值为0.45。
四、地质概况水中墩承台位于河床内的地质情况较好,围堰钢板桩涉及的地层均为粉质粘土。
自河床往下土层统计详见下表:表7.4 水中墩承台所处地质统计表五、施工工期计划表7.5 工期计划表六、机械投入计划表7.6 机械设备投入计划表七、材料投入计划表7.7 跨邵仙河1078# 、1079#墩(单个)钢板桩围堰数量表八、围堰设计方案正线跨宁启铁路特大桥跨邵仙河处为32m 简支梁结构,1078#、1079#墩位于邵仙河河道中。
承台平面为正方形,长宽10.3m*10.3m。
1078#墩承台底面标高为-5.685m,1079#墩承台底面标高为-5.384m,承台高为4.5m 。
xx河大桥水中墩施工专项方案(木桩围堰+钢板桩)xx河大桥水中墩施工专项方案(木桩围堰+钢板桩)目录一、编制依据 (1)二、编制原则 (1)三、工程概况 (1)四、水中墩施工组织 (2)(一)工期目标 (2)(二)人员配置 (2)(三)机械设备投入情况 (5)五、水中墩施工方案 (5)(一)木桩围堰填土筑岛 (5)(二)填筑水中便道 (6)(三)桩基施工 (6)(四)钢板桩围堰施工 (10)(五)承台和墩身施工 (19)六、水中墩施工质量保证措施 (22)(一)质量保证体系 (22)(二)质量管理措施 (22)(三)技术保障措施 (23)七、文明施工与环境保护措施 (26)(一)文明施工和环境保护体系 (26)(二)现场文明施工措施 (26)(三)环境保护措施 (26)八、安全保证措施 (27)(一)安全保证体系 (27)(二)安全防范重点 (28)(三)各主要项目安全措施 (28)九、冬季和夜间施工保证措施 (31)(一)冬季施工保证措施 (31)(二)冬季施工组织管理 (31)(三)冬季不间断施工保证措施 (32)(四)夜间施工保证措施 (33)善后河大桥水中墩施工专项方案一、编制依据招标文件、招标工程量清单国家、交通部现行的建设施工规范、验收标准、安全规则及施工指南等《204国道连云港新浦至灌南段改扩建工程善后河大桥施工图设计》《公路工程技术标准》(JTG B01-2014)《公路勘测规范》(JTJ C10-2007)《公路桥涵施工技术规范》(JTG/T F50-2011)《钢筋焊接及验收规范》(JGJ018-2012)《江苏省普通国省干线公路建设标准化指南》《江苏省干线公路建设文明标准化管理实施指导意见》《公路工程质量检验评定标准》(JTG F80/1-2004)二、编制原则1、坚持科学性、先进性、经济性与合理性、实用性相结合的原则。
采用先进的施工技术、科学的组织方法,合理的安排顺序,推动企业技术进步。
水中墩承台施工(钢板桩)1、水中墩承台施工技术方案简述水中墩承台的施工,根据设计图纸结合实际地质、地形条件,一般采用回填土筑岛围堰法、搭设平台钢板桩围堰法、钢板桩围堰内填土筑岛法三种主要施工方法进行水中墩的施工。
搭设平台钢板桩围堰法一般适用于跨河面较宽、水较深的水中墩施工,其主要施工内容包括:先搭临时栈桥接近墩位,再搭设水上施工平台。
在水上施工平台上安装钻机进行钻孔桩施工,钻孔桩施工完成后,沿承台周围插打钢板桩围堰(钢板桩围堰也可与水上施工平台同时施工),钢板桩围堰尺寸一般为(长(a+3)m ×宽(b+3)m),吸泥清淤至承台底以下的标高,对承台底以下用混凝土进行封底,边抽水边施工钢板桩型钢围檩及钢管(或型钢)支撑,施工承台,最后拆除钢板桩围堰。
钢板桩围堰一般用拉森Ⅲ或拉森Ⅳ型钢板。
常见钢板桩围堰见图1~2。
图1 钢板桩围堰布置图(一)2605601240说明:1:图中尺寸除标高以米计外,余均以厘米计。
2:钢板桩围堰施工顺序:①先定位、打1-2边的导桩,在导桩上焊接2[10支撑。
各水平支撑顶标高相同。
②在水平支撑上安放导梁,调整导梁的内边距板桩轴线的距离为15.6cm,即两 导粱内边的净距为31.2cm。
调整完毕后,焊接导梁于支撑上。
③打钢板桩。
第一根钢板桩的位置必须准确,保证两个垂直方向的垂直度。
然 后打其他钢板桩。
④按以上施工顺序打1-4、2-3边的钢板桩。
⑤打3-4合拢边的钢板桩。
⑥钢板桩顶面须齐平。
3:主要材料数量: ①钢板桩:Larssen-Ⅲa标准型:L=15m,124根;Larssen-Ⅲa异型(转角):L=15m,4根; 合计:128根/套。
②Ⅰ28b导桩:L=12m/根,12根。
③导粱:Larssen-Ⅲa标准型:外侧:L=15m外侧,4根;内侧:1根(周转); Ⅰ28b:L=12.080m/根,1根。
3564.3643559.0093570.9043552.469y(E)x(N)3105.0843094.5483101.9323112.468点号坐标13234Larssen-Ⅲ路线中心线60560412338 号 墩 右 幅 承 台Ⅰ2865Larssen-Ⅲ784Larssen-ⅢⅠ--Ⅰ727.713500.64亚粘土亚砂土-3.71-4.600基桩封底 砼粘 土淤泥3.19水流方向 3.94承 台-4.600-0.3773.123Ⅱ--ⅡⅠ钢板桩顶设计标高Ⅰ28施工时水位9.310.4ⅠLarssen-ⅢⅠ282[10支撑45606206201001400210212.31500图2 围堰布置图(二)2、钢板桩围堰施工方法 2.1、钢板桩围堰施工工艺流程钢板桩围堰施工工艺流程见图3。
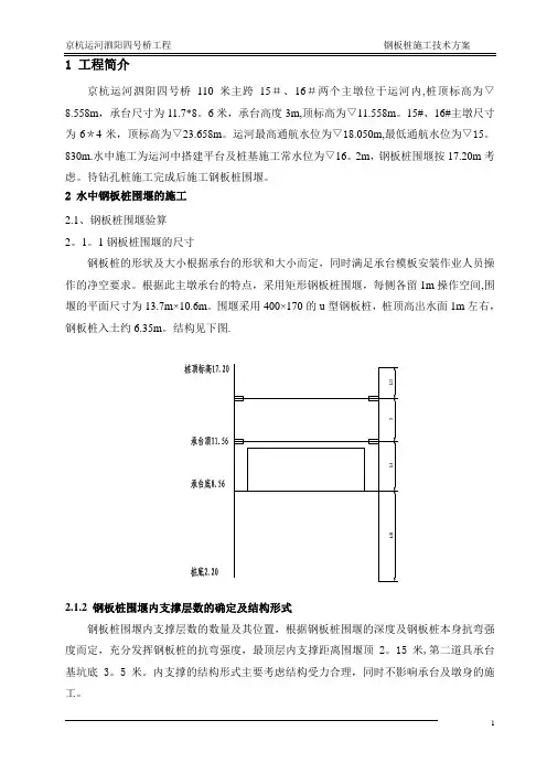
京杭运河泗阳四号桥110米主跨15#、16#两个主墩位于运河内,桩顶标高为▽8.558m,承台尺寸为11.7*8。
6米,承台高度3m,顶标高为▽11.558m。
15#、16#主墩尺寸为6*4米,顶标高为▽23.658m。
运河最高通航水位为▽18.050m,最低通航水位为▽15。
830m.水中施工为运河中搭建平台及桩基施工常水位为▽16。
2m,钢板桩围堰按17.20m考虑。
待钻孔桩施工完成后施工钢板桩围堰。
2 水中钢板桩围堰的施工2.1、钢板桩围堰验算2。
1。
1钢板桩围堰的尺寸钢板桩的形状及大小根据承台的形状和大小而定,同时满足承台模板安装作业人员操作的净空要求。
根据此主墩承台的特点,采用矩形钢板桩围堰,每侧各留1m操作空间,围堰的平面尺寸为13.7m×10.6m。
围堰采用400×170的u型钢板桩,桩顶高出水面1m左右,钢板桩入土约6.35m。
结构见下图.2.1.2 钢板桩围堰内支撑层数的确定及结构形式钢板桩围堰内支撑层数的数量及其位置,根据钢板桩围堰的深度及钢板桩本身抗弯强度而定,充分发挥钢板桩的抗弯强度,最顶层内支撑距离围堰顶2。
15米,第二道具承台基坑底3。
5米。
内支撑的结构形式主要考虑结构受力合理,同时不影响承台及墩身的施工。
根据主墩承台的埋深及承台高度,为便于施工,钢板桩围堰设2道内支撑:每道内支撑结构形式一致,承受钢板桩传递的水压力和土压力及施工荷载产生的土压力,围楞采用4根Ⅰ25a工字钢拼接组合,水平内支撑采用300*10mm钢管内支撑形式如下图。
2。
2、钢板桩围堰的结构验算2.2。
1基本数据(1)钢板桩截面特性型号(宽度×高度) 有效宽度W1mm有效高度H1mm腹板厚度tmm单根材每米板面截面面积cm2理论重量kg/m惯性矩Ixcm4截面模量Wxcm3截面面积cm2理论重量kg/m2惯性距Ixcm4截面模量Wxcm3400×170400 170 15.5 96。
探究水中墩钢板桩围堰施工钢板桩围堰经常应用于桥梁水中墩低桩承台施工中,在桥梁施工中起重要作用。
实践证明,钢板桩围堰技术施工简便、效率高、成本低、止水效果满足要求,可以在不同地质条件下应用,本文以某一施工工程为例,详细阐述了水中墩钢板桩围堰施工技术要点。
标签:钢板桩围堰;施工工艺1.工程概况沪宁城际八标新孟河特大桥,主要跨越滠水河。
该桥连续梁主墩为水中主墩。
承台尺寸为13.4m×12.6m×4.0m。
主墩处河床面高程约15m,水位为20m时水深5m。
滠水河在桥位处的水位由下游橡胶坝蓄水或泄水调节,水位最低时与长江水位平,水位最高时由长江水倒灌控制。
根据岩土工程勘察报告,土层分布由上至下依次为:淤泥层,黑色,层厚 1.5m;松散细砂,黄色、层厚 1.3m;松散中砂及粗砂(70%),含少量卵石,层厚1.55m;松散粗砂(70%)及卵石(30%),层厚3.72m;松散粗砂(60%)及卵石(40%),层厚 2.27m;中密粗砂(60%)及卵石(40%),层厚2.48m;中风化基岩。
2.施工前准备施工前需对钢板桩、钢管桩等材料进行全面检查,钢板桩检验标准如下:桩垂直度<1%;桩身弯曲度<2%L;全数进行短桩通过试验检查锁口,不合格的要进行整修,严重的禁止使用。
检查桩身无裂纹或损伤,管头无锈蚀、油污等。
施打前,为保证钢板桩顺利插拔,并增加防渗性能,每片钢板桩锁口都须均匀涂以混合油,其体积配合比为黄油:干膨润土:干锯沫=5:5:3。
3.钢桩板围堰施工工艺3.1修建平台,钻孔施工采用单层拉伸钢板桩筑岛围堰的方式施工,首先降2米河堤土层,向河中填土修建钻孔平台,平台长度约18m左右,宽度为14m,坡度为5%。
靠近河侧插打一排木桩,减缓水流对平台土层的冲刷程度。
平台修建好后首先进行钻孔桩施工。
钻孔桩采用回旋钻成孔,导管法灌注水下混凝土。
成孔后浇筑混凝土不应等太长时间,防止塌孔。
主墩桩长超过40m,按照设计要求,桩长超过40m的桩基需进行超声波检测。
水中墩钢板桩围堰施工工艺及注意事项水中墩钢板桩围堰施工工艺及注意事项摘要:随着我国经济的不断发展,各类工程建设呈现蓬勃发展的态势。
本文结合笔者所参与的羊口中心渔港大桥钢板桩围堰施工案例,简要探讨了水中墩钢板桩围堰的施工工业及注意事项,以期能为所需者提供借鉴。
关键词:水中;钢板桩;围堰;施工一、工程简介山东羊口中心渔港大桥上部结构为35+61+35+30m变截面连续梁桥,施工方法采用满堂支架现浇。
本桥位于近160米宽的河面上,水深15米,本桥桥施工的重点和难点之一是要在羊口港特殊的水文条件—涌潮情况下进行水下基础的施工。
本桥1# ,2#主墩承台平面尺寸为12.5M*8M,根据设计要求水中墩基础施工采用钢板桩围堰施工。
二、施工前准备施工前全面检查钢板桩、钢管桩、工字钢等材料,对于钢板桩的检验标准如下:桩垂直度<1%;桩身弯曲度<2%L;全数进行短桩通过试验检查锁口,不合格的则需要作整修,严重的禁止使用。
检查桩身无裂纹或损伤,管头无锈蚀、油污等。
为有效的保证钢板桩顺利插拔,并增加防渗的性能,每片钢板桩锁口都须要进行均匀涂以混合油,其体积配合比为黄油:干膨润土:干锯沫=5:5:3。
施工主要机械采用的是浮吊,45KW重力式振动锤(90KW重力式振动锤备用)。
三、施工过程1、施工顺序打设工作从1#主墩开始,依次施工2#主墩,3#主墩。
施工顺序:施工测量放样→钢板桩打设→钢板桩顶层支撑施工→钢板桩内填土至桩顶下1M→水下砼封底→抽水→水面以下,承台底以上内支撑施工→破除桩头→承台施工→注水至承台顶以下20CM→墩身施工→围堰拆除。
2、钢板桩打设在进行正式的施工前,需要放出钢围堰的平面位置并做好试打工作以便于更好的确定各项参数。
考虑到羊口中心渔港大桥河道内水收到潮汐的影响,水流速度较大,围堰完成后,水流对围堰底部的冲刷影响,本工程采用加长钢板桩(钢板桩加长到24米),一次性打设到设计高程。
采用浮吊起钢板桩,人工站立于小船上辅助插入前一根钢板桩锁口内。
中国葛洲坝集团股份有限公司新建武汉至宜昌铁路工程HYZQ-6标沮漳河特大桥99#水中墩施工专项方案(钢板桩围堰)编制:审核:审批:二00九年三月TA1 施工组织设计(方案)报审表工程项目名称:新建武汉至宜昌铁路工程施工合同段:HYZQ-6 编号:注:本表一式4份,施工单位2份,监理单位、建设单位各一份。
沮漳河特大桥99#水中墩施工专项方案(钢板桩围堰)一工程概况1.工程总体概况沮漳河特大桥是汉宜高速铁路线上的桥梁,位于湖北省荆州市与宜昌市交界的万城灌溉区,地势平坦、开阔。
该处河段为通航河段,桥轴线与河流交角为65°。
沮漳河是位于长江左岸的一级支流,桥位河段属平原性河流。
其水位受上游支流(东支漳河、西支沮河)山区性河流影响,同时也受长江水位顶托的影响。
沮漳河洪水由暴雨形成,多发生在7~9月。
洪峰历时48~60h。
受长江水位顶托的影响,水位也可能较长时期处于高位。
99#、100#墩是沮漳河特大桥连续梁桥(48m+80m+48m)中跨主墩。
99#墩承台平面尺寸为14.60m×10.60m,高3.5m。
属低桩承台,底部高程26.099m,在冬季最大枯水位37.32m以下11.221m,墩身底部位于该水位以下7.7m。
该墩采用先桩后围堰方案施工,钻机土平台高程34.51m。
由于工期及基础施工进度的原因,99#墩的承台墩身将于主汛初期(预计6月底拔桩)高水位的情况下进行施工。
拟采用钢板桩围护后进行内部土层开挖及混凝土浇注施工,单个承台的钢板桩围护范围为16.80m×13.60m,其中上游靠栈桥侧空间狭窄,板桩距承台边沿0.7m,其余三边距离1.5m。
采用拉森Ⅳ钢板桩,确定桩长为22m,入土深度8.5m。
99#水中墩工程数量表13.5m。
根据《长江委沮漳河大堤防护加固专项方案》其枯水期设防水位37.7m,结合当地调查,河滩麦地常年可收,大约端午节左右河滩(高程约37~38m)上水;因此预计5月份尚可施工。
水中墩深基坑钢板桩围堰设计与施工摘要:结合宁杭客运专线徐舍特大桥跨钟张运河连续梁415#、416#主墩钢板桩围堰施工,介绍水中钢板桩围堰设计、围囹安装、钢板桩打设、堵漏、挖泥、封堵等关键施工技术。
关键词:水中钢板桩围堰施工1工程概况1.1设计概况宁杭客运专线NHZQ-II标徐舍特大桥跨钟张运河连续梁(60+100+60)m,正线里程为DK111+911.320~DK112+133.020。
线路采用无砟轨道,设计时速350km/h,其中415#、416#主墩基础采用11υ200cm钻孔桩,承台设计尺寸为18.8m×12.4m×4m,均为低桩承台,埋于河床以下。
挡水围堰均采用钢板桩围堰,钢板桩长度15m,封底混凝土厚度1.0m。
1.2水文资料徐舍特大桥与钟张运河斜交60°,钟张运河为v级航道。
主要流量、流速等要素如下:Q1/100=655m/s, H1/100=3.0m,V1/100=0.89m/s。
1.3地质情况415、416号墩处水深约3m,河床地质从上向下为3.3m,粉土,5.2m淤泥质粉质粘土,6.1m粉土,18m粉质粘土,1.6m粉砂,4.3m细圆砾石,7.1m泥质砂岩(全风化),8.9m泥质砂岩(强风化),8.8m泥质砂岩(弱风化)2 钢板桩围堰设计2.1方案选择以415#墩为例,一边靠岸,一边靠河,土质为淤泥质粉质黏土,呈流塑状,且固结时间长,抗剪力低,针对以上特点,考虑采用钢板桩围堰施工,此方案具有施工成本低、工艺简单、安全等优点。
2.2结构设计根据水文资料确定围堰标高为+3.162m,预留出2.0m工作空间,围堰平面尺寸为20.8m×14.4m矩形,如图1所示:图1钢板桩围堰平面图以415#墩承台钢板桩围堰为例, 水中钻孔桩成孔后,选用拉森Ⅳ型钢板桩,单根长度15m,套型锁口,防渗性能较好。
拆除钻机平台后,在钢护筒上搭设施工平台,进行定位测量。
新建杭州至长沙铁路客运专线HCZJ-2标萧山浦阳江特大桥水中主墩施工专项方案编制:审核:批准:中铁十七局集团公司杭长铁路客运专线浙江段项目经理部二分部二○一〇年六月二十日目录一概况 (2)1 工程概况 (2)2 工程地质 (2)3 水文 (2)二铁四院提供的水位资料 (4)三萧山浦阳江水中墩施工安排 (5)1 栈桥与平台 (5)2 钢板桩围堰 (5)3 平台栈桥材料 (5)四钢板桩围堰施工工艺 (6)五主墩围堰施工组织 (7)1 施工方案 (7)2 组织机构 (7)3 施工人员、设备、机械 (7)六主墩围堰设计与施工 (9)14#墩钢板桩围堰设计与施工 (9)1 钢板桩围堰设计情况 (9)2 钢板桩围堰施工工序、工艺及注意事项 (9)七工期安排及保证措施 (13)1 总体工期安排 (13)2 钢板桩围堰施工工序工期计划安排 (13)3 工期保证措施 (14)4 水中墩施工质量保证 (15)5 安全施工保证措施 (16)6 环境保护及文明施工措施 (16)浦阳江特大桥水中墩施工方案一、概况1、工程概况浦阳江特大桥位于浙江省杭州市萧山区境内,起讫里程DK039+895.245~DK043+768.670,总长3873.425米。
其中浦阳江水中主墩(14#)位于河道内,墩中心里程DK040+391.225,距岸边约22.8米。
桩基:10根φ2.00m,桩长24m;承台尺寸:长2000cm×宽1220cm×高400cm。
2、工程地质桥位场区工程地质特点,上层为淤泥、粉砂、强风化凝灰岩,呈肉红色,凝灰质结构,块状构造,节理裂隙发育,岩体完整性差;下层为弱风化凝灰岩,凝灰质结构,块状构造,节理裂隙稍发育,裂面规整,闭合状为主,倾角多见45~60°,岩质坚硬。
根据初步设计桩基长度判断,14#墩地质较好。
3.水文浦阳江属钱塘江主要支流之一,连接杭甬运河、钱塘江,为浙江省内河道网的主要航道之一。
目录一、编制依据 (1)二、工程概况 (1)2.1工程简介 (1)2.2地质水文资料 (1)三、总体施工方法 (2)3.1回填土筑岛围堰法 (2)3.2搭设平台钢板桩围堰法 (2)3.3钢板桩围堰填土筑岛法 (2)四、钢板桩围堰施工方法 (3)4.1施工准备 (3)4.2插打钢板桩 (3)4.3合拢 (4)4.4安装内支撑 (4)4.5砼封底 (5)4.6施工承台、墩身 (5)4.7拔桩 (6)五、钢板桩工况计算分析 (7)5.1钢板桩围堰计算举例 (7)5.2钢板桩围堰入土深度计算 (7)5.3钢板桩抗隆起和管涌的计算 (8)5.4钢板桩围囹支撑计算 (9)5.5钢板桩围堰承载力验算: (12)附图1:水中墩施工钢板桩围堰示意图 (16)附图2:水中墩围堰支撑示意图 (17)六、质量保证措施 (18)七、安全、文明施工环境保护措施 (18)绍兴特大桥水中墩施工方案一、编制依据1.1杭州至宁波客运专线施工图:《线路平面图》(HYZQ-1标,第三册)。
1.2杭州至宁波客运专线施工图:《绍兴特大桥》(图号:杭甬客专施(桥)咨-06-Ⅰ、Ⅱ、Ⅲ)。
1.3工地现场调查、采集、咨询所获取的资料,和我公司现有施工能力、机械设备、技术力量及类似工程的施工经验。
1.4已批复的实施性施工组织设计。
二、工程概况2.1工程简介绍兴特大桥起讫里程DK47+985.250~DK65 +704全长17.71875km,设计为正线双线客运专线桥,呈双线布置。
线间距为5m,设计行车速度为350km/h。
上部结构轨道结构采用CRTSII型板式无碴轨道。
孔跨布置为:简支梁492孔,440孔32m+52孔24m;悬臂连续梁和膺架现浇梁特殊结构17处,(60+100+60)m连续梁+(48+80+48)m连续梁+6×(40+64+40)m连续梁+ (40+56+40)m连续梁+6×(32+48+32)m连续梁+2×40m简支梁;下部结构为:空心桥台、双线直坡哑铃状矩形实体桥墩,整体式矩形承台,钻孔桩群桩基础。
水中墩专项施工方案(钢板桩围堰)引言水中墩工程是在水中进行施工的一项重要工程,而钢板桩围堰作为水中墩的一种关键结构,对整个工程的顺利进行具有重要意义。
本文将详细介绍水中墩专项施工方案中钢板桩围堰的施工内容和流程。
施工准备在进行水中墩的施工前,必须进行充分的前期准备工作。
首先是确定设计图纸,明确钢板桩围堰的位置和尺寸。
其次需要准备施工所需的材料,包括钢板桩、连接件、混凝土等。
同时,要做好水下作业的准备,包括潜水设备、水下作业人员等。
施工步骤1. 钢板桩的定位在确定钢板桩围堰位置后,需要进行钢板桩的定位工作。
根据设计图纸的要求,使用定位器将钢板桩准确地安放在指定位置上。
2. 钢板桩的安装将钢板桩逐根安装在定位好的位置上。
在安装过程中,要确保每根钢板桩之间的连接紧密,保证整个围堰的牢固性。
3. 固结连接在完成钢板桩的安装后,进行固结连接工作。
通过连接件将每根钢板桩连接起来,形成一个整体结构。
4. 浇筑混凝土完成钢板桩固结连接后,需要进行混凝土的浇筑工作。
将预先准备好的混凝土通过泵送设备送至围堰的空隙中,确保整个围堰结构的牢固稳定。
施工注意事项1.在水中进行作业时,必须配备适当的安全设备,确保作业人员的安全;2.钢板桩在安装过程中要注意避免损坏,确保连接牢固;3.混凝土的浇筑要均匀,避免出现漏浇或积石现象;4.施工过程中要及时清理施工现场,保持环境整洁。
结束语水中墩专项施工方案中钢板桩围堰的施工是整个水中墩工程中的重要环节,施工过程中需要严格按照设计要求和流程进行操作,确保工程的质量和安全。
希望本文对水中墩施工工作有所帮助,确保施工顺利进行。
⼀、设计概述桥址处⽔⽂资料 Q1%=4659m /s,H1%=5.004m,V1%=2.20m/s.该河道为Ⅲ级通航河道,线路法线与⽔流夹⾓为9.8°。
通航净⾼为12m,净宽为120m,桥址处通航⽔位4.744m.该桥墩位于河道之中,墩位处⽔深9m多,桩径为2.3m,每个墩12根桩,桩间距4.6m,桩长65.5m.承台尺⼨12.90m×17.5m×(5m+3m加台)。
地质资料:由上⾄下依次为淤泥质粉砂(9.553m)、淤泥质黏⼟(7.7m)、粗砂(6.2m)、全风化岩带(32.7m)、强风化岩带(6.0m)、弱分化岩带(10.3m)。
⼆、施⼯⽅案 1、⽅案⽐选备选⽅案主要有两种:钢套箱⽅案;钢板桩围堰⽅案。
经⽐较,钢套箱⽅案钢材投⼊多、回收率低,下沉时设备及⼈员投⼊多,⼯序复杂;钢板桩围堰⽅案能够迅速展开施⼯,速度快,周期短,且⽀护材料可回收利⽤,经济性较钢套箱⽅案好,只是必须加强⽌⽔措施,所以选⽤钢板桩围堰⽅案。
2、总体⽅案⼤桥主墩深⽔基础采⽤钢板桩围堰进⾏⽀护施⼯,钢板桩采⽤拉森IV型钢板桩,长18m,钢板桩围堰范围15.9m×20.5m,⽐承台周边尺⼨⼤1.5m.钢板桩周圈咬合紧密,有⽌⽔措施。
围堰内侧四周圈采⽤双层⼯钢分上、中、下三层以围檩形式⽀护,顶层采⽤2I40⼯字钢,底下两层采⽤2I50⼯字钢,中间纵向⽀承采⽤外径300mm壁厚10mm圆钢管,按⼀定间距布置,四⾓采⽤⼯字钢2I30斜撑。
为增强⼯钢围檩抗弯强度,在每根钢管两端⽤2I30型⼯钢作为斜撑加强。
承台底⾯位于河床以上,围堰基底先⽤⽚⽯回填50cm,然后回填砂找平,基底采⽤C30混凝⼟封底,封底厚度50cm.抽⽔采⽤4台⼤功率抽⽔机,分层抽⽔,分层⽀护,周圈50cm以内设汇⽔渠、积⽔坑。
承台施⼯分三次浇筑,按⼤体积砼考虑,钢板桩围堰内⽀撑同样分三次拆除。
钢板桩施⼯采⽤⼀艘25t浮吊实施插打及拔除。
水中承台钢板桩围堰施工方案环境准备在进行水中承台钢板桩围堰施工前,需对施工现场进行适当的环境准备工作。
首先,确保施工区域的水质清洁,排除杂物和污染物以保证施工质量。
其次,对施工现场进行水下勘测,了解水下情况和地形,为后续施工提供必要的信息和数据支持。
施工工艺1.钢板桩的安装钢板桩是水中承台围堰的主要支撑结构之一,其安装质量直接影响围堰的整体稳定性。
在施工过程中,需要使用专用设备将钢板桩垂直地插入水中土壤中,并确保钢板桩的水平度和竖直度满足设计要求。
2.围堰的拼装和连接完成钢板桩的安装后,需要对钢板桩进行拼装和连接,形成完整的围堰结构。
在连接过程中,需注意连接件的牢固性和密封性,以确保围堰整体的稳定性和防水效果。
3.围堰的加固和处理在围堰的施工过程中,还需要对围堰进行加固和处理,以增强围堰的整体结构强度。
可以采用混凝土灌注、钢筋加固等方式来实现对围堰的加固处理,以应对可能出现的水压和外力冲击。
安全保障在水中承台钢板桩围堰施工过程中,安全是首要考虑因素。
施工现场应设置明显的安全警示标识,确保施工人员能够清晰地识别危险区域和安全通道。
同时,施工人员应接受相关安全培训,熟悉施工流程和操作规程,严格遵守施工现场的安全规定,确保施工过程中的安全。
施工质量控制为确保水中承台钢板桩围堰施工质量,需要实施严格的施工质量控制措施。
应根据施工方案和设计要求,采取相应的监测和检测措施,对围堰的施工质量进行检验和评估。
同时,及时发现并纠正可能存在的质量问题,确保围堰施工的质量达到设计要求。
总结水中承台钢板桩围堰施工是一项复杂而重要的工程,需要施工人员具备丰富的经验和技能,严格执行施工方案和相关规定,确保施工过程中的安全和质量。
只有在科学规划和有效管理下,水中承台钢板桩围堰的施工才能顺利进行,工程质量得到保障。
水中深基坑钢板桩围堰施工方案一、围堰设计基本参数(1)自然条件①地质条件根据本项目地勘资料,桥位主墩承台处主要持力层为强风化粉砂岩、中风化砂质泥岩,本设计全部按照强风化软质岩考虑,其特性如下表错误!文档中没有指定样式的文字。
-1。
表错误!文档中没有指定样式的文字。
-1 地层参数②流速设计流速:施工期V=1m/s;最大流速V=2m/s(行洪)③水位设计高水位:+394.0m施工期常水位:+392.3m本项目所处沱江,上下游各存在一处水电站,除汛期外其余时间水位变化不大。
行洪期间相关部门提前告知,不进行施工作业。
④波浪力波浪:施工期H=0.5m,T=4.2s⑤风速正常工作风速:V0=13.8m/s(6级风)(2)荷载及工况分析详见附件《主墩围堰计算书》,包括计算荷载分析、计算及施工工况分析、整体建模计算结果、稳定性、结构变形及抗浮计算等,此处不再赘述。
(3)试验围堰施工为提前发现、解决主墩围堰施工过程中可能存在的问题,验证18m钢板桩长度下围堰嵌固深度、高压旋喷止水加固方式等效果,故在主墩围堰施工前于主墩位置附近模拟主墩围堰设计及施工工艺进行围堰施工工艺试验,以确保主墩围堰施工质量及施工安全。
本次试验在异位进行,选择在东侧钻孔平台旁的区域。
距离上游侧主墩承台约15m,地质情况同主墩地层分布类似,满足试验需求。
图错误!文档中没有指定样式的文字。
-1 试验围堰选点试验围堰采用钢板桩围堰,平面设计尺寸为15.6×12m,围堰分为共用区、不开挖区、过渡区和开挖区域。
拉森钢板桩采用Ⅳw型,不开挖区域钢板桩设计顶标高+394.0m,底标高+382.0m,桩长12m;共用区(与主墩围堰)、过渡区及开挖区域钢板桩设计顶标高+394.0m,底标高+376.0m,桩长18m。
围堰内竖向共设置三道钢围檩支撑体系,围檩采用2HN700×300型钢(Q345B),从上往下布置间距分别为5m、4.6m;第三层围檩及内支撑仅做开挖区域;斜撑、对撑采用∅609×16钢管(Q345B)。
水中墩专项施工方案钢板桩围堰Pleasure Group Office【T985AB-B866SYT-B182C-BS682T-STT18】中国葛洲坝集团股份有限公司新建武汉至宜昌铁路工程HYZQ-6标沮漳河特大桥99#水中墩施工专项方案(钢板桩围堰)编制:审核:审批:二00九年三月TA1 施工组织设计(方案)报审表工程项目名称:新建武汉至宜昌铁路工程施工合同段:HYZQ-6 编号:注:本表一式4份,施工单位2份,监理单位、建设单位各一份。
沮漳河特大桥99#水中墩施工专项方案(钢板桩围堰)一工程概况1.工程总体概况沮漳河特大桥是汉宜高速铁路线上的桥梁,位于湖北省荆州市与宜昌市交界的万城灌溉区,地势平坦、开阔。
该处河段为通航河段,桥轴线与河流交角为65°。
沮漳河是位于长江左岸的一级支流,桥位河段属平原性河流。
其水位受上游支流(东支漳河、西支沮河)山区性河流影响,同时也受长江水位顶托的影响。
沮漳河洪水由暴雨形成,多发生在7~9月。
洪峰历时48~60h。
受长江水位顶托的影响,水位也可能较长时期处于高位。
99#、100#墩是沮漳河特大桥连续梁桥(48m+80m+48m)中跨主墩。
99#墩承台平面尺寸为14.60m×10.60m,高3.5m。
属低桩承台,底部高程26.099m,在冬季最大枯水位37.32m以下11.221m,墩身底部位于该水位以下7.7m。
该墩采用先桩后围堰方案施工,钻机土平台高程34.51m。
由于工期及基础施工进度的原因,99#墩的承台墩身将于主汛初期(预计6月底拔桩)高水位的情况下进行施工。
拟采用钢板桩围护后进行内部土层开挖及混凝土浇注施工,单个承台的钢板桩围护范围为16.80m×13.60m,其中上游靠栈桥侧空间狭窄,板桩距承台边沿0.7m,其余三边距离1.5m。
采用拉森Ⅳ钢板桩,确定桩长为22m,入土深度8.5m。
99#水中墩工程数量表13.5m。
根据《长江委沮漳河大堤防护加固专项方案》其枯水期设防水位37.7m,结合当地调查,河滩麦地常年可收,大约端午节左右河滩(高程约37~38m)上水;因此预计5月份尚可施工。
但需要特别强调的是,进入汛期必须与当地水利部门加强联系,超施工水位洪水来临提前及时对围堰充水、撤场,绝对确保围堰和设备人员安全。
计算时考虑了1m的冲涮,围堰抽水的最高水位为+38.80m。
2.围堰、承台、墩柱总体施工流程施工准备→测量定位→导向桩制作(钢板桩内支撑1)→打钢板桩→钢板桩内支撑2→水下开挖→→浇筑水下封底混凝土→逐层抽水、焊接第三~六层内撑→清基堵漏→破桩桩检→浇筑第一层承台砼→第一次回填,拆除第六层内撑→浇筑第二层承台砼→第二次回填,拆除第五层内撑→浇筑第一段2m墩身砼→第三次回填,拆除第四层内撑→浇筑第二段18m墩身砼→焊接附墙支撑→浇筑临时墩砼(按水下砼工艺)→逐层充水、拆除第一~三层内撑→拔桩、撤场3.施工队伍及工期安排针对水上施工的复杂性和工期的紧迫性,我部计划为本工程配备一支人员稳定,水上施工经验丰富的施工队伍,以保证工程质量和工期要求。
我部计划于2009年3月20日开工,于2009年6月30日完成99#承台与墩柱的施工。
详见附件3:《沮漳河特大桥99#水中墩施工进度计划横道图》4.机械设备与人员进场计划机械设备计划表备注:混凝土由万城拌和站集中拌制(120m3/h),搅拌运输车经栈桥运至现场。
劳动力计划表二钢板桩围堰施工方案1. 钢板桩打入钢板桩的选用本工程选用拉森桩(SKAP-Ⅳ型,日标) 宽40cm,重76.1kg/m,考虑到本工程地质情况的需要,拟采用桩长为22米的钢板桩(较附件1图加深1m,至17.6m高程)。
1、首先在板桩堆放基地对钢板桩进行检查、丈量、分类、编号,选用同种型号的板桩,进行弯曲整形、修正、切割、焊接,整理出施工所需型号、规格、数量的钢板桩。
为确保每片钢板桩的两侧锁口平行。
同时,尽可能使钢板桩的宽度都在同一宽度规格内。
需要进行宽度检查,方法是:对于每片钢板桩分为上中下三部分用钢尺测量其宽度,使每片桩的宽度在同一尺寸内,每片相邻数差值以小于1cm为宜。
对于肉眼看到的局部变形可进行加密测量。
对于超出偏差的钢板桩应尽量不用。
2、发现缺陷随时调整,整理后在运输和堆放时尽量不使其弯曲变形,避免碰撞,尤其不能将连锁口碰坏。
同时对两侧锁口用一块同型号长2~3m的短桩作通过试验,以2~3人拉动通过为宜,或采用卷扬机拖拉。
锁口通不过或桩身有弯曲、扭曲、死弯等缺陷,采用冷弯,热敲(温度不超过800~1000℃),焊补、铆补、割除、接长等方法加以整修。
同时,要求接头强度与其它断面相等,接长焊接时,用坚固夹具夹平,以免变形。
3、本承台钢板桩长度超过20m,常规施工钢板桩长度模数为18 m 、16m、12m、10m等,因此需要对现有模数钢板桩进行接长。
钢板桩接长采用坡口对焊,“U”形内侧焊接加劲板,焊接完成后,用2m长钢板桩从焊接钢板桩一端插人、穿出到另外一端,检查锁口质量。
对新桩或接长桩、在桩端制作吊桩孔。
桩打入前将桩尖处的凹槽底口封闭,避免泥土挤入,锁口宜涂以黄油或其它油脂,对锁口变形、锈蚀严重的钢板桩,整修矫正。
转角处采用90度的转角桩。
4、插打钢板桩之前须检查振动锤。
振动锤是打拔钢板桩的关键设备,在打拔前一定要进行专门的检查,确保线路畅通,功能正常。
且夹板牙齿磨损不宜太多。
钢板桩理论用量计算:钢板桩围堰周长计算:×2+×2=60.8m钢板桩根数计算:角桩采用0.2m×0.2m,共4片,(4m)/0.4m=148片,148+4=152片钢板桩重量计算:152×22×=打入1.3.1 施工放样与定位(1)将施工区域控制点标明并经过复核无误后加以有效保护。
(2)、第一层支承设置:在插打钢板桩前需设定位桩及定位横梁。
定位桩采用钢管桩,四角布置,内外侧共8根。
定位横梁也是钢板桩围堰的第一层围菱支护,采用2HM588*300型钢。
定位横梁安放在定位钢管四周侧,与钢管相连接,四角设两道φ426*8斜撑,斜撑与横梁呈45度夹角,采用焊接固结连接。
钢管与横梁连接设一定的加劲块。
安装内支承前先按确定的标高位置在定位钢管焊上三角托架,托架采用槽钢,安装托架一定要采取措施保证顶面位于同一水平面上。
(3)、定位横梁的位置须严格遵照设定的标高、位置布置。
保证打出的钢板桩在一条直线上。
在钢管桩露出水(地)面部分刷上警告标志,并在50cm处焊上槽钢加固,在打桩时作为下层导向装置(第2层导梁)及高程控制标志。
定位桩与已施工桩位置布置见下图。
(4)插打钢板桩在第一层定位支承及下部槽钢安装完成后即可进行插打钢板桩施工。
1.3.2钢板桩打入总体施工流程钢板桩从河西(宜昌)侧围堰中心开始打入第一片钢板桩,然后逐步向两边插打,在河下游合龙(见示意图)。
在插打过程中,加强测量工作,发现倾斜,及时调整,为保证插桩顺利合拢,要求桩身垂直,并且围堰周边的钢板数要均分。
导梁为上下双层导梁,确保插打第一片钢板桩的垂直度。
最初的一、二块钢板桩以导梁为定位、垂直插(此项工作应反复仔细校正钢板桩位,确保垂直)至设计标高。
打设位置和方向要确保精度,以起到样板的作用。
每完成3米测量校正1次,确保在同一直线上。
每根钢板桩施打完毕后,即与横钢焊接牢固。
根据起吊能力确定逐根插打到稳定的深度,一般为2-3m,待全部插打完毕后再依次打到设计标高。
其余各钢板桩,则以已插好的钢板桩为准,起吊后人工扶持插入前一片钢板桩锁口,然后用振动锤振动下沉。
插入桩位的钢板桩需紧靠导梁。
插打一片或几片后,将已插好的钢板桩点焊固定于导梁上。
整个施工过程中,要用锤球始终控制每片桩的垂直度,及时调整。
调整工具有千斤顶、木楔、导链等。
插打过程中,须遵守“插桩正直,分散即纠,调整合拢”的施工要点。
在施工过程中,钢板桩如需拼接时,两端钢板桩要对正,可先在一端上面焊接一块限位板然后将另一端缓缓放下并进行对焊,再焊接加强板。
焊接时必须保证焊接面平整且焊缝有足够厚度。
插打钢板桩要充分采取止水措施,以防钢板桩围堰大量漏水。
合龙段,到剩下最后一部分时,要先插后打,若合拢有误,用倒链或滑车组对拉,使之合拢。
合拢后,再逐根打到设计深度,在用倒链或滑车组对拉时不要过猛,以防止合拢段缝隙过大。
钢板桩合龙通过精确计算,确定龙口位置,采用配桩法合龙。
配置相应规格的异形钢板桩,现场实测异形钢板桩的角度和尺寸,根据实际切割焊接异形钢板桩,以确保整个围堰的密封性。
1.3.3钢板桩打入施工工艺(1)浮吊停在离打桩点约4m左右的地点,侧向施工,便于测量人员观察。
挂上振动锤,升高,理顺油管及电缆。
(2)锤下降,开液压口,拉一根桩至打桩锤下,锁口抹上润滑油,起锤。
(3)待钢板桩尖离开水面30cm时,停止上升。
锤下降,使桩至夹口中,开动液压机,夹紧桩。
上升锤与桩,至打桩地点。
(4)对准桩与定位桩的锁口,锤下降,靠锤与桩自重压桩至淤泥以下一定深度不能下降为止。
(5)试开打桩锤30秒左右,停止振动,利用锤惯性打桩至坚实土层,开动振动锤打桩下降,控制打桩锤下降的速度,尽可能的使桩保持竖直,以便锁口能顺利咬合,提高止水能力。
(6)板桩至设计高度前40cm时,停止振动,振动锤因惯性继续转动一定时间,打桩至设计高度。
(7)松开液压夹口,锤上升,打第二根桩,以上类推至打完所有桩。
打桩前一般应在锁口内涂以黄油、锯末等混合物,在打完钢板桩后,开始进行钢板桩围堰内的止水处理。
施工注意事项(1)导向桩打好之后,以横梁、槽钢焊接牢固,连接可靠。
确保导向桩不晃动,以便打桩时提高精确度。
(2)线桩插打,钢板桩起吊后人力将桩插入锁口,动作缓慢,防止损坏锁口,插入后可稍松吊绳,使桩凭自重滑入。
(3)钢板桩振动插打到小于设计标高40cm时,小心施工,防止超深发生。
(4)封口时,精确计算异形钢板桩的尺寸,确保止水质量。
钢板桩的施工中遇到的问题及处理:由于河床地质结构复杂,钢板桩打拔施工中常遇到一些难题,常采用如下几点办法解决:①打桩过程中有时遇上大的孤石或其它不明障碍物,导致钢板桩打入深度不够,则采用转角桩或弧形桩绕过障碍物。
②钢板桩在软泥质地段挤进过程中受到泥中块石或其它不明障碍物等侧向挤压作用力大小不同容易发生偏斜,采取以下措施进行纠偏:在发生偏斜位置将钢板桩往上拔l.0m~2.0m,再往下锤进,如此上下往复振拔数次,可使大的块石等障碍物被振碎或使其发生位移,让钢板桩的位置得到纠正,减少钢板桩的倾斜度。
③钢板桩沿轴线倾斜度较大时,采用异形桩来纠正,异形桩一般为上宽下窄和宽度大于或小于标准宽度的板桩,异形桩可根据据实际倾斜度进行焊接加工;倾斜度较小时也可以用卷扬机或葫芦和钢索将桩反向拉住再锤击。