数据网络功能检验检验批质量验收记录(最新版)
- 格式:xlsx
- 大小:12.63 KB
- 文档页数:1
信息网络系统调试检验批质量验收记录一、总体情况该信息网络系统调试检验批质量验收记录由验收团队对信息网络系统进行全面的检验和评估。
系统包括服务器、网络设备、软件应用等组成,旨在确保系统的功能正常、稳定,满足用户需求。
二、检验过程1.验收团队对系统的硬件设备进行了检查,确认设备无损坏或故障。
2.验收团队对系统的网络连接进行了测试,确认网络通畅,带宽满足系统使用要求。
3.验收团队对系统的软件应用进行了测试,包括功能测试、兼容性测试、性能测试等多个方面。
4.验收团队对系统的数据安全性进行了评估,确保系统能够对用户数据进行保护,并且有相应的备份和恢复机制。
5.验收团队对系统的用户界面进行了评估,确认界面简洁明了,易于操作。
三、质量评估1.功能稳定性:经过测试,系统功能稳定,各项功能符合用户需求,没有发现功能缺陷或故障。
2.网络性能:经过测试,系统网络连接通畅,带宽满足系统使用要求,没有发现网络质量问题。
3.兼容性:经过测试,系统在不同的操作系统和浏览器上运行正常,与其他软件和应用的兼容性良好。
4.数据安全性:经过评估,系统具有较好的数据安全性,具备数据备份和恢复机制,能够对用户数据进行有效保护。
5.用户界面:经过评估,系统用户界面简洁明了,操作易于上手,用户体验良好。
四、问题和建议1.在测试过程中,发现一些小问题,如界面显示稍有延迟等,建议对系统进行一些调优和优化。
2.建议对系统进行全面的安全评估,确保系统能够有效抵御各种网络攻击。
3.建议对系统进行持续监控和维护,及时发现和修复潜在的问题。
五、结论经过全面的检验和评估,该信息网络系统具备良好的质量,并且能够满足用户的需求。
对于上述提到的问题和建议,我们将与开发团队积极配合,共同解决,确保系统的正常运行和稳定性。
说明:由于按字数要求写作,该质量验收记录只是一个模板,实际编写时需要根据具体情况进行具体描述和分析。
设备安装检验批质量验收记录注:本表内容的填写需依据《现场验收检验批检查原始记录》。
本检验批质量验收的规范依据见本页背面。
填写说明一、填写依据1 《智能建筑工程施工规范》GB50606-2010。
2 《建筑工程施工质量验收统一标准》GB50300-2013。
二、检验批划分可按设计系统、设备组别、区域划分。
三、GB50606-2010规范摘要主控项目3.5.1 材料、器具、设备进场质量检测应符合下列规定:1 需要进行质量检查的产品应包括智能建筑工程各子系统中使用的材料、硬件设备、软件产品和工程中应用的各种系统接口;列入中华人民共和国实施强制性产品认证的产品目录或实施生产许可证和上网许可证管理的产品应进行产品质量检查,未列入的产品也应按规定程序通过产品质量检测后方可使用。
2 材料及主要设备的检测应符合下列规定:1)按照合同文件和工程设计文件进行的进场验收,应有书面记录和参加人签字,并应经监理工程师或建设单位验收人员确认;2)应对材料、设备的外观、规格、型号、数量及产地等进行检查复核;3)主要设备、材料应有生产厂家的质量合格证明文件及性能的检测报告。
3 设备及材料的质量检查应包括安全性、可靠性及电磁兼容性等项目,并应由生产厂家出具相应检测报告。
6.1.2 系统安全专用产品必须具有公安部计算机管理监察部门审批颁发的计算机信息系统安全专用产品销售许可证。
15.1.2 材料与设备准备应符合下列规定:1 设备和软件必须按国家标准《智能建筑工程质量验收规范》GB50339第3.2节的规定进行产品质量检查,应符合进场验收要求。
2 集成子系统提供的技术文件应符合下列规定:1)应包括系统图、网络拓扑图、原理图、平面图、设备参数表、组态监控界面文件及编辑软件;2)应为纸质文件和电子文档,文件内容应与工程现场安装的设备和软件一致;3)文件内容与通信接口的设备参数标识应一致。
3 集成子系统的产品资料应包含下列内容:1)系统结构说明、使用手册、安装配置手册;2)供测试用的集成子系统服务器、工作站软件;3)集成子系统通信接口的使用手册、安装配置手册、开发参考手册、接线说明。
网络安全系统检测检验批质量验收记录一、项目背景二、验收范围1.网络安全设备硬件的安装、组网和配置;2.安全软件平台的部署与配置;3.网络安全策略和操作规程的编制和落实。
三、质量验收标准1.硬件设备的安装、组网和配置是否符合设计要求,并能正常运行;2.安全软件平台是否能够满足系统的需求,配置是否正确;3.网络安全策略和操作规程是否符合行业标准和本单位的实际情况。
四、质量验收方法1.硬件设备的验收:a)检查硬件设备是否按照设计要求安装,并符合相关标准;b)对硬件设备进行测试,确保其能正常运行;c)验收人员对硬件设备进行抽样测试,检查其性能是否达标。
2.软件平台的验收:a)检查软件平台的部署和配置是否正确;b)对软件平台进行功能测试,检查是否能满足系统的需求;c)验收人员对软件平台进行抽样测试,验证其性能是否符合要求。
3.安全策略和操作规程的验收:a)检查安全策略和操作规程的编制和落实情况,是否与实际需求相符;b)抽查相关人员对安全策略和操作规程的理解和执行情况;c)验收人员对部分安全策略和操作规程进行抽样测试,检查其实际效果。
五、质量验收结果根据对网络安全系统的质量验收方法,结合实际情况,得出以下质量验收结果:1.硬件设备的安装、组网和配置符合设计要求,性能能够满足系统需求;2.软件平台的部署和配置正确,能够满足系统的要求;3.安全策略和操作规程符合行业标准和本单位的实际情况。
六、质量问题处理与整改根据对网络安全系统的质量验收结果,对于存在的质量问题,制定相应的整改方案,并在一定的时间内完成整改。
整改方案包括但不限于以下措施:1.对硬件设备中存在的问题进行修复或更换;2.对软件平台中存在的问题进行修复或重新配置;3.对安全策略和操作规程中存在的问题进行修订和落实。
七、验收结论经过质量验收,网络安全系统的质量符合相关标准和要求。
同时,对已发现的质量问题,整改措施已制定并在规定时间内完成。
整改后的网络安全系统能够满足系统的需求,保障网络和网络信息的安全。
信息⽹络系统调试检验批质量验收记录信息⽹络系统调试检验批质量验收记录注:本表内容的填写需依据《现场验收检验批检查原始记录》。
本检验批质量验收的规范依据见本页背⾯。
填写说明⼀、填写依据1 《智能建筑⼯程质量验收规范》GB50339-2013。
2 《建筑⼯程施⼯质量验收统⼀标准》GB50300-2013。
⼆、检验批划分可按设计系统、设备组别、区域划分。
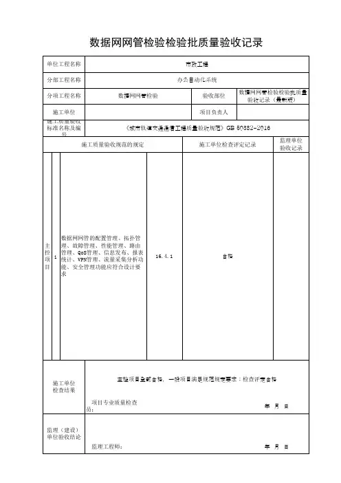
三、GB50339-2013规范摘要主控项⽬7.2.3 计算机⽹络系统的连通性检测应符合下列规定。
1 ⽹管⼯作站和⽹络设备之间的通信应符合设计要求,并且各⽤户终端应根据安全访问规划只能访问特定的⽹络与特定的服务器。
2 同⼀VLAN内的计算机之间应能交换数据包,不在同⼀VLAN内的计算机之间不应交换数据包。
3 应按接⼊层设备总数的10%进⾏抽样测试,且抽样数不应少于10台;接⼊层设备少于10台的,应全部测试。
4 抽检结果全部符合设计要求的,应为检测合格。
7.2.4 计算机⽹络系统的传输时延和丢包率的检测应符合下列规定:1 应检测从发送端⼝到⽬的端⼝的最⼤延时和丢包率等数值。
2 对于核⼼层的⾻⼲链路,汇聚层到核⼼层的上联链路,应进⾏全部检测,对接⼊层到⾼汇聚层的上联链路,应按不低于10%的⽐例进⾏抽样测试,且抽样数不应少于10条;上联链路数不⾜10条的,应全部检测。
3 抽检结果全部符合设计要求的,应为检测合格。
7.2.5 计算机⽹络系统的路由检测应包括路由设置的正确性和路由的可达性,并应根据核⼼设备路由表采⽤路由测试⼯具或软件进⾏测试。
检测结果符合设计要求的,应为检测合格。
7.2.6 计算机⽹络系统的组播功能检测应采⽤模拟软件⽣成组播流,组播流的发送和接受检测结果符合设计要求的,应为检测合格。
7.2.7 计算机⽹络系统的QoS功能应检测队列调度机制。
能够区分业务流并保障关键业务数据优先发送的,应为检测合格。
7.2.8 计算机⽹络系统的容错功能应采⽤⼈为设置⽹络故障的⽅法进⾏检测,并应符合下列规定:1 对具备容错能⼒的计算机⽹络系统,应具有错误恢复和故障隔离功能,并在出现故障时⾃动切换。
计算机网络设备安装检验批质量查收记录(GB50339-2013) 编号: 08040101单位(子单分部(子分位)部)智能建筑 / 信息网络系统工程名称 工程名称施工单位项目负责人分包单位项分包单位目负责人《智能建筑工程施工规范》施工依据查收依据GB 50606-2010设计要求及最小 / 本质 查收项目规范规定抽样数量主 1资料、器具、设备进场质量检测控系统安全专用产品必定具 2有公安部计算机管理监察部门审批颁发的计算机信 项息系统安全专用产品销售 同意证目 3集成子系统供应的技术文件应吻合规定,产品资料内容齐全1 安装地址应吻合设计要 一 求,安装应平稳牢固,并 应便于操作保护般2机柜内安装的设备应有通风散热措施,内部接插件与设备连接应牢固分项工程名称检验批容量检验批部位《智能建筑工程查收规范》GB 50339-2013检查记录 检查结果项承重要求大于600kg/ ㎡的3设备应单独制作设备基座,不应直接安装在抗静目电地板上4对有序列号的设备应登记设备的序列号5对付有源设备进行通电检查,设备应工作正常6跳线连接应规范,线缆排列应有序,线缆上应有正确牢固的标签7设备安装机柜应张贴设备系统连线表示图8网络安全设备安装应吻合设计要求设计要求9集成子系统的硬线连接和设备接口连接应吻合规定第 1款1设备在启动、运行和关闭0过程中不应出现运行时错误第 2款1应急响应系统设备安装应设计要求1吻合设计要求主控项目全部合格,一般项目满足规范施工单位检查规定要求;检查评定合格专业工长:项目专业质量检查员:结果评定年月日监理(建设)专业监理工程师:单位查收结论年月日。
计算机网络系统检验批工程质量验收记录一、项目背景为了提高企业内部的信息传输效率和管理水平,我公司决定引入计算机网络系统。
经过前期的需求调研和供应商的比较评估,我公司选定了计算机公司作为我们的网络系统供应商,并完成了网络系统的设计、采购、安装、调试等工作。
为了保证网络系统的质量,我公司决定进行工程质量验收。
二、验收目的进行工程质量验收的目的是为了评估网络系统安装和运行的质量,确保系统符合我公司的需求,并满足相关技术规范和标准要求。
三、验收范围本次工程质量验收的范围包括计算机网络系统的硬件设施、网络设备配置、网络连接性测试、网络性能测试、网络安全测试等方面。
四、验收依据1.《计算机网络系统工程验收标准》2.《计算机网络系统功能需求规格说明书》3.供应商提供的相关技术文档和报告五、验收流程1.验收前准备1.1清理验收现场,确保网络设备的正常摆放和运行环境的良好1.2按照供应商提供的网络设备清单,检查设备齐全性1.3准备验收测试工具和设备2.硬件设施验收2.1检查网络设备的安装位置、连接端口和接线情况2.2检查设备的电源供应情况2.3检查设备的外观和数量3.网络设备配置验收3.1检查网络设备的配置文件和参数设置3.2检查网络设备的管理功能和接口配置3.3检查网络设备的访问控制列表和安全配置4.网络连接性测试4.1按照设备的物理连接情况,进行连通性测试4.2检查各个网络设备之间的连通性4.3检查网络设备与外部网络的连通性5.网络性能测试5.1使用专业的网络性能测试工具,测试网络设备的带宽和延迟情况5.2检查网络设备的负载均衡和流量控制功能6.网络安全测试6.1检查网络设备的防火墙和入侵检测系统6.2进行端口扫描和渗透测试,评估网络系统的安全性7.结果评估7.1根据相关验收标准和需求规格书,评估网络系统的安装和运行质量7.2与供应商沟通,对存在的问题提出整改要求7.3编写并提交工程质量验收报告六、验收结果经过以上的工程质量验收步骤,我们对网络系统的安装和运行质量进行了评估,并根据相关标准和需求规格书提出了整改要求。
数据网络设备安装检验批质量验收记录时间:______年______月______日地点:________参与人员:________一、项目概况1.项目名称:________2.项目编号:________3.安装单位:________4.验收单位:________二、安装设备清单序号设备名称规格型号数量验收情况...三、验收依据1.《数据网络设备安装施工及验收规范》2.工程图纸和设计要求3.相关技术文件和标准四、验收内容1.施工质量检查a)检查设备安装位置是否与设计要求一致,有无错位、偏差等问题;b)检查设备固定方式是否牢固可靠;c)检查设备接地是否符合规范要求;d)检查设备的插座、开关、控制面板是否安装正确、完整;e)检查设备的连接线路是否接触良好、接口连接正确;f)检查设备安装后留存的材料、垃圾是否及时清理;g)检查设备外观是否无划痕、损坏等质量问题。
2.设备功能测试a)对所有网络设备进行逐一开机测试,检查设备是否能正常通电;b)检查设备的各项功能是否正常、完整,如端口、指示灯、显示屏等;c)检查设备是否实现了设计要求的网络连接功能;d)检查设备的配置是否正确,是否满足设计要求的性能指标;e)检查设备的稳定性和可靠性,是否存在异常的断开、重启等问题。
五、验收结果1.验收合格:经检查和测试,所有设备安装和功能均符合设计要求和相关标准,达到了验收要求。
2.验收不合格:经检查和测试,发现以下问题:a)列出不合格设备及问题;b)提出整改要求和时间限制。
六、问题整改1.不合格设备整改计划:设备名称整改人员整改要求整改时间限制2.整改过程及结果记录:设备名称整改人员整改情况处理意见验收人员签字七、验收结论1.不合格设备整改情况:设备名称整改情况2.验收结论:经整改后,经检查和测试,所有设备安装和功能符合设计要求和相关标准,达到了验收要求。
八、附件清单(列出附件及编号)以上内容为数据网络设备安装检验批质量验收记录,经双方确认无误后,签字盖章。