“五牌一图”名称和内容
- 格式:doc
- 大小:2.25 MB
- 文档页数:9
《五牌》《一图》1、工程慨况(900*1400 蓝底、白框、白字)2、管理人员名单及监督电话牌3、消防保卫牌(900*1400 蓝底、白字)4、安全生产牌(900*1400 蓝底、白字)5、文明施工牌(900*1400 蓝底、白字)施工现场“十不准”施工现场十不准(900*1400 蓝底、白字)工程总平面图((900*1400 白底、篮框、蓝字)工程慨况工程名称:工程负责人:建设单位:现场总监:质监单位:项目经理:安监单位:技术负责人:监理单位:责任工长:施工单位:建筑面积:开工日期:竣工时间:《施工许可证》批准文号:(此牌: 蓝底/白框/白字)管理人员名单及监督电话牌业主代表总监工程负责人项目经理项目执行经理项目技术负责人Xxx xxx xxx xxx xxx xxx项目安全员项目施工员项目质检员项目材料员项目项目机械员项目资料员Xxx xxx xxx xxx xxx xxx项目监督电话:(此牌为白底。
相片为彩色带安全帽的半身近照,照片下的字为蓝色。
)施工现场消防保卫牌一、认真贯彻“以防为主.防消结合”的消防方针,开工前制定消防安全措施,建立安全消防组,配备经培训合格的消防人员。
二、施工现场易燃易爆场所应悬挂标志明显的防火安全标志牌,配备足够的消防器材,要有专用灭火水源。
三、易燃易爆物品严格按有关规定存放和使用,施工中产生的各类可燃杂物,必须及时清理,定点堆放。
四、职工宿舍,仓库等临时设施必须符合消防规定,有平整的消防通道,并配有一定数量的消防设施五、乙炔瓶,氧气瓶与施焊作业的距离(包括明火)不得少于10米,气瓶应存放于库内,严禁暴晒。
六、严格动火审批制度,操作时派转人看护,职工宿舍使用安全电压,不能私接电炉,卧床吸烟。
七、消防器材和工具不得挪作他用,并派专人管理,定期检测更换。
发现火情,立即组织扑救,并拨打“119”火警报警电话.八、加强施工中的安全管理,认真落实治安责任和各种规章制度。
加强节假日的四防工作。
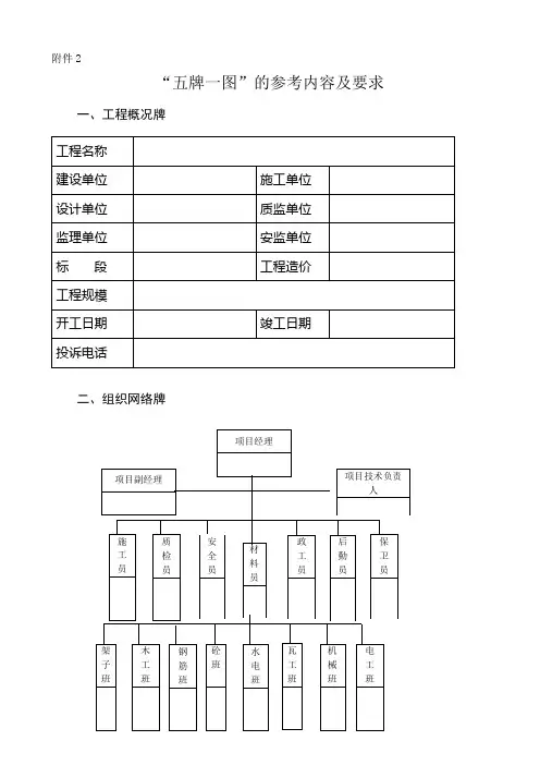
附件2“五牌一图”的参考内容及要求一、工程概况牌二、组织网络牌三、安全纪律牌(一)进入现场必须戴好安全帽,系好帽带,并正确使用个人劳动防护用品。
(二)凡2米以上的悬空,高处作业无安全设施的必须系好安全带,扣好保险钩。
(三)高处作业时不往下或向上乱抛材料和工具等物件。
(四)各种电动机械设备,必须有漏电保护装置和可靠安全接地方能开动使用。
(五)未经有关人员批准不准任意拆除安全设施和安全装置。
(六)未经教育不得上岗、无证不得操作、非操作人员严禁进入危险区域。
(七)井字架吊篮、料斗不准乘人。
(八)酒后不准上班操作。
(九)穿拖鞋、高跟鞋、赤脚或赤膊不准进入施工现场。
(十)穿硬底鞋不准进行登高作业。
四、防火须知牌(一)不准在宿舍内和施工现场明火燃烧杂物和废纸等,现场熬制沥青时应有防火措施,并指定专人负责。
(二)不准在宿舍、仓库、办公室内开小灶;不准使用电饭煲、电水壶、电炉、电热杯等,如需使用应由行政办公室指定统一地点,但严禁使用电炉。
(三)不准在宿舍、办公室内乱抛烟头、火柴棒、不准躺在床上吸烟,吸烟者应备烟灰缸,烟头和火柴必须丢进烟灰缸。
(四)不准在宿舍、办公室内乱接电源、非专职电工不准私接熔丝,不准以其他金属丝代替保险丝。
(五)宿舍内照明不准使用60W以上灯泡,灯泡离地高度不低于2.5米,离开蚊帐等物品不少于50厘米。
(六)不准将易燃易爆物品带进宿舍。
(七)食堂、浴室、炉灶的烧火人员不得擅自离开岗位,及时清理炉灶余灰、不准随便乱跑。
(八)不准将火种带进仓库和施工危险区域、木工间及木制品堆放场地。
(九)不准在宿舍区、施工现场和公安局规定的禁区内燃放鞭炮和烟火。
(十)电焊、气焊人员应严格执行操作规程,执行动火证制度,不准在易燃易爆物附近电气焊。
五、文明施工管理牌包括现场文明施工管理组织机构,责任制落实情况、管理人员和操作人员的文明守则等。
六、施工现场总平面布置图包括临时设施、现场交通、现场作业区、施工设备及机具的布置,成品、半成品、原材料的堆放位置等。
施工现场“五牌一图”制度“五牌”具体包括:工程概况牌、项目管理组织机构牌、安全生产牌、文明施工牌、消防保卫牌;“一图”为总平面布置图。
工程概况牌内容:工程名称:设计单位:结构形式:建筑面积:建筑单位:施工队:监理单位:开工日期:竣工日期:质量标准:安全生产:项目管理组织机构牌内容(略)。
安全生产牌内容:一、坚持“安全第一,预防为主,综合治理”的方针和管生产必须管安全的原则。
二、项目经理是本工程项目安全生产第一责任人,项目部要建立各级、各部门安全生产责任制,实行安全目标管理分解到人,责任到人,考核到人。
三、项目部管理人员和施工人员要认真学习,严格执行建筑施工安全技术规范及建筑施工安全检查标准。
四、项目部应严格执行检查制度,按照“三定”原则,认真落实,确保安全施工。
五、新工人进场前必须进行三级安全教育,特种作业人员必须持证上岗。
六、遵守各项安全技术操作规程,管理人员不得违章指挥,施工人员不得违章作业。
七、施工现场必须有完善的防护围栏设施,非施工人员未经批准不得进入施工现场。
八、运输车辆、重机必须按指定路线行走,不得超速,并注意避让行人,在学生上、下学高峰时间,安全巡视人员做好巡视、监控、指挥。
九、起重作业严格遵守操作规程,做好机械的定期保养检修,保证起重作业安全。
十、施工现场安全设施及各种限制装备齐全、有效,不得擅自移动。
文明施工牌内容:一、施工现场按规定的企业标志,悬挂“五牌一图” 。
二、施工现场用电线路、用电设施安装和使用必须符合安装规范和安全操作规程,严禁任意拉线拉电。
三、施工机械进入施工现场必须经过安全检查,检查合格方能使用,严禁无证人员操作。
四、施工现场的各种安全设施和劳动保护器具必须定期进行检查和维护,保证其安全有效。
五、施工现场道路畅通,材料摆放整齐、有序,并有标识牌;排水系统处于良好的使用状态,保持场容、场貌的整洁,随时清理场地垃圾。
六、施工作业区与办公、生活区要分开,在建工程不能兼做住宿。
安全生产牌一、在施工现场作业,必须遵守各项规章制度,必须配发和正确使用安全、劳动防护用品。
二、2米以上的高处作业必须系好安全带,扣好保险钩,并做好安全防护,禁止往下或向上乱抛材料、工具等物件.三、各种电动机械设备必须具有可靠的防护装置和安全措施,定期维修;非专职人员严禁操作、使用和玩弄机电设备。
四、非操作人员严禁进入吊装区域,吊装机具保险装置必须完好,吊装物和吊臂旋转区域垂直下方严禁站人、行走;吊装物的装、卡、方必须完整,保险、平稳、可靠。
五、架设(装)、拆除安全防护设施和装置,必须有措施方案和经专职负责人员批准.六、非施工、工作人员不准进入施工现场,不准带小孩进入施工现场,不准在施工现场打闹,不准酒后上岗作业。
文明施工牌一、施工现场的主要出入口,必须按要求挂设“五牌一图",出入口及场内主要道路要平整,坚实、畅通,提倡美化、硬化。
二、施工现场周围必须进行规范围护,做到整洁无损,其高度不得小于2.5米、临街围墙必须压顶、抹灰和粉刷。
三、工地内场地要做到平整干净,排水畅通,无积水,无蚊蝇兹生,无乱倒垃圾,禁止随地便溺。
四、机械设备、木、砖、砂石等材料和器具要按平面图所布置分类堆放整洁,垃圾定点堆放及时清运。
五、现场各部位必须分别悬挂有关安全标示及警示牌。
六、认真执行“三清六好”,保持各作业现场清洁卫生。
七、各种安全防护装置、用品、(管、架、网、棚等)必须规范整齐架(搭)设、防护安全,整洁完好,高层建筑的立网,必须采用密目式安全防护,建筑物沿街面要悬挫标示语。
八、办公室、宿舍、浴室等临时设施及室内必须统一规范搭建和布置并安全用电,室内墙壁及地面必须抹灰,粉刷、办公用具(品)、床铺、被褥等要整齐划一,干净卫生,做到制度化和专人管理,禁止睡通铺.九、食堂墙地面必须抹灰粉刷,墙壁四周 1.5米以下的灶台必须粘贴瓷砖;室内上下水畅通,无积水,无蚊蝇和具备灭鼠措施;随时保持室内外环境和个人卫生。
炊事员必须穿白色工作服和有健康证明。
五图一表1、工程概括牌2、管理人员名单及监督电话牌,3、消防保卫牌4、安全生产牌5、文明施工牌一图:施工现场平面图根据<<建筑施工安全检查标准>>第三条,第八项,第一款规定施工现场必须设有“五牌一图”,即工程概况牌、管理人员名单及监督电话牌、消防保卫(防火责任)牌、安全生产牌、文明施工牌和施工现场平面图。
标牌规格统一、位置合理、字迹端正、线条清晰、表示明确,并固定在现场内主要进出口处,严禁将“五牌一图”挂在外脚手架上。
各图规格为65×80公分,工程概况牌和管理人员名单监督电话牌根据实际情况增加,尽量做到美观大方,另应增加施工现场平面布置图、施工现场消防平面布置图工程概况牌工程名称:施工单位:建设单位:结构形式层:数建筑面积:总造价:设计单位:设计人:质监单位:质监员:项目经理:工程技术负责人:施工员:安全员:质检员:资料员:开工日期年月日竣工日期年月日备注质安领导小组组长:副组长:成员:消防领导小组组长:副组长:成员:管理人员名单及监督电话牌项目经理项目副经理技术负责人总施工施工员质量员安全员资料员材料员预算员监督电话:消防保卫牌一、贯彻执行有关的消防法规及公司防火安全管理制度和消防检查监护制度,加强施工现场防火安全管理,确保工程消防安全。
二、实行"谁主管,谁负责"原则,贯彻"预防为主,防消结合"方针,建立以工地项目经理为主的义务消防组织并健全防火安全责任制管理网络。
三、施工现场内外消防道路和通道应保证畅通,工地应按消防要求配制有效的消防设施及器材。
四、施工现场动用明火必须有审批手续和监护人,必须时应采取隔离措施。
五、易燃物品必须定点存放好,在消防区内应设置明显的防火、安全、警告标志牌。
六、禁止擅自使用非生产性电热器具。
七、定期调换消防器材药剂,并进行定期检查维护。
火警电话:119安全生产牌一、坚持"安全第一,预防为主"的方针和管生产必须管安全的原则。
建筑施工五牌一图五牌一图根据《建筑施工安全检查标准》第三条,第八项,第一款规定施工现场必须设有“五牌一图",即工程概况牌、管理人员名单及监督电话牌、消防保卫(防火责任)牌、安全生产牌、文明施工和环境保护牌和施工现场总平面图。
五牌:1、工程概况牌2、管理人员名单及监督电话牌,3、消防保卫牌4、安全生产牌5、文明施工牌一图:施工现场平面图根据<<建筑施工安全检查标准>>第3条,第8项,第1款规定施工现场必须设有“五牌一图”,即工程概况牌、管理人员名单及监督电话牌、消防保卫(防火责任)牌、安全生产牌、文明施工牌和施工现场平面图.标牌规格统一、位置合理、字迹端正、线条清晰、表示明确,并固定在现场内主要进出口处,严禁将“五牌一图”挂在外脚手架上。
各图规格为65×80 公分,工程概况牌和管理人员名单监督电话牌根据实际情况增加,尽量做到美观大方,另应增加施工现场平面布置图、施工现场消防平面布置图。
工程概况牌工程名称:施工单位:建设单位:结构形式层数:建筑面积:总造价:设计单位:设计人:质监单位:质监员:项目经理:工程技术负责人:施工员:安全员:质检员:资料员:开工日期年月日竣工日期年月日备注质安领导小组组长:副组长:成员:消防领导小组组长:副组长:成员:管理人员名单及监督电话牌项目经理项目副经理技术负责人总施工施工员质量员安全员资料员材料员预算员监督电话:消防保卫牌一、贯彻执行有关的消防法规及公司防火安全管理制度和消防检查监护制度,加强施工现场防火安全管理,确保工程消防安全.二、实行”谁主管,谁负责”原则,贯彻"预防为主, 防消结合”方针,建立以工地项目经理为主的义务消防组织并健全防火安全责任制管理网络。
三、施工现场内外消防道路和通道应保证畅通,工地应按消防要求配制有效的消防设施及器材。
四、施工现场动用明火必须有审批手续和监护人,必须时应采取隔离措施。
五、易燃物品必须定点存放好,在消防区内应设置明显的防火、安全、警告标志牌。
建筑工程五牌一图内容建筑工程五牌一图是建筑行业中常见的工程交底和施工文件之一。
它是指在工程建设过程中,根据建筑法律法规规定,由设计单位负责编制的一张图纸,上面标明了建筑工程的五个牌子,即建筑工程的建设单位、设计单位、监理单位、施工单位和质量监督单位。
五牌一图的编制和交底过程对于工程质量和工期的控制至关重要。
一. 建设单位建设单位是指承担工程建设投资、负责工程建设组织与管理的单位。
在五牌一图中,建设单位的信息应包括单位名称、地址、负责人以及联系方式。
建设单位的牌子应清晰可辨,颜色明显,方便工地内外人员进行识别。
二. 设计单位设计单位是负责进行工程项目的设计与方案编制的机构。
在五牌一图中,设计单位的信息应包括单位名称、地址、设计师姓名以及联系方式。
设计单位的牌子也应与建设单位的牌子类似,方便人员进行辨识。
三. 监理单位监理单位是指负责对工程建设全过程进行监督、检查和管理的机构。
在五牌一图中,监理单位的信息应包括单位名称、地址、监理师姓名以及联系方式。
监理单位的牌子应与建设单位和设计单位的牌子有所区分,以免混淆。
四. 施工单位施工单位是负责具体施工操作和施工管理的机构。
在五牌一图中,施工单位的信息应包括单位名称、地址、负责人以及联系方式。
施工单位的牌子与其他牌子应当有所不同,以便区分。
五. 质量监督单位质量监督单位是独立于建设单位、设计单位、监理单位和施工单位的第三方机构,专门负责对工程质量进行检查和监测。
在五牌一图中,质量监督单位的信息应包括单位名称、地址、监理员姓名以及联系方式。
质量监督单位的牌子可以采用不同的颜色或图案,以示区别。
总结建筑工程五牌一图是建筑行业中十分重要的施工文件和交底工具。
它包含了建设单位、设计单位、监理单位、施工单位和质量监督单位的信息,清晰明了地呈现在一张图纸上,方便工程参与各方进行识别和沟通。
在实际施工过程中,建筑工程五牌一图发挥着重要的作用,有助于确保工程的质量和进度控制。
13.8.3示例1“五牌一图”(七牌两图)的基本内容1. 按《检查标准》(JGJ 59—99)规定,大门口标牌为“五牌一图”,即工程概况牌、管理人员名单及监督电话牌、消防保卫牌、安全生产牌、文明施工牌和施工现场总平面图等内容。
2. 有的地区推广“七牌两图”,即消防保卫牌、材料管理牌、环境卫生管理牌、安全生产牌、文明施工牌、工程概况牌、项目管理人员名单及监督电话牌和施工现场总平面图、施工现场安全标志平面图等内容。
3. “七牌两图”参考内容示例(1)消防保卫管理制度(消防保卫牌)1)施工现场设消防保卫负责人,建立消防组织、设置义务消防队员。
2)制定消防管理制度;临建经审批且符合防火要求。
3)建立消防、保卫制度和记录。
4)确保消防道路畅通,加强易燃易爆物品管理。
5)按规定配置消防器材;火灾危险地带设置消防箱、配置消防器材;重要防火点悬挂警告牌;动火作业需审批,并设专人监控。
6)供电设施、线路符合要求。
7)外出物资执行出门证制度。
8)施工现场禁止吸烟。
(2)材料管理制度(材料管理牌)1)严把材料进场关,严禁不合格材料进入施工现场。
2)进场材料必须按规定取样试验,确认合格后方可使用。
3)现场材料堆放有序,机砖成丁、砂石成方、水泥成垛、钢材分类堆放,并悬挂标识牌。
4)材料管理人员持证上岗。
5)材料发放专人负责。
6)材料使用严格执行限额领料制度,杜绝材料浪费。
7)现场剩余材料及时回收入库。
(3)环境卫生管理制度(环境卫生管理牌)1)工地周围连续设置坚固、稳定、整洁、美观的围挡。
2)物料不准乱堆乱放,在马路、边道存放时,必须有批准手续。
3)施工现场建立防粉尘、防噪声措施及施工不扰民措施。
4)施工工地设专人清扫和管理环境卫生,并经常保持环境清洁。
5)工地工程垃圾和生活垃圾设专人管理,做到随产随清。
6)运输物料的车辆不遗漏,不准车轮带泥,出门口时必须经过冲洗。
7)作业污染道路时要及时清理干净。
(4)安全生产管理制度(安全生产管理牌)1)施工现场设置安全标志牌,通道口搭设防护棚。
工程概况牌安全生产牌安全管理目标:施工过程中全面贯彻执行《中华人民共和国安全生产法》、《建设工程安全生产管理条例》和南昌铁路局制定的有关营运线施工安全规定等法律、法规和管理办法,坚持“安全第一,预防为主,综合治理”的方针,建立健全安全保证体系,并确保达到以下安全目标:1)杜绝各类员工重伤、死亡责任事故,员工轻伤率每年控制在3‰以内;2)杜绝重大道路交通、火灾、重大机械设备、爆炸责任事故;3)杜绝铁路交通一般及以上事故;4)隧道无涌水、突泥、坍塌重大事故,桥梁及铺架无高空坠落事故;5)杜绝责任火工品、重要器材、设备被盗和爆炸事故;6)防止急性食物中毒事件的发生,职业病得到有效控制;7)维护项目部及施工所在地良好的生产生活秩序和治安环境,消灭各种不良群体事件。
安全防范重点:高空坠落、物体打击、机械伤害、易燃易爆化学危险品存放及使用、悬臂挂篮施工、爆破作业、铺轨架梁作业、桥隧施工机械设备安全、大型起重吊装特种设备安全、施工临时用电、不良地质和特殊自然灾害等。
工程质量揭示牌质量方针:以顾客满意为宗旨,提升质量,持续改进,追求卓越绩效,为社会提供时代的绿色精品工程。
质量目标:建立健全质量管理体系,严格质量责任制管理,规范施工作业流程,交验全部工程质量达到国家、铁道部现行的工程质量验收标准,符合设计文件和有关技术规范要求,满足全线创优要求。
具体指标如下:1)杜绝工程质量大事故的发生,消除和有效控制质量通病;2)检验批、分项、分部工程施工质量检验合格率100%;3)单位工程一次验收合格率100%;4)主体工程质量零缺陷,其中桥梁、隧道、混凝土结构使用寿命不低于设计年限;5)工程满足质量要求,并争创部优;6)竣工文件按部颁标准编制,各种资料真实、有效、完整,实现一次验收合格。
环境保护牌环境保护总要求:全面执行经国家环保总局、水利部批准的环境影响报告书和水土保持方案,无集体投诉事件,环境监控达标,环境保护、水土保持设施与主体工程“同时设计、同时施工、同时投入使用”。
五牌一图:1、建筑物正方体图挂于大门左侧。
2、工程名称及概况,施工现场职工安全守则,悬挂于大门左侧。
3、进大门内的正面树立醒目的进场须知牌和安全第一的标语,及门卫制度牌。
4、施工总平面布置图(要求白底红字,详细绘出施工现场布置情况),各种管线的走向,材料堆放,机具位置,悬挂于办公室侧面。
5、安全活动示意牌悬挂于工地施工现场与施工平面布置图合理组合。
6、工地管理安全领导小组名单牌悬挂于办公室。
7、办公室内悬挂各级人员的责任抽标牌。
8、各种配电箱、搅拌机、卷扬机、电焊机边设置各种机械操作规程。
9、“施工现场安全检查、整改记录本”,“安全活动记录本”,“安全技术交底”。
安全帽:进入施工现场一律戴安全帽,扣好帽带,并标色区分:1、生产工人带黄安全帽2、施工管理人员带红色安全帽安全标志牌:1、进出口:“禁止停留”2、洞口:“注意安全”3、大门口:“进入施工现场必须戴安全帽”,“施工现场闲人莫入”4、危险通道:“禁止通行”5、配电箱:“当心触电”6、吊装区域:“当心落物”7、脚手架:“当心坠落”8、木工棚:“严禁吸烟”、“当心伤手”9、机械设备:“当心机械伤人”高空作业1、高空作业人员,必须严格遵守《建筑施工高空作业安全技术规范》及有关高空作业安全技术标准的规定。
2、从二层楼面起设置安全网。
3、网绳不得破损,生根牢固绷紧。
4、登高作业2米以上,无防护措施必须挂安全带。
5、作业层要设护身栏杆,张设安全网,进行封闭。
六、洞口、临边防护1)预留洞口:1、边长或直径在150㎝以下的用盖板防护。
2、边长或直径在150㎝以上月的四周设置防护栏杆。
2)楼梯口:1、分层施工楼梯口临时护栏。
2、楼梯段边设临时护栏。
3、顶层楼梯口设置护栏。
3)阳台临边通道口、电梯口,挑排外架子的作业层应全封闭防护,设置临时护栏。
垂直运输设备防护1)井字架(龙门架)1、井字架(龙门架)应装设避雷针,底部设有可靠的接地装置并组合测试合格后方可使用。
“五牌一图”名称和内容一、“五牌”名称:1、工程概况牌2、安全生产牌3、消防保卫牌4、环境保护牌5、文明施工牌二、“一图”名称1、施工现场总平面图三、“五牌一图”内容1、工程概况牌:包括工程名称、工程规模、建设单位、设计单位、施工单位、监理单位、开竣工日期、项目经理等管理人员名单及监督电话等;2、安全生产牌:(1)任何人进入施工现场,都必须遵守各项安全制度,佩带安全帽及正确使用个人安全防护用品;(2)施工现场应做好三通一平,水通、电通、道路畅通和场地平整工作;(3)现场的机具设施、材料构件等均须按照施工组织设计中详细规定的要求堆放和布置,保证道路畅通;(4)高处作业必须搭设脚手架及安全操作平台,佩带安全带、安全绳和其他防护用品;(5)各种安全装置、设备、设施及标志等,任何人不得擅自拆动,如因施工需要,拆动时要经项目部负责人和安全管理部门同意,方可拆除;施工结束后,应立即恢复;(6)电气设备必须全部接漏电保护器,架设的线路应符合电气安全规定;(7)电动机械、移动电动工具等要设置漏电保护开关;(8)工作前及工作时严禁饮酒;(9)施工现场不准抽烟,若需抽烟请到指定的地方抽;(10)如发现事故隐患,应立即进行整改并向上级主管部门报告;3、消防保卫牌:(1)施工现场应建立防火责任制,职责明确;工地、仓库等部位和生产重要环节必须设有足够的消防器材;(2)施工现场要有畅通的消防通道、消防水源、消防用砂、消防器材,工具、用具要符合防火规定及要求;(3)在建工程内不准存放易燃、易爆物质,施工现场的临时建筑要符合防火规定;(4)未经建设行政主管部门批准,任何人不得在承建工程内住宿;(5)明火作业要严格管理,要符合有关防火规定;(6)仓库内的易燃物品、料具不得乱放,要采取防燃措施;(7)在建高层建筑应按有关消防管理规定设置消防设施;(8)施工现场工人要学习和掌握消防知识及消防器材的使用方法;(9)加强对职工的政治思想教育和治保教育,在施工现场内严禁赌博、酗酒、传播淫秽物品和打架斗殴;(10)严防盗窃、严防破坏等治安案件的发生;4、环境保护牌:(1)遵守国家有关环境保护的法律法规和当地政府及有关单位的环保规定,采取措施控制施工现场的各种粉尘、废气、废水、固体废弃物以及噪声、振动对环境的污染和危害;(2)施工现场垃圾严禁随空抛撒,应及时清运,作业区内的道路应适当洒水,减少扬尘;(3)水泥等易飞扬的细颗粒材料,应安排在库房存放或严密遮盖,运输时要防止遗洒、飞扬;卸运时应采取有效措施,以减少扬尘;(4)除设有符合规定的装置外,不得在施工现场熔融沥青或者焚烧油毡、油漆以及其他会产生有毒有害烟尘和恶臭气体的物质;(5)凡进行现场搅拌工作的,必须设置沉淀池,废水经沉淀后方可排放;(6)现场油料须单独存放,容器必须进行防渗漏处理,防止油料跑、冒、滴、漏,污染水体;(7)对产生噪声振动的施工机械,应采取有效控制措施,减轻噪声扰民;(8)施工中应加强固体废弃物的集中管理,力争固体废弃物集中管理达80%以上;5、文明施工牌:(1)必要时到当地政府监察大队领取标牌,在施工现场出入口处挂设;(2)夜间施工要经当地政府建委施工处批准,并将噪声控制到最低限度;(3)临时占用道路要到当地政府公安部门办理报批手续;(4)市区马路和旅游风景区施工现场,要设高度不少于2米的护栏,护栏外不准放建筑材料,不损坏行道树和绿化设施;(5)运送散体、流体建筑材料、余淀、垃圾,沿途不得漏洒,车轮粘有泥沙及浆状物的车辆不准驶出工地;(6)不得随意开挖路面;(7)工地四周不得乱倒垃圾、余泥,不乱扔废弃物;(8)材料、机具分类堆放整齐;(9)搭设的临时厕所、浴室有接、载、流措施,粪便、污水不外流;四、其他内容:1、中国化学工业第十三建设公司简介中国化学工程第十三建设公司成立于一九六三年十月,总部设在河北省沧州市;持有国家建设部颁发的化工、石油化工施工、房屋建筑工程施工、冶炼工程施工、持有国家建设部颁发的化工、石油化工施工、房屋建设工程施工、冶炼工程施工、机电安装施工、市政公用工程施工等5项施工总承包一级资质和地基与基础工程、钢结构工程、化工石油设备管道安装工程、管道工程4个专业承包一级资质;获得“质量管理体系、环境管理体系、职业安全健康管理体系认证证书;公司下设八个分公司和二十个驻外分公司,员工6000余人,其中高级专业人员236人,中级专业技术人员830人,各类专业技术、管理人员1680人;公司自有施工能力8亿元,自组建以来,承建各类工程600多项,其中大中型项目160余项,从多个国家引进技术的大型化工和石油化工装置80余项;公司获国家优质工程银质奖5项,建设部鲁班奖2项,省部级优秀工程17项;近年获“全国优秀施工企业”、“全国用户满意企业”、“全国工程建设质量管理优秀企业”、“全国优秀焊接工程”等多项全国性奖励;2、公司综合管理方针:顾客至上、质量第一;优质服务、信誉第一;预防为主、安全第一;保护环境、造福社会;遵纪守法、持续改进;3、质量、环境、职业健康安全目标:质量、环境、职业健康安全目标(1)工程质量目标创优:根据投标文件承诺和公司主管部门要求(2)环境目标:根据投标文件承诺和公司主管部门要求(3)职业健康安全目标:根据投标文件承诺和公司主管部门要求。
2.安全生产牌一、进入施工现场,必须遵守安全生产规章制度。
二、进入施工区,必须佩戴安全帽、扣好帽带,机械操作工必须佩戴防护帽。
四、现场内不准赤脚,不准穿硬底鞋、高跟鞋,喇叭裤和酒后作业。
五、高空作业必须系好安全带,安全带高挂低用,高空作业严禁皮鞋或带钉的易滑鞋。
六、非操作人员不得进入施工危险区域内。
七、未经施工负责人批准,不得任意拆除架子设施及安全防护装置。
八、严禁从高空抛扔材料、工具、砖、石、建筑垃圾等一切物品。
九、架设电线必须符合《规范》规定,电气设备必须有保护接零装置。
十、施工现场的危险区域应有警示标志,夜间有照明示警。
3.文明施工牌道路畅通。
料及杂物,及时清理零散物料及建筑垃圾。
三、临时占用道路必须到有关部门办理有关手续。
四、施工现场要做到道路平整、排水渠畅通,按施工组织设计平面布置图布置电路、给排水线路,做到水管不漏水,电线不漏电。
五、现场应设有男、女厕所,排污、排便等设施。
处理。
七、夜间施工必须通过主管部门批准并公开告示,取得社会谅解方可施工。
八、施工现场应遵守国家有关环保法规,采取措施控制现场的各种灰尘、废不排放、固体废物处理以及噪声和振动时环境保护的措施。
4.消防保卫牌置现场消防保卫工作。
二、施工现场必须设置门卫,作业人员必须佩戴胸卡进出施工现场,严禁非操作人员及家属留宿施工现场。
三、严格执行动火审批制度,未经批准,任何人不得在现场使用明火。
四、严格执行易燃易爆物品的存放、保管和使用的规定,木工房等易燃场所必须工完场地清,严禁吸烟、并配备足数量的消防灭火器材。
六、每个宿舍必须设防火负责人,室内严禁卧床吸烟,烟头必须放烟灰缸或容器内。
管理人员名单及监督电话牌5.环境保护牌施工现场平面布置图下面是之前作者提供的内容:1个工程概况+1个施工平面图+安全警示图+4个制度俗称“五牌二图”4个制度内容如下:一、贯彻执行国家和地方有关安全生产的法律、法规各项安全管理规章制度。
三、各项目工程的安全措施必须齐全、到位。
附件2“五牌一图”的参考内容及要求一、工程概况牌二、组织网络牌三、安全纪律牌(一)进入现场必须戴好安全帽,系好帽带,并正确使用个人劳动防护用品。
(二)凡2米以上的悬空,高处作业无安全设施的必须系好安全带,扣好保险钩。
(三)高处作业时不往下或向上乱抛材料和工具等物件。
(四)各种电动机械设备,必须有漏电保护装置和可靠安全接地方能开动使用。
(五)未经有关人员批准不准任意拆除安全设施和安全装置。
(六)未经教育不得上岗、无证不得操作、非操作人员严禁进入危险区域。
(七)井字架吊篮、料斗不准乘人。
(八)酒后不准上班操作。
(九)穿拖鞋、高跟鞋、赤脚或赤膊不准进入施工现场。
(十)穿硬底鞋不准进行登高作业。
四、防火须知牌(一)不准在宿舍内和施工现场明火燃烧杂物和废纸等,现场熬制沥青时应有防火措施,并指定专人负责。
(二)不准在宿舍、仓库、办公室内开小灶;不准使用电饭煲、电水壶、电炉、电热杯等,如需使用应由行政办公室指定统一地点,但严禁使用电炉。
(三)不准在宿舍、办公室内乱抛烟头、火柴棒、不准躺在床上吸烟,吸烟者应备烟灰缸,烟头和火柴必须丢进烟灰缸。
(四)不准在宿舍、办公室内乱接电源、非专职电工不准私接熔丝,不准以其他金属丝代替保险丝。
(五)宿舍内照明不准使用60W以上灯泡,灯泡离地高度不低于2.5米,离开蚊帐等物品不少于50厘米。
(六)不准将易燃易爆物品带进宿舍。
(七)食堂、浴室、炉灶的烧火人员不得擅自离开岗位,及时清理炉灶余灰、不准随便乱跑。
(八)不准将火种带进仓库和施工危险区域、木工间及木制品堆放场地。
(九)不准在宿舍区、施工现场和公安局规定的禁区内燃放鞭炮和烟火。
(十)电焊、气焊人员应严格执行操作规程,执行动火证制度,不准在易燃易爆物附近电气焊。
五、文明施工管理牌包括现场文明施工管理组织机构,责任制落实情况、管理人员和操作人员的文明守则等。
六、施工现场总平面布置图包括临时设施、现场交通、现场作业区、施工设备及机具的布置,成品、半成品、原材料的堆放位置等。
五牌一图内容Company Document number:WTUT-WT88Y-W8BBGB-BWYTT-19998安全生产牌一、建筑施工重地严禁非施工人员进入,凡进入施工现场人员,都必须戴好安全帽。
二、参加施工的操作人员,必须懂得本工种的安全技术操作规程,遵章操作。
现场的操作人员禁止饮酒、赌博、打闹、冒险作业,不准穿拖鞋、高跟鞋、赤脚和赤膊穿短裤,吸烟要到指定地点。
三、工作前必须检查设备,确认安全后方可操作,现场所有的机电设备,要设专人负责,非操作人员一律禁止乱开。
机械操作人员在注油和维修时,必须停车拉闸,工作时精神要集中,不得脱离岗位,不要和别人闲谈和吵闹。
四、施工现场必须做到“三通一平”,道路畅通,作业时要走正式道路和铺设的通道,禁止在模板梁底上操作行走,禁止投扔工具和其他物料,各工种在同一场合立体交叉作业时,必须按规定搭设防护棚。
五、禁止乱拆已搭设好的脚手架,未经工地负责人进行安全交底的施工项目,不得自行盲目操作。
六、在雷雨时要离开高压线及变电2m以外的安全地方,以免发生危险,禁止在现场设有危险标志和专门围栏场所行走及起重臂活动区域内逗留与操作。
七、施工现场要充分发挥“三宝”的作用,操作者要按要求戴好安全帽,高空作业时要系好安全带,挂好安全网。
八、非电工禁止乱拉乱接灯线和动力线,在电线上禁止乱挂衣物,电闸箱内禁止存放工具及物品,夜间施工必须有足够的照明、宿舍照明必须使用安全电压。
九、现场洞、坑、沟、槽必须设置安全护栏及警告标志,以防发生事故。
十、现场发生安全事故,要及时上报,并保护好现场。
文明施工牌一、施工现场入口处应挂置施工概况牌,施工现场周边应设置高度不低于2米的围墙,实际封闭式施工。
二、工地的大门要牢固可靠,门扇开关灵活,大门内设硬化道路,大门里侧设门卫室和保卫人员。
三、各项临时设施、材料和机具设备,应按施工总平面图布置堆放,整齐稳固。
施工现场道路应坚实畅通,场地平整,无积水,供水阀不得长流水,及时清理建筑垃圾保持场地清洁。
江苏大汉建设实业集团有限责任公司
一、名称:
1、企业简介
2、工程概况牌
3、现场布置图
4、安全生产牌
5、消防保卫牌
6、环境保护牌
7、文明施工牌
8、扬尘治理牌
9、现场联系人电话
10、工程奋斗目标
二、内容
1、企业简介:
江苏大汉建设实业集团有限责任公司座落于汉高祖刘邦的故乡——江苏·沛县,经过三十多年的奋斗发展到现在的房屋建筑施工总承包一级企业,防腐保温工程专业承包一级、建筑装修装饰工程专业承包一级、市政工程施工总承包一级、钢结构专业承包一级、消防设施工程专业承包一级、桥梁工程专业承包二级、机电安装工程施工总承包二级。
注册资本金2.8688亿元,有各种专业技术人员和经济管理人员600多人,有二十四个分支机构分布在全国各省、市。
在几十年的发展过程中,大汉建筑公司积累了综合型建筑群、智能建筑等各类工程建设的丰富经验;形成了以建筑规模大、技术难度高的群体工程和超深、超高工程、各类建筑工程为特点的技术体系;确立了以“总部服务控制、项目授权管理、专业施工保障、社会协力合作”为内涵,专业管理和计算机辅助管理相结合,标准化、规范化的项目管理模式和工程总承包管理体制。
培养造就了一大批专业技术人才,建立了比较完善的组织机构和企业规章制度。
在“快速、优质、安全、低耗”的经营战略方针指导下,公司坚持“立足江苏、面向全国、走出国门、多元经营、综合发展”的经营战略,深化企业内部改革、强化项目管理、积极参与竞争,创造了一批工期短、质量优、信誉高的名优工程,多项工程被评为省、市级文明工地及优质工程。
质量方针:信守合同、保证质量、持续改进,多创精品
管理目标:工程质量合格率100%;合同履行率100%;用户满意率90%;消灭重伤以上事故;施工噪音影响投诉率低于10%。
2、天护新城天户村安置区(棚户
区改造)项目信息公开栏
请根据另一个压缩包里提供的照片及资料制作
3、工程概况牌:(附上现场CAD
图暂时未给)
工程名称:井陉矿区天护新城中王舍村1-2队安置区项目14-17楼
建设单位:石家庄市井陉矿区天护新城开发建设有限公司
监理单位:河北环渤工程建设监理有限公司
施工单位:江苏大汉建设实业集团有限责任公司
4、安全生产牌:
1、任何人进入施工现场,都必须遵守各项安全制度,佩
带安全帽及正确使用个人安全防护用品。
2、施工现场应做好三通一平,水通、电通、道路畅通和
场地平整工作。
3、现场的机具设施、材料构件等均须按照施工组织设计
中详细规定的要求堆放和布置,保证道路畅通。
4、高处作业必须搭设脚手架及安全操作平台,佩带安全
带、安全绳和其他防护用品。
5、各种安全装置、设备、设施及标志等,任何人不得擅
自拆动,如因施工需要,拆动时要经项目部负责人和安全管理部门同意,方可拆除。
施工结束后,应立即恢复。
6、电气设备必须全部接漏电保护器,架设的线路应符合
电气安全规定。
7、电动机械、移动电动工具等要设置漏电保护开关。
8、工作前及工作时严禁饮酒。
9、施工现场不准抽烟,若需抽烟请到指定的地方抽。
10、如发现事故隐患,应立即进行整改并向上级主管部门
报告。
5、消防保卫牌:
1、施工现场应建立防火责任制,职责明确。
工地、仓库
等部位和生产重要环节必须设有足够的消防器材。
2、施工现场要有畅通的消防通道、消防水源、消防用砂、
消防器材,工具、用具要符合防火规定及要求。
3、在建工程内不准存放易燃、易爆物质,施工现场的临
时建筑要符合防火规定。
4、未经建设行政主管部门批准,任何人不得在承建工程
内住宿。
5、明火作业要严格管理,要符合有关防火规定。
6、仓库内的易燃物品、料具不得乱放,要采取防燃措施。
7、在建高层建筑应按有关消防管理规定设置消防设施。
8、施工现场工人要学习和掌握消防知识及消防器材的使
用方法。
9、加强对职工的政治思想教育和治保教育,在施工现场
内严禁赌博、酗酒、传播淫秽物品和打架斗殴。
10、严防盗窃、严防破坏等治安案件的发生。
6、环境保护牌:
1、遵守国家有关环境保护的法律法规和当地政府及有关单位
的环保规定,采取措施控制施工现场的各种粉尘、废气、废水、固体废弃物以及噪声、振动对环境的污染和危害。
2、施工现场垃圾严禁随空抛撒,应及时清运,作业区内的道
路应适当洒水,减少扬尘。
3、水泥等易飞扬的细颗粒材料,应安排在库房存放或严密遮
盖,运输时要防止遗洒、飞扬。
卸运时应采取有效措施,以减
少扬尘。
4、除设有符合规定的装置外,不得在施工现场熔融沥青或者
焚烧油毡、油漆以及其他会产生有毒有害烟尘和恶臭气体的物
质。
5、凡进行现场搅拌工作的,必须设置沉淀池,废水经沉淀后
方可排放。
6、现场油料须单独存放,容器必须进行防渗漏处理,防止油
料跑、冒、滴、漏,污染水体。
7、对产生噪声振动的施工机械,应采取有效控制措施,减轻
噪声扰民。
8、施工中应加强固体废弃物的集中管理,力争固体废弃物集
中管理达80%以上。
7、文明施工牌:
1、必要时到当地政府监察大队领取标牌,在施工现场出入口
处挂设。
2、夜间施工要经当地政府建委施工处批准,并将噪声控制到
最低限度。
3、临时占用道路要到当地政府公安部门办理报批手续。
4、市区马路和旅游风景区施工现场,要设高度不少于2米的
护栏,护栏外不准放建筑材料,不损坏行道树和绿化设施。
5、运送散体、流体建筑材料、余淀、垃圾,沿途不得漏洒,
车轮粘有泥沙及浆状物的车辆不准驶出工地。
6、不得随意开挖路面。
7、工地四周不得乱倒垃圾、余泥,不乱扔废弃物。
8、材料、机具分类堆放整齐。
9、搭设的临时厕所、浴室有接、载、流措施,粪便、污水不
外流。
8、扬尘治理牌
1、项目经理负责对施工全过程监督,从源头做好施工扬尘整治工作。
2、项目副经理负责对本方案的检查、监督及评价。
对违法违规、不
符合要求的扬尘行为必须坚决制止,不听劝阻的要及时向建设行政主管部门报告。
3、技术负责人负责对扬尘治理专项方案的编制、实施和检查,对投
入到扬尘专项治理的人、机、材、设备等作统一安排和部署,对扬尘污染负主责。
必须按照《地方城市扬尘污染防治管理暂行规定》、《地方建筑施工现场监督管理规定》、《地方房屋建筑和市政基础设施工程施工现场管理暂行标准(环境和卫生)》的规定,落实好裸土覆盖、硬化道路、冲洗车辆、洒水降尘、工地绿化5个100%必须达标的要求;有专门机构,指派
专人负责,每天对施工现场扬尘整治工作进行检查并记录,使工地扬尘整治工作步入常规化和规范化管理。
4、专职安全员:负责每天检查扬尘治理落实及实施情况并作好记录。
5、综治员:负责对路面、加工棚、水沟、机械挖土进行覆盖。
6、
施工员:负责对路面保洁人员的监督。
9、扬尘治理牌
1、项目经理负责对施工全过程监督,从源头做好施工扬尘整治工作。
2、项目副经理负责对本方案的检查、监督及评价。
对违法违规、不
符合要求的扬尘行为必须坚决制止,不听劝阻的要及时向建设行政主管部门报告。
3、技术负责人负责对扬尘治理专项方案的编制、实施和检查,对投
入到扬尘专项治理的人、机、材、设备等作统一安排和部署,对扬尘污染负主责。
必须按照《地方城市扬尘污染防治管理暂行规定》、《地方建筑施工现场监督管理规定》、《地方房屋建筑和市政基础设施工程施工现场管理暂行标准(环境和卫生)》的规定,落实好裸土覆盖、硬化道路、冲洗车辆、洒水降尘、工地绿化5个100%必须达标的要求;有专门机构,指派专人负责,每天对施工现场扬尘整治工作进行检查并记录,使工地扬尘整治工作步入常规化和规范化管理。
4、专职安全员:负责每天检查扬尘治理落实及实施情况并作好记录。
5、综治员:负责对路面、加工棚、水沟、机械挖土进行覆盖。
6、
施工员:负责对路面保洁人员的监督。
10、工程奋斗目标:
1.工程质量目标:
主体结构优良,争创井陉矿区优质工程。
2、安全目标:
杜绝轻伤及以上人身事故、杜绝其他非人身事故。
3、文明施工目标:
争取井陉矿区文明工地。
安全生产
文明施工
每个牌子最上方写大汉的logo:
整个颜色格局如下图:请合理安排整个格局并制作效果图
板房上共20个字(办公区10个,工人区10个),
80cm
抓管理安全生产树形象,勤奉献精品工程美名传。