高边坡危险源预防措施
- 格式:doc
- 大小:25.00 KB
- 文档页数:4
高边坡危险源预防措施1)预防机械伤害事故的防护措施对所有各种机械设备进场后,必须由设备部负责人会同安全员和使用机械的人员共同对该机械设备进行进场验收工作,经验收现安全防护装置不齐全的或有其它故障的应退回设备保障贲门进行维修和安装。
使用前要对设备使用人员进行必要的安全技术交底和教育工作,使用人员必须严格执行交底内容及最近操作规程操作。
使用中经常对设备进行维修保养,停止使用后切断电源并锁好电闸箱。
各种机械设备必须有专人专机,凡属特种设备,其操作负责人要按规定每周对施工现场的所有机械设备进行检查,发现问题及隐患及时解决处理,确保机械设备的完好,防止机械伤害事故的发生。
2)预防坍塌和滑坡事故的防护措施施工过程中,对施工开挖的地质情况,施工情况等信息尽心动态监测。
对地质有出入的应联系设计部门进行相应设计修改。
高边坡监测:用于稳定性监测的位移边桩设置一般纵向每隔50-100米左右设置一个观测断面,对于一些特殊可酌情增设观测断面。
充分考虑季节性气候对高边坡施工的影响,尽量避免安排在雨季施工。
所有高边坡的施工必须提前做好截水沟和排水沟,截断山体水流。
排水设施必须与实际地形和临近的沟渠顺接,确保雨季排水畅通,不积水。
为防止水流下渗和冲刷,截水沟进行严密的防渗和加固,地质不良地段和土质松软、透水性较大或裂缝较多的岩石路段,对沟底纵坡较大的土质截水沟截水沟的出水口,均采用加固措施防止渗漏和冲刷沟底及沟壁。
严格执行分级开挖分级防护,对不稳定的边坡采取开挖和防护相结合,避免开挖边坡暴露时间过长,使边坡松弛范围变大,造成新病害。
如有地下水露出,应将地下水排出引入排水系统,不可堵死。
严格按照批准的施工方案施工,特别是爆破施工,必须严加控制,严禁有大药量爆破现象出现,并按照要求做好各种飞石措施。
严格实行奖罚措施制度,对违反高边坡施工安全的各种行为必须严加惩罚。
3)爆破施工的安全防护措施(具体见爆破施工专项方案)A、施工管理建立以项目部为指导的爆破作业指挥部,各工区负责人为现场负责人,工区专职安全员和专业爆破员。
路基高边坡施工安全控制要点1、施工安全技术措施1)石方爆破作业以及爆破器材的管理、加工、运输、使用、检验、和销毁等工作必须严格遵守国家现行的《爆破安全规程》,主动接受当地公安部门的监督管理。
光面爆破应严格控制钻眼间距和炸药用量。
施工机械作业时,除按规范操作外并应按事先设计的行走路线进行,其工作位置应平坦稳固,并应有专人指挥,指挥人员不得进入机械作业范围内。
2)挖方高边坡实行“随开挖、随加固、随防护”,施工时严格按照设计方案进行施工。
3)高边坡施工人员必须戴好安全帽,系好安全带,绑挂安全带的绳索应牢固地拴在可靠的安全桩上,绳索应垂直,不得在同一个安全桩上拴2根及以上安全绳或在一根安全绳上拴2人以上。
4)高边坡施工应设置安全通道;开挖工作面应与装运作业面相互错开,严禁上、下交叉作业。
边坡上方有人工作时,边坡下方不准有人停留或通行。
5)清理边坡上突出的块石和整修边坡时,应从上而下顺序进行,坡面上的松动土、石块必须及时清除。
严禁在危石下方作业、休息和存放机具。
6)施工中如发现山体有滑动、崩坍迹象危及施工安全时,应立即停止施工,撤出人员和机具,并报告监理办和指挥部处理。
7)滑坡地段的处理,应从滑坡体两侧向中部自上而下进行,严禁全面拉槽开挖。
施工中要设专人观察,严防塌方。
8)遇有大雨、大雪、大雾及六级(含六级)以上大风等恶劣天气时,应停止作业。
高边坡路堤施工时应设置警示标志。
9)施工机械靠近路堤边缘作业时,应根据路堤高度留有必要的安全距离,并应有专人指挥,指挥人员不得进入机械作业范围内。
10)弃土下方和有滚石危及范围的道路,应设警告标志、作业时下方禁止车辆、行人通行。
11)弃渣时,应有专人指挥机械的运输车辆,运输车辆不得直接在坡顶边缘卸渣,应在坡顶边缘一定安全距离的位置卸渣,再由推土机或装载机弃渣推出边缘。
2、安全专项施工措施1)须按设计规范施工2)作业要严格操作规程3)路基施工准备⑴机械设备的配备,挖掘机、装载机、推土机、羊足碾、平地机、压路机、自卸翻斗车、电缆线、照明设备、漏电保护器。
高边坡施工危险源分析及预防控制措施
确使用。
同时,搭设脚手架的人员应接受专业培训和考核,增强安全意识,防止操作不当或安全带、防滑鞋等安全措施使用不当导致的事故发生。
对于脚手架的倾倒、垮塌等情况,应立即采取措施进行处理,以避免造成人员伤害或落物伤人的情况发生。
针对高边坡施工中存在的危险源,我们需要采取相应的预防控制措施。
首先,在施工前进行科学决策,加快循环施工组织,进行工岗前培训上岗,增加作业面,确保边坡紧。
在施工过程中,需要加强监控量测工作,确保边坡坍塌组织不当不会造成边坡坍塌。
另外,在爆破作业中,需要执行国家和地方政府、上级和项目的相关管理章程监控并实施,确保各环节责任落实到人。
在临电操作方面,需要严格执行2005年的临电标准,实行TN-S配电系统,三线五线制、三级配电、两级规定
源头安装,并查堵筛选有证无技术的不合格人员。
对于起重作业、搭设脚手架等特殊工种,必须经过培训考试合格并取得相关证书后方能上岗作业,同时定期进行体检和安全培训,加强安全意识。
最后,对于施工中可能出现的倾倒、垮塌等情况,
应立即采取措施进行处理,以避免造成人员伤害或落物伤人的情况发生。
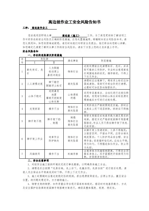
高边坡作业工安全风险告知书工种:高边坡作业工您在我项目即将从事高边坡(施工)工作,为了使您更好的了解该项工作中所存在的安全风险及正确的防范措施、应急处置措施等,特编制本安全风险告知书,请您认真阅知,如您有困难或疑惑,请及时向我们专职安全员提出,他们将会向您耐心讲解。
如您确定已清楚了解所从事工作的安全风险后,请在下方签上您的大名并盖上手印。
安全风险告知二、安全注意事项1、对拟作业施工面的环境状况进行事先勘察,以明确具体施工方法。
2、清理危石应按照“先易后难,先上后下,先撬后顶,先挤后按”进行坡石处理,清坡人员应保证水平等高线同时下移,不得上下交叉作业。
3、施工时要随时注意边坡稳定性的观测,若出现滑坡等前兆,应停止作业,撤至安全位置,待问题处理完毕,方才继续施工。
4、钢管支架的钢管、扣件质量应符合现行国家标准规定,搭设时对地基承载力、方式及安全围护依验算的坡面脚手架搭建方案进行,确保其整体强度、刚度、稳定性。
5、在钢管支架上作业应佩戴个人安全防护用品(安全帽、安全带),在进行锚杆钻孔作业时应有充分的作业面,钻孔时两脚站稳,用力均匀。
6、在坡面喷射有机基材、草籽时,作业人员还应戴护目镜,喷射机口不得对准人,作业间歇、检修时,应关闭电源,喷射机搁放在可靠的位置。
7、临边作业时要观察脚下,头顶物件,周边围护是否牢固。
三、潜在突发安全事故及应急措施1、享有的权利⑴享受工伤保险待遇和人身伤害索赔权;⑵危险因素和应急措施的知情权;⑶安全管理的批评、检举、控告权;⑷拒绝违章指挥和强令冒险作业权;⑸危险情况下的停止作业和紧急撤离权;⑹获得符合国家标准和行业标准的劳动防护用品权;⑺获得安全生产教育和培训的权利;⑻对本单位安全生产工作的建议权。
2、应遵守的义务⑴自律遵规的义务,即从业人员在作业过程中,应当遵守本单位的安全生产规章制度和操作规程,服从管理,正确佩戴和使用劳动防护用品;⑵自觉学习安全生产知识的义务,要求掌握本职工作所需的安全生产知识,提高安全生产技能,增强事故预防和应急处理能力;⑶危险报告义务,即发现事故隐患或者其它不安全因素时,应当立即向现场安全生产管理人员或者本单位负责人报告。
高边坡施工安全防护措施及应急预案高边坡施工是指施工范围内边坡高度超过10米,坡度大于1:3的施工。
由于高边坡的施工难度大、风险高,需要采取一系列安全防护措施和应急预案。
以下是关于高边坡施工安全防护措施及应急预案的介绍。
一、施工前安全检查在施工前,必须进行一个完整的安全检查,以确保边坡的稳定性合乎标准,避免施工过程中发生意外事件。
安全检查程序应包括以下几个方面:1. 了解工程资料包括工程设计文件、资料等,了解工程的详细情况,安全要求和施工规范。
明确有关边坡和施工过程中所有可能出现的问题,为施工安全提供保障。
2. 勘察边坡对边坡进行勘察和加强加固,避免边坡放大或倾塌,发现问题及时解决。
3. 确定施工方式施工前应根据勘察情况确定合适的施工方式,采用合适的机械设备,避免因施工方式不当而导致事故。
4. 制定应急预案在施工前应制定合理的应急预案,明确所有施工人员和参与人员的应急响应措施和责任。
二、施工现场安全防护在施工的过程中,施工单位和负责人必须按照国家法律的规定要求,采取多种安全防控措施,保障施工现场的周边环境和人员的安全。
具体措施如下:1. 封锁现场对施工现场进行严格的封锁,确保无人进入或离开,避免出现意外事故。
2. 安装围挡栏在施工现场应设立安全栏杆、指示牌、警示栏等安全隔离设备,确保施工区域的安全性,避免人员误入施工区域。
3. 定期检查施工过程中必须定期检查边坡是否稳定,是否有滑坡、塌陷等现象出现。
一旦发现异常情况,立即采取措施,避免意外发生。
4. 投入适当的人力和物力在施工现场增加足够的人力和物力,加强安全保障措施,确保安全施工。
三、应急预案高边坡施工事故是一种风险较大的事故。
在施工中,应急预案的制定是非常重要的一步,可以避免事故发生并及时处理。
1. 确定责任人员及联络方式施工单位应确定应急响应的责任人员及其联系方式,一旦发生事故,应尽快联系。
2. 制定应急响应措施在施工过程中,应急响应措施是必需的,例如:转移人员、施工停工、紧急抢险、提前拆除等。
高边坡施工安全措施高边坡施工安全措施为确保高边坡施工的安全,需要采取以下措施:一、安全管理保证措施1.确定安全生产目标:坚决杜绝重、特大安全责任事故,负伤频率控制在3‰以下。
2.建立安全保证体系:参照安全保护体系框图,执行《建筑施工安全检查标准》(59-2011)和重庆市有关规定,成立安全小组,由项目经理任组长、项目经理部设一专职安全员,任副组长,各施工组成立安全工作领导小组,并设一专职安全员,每个作业班(组)都要有兼职安全员。
3.建立安全施工组织机构与保证体系:本施工段项目工程经理部实行项目经理负责制,对承建的工程项目安全负全面责任。
项目经理是本项目安全生产第一责任人,全面负责本项目的安全生产工作。
4.制定安全规章制度:制定各种安全操作规范,做到每项工程开工前要安全交底,施工中经常进行安全检查,完工后进行安全评比,由安全责任人和安全员组成巡查小组,每天对工地进行巡查,发现问题及时纠正,并实行当班责任制。
加强施工现场及生活区的防火、防盗工作,要有严格的制度、专人负责安全,建立安全防火、防盗小组,并明确其职责,配备足够可用的消防器材和设施。
建立严格的管理制度,如项目经理负责制食堂制度,宿舍制度,出入制度,材料员安全责任制,施工员责任质,现场防火制等制度,使每一项工作有具体的人管理,有具体的人负责。
5.加强安全教育:进场前,首先要对工人进行必要的安全教育,要经常提醒操作者注意安全。
每周星期四以班组为单位进行安全活动,班前班后开展安全自检,发现问题及时解决。
特殊工种工人要经过专业培训,考试合格后发给操作证,并要求持证上岗。
进入现场必须戴安全帽,高空作业,必须系安全带。
加强安全常识教育,树立人人保护自己,自己保护别人的思想,分析事故苗头,清除事故隐患。
在进行施工交底的同时,应进行安全交底,各工种人员必须考试合格后持证上岗,每年对上岗进行复验和培训。
二、一般施工安全技术措施1.框架施工过程中,要防止边坡上部的滚石滚落伤及人员或设备。
高边坡防护措施
高边坡啊,那可真是个让人又爱又头疼的存在!就像一座陡峭的山峰,矗立在那里,既有着壮观的一面,又潜藏着不少危险呢。
高边坡要是没防护好,那后果可不堪设想!就好比一辆没刹住车的汽车,随时可能引发大灾难。
那我们该怎么保护这些高边坡呢?
首先,我们可以采用锚杆支护。
这就像是给高边坡穿上了一件坚固的铠甲,让它能够稳稳地站立在那里。
锚杆深深地扎进土里,紧紧地拉住边坡,给予它强大的支撑力。
还有啊,挡土墙也是个不错的办法。
它就像是一堵坚强的壁垒,挡住可能滑落的土石,守护着下方的安全。
另外,我们不能忘了坡面防护啊!可以铺设一些植被,让绿色的生命在边坡上蔓延。
这些植被就像是一群小小的卫士,它们的根系紧紧抓住土壤,防止水土流失,还能美化环境呢,多棒呀!
再说说排水措施吧。
高边坡要是积水了,那可不得了!就跟人憋了一口气似的难受。
所以合理的排水系统就像是给高边坡开通了一条顺畅的通道,让水能够快速流走,不给边坡造成负担。
我们难道不应该重视这些高边坡防护措施吗?它们就像是守护我们安全的天使,默默地为我们付出。
如果没有它们,我们的生活可能会被那些潜在的危险所困扰。
所以啊,让我们好好对待这些高边坡,用心去保护它们,让它们一直为我们的安全保驾护航吧!这不就是我们应该做的吗?。
高边坡施工安全防护措施第一篇:高边坡施工安全防护措施湖北xx 高速公路(xx 段)xx 标(K285+000—— K295+200)路基高边坡工程安全专项施工方案监理单位:承包单位:日期:二OO 六年六月目录一、工程概况二、编制依据三、施工技术方案四、危险因素及应对措施五、安全管理措施六、应急救援预案七、文明工地建设八、安全经费投入计划 M路基高边坡工程安全专项施工方案 1 工程概况本合同段为沪蓉国道主干线湖北沪蓉西(恩施至利川)高速公路第X11 合同段,路线起点位于青龙村三组,接第X10 合同段终点,起点桩号为K285+000,向西跨元堡河,经理智村,于马桥村跨天然气管道和利咸路、在城隍村设利川互通,继续向西经王家湾村、榨木村、木栈村、大塘村、林家村,于陈谷村三组与第X12 合同段起相接,终点桩号为K295+200,全长10.2km。
合同工期24 个月, 合同金额壹亿陆仟柒佰柒拾玖万肆仟零柒拾捌元整(¥:167794078 元)。
路线位于鄂西南褶皱山地,山脉走向、地形地貌特征受区域构造线控制,北东向滨太平洋构造体系奠定了该区地形骨架,从东向西大体呈北东向展布。
区内峰峦叠嶂、峰丛林立。
中山、低山、山间盆地、台原丘陵呈条带状高低相间排列,地形变化大。
纵观利川市全境,地势周缘高山耸立,中间开阔平坦,属高山盆地地形。
区内碳酸盐岩广泛出露,面积占60% 以上,是我国南方溶发育地区之一,岩溶个体形态有槽谷、圭地、漏斗、落水洞、峰丛、溶丘、溶洞、暗河、溶沟、石芽等。
本合同段沿线基岩主要为三叠系下统嘉陵江组及中统巴东组。
区内无火成岩、变质岩,构造以褶皱为主,断裂较少。
根据《中国地震动参数区划图》(GB18306-2001)及本项目地震安全性评价报告,本区地震动峰值加速度为0.05g,特征周期为0.35S,相当于地震基本烈度Ⅵ度。
本合同段所经区域属亚热带湿润季风性山地气候区,四季分明,潮湿多雨,属高寒山地气候型。
高边坡安全技术15篇【第1篇】高边坡防护施工安全技术措施1、现场施工人员须戴防尘口罩,严禁穿硬底、带钉、易滑、高跟、拖鞋或赤脚进入施工现场。
2、高边坡施工人员必须戴好安全帽,系好安全带,绑挂安全带的绳索应牢固地拴在可靠的安全桩上,绳索应垂直,不得在同一个安全桩上拴2根及以上安全绳或在一根安全绳上拴2人以上。
3、施工现场材料、设备摆放有序、整齐。
4、施工机械作业时,除按规范操作外并应按事先设计的行走路线进行,其工作位置应平坦稳固,并应有专人指挥,指挥人员不得进入机械作业范围内。
挖方高边坡实行“随开挖、随加固、随防护”,施工时严格按照设计方案进行施工。
5、高边坡施工应设置安全通道,开挖工作面应与装运作业面相互错开,严禁上、下交叉作业。
边坡上方有人工作时,边坡下方不准有人停留或通行。
6、清理边坡上突出的块石和整修边坡时,应从上而下顺序进行,坡面上的松动土、石块必须及时清除。
7、严禁在危石下方作业、休息和存放机具。
施工中如发现山体有滑动、崩坍迹象危及施工安全时,应立即停止施工,撤出人员和机具,并报告上级主管部门处理。
8、高边坡路堤下方有道路的,施工时应设警示标志。
9、施工机械靠近路堤边缘作业时,应根据路堤高度留有必要的安全距离,并应有专人指挥,指挥人员不得进入机械作业范围内。
10、弃土下方和有滚石危及范围的道路,应设警告标志、作业时下方禁止车辆、行人通行。
11、锚杆防护施工前认真检查和处理锚喷作业区的危石,确保施工队人员的安全,坡面破碎严重时采用先喷后锚,喷射厚度不小于5cm,喷射作业时设专人跟随观察坡面情况,锚杆施工在喷射混凝土终凝3h后进行,施工用电线路、开关设防触电设施,针对施工机械操作制定安全操作规程,对施工人员进行安全教育,非施工人员不得进入施工区,施工用的工作平台牢固可靠并设安全护栏。
12、施工中要设专人观察,严防塌方。
遇有大雨、大雾及六级(含六级)以上大风等恶劣天气时,应停止作业。
【第2篇】高边坡开挖:安全技术交底内容高边坡开挖安全技术交底内容:1、所有机械操作者必须经过培训,持证上岗;专人专机,非驾驶员本人不得开动机械,严禁机械转借他人操作。
高边坡施工安全防范措施随着城市建设的不断推进,越来越多的高边坡项目被开展,施工难度与风险也在不断增加,因此,高边坡施工安全防范措施显得尤为重要。
本文将从多个角度出发,详细阐述高边坡施工的安全防范措施。
一、安全管理方面1.建立完善的安全管理机制高边坡施工必须建立和完善科学合理的安全管理机制,确保所有施工环节严格按照规章制度操作,所有施工人员必须遵守安全操作规程,全面做好现场安全工作。
同时,更要从管理方面严格把关工程质量。
2.应严格按照安全生产法律法规落实高边坡施工企业应牢记落实安全生产法律法规是保障公共安全的重要工作之一,必须切实加强施工安全风险的排查和评估,对整个施工过程进行全面安全控制及技术保障,确保施工安全稳定运行。
3.加强安全意识教育进行高边坡施工时,安全意识极度重要。
因此,企业应根据工程的实际情况和风险评估结果来制定有效的安全教育培训计划,对施工人员进行系统的安全教育培训,提高施工人员的安全意识和责任心。
同时,通过技术手段提升施工人员的专业素养。
4.建立举报机制和应急预案在施工中,应建立有效的举报机制,形成完整的群防机制,迅速有效地获取安全隐患;做到及时、准确的通报,以迅速控制事故隐患的发生。
同时,建立完善的应急预案和应急处置措施,时刻保障工人安全和施工进度。
二、现场防护方面1.防护措施严格执行施工中的高边坡施工现场,应按照《建设工程施工安全操作规程》的有关标准,采取严格细致的防护措施,尽可能降低施工过程中的风险等级,确保施工的安全稳定进行。
2.施工道路平整且通过性好高边坡施工规模较大,施工过程会涉及到大量的土方工程。
为了确保运输通过性和安全性,应严格按照工程设计方案制定施工道路,保证施工道路平整且通过性好。
3.设立围挡及保护网在高边坡的施工过程中,必须设置围挡及保护网来确保工人安全,防止人员在施工过程中意外坠落。
围挡和保护网必须经过严格施工和检验,且检验合格之后方能实际使用。
4.用具具备保护作用在高边坡施工现场,用具的保护性应该得到充分重视。
高边坡安全防范措施一、基本要求1、作业人员必须进行进场教育,实行挂牌上岗,作业前参加工前安全技术交底。
2、患有高血病、心脏病、贫血、癫痫、恐高以及不适宜高处作业病症的人员,不得从事高处作业。
3、边坡开挖施工期间,设置专门的安全警戒人员,发现不安全因素,及时报警,并进行处理。
4、遇六级大风、雨、雪、霜天气停止高边坡施工作业。
5、高边坡施工人员严格按劳保着装要求着装,正确配戴和使用劳动保护用品(安全帽、安全绳、防滑软底鞋)。
并系安全带、安全绳。
6、高边坡施工作业时,在坡顶、施工作业面以及清坡范围两侧设安全人员,进行安全指挥。
7、在雨天时,停止高边坡施工,防止整个坡体坍塌,在边坡旁施工应保持一定安全距离。
8、弃碴场倒车必须设专人指挥,划定距边缘停车安全距离。
二、技术措施1、高边坡施工对于处理松渣、危石应采取由里向外,自上而下进行,严禁采取自下而上的处理方式。
不可站在松碴、危石下方或危石上作业,防止随松渣、危石滚动坠落。
作业人员之间应保持一定的安全间距,相互照应。
2、做好碴场边坡、开挖边坡的防护及截、排水设施,保证在雨季、汛期来临前具有足够的截、排水能力。
3、定期对高边坡进行检查,清除高边坡顶附近杂物、石块,严禁向高边坡下抛杂物、石块等。
4、采用浆砌块石护坡,确保边坡稳定。
5、对岩石松散,可能发生塌方的,要根据围岩情况采取喷锚支护等措施。
6、石渣及危石处理应设专人警戒和监护,作业下方禁止行人或设备作业、存放。
7、坡面清理后,若因裂隙切割或由于爆破震松的岩石,撬挖干净。
并根据现场实际情况,报监理同意后,对实施马道、边界采取设栏杆、警告标识或封堵等多种灵活措施。
1)预防机械伤害事故的防护措施对所有各种机械设备进场后,必须由设备部负责人会同安全员和使用机械的人员共同对该机械设备进行进场验收工作,经验收现安全防护装置不齐全的或有其它故障的应退回设备保障贲门进行维修和安装。
使用前要对设备使用人员进行必要的安全技术交底和教育工作,使用人员必须严格执行交底内容及最近操作规程操作。
使用中经常对设备进行维修保养,停止使用后切断电源并锁好电闸箱。
各种机械设备必须有专人专机,凡属特种设备,其操作负责人要按规定每周对施工现场的所有机械设备进行检查,发现问题及隐患及时解决处理,确保机械设备的完好,防止机械伤害事故的发生。
2)预防坍塌和滑坡事故的防护措施施工过程中,对施工开挖的地质情况,施工情况等信息尽心动态监测。
对地质有出入的应联系设计部门进行相应设计修改。
高边坡监测:用于稳定性监测的位移边桩设置一般纵向每隔50-100米左右设置一个观测断面,对于一些特殊可酌情增设观测断面。
充分考虑季节性气候对高边坡施工的影响,尽量避免安排在雨季施工。
所有高边坡的施工必须提前做好截水沟和排水沟,截断山体水流。
排水设施必须与实际地形和临近的沟渠顺接,确保雨季排水畅通,不积水。
为防止水流下渗和冲刷,截水沟进行严密的防渗和加固,地质不良地段和土质松软、透水性较大或裂缝较多的岩石路段,对沟底纵坡较大的土质截水沟截水沟的出水口,均采用加固措施防止渗漏和冲刷沟底及沟壁。
严格执行分级开挖分级防护,对不稳定的边坡采取开挖和防护相结合,避免开挖边坡暴露时间过长,使边坡松弛范围变大,造成新病害。
如有地下水露出,应将地下水排出引入排水系统,不可堵死。
严格按照批准的施工方案施工,特别是爆破施工,必须严加控制,严禁有大药量爆破现象出现,并按照要求做好各种飞石措施。
严格实行奖罚措施制度,对违反高边坡施工安全的各种行为必须严加惩罚。
3)爆破施工的安全防护措施(具体见爆破施工专项方案)A、施工管理建立以项目部为指导的爆破作业指挥部,各工区负责人为现场负责人,工区专职安全员和专业爆破员。
高边坡防护施工安全技术措施在高边坡防护施工中,安全问题一定不能忽视。
因为高边坡施工环境复杂,操作空间狭小,一旦发生意外,后果将不堪设想。
因此,必须采取科学、合理、有效的安全控制措施,确保施工顺利完成,并保障施工人员的身心健康。
本文将介绍高边坡防护施工的安全技术措施。
安全防护措施1. 安全防护用品高边坡防护施工时,操作人员应当佩戴个人防护装备,如:安全带、安全鞋、安全帽、手套、护目镜、口罩等。
尤其是在高空作业时,必须佩戴可靠的安全带。
此外,应配备应急药箱、灭火器等安全设施,以备不时之需。
2. 安全方案在进行高边坡防护施工前,需要制定详细的安全方案,明确安全措施及处置措施,规范各种工作流程,消除或降低作业风险,做到科学、合理、有效的安全控制。
3. 现场管理在施工现场,应设置明显的安全警示标志,以提醒施工人员注意安全。
如:工作区边界线、安全带登高区域、禁止通行标志等等。
同时,应指定专人负责安全管理,对施工现场的安全情况进行监督和检查,确保施工过程中不出现安全事故。
4. 协调与合作高边坡防护施工通常需要多人合作,而且不同操作之间还可能有协作需求。
因此,各个操作的配合默契度非常重要,必须加强协作,做到相互配合、相互促进,确保施工成果优良,同时大大降低危险因素。
安全注意事项1. 认真检查高边坡防护施工之前,应仔细检查施工工具、设备及防护用品是否齐全,要确保备品充足、质量良好。
同时还需要检查工作场地和边坡状态,如果存在安全隐患,应及时处理并标识,防止危险的发生。
2. 注意操作技巧在进行高边坡防护施工时,操作人员必须掌握正确的作业技巧,确保作业顺利进行,同时安全风险最小。
切记不能随意更改施工计划,更不能追求速度而牺牲安全。
3. 防范事故高边坡施工风险系数高,操作人员必须随时提高警惕,做好事故防范工作。
如:在施工中必须随时检查是否存在安全隐患,及时发现并予以消除;高空作业时,要严格执行安全操作规程,如:佩戴安全带、重新安装防护筷篱。
高边坡施工安全防范措施随着城市建设的不断推进,建筑业和交通建设业成为了各地政府的重点发展领域。
而在建筑和交通建设中,高边坡的施工是一项比较常见的工程。
但是,高边坡施工往往伴随着高风险,一旦出现安全事故,就会带来较大的经济损失和人员伤亡。
因此,高边坡施工安全防范措施的制定和执行至关重要。
1.高边坡施工前的准备工作在高边坡施工前的准备工作中,应首先确定施工方案和施工计划,明确施工过程中涉及到的任务和工作量,并在施工现场进行技术交底,确保每个工人都清楚了解自己的工作内容和安全要求。
同时,在施工前,应对施工场地进行全面检查,发现安全隐患后及时处理。
2.高边坡的定位与测量高边坡的定位和测量是高边坡施工的关键环节。
定位与测量主要包括高边坡的地形、高度、倾角、坡面表面状态等相关信息的测量。
在测量时,可以采用全站仪或者激光测距仪等专业工具,确保测量精度达到要求,以减少测量误差带来的隐患。
3.高边坡施工现场的安全措施在高边坡施工现场的安全方面,主要需要注意以下几个方面:•工地加固:在测量确认后,需要对高边坡周围的区域进行加固,确保施工现场的稳定性和安全性。
•吊桥安全:在高边坡施工过程中,需要设置吊桥,务必要确保吊桥的稳定性和安全性,同时应严格按照规定操作。
•安全防护:对高边坡周围的区域进行栅栏、网兜等安全措施,避免施工过程中的人员误入危险区域。
•严格管理:在高边坡施工现场,应设立相关标志和警示牌,对施工现场进行专人管理,确保施工过程中的安全。
4.高边坡施工过程中的安全控制在高边坡施工过程中,施工方需要确保以下安全措施:•随时进行检查:在施工过程中,需要随时检查高边坡的倾斜、借量等情况,及时发现问题。
•保证工具的安全:施工工人不得擅自调整、换用工具,严禁使用生锈、损坏的工具。
•避免振动:施工中需要避免使用会造成高边坡振动的工具和设备,避免造成对高边坡的影响,以保证高边坡施工的安全。
•优先考虑施工安全:在施工过程中,应优先考虑施工安全,而非时间、效率等其他因素。
高边坡防护施工安全技术措施引言随着城市化进程的不断加快和城市规划的不断拓展,高边坡的修建和建设已成为越来越普遍的现象。
然而,在高边坡建设过程中,防护施工安全问题也显得尤为重要,因为高边坡工程施工面临各种各样的安全风险。
因此,在高边坡施工中,建筑公司必需采取一些有效的安全技术措施,以确保建筑工人和过路行人的生命财产安全。
高边坡施工安全技术措施前期准备阶段在高边坡施工前期准备阶段,必须对施工区域进行全面而彻底的检查和细致而全面的规划,以确保所有安全隐患控制在可控范围内。
现场控制措施安全防护措施高边坡的修建需要施工人员在斜坡上作业,这种工作环境非常危险。
因此,在高边坡施工现场,必须设置安全防护措施,例如:•相应的防护措施,例如安装围栏和护栏,以及设备和网格障碍等,以避免人员、材料和工具从高处掉落造成人身伤害或物品损失;•独立、明确的工作区域,以确保高边坡上的施工人员和司机能够安全作业;•确保施工人员佩戴符合要求的安全带;•施工现场要设置安全标识,以指明风险区域和必须遵守的安全要求。
施工安全措施高边坡施工过程中,需要采取一些防止意外伤害、保证人员安全的技术措施,如:•建立安全管理体系并设立验收机制;•对施工人员进行安全教育和培训,确保他们了解安全风险和措施;•制定详细的施工计划,分配任务和工作时间,以避免施工冲突;•监测边坡稳定性和施工过程中的土方运输,以避免边坡滑坡或坍塌等意外事故;•定期对斜坡的稳定性进行检查,及时消除施工中发现的隐患。
应急预案建设设计单位、施工单位应该在开工前制定预案,防范可能出现的各种意外情况,并且运用应急机制以进行应急处理,应急预案内容包括:•应急响应机制的建立;•应急队伍的组建;•应急物资和设备的准备;•应急演练的实施。
结论高边坡防护施工安全技术措施在标准制定和执行中起到重要的作用,施工单位应制定严格、详尽的防护技术方案,准确掌握技术标准并在施工工程中加以贯彻。
在实际操作中,也应定期进行安全监测和检查,以不断完善和调整施工过程中的安全措施。
新建吉图珲铁路客运专线延吉段站前工程Ⅴ标段高边坡施工安全防护措施编制:复核:中铁二十二局集团有限公司新建吉图珲铁路客专五标一工区二〇一二年六月高边坡施工安全防护措施一、编制的目的:为了预防和控制高边坡施工人员及机械设备发生安全事故,积极做好事故发生时的预防应对措施,在发生安全事故紧急情况时能够及时响应,最大限度的减少安全事故的发生及人员、机械设备的损伤。
根据工区“应急预案和响应管理程序"的要求,特制定本案。
二、适用范围:本预案适用于GDK260+165-GDK260+191、GDK260+341-GDK260+450右侧路堑二级边坡以及GDK260+191—GDK260+383左侧路堑二、三级边坡三、施工技术方案一)、深挖路段路基施工方案1、在施工前详细复查深挖路堑地段的工程地质资料,包括土石界限、岩层风化厚度及破碎程度,岩层的构造特征等。
根据现场考察及设计要求,编制详细的施工组织设计,报监理工程师审批后实施.2、根据设计横断面的边坡坡率、台阶宽度,精确计算路堑堑顶的开挖线。
采用全站仪放样,根据现场坡口标高放出路堑坡口桩。
3、根据坡口桩放出路堑开挖线,进行清表、清杂等。
4、开挖中如发现有较大地质变化时,停止施工,重新进行工程地质补充勘探工作,并根据新的地质资料修正施工方案,报监理工程师审批后实施。
因深挖路堑工程量大、施工环境复杂,技术要求高,施工难度大,是控制工程进度的关键工程,必须精心组织,科学施工.5、石方开挖石方开挖根据岩石类别、风化程度和节理发育程度,确定开挖方法。
对于软石和强风化岩石能用机械开挖的采用机械开挖,不能用机械直接开挖的石方,采用爆破作业开挖。
在石方爆破作业前,根据地形地质,开挖断面及施工机械配备等情况,编制实施性爆破设计施工方案,报请监理工程师批准,并严格按照监理工程师的指令执行。
石质部分采用深孔多排微差爆破法开挖。
路堑既长又深时,采用纵向分层分段开挖,每一层先挖出一通道,然后开挖两侧,使每一层有独立的出土道路和临时排水系统;对风化破碎岩体,为保证施工中边坡的稳定和边坡防护的施工作业,采用阶梯式进行开挖,按设计要求的高度设置平台,形成阶梯边坡。
1)预防机械伤害事故的防护措施
对所有各种机械设备进场后,必须由设备部负责人会同安全员和使用机械的人员共同对该机械设备进行进场验收工作,经验收现安全防护装置不齐全的或有其它故障的应退回设备保障贲门进行维修和安装。
使用前要对设备使用人员进行必要的安全技术交底和教育工作,使用人员必须严格执行交底内容及最近操作规程操作。
使用中经常对设备进行维修保养,停止使用后切断电源并锁好电闸箱。
各种机械设备必须有专人专机,凡属特种设备,其操作负责人要按规定每周对施工现场的所有机械设备进行检查,发现问题及隐患及时解决处理,确保机械设备的完好,防止机械伤害事故的发生。
2)预防坍塌和滑坡事故的防护措施
施工过程中,对施工开挖的地质情况,施工情况等信息尽心动态监测。
对地质有出入的应联系设计部门进行相应设计修改。
高边坡监测:用于稳定性监测的位移边桩设置一般纵向每隔50-100米左右设置一个观测断面,对于一些特殊可酌情增设观测断面。
充分考虑季节性气候对高边坡施工的影响,尽量避免安排在雨季施工。
所有高边坡的施工必须提前做好截水沟和排水沟,截断山体水流。
排水设施必须与实际地形和临近的沟渠顺接,确保雨季排水畅通,不积水。
为防止水流下渗和冲刷,截水沟进行严密的防渗和加固,地质不良地段和土质松软、透水性较大或裂缝较多的岩石路段,对沟底纵坡较大的土质截水沟截水沟的出水口,均采用加固措施防止渗漏和冲刷沟底及沟壁。
严格执行分级开挖分级防护,对不稳定的边坡采取开挖和防护相结合,避免开挖边坡暴露时间过长,使边坡松弛范围变大,造成新病害。
如有地下水露出,应将地下水排出引入排水系统,不可堵死。
严格按照批准的施工方案施工,特别是爆破施工,必须严加控制,严禁有大药量爆破现象出现,并按照要求做好各种飞石措施。
严格实行奖罚措施制度,对违反高边坡施工安全的各种行为必须严加惩罚。
3)爆破施工的安全防护措施(具体见爆破施工专项方案)
A、施工管理
建立以项目部为指导的爆破作业指挥部,各工区负责人为现场负责人,工区
专职安全员和专业爆破员。
建立爆破作业器材集中收发制度,按工作量发料,多余的爆破器材在当班施工完成后,应及时上交给发放人员回收,做到集中发料,统一制作、统一回收、集中保管,严格登记手续,避免爆破器材流入社会。
安排好作业时间,爆破时间并将爆破时间告示与周围居民。
爆破总负责人施工组织、人员调配、生产安排,并对安全、生产负责。
专职安全员负责现场安全检查,布置检查爆破警戒。
C、施工组织
本项目采用专业作业法施工。
即专业班组专职从事爆破作业工作,负责清孔、装药、连线、爆破、处理瞎炮和哑炮。
D、安全技术措施
严格按照技术交底中爆破技术要求施工,针对不同的地区、地质情况、岩层倾向、列席和周围情况不同的爆破方案。
爆破药量根据实际爆破效果逐步进行调整。
在离工或周围房屋比较近的爆破区域必须采取切实有效的放飞石措施。
爆破在装炸药时,应特别注意防漏电,在装药前孔桩内所有的电器设备应提升至地面。
在装药时,雷管的脚线应短接,连接爆破母线时应保证良好的绝缘性,严禁拖地接触泥水,雷雨天气应停止爆破作业。
瞎(哑)炮的处理:
在爆破作业完成后,检查人员应下到工作面检查瞎炮情况,并及时按爆破作业规程进行处理。
另外在清查时发现瞎炮,应及时报告项目部安排专业人员处理,禁止非专业人员私下处理。
爆破器材属于危险物品,应进行严格处理。
严格爆破器材的领用、发放、使用及回收制度。
现场爆破器材应该分门别类,分别用木箱盛装,专人上锁保管,严禁混装。
使用、运输时应轻拿轻放,严禁碰撞;雷管在连母线前应短接,避免接触带电体。
4)预防触电事故的防护措施
根据国家JTJ-88规定,为了加强施工现场用电管理,保障施工现场用电安全,防止触电事故发生。
施工现场专用的中性点直接接地的供电线路必须实行TN-SR接零保护系统,
同时必须做到三级控制两级保护。
电箱为标准电闸箱,并采取防雨、防潮措施。
电气设备应根据地区或系统要求,做保护接零,或做保护接地,不得一部分设备做保护接零,另一部分设备做保护接地。
必须由持有合格证件的专职电工,负责现场临时用电管理及安拆。
对新调入工地的电气设备,在安装使用前,必须进行检测测试。
经检测合格后方能投入使用。
专职电工对现场电气设备每月进行巡查,项目部每月对施工用电系统、漏电保护器进行一次全面系统的检查。
配电箱设在干燥通风的场所,周围不得堆放任何妨碍操作、维修的物品,并与被控制的固定设备距离不得超过3m。
安装和使用按“一机、一闸、一箱、一漏”的原则,不能同时控制两台或两台以上的设备,否则容易发生误操作事故。
配电箱应标明其名称、用途,并做出分路标志、门应配锁,现场停止作业1h以上时,应将开关箱断电上锁。
照明专用回路设专用漏电保护器,灯具金属外壳做接零保护,室内线路及灯具安装高度低于2.5m 的应使用安全电压。
在潮湿和易触电及带电体的照明电源必须使用安全电压,电气设备架设设或埋设必须符合要求,并保证绝缘良好,任何场合均不能拖地。
线路过道应按规定进行架空或埋地,破皮老化线路不准使用。
使用移动电气工具和砼振捣作业时,必须按规定穿戴绝缘防护用品。
凡是从事与使用电气设备、工具有关的施工作业时,必须实行电工跟班作业。
5)预防物体打击事故措施
加大对边坡的防护力度,及时清除危石、悬石,已砌筑的边坡应加强检查,发现有裂纹等现象及时修复,作业平台上不得堆放杂物,工具应放进工具袋内,不得抛掷物件。
6)预防车辆伤害事故措施
1、人员在场内机动车道应避免右侧行走,并做到不成排结队有碍交通;避让车辆时,应不避让于两车交会之中,不站于旁有堆物无法退让的死
角。
2、严禁翻斗车、自卸车车厢载人;
3.严禁货物混装,车辆载货严禁超载、超高、超宽,捆扎应牢固可靠,应防止车内物体失稳跌落伤人。
车辆伤害
4.车辆进出施工现场,在场内掉头、倒车、在狭窄场地行驶时应有专人指挥。
5.现场行车进出场要减速,并做到四慢:道路情况不明要慢;线路不良要慢;起步、会车、停车要慢;在狭路、基坑边沿、坡路、叉道、行人拥挤地点及出入大门时要慢。
6.装卸车作业时,若车辆停在坡道上,应在车轮两侧用楔形木块加以固定。
7.在临近机动车道的作业区和脚手架等设施,以及在道路中的路障应加设安全色标、安全标志和防护措施。
8.机动车辆不得牵引无制动装置的车辆,牵引物体时物体上不得有人,人员不得进入车与牵引物体之间,坡道上牵引时,车和牵引物体下方不得有人作业和停留。
牵引前要检查确保牵引用的钢丝绳满足安全要求,并有专人指挥。
7)预防高处坠落事故措施
1、高处作业人员必须使用安全带(绳),且宜使用全方位防冲击安全带。
2、安全带(绳)和保护绳应分系在不同部位的牢固构件上,不得低挂高用,系安全带(绳)后应检查扣环是否扣牢。
3、高处作业人员不得坐在平台或孔洞的边缘,不得骑坐在栏杆上,不得站在栏杆外作业或凭借栏杆起吊物件。
4、上下传递物件应用绳索吊送,严禁抛掷。
5、作业人员不得依靠瓷柱作为支持物。
6、上下构架必须使用工作梯。
6.8.4 常见潜在的安全事故诱发因素
(1)机械设备的违章操作及无证操作;
(2)高边坡无安全防护措施;
(3)开挖等易发生石块滚落至坡脚时无专人负责看守;
(4)无人协调指挥高处作业;
(5)疲劳和带病作业;
(6)突发天气变化及地质原因引起的机械倾覆;
(7)同一坡面上下同时施工;。