数控铣工技师理论知识试卷
- 格式:doc
- 大小:47.00 KB
- 文档页数:4
铣工技师考试试题一、单项选择题(共25小题,每小题2分,共50分)1、对模数较大的齿轮应分粗、精铣两步铣削,精铣时的切削深度按粗铣后的轮齿()进行调整。
A、齿距B、齿厚C、齿宽D、齿长正确答案:B2、组合夹具的元件按其()不同可分为:基础件、支撑件、定位件、导向件、压紧件、紧固件、辅助件和合件共八大类。
A、结构B、尺寸规定C、用途D、功能正确答案:C3、用键槽铣刀和立铣刀等指形铣刀铣削时,由于铣刀(),会向某一方向偏让。
A、刚度差B、受力不均C、切削时振动D、切削条件恶劣正确答案:B4、采用盘形齿轮铣刀铣削的锥齿轮,一般是用()在锥齿轮背锥上测量大端齿形的厚度,即大端分度圆弦齿厚和弦齿高。
A、一般游标卡尺B、齿厚游标卡尺C、深度游标卡尺D、千分表正确答案:B5、来源:91考试网;X6132型铣床主轴轴承间隙调整后,若机床在1500r/min转速下运行1h,轴承温度不超过()℃时,说明轴承间隙适中。
A、55B、60C、65D、70正确答案:B6、在铣床上加工齿轮,主要适用于精度要求不高的单件和小批量生产,其中尤以加工()较多。
A、直齿圆柱齿轮B、斜齿圆柱齿轮C、直齿锥齿轮D、斜齿锥齿轮正确答案:C7、理想尺寸是指零件图上所注()值。
A、尺寸的基本B、尺寸的最大C、尺寸的最小D、尺寸的平均正确答案:A8、齿轮沿轴线方向轮齿的宽度称为()。
A、齿距B、齿厚C、全齿高D、齿宽正确答案:D9、铣削刀具齿槽时,横向偏移量是为了达到工件的刀齿几何角度要求,确保正确的()。
A、后角B、前角C、齿背后角D、螺旋角正确答案:B10、加工形状复杂的轮廓面,如凸轮、叶片和模具时,可采用()铣床。
A、万能工具B、半自动平面仿形C、卧式升降台D、立式升降台正确答案:B11、牙嵌式离合器是依靠端面上的齿牙相互嵌入或脱开来达到()目的。
A、传递动力B、切断动力C、传递或切断动力D、改变动力大小正确答案:C12、铣削圆柱凸轮时,进刀、退刀、切深操作均应在()进行。
铣工技师考试试题一、单项选择题(共25小题,每小题2分,共50分)1、一般母线较短的封闭或不封闭的直线成形面可用()在立式铣床或仿形铣床上加工。
A、成形铣刀B、盘形铣刀C、立铣刀D、角度铣刀正确答案:C2、合理选用刀具是指在保证加工质量的前提下,选择()而制造成本低的刀具。
A、使用寿命长B、切削效率高C、工艺性好D、耐磨性好正确答案:B3、根据球面铣削加工原理,铣刀回转轴心线与球面工件轴心线的交角确定球面的()。
A、半径尺寸B、形状精度C、加工位置D、直径尺寸正确答案:C4、铣刀的()由前刀面和后刀面相交而成,它直接切入金属,担负着切除加工余量和形成加工表面的任务。
A、前角B、后角C、刀尖D、主切削刃正确答案:D5、在按靠模铣削曲线外形时,若发生振动,则靠模和滚轮之间的压力()。
A、偏小B、偏大C、适当D、两者无关正确答案:A6、检查镶条松紧的方法是:一般都用摇动丝杆手柄的重量来测定。
另外还可以用塞尺来辅助测定。
一般以不能用()mm的塞尺塞进为合适。
A、01B、02C、03D、04正确答案:D7、工件材料的(),切削力越大;工件材料的塑性、韧性越好,切削力越大。
一般情况下切削脆性材料时,切削力小。
A、弹性越大B、硬度和强度越高C、导热性越好D、熔点越高正确答案:B8、在铣床上镗孔时,铣床主轴轴线与所镗出的孔的轴线必须()。
A、重合B、同心C、一致D、垂直正确答案:A9、为了保证偶数齿矩形牙嵌离合器齿侧留有一定间隙,一般齿槽角应比齿面角大()。
A、10′~20′B、2°~4°C、20°~40°D、大于40°正确答案:B10、铲齿铣刀使用万能工具磨床磨()。
刃磨时,应保持切削刃形状不变,并保证前角符合技术要求。
A、前刀面B、后刀面C、正交平面D、基面正确答案:A11、等速圆盘凸轮的工作曲线三要素是()。
A、升高量、升高率、导程B、升高量、导程、基圆半径C、升高量、升高率、基圆半径D、升高率、导程、基圆半径正确答案:A12、当机械零件的()是直线时,称为直线成形面。
铣工技师考试试题一、单项选择题(共25小题,每小题2分,共50分)1、铣削()凸轮时,为减少螺旋面“凹心”现象,使铣削出的凸轮工作形面趋于正确。
可将铣刀中心向左(右)偏移一定距离。
正确答案:BA、圆柱螺旋槽B、圆柱端面C、等速圆盘D、非等速圆盘2、铣削圆盘凸轮时,对()的凸轮,铣刀和工件的中心连线与纵向进给方向平行。
正确答案:AA、从动件对心直动B、从动件偏置直动C、从动件偏置摆动D、从动件对心摆动3、铣削等速凸轮时,(),会引起工件的升高量不正确。
正确答案:CA、传动系统间隙过大B、进给量过大,铣削方向选择不当C、计算错误如导程、交换齿轮比、倾斜角度D、铣刀几何形状误差4、在一个标准齿轮中,齿槽和齿厚相等的那个圆称为()。
正确答案:BA、齿顶圆B、齿根圆C、基圆D、分度圆5、对于()凸轮,可将百分表测头对准工件中心进行测量,检测时,可同时测出凸轮曲线所占中心角和升高量H,通过计算得出凸轮的实际导程值。
正确答案:BA、偏置直动圆盘B、对心直动圆盘C、圆柱端面D、圆柱螺旋6、锥距齿距齿宽齿厚直齿锥齿轮的分锥顶点沿分锥母线至齿背的距离称为()。
正确答案:AA、法向模数B、端面模数C、法向齿距D、端面齿距7、在精度要求较低和()中,特别是缺少锥齿轮专用机床的企业,通常在铣床上用锥齿轮铣刀加工锥齿轮。
正确答案:CA、大批量生产B、大量生产C、小批量生产D、单件生产8、擦净量块工作面后,把两块量块的工作面(),可以将它们牢固地粘合在一起。
正确答案:AA、相互推合B、相互重叠C、彼此贴紧D、彼此粘连9、有一曲线外形由凸圆弧、凹圆弧、直线三部分一次连接组成。
凸圆弧与凹圆弧相切,凹圆弧与直线相切,这时应先加工()。
正确答案:BA、直线B、凹圆弧C、凸圆弧D、以上都对10、合理选用刀具是指在保证加工质量的前提下,选择()而制造成本低的刀具。
正确答案:BA、使用寿命长B、切削效率高C、工艺性好D、耐磨性好11、对于圆盘凸轮工作形面形状精度的检测,因为凸轮形面母线与工件轴线平行,所以只测量母线的(),以判断其形面的形状精度。
铣工技师考试题目及答案一、单项选择题(每题2分,共10题,总分20分)1. 铣削加工中,刀具的进给速度是指刀具每分钟移动的距离,其单位是()。
A. 毫米/分钟B. 米/分钟C. 毫米/转D. 转/分钟答案:A2. 铣削加工时,刀具的主切削刃与工件接触的面积称为()。
A. 切削刃B. 切削面C. 切削角D. 切削深度答案:B3. 在铣削加工中,为了减少刀具磨损,通常采用()。
A. 高速切削B. 低速切削C. 恒速切削D. 变速切削答案:A4. 铣削加工中,刀具的前角是指()。
A. 刀具前刀面与基面之间的夹角B. 刀具前刀面与切削平面之间的夹角C. 刀具后刀面与基面之间的夹角D. 刀具后刀面与切削平面之间的夹角答案:B5. 铣削加工时,为了提高生产效率,应选择()。
A. 小的切削深度B. 大的切削深度C. 恒定的切削深度D. 变化的切削深度答案:B二、多项选择题(每题3分,共5题,总分15分)1. 铣削加工中,影响切削力的因素包括()。
A. 刀具材料B. 切削速度C. 工件材料D. 切削深度答案:ABCD2. 铣削加工时,刀具磨损的主要原因有()。
A. 切削温度过高B. 切削速度过快C. 刀具材料不匹配D. 切削液不足答案:ABCD3. 铣削加工中,为了提高工件表面质量,可以采取的措施包括()。
A. 增加切削速度B. 减小切削深度C. 使用锋利的刀具D. 增加切削液答案:BCD4. 铣削加工时,刀具的几何角度包括()。
A. 前角B. 后角C. 刃倾角D. 螺旋角答案:ABCD5. 铣削加工中,影响刀具寿命的因素有()。
A. 刀具材料B. 切削速度C. 切削深度D. 工件材料答案:ABCD三、判断题(每题1分,共10题,总分10分)1. 铣削加工中,刀具的进给速度越快,切削效率越高。
(对)2. 铣削加工时,刀具的前角越大,切削力越大。
(错)3. 铣削加工中,刀具的后角越大,刀具磨损越快。
(错)4. 铣削加工时,切削液的主要作用是降低切削温度。
数控铣工高级技师理论知识资料一、单项选择题1.职业道德是指从事一定职业的人们在职业实践活动中所应遵循的()和规范,以及与之相应的道德观念、情操和品质。
A、企业标准B、培训要求C、职业原则D、行为准则2.职业道德是()基本准则在职业生活中的具体体现。
A、社会道德B、社会主义道德C、商业道德D、思想道德3.关于创新的论述,正确的是()。
A、创新就是出新花样B、创新就是独立自主C、创新是企业进步的灵魂D、创新不需要引进外国的新技术4.零件渗碳后,一般需经过()才能达到表面硬度高而且耐磨的目的。
A、淬火+低温回火B、正火C、调质D、淬火+高温回火5.低压断路器即低压自动开关相当于()的组合。
A、刀开关、熔断器、热继电器、欠电压继电器B、刀开关、熔断器、热继电器、启动器C、刀开关、熔断器、热继电器、压力继电器D、刀开关、熔断器、热继电器、操作手柄6.由于难加工材料的切削加工均处于高温高压边界润滑摩擦状态,因此,应选择含()的切削液。
A、极压添加剂B、油性添加剂C、表面添加剂D、高压添加剂7.加工某箱体Φ100H7 Ra1.6μm的孔,下列方法中你认为合适的是()。
A、铰削B、铣削C、镗削D、珩磨8.刀具正常磨损与切削速度v、进给量f和切削深度a p有关,对刀具磨损影响从大到小的是()。
A、v→f→a pB、f→v→a pC、a p→v→fD、v→a p→f9.数控机床通常由程序载体、输入装置、()、伺服系统位置反馈系统和机床组成。
A、输出装置B、传感器C、数控装置D、检测装置10.聚晶金刚石刀具只用于加工()材料。
A、铸铁B、碳素钢C、合金钢D、有色金属11.在铣床上用飞刀展成法铣蜗轮时,若飞刀头安装不正确,会造成( )。
A、齿面表面粗糙度较粗B、齿形误差超差C、齿距差超差D、齿厚不对12.机械制造中常用的优先配合的基准孔是( )。
A、H7B、H2C、D2D、D713.由于毛坯表面精度与粗糙度都比较差,一般情况下,同一尺寸向上的粗基面只能使用( )次。
数控铣工技师理论知识资料一、单项选择题1. 职业道德是指从事一定职业的人们在职业实践活动中所应遵循的 ( ) 和规范,以及与之相应的道德观念、情操和品质。
A 、企业标准B 、培训要求C、职业原则 D 、招聘条件2. 职业道德的内容包括()。
A、从业者的工作计划 B 、职业道德行为规范C、从业者享有的权利 D 、从业者的工资收入3. 关于创新的论述,正确的是()A、创新就是出新花样 B 、创新就是独立自主C、创新是企业进步的灵魂D、创新不需要引进外国的新技术4.为了清晰表达数控铣床主轴轴肩槽和定位孔的结构,在零件图中一般采用 ( ) 表示。
A、局部剖 B 、左视图 C 、移出剖面 D 、右视图5.用于制造低速、手动工具,如锉刀、手用锯条等,应选用的刀具材料为 ( ) 。
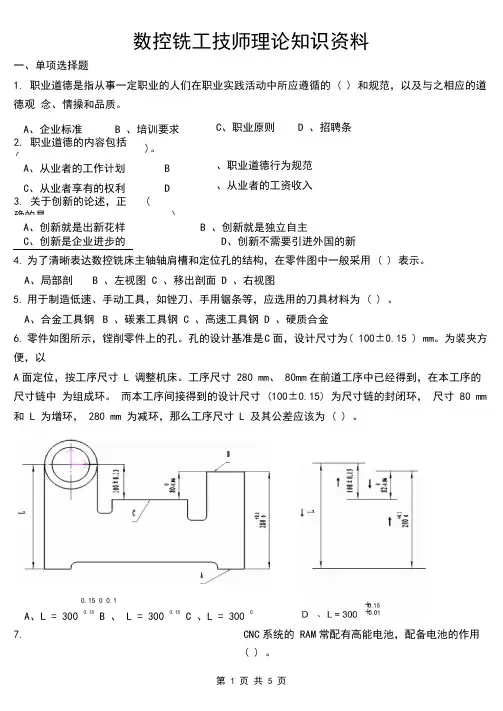
A、合金工具钢 B 、碳素工具钢 C 、高速工具钢 D 、硬质合金6.零件如图所示,镗削零件上的孔。
孔的设计基准是C面,设计尺寸为( 100±0.15 ) mm。
为装夹方便,以A面定位,按工序尺寸 L 调整机床。
工序尺寸 280 mm、 80mm在前道工序中已经得到,在本工序的尺寸链中为组成环。
而本工序间接得到的设计尺寸 (100±0.15) 为尺寸链的封闭环,尺寸 80 mm 和 L 为增环, 280 mm 为减环,那么工序尺寸 L 及其公差应该为 ( ) 。
0.15 0 0.1A、L = 300 0.15 B 、 L = 300 0.15 C 、L = 300 0C系统的 RAM常配有高能电池,配备电池的作用( ) 。
A、保护 RAM不受损坏B、保护 CPU和 RAM之间传递信息不受干扰C、没有电池, RAM就不能工作D 、系统断电时,保护 RAM 中的信息不丢失8. 下列泵中,不能用作双向变量泵的是 ( ) 。
A 、径向柱塞泵 B 、轴向柱塞泵C 、齿轮泵 D、单作用式叶片泵C 系统软件是为实现 CNC 系统各项功能所编制的专用软件, 存放在计算机 ( )中。
职业技能鉴定国家题库数控铣工技师理论知识试卷答案及评分标准一、填空题评分标准:每题答对给1分;答错或漏答不给分,也不倒扣分。
1.职业道德2.实际尺寸3.变频器4.带传动5.基本尺寸6.螺旋传动7.钨钛钴类8.主运动9.初基准10.加速11.换刀点12.重复定位精度13.高温14.信息(流)系统15.1:1016.心轴校正法17.不大于18.爱岗敬业19.199420.步距角二、选择题评分标准:每题5分,共20分。
41.工件加工时,同一表面依据具体条件不同可采取不同的加工方法,那么具体选择加工方法时应注意哪几点。
(本题5分)答:1. 所选的加工方法的经济精度和表面粗糙度应与所加工表面的要求相符合。
2分2. 所选择的加工方法应与工件材料的性能相适应。
1分3. 在大批量生产中可采用专用的高效率机床和工艺装备来满足加工要求,并通过提高生产率取得较好经济效益。
1分4. 要根据本厂、本车间的设备情况以及技术条件,对现有各种加工方法的特点加以分析,力求通过对比,结合实际,创造条件,扬长避短,灵活运用。
1分42.简述数控加工工序划分的原则。
(本题5分)答:1、按粗、精加工划分工序。
2分2、按先面后孔原则划分工序。
2分3、按所用刀具划分工序。
1分43.画出减压阀的图形符号,并说明其工作原理及应用。
(本题5分)答:1、画减压阀符号1分2、工作原理:当减压阀的出油口压力超过弹簧调定压力时,阀芯动作,进油通口减小,产生液阻,迫使出口压力降低到调定值。
2分3、应用:减压或稳压后的油液进入控制回路,以提供各种执行元件需要的不同工作压力。
2分44.说明镗铣类数控机床工具系统的组成、作用、分类及其特点。
(本题5分)答:1、由工作头、刀柄、拉钉、接长杆等组成。
1分2、起到固定刀具及传递动力的作用。
1分。
3、分为整体式和模块式两类。
整体式工具系统把刀柄和工作头做成一体,使用时选用不同品种和规格的刀柄即可使用,优点是使用方便、可靠,缺点是刀柄数量多。
wo最新文件---------------- 仅供参考--------------------已改成-----------word文本--------------------- 方便更改rd数控铣工技师理论复习题一、填空题(请将正确答案填入题内空白处。
每题1分)1.职业道德是规范约束从业人员职业活动的行为准则。
2.合格零件的实际尺寸应在两个极限尺寸所限制的尺寸范围内。
3.目前数控机床的主轴驱动系统多采用交流主轴电动机配备变频器控制的方式。
4.带传动分摩擦传动和啮合传动两种。
5.实际尺寸减去基本尺寸所得的代数差称为实际偏差.6.螺旋传动可分为滑动螺旋和滚动螺旋两种类型。
7.YT15属于钨钴钛类硬质合金刀具材料。
8.使工件与刀具产生相对运动以进行切削的最基本的运动称为主运动。
9.平头支承钉,多用于精基准定位。
10.对于机械进给传动系统,某些固定不变的或按确定规律变化的因素引起的定位误差属于系统误差。
11.在编制数控铣床的程序时应正确选择换刀点的位置,要避免刀具交换时碰工件或夹具。
12.重复定位精度是反映机床运动稳定性的一个基本指标。
13.在高温条件作用下,刀具切削刃硬度降低,会迅速变钝,甚至失去切削性能。
14.按照功能划分,FMS可分为加工系统、物流系统和信息系统三大部分。
15.高速切削时,加工中心的刀柄锥度以 1:10 为宜。
16.在卧式铣床上,加工垂直孔系常用的方法有回转法心轴校正发、角尺或定位键校正法。
17.精铣铸铁件时,为保证精铣质量,一般要求工件加工表面的硬度差 不大于HBS20。
18. 爱岗敬业 是对从业人员工作态度的首要要求。
19.《中华人民共和国劳动法》是 1994 年全国人大常委会通过的。
20.步进电机对应每一个脉冲所旋转的角度称为步进电机的 歩距角 。
21.步进电动机采用“三相六拍”通电方式工作,“六拍”是指经过 六 次切换绕组的通电状态为一个循环。
22.订立劳动合同的原则有 平等自愿 、协商一致和依法订立。
数控铣工技师理论知识考核试卷注意事项1、考试时间:120分钟。
2、请首先按要求在试卷的标封处填写您的姓名、准考证号和所在单位的名称.3、请仔细阅读各种题目的回答要求,在规定的位置填写您的答案。
4、不要在试卷上乱写乱画,不要在标封区填写无关的内容.一、单项选择题(第1~20题。
请选择一个正确答案,将相应字母填入括号内。
每题1分,共20分)1.关于创新的论述,正确的是( ).A、创新就是出新花样B、创新就是独立自主C、创新是企业进步的灵魂D、创新不需要引进外国的新技术2.在企业的经营活动中,下列选项中的()不是职业道德功能的表现.A、激励作用B、决策能力C、规范行为D、遵纪守法3.职业道德是()基本准则在职业生活中的具体体现。
A、社会道德B、社会主义道德C、商业道德D、思想道德4.为了提高钢的强度应选用( )热处理。
A、退火B、正火C、淬火+回火D、回火5.为保证人体触及漏电设备金属外壳时不会触电,通常采用( )的安全措施。
A、增加熔断器B、增加断路器C、保护接地或接零D、更换接触器6.锂基润滑脂适用于()的润滑.A、高温重载B、精密仪器C、高速精密机床的滚动轴承D、高速齿轮7.齿轮传动平稳,传动比恒定,传递运动准确,传动效率为( )。
A、100%B、95% ~98%C、93% ~95%D、90% ~ 98%8.材料为45钢的某轴外圆,设计要求为Φ50js6,表面粗糙度Ra0.2μm,加工方法为粗车→半精车→粗磨→精磨,合理的精磨余量为().A、0.05mmB、0。
15mmC、0。
45mmD、1。
5mm9.数控机床上常用( )来测量机床的直线位移。
A、感应同步器B、旋转变压器C、光电盘D、光电编码器10.YG 类硬质合金适用于加工铸铁,其中( )适合于精加工。
A、YG3B、YG5C、YG8D、YG1011.由于难加工材料的强度高、塑性大、切削温度高和()严重,所以铣刀磨损速度也较快。
A、弹性变形B、塑性变形C、硬化和强化D、晶格扭曲12.铰削时,为了获得较小的表面粗糙度并延长刀具使用寿命,所选用切削液应具有( )。
数控铣工技师考试题理论知识部分一、填空题1.安全技术是为了防止(),减轻()和创造良好的()而采取的技术措施与组织措施。
工伤事故劳动强度劳动条件2.危险作业是指()可靠性差,一旦发生事故可能造成()事故或()损坏的作业。
安全重伤死亡设备系统3.PDCA工作循环中P表示(),D表示(),C表示(),A表示()。
计划执行检查总结4.LC4 是()合金的金属材料牌号,H95是()的金属材料牌号。
4号超硬铝普通黄铜5.金属材料的布氏硬度用符号()表示,洛氏硬度用符号()表示,肖氏硬度用符号()表示,威氏硬度用符号()表示。
6.形位公差表示同轴度公差为(),遵循()原则,基准为()。
0.02mm最大实体A.B 7.样板分类有:()、()和()。
基本样板生产样板标准样板8.切削用量包括:()、()和()。
切削速度进给量切削深度9.机床面板上,用“MDI”表示()。
手动数据输入10、写出四种常用数控系统:()、()、()、()。
SIEMENS NUM FANUC FIDIA二、单项选择题1.校正工作台纵向进给方向与主轴轴线的( C )俗称校正工作台[或立铣头]零位。
A.平行度B.平面度C.垂直度D.对称度 2.必须在主轴( C )个位置上检验铣床主轴锥孔中心线的径向圆跳动。
A.1B.2C.43.用来确定夹具与铣床之间位置的定位键是铣床夹具的( C )装置。
A.定位B.夹紧C.导向4.( C )是指一个工人在单位时间内生产出的合格产品的数量;( B )是指在一定的生产条件下,规定生产一件产品所需的时间。
A.工序时间定额B.生产时间定额C.劳动生产率5.高温合金导热性差,高温强度大,切削时容易粘刀,故铣削高温合金时,后角要大些,前角应取( A )。
A.正值B.负值C.0° 6.产品质量波动是( B )。
A.可以避免的B.不可以避免的C.有时可以避免的 7.工序的成果符合规定要求的程度反映了(A )的高低。
铣工技师考试试题一、单项选择题(共25小题,每小题2分,共50分)1、端铣刀的后角定义为在正交平面内测得的后刀面与()之间的夹角。
A、基面B、主切削平面C、副切削平面D、主剖面正确答案:A2、铣削外球面的一般对刀方法是按划线用试切法。
实际是预先在工件上划线,划出(),然后利用试切刀痕和划线来调整工作台,使铣刀轴线通过球心。
A、球心位置B、球轴线C、球心在对刀平面上的投影D、球回转轴线的垂直线正确答案:C3、对模数较大的齿轮应分粗、精铣两步铣削,精铣时的切削深度按粗铣后的轮齿()进行调整。
A、齿距B、齿厚C、齿宽D、齿长正确答案:B4、齿轮沿轴线方向轮齿的宽度称为()。
A、齿距B、齿厚C、全齿高D、齿宽正确答案:D5、在铣床上直接加工精度在IT9以下的孔应采用()加工。
A、麻花钻B、铰刀C、镗刀D、拉刀正确答案:A6、铣削直线成形面时,应始终保持(),否则容易折断铣刀和损坏工件。
A、顺铣B、逆铣C、对称铣削D、非对称铣削正确答案:B7、在M7120A型磨床上磨削平面时,当工作台每次纵向行程终了时,磨头作一次横向进给,等到工件表面上第一层全部磨削完毕,砂轮按预选磨削深度(),接着按上述过程逐层磨削,直至把全部余量磨去,使工件达到所需尺寸。
A、作一次纵向进给B、作一次横向进给C、作一次垂直进给D、作一次垂直进给和一次横向进给正确答案:C8、根据球面铣削加工原理,铣刀回转轴心线与球面工件轴心线的交角确定球面的()。
A、半径尺寸B、形状精度C、加工位置D、直径尺寸正确答案:C9、铣刀的()由前刀面和后刀面相交而成,它直接切入金属,担负着切除加工余量和形成加工表面的任务。
A、前角B、后角C、刀尖D、主切削刃正确答案:D10、固定弦齿厚是指()的齿形和被测齿轮的齿形相切时,两切点之间的距离。
A、标准齿条B、标准齿轮C、当量齿轮D、相啮合的齿条正确答案:A11、使定位元件所相当的支承点数目刚好等于6个,且按3∶2∶1的数目分布在3个()的坐标平面上的定位方法称为六点定位原理。
数控铣工技能理论知识考试题库及答案(最新版)一、单选题1.数控机床使用的刀具必须具有较高强度和较长寿命,铣削加工常用的刀具材料是()。
A、硬质合金B、高速钢C、工具钢D、陶瓷刀片参考答案:A2.倾斜度公差属于()。
A、形状公差B、定向公差C、定位公差D、不确定参考答案:B3.测量基准是指工件在()所使用的基准。
A、加工B、装配C、检验D、维修参考答案:C4.加工精度为IT9级的孔,当孔径小于30mm时可以采用()方案。
A、钻——铰B、钻——扩——铰C、钻——镗D、钻——扩参考答案:D5.程序段G01G02G00G03X50.0Y70.0R30.0F70;最终执行()指令。
A、G00B、GO1C、G02D、G03参考答案:D6.下列型号中()是工作台宽为500毫米的数控铣床。
A、CK6150B、XK715C、TH6150D、以上都不是参考答案:B7.根据零件强度,结构和工艺性要求,设计确定的尺寸为()。
A、实际尺寸B、公称尺寸C、极限尺寸D、测量尺寸参考答案:B8.FANUC0IB系统中,G65和M98都可以调用宏程序,它们的区别是()。
A、M98可以指定自变量,G65不能B、G65可以指定自变量,M98不能C、G65只能调用一次宏程序,M98可以多次调用D、M98只能调用一次宏程序,G65可以多次调用参考答案:B9.()为左偏刀具半径补偿,是指沿着刀具运动方向向前看(假设工件不动),刀具位于零件左侧的刀具半径补偿。
A、G39B、G40C、G41D、G42参考答案:C10.CYCLEG82(RTP,RFP,SDIS,DP,DPR,DTB)中DTB表示()。
A、返回平面B、安全平面C、参考平面D、暂停时间11.把工段(小组)所加工的各种制品的投入及出产顺序、期限和数量,制品在各个工作地上加工的次序期限和数量,以及各个工作地上加工的不同制品的次序、期限和数量全部制成标准,并固定下来,这种计划法称为()。
铣工技师考试试题一、单项选择题(共25小题,每小题2分,共50分)1、铣削数量较少的锥齿轮,操作者一般是测量其()。
A、公法线长度B、分度圆弦齿厚C、齿距误差D、齿高正确答案:B2、锥距齿距齿宽齿厚直齿锥齿轮的分锥顶点沿分锥母线至齿背的距离称为()。
A、法向模数B、端面模数C、法向齿距D、端面齿距正确答案:A3、X6132型铣床工作台纵向丝杆轴向间隙,一般调整到()mm为宜。
A、01~06B、01~03C、02~04D、005~03正确答案:B4、用()球面时,铣刀直径的确定方法是:先计算出铣刀的最大、最小直径,然后选取标准铣刀,并尽量往大选。
A、立铣刀铣削内B、立铣刀铣削外C、盘铣刀铣削外D、镗刀铣削内正确答案:A5、在700~800℃以上高温切削时,空气中的氧与()中的碳化钨、碳化钛发生氧化作用而生成氧化物,使刀具材料因硬度显著降低而被切屑、工件带走,造成刀具磨损。
A、碳素工具钢B、合金工具钢C、高速钢D、硬质合金正确答案:D6、铣削曲线外形时,应始终保持(),尤其是两个方向进给时,更应注意,否则容易折断铣刀或损坏工件。
A、顺铣B、逆铣C、顺逆交替D、不受限制正确答案:B7、在M7120A型磨床上磨削平面时,当工作台每次纵向行程终了时,磨头作一次(),等到工件表面上第一层全部磨削完毕,砂轮按预选磨削深度作一次垂直进给,接着按上述过程逐层磨削,直至把全部余量磨去,使工件达到所需尺寸。
A、横向进给B、纵向进给C、垂直进给D、横向和垂直同时进给正确答案:A8、形位公差柜格内的数字、字母的书写要求与尺寸数字书写规则一致;形位公差符号应用()线画出。
A、b的B、b/2的C、b/3的D、b/4的正确答案:B9、当铣床工作台由快速机动进给转慢速机动进给时,有时会出现继续保持快速机动进给现象,其主要原因就是电磁铁的剩磁太大,或者是()。
A、进给系统调整不好B、进给系统失灵C、慢速复位弹簧力不够D、慢速复位功能失灵正确答案:C10、铣削()齿离合器时,一般采用刚性较好的三面刃盘铣刀,为了不切到相邻齿,铣刀的宽度应当等于或小于齿槽的最小宽度。
铣工技师考试试题一、单项选择题(共25小题,每小题2分,共50分)1、铣削内球面时,如果划线错误会使加工出的内球面()。
A、表面成单向切削“纹路”,形状成橄榄形B、表面成交叉形切削“纹路”,外口直径扩大,底部出现凸尖C、半径不符合要求D、粗糙度达不到要求正确答案:B2、圆柱铣刀的螺旋角是指主切削刃与()之间的夹角。
A、切削平面B、基面C、主剖面D、法剖面正确答案:B3、形位公差柜格内的数字、字母的书写要求与尺寸数字书写规则一致;形位公差符号应用()线画出。
A、b的B、b/2的C、b/3的D、b/4的正确答案:B4、X6132型铣床工作台三个方向的运动部件与导轨之间的间隙大小,一般用摇动工作台手感的轻重来判断,也可以用塞尺来检验间隙大小,一般以不大于()mm为合适。
A、02B、03C、04D、05正确答案:C5、三面刃铣刀的端面齿槽应是()A、外深内浅外窄内宽B、外深内浅外宽内窄C、外浅内深外宽内窄正确答案:B6、铣削直齿锥齿轮,操作时偏移量和回转量控制不好会引起工件()误差超差。
A、齿形和齿厚B、齿距C、齿向D、齿圈径向圆跳动正确答案:A7、铲齿铣刀使用万能工具磨床刃磨前刀面。
刃磨时,应保持切削刃形状不变,并保证()符合技术要求。
A、主偏角B、副偏角C、前角D、后角正确答案:C8、局部视图的断裂边界应以波浪线表示。
当所表示的局部结构是完整的,且外轮廓线又成封闭时,可省略()。
A、箭头B、字母C、名称D、波浪线正确答案:D9、铣削奇数矩形齿离合器时,为了获得准确的齿形和较高的生产率,一般都采用刚度较好的()铣削。
A、盘形铣刀B、端铣刀C、三面刃铣刀D、对称双角铣刀正确答案:D10、铣削尖齿形离合器常采用()铣刀。
铣刀的角度要与尖齿形离合器的槽形角相吻合。
A、盘形三面刃B、立铣C、对称双角D、专用成形正确答案:C11、牙嵌离合器是依靠()上的齿与槽相互嵌人或脱开来达到传递和切断动力的。
A、端面B、外圆柱面C、内圆柱面D、侧面正确答案:A12、高速磨削时,砂轮的线速度应大于()m/s。
职业技能鉴定国家题库数控铣工技师理论知识试卷注 意 事 项1、考试时间:120分钟。
2、请首先按要求在试卷的标封处填写您的姓名、准考证号和所在单位的名称。
3、请仔细阅读各种题目的回答要求,在规定的位置填写您的答案。
4、不要在试卷上乱写乱画,不要在标封区填写无关的内容。
一、填空题 (第1~20题。
请将正确答案填入题内空白处。
每题1分,共20分。
) 1. 是规范约束从业人员职业活动的行为准则。
2.合格零件的 应在两个极限尺寸所限制的尺寸范围内。
3.目前数控机床的主轴驱动系统多采用交流主轴电动机配备 控制的方式。
4. 分摩擦传动和啮合传动两种。
5.实际尺寸减去 所得的代数差称为实际偏差. 6. 可分为滑动螺旋和滚动螺旋两种类型。
7.YT15属于 类硬质合金刀具材料。
8.使工件与刀具产生相对运动以进行切削的最基本的运动称为 。
9.平头支承钉,多用于 定位。
10.对于机械进给传动系统,某些固定不变的或按确定规律变化的因素引起的定位误差属于 。
11.在编制数控铣床的程序时应正确选择 的位置,要避免刀具交换时碰工件或夹具。
12. 是反映机床运动稳定性的一个基本指标。
13.在 条件作用下,刀具切削刃硬度降低,会迅速变钝,甚至失去切削性能。
14.按照功能划分,FMS 可分为加工系统、物流系统和 三大部分。
15.高速切削时,加工中心的刀柄锥度以 为宜。
考 生答题不 准过 此 线16.在卧式铣床上,加工垂直孔系常用的方法有回转法、、角尺或定位键校正法。
17.精铣铸铁件时,为保证精铣质量,一般要求工件加工表面的硬度差HBS20。
18.是对从业人员工作态度的首要要求。
19.《中华人民共和国劳动法》是年全国人大常委会通过的。
20.步进电机对应每一个脉冲所旋转的角度称为步进电机的。
二、选择题(第21~30题。
请选择一个正确答案,将相应字母填入括号内。
每题2分,共20分)21.标准公差的数值取决于( )。
A、上偏差和下偏差B、公差等级及基本尺寸C、尺寸公差D、极限偏差22.下列各选择中,( )不是切削过程中工件上存在的表面。
铣工技师考试试题一、单项选择题(共25小题,每小题2分,共50分)1、孔的()主要有孔与孔或孔与外圆之间的同轴度、孔与孔轴线或孔的轴线与基准面的平行度、孔的轴线与基准面的垂直度等。
A、形状精度B、位置精度C、尺寸精度D、表面粗糙度正确答案:C2、合金工具钢是在碳素工具钢中加入适量的合金元素,用于制造()。
A、各种结构复杂的刀具B、低速手用的刀具C、不锈钢和高强度钢切削用的刀具D、高速切削一般钢材的刀具正确答案:B3、铣一圆柱矩形螺旋槽凸轮,当导程为Pz时,外圆柱面的螺旋角为30°,则螺旋槽槽底所在圆柱表面的螺旋角为()。
A、0°B、<30°C、>30°D、30°正确答案:B4、理想尺寸是指零件图上所注()值。
A、尺寸的基本B、尺寸的最大C、尺寸的最小D、尺寸的平均正确答案:A5、在成批生产时,可用专用的()一次铣出外花键。
A、成形铣刀B、键槽铣刀C、直齿三面刃铣刀D、组合铣刀正确答案:A6、刀具图样上标注的齿槽螺旋角是属于()要求A、齿向B、分齿C、槽形正确答案:A7、铣削调整中,齿坯上影响锥齿轮大端齿槽深度的是(),因此必须在加工前进行测量。
A、齿顶圆直径B、节锥角C、分度圆直径D、分锥半径正确答案:A8、铣削()凸轮时,为减少螺旋面“凹心”现象,使铣削出的凸轮工作形面趋于正确。
可将铣刀中心向左(右)偏移一定距离。
A、圆柱螺旋槽B、圆柱端面C、等速圆盘D、非等速圆盘正确答案:B9、决定齿条铣削后齿形准确度的主要因素是齿条铣刀的()。
A、齿廓形状B、加工精度C、安装精度D、移距精度正确答案:A10、夹具的定位元件、对刀元件、刀具引导装置、分度机构、夹具体的()所造成的误差,将直接影响工件的加工精度。
为保证零件的加工精度,一般将夹具的制造公差定为相应尺寸公差的1/3~1/5。
A、加工B、装配C、安装D、加工与装配正确答案:D11、圆柱铣刀的后角规定为在正交平面内测得的后刀面与()之间的夹角。
5.在标注尺寸时,应在尺寸链中取一个()的环不标注,使尺寸链成为开环A、重要B、不重要C、尺寸大D、尺寸小职业技能鉴定国家题库线6.国标中规定的几种图纸幅面中,幅面最大的是()。
A、A0 B、A1 C、A2 D、A37.数控加工中,确定进给路线的原则之一是使加工路线()。
A、不变B、细化C、最短D、最长此注意事项8.在尺寸链中,尺寸链最短原则为()。
1.考试时间:90分钟。
A、尽可能减少增环的环数B、尽可能减少减环的环数2.请首先按要求在试卷的标封处填写您的姓名、准考证号和所在单位的名称。
C、尽可能减少组成环的环数D、尽可能减小封闭环的尺寸3.请仔细阅读各种题目的回答要求,在规定的位置填写您的答案。
9. 敬业就是以一种严肃认真的态度对待工作,下列不符合的是()。
过4.不要在试卷上乱写乱画,不要在标封区填写无关的内容。
A、工作勤奋努力B、工作认真踏实C、工作以自我为中心D、工作尽心尽力10. 数控机床工作时,当发生任何异常现象需要紧急处理时应启动()。
A、程序停止功能B、暂停功能C、急停功能D、关闭电源超11.故障维修的一般原则是()。
A、先动后静B、先内部后外部C、先电气后机械D、先一般后特殊12.高速钢刀具切削温度超过550~600度时,刀具材料会发生金相变化,使刀具迅速磨损,这种现象称为()。
准A、退火B、再结晶C、相变D、非常规磨损一、单项选择(第1题~第80题。
选择一个正确的答案,将相应的字母填入题内的括13.违反安全操作规程的是()。
号中。
每题1.0分,满分80分。
) A、自己制定生产工艺B、贯彻安全生产规章制度1.职业道德与人的事业的关系是()。
C、加强法制观念D、执行国家安全生产的法令、规定不A、有职业道德的人一定能够获得事业成功14.工作前必须穿戴好劳动保护品,操作时(),女工戴好工作帽,不准围围巾。
B、没有职业道德的人不会获得成功A、穿好凉鞋B、戴好眼镜C、戴好手套D、铁屑用手拿开C、事业成功的人往往具有较高的职业道德15.数控机床上,考虑工件的加工精度要求,刚度和变形等因素,可按()划分工题D、缺乏职业道德的人往往更容易获得成功序。
2.国家鼓励企业制定()国家标准或者行业标准的企业标准,在企业内部适用。
A、粗、精加工B、所用刀具C、定位方式D、加工部位A、严于B、松于C、等同于D、完全不同于16.铣削方式按铣刀与工件间的相对旋转方向不同可分为顺铣和( ) 3.将图样中所表示物体部分结构用于大于原图形所采用的比例画出的图形称为()A、端铣B、周铣C、逆铣D、反铣答A、局部剖视图B、局部视图C、局部放大图D、移出剖视图17. 机夹可转位车刀,刀片型号规则中“S”表示()4.下图中根据主视图和俯视图,正确的左视图是()A、三角形B、四边形C、五边形D、梯形18. 生产批量很大时一般采用()。
生A、组合夹具B、可调夹具C、专用夹具D、其它夹具19. 子程序调用和子程序返回是用哪一组指令实现的()。
A、G98 G99 B、M98 M99 C、M98 M02 D、M98 M3020.如果省略了重复调用子程序的次数,则认为重复次数为()。
考A、0次B、1次C、99次D、100次22.数控机床长期不使用时最重要的日常维护工作是()。
A、清洁B、干燥C、通电D、润滑23.在数控机床上加工工件,精加工余量相对于普通机床加工要()。
A、大B、相同C、小D、以上均不对24.数控铣床的主轴轴线平行于()轴。
A、X B、Y C、Z D、W25.数控程序编制功能中常用的删除键是()。
A、INSRTB、ALTERC、DELETD、POS26.孔加工循环加工通孔时一般刀具还要伸长超过工件( )一段距离,主要是保证全部孔深都加工到尺寸,钻削是还要考虑钻头钻尖对深孔的影响A、初始平面B、R点平面C、零件表面D、工件底平面27. 攻螺纹循环中()。
A、G74、G84均为主轴正转攻入,反转退出B、G74为主轴正转攻入,反转退出;G84为主轴反转,正转退出C、G74,G84均为主轴反转攻入,正转退出D、G74为主轴反转攻入,正转退出;G84为主轴正转攻入,反转退出28. 运算表达式#1=#2+#3*SIN [#4] -8;按运算次序首先是()(FANUC系统)。
A、#2+#3B、#3*SIN[#4]C、SIN[#4]D、SIN[#4] -8 29.在圆弧插补指令中,I、K的含义是圆弧的()。
A、圆心坐标B、起点坐标C、圆心相对于起点的坐标增量值D、圆心相对于终点的坐标增量值30. 在使用G41或G42指令的程序段中只能用( )指令.A、G00或G01B、G02或G03C、G01或G03D、G01或G02 31. 数控机床手动进给时,模式选择开关应放在( )A、JOG FEEDB、RELEASEC、ZERO RETURND、HANDLE FEED 32.数控机床与普通车床比较适用于加工( )的工件。
A、简单B、形状复杂C、大小不一D、不能判断33.数控加工中,当某段进给路线重复使用时,应使用( )。
A、重复编程B、简化编程C、子程序D、循环34. 已知三角形ABC,其三边BC、CA、AB的长度分别为a、b和c,,则夹角∠BAC的cos值为()。
37.数控机床自动状态时,可完成()工作。
A、工件加工B、对刀C、回零D、手动进给38. 数控机床编辑状态时,可以对程序进行程序的()。
A、修改B、删除C、输入D、以上均可39. 孔Φ25上偏差+0.021,下偏差0与轴Φ25上偏差-0.020,下偏差-0.033配合时,其最大间隙是()。
A、0.02B、0.003C、0.041D、0.054 40. CAD/CAM软件后置处理的目的为()。
A、读取刀具轨迹文件,生成NC程序B、使电脑远离机床,减轻污染C、避免电脑屏幕对人员的辐射D、使工件方便库存41. 如下图所示的伺服驱动系统是()。
A、开环方式B、半闭环方式C、闭环方式D、混合环方式42.用板牙套螺纹时,应选择()的切削速度。
A、较高B、中等C、较低D、高速43.正等测轴测图的轴间角为( )。
A、45°B、120°C、180°D、75° 44.刀尖圆弧半径应输入到系统( )中去。
A、程序B、刀具坐标C、刀具参数D、坐标系45.( )数控机床,只要求获得准确的点定位,不管运动轨迹,移动中不进行加工。
A、轮廓控制B、直线控制C、点位控制D、都可以46.按伺服系统分类,( )机床加工精度高。
A、开环控制B、闭环控制C、半闭环控制D、半开环控制47.刀具远离工件的运动方向为坐标的( )方向。
A、左B、右C、正D、负48.数控机床零点是由( )确定的。
A、制造厂B、编程员C、操作者D、订货员49.开环伺服系统的特征是系统内( )位置检测反馈装置。
A、有B、没有C、一部分有D、一般有50. 以下装置不属于数控装置的组成部分是()。
A、输入装置B、输出装置C、显示器D、伺服机构51.数控机床上测量反馈装置的作用是为( ) 。
A、提高机床定位精度,加工精度B、提高机床的使用寿命C、提高机床的安全D、提高机床效率a2-c2+a2b2+c2+c2b2+b2-a2a2-c2+b22bc2a2bc2bcA、B、C、D、35.以下( )不是衡量程序质量的标准。
A、设计质量高B、加工效果好C、通用性强D、使用指令多36.数控机床手动数据输入时模式选择开关应放在()。
A、JOG FEEDB、MDIC、ZERO RETURND、HANDLE FEED52.在加工既有面又有孔的零件时,为提高孔的加工精度,应先加工( )。
A、面B、孔C、内D、外53. G91 G01 X3.0 Y4.0 F100 执行后,刀具移动了()mm。
A、1 B、10 C、7.5 D、554.数控车床编程时,工件原点一般设定在( )。
A、机床原点B、工件右端面中心C、换刀点D、极限点55.数控机床加工中,由编程人员确定的坐标系称( )。
A、机床坐标系B、右手直角坐标系C、工件坐标系(编程坐标系)D、笛卡尔坐标系56.标注有公差要求的尺寸取其( )作为编程的尺寸依据。
A、最大值B、中间值C、最小值D、随便取57.数控机床有不同的运动形式,需要考虑刀具和工件相对运动关系及坐标方向,编写程序时,采用( )原则。
A、刀具固定不动,工件移动B、工件固定不动,刀具移动C、视情况而定D、都可以58.圆弧插补指令“G03 X Z I K F ”中,X Z ( )。
A、起点坐标值B、终点坐标值C、圆心坐标相对于起点的值D、圆心坐标相对于终点的值59.下列属于准备功能字的是( )。
A、M03B、G01C、T0100D、D01 60.进给字F对( )指令不起作用。
A、G01 B、G00 C、G03 D、G02 61.圆弧型车刀的刀位点在其( )上。
A、圆弧B、刀尖C、圆心上D、刀刃62.不符合着装整洁文明生产要求的是()。
A、按规定穿戴好防护用品B、遵守安全技术操作规程C、优化工作环境D、在工作中吸烟63.( )可分为三大类:回转刀架、转塔式、带刀库式。
A、ATC B、MDI C、CRI D、PLC64. “tool diameter is 25mm”,的含义是()。
A、刀具直径25毫米B、刀具长度25毫米C、毛坯直径25毫米D、刀具半径25毫米65. 在连续切削方式下工作,刀具在运动到指定的终点后( )而继续执行下一个程序段。
A、停一次B、停止C、减缓D、不减速66. 对刀块高100,对刀后Z机械坐标为-350,则G54设定Z坐标为()。
A、-450 B、-500 C、-600 D、-35067.轮廓数控系统确定刀具运动轨迹的过程称为( )。
A、拟合B、逼近C、插值D、插补68. MDI方式可以( )A、通过操作面板输入一段指令并执行该程序段B、完整的执行当前程序号和程序段C、按手动键操作机床D、手轮方式进给69.下列形位公差符号中()表示同轴度位置公差。
70. 宏指令的比较运算符中“NE”表示()。
A、= B、≠ C、≤ D、>71. 若R4、R6表示的是加工点的X、Z坐标,则描述其X和Z向运动关系的宏程序段R6=SQRT[2*R2*R4]所描述的加工路线是()。
(SIEMENC系统)A、圆弧B、椭圆C、抛物线D、双曲线72. 热继电器是通过测量()而动作的。
A、电器工作温度B、工作电流大小C、工作电压D、测量元件温度73. 数控机床中将数控装置的指令信号变换和放大的单元称作()。
A、电机B、CNC单元C、数控单元D、伺服单元74. 椭圆参数方程式为()。
(SIEMENS系统)A、X=a*sinθ;Y=b*COSθB、X=b*cos(θ/b),Y=a*sinθC、X=a*COSθ;Y=b*sinθD、X=b*sinθ;Y=a*cosθ 75.尺寸线用()线绘制。