奥迪空调数据流分析综述
- 格式:ppt
- 大小:4.64 MB
- 文档页数:3
显示分组001空调压缩机调节阀 -N280- 和高压传感器 -G65-提示♦ 如果存在一个压缩机断开条件 → 相关章节,则无法控制空调压缩机调节阀-N280-,在作动器诊断期间也无法控制( → 相关章节)。
♦如果识别不到高压传感器 -G65- 的压力信号,则不允许控制空调压缩机调节阀 -N280-。
提示♦显示区1中显示流过空调压缩机调节阀 -N280- 的电流强度。
♦该电流强度由操作与显示单元(Climatronic 自动空调控制器 -J255-)计算出,并与要求的制冷能力、选择(设定)的操作与显示单元(Climatronic 自动空调控制器 -J255-)的运行模式和车载电压有关。
为了调节阀能够可靠调节,必须流过一个规定的最小电流,该电流在目前安装的调节阀上达 0.3 A 。
♦ 如果以满负荷控制空调压缩机调节阀 -N280-,则根据车载电压和操作与显示单元(Climatronic 自动空调控制器 -J255-)的型号,目前出现的最大电流约 0.65 A(至 0.8 A )(由操作与显示单元(Climatronic 自动空调控制器 -J255-)计算出、调节和限制)。
♦ 如果尽管以最大电流控制空调压缩机调节阀 -N280-,但制冷剂循环回路中的压力(显示区3和4)在发动机运转时不变化,请检查皮带盘或压缩机的驱动单元,压缩机必须受驱动(如果过载保护装置已触发,虽然皮带盘运转,但压缩机不受驱动) → 相关章节。
提示♦显示区2中显示电流实际可以流过期间的时间的脉冲负载参数。
♦操作与显示单元(Climatronic 自动空调控制器 -J255-)以 500 Hz 的频率工作(500 Hz = 每秒钟 500 个接通脉冲)。
该占空因数说明,每个脉冲的接通时间的比例有多大。
♦接通信号例如可以用汽车诊断、测量和信息系统 -VAS 5051A- 的测量技术功能检测 → 相关章节。
♦该脉冲负载参数由操作与显示单元(Climatronic 自动空调控制器 -J255-)选择,原则是由不同因素决定的蒸发器标准温度可由蒸发器出风口温度传感器 -G263- 探测到 →相关章节。
2020/07·汽车维修与保养61(接上期)二、香味和空气质量系统1.香氛系统嗅觉的意思是闻到气味。
气味与鼻粘膜中的气味传感器接触并被这些传感器感受到。
新奥迪A8(型号4N)提供了两种不同的香氛,可以在夏季和冬季香氛之间进行选择。
在行驶过程中可以通过MINI显示屏、前部信息显示和操作系统控制单元的显示单元J685设置香氛选择以及香氛强度,同时显示了相应香氛的当前液位。
香气是由香氛系统功能单元GX43中的2个圆柱形小玻璃瓶提供,在小玻璃瓶上粘贴了带有相应香氛的标签。
这个功能单元位于方向盘右侧,仪表板下面,通过一个小鼓风机将小玻璃瓶中溢出的香气输送到外侧前部的出风口中如图13所示。
此外可以选择不同的香味强度。
维修保养时若需更换小玻璃瓶,为了避免小玻璃瓶的混淆,应依次进行更换,并注意旋转方向,小玻璃瓶采用左旋螺纹。
更换后,必须通过车辆诊断测试仪将改变的液位告知香氛系统控制单元J1101。
图13 香氛系统2.空气质量改善系统在新奥迪A8(型号4N)中采用了用于改善空气质量的离子发生器如图14所示。
通过离子发生器改善空气质量的工作原理是利◆文/广东 崔冠乔全新奥迪A8空调系统结构特点分析(下)用空气颗粒中有限的负电荷通过前部外侧的出风口进入车内,通过空气中的负离子有助于提高乘员的健康和注意力。
通过电离可以减少空气中的有害颗粒和病菌并因此改善车内的空气质量。
两个离子发生器即驾驶员侧离子发生器J1105和副驾驶员侧离子发生器J1106,可单独更换。
离子发生器中的电极也可单独更换且不得损坏,在安装新电极时,必须注意电缆的颜色代码。
三、拓扑图及前、后排区域的空调操作元件1.拓扑图拓扑图如图15所示。
2.前、后排区域的空调操作元件及鼓风机强度的设置(1)前排区域的空调操作元件从图15可知在奥迪A8(型号4N)上取消了全自动空调控制单元J255,因此不再有自己的空调控制单元。
空调的控制功能被移植到车载电网控制单元J519中。
一种材料的温室效应潜力或者说它对温室效应的影响用英语名称GlobalWarmingPotential(GWP)表示,指的是这种材料对地球大气升温的潜在贡献。
作为依据和参考值,GWP数值越小,则温室效应越小,因此对环境的影响也就越小。
作为依据和参考值,将二氧化碳(CO 2)的GWP数值规定为1。
GWP数值越小,则温室效应越小,因此对环境的影响也就越小。
而以往使用的制冷剂如R134a(四氟乙烷),其GWP值为1 320,R1234yf 的100年GWP数值等于4,也就是说,1kgR1234yf在前100年内释放4次后才与1kg二氧化碳造成的温室效应相当。
自2017年1月1日起,在欧洲范围内的车辆不允许使用GWP数值>150的制冷剂。
基于这个原因,在这些国家禁止使用R134a制冷剂。
因此奥迪自2016年起,批量采用制冷剂R1234yf。
随着新奥迪A8(型号4N)的上市,在新奥迪A8(型号4N)中使用了一种新制冷剂——二氧化碳。
它的化学式是CO 2,在引进时使用了R774这个名字,即制冷剂R774。
二氧化碳的物理特性与所使用的其他制冷剂不同,它是一种无色、不可燃的气体且不容易与其他元素结合,比空气重,是一种在自然界中存在的物质,它既不含氟也不含氯,一系列的自然反应都会产生二氧化碳,因此获取的成本低廉,而且对地球的臭氧层也没有影响。
因此当制冷剂循环回路发生泄漏时,可以毫无问题地将其排放到自然界的循环体系中。
二氧化碳能以固态、液态、气态和超临界的状态出现,而在汽车空调中只能以气态、液态或超临界的状态出现,制冷剂循环回路的工作压力明显更高,其工作压力比使用普通制冷剂空调的压力高约10倍。
另外因为二氧化碳分子比以往所使用的制冷剂的分子更小,所以制冷系统必须设计得更加密封。
制冷剂R744没有固有气味,因此无法闻到,比空气重,因此可能在较深的区域汇集,例如:装配坑、地窖和洼地,在此类区域可以挤出环境空气以及氧气,在含氧量少的区域停留可能导致生命危险。
毕业论文论文题目:奥迪A6空调系统的结构原理及故障诊断系部:汽车工程系专业名称:汽车检测与维修技术班级:学号:姓名:指导教师:完成时间:年 5 月10 日目录一、概述 (1)(一)汽车空调的发展 (1)(二)汽车空调的分类 (2)二、奥迪A6空调系统结构及工作原理 (3)(一)奥迪A6空调系统的主要结构部件 (3)(二)奥迪A6空调系统工作原理 (5)三、奥迪A6空调系统检修以及故障诊断 (10)(一)空调常见检漏方法 (15)(二)空调常见故障现象及原因 (16)(三)空调系统典型故障案例分析 (18)结束语 (21)参考文献 (22)奥迪A6空调系统的结构原理与故障诊断摘要:汽车空调系统的作用在于调节空气温度、湿度、速度、流向和空气洁净度,是改善汽车舒适性的重要装置。
目前,汽车空调已经成为汽车上的典型装置,因此,汽车空调的检修成为汽车故障检修的一个重要组成部分。
本文在介绍汽车空调系统组成及工作原理的基础上,针对奥迪A6空调控制系统,给出了汽车自动空调的常用故障诊断方法,并给出具体检修实例。
本文所阐述的检修方法,具有实用性且具有通用性,可为其他汽车空调系统的检修提供借鉴。
关键词:奥迪A6;空调系统;工作原理;故障诊断一、概述(一)汽车空调的发展汽车空调是指对汽车座厢内的空气质量进行调节的装置。
不管车外天气状况如何变化,它都能把车内的湿度、温度、流速、洁度保持在驾驶人员感觉舒适的范围内。
最原始的汽车空调仅是开窗换气式。
最早的汽车空调装置始于1927年,它仅由加热器、通风装置和空气过滤器三者组成,且只能对车室供暖。
准确地讲,汽车空调的历史,应该从制冷技术应用在车上开始。
20世纪30年代末期美国的几部公共汽车上装上了应用制冷技术的冷气装置。
直到20世纪60年代,应用制冷技术的汽车空调才开始逐步地普及起来。
以后,人们对汽车空调的兴趣逐年增加,汽车空调技术日趋完善,功能也越来越全面。
它的发展大体上可以分为如下几个阶段:1、单一供暖、供冷空调装置阶段始于1927年,目前在寒冷的北欧,亚洲北部地区,汽车空调仍使用单一供暖系统。
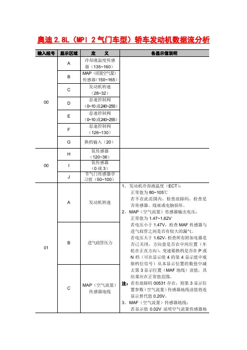
大众/奥迪汽车维修技术手册—故障码分析-数据流分析-基本调整-匹配前言随着环保的要求以及电喷车的普及,对广大的维修技术人员的要求越来越高,如何用现代的检测技术对电喷车进行全面的故障诊断,是维修人员迫切需要掌握的诊断技术,本技术手册告诉你如何使用解码器对大众/奥迪汽车的电控系统如:发动机系统、自动变速箱、ABS系统、空调、防盗系统等进行故障诊断,以及故障排除方法等。
目前在我国常见的大众—奥迪系列的车型有:A6、V6、桑塔纳2000(包括GLI和GSI),奥迪100(包括2。
6L和2。
8L、1、8T),奥迪200,捷达王,高尔夫,帕萨特及一汽开发的红旗。
由于这些车型使用的控制系统不同,其显示的数据参数和显示位置会不同.但这些车型均可使用大众—奥迪的专用仪器英文1552或金奔腾中英文1552对发动机系统、自动变速箱、ABS系统、空调等电控进行综合测试。
该仪器具有以下功能;1、读电脑版本型号:读取所测电控系统的电脑版本型号,系统类型,发动机类型,适用配置的设定号及服务站代码等.2、读取故障码:读取电脑控制系统存储的故障码及故障码内容。
3、测试执行元件:驱动执行元件单独工作,检测执行元件工作是否正常。
4、基本调整:电控系统某些基本运行参数的设定。
5、清除故障码:清除控制电脑中记忆的故障码。
6、控制单元编码:根据车辆使用的国家、地区和发动机、变速器及其他配置输入适当的设定号(CODINGNUMBER控制单元编码)。
7、读取数据流:读取控制电脑的运行数据(以数据组形式显示)。
8、读取独立通道数据:读取控制电脑的运行数据(以单通道数据显示).9、通道匹配:根据厂方要求和实际需要修改和输入某些设定值。
10、登录。
11、设定服务站代码。
在使用解码器以上功能对大众/奥迪系列汽车进行故障诊断时,由于不同车型配备的系统不同,以及不同系统配备的控制电脑型号不同,因此使用解码器前应仔细阅读操作说明书及技术手册.由于V。
A.G1551/2或金奔腾中英文1552在显示数据时,仅分区域显示数值(有时有单位),有关数据的含义和所显示的区域位置会因车型不同而有所变化。
大众/奥迪汽车维修技术手册—故障码分析-数据流分析—基本调整-匹配前言随着环保的要求以及电喷车的普及,对广大的维修技术人员的要求越来越高,如何用现代的检测技术对电喷车进行全面的故障诊断,是维修人员迫切需要掌握的诊断技术,本技术手册告诉你如何使用解码器对大众/奥迪汽车的电控系统如:发动机系统、自动变速箱、ABS系统、空调、防盗系统等进行故障诊断,以及故障排除方法等。
目前在我国常见的大众—奥迪系列的车型有:A6、V6、桑塔纳2000(包括GLI和GSI),奥迪100(包括2.6L和2.8L、1、8T),奥迪200,捷达王,高尔夫,帕萨特及一汽开发的红旗.由于这些车型使用的控制系统不同,其显示的数据参数和显示位置会不同.但这些车型均可使用大众—奥迪的专用仪器英文1552或金奔腾中英文1552对发动机系统、自动变速箱、ABS系统、空调等电控进行综合测试。
该仪器具有以下功能;1、读电脑版本型号:读取所测电控系统的电脑版本型号,系统类型,发动机类型,适用配置的设定号及服务站代码等.2、读取故障码:读取电脑控制系统存储的故障码及故障码内容.3、测试执行元件:驱动执行元件单独工作,检测执行元件工作是否正常.4、基本调整:电控系统某些基本运行参数的设定.5、清除故障码:清除控制电脑中记忆的故障码.6、控制单元编码:根据车辆使用的国家、地区和发动机、变速器及其他配置输入适当的设定号(CODINGNUMBER控制单元编码).7、读取数据流:读取控制电脑的运行数据(以数据组形式显示)。
8、读取独立通道数据:读取控制电脑的运行数据(以单通道数据显示)。
9、通道匹配:根据厂方要求和实际需要修改和输入某些设定值.10、登录.11、设定服务站代码。
在使用解码器以上功能对大众/奥迪系列汽车进行故障诊断时,由于不同车型配备的系统不同,以及不同系统配备的控制电脑型号不同,因此使用解码器前应仔细阅读操作说明书及技术手册.由于V。
A。
G1551/2或金奔腾中英文1552在显示数据时,仅分区域显示数值(有时有单位),有关数据的含义和所显示的区域位置会因车型不同而有所变化。