高支模安全监理实施细则
- 格式:docx
- 大小:22.84 KB
- 文档页数:4
高支模施工监理实施细则一、施工前的准备工作1.编制施工组织设计:根据施工图纸和设计要求,编制施工组织设计,明确工程实施方案、工期计划、施工方法等。
2.编制施工图纸:编制高支模施工图纸,明确高支模结构的搭设准则、竖向间距、梁柱支撑形式等。
3.组织施工前的技术培训:对施工人员进行高支模施工技术培训,确保其具备相应的技能和操作经验。
4.检查和确认施工设备:对高支模的结构支撑和连接设备进行检查,确保其质量合格,符合设计要求。
二、施工过程监理1.监督施工进度:严格按照施工组织设计和工期计划进行监督,确保施工进度的按时完成。
2.监测质量安全:对高支模的搭设、支撑、固定等工作进行监测和检查,确保其质量合格。
3.监督施工员工:对施工人员的操作规范、操作技术、安全措施等方面进行监督和指导。
4.协调和解决问题:对施工过程中出现的问题进行及时协调和解决,确保施工进度的顺利进行。
三、质量验收与监督1.监督施工过程中的质量验收:对高支模结构的材料、施工工艺、施工质量等进行监督和检查,确保其符合相关标准和规范。
2.参与施工质量验收:对高支模结构的施工质量进行验收,确保其质量合格。
3.监督质量整改:对高支模结构施工中出现的质量问题进行整改,并监督整改过程,确保整改质量符合要求。
四、安全生产1.监督安全生产组织:对施工单位的安全生产组织进行监督和检查,并提出改进意见和建议。
2.检查安全措施:对施工现场的安全措施进行检查,确保其符合相关安全规定和标准。
3.监督操作人员的安全行为:对施工人员的安全操作行为进行监督和指导,确保施工安全。
五、项目竣工验收1.参与工程竣工验收:与业主代表一同参与工程竣工验收,对高支模施工的质量和安全情况进行评估和审查。
2.提出整改意见和建议:对工程竣工验收中发现的问题,提出整改意见和建议,确保工程质量和安全。
3.监督整改工作:对工程竣工验收中提出的问题进行整改监督,确保整改工作符合相关要求。
以上是高支模施工监理实施细则的具体内容,通过制定和执行这些细则可以有效地保证高支模施工的质量和安全。
高支模安全监理实施细则
是指在高支模施工过程中,为确保施工安全和质量,对监理单位的职责和监理工作进行具体规定的文件。
以下是高支模安全监理实施细则的主要内容:
1. 监理单位的职责:监理单位应负责对高支模施工的组织、协调、检查和监督。
包括负责编制高支模施工组织设计、监督施工现场的安全管理、审核和验收施工方案、及时发现和处理施工中的安全隐患等。
2. 施工方案审核:监理单位应对高支模施工方案进行审核。
包括审核施工方案的可行性、合理性,以及施工过程中的安全措施是否到位。
3. 安全生产管理:监理单位应加强施工现场的安全管理。
包括制定并实施相应的安全检查计划,加强对施工人员的安全教育和培训,确保施工现场的安全条件符合相关标准和要求。
4. 安全隐患排查与处理:监理单位应对施工现场存在的安全隐患进行及时排查,提出整改意见,确保安全隐患得到及时处理。
5. 质量控制:监理单位应对高支模施工的质量进行监督和检查。
包括对材料的质量进行把关,对施工过程中的质量问题提出意见,确保施工质量符合相关标准和要求。
6. 监理报告编制:监理单位应根据施工情况,及时编制监理报告,向相关部门和施工单位提出意见和建议,确保施工进展和质量安全。
7. 问题整改:监理单位应对施工现场存在的问题进行整改跟踪。
包括对存在的问题提出整改措施和时限,核查整改情况,确保问题得到彻底解决。
总之,高支模安全监理实施细则是为了确保高支模施工过程中的安全和质量,规范监理单位的职责和工作,保障施工进度和质量达到预期目标。
高支模安全监理实施细则一、前言随着建筑业的快速进展和技术的不断提高,高支模结构在大型工程领域中得到了广泛的应用。
然而,高支模结构的施工过程中往往会显现一些安全问题。
为了确保施工安全,需要对高支模结构的安全监理实施细则进行规范,提高安全性。
本文旨在订立一份高支模安全监理实施细则,以确保工程施工的安全性、规范性和可控性。
本细则的订立过程采纳了阅历总结、综合分析和案例讨论三个方面。
二、工程准备高支模结构在开始施工前,需要做好以下准备工作。
1.编写施工方案。
编写施工方案是保证施工安全的前提。
施工方案应精细认真,使工程施工过程能够规范化进行。
2.选择施工队伍。
高支模施工需要专业的队伍具备丰富的阅历和技术,人员的素养也需要较高。
3.进行现场勘测。
勘测可确定工程施工情况,包括现场地形、所需材料、风险情况等。
进行勘测可以使工程施工过程更加的规范与可控。
三、安全措施的订立高支模结构的施工安全措施订立不仅要考虑高支模工程的特别性质,而且要综合评估施工条件和现场环境。
在施工前,监理应与建设单位和承包商商讨,并订立高支模工程施工的安全措施。
1.建立安全文化。
安全文化的建立和加强,可大大提高工人的安全意识。
监理应在工作中积极开展安全培训,通过安全学习交流、讲解施工安全学问、记录安全事件等方式,提高工人的安全意识。
2.固定任务范围。
工程施工任务应依照固定的范围进行,确保施工任务的完成质量和安全。
3.管理材料储存。
高支模结构的施工过程中总会显现很多材料,需要进行储存。
监理应依据需求订立储存方案,妥当安装储存,确保储存材料的安全性。
4.班组安全制度。
通过培育班组的安全责任制度,建立班组安全宣扬和安全制度,从而确保施工过程安全。
5.作业程序。
监理应与承包商一同确定高支模工程的施工程序,确认作业的安全程序。
四、施工阶段在施工阶段,监理对施工现场进行全方位的监督,适时发觉和解决问题。
1.现场巡查。
监理应进行日常巡察,注意高支模结构安全情况,适时发觉问题并立刻处理。
高支模安全监理实施细则1. 前言高支模是一种常见的建筑模板,广泛应用于建设领域。
在高支模的使用过程中,安全问题尤为突出,一旦出现安全事故将会给工人和周围环境带来不可估量的危害。
为了保障工程建设的安全,规范高支模的使用过程,提供一套高支模安全监理实施细则是非常必要的。
2. 监理制度1.高支模的施工必须遵循施工图纸的规范,严格按照设计要求和质量标准施工。
2.高支模的节点、支撑和连接处必须牢固可靠,确保施工安全。
3.施工前,必须进行安全检查和安全教育,确保工人具备必要的安全意识和操作技能。
4.监理人员必须全程跟踪工程进度和质量状况,及时发现和处理问题。
3. 监理要求1.监理人员必须经过专业的培训和考核,并具备相应的资格证书。
2.监理人员必须上岗前进行严格的身体体检,确保身体健康状况符合岗位要求。
3.监理人员必须熟悉施工图纸和相关规范标准,具备较强的技术能力和实际施工经验。
4.监理人员必须每天进场巡查一次,及时发现和处理问题,并记录巡查情况。
工期短的项目,应增加巡查次数。
5.监理人员必须对工人进行培训和安全教育,督促工人遵守安全操作规程。
6.监理人员必须按照规定时间报送监理报告,并提交监理意见。
4. 监理工作内容1.监理人员必须对高支模设备的使用和操作进行全面检查,确保安全稳定。
2.监理人员必须对高支模的搭设过程进行全面监督,确保支撑结构牢固可靠,满足承载要求。
3.监理人员必须对高支模的浇筑施工过程进行全面监督,确保操作规范、质量可控。
4.监理人员必须对现场作业进行安全监控和指导,检查作业现场周边环境和设备安全状况,确保施工现场环境整洁,通风良好,以及防止火灾等安全事故。
5.监理人员必须按照规定收集、整理和存档监理记录和资料,并及时向建设部门和业主反映施工进度和质量问题。
5. 监理报告和意见1.监理人员必须及时向建设部门和业主汇报监理进度、质量和安全情况。
2.监理报告的内容应当包括施工基本情况、检验结果、施工现场情况、现场安全状况和监理意见等内容。
高支模工程安全监理实施细则前言高支模工程是一种常见的大型工程建筑形式,其施工需要细致周到的监理和管理。
本文档旨在规范高支模工程安全监理的实施细则,提高工程的安全性和施工质量。
监理资质监理人员应具备相应的资格证书和工作经验,必须是具有高支模工程监理资质的国家注册建筑师或注册结构工程师,或者是宝钢高支模认证工程师。
建立安全文化•建立相关的安全管理制度和操作规程,包括安全培训、安全标准、安全检查、事故处理等。
•定期组织安全培训、安全检查、安全交底等活动,以提高人员安全意识和执行力。
施工现场管理•施工现场必须有封闭的围挡,并设置符合安全要求的进出通道,严密控制人员和车辆进出。
•现场必须有专人负责安全管理。
实行24小时巡视制度,对危险点、交叉作业、防护措施等进行监督和检查。
•安全防护措施必须到位,如脚手架、安全网、护栏、吊粉防护等,提高工人的安全防护意识。
施工工序管理•施工工序的验收必须按照规范要求进行,确保施工过程中的安全、质量、技术、进度等问题得到控制。
•禁止未经许可擅自改变或违反设计图纸、施工工序等。
•对于关键工序和重要构件进行质量跟踪和监控,确保施工质量。
安全生产责任制•整个高支模工程的安全生产责任制的建立必须坚持“一岗双责”原则,确保安全责任的权利与义务。
•安全生产责任分解至每个部门、岗位或责任人,明确安全生产责任的范围、责任人、时间和标准。
•在每个工序前,必须进行危险源辨识、风险评估、风险管控等环节,对潜在危险进行全面掌控。
安全检查•对每个工序和每个活动的安全要求都必须进行检查或许可审批,切实保障工序流程的安全性。
•在施工过程中,必须按照要求定期或不定期组织安全检查,发现问题及时处理,规避隐患。
•定期组织各种应急演习,如消防演习等,以确保出现问题时能够及时处理。
结语以上就是高支模工程安全监理实施细则,我们希望这些实施细则能够有助于确保高支模工程的安全和质量,最终实现工程建设的成功。
在实施中应严格按照要求执行,并不断进行总结和完善。
高支模监理实施细则高支模监理实施细则一、引言高支模工程是一项复杂而重要的施工工程,为确保工程质量以及施工安全,需要进行监理工作。
本旨在规范高支模监理的实施细则,为监理人员提供详细指导。
二、监理人员的责任与权利2.1 主要责任监理人员应对高支模施工过程进行全程监控,包括监督材料的采购、现场施工的安全与质量、工程进度的控制等。
2.2 权利监理人员有权查看所有相关文件、图纸,并对施工进行技术评审。
对于违反规定的行为和质量问题,有权提出整改要求。
三、高支模材料与设备要求3.1 材料要求高支模材料应符合相关国家标准,包括钢材质量、支撑材料强度等。
3.2 设备要求高支模设备应符合国家安全标准,并定期进行检测和维修。
四、高支模施工管理4.1 施工准备施工前需进行现场勘测、材料准备、装配准备等工作,确保施工顺利进行。
4.2 施工方案根据设计图纸和现场实际情况,编制详细的施工方案,包括支撑结构、安全措施等。
4.3 施工过程确保施工过程中的安全,加强对施工方案的执行情况进行监控,并记录施工过程中的关键节点和质量问题。
五、高支模质量控制5.1 施工质量检查对高支模施工过程中的质量进行检查,包括支撑结构的强度、连接件的牢固性等。
5.2 施工质量记录对施工质量进行记录,并对质量问题进行整改和跟踪。
六、高支模安全管理6.1 安全培训施工人员应接受相关的安全培训,并掌握高支模施工的安全操作规程。
6.2 安全监督监理人员应对施工现场的安全情况进行监督,并及时解决发现的安全隐患。
七、高支模施工进度控制7.1 施工进度计划根据工程的总体进度计划,编制高支模施工的详细进度计划。
7.2 进度监控监理人员应对施工进度进行全程监控,及时发现并解决进度延误的问题。
八、项目交付与验收8.1 施工完成报告施工完成后,监理人员应编制详细的施工完成报告,并提交业主确认。
8.2 项目验收由监理人员组织施工过程中的质量检查,确保质量达到相关要求后,进行项目验收。
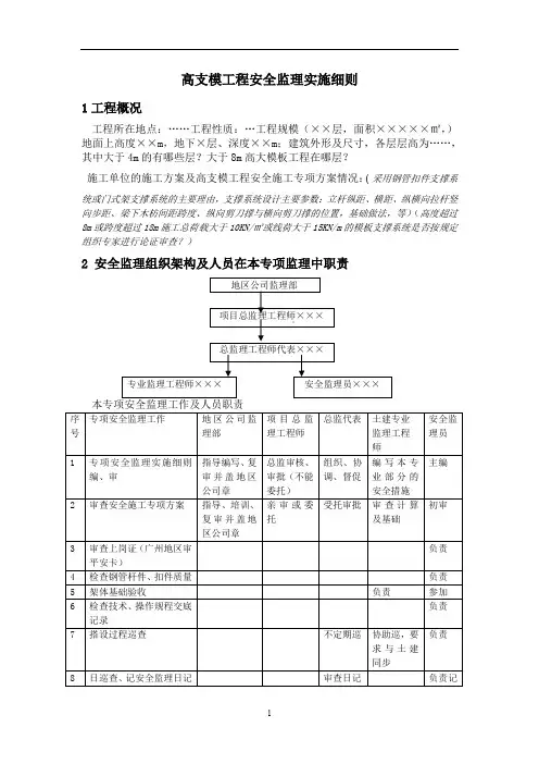
高支模工程安全监理实施细则1工程概况工程所在地点:……工程性质:…工程规模(××层,面积×××××㎡,)地面上高度××m,地下×层、深度××m;建筑外形及尺寸,各层层高为……,其中大于4m的有哪些层?大于8m高大模板工程在哪层?施工单位的施工方案及高支模工程安全施工专项方案情况:(采用钢管扣件支撑系统或门式架支撑系统的主要理由,支撑系统设计主要参数:立杆纵距、横距、纵横向拉杆竖向步距、梁下木枋间距跨度、纵向剪刀撑与横向剪刀撑的位置,基础做法,等)(高度超过8m或跨度超过18m施工总荷载大于10KN/㎡或线荷大于15KN/m的模板支撑系统是否按规定组织专家进行论证审查?)2 安全监理组织架构及人员在本专项监理中职责具有“三要素”(即:什么问题、怎么整改、完成时限)并应及时书面回复,监理应在回复单上填写复查意见,达到闭合。
3 本专项工程安全监理要点及目标值3.1.1应按规范JGJ59—99的模板工程安全检查评分表表3.0.6进行检查并打分。
4 监理工作主要流程:施工单位已建立安全生产保证体系并报监理审查批准施工单位已编制安全施工组织设计(方案)并报监理审查批准;高大模板支撑系统(高度>8m或跨度>18m或施工总荷载>10KN/㎡或线荷>15KN/m者),施工企业应组织不少于5名专家论证审查前提条件5 相关建设法规、规范、标准及企业内部规定1)《危险性较大工程安全专项施工方案编制及专家论证审查办法》(建质【2004】213号)2)关于印发《建筑施工特种作业人员管理办法》的通知(建质【2008】75号)3)《建筑施工高处作业安全技术规范》JGJ80—914) 《建筑施工安全检查标准》JGJ59—996 主要工作质量记录1)本细则;2)安全监理日记;3)专项安全施工方案报审表(广东省统表;安监A—20);附施工单位报来的《混凝土水平构件钢支撑系统安全施工专项方案》及相关资料;4)施工机械设备设施安全报审表(广东省统表:安监A—25)5)特种作业人员安全资质审查登记(广东省统表:安监—21)附施工单位报来的架子工名单、身份证复印件、上岗证复印件资料;6)施工安全教育培训、技术交底审查记录(广东省统表:安监—22)附施工单位报来的交底记录资料;7)监理通知单(监理规范B1表);注:上述表格适用于广州地区,其他各地应使用当地建设行政部门制定的表格。
2023年高支模安全监理实施细则第一章总则第一条为了加强对高支模施工过程中的安全监督管理,保障工程质量,维护人身财产安全,根据相关法律法规,制定本实施细则。
第二条本实施细则适用于所有采用高支模进行施工的建筑工程。
第三条高支模安全监理实施细则的主要内容包括施工前准备、施工过程管理、安全防护措施、监理责任等。
第二章施工前准备第四条施工前,施工单位应向监理单位提交详细的高支模施工方案,并经监理单位审核通过。
第五条施工单位应依法办理高支模施工许可手续,并按照许可内容进行施工,不得擅自改变高支模设计。
第六条施工单位应组织相关人员进行专业培训,掌握高支模操作技能,并建立相应的安全管理制度。
第七条施工前,施工单位应检查高支模的设备、工具和材料的质量,确保其符合施工要求,并妥善保管。
第八条在施工前,应对施工现场及周边环境进行全面安全评估,并制定相应的应急预案。
第三章施工过程管理第九条施工单位应组织专业技术人员进行施工现场勘测和测量,明确施工要点和技术难点,并制定施工方案。
第十条施工人员应按照施工方案和作业规程进行操作,保证施工质量和安全。
第十一条在高支模吊装过程中,应合理安排吊装绳索和吊装设备,严格控制吊装高度和吊装速度,防止吊装过程中产生震荡,确保吊装安全。
第十二条在高支模拆除过程中,应依次进行拆除,防止过快拆除造成结构失稳或者其他安全事故。
第十三条高支模构件的搭接、安装和固定应符合相关标准和规范的要求。
第十四条施工过程中,应定期对高支模进行检查和维修,及时发现和解决问题,确保设备的正常使用。
第四章安全防护措施第十五条施工现场应明确标识出临时工程、安全通道、危险区域等区域,并设置明显的警示标志。
第十六条施工现场应开展安全教育培训活动,加强对施工人员的安全教育,提高其安全意识和技能。
第十七条施工现场应配备必要的消防设备,并对施工人员进行消防知识培训,确保及时应对火灾等紧急情况。
第十八条施工现场应保持通风畅通,控制室内外温度差异,确保工作人员的舒适和健康。
A.0.4XXXXXXX工程监理实施细则(高支模工程)内容提要:专业工程特点监理工作流程监理工作要点监理工作方法及措施项目监理机构(章):专业监理工程师:总监理工程师(签字、执业印章):日期:江苏省住房和城乡建设厅监制高支模工程监理实施细则1 高支模工程概况1.1 工程概况:工程名称:XXXXXXXXXXX项目(XXXXX号地块项目)建设单位:XXXXX有限公司设计单位:XXX有限公司勘察单位:XXX察院监理单位:XXX公司施工单位:XXX限公司建筑地点:XXXXXXXX建筑规模:XXXXXXXXXXXXXXXXXXXXXXXXXXXXXXXXXXXXXXXXXXXXXXX㎡,高度为XXXX。
1.2 本高支模工程概况:(如有多种支模形式应分别说明)本高支模工程概况一览表表1.12 本工程高支模工程的特点、难点2.1 本工程高支模分部工程设计、施工特点、难点:地下室局部顶板厚度超过300mm且最大厚度为350mm;门厅、室内共享空间高超过8米。
门厅位于3-6/A-C轴,高为9.65米米;共享空间位于6-7/C-D轴,层高9米。
地下室顶板该部分的梁截面为400×650 mm、450×900mm、400×700mm、500×900mm、450×1300mm 、500×1300mm 、450×1000mm、300×700mm、300×900mm、 500×1400mm、400×1200mm。
门厅、共享空间该部位梁截面为:300×1000 mm、350×1000mm、350×700mm、400×750mm、300×750mm 、350×700mm。
建设工程施工现场混凝土构件模板支撑高度超过8m,或搭设跨度超过18m,或施工总荷载大于15kN/㎡,或集中线荷载大于20kN/m的模板支撑系统,需要制定高大模板专项方案。
高支模监理实施细则一、引言随着建筑工程的快速发展,高支模结构在建筑领域中的应用越来越广泛。
为了确保高支模结构的施工质量和安全性,监理工作变得尤为重要。
本文档旨在制定高支模监理的实施细则,以帮助监理人员更好地执行其职责。
二、监理人员的职责1. 审查高支模结构施工图纸和技术方案,确保其符合相关标准和规范。
2. 监督高支模结构施工过程中的质量控制,包括模板的安装、支撑和拆除等。
3. 检查高支模材料的质量和合格证明文件。
4. 检查施工现场的安全措施是否到位,并提出改进建议。
5. 监督施工单位按照施工方案和施工规范进行操作,并记录问题和不合格项。
6. 及时发现和处理高支模施工中的质量问题和安全隐患。
7. 审查高支模工程竣工验收文件和材料移交记录。
三、高支模施工的准备工作1. 审查高支模结构施工图纸和技术方案,确保设计符合相关标准和规范。
2. 检查高支模材料的质量和合格证明文件。
3. 确定高支模施工现场的布置和安全措施,包括高支模支撑系统、通风和照明设施等。
4. 协调施工单位安排高支模施工人员的培训和技术指导工作。
四、高支模施工的质量控制1. 检查高支模的安装和拆除方案,确保模板安全可靠。
2. 监督高支模材料的质量,包括模板板材、支撑杆和螺栓等。
3. 检查高支模的支撑系统,包括支撑杆、底座和托板等。
4. 监督高支模施工过程中的水平、垂直和尺寸控制。
5. 检查高支模的防腐涂料和防火处理,确保满足相关要求。
6. 定期检查高支模的固定和连接件,预防松动和变形。
五、高支模施工的安全控制1. 检查施工现场的交通安排和防护措施,确保施工安全。
2. 监督高支模的安装和拆除过程,防止人员伤害和事故发生。
3. 确保施工人员佩戴个人防护装备,包括安全帽、安全鞋和防护手套。
4. 检查施工设备的安全性能和合格证明文件。
5. 检查施工现场的消防设施和应急救援措施,确保火灾和事故的及时处理。
六、高支模竣工验收1. 检查高支模结构的尺寸和表面质量,确保符合设计要求。
高支模工程安全监理实施细则一、工程概况本工程支模高度9。
5m,既属于危险性较大的分部分项工程。
也属于超过一定规模的危险性较大的分部分项工程,施工单位须组织专项方案专家论证会.专项方案经论证后,专家组必须提交论证报告。
二、安全监理人员及职责(一)安全监理人员1。
总监:夏新金2。
专业监理工程师:罗和平(二)总监的职责(三)专业监理工程师的职责三、监理依据1.《建设工程安全生产管理条例》(国务院令第393号)2.建设部《危险性较大的分部分项工程安全管理办法》(建质[2009]87号)3。
《建筑施工模板安全技术规范》(JGJ 162-2008)4.《建筑施工扣件式钢管脚手架安全技术规范》(JGJ 130-2001)5.《建筑施工门式钢管脚手架安全技术规范》(JGJ 128-2000)6.《建筑施工安全检查标准》(JGJ 59-99)四、安全监理要点1.专项方案编制和审核、论证(1)本工程水平支撑系统高度大于8米的模板.高支模专项方案应有计算书.计算书应包括施工荷载计算,模板及其支架系统的强度、刚度、稳定性、抗倾覆等方面的验算,支承层承载的验算。
(2)对已重复使用多次的模板、支架材料,应作必要的强度测试,技术方案应以材料强度实测值作为计算依据。
(3)对于特殊的工程结构,当模板面非水平面或施工荷载不均衡时,应按整体稳定性和抗倾覆能力计算确定水平拉杆、剪刀撑的设置。
(4)根据住房和城乡建设部《关于印发〈危险性较大的分部分项工程安全管理办法>的通知》(建质(2009)87号),当高大模板工程达到超过一定规模的危险性较大的分部分项工程范围的,需组织5名及以上的专家组对专项方案进行论证,并提供论证报告。
(5)支架立杆基础必须坚固,按设计计算要求严格控制支架沉降量。
立杆的支承面是泥土地面时,应采取排水措施,并应在平整、夯实后必须做板压测试,加设满足承载力要求的垫块支承立杆.(6)专项施工方案应当包括以下内容:a.编制说明及依据:相关法律、法规、规范性文件、标准、规范及图纸(国标图集)、施工组织设计等。
高支模安全监理实施细则模版第一章总则第一条为了确保高支模施工过程中的安全与质量,保护工人身体健康,提高施工效率,根据相关法律法规和标准,制定本监理实施细则。
第二条本监理实施细则适用于高支模施工过程中的安全监理工作。
第三条高支模施工的监理工作应当严格按照国家法律法规、相关标准和监理合同要求进行。
第四条监理人员应熟悉高支模施工工艺、规范要求以及相关施工方案,具备一定的工程技术和安全管理知识。
第五条监理单位应根据实际情况,制定高支模施工的安全管理方案,并及时向施工单位下达。
第六条监理人员应按照安全管理方案,对施工单位的施工现场进行监理,及时发现和处理高支模施工中存在的安全隐患。
第七条监理单位应对高支模施工作业人员进行安全教育培训,提高其安全意识和操作技能。
第八条施工单位应按照监理单位的要求配备足够数量和合格的高支模施工作业人员,并保证其经过相关培训合格方可上岗。
第九条监理人员应在施工过程中加强对高支模施工工艺和现场安全的监控,并随时与施工单位进行沟通协调,及时解决施工过程中的安全问题。
第二章高支模施工安全管理第十条高支模施工现场的进入和出入口应设置明显的警示标志,并按照规定配备专人进行登记、检查。
第十一条施工单位应制定高支模施工现场的安全管理制度,并向监理单位报备,经其审核后方可实施。
第十二条高支模施工现场应根据施工的不同阶段和特点制定详细的安全保护措施,并在施工前进行培训和演练。
第十三条施工单位应对高支模施工工艺进行全面评估,确定合理的施工工序和安全措施,确保施工过程中安全可控。
第十四条高支模施工现场应配备足够的安全防护设施,并定期检测、维护和更新,确保其正常运行。
第十五条临时用电设备的安装和使用应符合相关标准,保证电气设备的可靠性和安全性。
第十六条施工单位应加强对高支模施工材料的质量检查,确保其符合相关标准和合同要求。
第三章高支模施工作业安全第十七条高支模施工作业人员应经过专业培训,具备相应的操作技能和安全意识。
高支模安全监理实施细则
是指在高支模工程中,监理人员进行安全监督和管理的具体规定和实施细节。
下面是一些可能包含在高支模安全监理实施细则中的内容:
1. 监理人员的资质要求:确定监理人员应具备的资格和技能要求,包括相关专业知识、证书等。
2. 监理组织和管理:确定监理组织的结构、职责分工和监理人员的配备情况,包括监理队伍的数量、职责以及监理人员的职责和权限等。
3. 施工现场安全管理:规定施工现场的安全管理措施,包括安全防护设施的设置、危险区域的划定、施工过程中的安全操作等。
4. 安全培训要求:规定工程人员的安全培训要求,包括高支模施工操作规程的培训、安全生产知识和技能培训等。
5. 监理过程中的安全检查和监督:规定监理人员的日常安全检查职责和方法,包括检查高支模的安装情况、材料的质量和检验等。
6. 安全记录和报告:规定监理人员进行安全记录和报告的要求,包括记录施工现场的安全情况、发现的安全隐患和整改情况等。
7. 事故处理和应急措施:规定监理人员的事故处理职责和应急措施,包括对事故现场的处理、伤员救治等。
8. 监理人员的违规处罚制度:规定监理人员违反高支模安全规定的处理措施,包括记录违规情况、给予处罚等。
以上是可能包含在高支模安全监理实施细则中的内容,具体实施要根据项目大小、风险等因素进行适当调整。
高支模安全监理实施细则范本第一章总则第一条为了规范高支模施工安全监理工作,提高高支模施工安全管理水平,保障施工人员的安全,根据《中华人民共和国建筑法》等相关法律、法规及国家标准,制定本细则。
第二条高支模安全监理实施细则适用于高支模施工过程中的安全监理工作,包括但不限于高支模工程的前期准备、施工过程、施工验收等环节。
第三条高支模安全监理实施细则的主要任务是:加强对高支模施工安全管理的监督,及时发现并纠正施工过程中存在的安全隐患,确保施工过程中的安全稳定。
第四条高支模安全监理实施细则的管理责任单位为施工总承包单位,项目经理、施工现场负责人负有组织实施、监督检查和落实安全措施的责任。
第五条高支模安全监理实施细则应与相关法律法规、国家标准及本单位的安全施工规范相配套使用,相互补充完善。
第六条高支模安全监理实施细则的修订工作应当及时进行,修订内容经批准后即时实施。
第七条高支模安全监理实施细则的执行应当遵守施工过程的规定,不得有任何违法违规行为。
第二章施工前的准备工作第八条高支模工程施工前,由施工总承包单位的项目经理及施工现场负责人组织开展安全技术交底,明确各施工工序的安全要求及注意事项。
第九条开工前,项目经理及施工现场负责人应组织安全培训,确保施工人员掌握高支模施工过程中的安全操作技能,提高施工人员的安全意识和技能。
第十条施工前应检查高支模施工所需的主要设备的安全状态,确保设备完好,并对设备进行合理的安装和调试。
第十一条在明确施工图纸和工地平面布置图的基础上,制定安全施工方案,保障施工过程中的安全。
第十二条施工现场应设置明显的安全警示标志,包括但不限于施工现场的入口禁止非施工人员进入、施工区域的限制进入等标识。
第十三条施工总承包单位应做好施工现场及相关设施的巡查工作,确保施工现场的安全整洁。
第三章施工过程中的安全监督第十四条施工过程中应按照施工图纸和安全施工方案的要求,指定专人负责高支模施工的安全管理工作,并向项目经理汇报安全情况。
高支模安全监理实施细则第一章总则第一条目的与依据为了加强对高支模施工中的安全管理和安全监督,确保施工过程中的安全,根据《中华人民共和国建筑法》、《中华人民共和国建筑工程质量管理条例》等相关法律、法规和规章制度,制定本细则。
第二条适用范围本细则适用于各类高支模施工项目的安全监理工作。
第三条定义1. 高支模:指用于建筑施工中大面积面板的一种支撑方式。
2. 施工单位:包括总承包单位、专业承包单位和劳务分包单位。
3. 安全监理:指对施工过程中的安全工作进行监督、检查和指导。
4. 监理人员:指受聘于监理机构,专门从事安全监理工作的人员。
5. 监理机构:指按照国家有关规定,并按照相应程序设立的监理机构。
第二章施工前的安全监理第四条安全技术交底施工前,施工单位应向监理机构提供高支模的施工方案、安全技术交底资料,并进行现场辅助交底。
监理机构对施工方案和技术交底进行审核,并提出合理化建议。
第五条施工组织设计1. 施工单位应编制详细的施工组织设计,确保高支模施工过程中的安全性。
监理机构对施工组织设计进行审核,提出合理化建议。
2. 施工组织设计应包括高支模的搭设、拆除、调整等工艺流程,并进行安全评估,确定相应的安全管理措施。
第六条安全技术措施1. 施工单位应制定详细的安全技术措施,并按照施工组织设计的要求进行落实。
监理机构对安全技术措施进行审核,并监督施工单位的执行情况。
2. 安全技术措施应包括高支模的搭设和拆除方案、现场安全防护措施、作业人员的安全操作规程等。
3. 施工单位应配备专职的安全生产管理人员,并向监理机构提供相应的资质证明。
第七条安全技术交底施工单位应向施工现场的作业人员进行安全技术交底,确保他们了解相关的安全操作规程和施工要求。
第三章施工中的安全监理第八条施工现场管理1. 施工单位应建立完善的施工现场管理制度,确保施工现场的安全、整洁和有序。
2. 施工现场应设立安全警示标志,明确安全通道和出口,设置应急疏散通道。
____年高支模安全监理实施细则第一章总则第一条为了加强对高支模工程的安全监理,确保施工过程中的安全,保护工人的生命和财产安全,根据相关法律法规,制定本细则。
第二条高支模工程安全监理是指对高支模工程的施工过程进行监督检查,发现安全隐患,提供相应的整改措施,确保工程的安全建设。
第三条高支模工程安全监理应遵守法律法规,坚持安全第一的原则,加强安全教育培训,提高监理人员的安全意识和工作能力。
第二章监理人员第四条高支模工程安全监理应由具备相应资质的监理机构或监理人员承担。
第五条监理人员应具备合格的技术能力和丰富的实践经验,熟悉高支模施工技术和标准规范,具备良好的沟通协调能力和团队合作精神。
第六条监理人员应定期进行安全培训,提高安全管理水平和技术能力,及时了解和掌握高支模工程的最新技术和风险防控措施。
第三章监理内容第七条高支模工程安全监理的内容包括但不限于以下方面:(一)对施工方的安全管理制度和措施进行审查和评估;(二)对施工现场的安全环境进行检查和评估,包括场地平整、周边环境及交通安全;(三)对高支模工程施工过程中的安全措施进行监督,包括脚手架、封堵、扣件等安全设施的设置和使用;(四)对高支模工程材料的质量进行抽检和评估;(五)对施工人员的安全培训和操作规范的检查和评估;(六)对高支模工程施工过程中的安全隐患进行发现和整改,并提供相应的建议和措施;(七)对高支模工程质量进行抽检和评估,确保施工质量达到规定要求。
第八条监理人员应定期向施工方报告监理情况,及时提出整改意见和建议,并与施工方沟通协调,确保整改措施的落实。
第四章处理措施第九条高支模工程施工中如发现安全隐患,监理人员应立即向施工方通报,并提出整改要求。
第十条施工方应根据监理人员的要求,立即采取相应的整改措施,确保施工安全。
第十一条如施工方不按监理人员的要求进行整改,监理人员有权向相关主管部门报告,并建议对施工方进行处罚。
第十二条监理人员应及时记录和整理监理工作的各项数据和资料,形成监理报告,并向相关主管部门备案。
高支模安全监理实施细则范本一、总则1. 本细则的制定目的是为了确保高支模工程的施工过程安全可靠,保障工程质量,预防事故的发生。
2. 本细则适用于高支模工程的安全监理工作,监理人员在工程施工过程中应严格按照规定执行。
二、监理人员的职责1. 监理人员应熟悉和掌握高支模工程的相关法律法规和标准,在施工现场进行安全监督,确保施工过程符合相关规定。
2. 监理人员应定期检查施工现场的安全设施和工作环境,及时发现并整改存在的安全隐患。
3. 监理人员应随时提供安全技术指导和培训,确保施工人员具备必要的安全知识和操作技能。
4. 监理人员应参与施工过程的安全风险评估和安全方案的制定,并监督施工方按照方案进行施工。
5. 监理人员应及时记录、报告和处理施工过程中的安全事故和隐患,确保事故不扩大化。
三、施工组织管理1. 施工方应设立专职安全管理人员,负责高支模工程的安全管理工作。
2. 施工组织和安全责任制必须明确,施工方应制定详细的安全操作规程和操作流程,施工人员应按规程和流程进行操作。
3. 必须有足够数量的合格、安全的施工人员参与工程施工,施工人员必须经过相应的培训,并持有相关证书。
4. 施工方应建立健全的施工现场安全管理制度,包括应急预案、安全整改措施等。
四、施工现场安全要求1. 施工现场必须设立醒目的安全警示标志,如“禁止通行”、“危险区域”等,违规者应予以劝阻,并及时报告监理人员。
2. 施工现场必须保持通道畅行,消防通道必须保持畅通,不得堆放杂物。
3. 施工现场必须保持整洁,杂物应及时清理,以防滑倒或其他事故的发生。
4. 施工现场必须配备必要的安全设施,如安全帽、安全绳、防护网等,施工人员必须佩戴使用。
五、工程施工安全要求1. 施工前必须进行安全技术交底,确保施工人员了解工作要求和安全注意事项。
2. 施工进行过程中,必须按照操作规程和流程进行操作,禁止违章施工。
3. 施工过程中,如发现安全隐患或异常情况,必须立即向监理人员报告,并采取措施进行处理。
一、工程概况本工程建筑面积为****m2(其中地下车库部分** m2),建筑层数地下一层,地上十六层,建筑高度*******m(平屋面高),建筑结构形式为剪力墙结构。
本工程抗震设防烈度为7度(0.15ɡ)。
建筑安全等级为二级,建筑物耐火等级为一级,防火设计建筑分类:一类高层。
工程合理使用年限为50年。
本工程高架支模在十三层楼面上,框架梁断面为400×1400,次梁为200×400和200×500.楼板厚度为150mm、120mm和100mm。
梁支撑搭设高度为20.2m。
高支模系统中,采用¢48壁厚3.0mm焊接钢管,模板采用18mm厚胶合板,50×100木方,梁下立杆横距800mm,纵距500mm。
板底的木方间距均为300mm,板底立杆横距为1000横距1000,步距为1.5m,立杆基础作用在九层楼面板上。
二、监理依据:
1、******工程施工设计图纸;
2、《建筑施工安全检查标准》JGJ59—99
3、《建筑施工高处作业安全技术规范》
4、《建设工程高大模板系统施工安全监督管理导则》(建质(2009)254号)三、安全监理工作的控制要点:1、审查高支模施工方案:(1)审查梁支撑体系结构布置是否合理;梁底模板计算、梁底纵横向枋木验算是否正确合理;梁底纵向钢管验算、扣件抗滑移能力验算、立杆稳定性是否符合要求;(2)审查楼板支撑体系结构布置是否合理;板底模板计算、板底、枋木验算是否正确合理;板底水平钢管验算、扣件抗滑移能力验算、立杆稳定性是否符合要求;
(3)审查高支模的质量安全保证体系是否完善。
监理对施工单位所申报高支模工程施工方案进行了认真的审查,并召开专家评审会议,专家评审建议如下:1、该方案中需增加质量保证措施。
2、该方案中应增加砼浇筑顺序方案,如板下柱现行浇筑,待强度达80%后再浇梁板,板从中心向四周浇筑及控制好砼的高度。
3、梁底建议优先采用托架支座,必须保证双扣件,立杆间距建议不宜大于0.9m。
4、因立杆支撑在九层楼层板上,应经设计院复核。
5、建议对拉螺栓采用¢14,并进行复核。
6、加强施工荷载控制、施工过程和架体变形监测。
施工方必须认真执行专家评审意见。
2、模板安装质量要求:(1)模板安装必须保证位置准确无误,模板拼缝严密,支撑系统牢固可靠,不发生变形和位移;
(2)模板垂直度、标高、预埋及预留洞位置必须符合要求;
轴线位移底模上平面标高基础柱、墙、梁垂直度全高≤5m全高>5m 项目允许偏差(mm)5±510+4∽-568(3)现浇结构模板的允许偏差必须符合以下规定:
相邻两板表面高低差表面平整度(2m长度以上)项目允许偏差(mm)2 5
使用荷载;当施工荷载所产生的效应比使用荷载的效应更不利时,必须经过验算,保证构件质量安全的前提下合理堆放。
4、高支模及支撑体系的验收:
(1)支撑体系的水平纵横拉杆严格按方案设计的竖向间距位置,地面第一道纵横拉杆距地面不大于200mm;
(2)检查立杆下垫木枋或砼垫板;
(3)检查扣件螺栓的拧紧程度;
(4)纵横向均设置垂直剪刀撑,其间距不大于6m,同时主梁两侧支撑立杆垂直面上必须设置剪刀撑,全面设置,不可跳跃,钢管与地面是45°至60°角,夹角用回扣连接牢固;
(5)单块梁板的模板支撑体系的周边缘,必须设置剪刀撑,防止边缘失稳,造成质量事故。
5、防止高支模支撑系统失稳的控制措施:
(1)浇筑梁板砼前,应检查支撑体系中各种紧固件的紧固程度;
(2)浇筑梁板砼时,应专人看护,发现紧固件滑动或杆件变形异常时,及时用千斤顶把滑移部位顶回原位,加固变形杆件,防止质量事故和连续下沉造成意外坍塌。
6、高支模支撑架搭设和拆除的安全技术要求:
(1)安装安全技术要求:
①应遵守高处作业安全技术规范有关规定;
②架子作业时,必须戴安全帽、系安全带、穿工作鞋,搭设中应统一指挥,严禁在脚手架搭设过程中嘻戏打闹,材料工具不能随意乱抛乱扔,吊运材料工具的下方不得站人;
③雨后施工注意防滑,对脚手架进行经常检查,凡遇大风或停止一段时间再使用脚手架时,必须对脚手架进行全面检查,如发现连接部分有松动,立杆、大横杆、小横杆、顶撑有左右上下位移、铁丝解除、脚手板断裂、跷头等现象应及时加固处理;
④立杆接头应错开,将相邻立杆的对接接头位于不同高度上,使立杆的薄弱截面错开,以免形成薄弱层面,造成支撑体系失稳;
⑤用扭矩扳手检查扣件的紧固是否符合要求,扣件开口必须向外;
⑥所有钢管、扣件等材料必须经检验符合规格,无缺陷方可使用;
⑦支撑、拉杆不得连接在门窗、脚手架或其他稳固的物体上;
⑧高支模高空临边要有足够的操作平台和安全防护,避免材料、机具过于集中堆放。
(2)、拆除安全技术要求:
①同条件养护试块经过试验,确认砼强度已达到拆模强度时,方可拆除,预应力砼应待张拉后模板方可拆除,以防倒塌事故;
②拆模要严格遵守从上而下的原则,先拆除非承重模板,后拆除承重模板;
③高处、复杂结构模板的拆除,要有专人指挥和可靠的拆除措施,严禁非操作人员靠近作业区,拆下模板应集中吊运,不得向下乱扔;
④拆除模板采用长撬杆,严禁操作人员站在要拆除的模板下,注意防止整块模板掉下伤人;
⑤结构上有预留洞时,拆除后要立即做好安全防护。
四、高支模的安全监督管理:
1、安全监理员对高支模施工技术方案的实施和各项安全措施的落实情况进行抽查,发现问题及时书面通知施工单位限期整改,对出现下列情况之一者,应责令施工单位停工整改,复检合格后方可继续施工:(1)施工单位未编制高支模技术方案或将未经审批的技术方案交付现场施工;
(2)高支模施工存在重大安全隐患。
2、对高支模体系中存在的质量安全隐患,监理人员将立即提出整改通知书,若施工单位拖延整改、拒不整改、抗拒整改而强行浇筑砼等严重违规行为,监理人员将责令停工整改,并通知建设局或质监站,请示上级主管部门处理。