国家税务总局令第34号《重大税务案件审理办法》()
- 格式:doc
- 大小:72.00 KB
- 文档页数:19
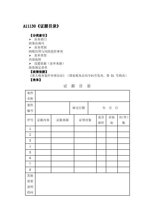
A11130《证据目录》
【分类索引】
业务部门
政策法规司
业务类别
纳税信用与风险监控事项
表单类型
内部流转
设置依据(表单来源)
政策规定表单
【政策依据】
《重大税务案件审理办法》(国家税务总局令34号发布,第 51 号修改)【表单】
证据目录
【表单说明】
1.本文书为A4横排,由案件提请单位提交证据材料时填制。
2.“案件名称”与重大税务案件审理提请书相同,“案件编号”为案件审理提请书的编号。
3.“证据内容”填写:账簿凭证、检查文书、法律依据、被查对象陈述申辩材料、听证笔录等。
“证据来源”填写证据系从何处取得、由谁制作。
“证明对象”填写证据证明的案件事实。
“是否原件”,一般应提交原件,提交原件原物确有困难的可以提交复制件或照片等。
“存放处”填写无法当场移交的证据及其他资料的存放地点。
对于无法现场移交、但列入证据目录的证据,接收人可以到存放现场查验后再签字确认。
重大税务案件的标准重大税务案件是指在税务管理中具有重大影响和典型性的案件,通常涉及大额税款、复杂税务关系以及重大社会影响等因素。
对于重大税务案件的处理,税务机关需要严格按照相关标准和程序进行,以确保案件的公正、合法和及时处理。
首先,重大税务案件的标准包括案件的性质和影响。
税务机关在确定案件是否属于重大税务案件时,需要综合考虑案件所涉及的税款金额、税务关系的复杂程度、案件的社会影响等因素。
一般来说,涉及大额税款、跨地区、跨行业的税务关系以及对社会影响较大的案件,都可能被认定为重大税务案件。
其次,重大税务案件的处理程序也是其标准之一。
税务机关在处理重大税务案件时,需要严格按照法定程序进行,包括案件的立案、调查取证、听证、裁决等环节。
在整个处理过程中,需要确保案件的公开、公正和透明,保障纳税人的合法权益,避免出现滥用职权、徇私舞弊等问题。
另外,重大税务案件的处理要求税务机关具备专业的办案能力和素质。
办案人员需要具备扎实的税法法规知识、丰富的办案经验以及良好的职业操守和专业素养。
只有具备这些条件的税务机关,才能够有效地处理重大税务案件,确保案件的合法性和公正性。
最后,重大税务案件的标准还包括案件的监督和审查机制。
税务机关在处理重大税务案件时,需要接受上级税务机关、纪检监察机关以及社会各界的监督和审查。
这有助于避免权力滥用、徇私舞弊等问题的发生,保障案件的公正和合法处理。
总之,重大税务案件的标准涵盖了案件的性质和影响、处理程序、办案能力和素质以及监督审查机制等方面。
税务机关在处理重大税务案件时,需要严格遵守相关标准,确保案件的公正、合法和及时处理,维护税收秩序和社会公平正义。
2023年注册税务师《涉税服务相关法律》历年真题汇编(共155题)1、荣轩外贸公司在缴纳了200万元的税款以后,采取虚报出口的手段,骗取税务机关退税280万元,后被查获,对该公司()。
(单选题)A. 以逃税罪处理B. 以骗取出口退税罪处理C. 其中的200万元按照逃税罪处理,余下的80万元按骗取出口退税罪处理D. 其中的200万元按照骗取出口退税罪处理,余下的80万元按逃税罪处理试题答案:C2、根据《个人独资企业法》规定,导致个人独资企业应当解散的情形有()(多选题)A. 被依法吊销营业执照B. 投资人死亡且无继承人C. 投资人决定解散D. 投资人丧失行为能力E. 投资人被宣告死亡且其继承人放弃继承试题答案:A,B,C,E3、扣缴义务人青山公司以拒绝向税务机关提供有关资料的方式,阻挠税务机关进行税务检查,当地税务机关对该公司的行为进行了调查,认为该公司的违法行为成立,向青山公司送达了《税务行政处罚告知书》,告知其当事人已经查明的违法事实、证据、行政处罚的法律依据和拟将给予的行政处罚,并告知其有要求举行听证的权利。
根据相关规定,下列说法正确的是()。
(单选题)A. 青山公司应当在被告知昕证权之日起5日内提出昕证要求,逾期不提出的,视为放弃听证权利B. 对应当进行听证的案件,税务机关不组织听证,行政处罚决定不能成立,当事人放弃听证或者被正当取消听证权利的除外C. 青山公司要求听证符合条件的,税务机关应当在收到当事人听证要求后7日内举行听证D. 在听证程序中,青山公司或其代理人没有最后陈述的权利试题答案:B4、行政复议转送管辖必须具备的条件有( )(多选题)A. 受转送机关必须是转送机关的上一级行政机关,且对该案件有管辖权B. 转送机关必须是受转送机关的下一级行政机关,且对该案件没有管辖权C. 转送机关是县级人民政府,且对该案件没有管辖权D. 转送的案件必须属于特殊管辖的复议案件E. 转送的案件必须属于选择管辖的复议案件试题答案:C,D5、根据《合伙企业法》规定,下列关于合伙事务执行及合伙管理的说法中,正确的有( )(多选题)A. 受托执行合伙事务的合伙人是合伙企业的负责人B. 合伙人一律不得同本合伙企业进行交易C. 合伙企业可以委托一个或数个合伙人对外代表合伙企业,执行合伙事务D. 合伙人可以分别执行合伙事务E. 执行事务合伙人对其他合伙人执行合伙事务提出异议时,其他合伙人应当暂停该事务的执行试题答案:C,D,E6、某市国税局发现宏达软件技术有限责任公司有转移应纳税财产以逃避纳税义务的迹象,遂采取税收保全措施,决定扣押该公司计算机10台。
5执行管理5。
1 业务概述执行管理,是指执行部门接到审理部门移交的结论性文书及相关资料后,依法及时将税务文书送达被执行人,督促被执行人按照《税务处理决定书》《税务行政处罚决定书》确定的期限缴纳或者解缴税收款项,对不主动履行的被执行人依法采取税收保全措施、税收强制执行,执行完毕后,制作《税务稽查案件执行报告》,以及与执行相关的其他工作。
执行管理包括案件执行任务分配、案件执行、案件中止执行、案件解除中止执行、案件终结执行、案件结案、案件回退、税务稽查欠税处理程序、制作税务稽查执行报告等.5。
2 业务岗责执行实施岗,负责《税务处理决定书》《税务行政处罚决定书》《不予税务行政处罚决定书》《税务稽查结论》等税务文书的送达和执行;负责期限内以及超期限未缴纳查补税款、滞纳金及罚款的追缴入库工作;负责执行环节的税收保全、强制执行等相关措施的采取;负责向税务局稽查局审理部门提出涉嫌犯罪案件移送建议;负责依法申请人民法院强制执行;负责税务稽查欠税处理程序;负责税务稽查执行工作信息资料的收集、统计、分析、汇总、传递、反馈;负责将税务稽查执行工作资料移交税务局稽查局审理部门归档;负责案件公告。
执行部门领导岗,负责税务稽查案件执行任务分配,以及对执行环节的事项、文书的审核或者审批。
检举管理岗,负责本级检举奖励申请的受理、奖励通知的送达、奖励金的计发。
检举管理部门领导岗,负责检举奖励事项的审核。
税务局稽查局分管领导,负责对执行环节的事项、文书的审核或者审批。
税务局稽查局局长,负责对执行环节的事项、文书的审核或者审批。
稽查局所属税务局分管领导,负责对执行环节的事项、文书的审核或者审批。
稽查局所属税务局局长,负责对执行环节的事项、文书的审核或者审批。
检举管理部门所属稽查局局长,负责检举奖励事项的审批。
5。
3 业务依据《中华人民共和国税收征收管理法》《中华人民共和国行政处罚法》《中华人民共和国行政强制法》《中华人民共和国民事诉讼法》《中华人民共和国刑法》《中华人民共和国拍卖法》《中华人民共和国合同法》《中华人民共和国商业银行法》《中华人民共和国企业破产法》《中华人民共和国税收征收管理法实施细则》《行政执法机关移送涉嫌犯罪案件的规定》《欠税公告办法(试行)》(国家税务总局令第9号)《纳税担保试行办法》(国家税务总局令第11号)《抵税财物拍卖、变卖试行办法》(国家税务总局令第12号)《重大税务案件审理办法》(国家税务总局令第34号)《税务行政复议规则》(国家税务总局令第39号)《税收违法行为检举管理办法》(国家税务总局令第24号)《检举纳税人税收违法行为奖励暂行办法》(国家税务总局、财政部令第18号)《关于对重大税收违法案件当事人实施联合惩戒措施的合作备忘录》(发改财金〔2014〕3062号)《最高人民法院关于适用<中华人民共和国合同法>若干问题的解释(一)》(法释〔1999〕19号)《最高人民法院关于适用〈中华人民共和国合同法>若干问题的解释(二)》(法释〔2009〕5号)《最高人民检察院、公安部关于公安机关管辖的刑事案件立案追诉标准的规定(二)》(公通字〔2010〕23号)《最高人民法院关于执行案件立案、结案若干问题的意见》(法发〔2014〕26号)《重大税收违法案件信息公布办法(试行)》(国家税务总局公告2016年第24号)《阻止欠税人出境实施办法》(国税发〔1996〕215号)《国家税务总局关于认真贯彻执行阻止欠税人出境实施办法的通知》(国税发〔1996〕216号)《税务违法案件公告办法》(国税发〔1998〕156号)《欠缴税金核算管理暂行办法》(国税发〔2000〕193号)《国家税务总局关于进一步加强欠税管理工作的通知》(国税发〔2004〕66号)《国家税务总局关于进一步加强重大税收违法案件管理工作的意见》(国税发〔2007〕39号)《税务稽查工作规程》(国税发〔2009〕157号)《重大税收违法案件督办管理暂行办法》(国税发〔2010〕103号)《国家税务总局关于印发〈税务稽查内部管理文书式样〉和<税务稽查文书式样标准〉的通知》(国税发〔2011〕122号)《税务稽查案源管理办法(试行)》(税总发〔2016〕71号)5.4 业务流程执行管理流程如图5-1所示。
重大税务案件审理办法第一章总则第一条为推进税务机关科学民主决策,强化内部权力制约,保护纳税人合法权益,根据《中华人民共和国行政处罚法》、《中华人民共和国税收征收管理法》,制定本办法。
第二条省以下各级税务局开展重大税务案件审理工作适用本办法。
第三条重大税务案件审理应当以事实为根据、以法律为准绳,遵循合法、合理、公平、公正、效率的原则,注重法律效果和社会效果相统一。
第四条参与重大税务案件审理的人员应当严格遵守国家保密规定和工作纪律,依法为纳税人、扣缴义务人的商业秘密和个人隐私保密。
第二章审理机构和职责第五条省以下各级税务局设立重大税务案件审理委员会(以下简称审理委员会)。
审理委员会由主任、副主任和成员单位组成,实行主任负责制。
审理委员会主任由税务局局长担任,副主任由税务局其他领导担任。
审理委员会成员单位包括政策法规、税政业务、纳税服务、征管科技、大企业税收管理、税务稽查、督察内审部门。
各级税务局可以根据实际需要,增加其他与案件审理有关的部门作为成员单位。
第六条审理委员会履行下列职责:(一)拟定本机关审理委员会工作规程、议事规则等制度;(二)审理重大税务案件;(三)指导监督下级税务局重大税务案件审理工作。
第七条审理委员会下设办公室,办公室设在政策法规部门,办公室主任由政策法规部门负责人兼任。
第八条审理委员会办公室履行下列职责:(一)组织实施重大税务案件审理工作;(二)提出初审意见;(三)制作审理会议纪要和审理意见书;(四)办理重大税务案件审理工作的统计、报告、案卷归档;(五)承担审理委员会交办的其他工作。
第九条审理委员会成员单位根据部门职责参加案件审理,提出审理意见。
稽查局负责提交重大税务案件证据材料、拟作税务处理处罚意见、举行听证。
稽查局对其提交的案件材料的真实性、合法性、准确性负责。
第十条参与重大税务案件审理的人员有法律法规规定的回避情形的,应当回避。
重大税务案件审理参与人员的回避,由其所在部门的负责人决定;审理委员会成员单位负责人的回避,由审理委员会主任或其授权的副主任决定。
国家税务总局关于印发《重大税收违法案件督办管理暂行办法》的通知文章属性•【制定机关】国家税务总局•【公布日期】2010.11.01•【文号】国税发[2010]103号•【施行日期】2011.01.01•【效力等级】部门规范性文件•【时效性】现行有效•【主题分类】税收征管正文国家税务总局关于印发《重大税收违法案件督办管理暂行办法》的通知(国税发[2010]103号)各省、自治区、直辖市和计划单列市国家税务局、地方税务局:现将《重大税收违法案件督办管理暂行办法》印发给你们,请认真遵照执行。
执行中如有问题,请及时报告国家税务总局(稽查局)。
附件:《重大税收违法案件督办管理暂行办法》相关税务文书式样国家税务总局二○一○年十一月一日重大税收违法案件督办管理暂行办法第一条为了规范重大税收违法案件督办管理,根据《中华人民共和国税收征收管理法》有关规定,制定本办法。
第二条上级税务局可以根据税收违法案件性质、涉案数额、复杂程度、查处难度以及社会影响等情况,督办管辖区域内发生的重大税收违法案件。
对跨越多个地区且案情特别复杂的重大税收违法案件,本级税务局查处确有困难的,可以报请上级税务局督办,并提出具体查处方案及相关建议。
重大税收违法案件具体督办事项由稽查局实施。
第三条国家税务总局督办的重大税收违法案件主要包括:(一)国务院等上级机关、上级领导批办的案件;(二)国家税务总局领导批办的案件;(三)在全国或者省、自治区、直辖市范围内有重大影响的案件;(四)税收违法数额特别巨大、情节特别严重的案件;(五)国家税务总局认为需要督办的其他案件。
省、自治区、直辖市和计划单列市国家税务局、地方税务局督办重大税收违法案件的范围和标准,由本级国家税务局、地方税务局根据本地实际情况分别确定。
第四条省、自治区、直辖市和计划单列市国家税务局、地方税务局依照国家税务总局规定的范围、标准、时限向国家税务总局报告税收违法案件,国家税务总局根据案情复杂程度和查处工作需要确定督办案件。
对重大税务案件审理制度的几点思考重大税务案件审理(以下简称“重案审理”)制度是加强对税务部门通过科学民主决策,强化内部权力制约、保护纳税人合法权益的重要内控制度安排;是《行政处罚法》第五十七条“……对情节复杂或者重大违法行为给予较重的行政处罚,行政机关的负责人应当集体讨论决定”规定在税务机关内部的具体的实践,这种实践是将案件审理提升到上一级行政机关做出的集体决策。
作为一项内部的行政管理措施,重案审理制度为税务系统推进规范执法,科学决策起到了巨大的推动作用。
但是,重案审理制度作为集体的行政决策行为是否会对行政相对人产生实质性的行政惩戒效果,或者以集体决策的形式直接确定下级税务机关税务行政处罚裁量由此对行政相对人带来间接的执法效果,仍然值得商榷。
在该制度中的听证程序的主责主体,听证程序在案件审理中的顺序都需要进一步分析和理顺。
一、听证程序的前置后置问题从《国家税务总局重大税务案件审理办法》(国家税务总局令第51号)第十四条规定的应提交的资料明细看,听证明显是重案审理程序中的前置程序。
但是根据该项制度几年来的运行,有很多人建议听证程序应该后置于重案审理程序。
本人认为在听证程序前置和后置的选择上,都应该以保证程序正义、保护纳税人合法的陈述、申辩权利为前提,尽可能降低行政运行成本为次优目标进行思考。
首先需要深刻理解重案审理程序在整个税务稽查流程中的定位和功能。
从定位上,重案审理程序是科学民主决策在执法中的实践,也是通过审理监督强化权力制约内部控制制度安排。
从功能上,重案审理程序虽然为行政机关的内部管理性行为,不直接对纳税人产生行政效力,但是对于税务稽查机关的具体行政行为具有直接指导性和强烈的约束力。
(一)听证程序前置的优劣分析听证程序置于重案审理程序前面,可以使重案审理委员会的所有成员在了解案件本身的基本案情的同时,能够了解行政相对人对案件的陈述和申辩的内容。
其优势主要体现在,一是听证前置使重案审理委员会能够更清楚地了解行政相对人对案件陈述和申辩的情况,有利于取得更为公正客观的审理意见。
重大税务案件审理管理办法重大税务案件审理管理办法国家税务总局关于印发《重大税务案件审理办法(试行)》的通知国税发[202*]21号各省、自治区、直辖市和计划单列市国家税务局、地方税务局:为做好重大税务案件的审理工作,规范税收执法,现将国家税务总局制定的《重大税务案件审理办法(试行)》印发给你们,请遵照执行。
附件:重大税务案件审理办法(试行)202*年2月17日第一条为加强和规范对重大税务案件的监督,根据《中华人民共和国税收征收管理法》、《中华人民共和国行政处罚法》及国务院《关于贯彻实施〈中华人民共和国行政处罚法〉的通知》等法律、法规的规定,制定本办法。
第二条重大税务案件审理工作是指税务局对调查终结的、符合一定标准的案件进行审核和作出处理决定。
第三条重大税务案件的标准,由各省、自治区、直辖市和计划单列市国家税务局、地方税务局案件审理委员会(以下简称审理委员会)根据涉案金额、案件性质、争议程度、社会影响面等确定。
按重大税务案件标准审理的案件达不到上年案发数10%的,须下调标准。
各省移送重大税务案件的标准应报国家税务总局审理委员会办公室备案。
第四条重大税务案件的审理必须以事实为依据,以法律为准绳,遵循公正、合法、及时、有效的原则。
第五条重大税务案件由查处案件的本级审理委员会按本办法规定的职责范围进行审理。
第六条县级(含县)以上税务局设立审理委员会。
审理委员会设主任一名,副主任若干名,成员由税务局领导及有关部门负责人组成。
审理委员会的办公室设在负责法制工作的机构。
第七条审理委员会工作职责(一)负责审理审理委员会办公室报送的案件;(二)作出审理结论。
第八条审理委员会办公室工作职责(一)对稽查部门移送的案件进行初审;(二)负责向审理委员会报送应由审理委员会审理的案件材料;(三)承办审理委员会交办的其他各项工作。
第九条各级税务机关所有案件稽查部门,在案件调查终结后,对符合重大税务案件标准的案件,应在填写《重大税务案件审理提请书》后,将所有与案件有关的材料一并移送审理委员会办公室。
全市国税系统依法行政工作会议材料之六沈阳市国家税务局重大税务案件审理工作办法第一条为了增强和规范重大税务案件审理工作,按照《国家税务总局关于印发重大税务案件审理办法(试行)的通知》(国税发[2001]21号)、《国家税务总局关于印发《税务稽察工作规程》的通知》(国税发[2009]157号)、《辽宁省国家税务局关于进一步增强重大税务案件审理工作若干问题的意见》(辽国税发[2010]71号)文件要求,结合我局实际情形,制定本办法。
第二条重大税务案件审理工作是指税务局对调查终结的、符合必然标准的案件进行审核和作出处置决定。
第三条市局设立重大税务案件审理委员会(以下简称审理委员会),审理委员会由局领导和有关单位主要负责人组成。
审理委员会主任由局长担任,副主任由其他局领导担任。
成员包括政策法规处、货物和劳务税处、企业所得税处、纳税服务处、征管和科技进展处、督察内审处、国际税务管理处、大企业税收管理处、进出口税收管理处、稽察处、监察室的主要负责人。
审理委员会下设办公室,办公室设在政策法规处。
第四条审理委员会工作职责:(一)制定沈阳市国家税务局重大税务案件审理办法;(二)指导监督本系统重大税务案件审理工作。
(三)审查市局审理委员会办公室报送的重大税务案件,并作出审理意见。
第五条市局审理委员会办公室工作职责:(一)受理和审核提请审理的重大税务案件材料,对符合重大税务案件标准的案卷进行初审;(二)向审理委员会成员分送书面审理所需的案件材料;(三)汇总审理委员会各成员单位的书面审理意见;(四)负责审理委员会会议相关事务,全面记录审理委员会各成员的意见,形成会议记要;(五)制作《重大税务案件审理意见书》;(六)监督重大税务案件审理意见的执行情形,并向审理委员会报告;(七)办理重大税务案件审理工作的有关统计、报表、报告、总结等日常事务;(八)承办审理委员会交办的其他工作。
第六条各区、县(市)局、稽察局查处的符合下列条件的税务稽察案件,由市局审理委员会审理:(一)国家税务总局、辽宁省国家税务局交办或督办的案件;(二)应司法、纪检、监察机关要求,由税务机关出具认定意见的案件;(三)办案部门有较大争议,或有较大社会影响的案件;(四)偷、逃、骗、抗税额合计在200万以上的案件;(五)查补税额合计在500万元以上的案件;(六)市局审理委员会以为需要审理的其他案件。
北京市国家税务局转发国家税务总局《关于印发<重大税务案件审理办法(试行)>的通知》的通知文章属性•【制定机关】北京市国家税务局•【公布日期】2001.03.19•【字号】京国税发[2001]66号•【施行日期】2001.03.19•【效力等级】地方规范性文件•【时效性】现行有效•【主题分类】税收征管正文北京市国家税务局转发国家税务总局《关于印发<重大税务案件审理办法(试行)>的通知》的通知(京国税发[2001]66号2001年3月19日)各区、县国家税务局,各直属分局:现将《关于印发<重大税务案件审理办法(试行)>的通知》(国税发 [2001]21号)转发给你们,并提出以下补充意见,请一并贯彻执行。
一、各局根据北京市国家税务局《关于成立市局、区县局、属分局税务稽查案件审理委员会的通知》(京国税稽[2000]739号)的要求成立的稽查案件审理委员会,现按照国家税务总局《税务案件审理办法(试行)》的规定应更名为案件审理委员会(以下简称审理委员会)。
审理委员会主任由局长担任,副主任若干名由副局长担任,成员由有关部门负责人组成。
二、审理委员会审理重大案件的标准,由各局根据本局上年案发数的10%制定,并报市局审理委员会办公室备案。
三、审理重大税务案件使用的文书及样式,以国家税务总局印发的《重大税务案件审理办法(试行)》所附的六种文书为准。
四、北京市国家税务局《关于成立市局、区县局、直属分局税务稽查案件审理委员会的通知》(京国税稽[2001]739号)、《关于成立市局、区县局、直属分局税务稽查案件审理委员会的通知的补充通知》(京国税函[2001]91号)与国家税务总局印发的《重大税务案件审理办法(试行)》规定的内容不抵触的部分继续有效。
附件:国家税务总局关于印发《重大税务案件审理办法(试行)》的通知(略)。
乐税智库文档财税法规策划 乐税网国家税务总局办公厅关于印发《重大税务案件审理工作规程》的通知【标 签】重大税务案件审理税务案件税务案件,重大税务案件税务案件,重大税务案件,重大税务案件审理【颁布单位】国家税务总局【文 号】国税办发﹝2010﹞49号【发文日期】2010-06-02【实施时间】2010-06-02【 有效性 】全文有效【税 种】征收管理局内各单位:现将《国家税务总局重大税务案件审理工作规程》印发你们,请贯彻执行,同时,请指导各地依据本规程的精神做好相关工作。
二○一○年五月二十五日(对下只发电子文件)国家税务总局重大税务案件审理工作规程第一条 为了进一步强化依法治税,推进科学民主决策,提高税收执法质量,保护纳税人的合法权益,防范税收执法风险,强化税收执法监督制约机制,规范重大税务案件审理工作,根据国家税务总局工作实际,制定本规程。
第二条 国家税务总局(以下简称税务总局)设立重大税务案件审理委员会(以下简称审理委员会)负责重大税务案件审理工作 。
审理委员会由局领导和有关业务司局组成。
主任、副主任由局领导担任;成员单位包括政策法规司、货物和劳务税司、所得税司、财产和行为税司、国际税务司、纳税服务司、征管和科技发展司、大企业税收管理司、稽查局、督察内审司、监察局。
审理委员会下设办公室。
办公室设在政策法规司。
第三条 审理委员会工作职责:(一)研究制定全国重大税务案件审理制度;(二)制定审理委员会的具体议事规则;(三)审查承办案件省(区、市)税务机关提出的处理意见或相关政策问题的请示;(四)指导监督全国重大税务案件审理工作。
第四条 审理委员会办公室是审理委员会日常办事机构,工作职责如下:(一)审核提请审理的重大税务案件材料;(二)向审理委员会成员单位分送书面审理所需的案件材料;(三)汇总审理委员会成员单位的书面审理意见,提出初审意见;(四)负责审理委员会会议相关事务,草拟会议纪要;(五)草拟重大税务案件审理意见书;(六)监督重大税务案件审理意见书的执行;(七)向审理委员会报告审理意见书的执行结果;(八)办理重大税务案件审理工作的有关统计、报告和归档等日常事务;(九)承办审理委员会交办的其他工作。
重大税务案件审理办法国家税务总局令第34号全文有效成文日期:2014-12-02字体:【大】【中】【小】《重大税务案件审理办法》已经2014年11月25日国家税务总局2014年度第3次局务会议审议通过,现予公布,自2015年2月1日起施行。
国家税务总局局长:王军2014年12月2日重大税务案件审理办法第一章总则第一条为推进税务机关科学民主决策,强化内部权力制约,保护纳税人合法权益,根据《中华人民共和国行政处罚法》《中华人民共和国税收征收管理法》,制定本办法。
第二条省以下各级税务局开展重大税务案件审理工作适用本办法。
第三条重大税务案件审理应当以事实为根据、以法律为准绳,遵循合法、合理、公平、公正、效率的原则,注重法律效果和社会效果相统一。
第四条参与重大税务案件审理的人员应当严格遵守国家保密规定和工作纪律,依法为纳税人、扣缴义务人的商业秘密和个人隐私保密。
第二章审理机构和职责第五条省以下各级税务局设立重大税务案件审理委员会(以下简称审理委员会)。
审理委员会由主任、副主任和成员单位组成,实行主任负责制。
审理委员会主任由税务局局长担任,副主任由税务局其他领导担任。
审理委员会成员单位包括政策法规、税政业务、纳税服务、征管科技、大企业税收管理、税务稽查、督察内审部门。
各级税务局可以根据实际需要,增加其他与案件审理有关的部门作为成员单位。
第六条审理委员会履行下列职责:(一)拟定本机关审理委员会工作规程、议事规则等制度;(二)审理重大税务案件;(三)指导监督下级税务局重大税务案件审理工作。
第七条审理委员会下设办公室,办公室设在政策法规部门,办公室主任由政策法规部门负责人兼任。
第八条审理委员会办公室履行下列职责:(一)组织实施重大税务案件审理工作;(二)提出初审意见;(三)制作审理会议纪要和审理意见书;(四)办理重大税务案件审理工作的统计、报告、案卷归档;(五)承担审理委员会交办的其他工作。
第九条审理委员会成员单位根据部门职责参加案件审理,提出审理意见。
重大税务案件审理文书范本目录1.税务稽查案件审理情况备案表 (1)2.重大税务案件审理提请书 (3)3.证据目录 (5)4.重大税务案件审理案卷交接单 (7)5.受理通知书 (9)6.补正材料通知书 (11)7.不予受理通知书 (13)8.重大税务案件书面审理通知书 (15)9.重大税务案件书面审理意见表 (17)10.重大税务案件审理意见书 (19)11.补充调查通知书 (21)12.延长重大税务案件审理期限审批表 (23)13.终止审理通知书 (25)14.重大税务案件初审报告 (27)15.重大税务案件审理纪要 (29)16.延长重大税务案件审理补充调查期限审批表 (31)文书样式一税务稽查案件审理情况备案表×税×稽审备〔〕号填制部门:接收部门:填表人:接收人:1年月日年月日2使用说明1.《税务稽查案件审理情况备案表》依据《重大税务案件审理办法》(国家税务总局令第34号公布)第十三条设置。
2.本表由稽查局统计后,按季度送重大税务案件审理委员会办公室备案,统计范围应包括季度内稽查局内部审理程序终结的全部案件。
3.“案件编号”为稽查局《税务稽查立案审批表》所制编号,“案件名称”为稽查局《税务稽查报告》所制名称,“制作审理报告(审理纪要)时间”为稽查局审理部门制作审理报告的时间,若经稽查局集体审理的,为制作集体审理纪要的时间。
4.本备案表为A4横排,一式两份,一份由稽查局留存,一份交重大税务案件审理委员会办公室。
文书样式二重大税务案件审理提请书×税×重审提〔〕号1.《重大税务案件审理提请书》依据《重大税务案件审理办法》(国家税务总局令第34号公布)第十五条设置。
2.本提请书由提请单位提请重大税务案件审理委员会审理案件时使用。
文书由案件提请单位编号,“×税×重审提〔〕号”分别填写税务机关代字、提请单位代字、提请审理年度和提请书序号,下同。
重大税务案件审理标准重大税务案件审理标准是指对于税务案件中涉及重大税收违法行为的审理标准和程序规定。
在我国税收管理体制中,重大税务案件的审理标准具有重要的法律意义和实践价值。
为了规范重大税务案件的审理工作,保障税收法律的公正实施,提高税收征管的效率和质量,我国税务部门对于重大税务案件审理标准进行了明确的规定和要求。
首先,重大税务案件的审理标准应当符合法律规定和程序要求。
税务部门在审理重大税务案件时,应当严格按照税收法律法规的规定和程序要求进行,确保审理工作的合法性和程序的完整性。
对于重大税收违法行为,应当依法进行证据调查和审查,确保审理工作的公正、公平和合法。
其次,重大税务案件的审理标准应当注重事实查证和证据保全。
在审理重大税务案件时,税务部门应当重视事实查证和证据保全工作,确保审理工作的客观性和真实性。
对于重大税收违法行为,应当充分搜集相关证据和资料,进行严格的事实审查和证据核实,确保审理工作的科学性和准确性。
再次,重大税务案件的审理标准应当保障当事人的合法权益。
在审理重大税务案件时,税务部门应当充分尊重当事人的合法权益,确保当事人的申诉权和辩护权得到充分保障。
对于重大税收违法行为,应当充分听取当事人的陈述和申辩意见,确保审理工作的公开、公正和合法。
最后,重大税务案件的审理标准应当注重审理效率和质量。
在审理重大税务案件时,税务部门应当注重审理效率和质量,确保审理工作的及时性和准确性。
对于重大税收违法行为,应当依法进行及时审理和判决,确保审理工作的高效和规范。
综上所述,重大税务案件审理标准是税收管理工作中的重要内容,对于保障税收法律的公正实施和提高税收征管的效率和质量具有重要的意义。
税务部门应当严格按照法律规定和程序要求,依法审理重大税务案件,保障审理工作的公正、客观和合法,提高审理工作的效率和质量,为维护国家税收利益和社会稳定作出积极贡献。
重大税务案件审理制度解读引言税务案件审理是国家税收管理的一项重要工作,确保税收征管的公平公正。
重大税务案件审理制度被探讨为了更好地解决复杂、庞大的税务争议案件。
本文旨在全面、详细、完整地探讨重大税务案件审理制度,从不同层次进行分析,揭示其重要性、特点和具体操作。
重大税务案件审理制度的重要性重大税务案件审理制度是为了维护税收秩序和税收稳定,保护纳税人合法权益,保证税收征纳管理的公正、公平而设立的。
其重要性主要体现在以下几个方面:1. 维护税收秩序和税收稳定重大税务案件容易对税收秩序和税收稳定造成严重影响。
重大税务案件审理制度的建立,可以依法查处欺诈、逃税等违法行为,维护税收秩序、稳定国家财政收入。
2. 保护纳税人合法权益重大税务案件涉及巨额利益,对纳税人的合法权益可能造成重大损害。
重大税务案件审理制度可以确保纳税人合法权益得到充分保护,在审理过程中维护公正、公平,减少非法干预,保障纳税人立案权、质证权、辩论权等。
3. 提高税务执法水平和公信力重大税务案件审理制度要求审理机关对案件审理过程进行全面记录,确保程序的正当性和公开性。
这不仅有助于公正审理案件,减少执法过程中的不当干预,还可以增强税务执法的透明度,提高公众对税务执法的信任和满意度。
重大税务案件审理制度的特点重大税务案件审理制度相比一般税务案件审理制度具有以下几个特点:1. 法律地位的突出性重大税务案件审理制度在法律层面上被赋予了特殊地位,明确重大税务案件的定义和处理程序,从而确保对重大税务案件进行专门化、规范化审理。
2. 审理机关的独立性重大税务案件的审理机关具有相对独立的地位,不受行政干预和其他利益影响,并在案件审理中保持独立性,确保案件能够公正、公平地得到审理。
3. 权益保护的特殊性重大税务案件涉及巨额利益和较高的社会关注度,对纳税人的合法权益保护提出了更高要求。
因此,重大税务案件审理制度对纳税人权益的保护更加重视,加强了质证权、辩论权的行使,增加了监察环节,确保权益得到充分保障。
稽查业务类试卷四一、填空题1.《税收违法案件协查函》涉及的协查对象不属于受托方管辖范围的,受托方应当在收函之日起5个工作日内,出具本辖区县(区)级主管税务机关证明材料,并将《税收违法案件协查函》退回委托方。
2. 在中华人民共和国境内销售货物或者提供加工、修理修配劳务以及进口货物的单位和个人,为增值税的纳税人。
3.纳税人销售图书、报纸、杂志,适用的增值税税率为13%。
4.增值税纳税人兼营不同税率的货物或者应税劳务,应当分别核算不同税率货物或者应税劳务的销售额;未分别核算销售额的,从高适用税率。
5.增值税的销售额为纳税人销售货物或者应税劳务向购买方收取的全部价款和价外费用,但是不包括收取的销项税额。
6.增值税小规模纳税人销售货物或者应税劳务,实行按照销售额和征收率计算应纳税额的简易办法,并不得抵扣进项税额。
7.税务处理决定书、税务行政处罚决定书、不予税务行政处罚决定书、税务稽查结论引用的法律、行政法规、规章及其他规范性文件,应当注明文件全称、文号和有关条款。
8.《税务处理决定书》、《税务行政处罚决定书》、《不予税务行政处罚决定书》、《税务稽查结论》经稽查局局长或者所属税务局领导批准后由执行部门送达执行。
9.税收违法行为涉嫌犯罪的,填制《涉嫌犯罪案件移送书》,经所属税务局局长批准后,依法移送公安机关。
10.新稽查工作规程从2010年1月1 日执行。
11.引用税收法律法规时,法律位阶由高到低。
12.财政部、国家税务总局将小规模纳税人标准暂定为应税服务年销售额500万元(含本数)以下。
纳税人提供应税服务销售额超过小规模纳税人标准的,应申请认定为一般纳税人。
13.稽查局拍卖、变卖被执行人商品、货物或者其他财产前,应当拟制《拍卖/变卖抵税财物决定书》,经所属税务局局长批准后送达被执行人,予以拍卖或者变卖。
14.拍卖或者变卖实现后,应当在结算并收取价款后3个工作日内,办理税款、滞纳金、罚款的入库手续,并拟制《拍卖/变卖结果通知书》,附《拍卖/变卖扣押、查封的商品、货物或者其他财产清单》,经稽查局局长审核后,送达被执行人。
重大税务案件审理办法国家税务总局令第34号全文有效成文日期:2014-12-02字体:【大】【中】【小】《重大税务案件审理办法》已经2014年11月25日国家税务总局2014年度第3次局务会议审议通过,现予公布,自2015年2月1日起施行。
国家税务总局局长:王军2014年12月2日重大税务案件审理办法第一章总则第一条为推进税务机关科学民主决策,强化内部权力制约,保护纳税人合法权益,根据《中华人民共和国行政处罚法》《中华人民共和国税收征收管理法》,制定本办法。
第二条省以下各级税务局开展重大税务案件审理工作适用本办法。
第三条重大税务案件审理应当以事实为根据、以法律为准绳,遵循合法、合理、公平、公正、效率的原则,注重法律效果和社会效果相统一。
第四条参与重大税务案件审理的人员应当严格遵守国家保密规定和工作纪律,依法为纳税人、扣缴义务人的商业秘密和个人隐私保密。
第二章审理机构和职责第五条省以下各级税务局设立重大税务案件审理委员会(以下简称审理委员会)。
审理委员会由主任、副主任和成员单位组成,实行主任负责制。
审理委员会主任由税务局局长担任,副主任由税务局其他领导担任。
审理委员会成员单位包括政策法规、税政业务、纳税服务、征管科技、大企业税收管理、税务稽查、督察内审部门。
各级税务局可以根据实际需要,增加其他与案件审理有关的部门作为成员单位。
第六条审理委员会履行下列职责:(一)拟定本机关审理委员会工作规程、议事规则等制度;(二)审理重大税务案件;(三)指导监督下级税务局重大税务案件审理工作。
第七条审理委员会下设办公室,办公室设在政策法规部门,办公室主任由政策法规部门负责人兼任。
第八条审理委员会办公室履行下列职责:(一)组织实施重大税务案件审理工作;(二)提出初审意见;(三)制作审理会议纪要和审理意见书;(四)办理重大税务案件审理工作的统计、报告、案卷归档;(五)承担审理委员会交办的其他工作。
第九条审理委员会成员单位根据部门职责参加案件审理,提出审理意见。
稽查局负责提交重大税务案件证据材料、拟作税务处理处罚意见、举行听证。
稽查局对其提交的案件材料的真实性、合法性、准确性负责。
第十条参与重大税务案件审理的人员有法律法规规定的回避情形的,应当回避。
重大税务案件审理参与人员的回避,由其所在部门的负责人决定;审理委员会成员单位负责人的回避,由审理委员会主任或其授权的副主任决定。
第三章审理范围第十一条本办法所称重大税务案件包括:(一)重大税务行政处罚案件,具体标准由各省、自治区、直辖市和计划单列市税务局根据本地情况自行制定,报国家税务总局备案;(二)根据重大税收违法案件督办管理暂行办法督办的案件;(三)应司法、监察机关要求出具认定意见的案件;(四)拟移送公安机关处理的案件;(五)审理委员会成员单位认为案情重大、复杂,需要审理的案件;(六)其他需要审理委员会审理的案件。
第十二条本办法第十一条第三项规定的案件经审理委员会审理后,应当将拟处理意见报上一级税务局审理委员会备案。
备案5日后可以作出决定。
第十三条稽查局应当在每季度终了后5日内将稽查案件审理情况备案表送审理委员会办公室备案。
第四章提请和受理第十四条稽查局应当在内部审理程序终结后5日内,将重大税务案件提请审理委员会审理。
当事人要求听证的,由稽查局组织听证。
第十五条稽查局提请审理委员会审理案件,应当提交以下案件材料:(一)重大税务案件审理案卷交接单;(二)重大税务案件审理提请书;(三)税务稽查报告;(四)税务稽查审理报告;(五)听证材料;(六)相关证据材料。
重大税务案件审理提请书应当写明拟处理意见,所认定的案件事实应当标明证据指向。
证据材料应当制作证据目录。
稽查局应当完整移交证据目录所列全部证据材料,不能当场移交的应当注明存放地点。
第十六条审理委员会办公室收到稽查局提请审理的案件材料后,应当在重大税务案件审理案卷交接单上注明接收部门和收到日期,并由接收人签名。
对于证据目录中列举的不能当场移交的证据材料,必要时,接收人在签收前可以到证据存放地点现场查验。
第十七条审理委员会办公室收到稽查局提请审理的案件材料后,应当在5日内进行审核。
根据审核结果,审理委员会办公室提出处理意见,报审理委员会主任或其授权的副主任批准:(一)提请审理的案件属于本办法规定的审理范围,提交了本办法第十五条规定的材料的,建议受理;(二)提请审理的案件属于本办法规定的审理范围,但未按照本办法第十五条的规定提交相关材料的,建议补正材料;(三)提请审理的案件不属于本办法规定的审理范围的,建议不予受理。
第五章审理程序第一节一般规定第十八条重大税务案件应当自批准受理之日起30日内作出审理决定,不能在规定期限内作出审理决定的,经审理委员会主任或其授权的副主任批准,可以适当延长,但延长期限最多不超过15日。
补充调查、请示上级机关或征求有权机关意见的时间不计入审理期限。
第十九条审理委员会审理重大税务案件,应当重点审查:(一)案件事实是否清楚;(二)证据是否充分、确凿;(三)执法程序是否合法;(四)适用法律是否正确;(五)案件定性是否准确;(六)拟处理意见是否合法适当。
第二十条审理委员会成员单位应当认真履行职责,根据本办法第十九条的规定提出审理意见,所出具的审理意见应当详细阐述理由、列明法律依据。
审理委员会成员单位审理案件,可以到审理委员会办公室或证据存放地查阅案卷材料,向稽查局了解案件有关情况。
第二十一条重大税务案件审理采取书面审理和会议审理相结合的方式。
第二节书面审理第二十二条审理委员会办公室自批准受理重大税务案件之日起5日内,将重大税务案件审理提请书及必要的案件材料分送审理委员会成员单位。
第二十三条审理委员会成员单位自收到审理委员会办公室分送的案件材料之日起10日内,提出书面审理意见送审理委员会办公室。
第二十四条审理委员会成员单位认为案件事实不清、证据不足,需要补充调查的,应当在书面审理意见中列明需要补充调查的问题并说明理由。
审理委员会办公室应当召集提请补充调查的成员单位和稽查局进行协调,确需补充调查的,由审理委员会办公室报审理委员会主任或其授权的副主任批准,将案件材料退回稽查局补充调查。
第二十五条稽查局补充调查不应超过30日,有特殊情况的,经稽查局局长批准可以适当延长,但延长期限最多不超过30日。
稽查局完成补充调查后,应当按照本办法第十五条、第十六条的规定重新提交案件材料、办理交接手续。
稽查局不能在规定期限内完成补充调查的,或者补充调查后仍然事实不清、证据不足的,由审理委员会办公室报请审理委员会主任或其授权的副主任批准,终止审理。
第二十六条审理委员会成员单位认为案件事实清楚、证据确凿,但法律依据不明确或者需要处理的相关事项超出本机关权限的,按规定程序请示上级税务机关或者征求有权机关意见。
第二十七条审理委员会成员单位书面审理意见一致,或者经审理委员会办公室协调后达成一致意见的,由审理委员会办公室起草审理意见书,报审理委员会主任批准。
第三节会议审理第二十八条审理委员会成员单位书面审理意见存在较大分歧,经审理委员会办公室协调仍不能达成一致意见的,由审理委员会办公室向审理委员会主任或其授权的副主任报告,提请审理委员会会议审理。
第二十九条审理委员会办公室提请会议审理的报告,应当说明成员单位意见分歧、审理委员会办公室协调情况和初审意见。
审理委员会办公室应当将会议审理时间和地点提前通知审理委员会主任、副主任和成员单位,并分送案件材料。
第三十条成员单位应当派员参加会议,三分之二以上成员单位到会方可开会。
审理委员会办公室以及其他与案件相关的成员单位应当出席会议。
案件调查人员、审理委员会办公室承办人员应当列席会议。
必要时,审理委员会可要求调查对象所在地主管税务机关参加会议。
第三十一条审理委员会会议由审理委员会主任或其授权的副主任主持。
首先由稽查局汇报案情及拟处理意见。
审理委员会办公室汇报初审意见后,各成员单位发表意见并陈述理由。
审理委员会办公室应当做好会议记录。
第三十二条经审理委员会会议审理,根据不同情况,作出以下处理:(一)案件事实清楚、证据确凿、程序合法、法律依据明确的,依法确定审理意见;(二)案件事实不清、证据不足的,由稽查局对案件重新调查;(三)案件执法程序违法的,由稽查局对案件重新处理;(四)案件适用法律依据不明确,或者需要处理的有关事项超出本机关权限的,按规定程序请示上级机关或征求有权机关的意见。
第三十三条审理委员会办公室根据会议审理情况制作审理纪要和审理意见书。
审理纪要由审理委员会主任或其授权的副主任签发。
会议参加人员有保留意见或者特殊声明的,应当在审理纪要中载明。
审理意见书由审理委员会主任签发。
第六章执行和监督第三十四条稽查局应当按照重大税务案件审理意见书制作税务处理处罚决定等相关文书,加盖稽查局印章后送达执行。
文书送达后5日内,由稽查局送审理委员会办公室备案。
第三十五条重大税务案件审理程序终结后,审理委员会办公室应当将相关证据材料退回稽查局。
第三十六条各级税务局督察内审部门应当加强对重大税务案件审理工作的监督。
第三十七条审理委员会办公室应当加强重大税务案件审理案卷的归档管理,按照受理案件的顺序统一编号,做到一案一卷、资料齐全、卷面整洁、装订整齐。
需要归档的重大税务案件审理案卷包括税务稽查报告、税务稽查审理报告以及本办法附列的有关文书。
第三十八条各省、自治区、直辖市和计划单列市税务局应当于每年1月31日之前,将本辖区上年度重大税务案件审理工作开展情况和重大税务案件审理统计表报送国家税务总局。
第七章附则第三十九条各级税务局办理的其他案件,需要移送审理委员会审理的,参照本办法执行。
特别纳税调整案件按照有关规定执行。
第四十条各级税务局在重大税务案件审理工作中可以使用重大税务案件审理专用章。
第四十一条本办法有关“5日”的规定指工作日,不包括法定节假日。
第四十二条各级税务局应当按照国家税务总局的规划和要求,积极推动重大税务案件审理信息化建设。
第四十三条各级税务局应当加大对重大税务案件审理工作的基础投入,保障审理人员和经费,配备办案所需的录音录像、文字处理、通讯等设备,推进重大税务案件审理规范化建设。
第四十四条各省、自治区、直辖市和计划单列市税务局可以依照本办法制定具体实施办法。
第四十五条本办法自2015年2月1日起施行。
《国家税务总局关于印发〈重大税务案件审理办法(试行)〉的通知》(国税发〔2001〕21号)同时废止。
附件:重大税务案件审理文书范本(共十六种)重大税务案件审理文书范本之一税务稽查案件审理情况备案表××税稽审备字〔××××〕××号填制部门(章):接收部门(章):填表人(签名):接收人(签名):____年____月____日 ____年____月____日说明:1.本表由稽查局统计后,按季度送审理委员会办公室备案。