钢护筒制作工程检验批质量检验记录表
- 格式:xls
- 大小:72.50 KB
- 文档页数:2
泉州湾跨海大桥工程中间检验申请单监理单位:福建省交通建设工程监理咨询公司编号: ____________________________________共2份,施工单位报送总监代表1份,1份返回施工单位存档。
永久钢护筒作制现场质量检验报告单永久钢护筒制作焊缝质量检查记录表监理单位:福建省交通建设工程监理咨询公司编号:注:检查记录记不下的项目可用附表永久钢护筒涂装质量检验记录表承包单位:中交第二航务工程局有限公司 _____________ 合同号:A4 合同段___________________________________ 监理单位:福建省交通建设工程监理咨询公司编号:_____________________________________永久钢护筒预埋钢筋质量检查记录表承包单位:中交第二航务工程局有限公司合同号:A4 合同段返修报告单承包单位:中交第二航务工程局有限公司合同号:A4 合同段福建省交通建设工程监理咨询公司编号:监理单位宁-波大榭新美亚钢管有限公司质保资料宁波大榭新美亚钢管有限公司_____________ 钢管桩超声波检测报告报告编号:注:螺旋焊缝:L1、L2、L3-Ln,按20%比例焊缝长度检验检测结论:经检测,根据GB/T 11345-1989 B H级要求,符合验收标准。
宁波大榭新美亚钢管有限公司钢管桩超声波检测记录报告编号:宁波大榭新美亚钢管有限公司钢管防腐施工质量检验记录表单位工程:泉州湾跨海大桥钢护筒制作 型 号:① 2844 X 22 X 28650桩 号:ZQ1-A-A1(X111595) 分项工程:钢护筒制作泉州湾跨海大桥工程永久钢护筒到场质量检验记录表承包单位:中交第二航务工程局有限公司 _____________ 合同号:A4 合同段____________________________________ 监理单位:福建省交通建设工程监理咨询公司编号:___________________________________。
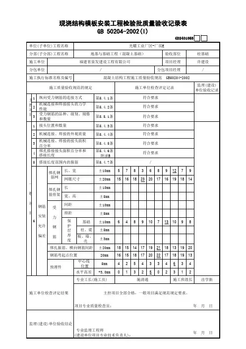
钢筋制作、安装工程报验申请表工程名称:XX市坪东轻工业园区(洒金核心区)C型3号厂房编号:GB50204-2002(Ⅰ)GB50204-2002模板安装工程报验申请表工程名称:XX市坪东轻工业园区(洒金核心区)C型3号厂房编号:GB50204-2002(Ⅰ)混凝土工程报验申请表工程名称:XX市坪东轻工业园区(洒金核心区)C型3号厂房编号:GB50204-2002(Ⅰ)GB50204-2002(Ⅱ)模板拆除工程报验申请表工程名称:XX市坪东轻工业园(洒金核心区)C型3号厂房编号:GB50204-2002(Ⅲ)钢筋制作、安装工程报验申请表工程名称:XX市坪东轻工业园区(洒金核心区)C型3号厂房编号:GB50204-2002(Ⅰ)GB50204-2002模板安装工程报验申请表工程名称:XX市坪东轻工业园区(洒金核心区)C型3号厂房编号:GB50204-2002(Ⅰ)混凝土工程报验申请表工程名称:XX市坪东轻工业园区(洒金核心区)C型3号厂房编号:GB50204-2002(Ⅰ)GB50204-2002(Ⅱ)模板拆除工程报验申请表工程名称:XX市坪东轻工业园(洒金核心区)C型3号厂房编号:GB50204-2002(Ⅲ)钢筋制作、安装工程报验申请表工程名称:XX市坪东轻工业园区(洒金核心区)C型3号厂房编号:GB50204-2002(Ⅰ)GB50204-2002模板安装工程报验申请表工程名称:XX市坪东轻工业园区(洒金核心区)C型3号厂房编号:GB50204-2002(Ⅰ)混凝土工程报验申请表工程名称:XX市坪东轻工业园区(洒金核心区)C型3号厂房编号:GB50204-2002(Ⅰ)GB50204-2002(Ⅱ)模板拆除工程报验申请表工程名称:XX市坪东轻工业园(洒金核心区)C型3号厂房编号:GB50204-2002(Ⅲ)。
管道和设备安全工程检验批质量验收记录表(精)检验批信息- 项目名称:- 检验批编号:- 施工单位:- 监理单位:- 设备型号:检验项目检验内容- [ ] 产品外观检查- [ ] 尺寸测量- [ ] 功能检验- [ ] 电气安全检查- [ ] 环境适应性检验检验记录结论(根据检验结果,写下对整个检验批的评价)备注(添加任何其他需要记录的信息)以上是我们的管道和设备安全工程检验批质量验收记录表,希望能够帮助到您。
如有任何问题,请随时与我们联系。
谢谢!Pipeline and Equipment Safety Engineering Batch Quality Acceptance Record Form (精)Batch Information- Project Name:- Batch Number:- Equipment Model:Inspection Content- [ ] Product Appearance Check- [ ] Dimension Measurement- [ ] Functional Test- [ ] Electrical Safety Check- [ ] Environmental Adaptability TestInspection RecordsConclusion(Based on the inspection results, provide an evaluation of the entire batch)Remarks(Add any additional information that needs to be recorded)The above is our Pipeline and Equipment Safety Engineering Batch Quality Acceptance Record Form. We hope it can assist you. If you have any questions, please feel free to contact us. Thank you!。