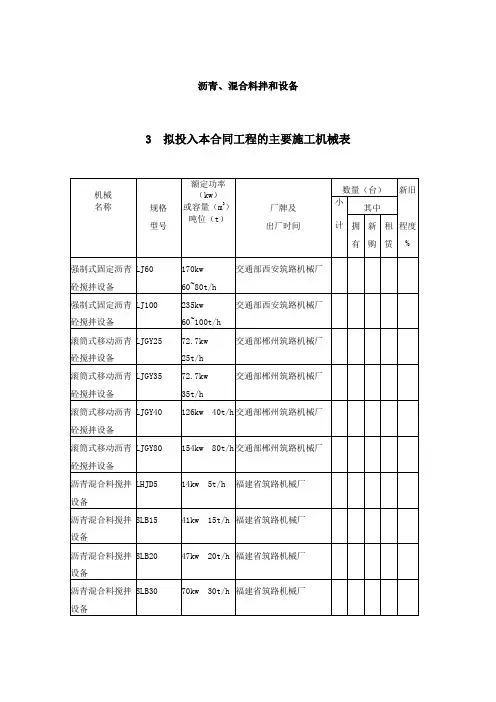
2211.17沥青混凝土混合料拌和(设备生产能力120t h以
- 格式:xlsx
- 大小:482.79 KB
- 文档页数:3
二级建造师考试(公路)知识点:沥青混凝土设备生产能力及适用条件一、沥青混凝土搅拌设备1.沥青混凝土搅拌设备:分间歇式和连续滚筒式。
按我国目前规范,高等级公路建设应使用间歇强制式搅拌设备,连续滚筒式搅拌设备用于普通公路建设。
2.沥青混合料拌和设备的生产能力:生产能力按每小时拌和成品料的数量确定,主要有小型(40t/h以下)、中型(40~350t/h)和大型(400t/h 以上)三种。
间歇式搅拌设备的生产能力最高达700t/h,连续滚筒式搅拌设备的生产能力最高达1200t/h 。
沥青混合料拌合设备的生产率是按每小时拌制混合料的吨数计算。
(1)间歇式设备生产率计算公式:式中G j—每拌制一份料的质量(kg);n—每小时拌制的份数,,其中t1:搅拌器加料时间(min);t2:混合料搅拌时间(min);t3:成品料卸料时间(min)。
K B—时间利用系数,K B=0.8~0.9。
(2)连续式设备生产率计算公式:式中G L—搅拌器内的料重(kg);t—拌合时间(混合料在搅拌器内的停留时间)(min)。
2.沥青混凝土摊铺机沥青混凝土摊铺机按行走方式可分为自行式和拖式两种,自行式摊铺机又可分为履带式,轮胎式及复合式三种。
(1)沥青混合料摊铺机的生产能力:沥青混合料摊铺机的生产能力是以其最大摊铺宽度确定,一般按摊铺宽度分为小型(3.6m),中型(4~6m),大型(6~10m)和超大型(10~12m)四类。
生产能力计算:沥青混合料摊铺机的生产率以每小时的吨数来计算,它按下列公式计算:Q=hBυ0ρK B(t/h)式中:h-铺层厚(m);B-摊铺带宽(m);υ0-摊铺工作速度(m/h);ρ一沥青混合料密度(t/m);K B-时间利用率(0.75~0.95)。
二级建造师考试(公路)知识点:沥青混凝土设备生产能力及适用条件一、沥青混凝土搅拌设备1.沥青混凝土搅拌设备:分间歇式和连续滚筒式。
按我国目前规范,高等级公路建设应使用间歇强制式搅拌设备,连续滚筒式搅拌设备用于普通公路建设。
2.沥青混合料拌和设备的生产能力:生产能力按每小时拌和成品料的数量确定,主要有小型(40t/h以下)、中型(40~350t/h)和大型(400t/h 以上)三种。
间歇式搅拌设备的生产能力最高达700t/h,连续滚筒式搅拌设备的生产能力最高达1200t/h 。
沥青混合料拌合设备的生产率是按每小时拌制混合料的吨数计算。
(1)间歇式设备生产率计算公式:式中G j—每拌制一份料的质量(kg);n—每小时拌制的份数,,其中t1:搅拌器加料时间(min);t2:混合料搅拌时间(min);t3:成品料卸料时间(min)。
K B—时间利用系数,K B=0.8~0.9。
(2)连续式设备生产率计算公式:式中G L—搅拌器内的料重(kg);t—拌合时间(混合料在搅拌器内的停留时间)(min)。
2.沥青混凝土摊铺机沥青混凝土摊铺机按行走方式可分为自行式和拖式两种,自行式摊铺机又可分为履带式,轮胎式及复合式三种。
(1)沥青混合料摊铺机的生产能力:沥青混合料摊铺机的生产能力是以其最大摊铺宽度确定,一般按摊铺宽度分为小型(3.6m),中型(4~6m),大型(6~10m)和超大型(10~12m)四类。
生产能力计算:沥青混合料摊铺机的生产率以每小时的吨数来计算,它按下列公式计算:Q=hBυ0ρK B(t/h)式中:h-铺层厚(m);B-摊铺带宽(m);υ0-摊铺工作速度(m/h);ρ一沥青混合料密度(t/m);K B-时间利用率(0.75~0.95)。
1·某公路沥青路面中粒试,沥青硂集中拌合,拌合设备生产能力120t/h,试给出该项目施工预算所需计价子目名称沥青混合料拌合2——2——11 沥青混合料运输2——2——13 沥青混合料铺筑2——2——14 沥青混合料拌设备安装2——2——15 沥青混合料途层2——2——16——4沥青混合料黏层2——2——16——5 沥青混合料封层2——2——16——142·建安费组成包含哪些内容。
与何计算建安工程费包括:一)直接费人工费,材料费,机械费,组织措施费,技术措施费;二)间接费:规费;三)利润;四)工程特殊费用;五)税费建安费用的计算是根据(建标[2003]206号关于印发《建筑安装工程费用项目组成》的)通知进行计算3·定额按实物量消耗分那几种,按使用要求分那几种定额按实物量消耗分为:劳动消耗定额、材料消耗定额和机械消耗定额三种。
定额按使用要求分:施工定额、预算定额、概算定额和公路工程估算指标四类。
4·什么是施工辅助费,它包含哪些内容,如何计算施工辅助费包括生产工具使用费、检验试验费和工程定位复测、工程点交、场地清理等费用施工辅助费以各类工程的直接工程费之和为基数,乘以一定的费率计算5·什么是基本预备费,基本预备费如何计算基本预备费系指经初步设计和概预算中难以预料的工程和费用计算方法:以第一、二、三、部分费用之和(扣除固定资产投资方向调节税和建设期货款利息两项费用)为基数按下列费率计算:设计概算按5%计列;修正概算按4%计列;施工图概算按3%计列6·什么情况下可以重新招标有下列情形的。
招标人将重新招标1、投标截止时间,投标人少于3个的;2、经评标委员会评审后否决所有投标的;3、中标候选人均未与招标人签订合同的;4;法律规定的其他情形。
7·对于不可抗力事件承发包双方风险的分担原则在新版FIDIC施工合同,不可抗力条件的特殊事件或情况:一方无法控制的,该方在签订合同前不能对之进行合理的防备的、发生后该方不能合理避免或客服的、不主要归因于他方的。