实验一:三相异步电动机点动连续正反转控制
- 格式:ppt
- 大小:136.00 KB
- 文档页数:13
电动机正反转实验报告电动机正反转实验报告实验一三相异步电动机的正反转控制线路一、实验目的1、掌握三相异步电动机正反转的原理和方法。
2、掌握手动控制正反转控制、接触器联锁正反转、按钮联锁正反转控制线路的不同接法。
二、实验设备三相鼠笼异步电动机、继电接触控制挂箱等三、实验方法1、接触器联锁正反转控制线路(1)按下“关”按钮切断交流电源,按下图接线。
经指导老师检查无误后,按下“开”按钮通电操作。
(2)合上电源开关Q1,接通220V三相交流电源。
(3)按下SB1,观察并记录电动机M的转向、接触器自锁和联锁触点的吸断情况。
(4)按下SB3,观察并记录M运转状态、接触器各触点的吸断情况。
(5)再按下SB2,观察并记录M的转向、接触器自锁和联锁触点的吸断情况。
图1接触器联锁正反转控制线路xxxxM1xxxx0xxxxxxxxU3xxxxM1xxxxM3、按钮联锁正反转控制线路(1)按下“关”按钮切断交流电源。
按图2接线。
经检查无误后,按下“开”按钮通电操作。
(2)合上电源开关Q1,接通220V三相交流电源。
(3)按下SB1,观察并记录电动机M的转向、各触点的吸断情况。
(4)按下SB3,观察并记录电动机M的转向、各触点的吸断情况。
(5)按下SB2,观察并记录电动机M的转向、各触点的吸断情况。
220xxxxL3xxxxU1xxxxM2xxxxB1图2按钮联锁正反转控制线路ABC四、分析题1、接触器和按钮的联锁触点在继电接触控制中起到什么作用?实验二交流电机变频调速控制系统一实验目的1.掌握交流变频调速系统的组成及基本原理;2.掌握变频器常用控制参数的设定方法;3.掌握由变频器控制交流电机多段速度及正反向运转的方法。
二实验设备 1.变频器;2.交流电机。
三、实验方法(一)注意事项参考变频器的端子接线图,完成变频器和交流电机的接线。
主要使用端子为RST;UVW;xxxxxxxxX1X2X3X4CM。
变频器电源输入端RST和电源输出端UVW均AC380V高电压大电流信号,任何操作都必须在关掉总电源以后才能进行。
实验一三相异步电动机点动与连续运行控制一、实验目的1、熟悉常用低压电器元件(接触器、热继电器和按钮等)的功能及使用方法。
2、掌握自锁作用。
3、培养学生电气控制系统的识图能力和安装调试电气线路的动手能力。
4、培养学生分析实际问题和解决实际问题的能力。
二、实验仪器设备三相异步电动机、接触器、热继电器、一组按钮。
电源、导线若干、万用表等。
三、实验内容三相异步电动机点动与连续运行控制四、实验步骤1、点动控制图1 点动控制主电路和控制电路(1)按图1连接点动控制的主电路和控制电路。
先连接主电路,然后连接控制电路。
(2)运行、调试:合上电源开关QS;起动:按下按钮SB →接触器KM 线圈得电→KM 主触头闭合→电动机M 起动运行;停车:松开按钮SB →接触器KM 线圈失电→KM 主触头断开→电动机M 停转;停止使用时:断开电源开关QS 。
2 、连续运行控制线路图2 连续运行主电路和控制电路(1)按图2连接连续运行控制电路的主电路和控制电路。
先连接主电路,然后连接控制电路。
(2)运行、调试:合上电源开关QS;起动:按下按钮SB2 →接触器KM 线圈得电→KM 主触头闭合→电动机M 起动运行,接触器KM 的辅助常开触头闭合-自锁,使接触器KM线圈保持得电→电动机M 连续运行;停车:按下按钮SB1 →接触器KM 线圈失电→KM 主触头断开→电动机M 停转;保护环节:短路保护、过载保护、失压和欠压保护当电气控制系统中出现短路、过载或失压和欠压等故障现象,保护环节的电器动作,电动机M 停转。
停止使用时:断开电源开关QS 。
五、实验分析1.分析点动控制、连续运行控制电路的特点,比较二者区别。
2.分析电路中常见的故障现象,采取哪些保护措施?3.在实验过程中出现的异常现象,及解决措施。
实验二 三相异步电动机正反转控制一、实验目的1、熟悉常用低压电器元件(按钮、接触器及热继电器)的功能及使用方法。
2、掌握自锁、互锁的作用。
3、培养学生电气控制系统的识图能力和安装调试电气线路的动手能力。
实训一 三相异步电动机接触器点动控制 实训一 三相异步电动机接触器点动控制一、训练目的1.通过观察实物,熟悉按钮和接触器的结构和使用方法。
2.通过实践,掌握具有短路保护的点动控制电路安装接线与检测方法。
3.掌握使用万用表检查电路的方法。
三、电气原理点动控制电路中,电动机的启动、停止,是通过手动按下或松开按钮来实现的,电动机的运行时间较短,无需过载保护装置。
控制电路如图2-1所示,合上电源开关QS ,只要按下点动按钮SB ,使接触器KM 线圈得电吸合,KM 主触点闭合,电动机即可起动;当手松开按钮SB 时,KM 线圈失电,而使其主触点分开,切断电动机M 的电源,电动机即停止转动。
PE 为电动机保护接地线。
四、安装与接线点动控制的各电器安装位置如图2-2所示。
图2-3为点动控制的电气接线图。
具体实施安装时,原理图、位置图、接线图应一并使用,相互参照。
在通电试车前,应仔细检查各线端连图1-2图1-1 点动控制电气原理图接是否正确、可靠,并用万用表的欧姆档检查控制回路是否短路或开路(按下起动控制按钮时,控制电路的两端电阻应为吸引线圈的直流电阻)、主电路有无开路或短路等。
图1-3 点动控制电路接线图实训二 三相异步电机接触器自锁控制线路在点动控制的电路中,要使电动机转动,就必须用手按住按钮不放,这不适合电动机长时间连续运行的控制场合,而必需具有接触器自锁的控制电路。
二、训练目的1.通过实践训练,熟悉热继电器的结构、原理和使用方法。
2.通过实践训练,掌握具有过载保护的接触器自锁电路安装接线与检测。
3.进一步熟练万用表的使用。
三、电气原理因电动机是连续工作,必须加装热继电器以实现过载保护,具有过载保护的自锁控制电路的电气原理如图2-1所示,它与点动控制电路的不同之处在于控制电路中增加了一个停止按钮SB1,在启动按钮的两端并联了一对接触器的常开触头,增加了过载保护装置(热继电器FR )。
电路的工作过程:按下启动按钮SB2→接触器KM 线圈通电→KM (3-4)闭合自锁,同时KM 主触头闭合,电动机M 起动运行。
三相异步电动机点动控制和自锁控制及联锁正反转控制实验报告图2-5 按钮联锁的正反转控制线路按图2-5接线,实验操作步骤如下:(1) 按控制屏启动按钮,接通三相交流电源;(2) 按正向起动按钮SB1,电动机正向起动,观察电动机的转向及接触器的动作情况。
按停止按钮SB3,使电动机停转;(3) 按反向起动按钮SB2,电动机反向起动,观察电动机的转向及接触器的动作情况。
按停止按钮SB3,使电动机停转。
实验完毕,按控制屏停止按钮,切断实验线路电源。
实验现象:按正向启动按钮SB1,电机正转,接触器KM1工作,按下SB3电机停止运行;按反向启动按钮SB2,电机反转,接触器KM2工作,按下SB3电机停止运行;2. 接触器和按钮双重联锁的正反转控制线路按图2-6接线,经检查无误后,方可进行通电操作。
实验操作步骤如下:图2-6 接触器和按钮双重联锁的正反转控制线路(1) 按控制屏启动按钮,接通三相交流电源。
(2) 按正向起动按钮SB1,电动机正向起动,观察电动机的转向及接触器的动作情况。
按停止按钮SB3,使电动机停转。
(3) 按反向起动按钮SB2,电动机反向起动,观察电动机的转向及接触器的动作情况。
按停止按钮SB3,使电动机停转。
(4) 按正向(或反向)起动按钮,电动机起动后,再去按反向(或正向)起动按钮,观察有何情况发生?(5) 电动机停稳后,同时按正、反向两只起动按钮,观察有何情况发生?(6) 失压与欠压保护按起动按钮SB1(或SB2)电动机起动后,按控制屏停止按钮,断开实验线路三相电源,模拟电动机失压(或零压)状态,观察电动机与接触器的动作情况,随后,再按控制屏上启动按钮,接通三相电源,但不按SB1(或SB2),观察电动机能否自行起动?实验完毕,按控制屏停止按钮,切断实验线路电源。
实验现象:按下SB1,电机正向旋转,KM1正常工作,按下SB3电机停止运行。
按下SB2,电机反向旋转,KM2正常工作,按下SB3电机停止运行。
实验一三相异步电动机的正反转控制线路一、实验目的1、通过对三相异步电动机正反转控制线路的接线,掌握由电路原理图接成实际操作电路的方法。
2、掌握三相异步电动机正反转的原理和方法。
3、掌握接触器联锁正反转、按钮联锁正反转控制及按钮和接触器双重联锁正反转控制线路的不同接法,并熟悉在操作过程中有哪些不同之处。
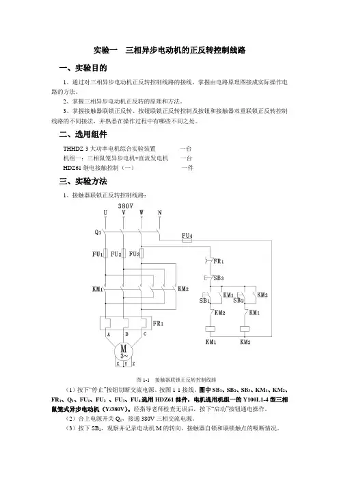
二、选用组件THHDZ-3大功率电机综合实验装置一台机组一:三相鼠笼异步电机+直流发电机一台HDZ61继电接触控制(一)一件三、实验方法1、接触器联锁正反转控制线路:图1-1 接触器联锁正反转控制线路(1)按下“停止”按钮切断交流电源。
按图1-1接线。
图中SB1、SB2、SB3、KM1、KM2、FR1、Q1、FU1、FU2、FU3、FU4选用HDZ61挂件,电机选用机组一的Y100L1-4型三相鼠笼式异步电动机(Y/380V)。
经指导老师检查无误后,按下“启动”按钮通电操作。
(2)合上电源开关Q1,接通380V三相交流电源。
(3)按下SB1,观察并记录电动机M的转向、接触器自锁和联锁触点的吸断情况。
(4)按下SB3,观察并记录M运转状态、接触器各触点的吸断情况。
(5)再按下SB2,观察并记录M的转向、接触器自锁和联锁触点的吸断情况。
2、按钮联锁正反转控制线路:(1)按下“停止”按钮切断交流电源。
按图1-2接线。
图中SB1、SB2、SB3、KM1、KM2、FR1、Q1、FU1、FU2、FU3、FU4选用HDZ61挂件,电机选用机组一的Y100L1-4型三相鼠笼式异步电动机(Y/380V)。
经检查无误后,按下“启动”按钮通电操作。
(2)合上电源开关Q1,接通380V三相交流电源。
(3)按下SB1,观察并记录电动机M的转向、各触点的吸断情况。
(4)按下SB3,观察并记录电动机M的转向、各触点的吸断情况。
(5)按下SB2,观察并记录电动机M的转向、各触点的吸断情况。
图1-2 按钮联锁正反转控制线路3、按钮和接触器双重联锁正反转控制线路:(1)按下“停止”按钮切断三相交流电源按图1-3接线。
课程名称:电器原理指导老师:_ 孙丹_______成绩:__________________ 实验名称:三相异步电机的点动、自锁与正反转控制实验类型:__同组学生姓名:一、实验目的和要求(必填)二、实验内容和原理(必填)三、主要仪器设备(必填)四、操作方法和实验步骤五、实验数据记录和处理六、实验结果与分析(必填)七、讨论、心得一、实验目的和要求1.通过对三相异步电动机点动控制和自锁控制线路的实际安装接线,掌握由电气原理图变换成安装接线图的知识;2.通过实验进一步加深理解点动控制和自锁控制的特点以及在机床控制中的应用。
3.掌握三相异步电动机正反转的原理和方法,加深对电气控制系统各种保护、自锁、互锁等环节的理解;4.掌握接触器联锁正反转、按钮联锁正反转控制线路的不同接法,并熟悉在操作过程中有哪些不同之处;5.通过对三相鼠笼式异步电动机延时正反转控制线路的安装接线,掌握由电气原理图接成实际操作电路的方法。
6.学会分析、排除继电--接触控制线路故障的方法.二、实验内容和原理1.继电接触控制在各类生产机械中获得广泛的应用,交流电动机继电接触控制电路的主要设备是交流接触器,其主要构造为:(1) 电磁系统─铁心、吸引线圈和短路环;(2) 触头系统─主触头和辅助触头,还可按吸引线圈得电前后触头的动作状态,分动合(常开)、动断(常闭)两类;(3) 消弧系统─在切断大电流的触头上装有灭弧罩以迅速切断电弧;(4) 接线端子,反作用弹簧等。
2.在控制回路中常采用接触器的辅助触头来实现自锁和互锁控制。
要求接触器线圈得电后能自动保持动作后的状态,这就是自锁,通常用接触器自身的动合触头与起动按钮相并联来实现,以达到电动机的长期运行,这一动合触头称为“自锁触头”。
使两个电器不能同时得电动作的控制,称为互锁控制,如为了避免正、反转两个接触器同时得电而造成三相电源短路事故,必须增设互锁控制环节。
为操作的方便,也为防止因接触器主触头长期大电流的烧蚀而偶发触头粘连后造成的三相电源短路事故,通常在具有正、反转控制的线路中采用既有接触器的动断辅助触头的电气互锁,又有复合按钮机械互锁的双重互锁的控制环节。
三相异步电动机正反转控制实验一、实验目的:1.学习和掌握PLC的实际操作和使用方法;2.学习和掌握利用PLC控制三相异步电动机正反转的方法;二、实验内容及步骤:本实验采用PLC对三相异步电动机进行正反转控制 ,其主电路和控制电路接线图分别为图2-1和图2-2 ;图中:正向按钮接PLC的输入口X0,反向按钮接PLC的输入口X1,停止按钮接PLC的输入口X2,KM5为正向接触器,KM6反向接触器;继电器KA5、KA6分别接于PLC的输出口Y33、Y34;其基本工作原理为:合上QF1、QF5, PLC运行;当按下正向按钮,控制程序使Y33有效,继电器KA5线圈得电,其常开触点闭合,接触器KM5的线圈得电,主触头闭合,电动机正转;当按下反向按钮,控制程序使Y34有效,继电器KA6线圈得电,其常开触点闭合,接触器KM6的线圈得电,主触头闭合,电动机反转;实验步骤:1.在断电的情况下,学生按图2-1和图2-2接线为安全起见,控制电路的PLC外围继电器KA5、KA6以及接触器KM5、KM6输出线路已接好;2.在老师检查合格后,接通断路器QF1、QF5 ;3.运行PC机上的工具软件FX-WIN,输入PLC梯形图;4.对梯形图进行编辑﹑指令代码转换等操作并将程序传至PLC;5.运行PLC,操作控制面板上的相应开关及按钮,实现电动机的正反转控制;在PC机上对运行状况进行监控,同时观察继电器KA5、KA6和接触器KM5 、KM6的动作及变化情况,调试并修改程序直至正确;6;记录运行结果 ;图2-1 主控电路图2-2 控制电路接线图三.实验说明及注意事项1.本实验中,继电器KA5、KA6的线圈控制电压为24V DC,其触点5A 220V AC或5A 30V DC;接触器KM5、KM6的线圈控制电压为220V AC,其主触点25A 380V AC;2.三相异步电动机的正、反转控制是通过正、反向接触器KM5、KM6改变定子绕组的相序来实现的;其中一个很重要的问题就是必须保证任何时候、任何条件下正反向接触器KM5、KM6都不能同时接通,否则会造成电源相间瞬时短路;为此,在梯形图中应采用正反转互锁,以保证系统工作安全可靠;3.本实验中,主控电路的电压为380V DC,请注意安全四.实验用仪器工具PC 机 1台PLC 1台编程电缆线1根三相异步电动机 1台断路器QF1、QF5 2个接触器KM5、KM6 2个继电器KA5、KA6 2个按钮 3个实验导线若干五.实验前的准备1.预习实验报告,复习教材的相关章节;2.根据图2-1、图2-2画出梯形图,并写出指令代码;六.实验报告要求画出梯形图,写出指令代码,分析实验结果;七.思考题1.试比较继电器和接触器的结构及工作原理的异同点;2.请说明本实验中继电器的线圈工作电压和接触器的线圈工作电压分别是多少3.试比较可编程控制器的三种输出接口:晶体管输出方式、晶闸管输出方式、继电器输出方式的工作原理异同点;4.能否将接触器KM5,KM6的线圈直接接至PLC的输出端Y33、Y34注:本实验所用的PLC为FX2N-64MT,其输出接口为晶体管型5.。
试验一三相异步电动机的点动控制一、实验目的:1、了解交流接触器、热继电器和按钮的结构及其在控制电路中的应用。
2、学习异步电动机基本控制电路的连接。
3、学习按钮、熔断器、热继电器的使用方法。
4、了解点动与长动的主要区别。
二、实验仪器和设备:1、DT31继电器-接触器1套2、D21三相异步电动机1台3、机电传动试验平台1套4、接线若干三、实验原理:1、继电接触器控制大量应用于对电动机的启动、停止、正反转、调速、制动等控制。
从而使生产机械按规定的要求动作;同时,也能对电动机和生产机械进行保护。
2、图1是异步电动机直接启动的控制电路。
图1-a是点动控制线路,手放开按钮后电动机即停止工作。
电路不能自锁。
图1-b是长动控制线路,手按下按钮后,线圈得电,主触点,辅助触点都闭合,电动机保持运转,控制电路实现自锁。
图1 三相异步电动机点动长动控制线路四、实验内容和步骤:1、在实验板台找到DT31继电器-接触器等,了解其结构及动作原理。
2、通过实验,掌握基本电路的接线方法。
3、按图1-a异步电动机启动线路连接,经老师检查允许后再送电(电动机暂不接入)。
4、1-a的控制电路改接为1-b图,即具有控制电路具有自锁功能。
5、通过点动、长动接线实验,观察实验现象,了解两种接线的不同工作状况及自锁区别。
五、实验总结:1、电路中自锁点起什么作用?电路没有自锁时:按下闭合按钮,接触器线圈得电后,主触点闭合接通回路,电机运转;松开闭合按钮,电路断路,线圈失电,主触点回归常开原位,电机停转。
电路处于点动。
电路有自锁点时:接触器线圈得电后,主触点、常开辅助触点都闭合接通回路,主触点闭合电机运转;常开辅助触点闭合,进行状态保持,此时再松开启动按钮,接触器也不会失电断开。
电路处于长动状况。
自锁点作用就是利用常开辅助触点与通电线圈关系,实现电路长动工作状况。
2、什么叫零压保护,即电路的零压保护是如何实现的?所谓零压(或失压)保护是指当电源断电或电压严重降低时,接触器的线圈失电,电磁铁释放使主触点断开,电动机自动从电源切除停转。
相异步电动机点动控制和自锁控制及联锁正反转控制实验报告实验报告:相异步电动机点动控制、自锁控制及联锁正反转控制一、引言二、实验目的1.了解相异步电动机的基本结构和工作原理;2.掌握相异步电动机点动控制、自锁控制及联锁正反转控制的方法;3.分析控制方法的实施步骤和原理;4.通过实验验证控制方法的有效性。
三、实验材料1.相异步电动机;2.控制电路板;3.电源;4.开关、按钮等控制元件。
四、实验方法及步骤1.点动控制实验:(1)将电动机接入电源,并接入控制电路板。
(2)将控制电路板中的相异步电动机点动控制电路连接好。
(3)按下点动按钮,观察电动机的运动情况,并记录实验结果。
2.自锁控制实验:(1)将电动机接入电源,并接入控制电路板。
(2)将控制电路板中的相异步电动机自锁控制电路连接好。
(3)按下自锁按钮,观察电动机的运动情况,并记录实验结果。
3.联锁正反转控制实验:(1)将电动机接入电源,并接入控制电路板。
(2)将控制电路板中的相异步电动机联锁正反转控制电路连接好。
(3)按下正转按钮,观察电动机的运动情况,并记录实验结果。
(4)按下反转按钮,观察电动机的运动情况,并记录实验结果。
五、实验结果与分析1.点动控制实验结果:实验结果表明,当按下点动按钮时,电动机会运动一小段时间后停止。
这是因为控制电路通过控制信号,使电动机转动一个固定的角度,然后停止。
2.自锁控制实验结果:实验结果表明,当按下自锁按钮时,电动机会一直运动直到再次按下自锁按钮,电动机才会停止。
这是因为通过自锁控制电路,电动机会一直保持运行状态。
3.联锁正反转控制实验结果:实验结果表明,当按下正转按钮时,电动机会顺时针旋转。
而当按下反转按钮时,电动机会逆时针旋转。
这是因为通过联锁正反转控制电路,可以控制电动机的旋转方向。
六、实验心得通过本次实验,我们深入了解了相异步电动机的基本结构和工作原理,以及常见的控制方法。
实验结果也验证了这些控制方法的有效性。
实验一三相鼠笼式异步电动机点动、自锁控制和正反转控制一、实验目的1. 通过对三相鼠笼式异步电动机点动控制和自锁控制线路的实际安装接线,掌握由电气原理图变换成安装接线图的知识。
2. 通过对三相鼠笼式异步电动机正反转控制线路的安装接线,掌握由电气原理图接成实际操作电路的方法。
3. 加深对电气控制系统各种保护、点动控制、自锁、互锁等环节的理解。
4. 学会分析、排除继电--接触控制线路故障的方法。
二、原理说明1. 继电─接触控制在各类生产机械中获得广泛地应用,凡是需要进行前后、上下、左右、进退等运动的生产机械,均采用传统的典型的正、反转继电─接触控制。
交流电动机继电─接触控制电路的主要设备是交流接触器,其主要构造为:(1) 电磁系统─铁心、吸引线圈和短路环。
(2) 触头系统─主触头和辅助触头,还可按吸引线圈得电前后触头的动作状态,分动合(常开)、动断(常闭)两类。
(3) 消弧系统─在切断大电流的触头上装有灭弧罩,以迅速切断电弧。
(4) 接线端子,反作用弹簧等。
2. 在控制回路中常采用接触器的辅助触头来实现自锁和互锁控制。
(1)自锁。
要求接触器线圈得电后能自动保持动作后的状态,这就是自锁,通常用接触器自身的动合触头与起动按钮相并联来实现,以达到电动机的长期运行,这一动合触头称为“自锁触头”。
(2)互锁。
使两个电器不能同时得电动作的控制,称为互锁控制,如为了避免正、反转两个接触器同时得电而造成三相电源短路事故,必须增设互锁控制环节。
为操作的方便,也为防止因接触器主触头长期大电流的烧蚀而偶发触头粘连后造成的三相电源短路事故,通常在具有正、反转控制的线路中采用既有接触器的动断辅助触头的电气互锁,又有复合按钮机械互锁的双重互锁的控制环节。
○1电气互锁为了避免接触器KM1(正转)、KM2(反转)同时得电吸合造成三相电源短路,在KM1(KM2)线圈支路中串接有KM1(KM2)动断触头,它们保证了线路工作时KM1、KM2不会同时得电(如图30-1),以达到电气互锁目的。
竭诚为您提供优质文档/双击可除异步电动机的正反转控制实验报告篇一:电机正反转实训报告文档电气设备与拆装实训报告实训课题:1.三相异步电动机行程开关控制的正反转电路2.三相异步电动机星形/三角形换接减压起动控制专业:电气工程与自动化班级:101班学号:20XX00307029指导教师:李忠富20XX年7月4日实训一、三相异步电动机行程开关控制的正反转电路一、实训目的1.熟悉和了解交流接触器、热继电器、行程开关等常用低压电器设备的结构,工作原理及使用方法,接线方法及线号标记。
2.掌握三相异步电动机行程开关控制的正反转电路工作原理,电气原理图、元件布置图和接线图的绘制,接线方法及接线工艺。
3.了解失压、过载、零位保护的控制作用。
4.熟悉上述电路的故障分析及排除方法。
二、实训线路三、实训设备及电气元件1、三相异步电动机A02-6432一台2、交流接触器cJ10-10两只3、按钮LA18-22一只4、热继电器JR16b-20/32.4A一台5、熔断器RL1-15/5A三只6、行程开关Lx111两只7、三相刀开关hK2—315A一只8、电工工具及导线四、实训步骤1、检查各电器元件的质量情况,了解其使用方法。
2、根据电器原理图绘制元件布置图和接线图。
3、正确连接线路,先接主电路,再接控制电路。
4、同组同学检查接线无误,并经指导老师坚持认可后合闸通电试验。
5、操作启动和停止按钮,并观察电动机单方向起停情况。
6、操作启动按钮‘带点击正常运转后直接按下反方向启动按钮,并使电动机反方向运转。
7、电动机正常运转后,模拟机床运行用行程开关控制电机的正反转。
8、实验中出现不正常现象时,应断开电源,分析故障。
五、实验报告①实验原理图②故障分析1、接完线检查的时候,发现行程开关的一个接口本应该有进线有出线的,但检查的时候只发现了进线,所以只能重新按步骤的检查线路,着重检查与行程开关有联系的器件,最终发现原来是和接触器的常闭触电接线漏了。
实验一三相异步电动机点动、自锁、正反转控制系统实验一、实验目的1、通过实验,掌握电机电气技术实验装置的工作原理及操作方式,掌握实验过程的安全操作及注意事项。
并通过实验进一步加深理解点动控制和自锁控制的特点以及在机床控制中的应用。
2、掌握三相异步电动机正反转的原理和及控制方法以及电机正反转控制线路的不同接法。
3、了解PLC常用资源的意义及应用过程。
并学会用PLC实现三相异步电动机正/反转(互锁)控制的编程控制方法。
达到加深理解PLC程序控制方式与继电器线路控制方式的不同。
二、实验设备序号型号名称数量1 DJ16 三相鼠笼异步电动机(△/220V) 1件2 D61 继电接触控制挂箱(一)1件3 D62 继电接触控制挂箱(二)1件4 FX2N-32MR 三菱可编程序控制器1台5 FX-20P-E 手提编程器1台6 D65 PLC控制挂件1台7 D66 PLC控制挂件1台8 D67 PLC控制挂件1台三、实验原理实验前要检查控制屏左侧端面上的调压器旋钮须在零位,开启电源总开关,按下“启动”按钮,旋转调压器旋钮将三相交流电源输出端U、V、W的线电压调到220V。
再按下控制屏上的“停止”按钮以切断三相交流电源。
以后在实验接线之前都应先切断三相交流电源。
1.三相异步电动机点动控制线路:按图2-1接线。
接线时,先接主电路,它是从220V三相交流电源的输出端U、V、W开始,经三刀开关Q1、熔断器FU1、FU2、FU3、接触器KM1主触点到电动机M的三个线端A、B、C的电路,用导线按顺序串联起来,有三路。
主电路经检查无误后,再接控制电路,从熔断器FU 4插孔V 开始,经按钮SB 1常开、接触器KM 1线圈到插孔W 。
检查无误后,启动电源进行实验:(1)按下控制屏上“启动”按钮;(2)先合Q 1,接通三相交流220V 电源;(3)按下启动按钮SB 1,对电动机M 进行点动操作,比较按下SB 1和松开SB 1时电动机M 的运转情况。
三相异步电动机点动控制和自锁控制及联锁正反转控制某实验报告材料实验报告:三相异步电动机点动控制与自锁控制及联锁正反转控制摘要:本实验主要研究了三相异步电动机的点动控制、自锁控制和联锁正反转控制。
通过控制三相电压的变化来实现电动机的不同运行状态。
实验结果表明,点动控制可以实现电动机的短时间运行,并可以通过按钮控制停止。
自锁控制可以实现电动机的连续运行,并且只能通过开关来停止。
联锁正反转控制可以实现电动机在正反两个方向之间切换。
本实验对于三相异步电动机的控制方法具有指导意义。
关键词:三相异步电动机,点动控制,自锁控制,联锁正反转控制1.引言2.实验原理2.1点动控制点动控制是指电动机在短时间内顺时针或逆时针旋转。
通过控制三相电压的变化,可以实现电动机的点动运行。
在本实验中,我们使用按钮来控制电动机的启动和停止。
2.2自锁控制自锁控制是指电动机的连续运行。
在启动电动机后,通过开关控制电动机的运行和停止。
电动机只能通过开关来停止,而不能通过按钮来停止。
2.3联锁正反转控制联锁正反转控制是指电动机在正反两个方向之间切换。
通过控制电动机的转向器,可以实现电动机在顺时针和逆时针之间切换。
在本实验中,我们使用按钮来控制电动机的方向。
3.实验仪器和材料3.1实验仪器:-三相异步电动机-电动机启动按钮-电动机停止按钮-电动机转向按钮-电动机转向器3.2实验材料:-电源线-电压表-电流表4.实验步骤4.1点动控制实验(1)连接三相异步电动机和电源线。
(2)将电动机的启动按钮连接到电源线。
(3)按下启动按钮,电动机开始运行。
(4)按下停止按钮,电动机停止运行。
4.2自锁控制实验(1)连接三相异步电动机和电源线。
(2)将电动机的启动按钮和停止按钮连接到电源线。
(3)按下启动按钮,电动机开始运行。
(4)按下停止按钮,电动机停止运行。
4.3联锁正反转控制实验(1)连接三相异步电动机、电动机转向器和电源线。
(2)将电动机的启动按钮和转向按钮连接到电源线。
课程名称:电气原理与应用指导老师:成绩:__________________实验名称:三相异步电动机点动控制和自锁及正反转互锁控制实验类型:____同组学生姓名:______ 一、实验目的和要求(必填)二、实验内容和原理(必填)三、主要仪器设备(必填)四、操作方法和实验步骤五、实验数据记录和处理六、实验结果与分析(必填)七、讨论、心得一、实验目的1.通过对三相异步电动机点动控制和自锁控制线路的实际安装接线,掌握由电气原理图变换成安装接线图的知识;2.通过实验进一步加深理解点动控制和自锁控制的特点以及在机床控制中的应用。
3.掌握三相异步电动机正反转的原理和方法,加深对电气控制系统各种保护、自锁、互锁等环节的理解;4.掌握接触器联锁正反转、按钮联锁正反转控制线路的不同接法,并熟悉在操作过程中有哪些不同之处;5.通过对三相鼠笼式异步电动机延时正反转控制线路的安装接线,掌握由电气原理图接成实际操作电路的方法。
6. 学会分析、排除继电--接触控制线路故障的方法。
二、实验原理1.继电接触控制在各类生产机械中获得广泛的应用,交流电动机继电接触控制电路的主要设备是交流接触器,其主要构造为:(1) 电磁系统─铁心、吸引线圈和短路环;(2) 触头系统─主触头和辅助触头,还可按吸引线圈得电前后触头的动作状态,分动合(常开)、动断(常闭)两类;(3) 消弧系统─在切断大电流的触头上装有灭弧罩以迅速切断电弧;(4) 接线端子,反作用弹簧等。
2.在控制回路中常采用接触器的辅助触头来实现自锁和互锁控制。
要求接触器线圈得电后能自动保持动作后的状态,这就是自锁,通常用接触器自身的动合触头与起动按钮相并联来实现,以达到电动机的长期运行,这一动合触头称为“自锁触头”。
使两个电器不能同时得电动作的控制,称为互锁控制,如为了避免正、反转两个接触器同时得电而造成三相电源短路事故,必须增设互锁控制环节。
为操作的方便,也为防止因接触器主触头长期大电流的烧蚀而偶发触头粘连后造成的三相电源短路事故,通常在具有正、反转控制的线路中采用既有接触器的动断辅助触头的电气互锁,又有复合按钮机械互锁的双重互锁的控制环节。
《三相异步电动机点动控制和自锁控制及联锁正反转控制实验报告》实验目的:1. 掌握三相异步电动机的基本特性。
2. 掌握三相异步电动机的点动控制和自锁控制。
3. 掌握联锁正反转控制的原理和方法。
实验设备:1. 三相异步电动机。
2. 电动机控制器。
3. 转动表。
4. 交流电源。
5. 电阻箱。
6. 电流表、电压表。
7. 开关。
实验原理:1. 三相异步电动机的基本特性三相异步电动机是一种常用的电动机,它通过三相交流电源供电,产生旋转磁场,驱动转子旋转。
三相异步电动机的基本特性是:(1) 启动电流大。
(2) 转速变化范围小。
(3) 转矩较小。
(4) 负载能力强。
2. 三相异步电动机的点动控制和自锁控制(1) 点动控制点动控制是一种控制方法,通过按下控制按钮使电动机运行一定时间后自动停止,可用于定位、检测、调整等工作。
点动控制可用电路实现。
(2) 自锁控制自锁控制也是一种控制方法,通过按下控制按钮使电动机运行一次后停止,并锁定在停止状态。
自锁控制可用电路实现。
3. 联锁正反转控制联锁正反转控制是指,在电动机正转和反转时,按下另一个按钮将被联锁,使电动机停止后再按下原来的按钮才能启动电动机反向运转。
联锁控制可用电路实现。
实验步骤:1. 连接电动机和控制器(1) 将电动机的三条电缆分别连接至控制器的三条电缆;(2) 按照指示将控制器连接至电源上。
2. 点动控制(1) 打开交流电源,并启动控制器。
(2) 按下点动按钮,控制器工作,电动机转动;(3) 松开按钮,电动机停止。
3. 自锁控制(1) 按下自锁按钮,控制器工作,电动机转动;(2) 松开按钮,电动机停止,并锁定在停止状态。
4. 联锁正反转控制(1) 按下正转按钮,电动机正向旋转;(2) 按下关锁按钮,电动机停止;(3) 按下反转按钮,电动机反向旋转。
实验结果:通过实验,我们成功掌握了三相异步电动机的基本特性和点动控制、自锁控制、联锁正反转控制的原理和方法,并且通过实验获得了相关数据和图表,验证了实验结果的正确性。