二氧化氯消毒计算
- 格式:pdf
- 大小:67.70 KB
- 文档页数:2
二氧化氯消毒剂卫生标准GB26366-2010发布日期:2011-7-19 12:25:19 新闻设置:【大中小】信息来源:二氧化氯专业网浏览次数:二氧化氯消毒剂卫生标准Hygienic standard for chlorine dioxide disinfectant2011-01-14发布 2011-06-01实施中华人民共和国卫生部中国国家标准化管理委员会发布前言本标准的全部技术内容为强制性。
本标准附录A为规范性附录。
本标准由中华人民共和国卫生部提出并归口。
本标准负责起草单位:吉林省卫生监测检验中心、卫生部卫生监督中心、深圳市疾病预防控制中心、黑龙江省疾病预防控制中心、南京理工大学。
本标准参加起草单位:深圳市聚源科技有限公司、定州市荣鼎水环境生化技术有限公司、大连绿帝生化科技有限公司、张家口市绿洁环保化工技术开发有限公司。
本标准负责起草人:黄新宇、孙守红、朱子犁、方赤光、王岙、葛洪、贺启环。
本标准参加起草人:曾宇平、张田、李抒春、宋红安。
本标准为首次制定。
二氧化氯消毒剂卫生标准1 范围本标准规定了二氧化氯消毒剂的应用范围、使用方法、检验方法、包装和规格、使用说明书和标签、贮存和运输及注意事项。
本标准适用于以亚氯酸钠或氯酸钠为原料,通过化学反应能够产生二氧化氯的消毒剂。
2 规范性引用文件下列文件中的条款, 通过本标准的引用而成为本标准的条款。
凡是注日期的引用文件,其随后所有的修改单(不包括勘误的内容)或修订版,均不适用于本标准。
然而,鼓励根据本标准达成协议的各方研究是否可使用这些文件的最新版本。
凡是不注日期的引用文件,其最新版本适用于本标准。
GB/T 191 包装储运图示标志GB320 工业用合成盐酸GB/T 534 工业硫酸(优等品以上)GB/T 1294 化学试剂 L(+)-酒石酸GB/T 1618 工业氯酸钠GB5749 生活饮用水卫生标准GB/T 8269 柠檬酸GB 9985 手洗餐具用洗涤剂GB/T 20783-2006 稳定性二氧化氯溶液HG3250 工业亚氯酸钠中华人民共和国卫生部《消毒技术规范》2002年版中华人民共和国卫生部《消毒产品标签说明书管理规范》2005年版3 术语和定义下列术语适用于本标准3.1二氧化氯消毒剂chlorine dioxide disinfectant是指用亚氯酸钠或氯酸钠为主要原料生产的制剂(商品态),通过物理化学反应操作能产生游离二氧化氯(应用态)为主要有效成份的一种消毒产品。
二氧化氯与余氯换算方法1.引言1.1 概述在本篇长文中,我们将讨论二氧化氯与余氯之间的换算方法。
二氧化氯和余氯作为水处理行业中常用的消毒剂和氧化剂,对于确保水质安全起着重要的作用。
然而,由于二氧化氯和余氯是以不同的形式存在于水中,因此需要一种可靠的方法将它们互相转化。
在正式介绍换算方法之前,我们将先对二氧化氯和余氯的性质和用途进行介绍。
二氧化氯具有强氧化性和良好的消毒效果,在水处理中广泛应用于杀灭细菌、病毒和其他有害微生物。
余氯则是氯消毒剂在水中残留的一种化合物,也具有一定的消毒能力。
为了更好地了解二氧化氯与余氯之间的换算方法,我们将详细探讨二氧化氯的浓度与余氯浓度之间的关系。
从理论上讲,二氧化氯可以通过一定的计算公式与余氯进行换算,从而实现二者之间的互相转化。
此外,我们还将探究二氧化氯与余氯换算方法的具体应用前景和意义。
随着水质监测和处理技术的不断发展,对于二氧化氯和余氯的换算方法的研究具有重要的意义。
准确而可靠的换算方法将有助于更好地监测和控制水体中的消毒剂浓度,从而保障水质安全。
总之,本篇长文将全面介绍二氧化氯与余氯之间的换算方法。
通过深入探讨二氧化氯和余氯的性质、用途以及换算方法的应用前景和意义,我们希望能够为相关领域的研究提供一定的参考和启示。
1.2 文章结构文章结构:本文分为引言、正文和结论三个部分。
其中引言部分包括概述、文章结构和目的三个小节;正文部分包括二氧化氯的性质和用途以及余氯的性质和用途两个小节;结论部分包括二氧化氯与余氯的换算方法和应用前景和意义两个小节。
引言部分旨在对本文进行整体的介绍和说明。
在概述部分,将简要阐述二氧化氯和余氯的相关背景和重要性。
在文章结构部分,将介绍本文所使用的逻辑结构和章节安排,以引导读者对全文内容的把握。
在目的部分,将明确本文的写作目的和意义,以增强读者对文章的关注和阅读动力。
正文部分是本文的核心内容,主要分为二氧化氯的性质和用途以及余氯的性质和用途两个小节。
二氧化氯的投加量的计算公式二氧化氯是一种常用的水处理消毒剂,其投加量的计算公式可以根据需要消毒的水体的特性和要达到的消毒效果来确定。
下面将介绍几种常用的计算公式。
1.公式一:消毒效果系数法消毒效果系数法是一种根据水体的微生物污染程度和目标消毒率来计算二氧化氯投加量的方法。
该方法的计算公式为:投加量(g)=消毒效果系数×水体体积(m3)其中,消毒效果系数可以根据目标消毒率和水体微生物污染程度来确定。
具体数值可参考相关水处理标准和规范。
2.公式二:无机物投加量法对于含有有机物的水体,如污水、工业废水等,二氧化氯的消毒效果会受到有机物的影响。
因此,有机物投加量法是一种根据水体中有机物浓度来计算二氧化氯投加量的方法。
该方法的计算公式为:投加量 (g) = 有机物负荷(mg/L) × 有机物消耗系数× 水体流量(L/min) × 处理时间 (min)其中,有机物消耗系数是根据实际水质和处理经验来确定的,可参考相关文献和实验研究。
3.公式三:消毒剂余量法消毒剂余量法是一种根据水体中消毒剂残余浓度来计算二氧化氯投加量的方法。
该方法适用于需要在整个处理过程中保持一定消毒剂残余浓度的水体,如饮用水、游泳池等。
计算公式为:投加量 (g) = (目标消毒剂残余浓度 - 当前消毒剂残余浓度) × 水体流量(L/min) × 处理时间 (min)其中,目标消毒剂残余浓度和当前消毒剂残余浓度可以根据国家和地区的相关标准和规范来确定。
需要注意的是,以上公式仅为参考,实际应用中需要根据具体的水质情况、消毒对象和要求来进行调整和优化。
同时,二氧化氯的投加量还需要考虑到药剂的浓度、投加方式、混合方式等因素的影响,以保证消毒效果和水质安全。
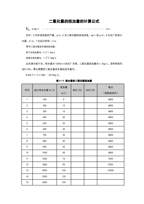
二氧化氯的投加量的计算公式1、S=CQ/T (01)式中:S为所选设备的产量,g/h;C为二氧化氯的投加浓度,mg/L或g/m3;Q为水厂的设计水量,m3/d;T为运行时间,h/d。
其中二氧化氯发生器的投加量:地下水投加量为:0.5~1.0mg/L地表水投加量为:1.0~2.0mg/L以水源为地下水,供水量为1000m3/d的水厂为例,二氧化氯投加量为1.0mg/L,深井泵每天运行20h,那么需要的二氧化氯发生器的发生量为:B=CQ/T=1.0×1000/20=50g/h,表1—1 供水量和二氧化氯投加量2、亚氯酸钠、盐酸量的计算方法:设备原料采用8%的亚氯酸钠溶液和9%的盐酸。
亚氯酸钠的计算通过化学反应方程式:5 NaClO2+4HCl=5NaCl+4ClO2+2H2O设产生100g/h二氧化氯则:5NaClO2——4ClO2452.5 270X 100则计算出X=167.6g/h(167.6g是纯的亚氯酸钠)167.6g纯亚氯酸钠配成78%的亚氯酸钠,则:167.6/0.78=214.87g/h亚氯酸钠溶液(8%)的配制:将亚氯酸钠(78%)与水按1:8.75(重量比)比例混合,例如:1公斤亚氯酸钠加8.75公斤水,搅拌至完全溶解即可。
则214.87g78%亚氯酸钠配成8%的亚氯酸钠需加水的量为:214.87×8.75=1880g/h溶液总质量为1880+214.87=2094.87g亚氯酸钠溶液密度按约等于水的密度算则亚氯酸钠体积为:2094.87g/h/1000g/L≈2.1L/h则产生100g/h二氧化氯需要投加亚氯酸钠溶液(8%)体积需要2.1L。
盐酸的计算设产生100g/h二氧化氯则:4HCl——4ClO2146 270Y 100则计算出Y=54.1g/h(54.1g是纯盐酸的量)54.1g纯盐酸配成31%的盐酸,则:54.1/0.31=174.5g/h盐酸溶液(9%)的配制:将30%的盐酸配制成9%的盐酸溶液,即1公斤31%的盐酸加2.4公斤水,直至完全溶解即可。
加氯间计算书一、设计参数:22000 m3/d=0.255 m3/s消毒采用二氧化氯消毒。
二、加氯量计算:1、最大加氯量前加氯 1.5mg/l(手册3,一般在0.1~2mg/l范围,除铁,锰,藻预处理投加范围0.5~3.0mg/l,当兼做除臭时0.5~1.5mg/l)后加氯0.5mg/l(手册3,当仅作为出厂饮用水消毒0.1~0.5mg/l,管网末端需保证0.02mg/l 剩余二氧化氯。
)每日最大前加氯量C1=1.5×10-3kg / m3×2.2×104 m3/d=33 kg/d每日最大后加氯量C2=0.5×10-3kg / m3×2.2×104 m3/d=11 kg/d每天最大总加氯量C=C1+C2=33+11=44kg/d=1.84kg/h由于二氧化氯的杀菌能力是氯气的2.5倍以上,所以每天投加二氧化氯的量=1.84g/h的一半即可,取0.92kg/h。
2、二氧化氯发生器设置3台,2用1备(近期1用1备)单台二氧化氯发生器的容量m:m=C/2=1.15kg CLO2/h选用3台0~1.0 kg CLO2/h二氧化氯发生器(近期1用1备,远期2用1备)3、设备选型拟采用化学法法制备二氧化氯,即采用氯酸钠和盐酸反应生成二氧化氯和氯气的混合体。
主反应OHNaCICICIOHCINaCIO2223212+++↑→+副反应OHNaCICIHCINaCIO223336++↑→+4、投加点:前点为:折板絮凝反应池进水;后点清水池进水。
5、耗药量及药液贮槽,根据设备要求,NaCIO3为30%,HCI为30%。
市售的氯酸钠为袋装50Kg的纯固体粉末,盐酸为稀盐酸浓度为31%。
理论计算,产生1g二氧化氯需消耗0.65g的NaCIO3和1.3g的HCI。
但在实际运行中氯酸钠和盐酸不可能完全转化,经验数据为氯酸钠70%以上,盐酸为80%左右。
氯酸钠消耗量G氯酸钠=0.65×0.92×1000÷70%=851(g/h)盐酸消化量G盐酸1.3×0.92×1000÷80%=1487(g/h)配制成30%的溶液,则药液的体积为:V氯酸钠=851÷30%×10-6=0.0029m3/h)V盐酸=1487÷30%×10-6=0.05m3/h)=1.2m3/d6、储药量W药剂储量按应小于10天(规范不大于10天)W氯酸钠=24×851×10=204.3(kg)= 20.4kg/d按市售50Kg袋装氯酸钠计约需9袋。
一、化学法:二氧化氯有效氯投加量按水量的5~20ppm,保持水中的余氯在30~50mg/L左右二氧化氯在水中的停留时间为30min二氧化氯的制备采用化学反应法:氯酸钠和盐酸反应生成二氧化氯、氯化钠和附带的氯气市售的氯酸钠为袋装的50kg的纯固体粉末,盐酸为稀盐酸,浓度为31%一般二氧化氯发生器的药液配制浓度:氯酸钠为30%,盐酸为31%根据理论计算,产生1g的二氧化氯有效氯需消耗0.55g的氯酸钠(干粉)和1.2g的盐酸(31%) 2 HCl + NaClO32↑ + 0.5 Cl 2 ↑ + NaCL + H2O73 + 106.5 = 67.5 + 35.5 + 58.5 + 18实际上氯酸钠的转化率为70%,盐酸为80%氯酸钠价格5100元/T(2010年),盐酸价格800元/T(2010年)1公斤氯酸钠加2公斤水水量Q1000m3/d0.05二氧化氯投加率10mg/L二氧化氯投加量416.6667g/h0.005选用的二氧化氯发生器产气量416.6667g/h氯酸钠消耗量(干粉)0.33kg/h 1.67盐酸消耗量(31%)0.63kg/h0.5配制成30%的溶液,药液体积用量(m3/h)氯酸钠(密度为2500kg/m3),30%的密度为1220kg/m30.000894m3/h盐酸(30%的密度为1150kg/m3)0.001812m3/h元/吨水水量1200m3/d 0.02二氧化氯投加率5mg/L 元/g 二氧化氯投加量250g/h 0.00424小时选用的二氧化氯发生器产气量250g/h 元/h NaCL 的消耗量0.4kg/h 0.4元/h电消耗量1.25kw.h0.625生产1克有效氯消耗盐1.6g,耗电5.00w原料转化率达98%以上氯化钠价格约1000元/吨,电0.5元/kw.h的氯气二、电解法:2 NaCl +3 H2O = CLO2 ↑ + 2 NaOH + 2 H2 ↑原料采用工业盐:GB/T5462-2003精制工业盐≥99.1%.2g 的盐酸(31%)采用隔膜法最新工艺,在发生器内加入含氯的钠盐溶液,通过电解CLO2、CL2、O3、H2O2的高效复合消毒气过电解产生毒气元/吨水元/g 24小时元/h 元/h。
水处理计算公式范文水处理是一项重要的工艺过程,用于去除水中的杂质和污染物,使其符合特定的水质要求。
水处理计算公式是描述各个步骤中的关键参数和计算方法的方程式。
本文将从常见的水处理过程入手,介绍一些常用的水处理计算公式。
1.硬度计算公式硬度是水中可溶解的钙和镁离子的浓度。
硬度的计算公式为:硬度(mg/L)= M(Ca2+)× 2.497 + M(Mg2+)× 4.118其中,M(Ca2+)和M(Mg2+)分别表示钙离子和镁离子的浓度(mg/L)。
2.消毒剂投加量计算公式在水处理中,常用的消毒剂包括氯化物、臭氧、二氧化氯等。
消毒剂投加量的计算公式为:投加量(mg/L)= 工作浓度(mg/L)× 流量(L/s)× 时间(s)其中,工作浓度是消毒剂的稀释浓度,流量是水处理系统的进水流量,时间是消毒剂的接触时间。
3.胶体悬浮物计算公式胶体悬浮物是指在水中悬浮的微小颗粒,如泥土颗粒、有机物颗粒等。
胶体悬浮物的计算公式为:悬浮物浓度(mg/L)= (視傳導度1 - 視傳導度2)× 系数其中,視傳導度1和視傳導度2分别表示采集水样前后的水的电导率,系数是由实验测定得到的。
4.沉淀污泥计算公式在沉淀池中,通过物理沉降将悬浮物分离出来,形成污泥。
沉淀污泥的计算公式为:污泥量(kg)= 流量(m³/s)× 悬浮物浓度(mg/L)× 时间(s)× 污泥的浓度其中,流量表示进入沉淀池的水流速度,悬浮物浓度表示进入沉淀池的水中的悬浮物浓度,时间表示水在沉淀池停留的时间,污泥的浓度表示沉淀池中污泥的浓度。
5.滤池设计公式滤池是水处理中常用的一种固液分离装置。
滤池的设计公式包括滤料的体积计算公式和空气流量的计算公式。
滤料的体积(m³)=流量(m³/s)×滤速(m/h)×时间(h)其中,流量表示进入滤池的水流速度,滤速表示水通过单位滤料面积的流速,时间表示水在滤池中停留的时间。
二氧化氯消毒台安项目调试计算:::2.3.5消毒池生产用药污水厂运用氯酸钠和盐酸制备二氧化氯进行消毒。
按照设计处理水量25000m³/d,有效氯投加量为10mg/L(即0.01kg/m3)计算。
则二氧化氯每日用量为:25000m³/d×0.01kg/m3÷2.63=95kg/d=0.095t/d(1g 有效氯=二氧化氯×2.63g)。
通过理论计算可知,生成1t二氧化氯需消耗1.56t氯酸钠和1.1吨氯化氢。
则氯酸钠(含量99%)每日用量约为:0.095t/d×1.56÷99%=0.15t/d,每月用量为4.5t/月;氯化氢(31%)每日用量为:0.095t/d×1.1÷31%=0.34t/d,每月用量为10.2t/d 调试期间进水量未必能够满负荷运行,因此,前期氯酸钠用量暂按1t/月计,盐酸用量按3t/月计(设计盐酸储罐3m3,装满备用)。
太和项目调试计算:::2.3.4接触消毒池用药根据理论计算,产生1g的二氧化氯有效氯需消耗0.55g的氯酸钠(干粉)和1.2g的盐酸(31%)。
用于污水处理厂末端消毒的二氧化氯有效氯投加浓度一般为10mg/L,折算为氯酸钠干粉为5.5mg/L(考虑到氯酸钠反应的转化率70%,暂时按照10mg/L的浓度投加)和31%盐酸12mg/L(考虑到盐酸反应的转化率80%,暂时按照20mg/L的浓度投加)。
2.3.4.1氯酸钠固体按设计进水流量833.3m³/h(20000 m³/d)计算,氯酸钠设计投加浓度按照10mg/L(即0.01kg/m3)使用。
则氯酸钠每日用量:833.3m³/h×0.01kg/m3×24h/d =200kg/d=0.2t/d。
氯酸钠每月用量为:0.2t/d×30d/月=6吨/月。
2.3.4.2 盐酸(31%)按设计进水流量833.3m³/h(20000 m³/d)计算,盐酸设计投加浓度按照20mg/L(即0.02kg/m3)使用。
clo2大派键计算方法
CLO2(二氧化氯)是一种重要的化学物质,在工业生产和消毒中广泛应用。
大派键计算方法是一种主要用于研究分子结构和化学键性质的计算方法。
下面将介绍CLO2大派键计算方法的原理和应用。
CLO2大派键计算方法是基于量子化学的原理,利用电子结构理论来模
拟和预测分子的性质。
其中,大派键是分子中的一种特殊化学键,它与分子
的化学性质密切相关。
通过对CLO2分子进行大派键计算,我们可以了解其
键长、键能、键角等参数,从而揭示分子的结构和性质。
具体而言,CLO2大派键计算方法主要包括以下几个步骤。
首先,需要
选择合适的计算方法和基组,这些选择将直接影响计算结果的准确性和精度。
然后,将CLO2分子的几何结构进行优化,找到最稳定的构型。
接下来,利
用量子化学计算工具,计算CLO2分子的能量和波函数。
最后,根据得到的
计算结果,分析CLO2分子的大派键性质,如键长、键能、键角等。
CLO2大派键计算方法不仅可以在理论上揭示分子的性质,也可以为实
验提供参考和指导。
比如,根据大派键计算结果,可以预测CLO2与其他分
子之间的反应性能,找到最有利的反应条件。
此外,CLO2的大派键计算还
可以用于研究其在环境中的传输和转化行为,有助于环境保护和工业安全控制。
CLO2大派键计算方法是通过量子化学的原理来模拟和预测CLO2分子
的性质和行为。
通过这种计算方法,我们可以深入了解CLO2分子的大派键
特性,为实验和应用提供指导和参考。
二氧化氯消毒剂卫生标准GB26366-2010发布日期:2011-7-19 12:25:19 新闻设置:【大中小】信息来源:二氧化氯专业网浏览次数:二氧化氯消毒剂卫生标准Hygienic standard for chlorine dioxide disinfectant2011-01-14发布 2011-06-01实施中华人民共和国卫生部中国国家标准化管理委员会发布前言本标准的全部技术内容为强制性。
本标准附录A为规范性附录。
本标准由中华人民共和国卫生部提出并归口。
本标准负责起草单位:吉林省卫生监测检验中心、卫生部卫生监督中心、深圳市疾病预防控制中心、黑龙江省疾病预防控制中心、南京理工大学。
本标准参加起草单位:深圳市聚源科技有限公司、定州市荣鼎水环境生化技术有限公司、大连绿帝生化科技有限公司、张家口市绿洁环保化工技术开发有限公司。
本标准负责起草人:黄新宇、孙守红、朱子犁、方赤光、王岙、葛洪、贺启环。
本标准参加起草人:曾宇平、张田、李抒春、宋红安。
本标准为首次制定。
二氧化氯消毒剂卫生标准1 范围本标准规定了二氧化氯消毒剂的应用范围、使用方法、检验方法、包装和规格、使用说明书和标签、贮存和运输及注意事项。
本标准适用于以亚氯酸钠或氯酸钠为原料,通过化学反应能够产生二氧化氯的消毒剂。
2 规范性引用文件下列文件中的条款, 通过本标准的引用而成为本标准的条款。
凡是注日期的引用文件,其随后所有的修改单(不包括勘误的内容)或修订版,均不适用于本标准。
然而,鼓励根据本标准达成协议的各方研究是否可使用这些文件的最新版本。
凡是不注日期的引用文件,其最新版本适用于本标准。
GB/T 191 包装储运图示标志GB320 工业用合成盐酸GB/T 534 工业硫酸(优等品以上)GB/T 1294 化学试剂 L(+)-酒石酸GB/T 1618 工业氯酸钠GB5749 生活饮用水卫生标准GB/T 8269 柠檬酸GB 9985 手洗餐具用洗涤剂GB/T 20783-2006 稳定性二氧化氯溶液HG3250 工业亚氯酸钠中华人民共和国卫生部《消毒技术规范》2002年版中华人民共和国卫生部《消毒产品标签说明书管理规范》2005年版3 术语和定义下列术语适用于本标准3.1二氧化氯消毒剂chlorine dioxide disinfectant是指用亚氯酸钠或氯酸钠为主要原料生产的制剂(商品态),通过物理化学反应操作能产生游离二氧化氯(应用态)为主要有效成份的一种消毒产品。
常用消毒剂的配制方法1、过氧乙酸该消毒剂为甲、乙两组的二元包装消毒剂,使用前需将甲2份、乙1份混合,经12-24小时混合反应后成为浓度≥18%原液,将此原液按照实际应用的需要(如空气消毒、物体表面消毒)可配制成不同使用浓度的应用液。
(一)空气消毒(1)熏蒸消毒法:使用浓度为7ml/M3,作用时间为1小时(密闭环境)。
举例:若面积为25平方米、高为3米的房间。
其容积为75立方米,应取过氧乙酸原液525ml、等量加水置于搪瓷碗(或耐热、耐腐蚀的容器)中,用酒精或煤油炉进行加热熏蒸。
(2)气溶胶喷雾消毒法:将过氧乙酸原液浓度当成20%,按1:10的比例稀释成为2%的溶液,再将此液按8ml/立方米的量应用,并盛装于超低容量喷雾器中进行喷雾,作用时间为30-60分钟(密闭环境)。
举例:若面积为25平方米、高为3米的房间,其容积为75立方米,应取2%的过氧乙酸稀释液600ml,采用超低容量喷雾器直接喷雾,直至药液全部喷完。
(二)物体表面消毒可采取浸泡、喷雾、擦拭方法进行消毒。
一般使用浓度为0.2-0.5%,作用时间30分钟以上。
举例:将过氧乙酸原液浓度当成20%,若需配制使用浓度为0.5%的消毒溶液,应取25ml原液加水至1000ml即得;或大半脸盆水约4000ml,加原液40ml即为0.2%的消毒溶液。
2、84消毒液该消毒剂可采取浸泡、喷雾、擦拭的方法,用于物体表面消毒,有一定的除污作用。
一般使用浓度为0.2~0.5%,作用时间30分钟以上。
举例:84消毒液原液有效氯含量≥5%,相当于50000mg/L,若需配制使用浓度为0.5%的消毒溶液,应取100ml原液加水至1000ml即得;或大半脸盆水约4000ml,加原液160ml即为0.2%消毒溶液。
2、有机含氯消毒粉剂首先辩明要使用的消毒剂有效氯含量,然后按下述公式计算:稀释倍数=产品的有效氯含量/预配的消毒浓度-1如用的效氯含量为2.5%的消毒粉对餐具进行消毒,需药液浓度为500毫克/升,即有效氯含量应是5/万。
二氧化氯的性质及作用一、二氧化氯的性质二氧化氯是由汉费莱戴维先生于1811年发现到的。
1843年时米隆用盐酸将氯酸钾酸化获得了一种黄绿色气体,并将这一气体吸收在碱性溶液里获得了亚氯酸盐(以及氯酸盐),而米隆没有将这种气体作为二氧化氯识别。
1811 年Garzaralli-Thumlackh鉴别出这种气体是二氧化氯和氯气的混合物。
二氧化氯为黄红色气体,带有一种辛辣气味,在空气中的体积浓度超过10%时便有爆炸性,但在水溶液中则无危险性。
比重为 3.09克/升(11C),熔点-59.5C,沸点99C (压力为731mmHg时的沸点)。
在20C和30mmHg压力下,二氧化氯在水中的溶解度为 2 . 9克/升。
在水中能被光分解,与氨不起反应。
对人体有刺激,当大气中二氧化氯含量为14mg/L 时,就可使人觉察;45mg/L 时,明显地刺激呼吸道。
二氧化氯的挥发性较大,稍一曝气即从溶液中逸出。
温度升高、曝光或与有机质相接触,会发生爆炸。
因此,在实际应用中,二氧化氯须避光保存,一般情况下,现场制备,现场使用。
二、二氧化氯的作用1、二氧化氯杀灭病菌和病毒的作用二氧化氯是一种广谱型的消毒剂,它对水中的病原微生物,包括病毒、细菌芽孢、配水管网中的异养菌、硫酸盐还原菌及真菌等均有很高的杀灭作用。
二氧化氯能在pH 值很宽的范围内杀灭大肠杆菌,其杀灭效果与温度T 有关,是温度(1/T)的函数,这一优点弥补了因温度升高而使二氧化氯在水中溶解度降低的缺点。
二氧化氯在水中的扩散速度较氯快,所以在低浓度时较氯更为有效。
二氧化氯对孢子的杀灭作用比氯强,对水中的放线菌、野生菌种、孢子体等均有较好的杀灭作用。
2、二氧化氯的氧化作用2.1 二氧化氯对锰的氧化二氧化氯能够把二价锰氧化成四价锰,使之形成不溶于水的二氧化锰(MnO2),即:2ClO2+5Mn2++6H2O=5MnO2+12H++2Cl-通过氧化,二氧化氯对锰的去除率为69%〜81%,而氯对锰的去除率仅为25%, —般二氧化氯的投加量为 5.0mg/L。
二氧化氯有效用量计算公式二氧化氯是一种常用的消毒剂,广泛应用于水处理、食品加工、医疗卫生等领域。
在使用二氧化氯进行消毒处理时,确定有效用量是非常重要的。
有效用量的计算公式可以帮助我们准确地控制二氧化氯的使用量,确保其消毒效果并且避免过量使用造成的问题。
二氧化氯的有效用量计算公式可以根据具体的消毒对象和消毒要求进行调整,但一般来说,可以采用以下的基本公式进行计算:有效用量 = C × V。
其中,C代表二氧化氯的浓度,V代表消毒对象的体积。
在使用这个公式进行计算时,首先需要确定消毒对象的体积。
对于水处理来说,可以通过测量水的容积或者通过流量计来获取水的体积。
对于其他物体或者场所,可以通过测量其长度、宽度和高度来计算其体积。
其次,需要确定二氧化氯的浓度。
二氧化氯的浓度可以根据生产厂家提供的产品说明书来获取,一般以百分比或者克/升为单位。
在实际使用中,需要根据具体的消毒要求和使用场景来确定二氧化氯的浓度。
通过以上的公式计算得到的有效用量,可以帮助我们在使用二氧化氯进行消毒处理时,准确地控制其使用量。
这样不仅可以确保消毒效果,还可以避免因为过量使用造成的浪费和环境污染。
在实际使用中,还需要注意以下几点:1. 根据具体的消毒要求和使用场景来确定二氧化氯的浓度。
不同的消毒对象和消毒要求可能需要不同浓度的二氧化氯,需要根据实际情况进行调整。
2. 注意二氧化氯的稳定性。
二氧化氯在储存和使用过程中会受到温度、光照、湿度等因素的影响,需要注意保持其稳定性,避免因为降解而影响消毒效果。
3. 遵守相关的安全规定。
在使用二氧化氯进行消毒处理时,需要遵守相关的安全规定,佩戴好防护装备,并严格按照操作规程进行操作,确保安全使用。
总之,二氧化氯的有效用量计算公式可以帮助我们在使用二氧化氯进行消毒处理时,准确地控制其使用量,确保消毒效果并且避免过量使用造成的问题。
在实际使用中,需要根据具体情况进行调整,并且注意二氧化氯的稳定性和遵守相关的安全规定。
二氧化氯消毒台安项目调试计算:::2.3.5消毒池生产用药污水厂运用氯酸钠和盐酸制备二氧化氯进行消毒。
按照设计处理水量25000m³/d,有效氯投加量为10mg/L(即0.01kg/m3)计算。
则二氧化氯每日用量为:25000m³/d×0.01kg/m3÷2.63=95kg/d=0.095t/d(1g 有效氯=二氧化氯×2.63g)。
通过理论计算可知,生成1t二氧化氯需消耗1.56t氯酸钠和1.1吨氯化氢。
则氯酸钠(含量99%)每日用量约为:0.095t/d×1.56÷99%=0.15t/d,每月用量为4.5t/月;氯化氢(31%)每日用量为:0.095t/d×1.1÷31%=0.34t/d,每月用量为10.2t/d 调试期间进水量未必能够满负荷运行,因此,前期氯酸钠用量暂按1t/月计,盐酸用量按3t/月计(设计盐酸储罐3m3,装满备用)。
太和项目调试计算:::2.3.4接触消毒池用药根据理论计算,产生1g的二氧化氯有效氯需消耗0.55g的氯酸钠(干粉)和1.2g的盐酸(31%)。
用于污水处理厂末端消毒的二氧化氯有效氯投加浓度一般为10mg/L,折算为氯酸钠干粉为5.5mg/L(考虑到氯酸钠反应的转化率70%,暂时按照10mg/L的浓度投加)和31%盐酸12mg/L(考虑到盐酸反应的转化率80%,暂时按照20mg/L的浓度投加)。
2.3.4.1氯酸钠固体按设计进水流量833.3m³/h(20000 m³/d)计算,氯酸钠设计投加浓度按照10mg/L(即0.01kg/m3)使用。
则氯酸钠每日用量:833.3m³/h×0.01kg/m3×24h/d =200kg/d=0.2t/d。
氯酸钠每月用量为:0.2t/d×30d/月=6吨/月。
2.3.4.2 盐酸(31%)按设计进水流量833.3m³/h(20000 m³/d)计算,盐酸设计投加浓度按照20mg/L(即0.02kg/m3)使用。
(1)杀菌能力指的是1g 氧化剂得到相同的电子数
1mol ClO2(67.5g/mol),被还原时化合价变化为+4变为-1,变化5,其质量为67.5g
1mol Cl2(71g/mol),先变为HClO,被还原时化合价变化为+1变为-1,变化2,其质量71g
所以结果为(5/67.5)/(2/71)=2.63/1,即有效氯1gClO2=2.63gCl2(2)二氧化氯是高效强氧化剂,其有效氯含量为氯气2.63倍,氧化剂ClO2、H2O2、NaClO2、KMnO4、Cl2、NaClO氧化能力263%、209%、157%、111%、100%、93%,如果以氯气的氧化能力为100%的话,二氧化氯的理论氧化能力是氯气的2.63倍,次氯酸钠的2.83倍,双氧水的1.26倍。
(3)无需独立设置隔离加氯间,可选任何一个15~20m2房间做消毒间。
(4)国内液氯的市场的平均价格每吨3500元/吨。
(5)复合型CLO2发生器使用的原料:氯酸钠(NaCLO3晶体)市场价为4500元/吨;盐酸溶液(HCL 31%)市场价为800元/吨,根据复合型二氧化氯发生器定额消耗量计算:
NaCLO3 + 2HCL = CLO2 + 1/2CL2 + NaCL +H2O 分子量106.5 73 67.5 35.5
转化率按85%计算,则生成1克CLO2和0.5克的CL2需原料消耗量:NaCLO3(晶体):106.5÷67.5÷0.85=1.86克
HCL(31%):73÷67.5÷0.31÷0.85=4.10克
生产1克CLO2和0.5克CL2需NaCLO3和31%的HCL成本费合计为:1.86×4500×10-6+4.10×800×10-6=0.0084+0.0033 = 0.012元
生产1克CLO2和0.5克CL2实际相当产生的有效氯为 3.13克(2.63+0.5=3.13g),花费原料费0.012元,
1克有效氯=0.012元÷3.13 = 0.0038元。
根据《室外排水规范》,消毒1m3地下水投加有效氯量按6~15g计,需要运行成本费为0.0228~0.057元/m3。
结论:液氯消毒制水成本较低,每吨水成本为0.018~0.045元。