设计制图规范52795
- 格式:doc
- 大小:2.74 MB
- 文档页数:21
制图规范与标准一:图纸规范问题1、量房需注意(一般户型)a:栋数、单元、户型、奇偶层、房号、建筑面积;b:入户处:大门开启方向(包括子母门)、大门尺寸(包门套)、强弱电箱位(需有立面索引)、可视对讲机;厨房:是否有下沉、管道位、烟道口位置、煤气表位;卫生间:沉降池位(具体尺寸)、管道位(如没有下沉,则需细化管道位置尺寸)、气孔;阳台:管道位、栏杆或窗户须标注明细、是否有下沉;c:层高、梁位(w\h)、空调孔(kt)、空调主机位、过道尺寸、承重墙;d:窗户尺寸(上H3、中H2、下H1)、是否为落地窗;c:录像或拍照。
注:复式、别墅类(一般户型的量房要求通用)另:a、楼梯位置(单级的L(长)、H(高)、W(宽),级数);b、电梯位置、天井位置、花园尺寸;c:每一层承重墙及外墙须统一;d:层高(标注最高点及最低点),异形顶需画出剖面图;e:必须要拍照或录像。
2:图纸细节a:格式:例如:PLAN金质颐园周小姐雅居原始结构图(平面布置图)SCALE:1:80 *原始结构图需写明建筑面积、房型;*平面布置图需写明建筑面积、房型、设计风格;b:平面图字体、标注大小统一(宋体);c:线性;d: 窗户用4根线表示(外2号线、内1号线);栏杆用3根线表示(外2号线、内1号线);e: 图框标签栏:工程名称,图名,设计,助理, 日期,比例,图号,序号。
3:各图纸内容原始结构图A:入户门开门方向、内部详细尺寸、外框尺寸;B:窗户(平窗\凸窗)尺寸(h1、h2、h3)、栏杆;C:梁位、空调孔、烟道及烟道口、管道、地漏、下沉位、气孔、煤气位、强弱电(带详图)、可视电话;D: 有异型顶的房子需标明顶面最低点和最高点及剖面示意;E:未知外墙厚度均画240mm。
平面布置图标注家具及结构主要尺寸、家具均为双线、模块统一、面积周长、地面填充;施工图一套完整的施工图纸应包括以下3个部分并按照所标明的序号排列:1.图纸概要2.平面图3.立面图A:图纸概要(8~9张):图纸封面、居众装饰品牌解读、温馨提示、目录1(图纸多可增加目录2)、图例说明、施工图设计说明、工程施工规范、电气设计说明B: 平面11张原始结构图拆墙砌墙图(改动大的可以分开画)拆墙:1、拆墙位置需填充尺寸需明细;2、拆墙墙体厚度;3、开窗位置需标明窗高及离地高。
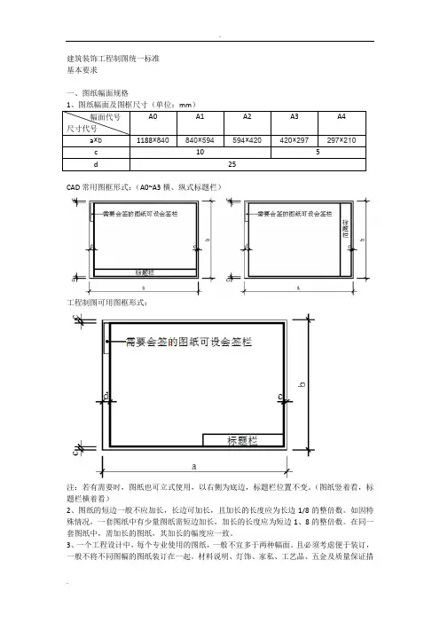
建筑装饰工程制图统一标准基本要求一、图纸幅面规格CAD常用图框形式:(A0~A3横、纵式标题栏)工程制图可用图框形式:注:若有需要时,图纸也可立式使用,以右侧为底边,标题栏位置不变。
(图纸竖着看,标题栏横着看)2、图纸的短边一般不应加长,长边可加长,且加长的长度应为长边1/8的整倍数。
如因特殊情况,一套图纸中有少量图纸需短边加长,加长的长度应为短边1、8的整倍数。
在同一套图纸中,需加长的图纸,其加长的幅度应一致。
3、一个工程设计中,每个专业使用的图纸,一般不宜多于两种幅面。
且必须考虑便于装订,一般不将不同图幅的图纸装订在一起。
材料说明、灯饰、家私、工艺品、五金及质量保证措施等文件可采用A4图幅。
一、图纸编排顺序1、装饰设计图纸的编排顺序一般应为图纸目录、设计说明、装修表、门表、由下至上隔层的平面布置图、墙定位及索引图、地面材料图、天花布置图、局部平面天花图、剖立面图、详图等。
2、当图纸的图幅只有一种时,一般为各层平面、天花、剖立图、详图相对集中,分层排列。
当图幅不止一种时,一般为各层的平面、天花使用同一图幅,相对集中,分层排列;剖立面、详图则使用较小图幅,相对集中,分层排列。
三、图线3、相互平行的图线,其间隙不宜小于其中的粗线宽度,且不宜小于10mm。
4、图线不得与文字、数字或符号重叠、混淆,不可避免时,应首先保证文字等的清晰。
四、字体六、比例绘图所用的比例,应根据图样的用途与被绘对象的复杂程度,从下表中选用,并优先用表中七、定位轴线1、定位轴线应用细点划线绘制2、定位轴线一般应编号,编号应注写在轴线端部的圆内。
圆应用细实线绘制,直径为8mm。
定位轴线的圆心,应在定位轴线的延长线上或延长线的折线上。
3、平面图上定位轴线的编号,宜标注在图样的下方与左侧。
横向编号应用阿拉伯数字,从左至右顺序编写,竖向编号应用大写拉丁字母,从下至上顺序编写。
如图所示:定位轴线的编号顺序4、拉丁字母的I、O、Z不得用作轴线编号。
设计制图规范
一、施工图编排顺序及要求:
拆除墙体、要有详细的尺寸标示顶面图吊顶必须有标高,造型结构必须有剖面图或文字说明,
二、字体及标注要求:
三、制图线型要求:
四、线宽(打印设置)与绘图色彩的对应:
五、保存
7.1保存位置
7.1.1施工图、效果图及报价存放于项目目录文件夹中。
例:E盘—张咏—(2008)客户—咨询、立项、合同、弃单(一月、二月、三月、、、、、、)
7.1.2图块、模块集中存放且归类整理。
六、审图
为保证图纸的规范性和减少错误,施工图纸需按《制图规范检查表》由组长初审,核算员复审,经理检查。
1、初审:
A.图纸初审应在图纸交核算部之前。
B.复核内容:是否符合制图规范规定,是否有遗漏或错误的,标注及文字说明,是否有明显的图纸错误,设计效果是否能达到。
2、复审:
A.图纸审定应在业主签字之前完成
B.审定内容: 是否符合制图规范规定,是否有遗漏或错误的,标注及文字说明,是否有明显的图纸错误,施工工艺可行性。
设计部制图规定一:基本设置要求1.图框1.1图幅1.2标题栏图框已经制成标准图块。
2 比例3.字体3.1 字高a、图面字高应严格采用3.5、7mm(图幅里的图名)等2类字高,高宽比设定为0.7;b、汉字字高应不小于3.5mm,英文字符与数字高度应不小于2.5mm;c、设计说明部分采用3.5mm字高,尺寸标注采用2.5mm字高。
即模型字高为700mm,采用1:200比例,布局字高即为3.5mm, 模型字高为350mm,采用1:100比例,布局字高也为3.5mm。
3.2 字间距及行距字间距宜使用标准字间距,行间距宜采用1.5倍行距。
3.3 字体标准图内及说明的字体要求统一选用LLR(领路人,宋体),使用字体类型定为宋体。
二:图层管理根据图纸模板,管理图层三:图纸顺序1:图纸顺序如下:1 封面2图纸目录3 设计说明4 系统图5 平面图(附图例表)6 立面图(附图例表)7 节点图2:设计说明要点:用统一的设计说明四:管线敷设方式线路标注a-b(c×d)-e-fa:线路编号b:电缆或导线型号c:导线或芯线数d:导线截面积(mm2)e:敷设方式f:安装部位例:配电箱编号-回路编号-线缆型号-管材型号-敷设方式AL1-N1-WDZA YJY3*4-SC20(或线槽、桥架)-FC导线敷设方式的标注:导线敷设部位的标注:六:其他注意事项1:管子一般选用原则1〉室内一般选用JDG管、暗敷。
2〉室外一般选用PC或SC管。
优先采用PC。
3〉出户管一般选用RC管。
埋深-700mm。
出散水坡1000mm。
2:图纸中的文字一般同类型的说明或标注应一致。
大小应有设计原则。
设计工作室工程制图规范2009版第一章、总则1.建筑装饰设计工程图是指导建筑装饰工程施工、工程监理的依据,对设计质量负有相应的技术和法律责任。
2.为完善设计工作室施工图纸,保证制图质量,提高制图效率,做到制图规范、图面清晰、简明,符合设计、施工、监理、竣工、存档的要求,绘制优秀的施工图,制定本统一规范。
3.本统一规范是欢乐佳园设计工作室设计制图的基本规定,适用于建筑装饰总图、建筑、结构、给排水、暖通空调、电气等各专业制图。
4.本规范适用于手工制图、计算机制图。
5.本规范适用于各专业下列建筑装饰室内设计工程制图:①新建、改建、扩建工程的各设计方案和施工图阶段设计图及竣工图;②原有建筑物、构筑物和总平面的实测图;③建筑装饰室内设计通用设计图、标准设计图。
6.建筑装饰室内设计制图,除应符合本规范外,还应符合国家现行有关强制性标准的规定以及各有关专业的制图标准。
1.《住宅设计规范》GB50096-19992.《民用建筑照明设计规范》GBJ133;3.《城镇燃气设计规范》(GB50028-93)4.《民用建筑设计通则》JGJ37;5.《民用建筑隔声设计规范》GBJ118第二章、制图要求1.设计工作室所有施工项目须由绘图部绘制施工图纸;2.除成品外,所有施工构件均应有三视图(平、立、剖)图;3.所有装修项目均应有基础材质、饰面材质标注;标注颜色,油漆色号可另附定色单;5.方案所有图纸及资料若设计修改后,须重新请客户签字确认。
第三章、图纸幅面规格与编排顺序第一节图纸幅面1.图纸的幅面及图框尺寸,应符合表3.1的规定。
表3.12.需要微缩或复制的图纸,需附有比例尺,四边均应有对中标志,线宽0.3mm,伸入图框内5mm。
3.一般图纸采用短边作垂直边即横式,必要时方采用短边作水平边即立式。
4.一套图纸不得采用多于两种幅面。
5.公装工程的设计修改通知单采用A3幅面,家装工程的工程图纸、效果图、设计修改图等全部采用A4幅面。
图规范一、文件管理首先,我们第一件要做的事情是在我们的D盘里建一个文件包,文件包名称为“金螳螂”。
我们所做的所有文件都必需保存在该文件包里。
每个项目要写清楚项目名称。
便于查找。
二、CAD画图方法为了提高我们的做图速度。
CAD图框要用1/1的在图纸空间里加,绝不永许在模型空间里加。
要很好地利用视口等相关命令。
以后再出现在模型空间里加图框,视同没做!三、完整(不能出现低级错误)什么叫完整?这里拿一张图来说明。
完整首先是保证图纸本身没有错误,在保证图纸本身没有错误的前提下有以下几个很容易忽略的问题,我们称之为低级错误:1) 图框,每个方案做图之前首先要做的是做一个1/1的图框。
图框内的所有内容必需准确无误。
图框内的项目名称、图名、设计单位、日期、项目负责人、主任设计师、设计师、制图人、比例、图号。
以上10个内容必需填写且字体大小统一标准!责任到人。
每做一张图,首先要检查一下这些内容是否正确。
具体细节见附图绿色标记位置:YANJINGHOTELBEIJ11北京燕京饭店2) 图纸本身的文字标注、尺寸标注及其标注箭头所指的点要准确无误,文字标注本身的引线不得和图纸造型线重复。
文字及尺寸标注本身不得相互叠加。
文字及尺寸标注本身是否正确?改图时要特别注意以上问题。
3) 图纸下面的图名要写清楚,该图名也要在图纸空间里标。
比例为1/1。
标准见附图:4)图例:每张系统图左下角必须有个图例,见附图:5)每个尺寸标注必须是整数。
除了特殊剖面详图外。
四、施工图制图要点(1)、打印线型粗细设置:红色1:0.5;黄色2:0.35;绿色3:0.15;紫色6及黑色7:0.25;其它都是0.1;9好灰淡显50(一般用于系统图当中的柱和墙体填充)。
(2)、字体统一用黑体,统一字库,统一填充。
(拷贝)(3)、要分图层,具体分多少在以下内容详细写出。
系统图:系统图当中的每一张图都有其侧重点(一)平面图:无论何种方案,平面图的重点是功能区划分,每个功能区之间的关系及其动线流向。
建筑设计制图规范建筑设计制图规范是为了保证建筑设计过程中的图纸编制规范化、标准化,确保设计图纸的质量和准确性。
它是建筑设计过程中的重要组成部分,对于各个专业的工程师、设计师和施工方都具有重要的指导意义。
下面是关于建筑设计制图规范的一些要点:1. 图幅和比例尺的选择:建筑设计图纸的图幅应根据项目的规模和要求来选择,在一定范围内要尽量缩小图纸的规格。
常用的图幅包括A0、A1、A2、A3、A4等,比例尺的选择应根据图幅和图纸内容来确定。
2. 图面的布局:图面应以纵向的方式进行布局,上方应标明项目名称、图纸名称和图号等详细信息,下方留出一定的空白区域用于标注图例和注释。
图纸的左侧应标明项目的北方向和比例尺,右侧应标示设计单位、设计人员和审核人员的名称和签名。
3. 图形的绘制:建筑设计图纸中的建筑平面、立面、剖面和细部等图形应按照标准的图形符号和线型进行绘制。
图形符号和线型的选择应符合国家标准,并根据具体需求进行适当的调整。
绘图的笔触要流畅、连续,避免出现断线、断笔现象。
4. 字体和文字的标注:建筑设计图纸中的字体应选用标准的工程字体,字体的尺寸、间距和粗细应适合图纸的比例尺。
文字的标注应符合国家标准和规范要求,在标准的文字排列格式基础上,要注意文字的对齐、居中和对称等布局。
5. 标志和图例的设置:建筑设计图纸中的标志和图例应清晰、明确,能够准确地表示图纸的内容和意图。
标志和图例的颜色要与图纸的背景色进行对比,保证其能够清晰可见。
图例的内容要包括图纸的编号、名称和比例尺等重要信息。
6. 注释和说明的编写:建筑设计图纸中的注释和说明要简明扼要,准确表达设计和施工要求。
注释和说明的文字要与绘图的线型进行区分,并于相关图形相隔一定距离。
注释和说明要表达的内容包括设计的具体要求、材料的规格和施工的注意事项等。
7. 图纸质量和保存:建筑设计图纸在编制过程中要保证其质量和准确性。
图纸上的尺寸要精确,图形要平衡和比例协调,符号要正确、清晰。
CAD 设计制图规范一、线型设置:1、粗实线: 打印线宽为0.6mm(A2)、0.4(A3)、0.35(A4)。
用途:(1)平、剖面图中被剖切的主要建筑构造(包括构配件)的轮廓线;(2)立面图的外轮廓线;(3)详图轮廓线;(4)平、立、剖面图的剖切符号;(5)立面柱子轮廓线、墙体拐角线、标题第一道线、剖面断折线(用虚线ACAD —IS003W100)2、中粗线: 打印线宽为0.4(A2)、0.25(A3)。
用途:(1)平、剖面图中被剖切的次要建筑构造(包括构配件)的轮廓线;(2)平、剖面图构配件(门窗、家具、造型)的轮廓线;3、中实线: 打印线宽为0.3(A2)、0.2(A3)、0.18(A4)。
用途:立面、顶面、楼梯复杂造型处的主要轮廓线,用于突出图面的造型层次。
4、细实线:打印线宽为0.2(A2)、0.13(A3)。
用途:家具内部线、轴线、索引线、踢脚线(两道线间距10)。
5、特细线: 使用8号或142号线,打印线宽为0.1(A2)、0.05(A3)。
用途:尺寸标注线、文字、填充线(点填充使用中实线)、细部刻画线、标题第二道线。
6、中虚线:使用2号黄色线,打印线宽为0.3(A2)、0.2(A3)。
用途:不可见轮廓线,如:暗藏日光灯管等;(用虚线ACAD—IS003W100)7、细单点长划线:使用5号蓝色线,打印线宽为0.1(A2)、0.05(A3、A4)。
用途:中心线、对称线、定位轴线(无打印属性)8、折断线:使用2号黄色线;打印线宽为0.25(A4)、0.3(A2)、0.2(A3)。
用途:不需画全的轮廓界线,如:楼梯折断线等二、图层设置:图层线型的用法及打印样式设置。
图层一般配合线型使用,室内设计常用图层有:a墙体、b门窗、c台阶踏步(楼梯)、d、室内家具、e室内隔墙、f、吊顶、g文字及标注、h填充图案、i室内电器及灯具、j地面材质分割等。
这10种图层对应的线型一般为下表:图层线宽颜色图层线宽颜色A2 A3 A4 A2 A3 A4墙体0.6 0.4 0.35 1号红室内隔墙0.4 0.35 0.25 40号门窗0.4 0.2 0.18 4号青文字及标注0.1 0.08 0.05 142号台阶踏步0.4 0.25 0.20 2号黄填充图案0.1 0.05 0.05 8号室内家具0.2 0.18 0.15 13号室内电器0.2 0.15 0.13 21号吊顶0.25 0.2 0.18 125号地面材质0.2 0.15 0.13 45号三、打印样式设置:打印样式按颜色相关打印样式进行设置。
设计制图规范1.总则1.1、目的1.1.1规范化--有效提高装饰设计的工作质量;1.1.2标准化--提高装饰设计的工作效率;1.1.3网络化--便于网络上规范化管理和成果的共享。
1.2、适用范围1.2.1本规范适用于我公司所有工程项目的工程制图和CAD制图。
1.2.2本规范所指施工图纸为:平面图、顶面图、立面图、构造结点图、配套装置家具图及水工电工改造图等。
1.3、工作风格1.3.1本规范为公司绘图表达的风格的统一,不提倡个人绘图表达风格。
工程制图严格遵照国家有关建筑制图规范制图,制图的表达应清晰、完整、所有图面的表达方式均保持一致。
1.4、依据1.4.1本规范的基本依据是GB/T50001-----2001《房屋建筑制图统一标准》,如有相驳之处,则以GB/T50001-----2001《房屋建筑制图统一标准》为准。
2.图纸排序2.1 施工图编排顺序:1、图封面2、设计说明3、图纸目录4、装饰施工图(平面图、顶面图、立面图、剖面图、构造节点图、详图)5、给水平面改造施工图,排水平面改造施工图6、电气改造施工图3.字体3.1 图纸字体:除投标及其特殊情况外,均应采取以下字体文件,尽量不使用TureType字体,以加快图形的显示,缩小图形文件。
同一图形文件内字型数目不要超过四种。
以下字体形文件为标准字体,将其放置在CAD软件的FONTS目录中即可。
Romans.shx(西文花体)、romand.shx(西文花体)、bold.shx(西文黑体)、txt.shx(西文单线体)、simpelx(西文单线体)、st64f.shx(汉字宋体)、ht64f.shx(汉字黑体)、kt64f.shx(汉字楷体)、fs64f.shx(汉字仿宋)、hztxt.shx(汉字单线)。
3.2 汉字字型优先考虑采用hztxt.shx和hzst.shx;西文优先考虑romans.shx和simplex 或txt.shx。
3.3文字标注均为黑体,图名标注文字高度为:绘图比例×5,所用装饰材料及施工要点均要标示明确,且标示文字高度为:绘图比例×2,图名标注下划线分别为0.4mm粗实线与0.07mm细实线。
设计制图规范设计师制图必须依照《设计制图规范》执行,不允许私自更改设定。
方案图及施工图设计必须符合出图规范,线型线层不得混用;输出图纸应图面清晰、美观;不得有重复线条、叠线等。
1.总则1.1、目的1.1.1规范化--有效提高室内设计的工作质量;1.1.2标准化--提高室内设计的工作效率;1.1.3网络化--便于网络上规范化管理和成果的共享。
1.2、适用范围1.2.1本规范适用于所有工程项目的工程制图。
1.2.2本规范所指施工图纸为:平面图、顶面图、立面图、构造节点图、配套装饰及家具图及水电工程改造图等。
1.3、工作风格1.3.1本规范为绘图风格的统一标准。
不提倡个人绘图风格。
工程制图严格遵照相关规范制图。
制图的表达应清晰、完整、所有图面的表达方式均保持一致。
1.4、依据1.4.1本规范的基本依据是GB/T50001-----2001《房屋建筑制图统一标准》。
2.图名图名采用:工程地址+顾客姓先生(女士)+雅居如东方花都2栋2单元601张先生雅居3.图纸排序3. 1 设计文件要符合设计文件编制内容格式的要求,完整齐全,尽量减少一般性的错、漏,避免各专业间配合上的矛盾、脱节或重复;设计说明应充分表达设计意图及设计理念及对主要材料的说明,文字精练;3.2 方案设计图编排顺序1、图纸封面2、平面方案图3、手绘透视或手绘主立面3.3 施工图编排顺序:1、图纸封面2、设计说明3、图纸目录4、装饰施工图(平面图、顶面图、立面图、剖面图、构造节点图、详图)5、给水平面改造施工图,排水平面改造施工图6、电气改造施工图(强电线路图、弱电线路图、开关布线图)4.图幅及格式4.1图纸幅面:正式图纸图幅以A3图纸为主;样稿为A44.2图纸的格式:采用横向格式,式样详见“中心图框.dwg”4.3图标栏需注明图名、出图日期等相关内容。
5.字体5.1除标准图框外,应用字体为宋体(4号色);标注数字为黑体(4号色);图名标注用黑体(4号色);字高依据图面情况而定,以尺寸比例合宜为准。
∙(一)、基本要求 1.所有设计室出的图纸都要配备图纸封皮、图纸说明、图纸目录。
A.图纸封皮须注明工程名称、图纸类别(施工图、竣工图、方案图)、制图日期。
B.图纸说明须对工程进一步说明工程概况、工程名 ...∙∙(一)、基本要求1.所有设计室出的图纸都要配备图纸封皮、图纸说明、图纸目录。
A.图纸封皮须注明工程名称、图纸类别(施工图、竣工图、方案图)、制图日期。
B.图纸说明须对工程进一步说明工程概况、工程名称、建设单位、施工单位、设计单位或建筑设计单位等。
2.每张图纸须编制图名、图号、比例、时间。
3.打印图纸按需要,比例出图。
(二)、常用(_er4 __chang2 yong4)制图方式。
一、常用比例1:1 1:2 1:3 1:4 1:5 1:6 1:10 1:15 1:201:25 1:30 1:401:50 1:60 1:80 1:100 1:150 1:200 1:250 1:300 1:400 1:500 二、线型1.粗实线:0.3mm1.平、剖面图中被剖切的主要建筑构造的轮廓(建筑平面图)2.室内外立面图的轮廓。
3.建筑装饰构造详图的建筑物表面线。
2.中实线:0.15-0.18mm1.平、剖面图中被剖切的次要建筑构造的轮廓线。
2.室内外平顶、立、剖面图中建筑构配件的轮廓线。
3.建筑装饰构造详图及构配件详图中一般轮廓线。
3.细实线:0.1mm1.填充线、尺寸线、尺寸界限、索引符号、标高符号、分格线。
4.细虚线:0.1-0.13mm1.室内平面、顶面图中未剖切到的主要轮廓线。
2.建筑构造及建筑装饰构配件不可见的轮廓线。
3.拟扩建的建筑轮廓线。
4.外开门立面图开门表示方式。
5.细点划线:0.1-0.13mm1.中央线、对称线、定位轴线。
6.细折断线:0.1-0.13mm1.不需画全的断开界线。
三、打印出图笔号1-10号线宽设置1号红色 0.1mm 6号紫色 0.1-0.13mm2号黄色 0.1-0.13mm 7号白色 0.1-0.13mm3号绿色 0.1-0.13mm 8.9号灰色 0.05-0.1mm4号浅兰色 0.15-0.18mm 10号红色 0.6-1mm5号深兰色 0.3-0.4mm10号特粗线: 1.立面地坪线2.索引剖切符号3.图标上线4.索引图标中表示索(suo yin tu biao zhong biao shi suo)引图在本图的短线三、剖切索引符号1. m: ø12mm(在A0、A1、A2、图纸)2. m: ø10mm(在A3、A4图纸)3. 特粗线到索引线为剖视方悟4. A: 字高5mm(在A0、A1、A2、图纸)字高4mm(在A3、A4图纸)5. B-01:字高3mm(在A0、A1、A2、图纸)字高2.5mm(在A3、A4图纸)6. A为索引图号,B-01为索引图纸号,B-01为“ ”表示索引在本图四、平、(si4 _ping2 _)立面索引符号1.m: ø12mm(在A0、A1、A2图纸)2.m: ø10mm(在A3、A4图纸)3.A1-A4:字高4mm(在A0、A1、A2图纸)字高3mm(在A3、A4图纸)4.B-01--B-04:字高2.5mm(在A0、A1、A2图纸)字高2mm(在A3、A4图纸)5.箭头为视图方悟。
设计制图规范制图规范是指在绘制工程制图过程中,按照一定的标准和要求,确保图纸质量、准确性和规范性的一系列操作步骤和规则。
下面将为大家介绍一份制图规范,包括制图的分类、图纸的准备、标注的规范等内容。
一、制图分类1. 机械制图:用于机械产品的立体形状表达和产品装配关系。
2. 电气制图:用于电气设备和电线电路的设计和布线。
3. 结构制图:用于建筑和其他结构的平面布置和立面表达。
4. 工艺制图:用于工艺流程、装配工艺和操作说明的绘制。
5. 土建制图:用于地形、土木工程和场地布置的设计图。
二、图纸的准备1. 使用标准图纸:根据制图类别选择相应的标准图纸,例如A4、A3、A2等。
2. 图纸抬头:包括工程名称、图纸类别、比例尺、制图日期等基本信息。
3. 图框:在图纸的四周留有一定的空白区域,用于标注图纸名称、比例尺等附加信息。
4. 标题栏:位于图框之上,用于标注工程名称、单位名称等信息。
5. 比例尺:根据实际情况确定图纸的绘图比例。
三、标注的规范1. 标注的字体:使用技术字体,字号应适中,确保标注清晰可读。
2. 标注的位置:标注应与被标注对象关联,位置应明确且不影响图纸的整体效果。
3. 标注的内容:标注应表达准确、简明扼要,不出现矛盾和歧义。
4. 标注的方式:标注应采用文字标注和标记符号相结合的方式,确保清晰明了。
5. 尺寸标注:尺寸应标注在视图之外,不得覆盖视图,尺寸标注之间要避免重叠。
四、绘图的规范1. 绘图比例:根据实际需要选择合适的绘图比例,确保图纸的精确度和可读性。
2. 绘图线条:使用合适的线宽和线型,如实线、虚线等,线条清晰、连续、平滑。
3. 绘图符号:使用规范的符号和标记,符合国家和行业标准,确保相同符号具有相同含义。
4. 绘图精度:绘图按照要求进行放大、缩小、平移、旋转等操作时,应保持图纸的准确性。
5. 绘制标准:按照规范要求绘制图纸,包括图纸的比例、标注、线条、图例等方面。
五、图纸审核与审查1. 审查标准:按照工程要求和制图规范进行审查,确保图纸的准确性和合理性。
制图规范一、文件管理首先,我们第一件要做的事情是在我们的D盘里建一个文件包,文件包名称为“金螳螂”。
我们所做的所有文件都必需保存在该文件包里。
每个项目要写清楚项目名称。
便于查找。
二、 CAD画图方法为了提高我们的做图速度。
CAD图框要用1/1的在图纸空间里加,绝不永许在模型空间里加。
要很好地利用视口等相关命令。
以后再出现在模型空间里加图框,视同没做!三、完整(不能出现低级错误)什么叫完整?这里拿一张图来说明。
完整首先是保证图纸本身没有错误,在保证图纸本身没有错误的前提下有以下几个很容易忽略的问题,我们称之为低级错误:1)图框,每个方案做图之前首先要做的是做一个1/1的图框。
图框内的所有内容必需准确无误。
图框内的项目名称、图名、设计单位、日期、项目负责人、主任设计师、设计师、制图人、比例、图号。
以上10个内容必需填写且字体大小统一标准!责任到人。
每做一张图,首先要检查一下这些内容是否正确。
具体细节见附图绿色标记位置:2)图纸本身的文字标注、尺寸标注及其标注箭头所指的点要准确无误,文字标注本身的引线不得和图纸造型线重复。
文字及尺寸标注本身不得相互叠加。
文字及尺寸标注本身是否正确?改图时要特别注意以上问题。
3)图纸下面的图名要写清楚,该图名也要在图纸空间里标。
比例为1/1。
标准见附图:4)图例:每张系统图左下角必须有个图例,见附图:5)每个尺寸标注必须是整数。
除了特殊剖面详图外。
四、施工图制图要点(1)、打印线型粗细设置:红色1:0.5;黄色2:0.35;绿色3:0.15;紫色6及黑色7:0.25;其它都是0.1;9好灰淡显50(一般用于系统图当中的柱和墙体填充)。
(2)、字体统一用黑体,统一字库,统一填充。
(拷贝)(3)、要分图层,具体分多少在以下内容详细写出。
系统图:系统图当中的每一张图都有其侧重点(一)平面图:无论何种方案,平面图的重点是功能区划分,每个功能区之间的关系及其动线流向。
是设计师表现其设计思想的一个非常重要的途径。
目录一、规范目的 (2)二、图纸、图框、比例规定 (2)(一)、图纸选择 (2)(二)、图框选择 (2)(三)、制图比例选择 (3)三、图线规定 (3)四、标注 (4)五、图例、文字说明 (4)六、制图规范 (5)(一)、图例规范 (5)(二)、布局规范 (5)公司图纸规范一、规范目的◆统一制图框架、线形、图例及字体。
◆参考国家制图标准,改善制图质量。
◆保证制图质量,提高制图效率,做到图面清晰、简明,符合设计、施工、存档的要求,适应工程建设的需要,制定本标准。
二、图纸、图框、比例规定(一)、图纸选择制图图纸根据筑面积大小而定,图纸的选择如表2-1所示:表2-1(二)、图框选择图框根据图纸比例或要求,图框缩放以比例大小缩放。
如表2-2所示。
表2-2(单位毫米)◆公司图框使用统一图框,见附件:公司图框。
(三)、制图比例选择制图比例如表2-3所示:表2-3三、图线规定◆根据设计专业的不同,设计时根据不同专业设置线形的粗细,具体规定如表3-1所示:表3-1◆由甲方提供或设计所提供的图纸,根据需要提出相应的建筑框架,框架颜色统一更改为9号或7号(白色)颜色,其余不需要的图层一律删除。
◆设置时,统一采用粗线、中粗线和细线的宽度比率为4:2:1的制图方式。
◆同一张图纸当中设计的线形分为实线、虚线、点划线线及双点划线,一般用图如表3-2所示:表3-2◆工程设计图中通常只选用两种宽度的图线,粗线宽度为细线宽度的两倍。
对复杂的图也可采用粗、中、细三种线宽,线的宽度按2的倍数依次递增。
图线宽度一般从以下系列中选用:0.25、0.35、0.5、0.7、1.0、1.4毫米。
当需要区分新旧内容时,粗线表示新建、细线表示原有设施、虚线表示规划预留部分。
四、标注◆标注字体一般以“仿宋体”为主。
◆标注斜线分为建筑粗斜线与斜线为主。
五、图例、文字说明◆图例根据设计文本及图例集的要求设计各专业点线图。
◆工程设计图中的文字应排列整齐、间隔均匀。
设计制图规范一、说明1、为了统一制图规则,保证出图质量,提高制图效率,做到图面清晰、简明、符合设计、施工、存档的要求,适应施工需要,特制定本标准。
2、本标准适用于计算机和手工制图。
3、本标准适用于总图、建筑、结构、植物配置、大样图、给排水、电气等专业。
4、本标准适用以下工程:城市广场设计、高档社区、风景名胜区、道路景观设计。
5、为便于执行本标准条文时区别对待,对要求严格程度不同的用词,说明如下:1)表示很严格,非这样做不可的用词:正面词采用“必须”;反面词采用“严禁”。
2)表示严格,在正常情况下均应这样做的用词:正面词采用“应”;反面词采用“不应”或“不得”。
3)表示允许稍有选择,在条件许可时首先应这样做的用词:正面词采用“宜”;反面词采用“不宜”。
表示有选择,在一定条件下可以这样做的用词,采用“可”。
5)本标准中指定按其他有关标准执行时,写法为“应符合……的规定”或“应按……执行”。
6、本规范只适用于中国市政工程西南市政设计研究院建筑与景观设计室。
二、图纸规格1、图纸规格(mm):a0(841x1189),长边加长后:1486(1/4),1635(1/2),1783(3/4),1932(1)。
a1(594x841),长边加长后:1051,1261,1471,1682。
a2(420x594),长边加长后:743,891,1041,1189。
a3(297x420),长边加长后:630,841,1051,1261。
2、一个工程设计中,幅面以a2为基准,不宜多于两种幅面。
三、图线1、粗点划线宽度为1b,用于总图规划红线。
2、细点划线宽度为0.25b,用于中心线、对称线。
3、粗实线宽度为0.5b-1b,用于剖面线、主要轮廓线、剖切符号。
4、中粗实线宽度为0.25b-0.5b,用于可见轮廓线、图例线。
5、细实线宽度为0.25b以下,用于可见轮廓线、图例线。
6、粗虚线宽度为0.5b-1b,用于主要不可见轮廓线、图例线。
设计工作室工程制图规范
2009版
第一章、总则
1.建筑装饰设计工程图是指导建筑装饰工程施工、工程监理的依据,对设计质量负有相应的技术和法律责任。
2.为完善设计工作室施工图纸,保证制图质量,提高制图效率,做到制图规范、图面清晰、简明,符合设计、施工、监理、竣工、存档的要求,绘制优秀的施工图,制定本统一规范。
3.本统一规范是欢乐佳园设计工作室设计制图的基本规定,适用于建筑装饰总图、建筑、结构、给排水、暖通空调、电气等各专业制图。
4.本规范适用于手工制图、计算机制图。
5.本规范适用于各专业下列建筑装饰室内设计工程制图:
①新建、改建、扩建工程的各设计方案和施工图阶段设计图及竣工图;
②原有建筑物、构筑物和总平面的实测图;
③建筑装饰室内设计通用设计图、标准设计图。
6.建筑装饰室内设计制图,除应符合本规范外,还应符合国家现行有关强制性标准的规定以及各有关专业的制图标准。
1.《住宅设计规范》GB50096-1999
2.《民用建筑照明设计规范》GBJ133;
3.《城镇燃气设计规范》(GB50028-93)
4.《民用建筑设计通则》JGJ37;
5.《民用建筑隔声设计规范》GBJ118
第二章、制图要求
1.设计工作室所有施工项目须由绘图部绘制施工图纸;
2.除成品外,所有施工构件均应有三视图(平、立、剖)图;
3.所有装修项目均应有基础材质、饰面材质标注;
4.油漆项目必须标注类型(例如:本色清漆、白色混油、有色半开放漆等),混油须
标注颜色,油漆色号可另附定色单;
5.方案所有图纸及资料若设计修改后,须重新请客户签字确认。
第三章、图纸幅面规格与编排顺序
第一节图纸幅面
1.图纸的幅面及图框尺寸,应符合表3.1的规定。
表3.1
2.需要微缩或复制的图纸,需附有比例尺,四边均应有对中标志,线宽0.3mm,伸入
图框内5mm。
3.一般图纸采用短边作垂直边即横式,必要时方采用短边作水平边即立式。
4.一套图纸不得采用多于两种幅面。
5.公装工程的设计修改通知单采用A3幅面,家装工程的工程图纸、效果图、设计修
改图等全部采用A4幅面。
第二节标题和会签栏
1、图纸标题栏、会签栏、装订边的位置,应按附CAD图框格式。
2、A3图纸中签字部分字高125,其余标题栏中文字号100,其余标题栏英文字号100,
均为仿宋GB2312字体。
3、所有会签栏内容均需填写清楚,至少需要有设计师、监察部、客户三级签字,超过8万以上的施工工程须有工程队长在图纸目录栏签字确认。
第三节图纸编排顺序
1.欢乐佳园设计工作室工程图纸应按主次关系、系统排序。
2.欢乐佳园设计工作室工程图纸效果图采用100克以上(含100克)喷墨专用纸打印,
其他采用70克以上(含70克)复印纸打印。
3.编排顺序为:
①封面:项目名称、客户姓名、欢乐佳园全称、标志、设计师、编制时间。
②图纸目录:按照顺序:原始平面图-土建改造图-平面布置图-天花布置图-地面铺设
2。