电子纸工作原理
- 格式:docx
- 大小:67.68 KB
- 文档页数:3
一种电子纸的驱动电路、驱动方法及电子纸与流程1.引言电子纸是一种具有较高对比度、无需背光的新型显示技术。
它可以模拟纸张的特性,具有低功耗和更自然的阅读体验。
为了实现电子纸的高效驱动、减少功耗,并提供更好的用户体验,本文介绍了一种电子纸的驱动电路、驱动方法及电子纸与流程。
2.电子纸的驱动电路2.1 电子纸的基本工作原理电子纸由许多微小的颗粒组成,这些颗粒可以在电场的作用下改变位置,从而改变其反射光的亮度。
电子纸的基本工作原理是通过对这些颗粒的控制,达到显示的效果。
2.2 驱动电路的设计要求电子纸的驱动电路需要满足以下几个要求: - 高效驱动:能够快速刷新电子纸的显示内容,以实现流畅的图像变化。
- 低功耗:由于电子纸是一种被动显示技术,驱动电路应尽可能降低功耗,延长电池使用寿命。
- 稳定可靠:驱动电路需要具有稳定的输出信号,以确保电子纸显示的准确性和一致性。
2.3 驱动电路的实现驱动电路通常由以下几个部分组成: - 控制逻辑:用于接收显示数据,并将其转化为控制信号。
控制逻辑应该能够快速响应用户的操作,并能够实现高效的数据传输。
- 电压转换器:负责提供适合电子纸工作的电压,并确保电压的稳定性。
- 时钟发生器:用于提供驱动信号的时钟,以确保数据的准确传输和显示的同步性。
3.电子纸的驱动方法3.1 像素级驱动像素级驱动是一种常用的电子纸驱动方法。
它通过控制每个像素点的状态,实现显示内容的改变。
具体步骤包括: 1. 扫描每个像素点的状态。
2. 根据显示数据,刷新需要改变的像素点。
3. 通过电场作用,改变像素点的颗粒位置,实现显示内容的变化。
3.2 行驱动与列驱动行驱动与列驱动是常见的电子纸驱动方法。
它们通过分别控制行和列,实现像素点的刷新。
具体步骤如下: 1. 行驱动:逐行刷新显示内容,每行的像素点根据对应的显示数据改变。
2. 列驱动:逐列刷新显示内容,每列的像素点根据对应的显示数据改变。
4.电子纸的制作流程4.1 材料准备电子纸的制作需要以下材料: - 导电材料:用于驱动电路的制作。
彩色电子纸彩色电子纸:一种革命性的显示技术引言随着科技的不断进步,显示技术也在不断发展和创新。
彩色电子纸作为一种革命性的显示技术,已经在许多领域得到广泛运用,比如电子阅读器、智能手表、电子标签等。
本文将探讨彩色电子纸的工作原理、应用领域以及未来发展前景。
一、工作原理彩色电子纸的工作原理基于电荷调制,通过对底层的红、绿、蓝颜料粒子施加电荷,使其在显示屏上呈现出彩色图像。
彩色电子纸的核心是微小的彩色颗粒,这些颗粒内含有红、绿、蓝三种颜料,每种颜料又包括有机染料和电荷控制材料。
当外界的电压施加到彩色电子纸上时,电场会改变颗粒内部颜料的位置,从而改变颜色的显示。
通过控制电场的大小和方向,可以实现不同颜色的显示。
由于彩色电子纸工作时不需要背光源,所以它具备了非常低的功耗,非常适合用于电子阅读器等长时间阅读的场景。
二、应用领域1. 电子阅读器彩色电子纸是电子阅读器的核心技术之一。
与传统的液晶显示屏相比,彩色电子纸具备更高的阅读舒适度和更低的能耗。
阅读器使用彩色电子纸能够实现逼真的彩色显示效果,使阅读体验更接近于纸质书籍。
此外,由于电子纸可以在阳光下清晰可见,因此在户外使用也非常方便。
2. 智能手表随着智能手表的普及,彩色电子纸也逐渐应用到了手表领域。
彩色电子纸在智能手表上的应用主要体现在显示效果和能耗上。
彩色电子纸的显示效果更加细腻,可以呈现出多种颜色,让手表界面更加生动。
而且彩色电子纸的低功耗使得智能手表电池续航时间得到大幅度提升。
3. 电子标签电子标签广泛应用于超市、仓库等行业。
彩色电子纸的应用为电子标签带来了更多的信息展示能力。
不仅可以显示产品名称、价格等基本信息,还可以在标签上显示产品图片、促销信息等,提升产品的吸引力和宣传效果。
同时,电子标签的动态更新性也能够更好地满足企业的管理需求。
三、未来发展前景随着科技的不断进步,彩色电子纸的发展前景非常广阔。
未来,彩色电子纸将持续提升显示效果,实现更高的分辨率和更广的色彩范围,使得图像更加逼真。
电子阅读器工作原理电子阅读器,也被称为电子书阅读器或电子纸显示器,是一种专为电子阅读而设计的移动设备。
与传统纸质书籍相比,电子阅读器具有便携性、存储大容量、可调节亮度等优势。
那么,电子阅读器的工作原理究竟是怎样的呢?本文将深入探讨电子阅读器的工作原理。
一、电子墨水技术电子阅读器的核心技术之一是电子墨水技术,也被称为电子纸技术。
电子墨水是一种能够反射光线,模拟纸质书籍的显示效果的技术。
它由微胶囊和电荷调控层组成。
微胶囊内含有带正电荷的白色颗粒和带负电荷的黑色颗粒,通过控制电荷的变化,实现显示效果。
具体来说,当施加正电荷时,带正电荷的白色颗粒移向表面,形成白色的反射效果;而带负电荷的黑色颗粒则被吸引到深层,不产生反射。
相反,当施加负电荷时,黑色颗粒移向表面,形成黑色的反射效果;而白色颗粒则被吸引到深层。
通过在不同区域施加不同电荷,电子墨水可以显示出文字和图像。
而且,电子墨水的反射效果不会因为光照强度的变化而改变,所以电子阅读器在阳光下依然可读,且耗电量较低。
二、电子阅读器的屏幕类型电子阅读器的屏幕类型主要有电子墨水屏和液晶屏两种。
1. 电子墨水屏电子墨水屏是电子阅读器最常见的屏幕类型。
它通过电子墨水技术实现显示效果,具有较高的对比度和接近纸质书籍的阅读体验。
而且,电子墨水屏没有背光灯,不会对眼睛产生刺激,能够长时间阅读而不感到疲劳。
然而,电子墨水屏的刷新速度较慢,不适合播放动画和视频等需要快速切换画面的内容。
此外,电子墨水屏的灰度级别有限,无法显示真正的彩色效果。
2. 液晶屏液晶屏是一种常见的显示屏类型,广泛应用于智能手机和平板电脑等设备中。
与电子墨水屏相比,液晶屏能够实现更高的刷新率和丰富的彩色效果。
它可以播放视频、动画等多媒体内容。
然而,液晶屏需要背光灯来照亮显示画面,因此在阳光下可读性较差。
同时,长时间阅读液晶屏可能会对眼睛造成疲劳。
三、电子阅读器的硬件结构电子阅读器的硬件结构主要包括处理器、内存、存储器、显示屏、电池和操作系统等组件。
电子纸研究报告目录一、基础概念 (2)1、电子纸是什么 (2)2、电子纸分类 (2)3、电子纸技术原理 (3)4、电子纸显示的优劣势 (4)二、电子纸产品结构和技术路线 (5)1、产品结构 (5)2、技术路线 (5)(1)微胶囊电泳式(应用最广) (6)(2)胆固醇液晶式 (6)(3)微杯电泳式 (7)(4)电子粉流体 (7)(5)MEMS式 (8)(6)电湿润式 (8)(7)电致变色式 (9)三、电子纸市场 (9)1、产业链 (9)2、市场规模 (10)3、上游主要厂商 (10)(1)电子墨水 (10)(2)驱动IC (11)4、中游主要厂商 (12)5、下游主要厂商 (12)6、市场主流终端产品 (13)(1)阅读器 (13)(2)电子价签 (14)四、电子纸应用场景分析 (15)1、阅读器 (15)2、电子价签 (16)3、智能家居 (17)4、数码标牌和广告牌 (17)一、基础概念1、电子纸是什么电子纸(E-paper)是一种新型的显示技术,通过电场控制微小的黑白微珠或颜色微囊来显示文字和图像。
相比传统的液晶显示屏和LED显示屏,电子纸有着更加逼真的显示效果、更加节能的特点以及更加适合阅读和观看长时间的内容。
电子纸被广泛应用于电子阅读器、智能手机和平板电脑、数码标牌和广告牌、智能家居和物联网等领域。
2、电子纸分类反射式电子纸(Reflective E-paper):这是电子纸的最常见和最基本的形式,也是电子纸最早被广泛应用的形式。
反射式电子纸使用微小的黑白微珠或颜色微囊来显示图像,这些微珠或微囊可以反射周围的光线来显示图像。
由于这种电子纸不需要背光,因此它的能耗非常低,可以持续较长时间的显示。
但是,它的响应速度相对较慢,不太适合需要快速切换的应用场景。
电容式电子纸(Capacitive E-paper):这种电子纸与反射式电子纸类似,但是它使用了更加先进的材料和技术来控制电场,从而提高了响应速度和刷新率。
epd名词解释EPD全称为“电子纸显示技术”,是一种利用电场来控制微小颗粒的位置以显示图像的技术。
它是一种高度可见性、可在无光条件下使用的平板显示技术,具有超低能耗、可替代传统纸张及适合长时间观看等特点。
本文将从EPD的基本工作原理、发展历程、技术核心、应用领域等方面进行详细解释。
一、基本工作原理EPD显示技术的基本原理是电场控制微粒的运动。
在EPD显示屏上,有成千上万的微小颗粒分布在两个电极之间的微胶囊中。
这些颗粒可以具有正电荷和负电荷,在不同极性的电场作用下,可以被吸引或排斥,从而控制微小颗粒的位置。
通过控制电场,可以改变颗粒的位置,从而形成图像。
具体来说,EPD显示屏通常由两层结构组成,一层是透明的触发电极,用于提供电场;另一层是微胶囊层,每个微胶囊中包含着微小颗粒。
微胶囊的外层是非导电的,内层则是导电材料。
通常,外层是白色的,而内层是黑色的。
当触发电极施加电压时,位于对应位置的微胶囊内的微小颗粒会被电场吸引或排斥,从而使对应位置显示为白色或黑色。
通过对触发电极施加不同的电压,可以控制微胶囊内的微小颗粒的位置,进而显示出各种图像。
值得一提的是,EPD技术具有超低能耗的特点。
在显示内容不变的情况下,只需要在切换显示时消耗电能,而在显示内容不变时,不需要再消耗电能。
因此,与传统的液晶显示屏相比,EPD技术能够大大减少能源消耗,达到节能的目的。
二、发展历程EPD技术起源于20世纪70年代的美国。
当时,美国麻省理工学院的物理学家朗·巴尼利(Lung Kee Banny)和菲利普·科本轩(Philip W. Korf)首次提出了使用电场控制微小颗粒的想法,并在1980年代初开始开展实际研究工作。
在接下来的几十年里,EPD技术得到了不断的改进和完善。
1997年,美国的电子纸公司(E Ink Corporation)成立,开始在电子纸领域进行商业化研发。
电子纸公司的成立标志着EPD技术进入了实际应用阶段。
e-paper 原理
电子纸是一种利用电磁感应和电子墨水技术制作的可重复刷新的显示技术。
它的原理是利用电磁感应将电子信号转变为可见的图像。
具体原理如下:1. 电子墨水:电子纸上覆盖着一层由微小的黑白颗粒组成的电子墨水。
这些颗粒包含了正电和负电的颗粒,通过控制颗粒的定位和排列来显示图像。
2. 电磁感应:电子纸上覆盖着一层具有一定导电性的层,这层层称为触发层。
当一个带有电信号的封闭电路接触到触发层上时,会在触发层内产生一个电场。
3. 吸引与排斥:由于电子墨水颗粒带有正电和负电,当电子纸上的触发层受到电场刺激时,颗粒会被吸引或排斥到相应的位置。
当正电信号通过封闭电路传递到触发层时,会吸引负电颗粒,使其向上移动,形成黑色图案。
而当负电信号传递时,会吸引正电颗粒向上移动,形成白色图案。
4. 显示刷新:借助电子纸上的多个像素点和复杂的控制系统,可以通过控制电子信号和电场刺激来刷新显示内容。
一旦图像被形成,电子墨水将保持在该状态,即使没有电源供应,也能够长时间保持显示。
总结来说,电子纸利用电磁感应和电子墨水技术,通过控制电子信号和电场刺激,使电子墨水颗粒在电子纸的表面上移动,从而形成可见的图像。
其特点是可重复刷新,较低功耗和接近纸张的可读性。
电纸书原理电纸书原理解析介绍电纸书,又被称为电子纸书或电子阅读器,是一种专用设备,用于阅读电子文档。
它的出现革命性地改变了人们的阅读方式和习惯。
本文将从浅入深,解释电纸书的原理,让我们深入了解这个神奇的设备。
所需元素电纸书的原理涉及到以下几个主要元素:•电子墨水屏幕:电纸书的核心组成部分是电子墨水屏幕。
它由一系列微小的颗粒组成,这些颗粒在电场作用下能够改变颜色。
电子墨水屏幕具有很高的可视角度,并且可以在无背光的情况下提供清晰可读的显示效果。
•电磁铁和电子字典:电纸书内部还包含了电磁铁以及预装的电子字典。
这些组件帮助用户在阅读过程中进行词汇查询和翻译。
用户可以通过触摸屏幕上的单词或短语,即可查看相关的释义和解释。
•实时操作系统:电纸书内部搭载了一个实时操作系统,通常基于Linux或Android。
这个系统使得电纸书能够高效地处理用户的输入和操作,并提供流畅的页面切换和功能运行。
工作原理电纸书的工作原理如下所示:1.当你打开电纸书并选择一本书时,内部的实时操作系统将立即启动。
2.通过操作系统的控制,电子墨水屏幕上的颗粒被调整为所需的颜色。
这些颗粒的排列形成了文字和图像。
3.当你翻页时,操作系统会检测到你的操作,并通过重新排列颗粒的方式,实现页面的切换。
这一过程是瞬时完成的,因此用户几乎感觉不到页面切换的延迟。
4.如果你想查询某个词汇,你只需在屏幕上用手指轻触该单词。
内部的电磁铁会感知到你的触摸,并将这一信号传送给操作系统。
5.操作系统根据信号将查询请求发送到预装的电子字典中,字典会快速地查找并返回对应的释义和解释。
优点与局限性电纸书的原理带来了许多优点,但也存在一些局限性:优点:•便携性:电纸书的体积轻巧,便于携带,可以容纳数千本书籍,并随时随地进行阅读。
•眼部健康:电纸书采用无背光设计,减少了对眼睛的疲劳和伤害。
•续航能力:电纸书使用电能非常低,仅在页面刷新时消耗电量,因此续航时间非常长,使用体验更为持久。
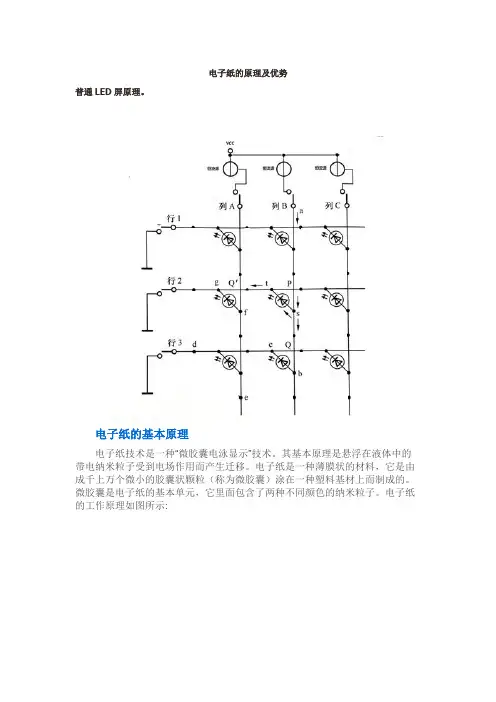
电子纸的原理及优势
普通LED屏原理。
电子纸的基本原理
电子纸技术是一种“微胶囊电泳显示”技术。
其基本原理是悬浮在液体中的带电纳米粒子受到电场作用而产生迁移。
电子纸是一种薄膜状的材料,它是由成千上万个微小的胶囊状颗粒(称为微胶囊)涂在一种塑料基材上而制成的。
微胶囊是电子纸的基本单元,它里面包含了两种不同颜色的纳米粒子。
电子纸的工作原理如图所示:
电子纸基本结构
电子纸显示模组主要由以下材料组成:
电子纸膜片
这是电子纸显示模组的核心材料,负责显示人眼实际看到的图案。
底板
作为电子纸显示屏的像素电极(下电极),用于控制电子纸每个像素的黑白变化。
底板有多种类型可选,包括PCB、FPC、TFT玻璃、PET等,实际应用时可根据具体需求选择不同的底板。
电子纸膜片可通过层压的方式贴合在底板上。
驱动芯片
可根据控制指令和信号产生相应的逻辑电平和时序,用于控制底板每个像素(或段码)的工作时序和状态,并使电子纸能够显示所需图案。
透明保护膜
一种高分子塑料薄膜,具有很强的防水汽透过性。
用层压机将其紧密贴合在电子纸膜片与底板上面,可有效防止水汽侵入电子纸膜片,避免电子纸因受潮而损坏。
封边胶
一种特殊的化学胶水,将其均匀涂在透明保护膜的四周边缘处,起到隔离水汽的作用。
可避免水汽从透明保护膜四周渗入进去而对电子纸膜片造成损坏。
电子书阅读器的显示屏原理随着科技的不断进步,电子书阅读器已成为人们阅读书籍、报纸和杂志的主要方式之一。
电子书阅读器的显示屏技术是其中最核心的部分之一。
本文将介绍电子书阅读器的显示屏原理。
一、电子纸显示屏电子书阅读器常采用的显示屏为电子纸(E Ink)显示屏。
与传统液晶显示屏相比,电子纸显示屏具有更低的功耗和更接近纸张的阅读体验。
1. 电子纸显示原理:电子纸显示屏的核心是由微小颗粒组成的微胶囊。
这些微胶囊中含有黑色和白色的颗粒,分别对应显示屏的黑色和白色像素点。
当施加外部电场时,颗粒的颜色会发生改变,从而实现显示效果。
2. 电子纸显示优势:电子纸显示屏通过反射光的方式工作,而非发光。
这意味着在没有电源供给的情况下,显示内容仍然可以保持,不需要额外的功耗。
同时,电子纸显示屏所需要的电能较低,可以大大延长电子书阅读器的续航时间。
二、电子墨水显示屏电子墨水(electronic ink)也是电子书阅读器中常用的显示屏技术之一。
电子墨水显示屏采用了类似电子纸的显示原理,但具有一些不同之处。
1. 电子墨水显示原理:电子墨水显示屏也是由微胶囊组成,但这些微胶囊内部充填的是黑色和白色的颜料,而非颗粒。
当施加电场时,颜料会在微胶囊内部移动,从而改变显示效果。
2. 电子墨水显示优势:电子墨水显示屏可以实现更高的对比度和更快的响应速度,同时具有更广的可视角度。
这使得电子墨水显示屏在阅读体验方面更接近于纸张,避免了液晶显示屏的背光、闪烁等问题。
三、液晶显示屏除了电子纸和电子墨水显示屏,一些电子书阅读器也采用了液晶显示屏技术。
液晶显示屏广泛应用于智能手机、平板电脑等设备上,它的显示原理与前两者有所不同。
1. 液晶显示原理:液晶显示屏利用液晶分子的电流控制方式来改变像素点的透明度,从而形成图像。
液晶显示屏通过背光源照明来显示内容,因此需要较高的功耗。
2. 液晶显示优势:液晶显示屏可以实现更丰富的色彩表现和更高的刷新率,适合于观看视频、游戏等。
电子纸原理电子纸是一种新型的显示技术,它具有低功耗、易读、可弯曲等特点,被广泛应用于电子书、电子标签、智能手表等领域。
那么,电子纸是如何实现显示的呢?接下来,我们就来了解一下电子纸的原理。
首先,电子纸的显示原理是利用微胶囊悬浮在透明的塑料基板上,这些微胶囊内部充满了黑色和白色的颗粒。
当电子纸需要显示黑色时,电子器件会向微胶囊施加电场,使得白色颗粒向上浮动,从而显示出黑色;相反,当需要显示白色时,电场被去除,黑色颗粒浮动至上方,显示出白色。
这种通过电场控制颗粒位置来实现显示的原理,使得电子纸能够在无电源供应时保持显示状态,大大减少了能耗。
其次,电子纸的显示原理还与反射光的特性有关。
由于电子纸表面的微胶囊是透明的,因此光线能够透过微胶囊并反射出来,而不是被吸收。
这样一来,即使在阳光下,电子纸的显示效果也非常清晰,不会出现背光不足的情况,这也是电子纸在户外阅读场景中备受青睐的原因之一。
此外,电子纸的原理还涉及到了电子墨水的使用。
电子墨水是一种特殊的墨水,它由微小的黑色和白色颗粒组成,这些颗粒会在电场的作用下改变位置,从而实现显示。
与传统的显示技术相比,电子墨水不需要背光源,因此在显示时并不会产生眩光,对眼睛的刺激更小,更符合人们长时间阅读的需求。
综上所述,电子纸的原理主要包括通过电场控制颗粒位置来实现显示、利用反射光的特性实现清晰显示以及使用电子墨水来减少眩光刺激等方面。
这些原理使得电子纸成为一种理想的显示技术,不仅在电子书、电子标签等领域有着广泛的应用,也为未来的柔性显示、可穿戴设备等领域提供了新的可能性。
相信随着技术的不断进步,电子纸将会有更加广泛的应用场景,为人们的生活带来更多的便利。
电子纸工作原理标准化文件发布号:(9312-EUATWW-MWUB-WUNN-INNUL-DQQTY-电子油墨是一种加工成薄膜状的专用材料,与电子显示设备结合在一起使用,是化学、物理学和电子技术的综合应用。
电子油墨由数百万个尺寸极小的微胶囊构成,直径与头发丝相当。
每一个微胶囊中含有白色和黑色颗粒,分别带有正电荷和负电荷,它们悬浮在清洁的液体中。
如图1所示,电子油墨薄膜的顶部是一层透明材料,作为电极端使用;底部是电子油墨的另一个电极,微胶囊夹在这两个电极间。
微胶囊受负电场作用时,白色颗粒带正电荷而移动到微胶囊顶部,相应位置显示为白色;黑色颗粒由于带负电荷而在电场力作用下到达微胶囊底部,使用者不能看到黑色。
如果电场的作用方向相反,则显示效果也相反,即黑色显示,白色隐藏。
可见,只要改变电场作用方向就能在显示黑色和白色间切换,白色部位对应于纸张的未着墨部分,而黑色则对应着纸张上的印刷图文部分。
电子纸 - 电子纸的技术原理电子纸的载体是一张特殊的薄胶片,通过在胶片上"涂"上的一层带电的物质(电子墨),根据内容的不同进行后台控制,通过相应的显示组合以达到内容显示的目的。
电子纸的内核就是一个广义上的IC,整个阅读器则可看作是一个薄薄的内嵌式遥控显示板。
电子墨水就是将带正、负电的诸多黑白粒子,密封于微胶囊内,因施加电场的不同,在监视器表面产生不同的聚集,呈现出黑或白的效果。
商业化程度最好的非液晶电子纸技术是E-Ink的电子墨水技术(电泳式电子纸)。
E-Ink的电子纸由电子墨水及两片基板所组成:第一部分是电子墨水,有时被称为“前基板(front plane)”;二是使电子墨水生成文本和图像所需要的电子设备组合,包括控制部分和显示部分,被称为“背基板(backplane)”。
背基板上面涂有由无数微小的透明颗粒组成的电子墨水,颗粒直径只有人的头发丝的一半大小。
电子墨水是一种加工成薄膜状的专用材料,与电子显示设备结合在一起使用,是化学、物理学和电子技术的综合应用。
EPD 名词解释EPD 是一种电子纸技术,全称为“电子墨水显示屏”(Electronic Paper Display),也被称为电子墨水屏。
EPD 是一种主要用于显示文本和图形的显示技术,它模仿纸张的外观和纸墨渲染的效果,能够提供优秀的阅读体验。
EPD 的工作原理可以简单地解释为在显示屏上使用微小的颗粒来显示图像和文字。
这些微小颗粒包含黑色和白色的电荷。
当外部电场作用于这些颗粒时,它们会在微小的微囊中发生移动,从而产生图像和文字。
EPD 屏幕的特点是不需要背光,只有在刷新时才会消耗能量,因此它可以达到非常低的功耗,使用时也不会对眼睛造成疲劳,这是与传统的液晶显示屏和 LED 显示屏最大的不同之处。
EPD 技术在电子阅读器(如 Kindle)和电子标签(如价签)中得到广泛应用。
由于其出色的阅读体验和低功耗的特点,EPD 屏幕已经成为电子书阅读市场的主流技术。
与传统液晶显示屏相比,EPD 屏幕在直射日光下有更好的可见性,可以清晰显示文字和图像,同时能够提供较长的电池寿命。
这意味着用户可以更长时间地阅读,而不必频繁充电。
另外,EPD 技术也被广泛应用于电子标签领域。
电子标签被广泛用于商品定价和信息显示,例如超市中的价签。
借助 EPD 技术,这些电子标签能够显示清晰的价格和商品信息,并可以实时更新价格和信息,而不需要物理上更换标签。
这大大简化了零售业的价格管理,并提高了操作效率。
总的来说,EPD 技术具有阅读舒适、低功耗、高可见性和可定制性的优点,因此在电子阅读器和电子标签等领域得到了广泛的应用。
随着技术的进一步发展,EPD 屏幕正在不断改进,屏幕刷新速度和灰度范围等方面的改进将进一步提升用户体验,为使用者带来更好的阅读和显示效果。
以上是对 EPD 技术的简要解释,希望对理解 EPD 的原理和应用有所帮助。
电子油墨是一种加工成薄膜状的专用材料,与电子显示设备结合在一起使用,是化学、物理学和电子技术的综合应用。
电子油墨由数百万个尺寸极小的微胶囊构成,直径与头发丝相当。
每一个微胶囊中含有白色和黑色颗粒,分别带有正电荷和负电荷,它们悬浮在清洁的液体中。
如图1所示,电子油墨薄膜的顶部是一层透明材料,作为电极端使用;底部是电子油墨的另一个电极,微胶囊夹在这两个电极间。
微胶囊受负电场作用时,白色颗粒带正电荷而移动到微胶囊顶部,相应位置显示为白色;黑色颗粒由于带负电荷而在电场力作用下到达微胶囊底部,使用者不能看到黑色。
如果电场的作用方向相反,则显示效果也相反,即黑色显示,白色隐藏。
可见,只要改变电场作用方向就能在显示黑色和白色间切换,白色部位对应于纸张的未着墨部分,而黑色则对应着纸张上的印刷图文部分。
电子纸- 电子纸的技术原理
电子纸的载体是一张特殊的薄胶片,通过在胶片上"涂"上的一层带电的物质(电子墨),根据内容的不同进行后台控制,通过相应的显示组合以达到内容显示的目的。
电子纸的内核就是一个广义上的IC,整个阅读器则可看作是一个薄薄的内嵌式遥控显示板。
电子墨水就是将带正、负电的诸多黑白粒子,密封于微胶囊内,因施加电场的不同,在监视器表面产生不同的聚集,呈现出黑或白的效果。
商业化程度最好的非液晶电子纸技术是E-Ink的电子墨水技术(电泳式电子纸)。
E-Ink的电子纸由电子墨水及两片基板所组成:第一部分是电子墨水,有时被称为“前基板(front plane)”;二是使电子墨水生成文本和图像所需要的电子设备组合,包括控制部分和显示部分,被称为“背基板(backplane)”。
背基板上面涂有由无数微小的透明颗粒组成的电子墨水,颗粒直径只有人的头发丝的一半大小。
电子墨水是一种加工成薄膜状的专用材料,与电子显示设备结合在一起使用,是化学、物理学和电子技术的综合应用。
电子墨水由数百万个尺寸极小的微胶囊构成,直径与头发丝相当。
每一个微胶囊中含有带正电荷的白色粒子和带负电荷的黑色粒子,它们悬浮在清洁的液体中。
如图1所示,电子墨水薄膜的顶部是一层透明材料,作为电极端使用;底部是电子墨水的另一个电极,微胶囊夹在这两个电极间。
微胶囊受负电场作用时,白色颗粒带正电荷而移动到微胶囊顶部,相应位置显示为白色;黑色颗粒由于带负电荷而在电场力作用下到达微胶囊底部,使用者不能看到黑色。
如果电场的作用方向相反,则显示效果也相反,即黑色显示,白色隐藏。
可见,只要改变电场作用方向就能在显示黑色和白色间切换,白色部位对应于纸张的未着墨部分,而黑色则对应着纸张上的印刷图文部分。
电子纸的工作原理
图1 电泳电子墨水工作原理
当这种电子墨水被涂到纸、布或其他平面物体上后,人们只要适当地对它予以电击,就能使数以亿计的颗粒变幻颜色,从而根据人们的设定不断地改变所显现的图案和文字。
只要调整颗粒内的染料和微型粒子的颜色,便能够使电子墨水展现色彩和图案来。
该方式是利用在电压下能够改变黑白状态的微胶囊来实现图像显示的。
微胶囊中带电的白色氧化钛颗粒和黑色碳粉粒子在电压下上下移动,从而绘制出黑白图像。
其特点是在反差、明亮度视觉等方面较理想,耗电低,重量轻而容易使其薄型化,形状自由等。
此外,有的产品是利用带电色粉的电泳现象,通过加大色粉的密集度来提高黑白反差的。
目前各国开发中的电子纸显示技术主要有以下四种:
首先是电泳显示技术(EPD)。
电泳显示技术系将黑、白两色的带电颗粒封装于微胞化液滴结构中,由外加电场控制不同电荷黑白颗粒的升降移动,以呈现出黑白单色的显示效果,代表厂商是美国E-Ink公司与SiPix公司。
由于EPD技术可呈现出高反射率、高对比的黑白显示效果,因此十分适合做电子纸。
目前韩国三星、LG Displ ay,日本精工爱普生、凸版印刷以及中国台湾元太科技等公司均与E-Ink合作,采用其EPD面板“Vizplex”开发各种电子纸显示器。
其次是电子粉流体显示技术(QR-LPD)。
电子粉流体显示技术为日本普利司通(Bridgestone)公司所发布,显示介质是将树脂经过纳米级粉碎处理后所产生的黑色与白色不同电荷的粉体。
将粉体填充于空气介质的微杯结构中,利用上下电极电场使黑白粉体在空气中发生电泳动现象,其中控制粉体的操作电压为实际应用时重要的课题。
由于使用空气作为电泳粉体的介质,所以QR-LPD具有高反应速度。
不过,其缺点是需要高电压来驱动电子粉流体,这使得在耐高电压的TFT(薄膜场效应晶体管)组件尚未成功开发的情况下,目前只能以被动式的方式来驱动电子粉流体。
目前普利司通公司正与日立公司共同合作,投入QR-LPD电子纸“Albirey”产品的研发。
再次是胆固醇液晶显示技术(Ch-LCD)。
该技术的研发机构包括美国Kent Display、日本富士通、日本富士施乐等公司以及中国台湾的工业技术研究院。
胆固醇液晶为一种呈螺旋状排列的特殊液晶模式,是通过在向列型液晶中加入旋光剂来达到特殊排列结构,并利用胆固醇液晶分子在不同电位下呈现的“反射”与“透过”两种不同偏极光旋转状态来达到显示效果。
胆固醇液晶属于反射式显示器,利用外界环境光源来显示影像,无需背光源,同时具有双稳态特性,所以胆固醇液晶显示技术同样非常省电。
同时,该技术可以通过添加不同旋转螺距的旋光剂,调配出红、绿、蓝等颜色,以满足彩色化显示的需求。
最后是双稳态向列液晶显示技术(Bi TNLCD)。
该技术由法国Nemoptic公司开发。
该技术使用向列型液晶,显示面板是两种底板,其液晶分子保持力不一致,当长时间施加某一额定电压时,液晶分子会相对于底板呈垂直竖立状态,此时,若将电压值急速降至零,强保持力底板周围的液晶分子便会拉向倒下的方向,而弱保持力底板周围的液晶分子则呈反方向倒下,而处于底板中间位置上的液晶分子则会产生扭曲角度。
如果分两步进行缓慢解除加电状态操作,液晶分子便会因弹性能力减弱而倒向同一个方向,不会产生扭曲角度。
在这两种状态下,一种显示为黑,另一种则显示为白,基本上形成了双稳态显示。
通过在第二步改变解除电压时的电压幅度,黑色区域和白色区域的比率就会发生变化,即可调制出中间色调。