001-照度(路灯)测试记录表
- 格式:xls
- 大小:14.50 KB
- 文档页数:2
照度测量方法1定义1.1(光)照度E表面上一点处的光照度是入射在包含该点的面元上的光通量(d中)除以该面元面积(d&)之商,单位为勒克斯(1x) 。
E= dΦ/dA2测量条件2. 1在现场进行照度测量时,现场的照明光源宜满足下列要求:a)白炽灯和卤钨灯累计燃点时间在50h以上。
b)气体放电灯类光源累计燃点时间在100h以上。
2.2在现场进行照度测量时,应在下列时间后进行:a)白炽灯和卤钨灯应燃点15mino :b)气体放电灯类光源应燃点40min。
2. 3直在额定电压下进行照度测量。
在测量时,应检测电源电压;若实测电压偏差超过相关标准规定的范围,应对测量结果做相应的修正。
2. 4室内照度测量应在没有天然光和其他费被测光源影响下进行。
室外照度测量应在清洁和干燥的路面或场地上进行,不宜在明月和测量场地有积水或积雪时进行。
2. 5应排除杂散光射入光接收器,并防止各类人员和物体对光接受器造成遮挡。
3测量仪器3.1照度的测量,应采用不低于一级的光照度计,对于道路和广场照度测量,应采用分辨力0.1 1x的光照度计。
4测量方法4.1中心布点法4. 1.1在照度测量的区域-般将测量区域划分成矩形网格,网格宜为正方形,应在矩形网格中心点测量照度,如图1所示。
该布点方法适用于水平照度、垂直照度或摄像机方向的垂直照度的测量,垂直照度应标明照度的测量面的法线方向。
图1在网格中心布点示意图4.1.2中心布点法的平均照度按式(1)计算: Eav=(1/M·N)Ei········(1)式中:E..-一平均照度,单位为勒克斯(1x) ;E:一一在第i个测量点上的照度,单位为勒克斯(1x) ;M- -纵向测点数;N--横向测点数。
4.2四角布点法4.2.1在照度测量的区域一般将测量区域划分成矩形网格,网格宜为正方形,应在矩形网格4个角点上测量照度,如图2所示。
照度测量方法1 定义1.1 (光) 照度 E表面上一点处的光照度是入射在包含该点的面元上的光通量 (d 中) 除以该面元面积(d&) 之商,单位为勒克斯 (1x) 。
E= dΦIdA2测量条件2. 1 在现场进行照度测量时,现场的照明光源宜满足下列要求:a) 白炽灯和卤钨灯累计燃点时间在 50h 以上。
b) 气体放电灯类光源累计燃点时间在100h 以上。
2.2 在现场进行照度测量时,应在下列时间后进行 :a) 白炽灯和卤钨灯应燃点15mino :b) 气体放电灯类光源应燃点 40min。
2. 3直在额定电压下进行照度测量。
在测量时 ,应检测电源电压 ; 若实测电压偏差超过相关标准规定的范围 , 应对测量结果做相应的修正。
2. 4 室内照度测量应在没有天然光和其他费被测光源影响下进行。
室外照度测量应在清洁和干燥的路面或场地上进行 , 不宜在明月和测量场地有积水或积雪时进行。
2. 5 应排除杂散光射入光接收器 , 并防止各类人员和物体对光接受器造成遮挡。
3测量仪器3.1 照度的测量 , 应采用不低于一级的光照度计,对于道路和广场照度测量 ,应采用分辨力 0.1 1x 的光照度计。
4 测量方法4.1中心布点法4. 1.1在照度测量的区域-般将测量区域划分成矩形网格,网格宜为正方形,应在矩形网格中心点测量照度,如图1所示。
该布点方法适用于水平照度、垂直照度或摄像机方向的垂直照度的测量,垂直照度应标明照度的测量面的法线方向。
O -- 测点图1在网格中心布点示意图4.1.2中心布点法的平均照度按式(1)计算:EaV=(I∕M∙N)Ei .............. ( 1)式中:E..- 一平均照度,单位为勒克斯(1x);E:一一在第i个测量点上的照度,单位为勒克斯(1x) ;M--纵向测点数N-横向测点数。
4.2四角布点法4.2.1在照度测量的区域一般将测量区域划分成矩形网格,网格宜为正方形,应在矩形网格4个角点上测量照度,如图2所示。
建筑物照明系统照度测试记录照度测试是建筑物照明系统中的一个重要环节,通过测量建筑物内各个区域的照度值,以便确保照明系统能够满足使用者的照明需求。
以下是一份建筑物照明系统照度测试记录的样本:测试日期:2024年5月22日测试地点:办公楼1.测试目的本次测试旨在评估建筑物办公区域照明系统的照度水平,检查其是否符合相关的照明设计标准。
2.测试仪器-照度计(型号:XYZ-123)-测试笔记本电脑3.测试步骤3.1测试前准备-将照度计校准至正常工作状态;-将笔记本电脑准备好,用于记录测试数据。
3.2测量点设置根据建筑平面图,选择代表性的办公区域和过道进行测量。
测量点的设置需遵循以下原则:-保证每个区域的照度值都能得到全面的反映;-避免遮挡物对照度测量结果的影响。
3.3测量操作-将照度计置于所选测量点的位置,保持垂直于地面的方向,并打开照度计;-等待照度计稳定后,记录下当前照度值;-移动照度计到下一个测量点,重复上述操作,直至所有测量点均完成。
4.测试结果以下是本次照度测试的测量结果:测量点1:办公区域A照度值:500 lux测量点2:办公区域B照度值:550 lux测量点3:办公区域C照度值:480 lux测量点4:过道照度值:300 lux5.结果分析根据建筑物照明设计标准,办公区域的照度应在500-1000 lux之间,而过道的照度应在200-500 lux之间。
根据本次测试结果,办公区域A、B、C的照度均达到或超过标准要求,而过道的照度值略低于建议范围。
6.结论与建议根据本次测试结果及标准要求,建筑物办公区域的照明系统能够满足照度要求,但过道的照度值略低。
建议在过道区域增加适当的照明设备,以提高过道的照度水平。
7.测试人员-照度测试员A-照度测试员B8.测试备注总结:照度测试是评估建筑物照明系统照度水平的重要方法。
通过合理设置测量点并使用专业的照度计进行测试,我们可以得到准确的照度数值。
根据测试结果,我们可以评估照明系统的性能并提出相应的改进建议,从而确保建筑物内的照明满足使用者的需求。
洁美科技文件编号JM/JM0-QP-097版 本 号A/0实施日期2019.2.25修改时间编 制审 核批 准场所照明度标准范围(Lx)参考平面极其计算点生产照明150-4000.75m水平面检验照明300-5500.75m水平面一般照明50-250 1.0m水平面备注:4.5、检验周期:每季度一次(不超过3个月内检验一次),凡在使用过程中经过修理或照明度调整,均需重新检验。
4.3.2、安全照明的照度值不低于该场所一般照明照度值的5%。
4.3.3、疏散通道的疏散照明的照度值不低于0.5lx。
4.4.3、品质部应对照明设施按季度进行巡视和检查测试,并将测试结果记录在《工作场所照度测量记录表》上,巡视和测试过程中如出现异常,发现人员应及时报告上级领导处理。
受控状态设备部:负责公司照明方面的设计、实施、监督。
使用部门:负责公司照明度设施的保养和维护。
品保部:负责公司照明方面的测试和监督。
照度测试标准4.1、工作场所作业面上的照度标准如下:3 职责:4 内容2 范围:适用于公司所有对照明设计有要求的位置。
1 目的:为了在工业企业照明设计中贯彻执行国家有关的技术经济政策,有利于保护视力、提高产品质量和劳动生产率,做到节约能源、技术先进、经济合理、使用安全、维修方便。
备注可另加局部照明可另加局部照明4.4.2、使用部门应建立清洁光源、灯具的制度,对灯具进行定期擦拭。
4.1.1、本公司工作场所工作面上的照度值可在以上的照度值范围内取值,对表中未列入的工作场所其照度值可参考表内近似情况选用。
4.3、应急照明的照度值宜符合下列说明:4.3.1、备用照明的照度值除另有规定外,不低于该场所一般照明照度值的10%。
4.4、公司建立照明维护和管理制度,并应符合以下要求:4.4.1、设备部应有专门人员负责照明维护和安全检查并做好记录,专职或兼职人员负责照明运行;宜按照光源的寿命或亮点时间、维持平均照度定期更换光源;更换光源时,应安装原设计或实际安装相同的光源。
照度测量方法1定义1.1(光)照度E表面上一点处的光照度是入射在包含该点的面元上的光通量(d中)除以该面元面积(d&)之商,单位为勒克斯(1x) 。
E= dΦ/dA2测量条件2. 1在现场进行照度测量时,现场的照明光源宜满足下列要求:a)白炽灯和卤钨灯累计燃点时间在50h以上。
b)气体放电灯类光源累计燃点时间在100h以上。
2.2在现场进行照度测量时,应在下列时间后进行:a)白炽灯和卤钨灯应燃点15mino :b)气体放电灯类光源应燃点40min。
2. 3直在额定电压下进行照度测量。
在测量时,应检测电源电压;若实测电压偏差超过相关标准规定的范围,应对测量结果做相应的修正。
2. 4室内照度测量应在没有天然光和其他费被测光源影响下进行。
室外照度测量应在清洁和干燥的路面或场地上进行,不宜在明月和测量场地有积水或积雪时进行。
2. 5应排除杂散光射入光接收器,并防止各类人员和物体对光接受器造成遮挡。
3测量仪器3.1照度的测量,应采用不低于一级的光照度计,对于道路和广场照度测量,应采用分辨力0.1 1x的光照度计。
4测量方法4.1中心布点法4. 1.1在照度测量的区域-般将测量区域划分成矩形网格,网格宜为正方形,应在矩形网格中心点测量照度,如图1所示。
该布点方法适用于水平照度、垂直照度或摄像机方向的垂直照度的测量,垂直照度应标明照度的测量面的法线方向。
图1在网格中心布点示意图4.1.2中心布点法的平均照度按式(1)计算: Eav=(1/M·N)Ei········(1)式中:E..-一平均照度,单位为勒克斯(1x) ;E:一一在第i个测量点上的照度,单位为勒克斯(1x) ;M- -纵向测点数;N--横向测点数。
4.2四角布点法4.2.1在照度测量的区域一般将测量区域划分成矩形网格,网格宜为正方形,应在矩形网格4个角点上测量照度,如图2所示。
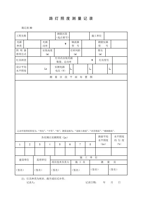
路灯照度测量记录施记表30
工程名称
测量区段
(起止桩号)
施工单位
光源种类光源
功率
W
镇流器
型号
测量仪器
型号
照明器排列方式安装高度
(m)
灯杆间距
(m)
臂长
(m)
灯具种类灯具内安装光源
数量、总功率
W 灯具型号
设计平均水平照度 Lx
实测电源
电压(V)
L1L2L3测量区段平面布置图
记录环境明暗程度为:“明亮”、“中等”、“暗”;测量道路为:“混凝土路面”、“沥青路面”、“铺砌路面”。
各实测点实测照度(Lx)路面平均
水平照度
(Lx)水平照度均匀度(%)
1 2 3 4 5 6 7 8
建设单位监理单位
施工单位
项目技术负责人施工员测量员
(签名)(签名)(签名)(签名)(签名)(签名)
注:灯具种类为密封、敞开或旧式伞型。
记录人:记录日期:年月日。
表格编号:受检单位天气条件环境条件检测时间检测标准12345678910长(m )宽(m )1234512345123456789101112131415161718192021222324252627282930复核人:受检单位陪同人:计算公式备注检测人:采光达标面积比( f )测点数量( n )采光系数达标点数( j )采光系数平均值(%)采光系数最小值 (%)采光均匀度U 照度最小值 (lx )照度均匀度U E采光系数C (%)测点室内照度 (lx )采光系数C (%)照度平均值 (lx )测点室内照度 (lx )采光系数C (%)测点室内照度 (lx )照度及采光系数测量室外照度 (lx )测量对象□房间;□物体表面( )入射照度 E R (lx )反射照度 E r (lx )测点反射比ρ平均反射比室内表面反射比被测表面测点面积(m²)面积总和(m²)房间面积面积(m²)窗地面积比窗地面积比窗户面积长(m )宽(m )检测仪器仪器名称仪器编号检测项目仪器名称仪器编号检测项目房间名称温度: ℃;湿度: %样品编号£ GB/T 5699-2017《采光测量方法》;£ GB/T 5700-2008《照明测量方法》;£其他( )照度及采光系数测量记录表任务编号¨晴天 ¨多云¨阴天¨雨U E =E min Ef =j n2023年 月 日执行第 1 页,共 1 页。