顶管施工工艺流程
- 格式:docx
- 大小:51.07 KB
- 文档页数:10
顶管施工工艺流程一、准备工作1.确定施工路线和施工范围。
2.根据地质勘察报告设计施工方案,明确井点位置和钢管推力。
3.依据设计要求确定顶管机和钻孔设备。
4.编制工程施工组织设计和施工方案。
二、设备安装和检测1.按照设计方案和施工组织设计进行设备安装和布局。
2.检查钻孔机、顶管机等设备的运行情况,并进行必要的调试和测试。
3.进行安全检查和设备质量验收,确保设备正常运行。
三、钻孔1.根据设计要求,在确定井点位置后进行钻孔。
2.选择适当的钻头,根据地质情况调整钻孔参数和时间。
3.钻孔过程中,注意调节钻孔机的转速、进给速度和冲洗液流量。
4.钻孔至设计深度后,进行必要的孔眼认证和水平控制。
四、钢管预制和安装1.根据设计要求,进行钢管的预制和加工工作。
2.在钻孔施工现场,将钢管切割成适当的长度。
3.使用顶管机,将钢管逐节地推入地下。
4.在推管过程中,定期检查钢管的位置和倾斜情况,必要时进行调整。
5.直至推管到达设计位置和深度。
五、施工质量控制1.根据设计要求和施工组织设计,进行施工质量控制。
2.及时记录和处理施工中的问题和异常情况。
3.定期进行顶管安全检查和质量验收,确保施工质量符合要求。
六、施工完工和收尾1.完成所有井点的钢管推进,并达到设计深度和位置。
2.进行顶管工程的清理和整理工作,清除施工现场的垃圾和杂物。
3.编制完工验收报告,进行工程验收和文件归档。
通过以上的顶管施工工艺流程,可以保证顶管隧道工程的安全、高效和质量,达到设计要求,并为后续的地下管线敷设和维修工作提供方便。
顶管施工工艺流程的具体实施需要根据实际情况和地质条件进行调整和改进,以确保施工顺利进行。
顶管施工工艺流程顶管施工就是非开挖施工方法,是一种不开挖或者少开挖的管道埋设施工技术。
顶管法施工就是在工作坑内借助于顶进设备产生的顶力,克服管道与周围土壤的摩擦力,将管道按设计的坡度顶入土中,并将土方运走。
一节管子完成顶入土层之后,再下第二节管子继续顶进.其原理是借助于主顶油缸及管道间、中继间等推力,把工具管或掘进机从工作坑内穿过土层一直推进到接收坑内吊起。
管道紧随工具管或掘进机后,埋设在两坑之间。
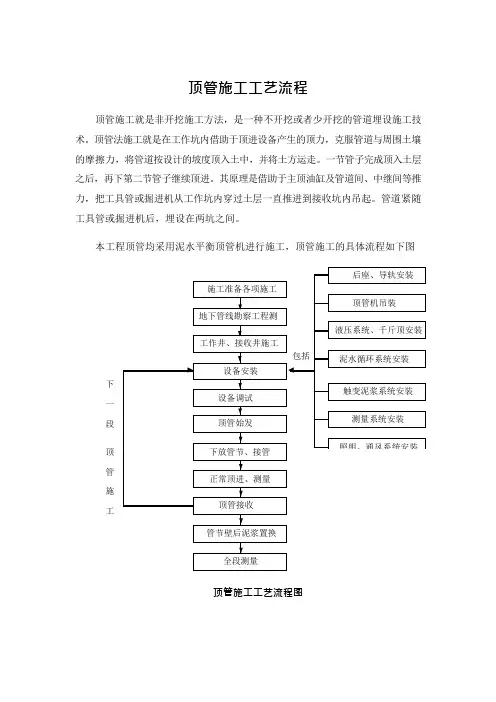
本工程顶管均采用泥水平衡顶管机进行施工,顶管施工的具体流程如下图顶管施工工艺流程图下一段顶管施工1顶进设备的选用顶进设备主要包括千斤顶、高压油泵、顶铁、顶管机及排浆设备等。
千斤顶是掘进顶管的主要设备,考虑到为避免千斤顶故障而影响工程进度,故采用两套设备。
千斤顶在工作坑内的布置采用两台并列式,顶力合力作用点与管壁反作用力作用点应在同一轴线防止产生顶时力偶,造成顶进偏差.根据施工经验,顶管上半部管壁与土壁有间隙时,千斤顶的着力点作用在管子垂直直径的1/4~1/5处为宜.高压油泵由电动机带动油泵工作,选用额定压力为62Mpa的ZB—500塞泵,经分配器,控制阀进入千斤顶,各千斤顶的进油管并联在一起,保证各千斤顶活塞的出力和行程。
顶铁是传递和分散顶力的设备。
要求它能承受顶压力而不变形,并且便于搬托架采用钢结构,在安装时严格控制轴线与高差,轴线控制在3mm以内,高差控制在0~+3mm以内,两轨内距±2mm。
在安装调平时确定砼后靠背的位置,后靠背采用40mm厚钢板,砼采用商品砼,后靠背的砼厚度宜控制大于40cm。
之后将工具头下到导轨上,就位以后,装好顶铁,连接好各系统并检查正常后,校测工具头水平及垂直标高是否符合设计要求,合格后即可顶进工具头,然后安放混凝土管节,再次测量标高,核定无误后,开动工具头进行试顶,待调整好各项参数后即可正常顶进施工。
3顶管机始发⑴顶管机出洞前必须对所有设备进行全面检查,并经过试运转无故障.将顶管机推进洞口距井壁0。
顶管施工工艺流程
顶管施工就是非开挖施工方法,是一种不开挖或者少开挖的管道埋设施工技术。
顶管法施工就是在工作坑内借助于顶进设备产生的顶力,克服管道与周围土壤的摩擦力,将管道按设计的坡度顶入土中,并将土方运走。
一节管子完成顶入土层之后,再下第二节管子继续顶进。
其原理是借助于主顶油缸及管道间、中继间等推力,把工具管或掘进机从工作坑内穿过土层一直推进到接收坑内吊起。
管道紧随工具管或掘进机后,埋设在两坑之间。
本工程顶管均采用泥水平衡顶管机进行施工,顶管施工的具体流程如下图
顶管施工工艺流程图
1顶进设备的选用
顶进设备主要包括千斤顶、高压油泵、顶铁、顶管机及排浆设备等。
下
一
段
顶
管
施
工
后座、导轨安装
顶管机吊装液压系统、千斤顶安装泥水循环系统安装
触变泥浆系统安装测量系统安装照明、通风系统安装包括下放管节、接管施工准备各项施工
准备
地下管线勘察工程测
量定位、放线
工作井、接收井施工
基坑开挖至起沉标高
设备安装设备调试管节壁后泥浆置换
全段测量
测沉渣厚度测沉渣厚正常顶进、测量顶管接收
顶管始发。
顶管施工工艺流程集团文件版本号:(M928-T898-M248-WU2669-I2896-DQ586-M1988)顶管施工工艺流程顶管施工就是非开挖施工方法,是一种不开挖或者少开挖的管道埋设施工技术。
顶管法施工就是在工作坑内借助于顶进设备产生的顶力,克服管道与周围土壤的,将管道按设计的坡度顶入土中,并将土方运走。
一节管子完成顶入土层之后,再下第二节管子继续顶进。
其原理是借助于主顶油缸及管道间、中继间等推力,把工具管或掘进机从工作坑内穿过土层一直推进到接收坑内吊起。
管道紧随工具管或掘进机后,埋设在两坑之间。
本工程顶管均采用泥水平衡顶管机进行施工,顶管施工的具体流程如下图顶管施工工艺流程图 下一段顶管施工1顶进设备的选用顶进设备主要包括千斤顶、高压油泵、顶铁、顶管机及排浆设备等。
千斤顶是掘进顶管的主要设备,考虑到为避免千斤顶故障而影响工程进度,故采用两套设备。
千斤顶在工作坑内的布置采用两台并列式,顶力合力作用点与管壁反作用力作用点应在同一轴线防止产生顶时力偶,造成顶进偏差。
根据施工经验,顶管上半部管壁与土壁有间隙时,千斤顶的着力点作用在管子垂直直径的1/4~1/5处为宜。
高压油泵由电动机带动油泵工作,选用额定压力为62Mpa的ZB-500塞泵,经分配器,控制阀进入千斤顶,各千斤顶的进油管并联在一起,保证各千斤顶活塞的出力和行程。
顶铁是传递和分散顶力的设备。
要求它能承受顶压力而不变形,并且便于搬动。
根据顶铁位置的不同,可分为横顶铁、顺顶铁和U形顶铁三种。
本工程采用U形顶铁形式。
顶进设备布置图如下:2设备安装顶管设备选定后即开始安装设备,在安装前必须测量好顶管轴线,设备机身托架采用钢结构,在安装时严格控制轴线与高差,轴线控制在3mm以内,高差控制在0~+3mm以内,两轨内距±2mm。
在安装调平时确定砼后靠背的位置,后靠背采用40mm厚钢板,砼采用商品砼,后靠背的砼厚度宜控制大于40cm。
之后将工具头下到导轨上,就位以后,装好顶铁,连接好各系统并检查正常后,校测工具头水平及垂直标高是否符合设计要求,合格后即可顶进工具头,然后安放混凝土管节,再次测量标高,核定无误后,开动工具头进行试顶,待调整好各项参数后即可正常顶进施工。
顶管施工工艺流程顶管施工就是非开挖施工方法,是一种不开挖或者少开挖的管道埋设施工技术。
顶管法施工就是在工作坑内借助于顶进设备产生的顶力,克服管道与周围土壤的摩擦力,将管道按设计的坡度顶入土中,并将土方运走。
一节管子完成顶入土层之后,再下第二节管子继续顶进。
其原理是借助于主顶油缸及管道间、中继间等推力,把工具管或掘进机从工作坑内穿过土层一直推进到接收坑内吊起。
管道紧随工具管或掘进机后,埋设在两坑之间。
本工程顶管均采用泥水平衡顶管机进行施工,顶管施工的具体流程如下图顶管施工工艺流程图1顶进设备的选用顶进设备主要包括千斤顶、高压油泵、顶铁、顶管机及排浆设备等。
下一段顶管施工 后座、导轨安装顶管机吊装 液压系统、千斤顶安装 泥水循环系统安装 触变泥浆系统安装 测量系统安装 照明、通风系统安装 包括 下放管节、接管 施工准备各项施工准备地下管线勘察工程测量定位、放线工作井、接收井施工基坑开挖至起沉标高设备安装 设备调试 管节壁后泥浆置换全段测量 测沉渣厚度测沉渣厚正常顶进、测量顶管接收顶管始发千斤顶是掘进顶管的主要设备,考虑到为避免千斤顶故障而影响工程进度,故采用两套设备。
千斤顶在工作坑内的布置采用两台并列式,顶力合力作用点与管壁反作用力作用点应在同一轴线防止产生顶时力偶,造成顶进偏差。
根据施工经验,顶管上半部管壁与土壁有间隙时,千斤顶的着力点作用在管子垂直直径的1/4~1/5处为宜。
高压油泵由电动机带动油泵工作,选用额定压力为62Mpa的ZB-500塞泵,经分配器,控制阀进入千斤顶,各千斤顶的进油管并联在一起,保证各千斤顶活塞的出力和行程。
顶铁是传递和分散顶力的设备。
要求它能承受顶压力而不变形,并且便于搬制在0~+3mm以内,两轨内距±2mm。
在安装调平时确定砼后靠背的位置,后靠背采用40mm厚钢板,砼采用商品砼,后靠背的砼厚度宜控制大于40cm。
之后将工具头下到导轨上,就位以后,装好顶铁,连接好各系统并检查正常后,校测工具头水平及垂直标高是否符合设计要求,合格后即可顶进工具头,然后安放混凝土管节,再次测量标高,核定无误后,开动工具头进行试顶,待调整好各项参数后即可正常顶进施工。
顶管总体施工流程一、准备工作在进行顶管总体施工之前,需要进行一系列准备工作,确保施工能顺利进行。
准备工作包括以下几个阶段。
1.项目启动启动顶管总体施工项目,明确项目目标和需求,成立项目团队,并进行项目计划制定。
2.设计和方案编制进行顶管总体施工的设计和方案编制工作。
此阶段包括确定顶管的走向、管道材料的选择、施工工艺的确定等。
3.施工准备进行施工前的准备工作,包括场地踏勘、资源调配、材料采购等。
此阶段需要明确施工的时间计划、人力需求和材料需求。
二、施工流程1.基础施工基础施工是顶管总体施工的第一个阶段,包括地面开挖、基础浇筑等工作。
基础施工的目的是为了安装顶管打下基础。
1.地面开挖1.根据设计要求,在施工现场进行地面的开挖工作。
2.开挖深度和宽度根据实际需要进行调整。
3.开挖时需要注意地下管线的位置,避免损坏。
2.基础浇筑1.在开挖好的基坑中进行基础的浇筑工作。
2.浇筑前需要进行基坑的清理和处理,确保基坑的整洁。
3.浇筑时需要按照设计要求进行施工,控制好混凝土的质量和流动性。
2.管道安装管道安装是顶管总体施工的第二个阶段,包括顶管的安装、连接和固定等工作。
管道安装的目的是将顶管安装到基础上,并连接好各个管段。
1.顶管安装1.将顶管逐段安装到基坑中。
2.安装时需要确保顶管的位置和线路的准确性。
3.安装过程中要注意保护顶管,避免损坏。
2.管道连接1.将各个管段进行连接,确保连接的牢固性和密封性。
2.连接过程中需要采用适当的连接方式,如焊接、螺纹连接等。
3.管道固定1.对已连接好的管段进行固定,确保管道的稳定性和安全性。
2.固定时要考虑管道的膨胀和收缩,避免出现管道变形或断裂的情况。
3.测试与调试测试与调试是顶管总体施工的第三个阶段,包括对管道进行测试和调试,确保顶管的正常工作。
1.压力测试1.对顶管进行压力测试,检测管道的承压能力。
2.压力测试时要按照设计要求进行,记录测试数据并进行分析。
2.漏水测试1.对顶管进行漏水测试,检测管道的密封性。
(完整版)顶管施工工艺流程电力顶管工程作业量大,难度系数高,也可能与其他的雨水管线、通讯管线、电力管线等交叉施工,如果大规模开挖土方,必然会对管线和居民的生活带来一定的影响。
为了提高工作效率,精准作业,就需要采用非开挖顶管施工的方法,确保电力工程建设的顺利开展。
1、电力顶管施工的基本工艺流程为:工作井预支护→工作井施工→设备安装、调试、试运行→顶进→中继间顶进(长距离顶进可用到中继间)→顶管机接收→设备拆除、清理现场。
2、电力顶管施工前的准备工作在施工前,除了编制详尽的施工工艺流程及顶管施工方案,还应做好如下几项工作:(1)施工场地地质条件、施工内容、范围确定场地地质条件是选择施工方案的前提,施工前,应根据业主提供的地堪报告确定施工工艺,必要时应补充勘察;工程施工前,应组织施工人员认真学习施工图纸、相关规范、标准,明确工程施工内容和技术要求,对图纸中与现场不符内容联系设计人员进行补充设计或变更设计。
(2)顶管设备选择顶管机有多种类型,应根据不同的地质条件选择适用的机型,以达到良好的顶进效果。
(3)作业器材准备作业的主要器材要准备充分,如千斤顶、油泵、顶铁、与管材相应半径护口铁、导轨、枕木、卷扬机、水泥浆搅拌机、注浆机等等。
另外,电力顶管施工中需要一定量的管材,在市政工程建设中,对于这些管材我们必须严把质量关,选择正规厂家生产的产品,并对其进行相关的性能分析和技术统计,做好管材的进出登记。
(4)施工工艺参数的计算工艺参数计算主要包括:后背承载力的计算、管段顶力的计算等。
(5)施工工艺确定根据场地地质条件、顶管设备及工艺参数确定施工工艺。
施工工艺主要包括:顶管区间段长度的确定,是否使用中继间以及中继间的数量和布置;初始顶进的方案及措施;测量及纠偏的方法;长距离顶进减阻的方案及措施等。
(6)顶管工作井的设计和施工方法工作井的设计和施工方法主要包括以下内容:工作井的位置及断面形式的选择;工作井的尺寸;工作井的开挖及支撑方法;后背结构的设计及安装方法;洞口密封的设计;工作平台的支搭方法;工作井的降水措施等。
顶管施工工艺流程顶管施工就是非开挖施工方法,是一种不开挖或者少开挖的管道埋设施工技术。
顶管法施工就是在工作坑内借助于顶进设备产生的顶力,克服管道与周围土壤的摩擦力,将管道按设计的坡度顶入土中,并将土方运走。
一节管子完成顶入土层之后,再下第二节管子继续顶进。
其原理是借助于主顶油缸及管道间、中继间等推力,把工具管或掘进机从工作坑内穿过土层一直推进到接收坑内吊起。
管道紧随工具管或掘进机后,埋设在两坑之间。
本工程顶管均采用泥水平衡顶管机进行施工,顶管施工的具体流程如下图下一段顶管施工顶管施工工艺流程图1顶进设备的选用顶进设备主要包括千斤顶、高压油泵、顶铁、顶管机及排浆设备等。
千斤顶是掘进顶管的主要设备,考虑到为避免千斤顶故障而影响工程进度,故采用两套设备。
千斤顶在工作坑内的布置采用两台并列式,顶力合力作用点与管壁反作用力作用点应在同一轴线防止产生顶时力偶,造成顶进偏差。
根据施工经验,顶管上半部管壁与土壁有间隙时,千斤顶的着力点作用在管子垂直直径的1/4~1/5处为宜。
高压油泵由电动机带动油泵工作,选用额定压力为 62Mpa 的 ZB-500 塞泵,经分配器,控制阀进入千斤顶,各千斤顶的进油管并联在一起,保证各千斤顶活塞的出力和行程。
顶铁是传递和分散顶力的设备。
要求它能承受顶压力而不变形,并且便于搬动。
根据顶铁位置的不同,可分为横顶铁、顺顶铁和 U 形顶铁三种。
本工程采用 U 形顶铁形式。
顶进设备布置图如下:后座油缸连接板油缸导轨刚性顶铁顶铁环形顶铁穿墙止水顶进设备布置图2设备安装顶管设备选定后即开始安装设备,在安装前必须测量好顶管轴线,设备机身托架采用钢结构,在安装时严格控制轴线与高差,轴线控制在 3mm 以内,高差控制在 0~+3mm 以内,两轨内距±2mm。
在安装调平时确定砼后靠背的位置,后靠背采用 40mm 厚钢板,砼采用商品砼,后靠背的砼厚度宜控制大于 40cm。
之后将工具头下到导轨上,就位以后,装好顶铁,连接好各系统并检查正常后,校测工具头水平及垂直标高是否符合设计要求,合格后即可顶进工具头,然后安放混凝土管节,再次测量标高,核定无误后,开动工具头进行试顶,待调整好各项参数后即可正常顶进施工。
一、顶管施工工艺流程二、施工顺序施工顺序为:工作井施工→顶进设备安装调试→吊装砼管到轨道上→连接好工具管→装顶铁→开启油泵顶进→出泥→管道贯通→拆工具管→砌检查井。
三、施工方案(一)施工测量方案1、施工放线工作准备(1)、定线依据所有测量定位均依据交桩单位提供得并经复测合格得导线成果、水准点成果资料。
(2)施工测量放线根据管线铺设走向,用全站仪在现场地面上准确放出管道铺设的中线控制桩,并确定顶坑位置,桩点必须是所顶管道的中心点。
如遇障碍物,操作井位置应根据现场情况予以适当调整。
控制桩放好后必须用砼保护好,待工作坑开挖后将中线和中心点引至工作坑内,便于随时检查和复查,并进行保护,以利于安装导轨和管道在顶进过程中检查复核之用。
(二)开挖工作坑1、工作坑开挖与支护(1)竖井工作坑施工前必须完成降水,管井深度20米,泵站段计划布设4口降水井。
(2)工作坑的开挖采用人工开挖配合吊车使用吊框出土,每次下挖深度不大于1.2米。
护壁方式与隧道主体相同,采用挖孔灌注桩配合网喷护壁(详见相关护壁方案)(3)按设计工作竖井断面尺寸开挖,清理井壁、喷浆、土钉打入、内层钢筋网片安装焊接、喷射砼、外层网片安装焊接,喷射混凝土封闭,完成一个循环。
施工采用单班制作业,组织2个班,单井每班12人;地表水防治处理:沿竖井主体周围设置排水明沟,控制地表水流入井内。
并使得井内土体得到一定的疏干和固结。
施工施工工艺流程见流程图2:2、顶管工作坑允许偏差:导轨设置是顶管工程的关键,要求牢固可靠,轨距、高程、流水方向必须准确。
导轨方向应绝对和管轴线方向平行,且导轨中心间距轴线和所要顶进管道轴线的垂直投影线完全重合一致,导轨标高偏差应符合规范要求,不得大于3mm。
(1)导轨安装:A、严格控制导轨的中心位置和高程,确保顶入管节中心及高程能符合设计要求。
B、由于工作井底板设置了单层双向钢筋网,并浇注了20cm的砼,地基稳定,导轨安装枕木上,枕木放置在工作井的底板上。
顶管施工工艺流程顶管施工就是非开挖施工方法,是一种不开挖或者少开挖的管道埋设施工技术。
顶管法施工就是在工作坑内借助于顶进设备产生的顶力,克服管道与周围土壤的摩擦力,将管道按设计的坡度顶入土中,并将土方运走。
一节管子完成顶入土层之后,再下第二节管子继续顶进。
其原理是借助于主顶油缸及管道间、中继间等推力,把工具管或掘进机从工作坑内穿过土层一直推进到接收坑内吊起。
管道紧随工具管或掘进机后,埋设在两坑之间。
本工程顶管均采用泥水平衡顶管机进行施工,顶管施工的具体流程如下图顶管施工工艺流程图1顶进设备的选用顶进设备主要包括千斤顶、高压油泵、顶铁、顶管机及排浆设备等。
下一段顶管施工千斤顶是掘进顶管的主要设备,考虑到为避免千斤顶故障而影响工程进度,故采用两套设备。
千斤顶在工作坑内的布置采用两台并列式,顶力合力作用点与管壁反作用力作用点应在同一轴线防止产生顶时力偶,造成顶进偏差。
根据施工经验,顶管上半部管壁与土壁有间隙时,千斤顶的着力点作用在管子垂直直径的1/4~1/5处为宜。
高压油泵由电动机带动油泵工作,选用额定压力为62Mpa的ZB-500塞泵,经分配器,控制阀进入千斤顶,各千斤顶的进油管并联在一起,保证各千斤顶活塞的出力和行程。
顶铁是传递和分散顶力的设备。
要求它能承受顶压力而不变形,并且便于搬制在0~+3mm以内,两轨内距±2mm。
在安装调平时确定砼后靠背的位置,后靠背采用40mm厚钢板,砼采用商品砼,后靠背的砼厚度宜控制大于40cm。
之后将工具头下到导轨上,就位以后,装好顶铁,连接好各系统并检查正常后,校测工具头水平及垂直标高是否符合设计要求,合格后即可顶进工具头,然后安放混凝土管节,再次测量标高,核定无误后,开动工具头进行试顶,待调整好各项参数后即可正常顶进施工。
3顶管机始发⑴顶管机出洞前必须对所有设备进行全面检查,并经过试运转无故障。
将顶管机推进洞口距井壁0.1m处停止,仔细检查顶管机姿态,确保顶管机水平及高程偏差都在设计要求的范围内,中心偏差不得大于3mm,高低偏差0~+3mm。
引言概述:顶管施工工艺流程是一种常用的地下结构施工方法,在城市建设和地下管线铺设过程中起到了重要作用。
本文将详细介绍顶管施工工艺流程的几个主要步骤,包括施工前准备、顶管的安装、管线的连接、拆除顶管等。
通过了解这些流程,可以更好地理解顶管施工的整个过程。
正文内容:1.施工前准备1.1地下勘察:对施工地点进行勘察,了解地质情况和地下管线分布,确定施工方案。
1.2方案设计:根据勘察结果,制定详细的施工方案,包括施工工艺、安全措施等。
1.3材料准备:准备施工所需的顶管、钢管等材料,并检查其质量是否符合标准要求。
1.4设备准备:准备施工所需的顶管设备、起重机械等设备,并保证其正常运行。
2.顶管的安装2.1开挖坑槽:按照设计要求,在施工地点开挖符合顶管尺寸的坑槽。
2.2安装顶管:在坑槽中逐段安装顶管,通过起重机械进行定位、下放和对齐。
2.3固定顶管:在顶管安装好后,使用支撑材料进行固定,保证其稳定性。
2.4罩设顶板:在顶管上方布置预制顶板,用于承受地面荷载和保护顶管。
3.管线的连接3.1准备管线连接材料:根据设计要求,准备连接顶管的材料,如弯头、法兰等。
3.2清理顶管口:清理顶管口,并确保其平整、无碎屑,便于连接材料的安装。
3.3进行连接:将连接材料安装在顶管口,通过焊接、螺栓连接等方式,使顶管相互连接。
3.4检验连接质量:对连接部位进行检验,确保连接牢固、无漏水等问题。
4.拆除顶管4.1拆除支撑材料:在顶管连接完毕且固定良好后,拆除支撑材料,使顶管可以自由承受荷载。
4.2拆除预制顶板:拆除预制顶板,并进行清理工作,恢复地面平整。
4.3拆除顶管:利用起重机械将顶管逐段拆除,遵循安全操作规程。
5.安全措施与质量保障5.1安全措施:在施工过程中,严格遵守施工现场安全操作规程,保证施工人员的人身安全。
5.2质量保障:施工中,对顶管、管线的质量进行检查,确保其符合相关标准和设计要求。
总结:顶管施工工艺流程包括施工前准备、顶管的安装、管线的连接、拆除顶管等几个主要步骤。
顶管施工工艺流程【1】顶管法施工技术顶管施工即在地表不挖下槽沟,以液压为动力将钢管(含多节钢管)或混凝土管从A点顶至B点的施工工艺,我公司经多次工程实践,形成该施工技术。
工艺特点及适用范围1、路下顶管,路上畅通;2、建筑物下顶管,不影响建筑物使用功能;3、缩短管道铺设周期,降低工程造价显著;4、设备单一,操作简便;5、本工艺所用管道的管节必须是国家定点厂家生产的合格产品;6、适用于铁路、公路及不易或不宜开挖沟槽的地下管道施工。
工艺原理及工艺流程明铺管道改为以机械为动力在地表下使管道从A点转移至B点。
施工准备??测量高程及轴线??挖顶管工作坑??铺顶管导轨??设置顶进后背??安装顶进设备及吊放管节??挖土顶进??测量及纠偏??再次挖土(管中土)顶进??测量循环作业直致完成。
主要机械设备:吊装设备、高压油泵、大吨位千斤顶、后背桩及后背梁、导轨及出土工具、经纬仪、水平仪。
机具功能及数量根据被顶进管节的直径长度及重量而定。
施工要点1、顶管工作坑开挖要依照施工方案及具体环境进行,坑的长宽要视土质,被顶管节的直径、长度,机具设备,下管及出土方法而定。
工作坑除安装顶管的机具设备后背、导轨、顶进管节以外,还要有利于向坑外出土和作业人员的操作。
一般要求,工作坑上口前缘距路缘≥2m,安放管节后每侧要有1m的工作面,管节后侧与千斤顶之间要有利于出土的空间,在有水的环境中要设置水坑及排水设施,工作坑壁的放坡系数根据土质情况应符合要求,坑底要夯实。
2、导轨由四根钢轨和若干枕木组成,枕木置在工作坑底下1/2枕木高的基土上,枕木间距800?1000mm,钢轨的长度等于工作坑底面的长度减去钢轨桩所占的位置,钢轨的间距要视被顶管节的外径而定,一般要保证管节安放后下皮高出枕木上皮20mm,千斤顶安装后要与管节的横截面有最大的接触面,钢轨安装要平直,前端抬头要有0.51.0%的坡度。
2022年3月23日;第1页共9页3、顶进后背:后背的坚固与否直接影响顶管的效果,所以,后背所具有的能力必须能满足最大顶力的需要,后背由后背桩及后背梁,后背桩后面的夯实土所组成,后背桩一般以钢轨代替,埋入坑底以下1.5m左右,桩后填土分层夯实,后背桩平面垂直于顶进方向的轴线,钢制后背梁放在桩前的导轨上。
先导管施工的顶管工艺流程
一。
1.1 前期准备。
这就好比打仗前的准备工作,至关重要。
得把场地清理干净,不能有那些乱七八糟的东西挡道。
还要仔细勘察地质情况,搞清楚地下到底是啥状况,是硬石头还是软泥巴,心里得有底。
1.2 设备选型。
选设备可不能瞎选,得根据工程的实际情况来。
就像挑鞋子,合脚的才舒服。
顶管机的型号、功率都得合适,不然到时候干起活来可就费劲了。
二。
2.1 测量放线。
这一步就像是给工程画个路线图,得精确再精确。
不能有丝毫偏差,不然管子顶偏了,那可就麻烦大了。
2.2 工作井和接收井施工。
这俩就像是顶管的起点和终点,得建得牢固。
工作井要能承受住顶管的压力,接收井要准备好迎接顶过来的管子。
2.3 先导管顶进。
这时候就正式开始顶管啦,先导管得慢慢地、稳稳地往前顶。
要控制好速度和方向,不能像没头的苍蝇乱撞。
三。
3.1 出土与运输。
顶出来的土得及时运走,不能堆在那碍事。
就像家里打扫卫生,垃圾得赶紧清理掉。
3.2 后续处理。
顶管完成后,还得把收尾工作做好。
检查管子有没有问题,周围的土有没有填实,确保工程质量过硬,经得起时间的考验。
顶管施工工艺流程文件编码(008-TTIG-UTITD-GKBTT-PUUTI-WYTUI-8256)顶管施工工艺流程顶管施工就是非开挖施工方法,是一种不开挖或者少开挖的管道埋设施工技术。
顶管法施工就是在工作坑内借助于顶进设备产生的顶力,克服管道与周围土壤的,将管道按设计的坡度顶入土中,并将土方运走。
一节管子完成顶入土层之后,再下第二节管子继续顶进。
其原理是借助于主顶油缸及管道间、中继间等推力,把工具管或掘进机从工作坑内穿过土层一直推进到接收坑内吊起。
管道紧随工具管或掘进机后,埋设在两坑之间。
本工程顶管均采用泥水平衡顶管机进行施工,顶管施工的具体流程如下图顶管施工工艺流程图 下一段顶管施工1顶进设备的选用顶进设备主要包括千斤顶、高压油泵、顶铁、顶管机及排浆设备等。
千斤顶是掘进顶管的主要设备,考虑到为避免千斤顶故障而影响工程进度,故采用两套设备。
千斤顶在工作坑内的布置采用两台并列式,顶力合力作用点与管壁反作用力作用点应在同一轴线防止产生顶时力偶,造成顶进偏差。
根据施工经验,顶管上半部管壁与土壁有间隙时,千斤顶的着力点作用在管子垂直直径的1/4~1/5处为宜。
高压油泵由电动机带动油泵工作,选用额定压力为62Mpa的ZB-500塞泵,经分配器,控制阀进入千斤顶,各千斤顶的进油管并联在一起,保证各千斤顶活塞的出力和行程。
顶铁是传递和分散顶力的设备。
要求它能承受顶压力而不变形,并且便于搬动。
根据顶铁位置的不同,可分为横顶铁、顺顶铁和U形顶铁三种。
本工程采用U形顶铁形式。
顶进设备布置图如下:2设备安装顶管设备选定后即开始安装设备,在安装前必须测量好顶管轴线,设备机身托架采用钢结构,在安装时严格控制轴线与高差,轴线控制在3mm以内,高差控制在0~+3mm以内,两轨内距±2mm。
在安装调平时确定砼后靠背的位置,后靠背采用40mm厚钢板,砼采用商品砼,后靠背的砼厚度宜控制大于40cm。
之后将工具头下到导轨上,就位以后,装好顶铁,连接好各系统并检查正常后,校测工具头水平及垂直标高是否符合设计要求,合格后即可顶进工具头,然后安放混凝土管节,再次测量标高,核定无误后,开动工具头进行试顶,待调整好各项参数后即可正常顶进施工。
3顶管机始发⑴顶管机出洞前必须对所有设备进行全面检查,并经过试运转无故障。
将顶管机推进洞口距井壁处停止,仔细检查顶管机姿态,确保顶管机水平及高程偏差都在设计要求的范围内,中心偏差不得大于3mm,高低偏差0~+3mm。
若达不到上述要求,也应拉出顶管机,作第二次出洞。
顶进初始阶段的顶进质量对后续顶进的管道轴线等有重要的影响。
⑵继续推进顶管机进入土体,根据顶管液压系统的参数,结合理论数据,顶出推进土压力控制系数。
⑶、继续推进顶管机,在安装第一节管前,应将顶管机与导轨之间进行限位焊接,以免在主顶缩回后,由于正面土压力的作用将顶管机弹回。
⑷、缩回主千斤顶,吊放管节。
⑸、割除限位块,前三节与顶管机连接用刚性连接后,继续顶进。
4顶进顶管机出洞后顶进的起始阶段,机头的方向主要受导轨安装方向控制,一方面要减慢主顶推进速度;另一方面要不断地调整油缸纠偏。
严格控制前5m-10m的管道顶进偏差,其中心偏差不得大于3mm,高低偏差0~+3mm。
在顶进过程中坚持“勤测、缓纠”的原则。
纠偏角度保持在10′~20′,不大于1°。
如果产生偏差,及时纠正。
纠偏应逐步进行,坚持“缓纠、慢纠”的原则。
注浆应和顶进同步进行,其原则是先注浆,后顶进;随顶进,随注浆;以保证管外围泥浆套的形成,充分发挥减阻和支撑作用。
在顶进过程中避免长时间的泥浆停注,保证顶进过程中的全部管段充满良好的泥浆套。
顶进过程中根据顶力变化和偏差情况随时调整顶进速度,速度一般控制在50mm/min左右,最大不超过70mm/min。
管道顶进至离工作井前方内壁50cm时,应卸载,收回油缸和垫铁安装管节,然后继续顶进。
顶进中严密注意顶进时的方向及顶力的大小变化,对于顶管处于不良地层时,出现机具两侧的受力不均匀现象,应及时调整机具的工作状态,以保证顶管方向准确。
5安装管节当一个顶程结束,收回千斤顶和环型垫铁后,即可在工作井内再下一根管节。
在管节吊入工作井以前,应首先在地面上进行质量检查,确认合格后,在管前端口安放楔型橡胶圈,并在橡胶圈表面涂抹硅油,减小管节相接时的摩擦力。
以上工作完成后再将管节吊放在工作井内轨道上稳好,使管节插口端对正前管的承口中心,缓缓顶入,直至两个管节端面密贴挤紧衬垫,并检查接口密封胶圈及衬垫是否良好,如发现胶圈损坏,扭转、翻出等问题,应拔出管节重新插入,确认完好后再布置顶铁进行下一顶程。
6出土因泥水平衡顶管机在掘进过程中将泥浆水打入泥仓中与机具切削土混合,然后由排泥管输出。
在理论上切削下的土体混合转化为4倍体积的泥浆。
我们在工作井周围放置一个存泥箱,用于存放泥浆,并同时进行泥浆的二级沉淀处理,沉淀后的处理水又作为泥水打入机具的泥仓中重复使用,沉淀后的泥浆通过泥浆罐车运至指定的弃土场。
7膨润土泥浆的压注与置换顶力控制的关键是最大限度的降低顶进阻力,而降低顶进阻力最有效的方法是注入膨润土泥浆。
使之在管外壁与土层之间形成一个完整的环状泥浆润滑套,变原来的干摩擦状态为液体摩擦状态。
这样就可以大大地减少顶进阻力。
为达到这一目的,采取如下措施:⑴、选择优质的触变泥浆材料,对膨润土取样测试。
主要指标为造浆率、失水量、静切力、动切力、和动塑比。
这些指标必须满足设计要求。
⑵、在管节制作时根据设计要求预埋压浆孔,安装注浆管时,每个预埋压浆孔里要设置单向阀。
目的是防止注浆压力不够时管外壁的泥浆液倒流。
⑶、触变泥浆的配制、搅拌、静置时间,都必须按照膨润土的特性要求执行。
一般膨润土润滑浆的配制按如下比例进行,根据实际试拌情况再行调整:泥浆的拌制要均匀。
首先将定量的水放入拌和桶内,开动拌和机徐徐投入膨润土,拌和2-3min,静置片刻,再搅拌7-8min,即成泥浆,制成的泥浆排放入贮浆池内贮存24h,使膨润土、水、碱发生置换作用,形成稳定性良好,且有一定粘度的泥浆,使用时用注浆泵通过连接注浆孔的管道注入管道外围。
为了防止贮浆池内泥浆离析,间歇地对贮浆池内泥浆进行搅拌。
⑷、泥浆的压注方法切削土壤的刀盘压力可按塔萨基公式计算。
在顶进第一节管节时,即可把正面土压力调整到最佳值。
具体调定值根据沉降测量反馈数据确定,并上报监理工程师。
为了使触变泥浆套的压力在停注后不能过快降低,在工作井内注浆总管上设置单向阀,不使其回浆。
泥浆的压注采用在顶管机压浆、管节、中继站等处连续补浆的方法。
对顶管机压浆要与顶进同步,以迅速在管道外围空隙形成粘度高、稳定性好的膨润土泥浆套。
从机头后第一节管至管道最后一节管,每隔2m安置一圈压浆管道,每个压浆孔上安装一只1寸球阀,由橡胶软管与压浆总管相连。
压浆总管是一根2寸白铁管,连接压浆泵。
在搅拌筒内按一定比例兑水充分拌制,储放24小时后方可使用。
压浆按三类,分别控制:①、机尾同步压浆:以形成原始浆套,填充固有间隙。
单边间隙为。
②、沿线压浆:以补充管道不直形成的沿线浆套缺损。
③、定点压浆:根据沉降测量反馈数据,对沉降过大处补偿性压浆,以支承地表荷载。
⑸、注浆设备的选用在顶进中,选用螺杆式注浆泵。
⑹、泥浆的置换全段管道顶进完成后,立即用水泥浆将润滑泥浆置换出来,以确保管道外围土体有足够的支撑和减少渗漏水。
8顶进监控控制好顶进方向,确保按设计管道轴线顶进是顶管施工中的核心问题,因此本工程的测量按照公司施工测量放样复核管理办法执行。
具体如下:顶管前,先根据领桩点,放出本工程的平面控制点及临时水准点,经三级放线和复核后方可使用。
在工作井设置管道轴线控制桩和临时水准点、工作井护桩,以便复核顶管轴线和工作井位置是否移动。
开顶前,准确测量顶管机中心的轴线和标高偏差,并作好原始记录。
在机具内,要安装倾斜仪传感器,操作者可以随时得到机头的水平状态,控制刀盘的旋转方向和纠偏。
本项目顶管采用激光全站仪来监控顶进方向。
基坑的导轨尽可能延长至井壁洞口附近。
导轨要有足够的刚度,且安装焊接牢固。
安装后的导轨轴线和标高误差小于2mm;主顶油缸和后座的安装也要满足牢固的要求,其水平和垂直误差小于10mm。
9测量与纠偏⑴、顶管测量:采用全站仪和水准仪等仪器。
①、开始顶第一节管子时,每次顶进20~50cm,正常顶进时,每次顶进1m。
校正时,每出土一次测量一次。
②、中心线测量:首先在地面用经纬仪确定顶管方向桩,然后在工作坑边的两方向桩上挂小线,其上吊2个垂球到工作坑底部,在工作坑中用激光水准仪照准两垂球,读前端的中心尺刻度,若与中心缓缓进行,使管子逐渐复位,不得猛纠尺的中心刻度相重合,说明其方向准确,否则其差值即为偏差值。
③、高程测量:在工作坑内引设水准点,停止顶进,将激光水准仪支设在顶铁上,测量前端管底高程。
⑵、顶管偏差的校正顶进中发现与管位偏差10mm左右,即应进行校正。
①、穿墙各纠偏阶段要求每顶进10cm~30cm左右测量一次。
②、顶管机纠偏应顶进过程中进行,绘制顶管机测点行进轨迹曲线图来指导纠偏,管轴线偏差不允许大起大落。
③、纠偏控制由纠偏千斤顶进行,顶管机共有纠偏千斤顶四个,纠偏角度为度,能上下左右四个方位纠偏。
一般情况下每次纠偏角度不大于度,以适当的曲率半径逐步回到轴线上来,做到精心施工。
④、纠偏由激光经纬仪发出的激光束照射在位于钻掘系统的光靶上。
根据测得的偏斜数据,操纵液体纠偏系统,使掘进系统前部铰接的机头产生偏摆,从面实现铺管方向的调节。
纠偏分四步进行,如下图,10顶管施工中应注意的问题针对本工程的特点和难点,除了注意顶管机具的选择以外,我们还将注意在顶管施工过程中对一些容易出问题的环节上作好的预防和监控,具体作法主要有以下几点:⑴、密切注意主顶油泵压力的变化,随时作好记录,当发现压力突然上升和下降时,立即停止顶进,查明原因后再行顶进。
⑵、顶进要连续进行,不得长时间停歇。
⑶、刚开始顶进出洞时就应连续注浆,不能因为初期顶力较小而不注浆,导致注浆孔被泥土塞满无法形成均匀的泥浆套。
⑷、停止顶进时,一定要使挖掘面保持一定的压力,防止长时间停歇造成漏水或土层中泥水流失,尤其是出洞时,更应注意这个问题。
⑸、在掘进过程中,还要注意挖掘面稳定与否,泥水的浓度和比重是否正常,进出泥浆是否正常,防止排泥流量过小或由于粉砂含量过大而造成泥砂在管道中沉积影响正常顶进。
当遇到砂含量增高时,可以适当调整泥浆比例。
⑹、对于阶地、坳沟交界部位的顶管施工,由于土层性质差异较大,顶管施工中遇阻力亦不相同,施工时要严格监测控制机头前的压力,必要时可对软弱一侧进行注浆加固。
⑺、顶管线路均处于城区主干道的中间绿化带内,顶管作业过程中,应加强对路面沉降的监测,一旦出现异常情况,应及时向上级领导反映,并及时进行注浆处理。