信用证流转流程
- 格式:pdf
- 大小:50.29 KB
- 文档页数:1
信用证的使用流程总结范文介绍信用证是一种国际贸易支付方式,它在国际贸易中扮演着重要的角色。
本文将总结信用证的使用流程,以帮助读者更好地了解信用证的操作过程。
流程概述下面是信用证使用的一般流程: 1. 申请信用证 2. 发布信用证 3. 通知受益人 4.技术审查 5. 货物运输 6. 运单和通知 7. 大纲检查 8. 支付申请信用证在进行国际贸易之前,买方需要向银行申请信用证。
申请信用证的文件通常包括: - 贸易合同 - 发票 - 运输文件 - 保险证书 - 其他必要文件发布信用证银行在收到买方的申请后,会发布信用证。
信用证是银行对受益人的一种承诺,保证买方按合同约定支付货款。
信用证通常包括: - 信用证编号 - 开证行信息 - 受益人信息 - 付款条件 - 单据要求 - 有效期通知受益人银行在发布信用证后,会将信用证的相关信息通知受益人。
通知通常通过电子邮件、传真或信函等方式进行。
技术审查受益人在收到信用证后,需要进行技术审查。
审查的目的是确认信用证的条件是否与合同相符,确保受益人能够按照信用证的要求提供必要的单据。
货物运输在技术审查通过后,受益人开始准备货物的运输。
这包括安排货物的包装、装运和运输方式。
运单和通知货物发运后,受益人需要向买方提供运输文件,通常包括: - 提单和舱单 - 装箱单 - 发票 - 保险证书同时,受益人也需要向开证行提交运输文件的通知。
大纲检查开证行收到通知后,会对提交的文件进行大纲检查。
大纲检查主要是确认运输文件是否按照信用证的要求提供,以便决定是否接受文件。
支付如果大纲检查通过,开证行会按照信用证的要求支付款项给受益人。
总结信用证的使用流程可以分为申请信用证、发布信用证、通知受益人、技术审查、货物运输、运单和通知、大纲检查和支付等步骤。
这些步骤保证了国际贸易的安全和顺利进行。
这篇文章总结了信用证使用流程的基本步骤,希望读者能够从中受益,并在未来的贸易中能够更好地应用信用证支付方式。
外贸信用证的业务流程随着全球化的进程,国际贸易的规模不断扩大,外贸信用证成为了国际贸易中不可或缺的一部分。
外贸信用证是指银行按照买卖双方的要求,对进出口贸易中的货款进行担保的一种方式。
本文将详细介绍外贸信用证的业务流程。
一、信用证的定义和种类1.信用证的定义信用证是银行以自己的信用为基础,为进出口贸易提供担保的一种方式。
信用证是银行对买卖双方达成的交易条件进行确认,承诺在符合条件的情况下,向卖方支付货款。
2.信用证的种类信用证可以根据不同的支付方式和服务方式分为以下几类:(1)即期信用证:在卖方提供符合要求的单据后,银行立即支付货款。
(2)远期信用证:在规定的时间内,卖方提供符合要求的单据后,银行支付货款。
(3)转让信用证:卖方可以将信用证转让给第三方,由该第三方提供单据并向银行索取货款。
(4)备用信用证:在主信用证不能使用时,备用信用证可以代替主信用证使用。
二、信用证的业务流程1.签订合同买卖双方在签订合同时,约定使用信用证支付货款的方式,并确定信用证的基本条款,如货物的数量、质量、价格、交货期限、单据要求等。
2.申请开立信用证买方向自己的银行提交信用证开立申请书,并提供相应的资料和保证金。
银行审核申请资料,确认信用证开立条件后,向卖方的银行发出开立信用证的通知书。
3.开立信用证卖方的银行收到信用证开立通知书后,审核买卖双方的合同和信用证开立条件,如确认无误后,开立信用证并发给卖方。
4.发货和运输卖方按照合同约定发货,并办理相应的运输手续,如提单、保险单等,并将这些单据提交给自己的银行。
5.提交单据卖方的银行收到卖方提交的单据后,审核单据的真实性和符合性,并将单据提交给买方的银行。
6.验货和付款买方收到货物后,进行验货,如确认无误,则向银行提交单据,并由银行审核单据的真实性和符合性,如确认无误,则向卖方的银行支付货款。
7.结汇银行将买方的货款结汇给卖方的银行,并向买方收取汇款手续费。
三、信用证的注意事项1.信用证的条款要准确无误,以免给双方带来损失。
描述信用证的使用流程1. 什么是信用证?信用证是国际贸易中常用的一种支付方式,它是银行对进出口商以及国际承兑行的付款承诺。
通过信用证,出口商可以获得付款的保障,而进口商可以确保货物的质量和交货时间。
2. 信用证的基本流程2.1 申请信用证•出口商与进口商达成贸易合作协议,协商出口商品的细节。
2.2 选择开证行•进口商根据需求选择合适的开证行。
2.3 开证申请•进口商向开证行提交开证申请,并提供相应的文件和信息。
2.4 开证行审核申请•开证行审核开证申请,并根据信用证的条款和条件发出信用证。
2.5 通知受益人•开证行将信用证通知出口商。
2.6 出口商准备货物•出口商按照合同要求准备货物,并出具相应的货物证明文件。
2.7 提交单据•出口商将货物证明文件和其他相关单据提交给其对应的银行。
2.8 银行支付•银行对单据进行审核,并根据信用证的条款和条件进行支付。
2.9 通知进口商•银行将支付情况通知给进口商,进口商可以查收货物。
2.10 结束信用证•信用证到期或者交易完成后,信用证结束。
3. 信用证的主要参与方3.1 申请人(进口商)•进口商是信用证交易中的申请人,即开证行的客户。
他们通过信用证向出口商支付货款。
3.2 开证行•开证行是进口商的银行,他们根据进口商的申请和要求开立信用证,并对出口商支付货款。
3.3 受益人(出口商)•受益人是信用证的收款方,即出口商。
他们按照信用证的要求准备货物,并向开证行提交相关单据来获得支付。
3.4 通知行•通知行是开证行指定的代理银行,他们会将信用证的详细信息通知给受益人。
3.5 承兑行•承兑行是受益人在交单时选择的银行。
承兑行对单据进行审核并支付货款给受益人。
3.6 押汇行•押汇行是开证行指定的代理银行,他们会对信用证的报价进行押汇。
4. 信用证的注意事项4.1 注意信用证的有效期和截止日期。
•出口商应该在有效期内完成货物的发运和单据的提交,以免超时导致信用证无效。
信用证业务流程
信用证业务是国际贸易中常用的一种支付方式,它是由银行提供信用支持,保证卖方按照买方的要求履行合同。
信用证业务流程主要分为开证阶段、通知阶段、装船阶段以及结算阶段。
首先,在开证阶段,买方与卖方达成贸易合同后,买方可以向自己的开证银行发出信用证申请。
买方需要提供信用证申请书、买卖合同、装船口岸以及货运公司的信息等相关文件。
开证银行收到申请后,会进行信用调查,确保买方的资信情况良好。
接下来,在通知阶段,开证银行根据买方提供的信息,向卖方的银行发出信用证通知书。
通知书中包含买卖双方的基本信息、开证金额、有效期限、装运方式以及付款方式等具体要求。
同时,开证银行还将信用证通知书寄给卖方,通知其接受信用证要求,并在合同规定的期限内进行装船。
然后,在装船阶段,卖方按照买方的要求准备货物,并委托货运公司负责运输。
卖方需要在通知书规定的时间内将货物装船,并及时向买方的开证银行提交相关单据,包括运输单据、装箱单据、发票等。
这些单据需要与信用证要求保持一致,以确保顺利结算。
最后,在结算阶段,买方的开证银行对卖方提交的单据进行审查。
如果单据符合信用证要求,开证银行将支付给卖方相应的款项,同时转交单据给买方。
如果单据不符合要求,开证银行将通知买卖双方进行协商解决,以确保合同顺利履行。
信用证业务流程的核心是开证银行的信用支持,通过其对买方和卖方的信用背书,保证了交易的安全性和可靠性。
在这个过程中,各方需要按照信用证要求和合同规定,及时准确地提交相关单据,以确保顺利结算。
同时,买卖双方可以根据实际情况选择适当的银行作为开证银行和收款银行,以满足自身的需求。
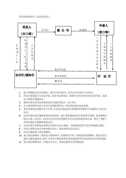
信用证流转程序(议付信用证):
1.进口商根据买卖合同规定,填写开证申请书,向开证行申请开立信用证。
2.开证行接受进口方开证申请,收受开证押金后,依据开证申请书内容开出信用证,发送
出口商所在地通知行。
3.通知行鉴定信用证表面真实性后通知受益人(出口商)。
4.出口商审核信用证与买卖合同条款相符后,按信用证规定装运货物。
5.备齐各种装运单据并开立汇票,在信用证规定的交单期和有效期内交当地银行(议付行)
议付。
6.议付行按信用证条款审核单证相符后,按汇票金额扣除有关利息和手续费,将余额垫付
给出口商。
议付后,议付行应在信用证背面作有关议付事项的必要记录,称为“背批”,其作用是防止超额和重复议付。
7.议付行将汇票和装运单据分次寄往开证行索偿,以防邮递过程中发生单据遗失现象。
8.开证行对照信用证审核单据无误后,将款项偿付给议付行。
9.开证行通知进口商付款赎单。
10.进口商付款赎单。
倘若进口商验单时,发现单证不符,有权拒绝付款赎单,此时开证行
就有可能造成损失。
而且,开证行不能以验单时未发现单据不符为由向议付行要求退款。
11.进口商付款赎单后,在海运方式下,凭海运提单在目的港提货。
请简述信用证的使用流程什么是信用证信用证是一种国际贸易支付方式,用于确保卖方能够按照约定条件向买方交付货物和服务的支付工具。
信用证是由买方银行(开证行)开出,向卖方出具,经卖方银行(通知行)或国际商会认可的有权机构(通知行)传达给卖方的凭证。
信用证的使用流程1. 买卖双方达成交易协议买卖双方在达成贸易交易之前,需要就货物、数量、价格、交货方式、装运方式以及支付方式等方面的细节达成一致。
2. 买方申请信用证买方在与卖方达成交易协议后,向自己的银行(开证行)提出信用证的申请。
开证行负责开具信用证,并按照卖方的要求以及国际贸易惯例设置条款和条件,确保信用证的合法性和有效性。
3. 开证行通知卖方开证行开立信用证后,通过电信方式通知卖方的银行(通知行),信用证的通知行会将信用证的条款和条件传达给卖方。
4. 卖方准备货物并联系装运卖方在收到信用证的通知后,开始准备货物,并与承运商联系,进行货物运输的安排。
5. 卖方将货物准备好并通知开证行卖方在货物准备好后,根据信用证的要求通知开证行,表示货物已经准备好可以装运。
6. 开证行核对文件开证行在收到卖方通知后,核对文件是否符合信用证的要求。
文件可能包括提单、发票、装箱单、保险单等。
7. 开证行向卖方支付开证行在核对文件无误后,会根据信用证的要求向卖方支付货款。
8. 开证行向买方索取货物文件开证行向卖方索取符合信用证要求的货物文件。
9. 开证行向买方提供货物文件开证行在收到符合要求的货物文件后,会将文件提供给买方,以便买方完成货物的接收。
10. 买方验收货物买方收到货物文件后,进行验收,确认货物的数量、质量等符合合同要求。
若有任何问题,买方需要及时向开证行提出异议。
11. 开证行结算买方确认没有异议后,开证行根据信用证的要求和买卖双方的协议进行结算。
12. 交付货物最后,开证行将货物文件交付给买方,买方凭借这些文件可以进行货物的提取和清关手续。
总结信用证是国际贸易中常用的支付工具,通过规范化的流程和文件要求,确保了买卖双方的权益。
信用证操作流程汇总信用证操作流程跟单信用证操作的流程简述如下:1.买卖双方在贸易合同中规定使用跟单信用证支付。
2.买方通知当地银行(开证行)开立以卖方为受益人的信用证。
3.开证行请求另一银行通知或者保兑信用证。
4.通知行通知卖方,信用证已开立。
5.卖方收到信用证,并确保其能履行信用证规定的条件后,即装运货物。
6.卖方将单据向指定银行提交。
该银行可能是开证行,或者是信用证内指定的付款、承兑或者议付银行。
7.该银行按照信用证审核单据。
如单据符合信用证规定,银行将按信用证规定进行支付、承兑或者议付。
8.开证行以外的银行将单据寄送开证行。
9.开证行审核单据无误后,以事先约定的形式,对已按照信用证付款、承兑或者议付的银行偿付。
10.开证行在买方付款后交单,然后买方凭单取货。
信用证的开立1.开证的申请进出口双方同意用跟单信用证支付后,进口商便有责任开证。
第一件事是填写开证申请表,这张表为开证申请人与开证行建立了法律关系,因此,开证申请表是开证的最重要的文件。
2.开证的要求信用证申请的要求在统一惯例中有明确规定,进口商务必确切地将其告之银行。
信用证开立的指示务必完整与明确。
申请人务必时刻记住跟单信用证交易是一种单据交易,而不是货物交易。
银行家不是商人,因此申请人不能希望银行工作人员能充分熟悉每一笔交易中的技术术语。
即使他将销售合同中的所有条款都写入信用证中,假如受益人确实想欺骗,他也无法得到完全保护。
这就需要银行与申请人共同努力,运用常识来避免开列对各方均显累赘的信用证。
银行也应该劝阻在开立信用证时其内容套用过去已开立的信用证(套证)。
3.开证的安全性银行接到开证申请人完整的指示后,务必立即按该指示开立信用证。
另一方面,银行也有权要求申请人交出一定数额的资金或者以其财产的其他形式作为银行执行其指示的保证。
按现行规定,中国地方、部门及企业所拥有的外汇通常务必存入中国的银行。
假如某些单位需要跟单信用证进口货物或者技术,中国的银行将冻结其帐户中相当于信用证金额的资金作为开证保证金。
信用证的简单使用流程1. 什么是信用证信用证,是国际贸易中广泛使用的支付方式。
它是由银行代表买方支付货款给卖方的一个承诺凭证。
信用证确保了卖方在交货后能及时得到货款,同时也使得买方能够确保在付款后才接收货物。
2. 信用证的基本流程使用信用证进行国际贸易涉及以下基本流程:2.1 买卖双方达成协议买卖双方在价格、数量、交货方式等方面达成一致。
2.2 开证申请买方向银行提交信用证开证申请,包括相关的合同、发票等文件。
2.3 银行开证银行核实买方的信用及资信状况,审核相关文件后,出具信用证。
2.4 信用证通知银行将信用证通知卖方,并将信用证的副本发送给卖方。
2.5 卖方准备货物卖方按照合同要求准备货物,包装并标记好。
2.6 卖方提交单据卖方按照信用证的要求向银行提交单据,包括发票、提单、装箱单等。
2.7 银行审核单据银行对卖方提交的单据进行审核,确保其符合信用证的要求。
2.8 付款/承兑银行依据信用证的规定进行付款或承兑。
2.9 银行向买方通知银行通知买方,货物已经发运。
2.10 买方接收货物买方根据信用证的要求,在货物到港后接收货物。
2.11 付款买方根据信用证的要求进行付款。
3. 信用证注意事项在使用信用证进行国际贸易时,有一些注意事项需要考虑:3.1 了解信用证的细节买卖双方在进行交易前,需要仔细了解信用证的各项细节,确保能够满足双方的交易需求。
3.2 了解国际贸易规则了解国际贸易规则(如国际商会的《国际贸易术语解释通则》),可以帮助买卖双方在信用证的使用中避免可能发生的纠纷。
3.3 注意单证要求卖方在准备单据时,要仔细遵守信用证上的各项要求,以确保银行能够顺利审核通过。
3.4 跟进货物准备和发运情况买方应及时与卖方联系,核实货物准备和发运情况,以便及时通知银行进行付款或承兑。
4. 信用证的优势信用证作为一种受信任的支付方式,具有以下优势:4.1 降低交易风险信用证将买方和卖方的风险转移到了银行,提供了交易的保障。
信用证操作流程和相关注意事项一.信用证遵守的主要原则(3 个重要原则)(1)单证一致:单据和信用证一致。
(2)单单一致:单据和单据之间一致。
(3)单内一致:单据内前后一致二.信用证操作流程简述如下:1.出口企业与国外客户确认好订单情况,确认好产品数量,单价,谈好贸易条款,例如FOB 报价,CNF 等一切基本资料。
有时候,在后面办理信用证时,可能出于关税等原因客户要求改变商品名称或者数量等,要特别谨慎的更改。
因为改了一个地方,可能会涉及到好几个地方的内容,为保持一致,请注意审查信用证里与之相关的内容。
2.出口方准备好合同与买方签订,如果不签订合同,一般可开具形式发票(P ROFORMA INVOI CE)给买方客户。
3.客户收到形式发票后,向其所在银行,即开证行申请开出信用证。
这里说明一下,客户申请开证一般是填一张信用证申请表(APPLI CATI ON F ORM)。
在正式提交申请开证之前,请让客户先把开证草稿发给我方确认。
待所有疑问都达成一致之后,再通知客户开证。
4.开证行根据客户提交的申请表,开出信用证,一般是以国际银行电传(SWIF T)方式,开到卖方所在地通知行。
开证行一定要让客户找知名度高的。
一般找在国际上排名前2 0名的银行。
当开证行用任何有效的电讯传递方式指示通知行,通知信用证或信用证的修改,该电讯将被认为是有效信用证文件或有效修改书,并且不需要再发出邮寄证实书。
5.卖方银行,术语叫:在大多数情况下,信用证不是由开证行直接通知受益人,而是通过其在受益人国家或地区的代理行,即通知行进行转递的。
通知行通知受益人的最大优点就是安全。
通知行将信用证L/C 以正本形式通知买方,并收取通知费(ADVISI NG F EE)6.受益人在收到信用证以后,应立即作如下的检查:(1 )买卖双方公司的名号和地址写法是不是和发票上打印的公司名号和地址写法完全一样?要特别注意信用证里Applicant(申请人)和beneficiar y(受益人)在整个信用证里前后的书写保持一致。
上机1:信用证的介绍与流转操作1:阅读理解,请从信用证中找出下列内容(若无,则无需填写):(1)开证人:(2)受益人:(3)信用证号码:(4)信用证性质:(5)开证日期(6)信用证有效期及到期地点(7)装运港(8)目的港(9)装运期限(10)分批装运和转运要求(11)付款时间(12)要求提交的单据(同时说明对单据的要求)(13)交单期限(14)信用证金额(15)信用证数量和金额增减百分比(16)信用证特殊条款(17)单据不符点扣费额(18)形式发票号码及日期(19)贸易术语(20)商品名称、数量及包装(21)软条款:(22) 开证行:(23)通知行:(24)受约束的国际贸易惯例版本:(25)付款行:(26)议付行教科书信用证范例1-----8,具体见附件名单操作2:信用证的审核与修改,找出不符点,并以受益人名义写一份改证函。
信用证审核一:根据下面的合同审核信用证售货合同SALES CONTRACT卖方:Contract No:98SGQ468001 Sellers:GUANGDONG LIGHT ELECTRICAL APPLANCES CO., LTD Date: APR.22,1998Signed at: GUANGZHOU 地址:Telex:0835 Address: 52 DEZHENG ROAD SOUTH,GUANGZHOU,CHINA Fax:83556688Buyers: ABC CORP, Telex: Address: AKEDSANTERINK AUTO P.O. BOX 9, FINLAND Fax:This sales contract is made by and between the sellers and the buyers, whereby the sellers agree to sell and the buyers agree to buy the under-mentioned goods according to the terms and conditions(6)Packing: 12PCS IN A CARTON(7)Delivery from GUANGZHOU to HELSINKI(8)Shipping Marks:(9)Time of shipment:Within 30 days after receipt of L/C allowing transshipment and partial shipment.(10)Terms of Payment:By 100% confirmed irrevocable letter of credit in favor of the sellers to be available by sight draft to be opened and to reach China before MAY 1, 1998 and remain valid for negotiation in China until the 15th days after the foresaid time of shipment. Letter of credit must mention this contract number,. L/C ADVISED BY BANK OF CHINA, GUANGZHOU BRANCH, TLX:444U4K GZBCCN. All banking charges outside china(the mainland of china ) are for account of the drawee.(11)Insurance : To be effected by sellers for 110% of full invoice value covering FPA up to HELSINKI.(12) Arbitration: All dispute arising from the execution of or in connection with this contract shall be settled amicably by negotiation. In case of settlement can be reached through negotiation the case shall then be submit china international economic & trade arbitration commission. In Shenzhen(or in Beijing) for arbitration in act with its sure of procedures. The arbitral award is final and binding upon both parties for setting the disputes. The fee, for arbitration shall be borne by the losing party unless otherwise awarded.The seller: 张三The buyer: Jame SmithISSUE OF DOCUMENTARY CREDITISSUING BANK: METITA BANK LTD., FINLANDDOC. CREDIT NO.: REVOCABLECREDIT NUMBER: LRT9802457DA TE OF ISSUE: 980428EXPIRY: DATE 980416 PLACE FINLANDAPPLICANT: ABC CORPAKEKSANTERINK AUTO P.O. BOX9, FINLANDBENEFICARY: GUANGDONG LIGHT ELECTRICAL CO., LTD52 DEZHENG ROAD SOUTH, GUANGZHOU, CHINAAMOUNT: USD 3,648.00(SAY US DOLLARS THIRTY SIX THOUSANDFOUR HUNDRED AND EIGHT ONL Y)POS./ NEG. TOL.(%):5/5A V AILABLE WITH/BY: ANY BANK IN ADVISING COUNTRY BY NEGOTIATIONDRAFT AT..: DRAFTS AT 20 DAYS’ SIGHT FOR FULL INVOICE V ALUEPARTIAL SHIPMENTS: NOT ALLOWEDTRANSSHIPMENT: ALLOWEDLOADING IN CHARGE: GUANGZHOUFOR TRANSHIPTO: HELSINKISHIPMENT PERIOD:AT THE LATEST MAY 30.1998DESCRIPT. OF GOODS: 960 PCS OF HALOGEN FITTING W500, USD 6.80 PER PC AS PERSALES CONTRACT 98SG468001 DD 22,04,98 CIF HELSINKI DOCUMENTS REQUIRED:*COMMERCIAL INVOICE 1 SIGNED ORIGINAL AND 5 COPIES*PACKING LIST 1 SIGNED ORIGINAL AND 5 COPIES*FULL SET OF CLEAN ON BOARD MARING BILL OF LADING, MADE OUT TO ORDER, MARKED FREIGHT PREPAID AND NOTIFY APPLICANT(AS INDICATE ABOVE)*GSP CERTIFICATE OF ORIGIN FORM A, CERTIFYING GOOS OF ORIGIN IN CHINA, ISSUED BY COMPETENT AUTHORITIES.*INSURANCE POLICY/CERTIFICATE COVERING ALL RISKS AND W AR RISKS OF PICC. INCLUDING W AREHOUSE TO W AREHOUSE CLAUSE UP TO FINAL DESTINATION AT HELSINKI, FOR AT LEAST 120 PCT OF CIF VALUE.*SHIPPING ADVICES MUST BE SENT TO THE APPLICANT WITHIN 2 DAYS AFTER SHIPMENT, ADVISING NUMBER OF PACKAGES, GROSS WEIGHT, NET WEIGHT, VESSEL NAME, B/L NO. AND DATE, CONTRACT NO., VALUE.PRESENTATION PERIOD: 3 DAYS AFTER ISSUANCE DA TE OF SHIPPING DOCEMENT COFIRMATION: WITHOUTINSTRUCTONGS: THE NEGOTIATION BANK MUST FORW ARD THE DRAFTS AND DOCUMENTS BY REGISTERED AIRMAIL DIRECT TO US IN TWO CONSECUTIVE LOTS, UPON RECEIPT OF THE DRAFTS AND DOCUMENTS IN ORDER, WE WILL REMIT THE PRECEEDS AS INSTRUCTED BY THE NEGOTIATING BANK.2.信用证审核二根据下面的销货确认书审核信用证卖方:SICHUAN CHANGHONG号码:ELECTRIC CO., LTD NO.80067835 EAST MIANXING ROAD, 日期:HIGH-TECH PARK, DATE:13-02-2005 MIANYANG, SICHUAN, 签约地点:CHINA SIGH AT: MIANYANG,CHINA电报挂号“CABLE:TELEX:FAX:86-760-3138616 买方:BUYERS: ABC CORP, ORATION LIMITED 电报挂号“地址: CABLE:ADDRESS: TELEX:FAX:兹经买卖双方同意按下列条款成交:The undersigned sellers and buyers have agreed to close the following transactions according to the terms and conditions stipulated blowed:数量及总值均有0%的增减。
简述信用证的流转程序
信用证是一种由船运公司、银行或其他受信第三方开具的保证文件,用于保证进口商可以向出口商支付货款,并在货物到达目的地后
及时结算。
以下是信用证的流转程序:
1. 申请:出口商在开证申请人处提交信用证申请,并提供相关证
明文件和资料,如发票、装箱单、提单、报关单等。
2. 审核:开证行对信用证进行审核,包括对申请文件、合同、发
票和装箱单等的审核,以及审查信用证的条款和条件。
3. 批准:如果开证行审核同意信用证的要求,则会批准并开立信
用证,同时发出“信用证批准书”或“信用证授权书”。
4. 开证行开立信用证:信用证被批准后,开证行向出口商开立信
用证,并编写《信用证条款和条件》以及其他相关文件。
5. 出口商提交单证:出口商根据信用证的要求,提交必要的单证,如发票、装箱单、提单、报关单等。
6. 检验和装运:出口商收到货物后,按照信用证的要求进行检验,并确保货物符合条款和条件。
7. 报关和出口:出口商在货物到达目的地后,向海关申报,并按
照规定进行报关。
8. 结算:货物到达目的地后,出口商与信用证受信银行联系,按
照信用证的要求进行结算,包括支付货款、办理信用证结算保险等。
9. 收款:信用证受信银行将款项支付给出口商,并收取相关费用。
10. 结束:信用证的流转程序结束,出口商可以根据信用证的要求,继续开展贸易活动。
使用信用证结算的业务流程1. 什么是信用证结算?信用证结算是国际贸易中常用的一种支付方式,用于确保买卖双方的交易安全和信任。
信用证由买卖双方的银行作为担保,买方委托银行向卖方开立信用证,承诺在符合信用证规定的条件下支付货款。
卖方在交货后向银行提交符合信用证要求的单据,银行根据信用证的规定向卖方支付货款。
2. 信用证结算的业务流程使用信用证结算的业务流程包括以下步骤:2.1 买方向银行申请开立信用证买方在与卖方达成购销协议后,向自己的银行提出开立信用证的申请。
申请中需包括货物的描述、价格、数量、交货日期等交易细节,以及对单据的要求。
2.2 银行确认信用证的开立申请买方的银行对买方的信用支持情况进行评估,确认买方的信用能力,以及开立信用证的申请是否符合银行的规定和政策。
2.3 银行向卖方发出信用证银行根据买方的申请,向卖方发出信用证。
信用证中包括买卖双方的详细信息、货物描述、金额、单据要求等条款和条件。
同时,银行将信用证副本发送给买方。
2.4 卖方收到信用证卖方收到银行发出的信用证副本后,根据信用证的条款和条件,开始履行销售合同。
2.5 卖方向银行提交单据卖方在交货后,按照信用证的要求,向银行提交单据,例如发票、装箱单、提单、保险单等。
2.6 银行检查单据的完整性和准确性银行对卖方提交的单据进行检查,确保单据的完整性和准确性。
银行将根据单据是否符合信用证的要求,决定是否向卖方支付货款。
2.7 银行向卖方支付货款如果银行确认卖方提交的单据符合信用证的要求,银行将向卖方支付货款。
货款可以是全额付款或部分付款,具体根据信用证约定而定。
2.8 银行将单据转发给买方银行在向卖方支付货款后,将单据转发给买方,买方在收到单据后进行核查,确认货物的质量和数量是否符合合同要求。
2.9 买方支付货款给银行买方在确认单据符合要求后,根据信用证的规定,向银行支付货款。
2.10 交易完成一旦买方支付货款给银行,交易即告完成。
国际信用证交易的流程国际信用证交易(International Documentary Credit Transaction)是国际贸易中常用的支付方式之一,主要通过信用证的开立、修改、付款和结算等环节来确保买卖双方的权益和合法利益。
以下是国际信用证交易的一般流程:1.卖方与买方达成贸易合同:买方与卖方就货物、价格、数量、质量、付款方式等相关条款达成一致并签署贸易合同。
2.买方向开证行申请开证:买方根据贸易合同的条款向自己选择的开证行申请开立信用证,并提供相关资料,如合同、发票、装箱单、发货通知等。
3.开证行开具信用证:开证行根据买方的申请和提供的资料,开具信用证,并通过特定的信用证制度将信用证通知给卖方的行。
4.信用证通知:开证行通过专门的电子或纸质信函,将信用证的内容通知给卖方,并要求其在一定期限内按照信用证的规定履行相关义务。
5.卖方装运货物:收到信用证后,卖方按照信用证的要求准备货物,并将货物托运。
6.提供装运单据:卖方向该行提供符合信用证规定的装运单据,如发票、装箱单、提单或空运单等。
7.开证行核查单据:开证行收到卖方提供的单据后,核对其与信用证的要求是否一致,如果符合就接收单据。
8.付款教唆:开证行根据信用证的要求,进行合法的资金调拨并根据卖方的要求将款项支付给卖方。
9.文件交换:开证行将单据发送给买方,并要求买方接受单据。
买方收到单据后,核对单据与货物是否相符。
10.卖方与买方解决异常情况:如果单据存在问题或不符合信用证的要求,买卖双方需要协商解决,如修改信用证、议付等。
11.服从或拒绝付款:买方根据信用证的规定和单据的要求,决定是否接受单据并进行付款。
12.卖方收款:一旦买方决定接受单据并进行付款,开证行将会将款项从买方的账户中划拨给卖方的账户。
13.结算:卖方收到款项后,交付货物或提供相关服务,买方验收货物并确认满意后,双方结算交易。
14.信用证的闭卷和核销:开证行在确认所有单据和申请付款无误后,进行闭卷和核销信用证。
银行信用证流程银行信用证是国际贸易中常见的支付方式,它是由进口商的银行向出口商的银行开出的一种保证付款的凭证。
银行信用证流程是指在信用证的发出、通知、修改、付款等各个环节中所需的具体操作和程序。
下面将详细介绍银行信用证的流程及相关注意事项。
首先,进口商与出口商签订合同后,进口商向其银行申请开立信用证。
银行根据进口商的要求开立信用证,并将信用证通知出口商的银行。
出口商收到通知后,开始履行合同,准备货物并办理装运手续。
在装运前,出口商需要核对信用证的条款,确保货物符合信用证的要求,避免后期出现付款纠纷。
其次,出口商将货物装运并提供相应单据,包括发票、提单、保险单等,提交给其银行。
银行核对单据与信用证的要求是否一致,然后将单据转交给进口商的银行。
进口商的银行收到单据后,核对无误后通知进口商,并要求进口商支付货款或者承兑汇票。
接下来是付款环节,进口商根据银行信用证的要求支付货款或者承兑汇票,并提取货物。
银行将单据转交给进口商,进口商凭单据提取货物。
在这个过程中,银行对单据的核查是十分重要的,因为单据的真实性和准确性直接关系到货款的支付。
最后,银行将付款给出口商的银行,并完成信用证的结算。
出口商的银行通知出口商货款已经到账,出口商即可完成交易。
至此,整个银行信用证的流程就完成了。
在整个流程中,各个环节都需要严格遵守信用证的条款和规定,确保单据的真实有效,避免因为单据不符而导致的付款问题。
同时,出口商和进口商也需要相互配合,及时提供所需的单据和信息,以便顺利完成交易。
总的来说,银行信用证流程是国际贸易中非常重要的一环,它保障了出口商的权益,同时也为进口商提供了付款的保障。
各个环节的操作都需要严谨细致,确保交易的顺利进行。
希望本文对银行信用证流程有所帮助,谢谢阅读。
信用证可转让的操作流程下载温馨提示:该文档是我店铺精心编制而成,希望大家下载以后,能够帮助大家解决实际的问题。
文档下载后可定制随意修改,请根据实际需要进行相应的调整和使用,谢谢!并且,本店铺为大家提供各种各样类型的实用资料,如教育随笔、日记赏析、句子摘抄、古诗大全、经典美文、话题作文、工作总结、词语解析、文案摘录、其他资料等等,如想了解不同资料格式和写法,敬请关注!Download tips: This document is carefully compiled by theeditor. I hope that after you download them,they can help yousolve practical problems. The document can be customized andmodified after downloading,please adjust and use it according toactual needs, thank you!In addition, our shop provides you with various types ofpractical materials,such as educational essays, diaryappreciation,sentence excerpts,ancient poems,classic articles,topic composition,work summary,word parsing,copy excerpts,other materials and so on,want to know different data formats andwriting methods,please pay attention!信用证可转让的操作流程一、申请与开证阶段。
在进行信用证可转让的操作之前,首先要有相关的需求和安排。
信用证流转程序的操作步骤是怎么样的信用证,是在一定的期限内凭符合规定的单据付款的书面保证文件,对于信用证的流转程序,具有一定的操作步骤。
接下来就由店铺为你详细介绍信用证流转程序的操作步骤及相关法律知识。
信用证流转程序的操作步骤以信用证方式付款时,一般须经过下列基本步骤:(1)国际货物买卖合同的双方在买卖合同中明确规定采用信用证方式付款;(2)申请开证,买方向其所在地的银行提出开证申请,并缴纳一定的开证押金或提供其他保证,要求银行向卖方开出信用证;(3)通知受益人,开证行依申请书的内容开立信用证并寄交卖方所在地银行;(4)交单结汇,卖方对信用证审核无误后,即发运货物并取得信用证所要求的装运单据,再依信用证的规定凭单据向其所在地的指定银行结汇;(5)索偿,指定行付款后将汇票和货运单据寄开证行要求索偿,开证行核对单据无误后偿付向受益人付款的指定行;(6)付款赎单,开证行通知买方付款赎单。
信用证的基本内容(1)信用证的种类、号码、开证日期和有效期限。
(2)信用证的当事人,包括开证申请人、受益人、开证银行、通知行、指定行等。
(3)信用证的金额,包括信用证应支付的最高金额,信用证支付货物的币种等内容。
(4)单据条款,主要规定单据的种类及份数,主要包括提单、保险单和商业发票,但有时也要求卖方提交其他单据,如商品检验证明书、原产地证书等。
(5)汇票条款,该条款适用于使用汇票的信用证,主要规定汇票的金额、种类、份数及付款人的名称。
(6)装运条款,主要规定启运地、目的地、装运期限及是否允许分批装运等内容。
关于装运期限,如装运单据表明受益人的实际装运日期迟于信用证允许的最后装运期限,则银行将拒绝接受单据。
(7)信用证的有效期限,即银行承诺付款的期限。
此外,还可以依每笔交易的不同需要在信用证中进行特殊的规定。
信用证方式的三个特点一是信用证是一项自足文件(self-sufficient instrument)。
信用证不依附于买卖合同,银行在审单时强调的是信用证与基础贸易相分离的书面形式上的认证;二是信用证方式是纯单据业务(pure documentary transaction)。
信用证的流转程序
出口商(受益人)
船公司进口商(申请人)
议付行/通支行开证行
注释
1.进口商根据买卖合同规定,填写开证申请书,向开证行申请开立信用证
2.开证行接受进口商开证申请,收手开证押金后,依据开证申请书内容开出信用证,发送给出口商所在地通支行
3.通支行坚定信用证表面真实性后通知出口商(受益人)
4.出口上升和信用证与买卖合同条款相符后,按信用证规定装运货物
5.备齐各种装运单据并开立汇票,在信用证规定的交单期和有效期内送交当地银行(议付行)议付
6.议付行按照信用证条款审核单证相符后,按汇票金额扣除有关利息和手续费,将余额垫付给出口商。
议付行应在信用证背面做有关议付事项的必要记录,称为“背批”,其作用是防止超额和重复议付
7.议付行将汇票和装运单据分次寄往开证行索汇,以防邮递过程中繁盛单据遗失现象8.开证行对照信用证审核单据无误后,将款项偿付给议付行9.开证行通知进口商付款赎单
10.进口商付款赎单,倘若进口商验单时发现单证不符,有权拒绝付款赎单,此时,开证行就有可能造成损失。
而且,开证行不能以验单时未发现单据不符为由向议付行要求退款。
11.进口商付款赎单后,在海运方式下,凭海运提单在目的港提货
5递交L/C 下单据
6议付款项
3转递L/C
10付款赎单
9通知付款赎单
1开证申请书,开证押金
4发运
11提货
7寄单索汇2开出信用证8付汇。