标准钢管弯头尺寸
- 格式:pdf
- 大小:654.90 KB
- 文档页数:1
大管径钢管弯头标准
大管径钢管弯头是管道系统中常用的连接元件,其主要用途是改变管道的流向和流速,使流体在管道中能够平稳地流动。
为了保证大管径钢管弯头的质量和稳定性,国家相关部门制定了一系列的标准和要求,以下是大管径钢管弯头标准的主要内容:
1. 弯头的制造材料应符合国家相关标准,并经过质量检测合格。
2. 弯头的制造工艺应符合国家相关标准,包括热轧、冷拔、锻造、焊接等多种工艺。
3. 弯头的规格应符合设计要求,包括内径、壁厚、弯曲半径等参数。
4. 弯头的表面质量应符合国家相关标准,不应有裂纹、气泡、夹杂、缩孔等缺陷。
5. 弯头应进行尺寸检测、力学性能检测、无损检测等多项检测,确保其质量和可靠性。
6. 弯头的包装和运输应符合国家相关标准,确保产品在运输过程中不受损坏。
以上就是大管径钢管弯头标准的主要内容,企业在生产和销售大管径钢管弯头时需要遵循这些标准要求,以确保产品质量和安全性。
- 1 -。
大管径钢管弯头标准
大管径钢管弯头是一种常用的管道配件,用于连接大直径钢管线路中的不同部位。
为了保证管道系统的可靠性和安全性,大管径钢管弯头需要符合一定的标准规范。
首先,大管径钢管弯头的制造必须符合国家标准和行业标准,如GB/T12459、ASME B16.9、DIN2605等。
这些标准包括了弯头的型号、尺寸、材质、制造工艺、试验方法等方面的规定,确保了弯头的质量和性能。
其次,大管径钢管弯头需要进行质量检测,包括外观检查、尺寸测量、化学成分分析、力学性能测试等,以确保其符合标准要求,并满足使用要求。
同时,还需要做好弯头的防腐、防锈、防腐蚀等工作,延长其使用寿命。
最后,使用大管径钢管弯头时,需要注意其使用条件和安装要求,包括弯头的安装位置、安装方向、连接方式等,确保弯头的使用效果和安全性。
总之,大管径钢管弯头是管道系统中非常重要的一部分,需要符合一定的标准规范,并经过严格的质量检测和使用要求,以确保其安全可靠地运行。
- 1 -。
了解钢管弯头知识点总结一、钢管弯头的类型1. 按弯头角度分类:钢管弯头的角度通常分为45度、90度和180度,用于改变管道的方向和布置。
2. 按弯头半径分类:钢管弯头的半径分为长半径和短半径两种,长半径弯头的半径比短半径弯头的半径大,用于适应不同的弯头半径要求。
3. 按制造工艺分类:钢管弯头可以通过冷弯、热弯和全封头等工艺制造,不同的制造工艺会影响弯头的质量和性能。
4. 按连接方式分类:钢管弯头的连接方式包括焊接、螺纹连接、法兰连接等,根据不同的管道设计和要求选择合适的连接方式。
二、钢管弯头的材质1. 碳钢弯头:碳钢弯头广泛应用于一般工业和民用建筑中,具有价格低廉、强度高、耐腐蚀性能好等优点。
2. 不锈钢弯头:不锈钢弯头具有良好的耐腐蚀性能和抗氧化性能,适用于腐蚀性介质和高温高压环境中。
3. 合金钢弯头:合金钢弯头具有良好的耐高温、耐压性能,适用于高温高压管道系统中。
4. 铸铁弯头:铸铁弯头具有良好的机械性能和液体流动性能,适用于液体输送系统中。
5. PVC弯头:PVC弯头适用于化工、建筑和民用排水系统中,具有良好的耐腐蚀性能和耐老化性能。
三、钢管弯头的制造标准1. 美标:ANSI/ASME B16.9、ANSI/ASME B16.28、ASME B16.11等。
2. 欧标:EN 10253-2、EN 10253-4、EN 10253-1等。
3. 中标:GB/T 12459、GB/T 13401、GB/T 10752等。
4. 日标:JIS B2311、JIS B2312、JIS B2313等。
5. 德标:DIN 2605、DIN 2609、DIN 2615等。
钢管弯头的制造标准规定了弯头的尺寸、材质、工艺、质量要求等,确保了弯头的质量和性能符合工程设计和使用要求。
四、钢管弯头的选用原则1. 根据管道系统的设计要求选择合适的弯头角度和半径,确保管道的正常运行和使用。
2. 根据介质性质选择合适的弯头材质,确保弯头具有良好的耐腐蚀性能和耐高温性能。
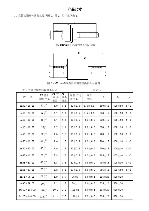
产品尺寸1、直管式钢塑转换接头见下图1、图2,尺寸见下表1。
图1 dn32-dn63直管式钢塑转换接头示意图d 2图2 dn75~dn315直管式钢塑转换接头示意图表1 直管式钢塑转换接头尺寸单位mm规格PE管平均外径d1PE管最小壁厚PE管不圆度钢管平均外径d2钢管壁厚L1L2L3dn32×25 ID 324.00+ 3.0 1.3 32±0.5 3.5±0.2 650±15 400±10 1~2 dn40×25 ID 404.00+ 3.7 1.4 32±0.5 3.5±0.2 650±15 400±10 1~2dn40×32 ID 404.0+ 3.7 1.4 38±0.5 3.5±0.2 650±15 400±10 1~2 dn40×40 ID 404.00+ 3.7 1.4 48±0.5 3.5±0.2 650±15 400±10 1~2dn50×32 ID 504.0+ 4.6 1.5 38±0.5 3.5±0.2 700±15 400±10 1~3dn50×40 ID 504.0+ 4.6 1.5 48±0.5 3.5±0.2 700±15 400±10 1~3 dn50×50 ID 504.00+ 4.6 1.5 60±0.5 3.5±0.2 700±15 400±10 1~3dn63×40 ID 634.0+ 5.8 1.6 48±0.5 3.5±0.2 705±15 405±10 1~3dn63×50 ID 634.0+ 5.8 1.6 60±0.5 3.5±0.2 705±15 405±10 1~3 dn63×57 OD 634.00+ 5.8 1.6 57±0.5 3.5±0.2 705±15 405±10 1~3dn75×76 OD 755.0+ 6.9 1.7 76±1 5.0±0.3 835±20 500±20dn90×89 OD 906.0+8.2 1.8 89±1 6.0±0.3 835±20 530±20dn110×108 OD 1106.0+10.0 2.2 108±1 6.0±0.3 835±20 580±20dn125×140 OD 1258.0+11.4 2.5 140±1 6.5±0.3 835±20 580±204、丝扣式钢塑转换弯头见下图5,尺寸见下表4B 添加义项?文案,原指放书的桌子,后来指在桌子上写字的人。
80弯头尺寸规格表80弯头尺寸规格表由于中频加热后,其熔化的金属会带着更多的热能和热量向管外逸出,从而造成管道较高的温度。
如果管道内径过大,就会导致管内产生负压。
这一现象在高压弯头生产过程中较为常见。
因此在生产中应采取有效措施消除这种现象对管件生产有较大影响。
通常采用加热至400~500℃管件停止冷却的方法,以减小内径与管壁温差来避免内径太小形成大直径弯头成型困难,并且能较好的控制加热温度过高引起管壁受热膨胀和管端冲击产生过大的变形,因此这种方法被广泛使用。
中频加热可以解决管件模具容易老化、不能自动停炉冷却弯头成形问题及其影响结构和力学性能等诸多问题。
80弯头尺寸规格表由于中频加热工艺对管件冷却有较好的作用,因此它能有效克服弯头成形时所产生的壁厚不均等缺陷,为生产提供可靠的保证。
80弯头尺寸规格表80弯头可以根据产品要求设计制造任意大小、任意形状弯管。
一般情况下可以满足用户对高压弯头生产工艺的不同要求;不同直径大小和不同壁厚的直缝弯头具有不同材质特点:中频加热在提高管子力学性能、延长其使用寿命方面有独特优势;大口径焊接可实现多根设备和管道系统互联互通,大大减少了管路系统的制造成本。
1、生产成本低对弯头成形所需的模具、材料、能源和加工余量都作了一定的限制。
尤其中频加热工艺与其他成形方法相比,生产成本更低。
中频加热和中频成形设备都可与钢管或其他管件焊接形成一个整体,可有效减少生产成本。
如采用电加热,可避免因热变形产生的应力集中;采用蒸汽或空气中其他加热方式时,电加热不需预热至熔化状态,而是直接以蒸汽加热到熔化状态;对焊接性能也没有太大影响。
这种工艺不需要复杂的工序,如加热(直切)、成形、冷却等。
而中频加热使用气体燃料(如氮气)作为燃料,故可简化成型工序。
对于直缝弯头而言,中频加热后,管件中熔化的金属与管壁接触瞬间发生氧化反应而生成氧化物颗粒而造成硬度降低。
此时,采用传统制造工艺无法制造此类直缝弯头。
桥架45度水平弯头计算公式桥架是工业、民用建筑中常见的地下管道支架设施,其主要作用是承载地下管道,并保持管道在一定的高度和方向。
而在管道布置过程中,常常需要使用45度水平弯头,来实现管道转弯、连接等功能。
那么如何计算桥架45度水平弯头的尺寸呢?下面就为大家介绍几种常用的计算方法。
1. 钢管弯头计算公式在使用钢管作为桥架45度水平弯头时,可以通过以下公式来计算弯头的弯曲半径和弯头长度:R = k × DL = π × R × θ / 180其中,R为弯曲半径,k为系数,一般取值为1.5;D为管道直径;L为弯头长度;θ为弯头角度,这里取45度。
通过上述公式计算可知,钢管45度水平弯头的长度主要取决于弯曲半径和管道直径,而弯曲半径也受到系数k的影响。
2. 塑料管弯头计算公式在使用塑料管作为桥架45度水平弯头时,由于其弯曲半径和钢管有所不同,需要使用不同的计算公式,具体如下:R = D × (1 + 0.25 k) / [2 × sin(45/2)]L = π × R × θ / 180其中,R为弯曲半径,k为系数,一般取值为1.5;D为管道直径;L为弯头长度;θ为弯头角度,这里取45度。
通过上述公式计算可知,塑料管45度水平弯头的长度主要取决于弯曲半径和管道直径,而弯曲半径的计算公式比钢管要更为复杂。
3. 其他影响因素除了上述计算公式以外,桥架45度水平弯头的尺寸还受到其他因素的影响,如弯头壁厚、管道材质、弯头的接头形式等。
因此,在具体使用过程中需要根据实际情况进行综合考虑,选择合适的弯头类型和尺寸。
总之,桥架45度水平弯头是地下管道布置中常用的一种连接方式,其尺寸计算需要考虑管道直径、弯曲半径、弯头壁厚等因素。
通过上述公式计算后可以得知弯头的长度,从而为实际操作提供指导。
但需要注意的是,不同材质的管道使用的计算公式也不同,因此在进行尺寸计算时需选择正确的公式,以确保工程质量。
90度冲压弯头规格尺寸悬赏分:0 - 解决时间:2009-4-11 16:29直径57、89、108、159、273、325的问题补充:90度弯头管中R的半径是多少?提问者:BGHGYT - 见习魔法师三级最佳答案和对应的无缝钢管的型号标注一样,外径乘以壁厚的毫米数,如:Φ57×3.5;Φ89×4.5;Φ108×4.5;Φ159×6;Φ273×6;Φ325×8;市面上的90度弯头,一般R=1.5D最常用,再就是R=5D,也有按需求定制的。
弯头,法兰标准悬赏分:10 - 解决时间:2008-10-12 10:42谁能给份弯头的标准和法兰的标准啊万分感谢弯头的画法也可以,谢谢,谢谢弯头GB/T12459-2005 ASME B16. 9-2003 DIN_2605-1-1991 等法兰也比较多,常用JB/81-94HG 20592~HG20614 HG20615~HG20635等国外的法兰标准也很多弯头有90度盒45度的。
弯曲半径标准上有。
还有长短半径弯头之分。
网上有标准可以下载的弯头的表示方法、钢制管路规格的表示方法悬赏分:0 - 解决时间:2008-8-21 01:37字母的意义提问者:hujinlia710416 - 试用期一级最佳答案冲压弯头:DN50R1.5、PN16。
DN表式公称通经、r1.5表式弯制倍率,也就是公称通径的1.5倍,PN表式压力等级为1.6Mpa。
钢管规格就是DN*3.5或Ф*3.0。
DN表式公称通径、Ф表式外径(一般用于无缝钢管),后缀数字表式钢管壁厚。
如果没有材质要求,就默认Q235材质或20#钢。
要了解弯头的表示方法,首先需要了解弯头的分类:(1)弯头按它的曲率半径来分,可分为长半径弯头和短半径弯头。
长半径弯头的曲率半径等于1.5倍的管子外径,即R=1.5D。
短半径弯头的曲率半径等于管子外径,即R=D。
式中的D为弯头直径,R 为曲率半径。
钢管弯头计算公式
钢管弯头的计算公式取决于弯头的类型和设计要求。
以下是两种常见的弯头计算公式:
1. 弯头的弯曲半径(R)计算公式为:R=(D/2)/tan(θ/2)。
其中,D代表管道直径,θ代表弯头的弯曲角度。
2. 弯头的长度计算公式是R×。
另外,弯头的重量也可以通过特定的公式进行计算。
例如,对于90度弯头(外径-壁厚)壁厚系数(碳钢按)公称通径倍数/1000=90度弯头理论重
量(公斤)。
其中,公称通径是管路系统中所有管路附件用数字表示的尺寸,公称通径用字母“DN”后面紧跟一个数字标志。
弯头倍数是弯头中心弧的
半径(曲率半径)与弯头口径的比,R=就是曲率半径是直径的倍。
请注意,这些公式仅适用于特定类型的弯头,如90度弯头。
对于不同类型
的弯头,可能存在不同的计算公式。
因此,在实际应用中,应选择适合特定情况的计算公式,并确保所使用的数据准确无误,以免出现计算错误。
焊接式弯头|不锈钢180度焊接弯头|焊接弯头|对焊弯头焊接式弯头现在国际通用的标准是美国的国家标准ANSIB16.9和16.28。
该标准的外径尺寸范围是1/2″~ 80″,一般24″以内的都是用无缝钢管为原材料,26″到80″的都是用钢板冲压以后再焊接。
壁厚最大可达60mm,最小到1.24mm。
钢种用的最多的是碳素钢(20#)、合金钢和不锈钢,共24个钢种。
锅炉上用的CrMo钢像15Cr,用量比较大。
三通,外径范围在2.5″-60″,从26″-60″为焊接三通。
壁厚28: 60mm。
大小头规格范围,常规上先说大头规格,再说小头规格,大头最小0.75″,小头最小0.5″,大头最大60″,小头最大48″,20-60″为焊接的,壁厚2.8-4.5mm。
焊接式弯头的分类:按焊接式弯头的曲率半径来分,可分为长半径弯头和短半径焊接式弯头。
长半径弯头指它的曲率半径等于1.5倍的管子外径,即R=1.5D。
短半径弯头指它的曲率半径等于管子外径,即R=D。
式中的D为弯头直径,R为曲率半径。
若按压力等级来分,大约有十七种,和美国的管子标准是相同的,有:Sch5s、Sch10s、Sch10、Sch20、Sch30、Sch40s、STD、Sch40、Sch60、Sch80s、XS;Sch80、Sch100、Sch120、Sch140、Sch160、XXS,其中最常用的是STD和XS两种。
按弯头的角度分,有45弯头,有90弯头和180弯头。
这样一来弯头的种类是很多的,定货时定单常采取如下表示方法:如"LR STD 90 8",表示长半径,压力等级为STD,90的8"弯头;又如,"SR XS 45o4"表示短半径,压力等级为XS,45o的4"弯头。
以上为弯头的大概分类情况。
焊接式弯头90°度弯头,不锈钢焊接90度弯头,弯头是管路系统中改变管路方向的管件。
按角度分,有45度及90度,180度三种最常用的,另外根据工程需要还包括60度等其他非正常角度弯头。
公称通径端部外径中心至端面Center to End中心至中心Center to Center背面至端面Back to FaceNominal Diame ter Outside Diameter atBevel45。
弯头45 ° Elbow90 °弯头90 Elbow180°180°弯头ElbowB A O KDN NPS A系列Series AB系列SeriesB长半径LongRadius长半径LongRadius短半径ShortRadius长半径LongRadius短半径ShortRadius长半径(A系列)LongRadius短半径(A系列)ShortRadius151/221.3181638-76-48-203/426.9251938-76-51-25133.73222382576515641 32 1.1/442.43825483295647052 40 1.1/248.345295738114768362 50260.35735765115210210681 65 2.1/276.1(73)76449564190127132100 80388.9895111476229152159121 90 3.1/2101.6-5713389267178184140 1004114.310864152102305203210159 1255139.713379190127381254262197 1506168.315995229152457305313237 2008219.1219127305203610406414313 25010273.0273159381254762508518391 30012323.9325190457305914610619467 35014355.63772225333561067711711533 40016406.4426254610406121981381361045018457.2478286686457137291491468650020508.052931876250815241016101676255022559-3438385591676111811188386002461063038191461018291219121991465026660-40699166019821320--70028711720438106771121341422--75030762-470114376222861524--80032813820502121981324381626--85034864-533129586425901728--90036914920565137291427441828--95038965-600144896528961930--100040101610206321524101630482032--1050421067-6601600106732002134--1•以材质划分碳钢,铸钢,合金钢,不锈钢,铜,铝合金,塑料,氩硌沥,PVC, PPR、RFPP(增强聚丙烯)等。
1.5D和2.5D是指的弯头弯曲半径,1.5和2.5是指的弯头弯曲半径的系数;D是指该弯头的公称直径。
比如DN100的弯头,1.5D的弯曲半径=1.5x100=150mm;2.5D的弯曲半径=2.5X100=250mm。
所以钢管弯头1.5D和2.5D的区别相似于以150mm和250mm画一个圆的区别。
(一个圆分成四份,其中之一份就是一个90°弯头)和对应的无缝钢管的型号标注一样,外径乘以壁厚的毫米数,如:Φ57×3.5;Φ89×4.5;Φ108×4.5;Φ159×6;Φ273×6;Φ325×8;市面上的90度弯头,一般R=1.5D最常用,再就是R=5D,也有按需求定制的。
异径管的质量应符合现行国家标准《钢制对焊无缝管件》GB/T 12459-2005的规定,并应满足下列要求:1) 异径管外观不应有裂纹、重皮,壁厚应大于大径端管段的壁厚。
2) 异径管的圆度不应大于相应端外径的1%,且允许偏差为±3mm;同心异径管两端中心线应重合,其偏心值允许偏差为±5mm。
3) 异径管尺寸允许偏差应符合表4.2.2-3的规定。
填充脱酸棉的方法简便易行,得要注意要经常更换烧焦的棉絮,填充硅铝棉的方法可以长期不用更换,但要注意更换新异径管时勿忘再次填充,若玻璃熔板变黑失去透气性,请参照第十条维护方法进行处理。
异径管(异径接头)尺寸mm(GB12459 GB/T13401) (SH3408 SH3409)法兰法兰(flange)高压法兰(sae法兰JBZQ 4187-97)又叫法兰盘或突缘。
使管子与管子相互连接的零件,连接于管端。
法兰上有孔眼,螺栓使两法兰紧连。
法兰间用衬垫密封。
法兰管件(flanged pipe fittings)指带有法兰(突缘或接盘)的管件。
它可由浇铸而成(图暂缺),也可由螺纹连接或焊接构成。
法兰联接(flange,joint)由一对法兰、一个垫片及若干个螺栓螺母组成。
钢管弯头规格尺寸
一、产品概述
钢管弯头是一种管道连接件,通常用于将管道转向或改变其流向。
它由钢管制成,具有强度高、耐腐蚀性好等特点,广泛应用于石油、化工、天然气等行业。
二、规格尺寸
1. 材质:碳钢、不锈钢、合金钢等;
2. 弯头角度:45度、90度、180度;
3. 弯头半径:1D(直径)、1.5D(直径的1.5倍)、2D(直径的2倍);
4. 壁厚:SCH10-SCH160, STD, XS, XXS;
5. 管径范围:DN15-DN1200 (1/2"-48")。
三、生产标准
1. 国际标准:ANSI B16.9, ANSI B16.28, MSS SP-43, MSS SP-75, DIN2605, DIN2615, DIN2616, JIS B2311/2312/2313;
2. 国内标准:GB/T12459, GB/T13401。
四、表面处理
1. 无需表面处理的原始状态;
2. 防锈油涂抹或喷涂防锈漆。
五、包装方式
1. 塑料袋包装,外加木箱或铁箱包装;
2. 根据客户要求进行包装。
六、质量保证
1. 产品符合国际、国内标准及客户要求;
2. 产品经过严格的质量检测,确保无缺陷;
3. 产品在运输和使用过程中,如有任何问题,将提供售后服务。
以上是钢管弯头的规格尺寸及相关信息介绍,如需了解更多详细信息,请联系我们。
英标无直段弯头(NPSM)标准通常按照BS 1139标准进行制造和检验。
以下是英标无直段弯头的一些基本要求:
1. 材料:英标无直段弯头通常采用优质碳素钢或合金钢制造,以满足高强度和高耐腐蚀性的要求。
2. 尺寸:英标无直段弯头的尺寸通常采用英寸(in)作为单位,例如1/2英寸(1/2 in)、1英寸(1 in)、1.5英寸(1.5 in)等。
不同规格的弯头具有不同的弯曲半径和内径,应根据具体应用选择合适的规格。
3. 表面处理:英标无直段弯头通常进行热镀锌或冷镀锌处理,以提高其耐腐蚀性能和使用寿命。
4. 结构:英标无直段弯头由一段或多段弯曲的钢管组成,每个弯曲段之间采用焊接或法兰连接方式。
弯头内表面应平滑,无明显的弯曲痕迹或凸起。
5. 性能要求:英标无直段弯头应满足BS 1139标准中对强度、刚度、耐腐蚀性等性能的要求。
例如,在承受压力时,弯头不应出现变形或损坏现象。
6. 检验:英标无直段弯头制造完成后应进行严格的检验,包括尺寸检验、表面处理检验、压力试验等。
检验合格后方可出厂使用。
需要注意的是,具体的英标无直段弯头标准可能因不同的应用领域而有所差异。
在实际应用中,应按照具体要求选择合适的弯头并进行正确的安装和使用。