砌筑工程施工记录表
- 格式:docx
- 大小:16.38 KB
- 文档页数:1
第1篇一、工程概况工程名称:XX综合楼砌体工程工程地点:XX市XX区XX路XX号建设单位:XX房地产开发有限公司施工单位:XX建筑工程有限公司监理单位:XX工程监理有限公司二、施工时间2023年3月1日至2023年5月31日三、施工内容1. 基础处理:在基础面或楼面上定出轴线位置和标高,所有砌体下做C15混凝土墙垫,高出建筑地面上200mm。
2. 砌筑:采用MU2小砌块,砂浆强度等级为M3。
3. 预留洞:按照设计要求预留洞口,洞口尺寸、位置及预留方式应符合设计要求。
4. 质量验收:按照《建筑工程施工质量验收统一标准》GB50300-2013及《砌体工程施工质量验收规范》GB50203-2011进行验收。
四、施工过程1. 施工准备(1)施工班组进行技术交底,明确施工做法。
(2)楼层清洁完毕,完成工作面移交手续。
(3)砌体施工前,对施工班组进行施工质量意识培训。
2. 施工实施(1)放线:按照设计要求,在基础面或楼面上定出轴线位置和标高。
(2)立皮数杆:在房屋四角或楼梯间转角处设立皮数杆,通过调整灰缝和C15混凝土墙垫保证梁、板的缝宽在2~4之间。
(3)基层表面清理、湿润:对基层表面进行清理,确保无油污、杂物等。
(4)排列砌块:按照设计要求,将小砌块排列整齐。
(5)拉线:按照轴线位置,拉线检查墙体平整度。
(6)砌筑:按照砌筑顺序,进行砌筑施工。
(7)预留洞:按照设计要求,预留洞口。
(8)质量验收:按照相关规范要求,对施工过程进行质量验收。
3. 施工注意事项(1)施工过程中,严格按照设计要求进行施工。
(2)确保砌体施工质量,避免出现墙体开裂、脱落等现象。
(3)施工过程中,注意安全防护,防止安全事故发生。
五、施工结果1. 砌体施工质量符合设计要求,无裂缝、脱落等现象。
2. 预留洞口尺寸、位置及预留方式符合设计要求。
3. 施工过程中,未发生安全事故。
六、总结本工程砌体施工过程顺利进行,施工质量符合设计要求,未发生安全事故。
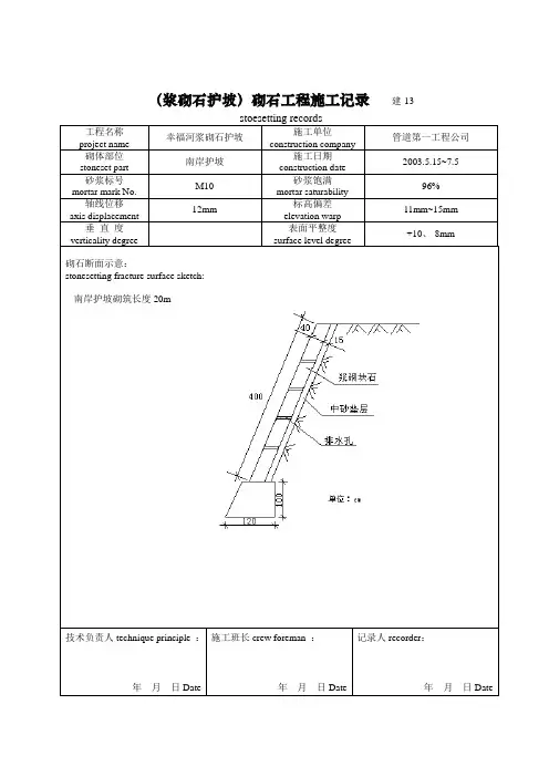
(浆砌石护坡)砌石工程施工记录建-13stoesetting records工程名称project name 幸福河浆砌石护坡施工单位construction company管道第一工程公司砌体部位stoneset part 南岸护坡施工日期construction date2003.5.15~7.5砂浆标号mortar mark No. M10砂浆饱满mortar saturability96%轴线位移axis displacement 12mm标高偏差elevation warp11mm~15mm垂直度verticality degree表面平整度surface level degree+10、-8mm砌石断面示意:stonesetting fracture surface sketch:南岸护坡砌筑长度20m技术负责人technique principle :施工班长crew foreman :记录人recorder:(浆砌石护坡)砌石工程施工记录建-13stoesetting records工程名称project name 幸福河浆砌石护坡施工单位construction company管道第一工程公司砌体部位stoneset part 北岸护坡施工日期construction date2003.5.15~7.5砂浆标号mortar mark No. M10砂浆饱满mortar saturability96%轴线位移axis displacement 9mm标高偏差elevation warp11mm~13mm垂直度verticality degree表面平整度surface level degree+8、+1mm砌石断面示意图:stonesetting fracture surface sketch:北岸护坡砌筑长度70m技术负责人technique principle:施工班长crew foreman :记录人recorder:(挡土墙)砌石工程施工记录建-13(浆砌石护坡)砌石工程施工记录建-13stoesetting records工程名称project name 泰山溢洪河浆砌石护坡施工单位construction company管道第一工程公司砌体部位stoneset part 护坡施工日期construction date2002.6.15~7.15砂浆标号mortar mark No. M10砂浆饱满mortar saturability98%线位移axis displacement 20mm标高偏差elevation warp10mm~14mm垂直度verticality degree表面平整度surface level degree+8、12mm砌石断面示意图:stonesetting fracture surface sketch: 两岸护坡长度各为55.4m技术负责人technique principle :年月日Date 施工班长crew foreman :年月日Date记录人recorder:年月日Date(浆砌石护坡)砌石工程施工记录建-13stoesetting records工程名称project name 新河浆砌石护坡施工单位construction company管道第一工程公司砌体部位stoneset part 东岸护坡施工日期construction date2003.6.16~7.28砂浆标号mortar mark No. M10砂浆饱满mortar saturability96%轴线位移axis displacement 11mm标高偏差elevation warp11mm~20mm垂直度verticality degree表面平整度surface level degree+3、-5mm砌石断面示意图:stonesetting fracture surface sketch: 东岸护坡砌筑长度33m技术负责人technique principle :年月日Date 施工班长crew foreman :年月日Date记录人recorder:年月日Date(浆砌石护坡)砌石工程施工记录建-13stoesetting records工程名称project name 新河浆砌石护坡施工单位construction company管道第一工程公司砌体部位stoneset part 西岸护坡施工日期construction date2003.6.16~7.28砂浆标号mortar mark No. M10砂浆饱满mortar saturability96%轴线位移axis displacement 12mm标高偏差elevation warp11mm~20mm垂直度verticality degree表面平整度surface level degree+11、-9mm砌石断面示意图:stonesetting fracture surface sketch:西岸护坡砌筑长度33m技术负责人techniqueprinciple :施工班长crew foreman :记录人recorder:(浆砌石护坡)砌石工程施工记录建-13stoesetting records工程名称project name 永丰河浆砌石护坡施工单位construction company管道第一工程公司砌体部位stoneset part 东岸护坡施工日期construction date2003.5.10~6.14砂浆标号mortar mark No. M10砂浆饱满mortar saturability95%轴线位移axis displacement 15mm标高偏差elevation warp15mm~20mm垂直度verticality degree表面平整度surface level degree+7、-8mm砌石断面示意图:stonesetting fracture surface sketch: 东岸护坡砌筑长度32m技术负责人technique principle :年月日Date 施工班长crew foreman :年月日Date记录人recorder:年月日Date(浆砌石护坡)砌石工程施工记录建-13stoesetting records工程名称project name 永丰河浆砌石护坡施工单位construction company管道第一工程公司砌体部位stoneset part 西岸护坡施工日期construction date2003.5.10~6.14砂浆标号mortar mark No. M10砂浆饱满mortar saturability95%轴线位移axis displacement 12mm标高偏差elevation warp13mm~21mm垂直度verticality degree表面平整度surface level degree+6、-12mm砌石断面示意图:stonesetting fracture surface sketch: 西岸护坡砌筑长度32m技术负责人technique principle :施工班长crew foreman:记录人recorder:(浆砌石护坡)砌石工程施工记录建-13stoesetting records工程名称project name 浦河浆砌石护坡施工单位construction company管道第一工程公司砌体部位stoneset part 东岸护坡施工日期construction date2003.5.28~6.30砂浆标号mortar mark No. M10砂浆饱满mortar saturability97%轴线位移axis displacement 12mm标高偏差elevation warp15mm~17mm垂直度verticality degree表面平整度surface level degree+13、-1mm砌石断面示意图:stonesetting fracture surface sketch:东岸护坡砌筑长度25m技术负责人techniqueprinciple :施工班长crew foreman :记录人recorder:(浆砌石护坡)砌石工程施工记录建-13stoesetting records工程名称project name 浦河浆砌石护坡施工单位construction company管道第一工程公司砌体部位stoneset part 西岸护坡施工日期construction date2003.5.28~6.30砂浆标号mortar mark No. M10砂浆饱满mortar saturability97%轴线位移axis displacement 11mm标高偏差elevation warp11mm~16mm垂直度verticality degree表面平整度surface level degree+3、-8mm砌石断面示意图:stonesetting fracture surface sketch:西岸护坡砌筑长度30m技术负责人technique principle:施工班长crew foreman :记录人recorder:(浆砌石护坡)砌石工程施工记录建-13stoesetting records工程名称project name 团结河浆砌石护坡施工单位construction company管道第一工程公司砌体部位stoneset part 东岸护坡施工日期construction date2002.10.20~10.25砂浆标号mortar mark No. M10砂浆饱满mortar saturability96%轴线位移axis displacement 10mm标高偏差elevation warp15mm~26mm垂直度verticality degree表面平整度surface level degree+1、-11mm砌石断面示意图:stonesetting fracture surface sketch: 东岸护坡砌筑长度21m技术负责人technique principle :年月日Date 施工班长crew foreman :年月日Date记录人recorder:年月日Date(浆砌石护坡)砌石工程施工记录建-13stoesetting records工程名称project name 团结河浆砌石护坡施工单位construction company管道第一工程公司砌体部位stoneset part 西岸护坡施工日期construction date2002.11.10~11.15砂浆标号mortar mark No. M10砂浆饱满mortar saturability95%轴线位移axis displacement 14mm标高偏差elevation warp10mm~19mm垂直度verticality degree表面平整度surface level degree+12、+1mm砌石断面示意图:stonesetting fracture surface sketch: 西岸护坡砌筑长度120m技术负责人technique principle :年月日Date 施工班长crew foreman :年月日Date记录人recorder:年月日Date(浆砌石护坡)砌石工程施工记录建-13stoesetting records工程名称project nameHD021-300m河流浆砌石护坡施工单位construction company管道第一工程公司砌体部位stoneset part 西岸护坡施工日期construction date2002.5.26~5.29砂浆标号mortar mark No. M10砂浆饱满mortar saturability95%轴线位移axis displacement 9mm标高偏差elevation warp8mm~13mm垂直度verticality degree表面平整度surface level degree+1、-12mm砌石断面示意图:stonesetting fracture surface sketch: 西岸护坡砌筑长度12.8m技术负责人technique principle :年月日Date 施工班长crew foreman :年月日Date记录人recorder:年月日Date(浆砌石护坡)砌石工程施工记录建-13stoesetting records工程名称project nameHD021-300m河流浆砌石护坡施工单位construction company管道第一工程公司砌体部位stoneset part 东岸护坡施工日期construction date2002.5.26~5.29砂浆标号mortar mark No. M10砂浆饱满mortar saturability95%轴线位移axis displacement 23mm标高偏差elevation warp5mm~19mm垂直度verticality degree表面平整度surface level degree+12、+3mm砌石断面示意图:stonesetting fracture surface sketch: 西岸护坡砌筑长度12.8m技术负责人technique principle :年月日Date 施工班长crew foreman :年月日Date记录人recorder:年月日Date(浆砌石护坡)砌石工程施工记录建-13stoesetting records工程名称project name HD026桩童子河浆砌石护坡施工单位construction company管道第一工程公司砌体部位stoneset part 西岸护坡施工日期construction date2002.6.2~.6.6砂浆标号mortar mark No. M10砂浆饱满mortar saturability97%轴线位移axis displacement 15mm标高偏差elevation warp10mm~17mm垂直度verticality degree表面平整度surface level degree+15、-3mm砌石断面示意图:stonesetting fracture surface sketch: 西岸护坡砌筑长度9m技术负责人technique principle :年月日Date 施工班长crew foreman :年月日Date记录人recorder:年月日Date(浆砌石护坡)砌石工程施工记录建-13stoesetting records工程名称project name HD026桩童子河浆砌石护坡施工单位construction company管道第一工程公司砌体部位stoneset part 东岸护坡施工日期construction date2002.6.2~6.6砂浆标号mortar mark No. M10砂浆饱满mortar saturability97%轴线位移axis displacement 18mm标高偏差elevation warp2mm~18mm垂直度verticality degree表面平整度surface level degree+12、+9mm砌石断面示意图:stonesetting fracture surface sketch: 东岸护坡砌筑长度9m技术负责人technique principle :年月日Date 施工班长crew foreman :年月日Date记录人recorder:年月日Date(浆砌石护坡)砌石工程施工记录建-13stoesetting records工程名称project name HD030+1~HD031水塘管堤浆砌石护坡施工单位construction company管道第一工程公司砌体部位stoneset part 北岸护坡施工日期construction date2002.5.26~6.13砂浆标号mortar mark No. M10砂浆饱满mortar saturability97%轴线位移axis displacement 12mm标高偏差elevation warp4mm~11mm垂直度verticality degree表面平整度surface level degree+8、-13mm砌石断面示意图:stonesetting fracture surface sketch: 北岸护坡砌筑长度85.5m技术负责人technique principle :年月日Date 施工班长crew foreman :年月日Date记录人recorder:年月日Date(浆砌石护坡)砌石工程施工记录建-13stoesetting records工程名称project name HD030+1~HD031水塘管堤浆砌石护坡施工单位construction company管道第一工程公司砌体部位stoneset part 南岸护坡及压盖施工日期construction date2002.6.16~6.27砂浆标号mortar mark No. M10砂浆饱满mortar saturability97%轴线位移axis displacement 8mm标高偏差elevation warp4mm~21mm垂直度verticality degree表面平整度surface level degree+3、-10mm砌石断面示意图:stonesetting fracture surface sketch: 南岸护坡及压盖砌筑长度85.5m技术负责人technique principle :年月日Date 施工班长crew foreman :年月日Date记录人recorder:年月日Date(浆砌石护坡)砌石工程施工记录建-13stoesetting records工程名称project name HD042~HD043永汇河浆砌石挡土墙施工单位construction company管道第一工程公司砌体部位stoneset part 西岸挡土墙施工日期construction date2002.6.19~7.6砂浆标号mortar mark No. M10砂浆饱满mortar saturability96%轴线位移axis displacement 15mm标高偏差elevation warp6mm~15mm垂直度verticality degree +1、+8mm表面平整度surface level degree+10、-11mm砌石断面示意图:stonesetting fracture surface sketch: 西岸挡土墙长度93m技术负责人technique principle :年月日Date 施工班长crew foreman :年月日Date记录人recorder:年月日Date(浆砌石护坡)砌石工程施工记录建-13stoesetting records工程名称project name HD042~HD043永汇河浆砌石挡土墙施工单位construction company管道第一工程公司砌体部位stoneset part 东岸挡土墙施工日期construction date2002.6.19~7.6砂浆标号mortar mark No. M10砂浆饱满mortar saturability96%轴线位移axis displacement 20mm标高偏差elevation warp3mm~8mm垂直度verticality degree +6、+3mm表面平整度surface level degree+8、+1mm砌石断面示意图:stonesetting fracture surface sketch: 西岸挡土墙长度84.95m技术负责人technique principle :年月日Date 施工班长crew foreman :年月日Date记录人recorder:年月日Date(浆砌石挡土墙)砌石工程施工记录建-13stoesetting records工程名称project name HD043+100m道路浆砌石挡土墙施工单位construction company管道第一工程公司砌体部位stoneset part 东岸挡土墙施工日期construction date2002.6.4~6.16砂浆标号mortar mark No. M10砂浆饱满mortar saturability96%轴线位移axis displacement 15mm标高偏差elevation warp7mm~11mm垂直度verticality degree表面平整度surface level degree+13、-2mm砌石断面示意图:stonesetting fracture surface sketch: 挡土墙长度46.5m技术负责人technique principle :年月日Date 施工班长crew foreman :年月日Date记录人recorder:年月日Date(浆砌石护坡)砌石工程施工记录建-13stoesetting records工程名称project name HD047桩大闸河浆砌石护坡施工单位construction company管道第一工程公司砌体部位stoneset part 南岸护坡施工日期construction date2002.9.9~9.10砂浆标号mortar mark No. M10砂浆饱满mortar saturability97%轴线位移axis displacement 16mm标高偏差elevation warp4mm~10mm垂直度verticality degree表面平整度surface level degree+8、+2mm砌石断面示意图:stonesetting fracture surface sketch: 南岸护坡砌筑长度30.2m技术负责人technique principle :年月日Date 施工班长crew foreman :年月日Date记录人recorder:年月日Date(浆砌石护坡)砌石工程施工记录建-13stoesetting records工程名称project name HD047桩大闸河浆砌石护坡施工单位construction company管道第一工程公司砌体部位stoneset part 北岸护坡施工日期construction date2002.10.3~10.4砂浆标号mortar mark No. M10砂浆饱满mortar saturability97%轴线位移axis displacement 11mm标高偏差elevation warp4mm~13mm垂直度verticality degree表面平整度surface level degree+7、-10mm砌石断面示意图:stonesetting fracture surface sketch: 北岸护坡砌筑长度30.2m技术负责人technique principle :年月日Date 施工班长crew foreman :年月日Date记录人recorder:年月日Date(浆砌石护坡)砌石工程施工记录建-13stoesetting records工程名称project name HD066桩环山河浆砌石护坡施工单位construction company管道第一工程公司砌体部位stoneset part 西岸护坡施工日期construction date2002.10.5~10.30砂浆标号mortar mark No. M10砂浆饱满mortar saturability95%轴线位移axis displacement 14mm标高偏差elevation warp13mm垂直度verticality degree表面平整度surface level degree+5、-3mm砌石断面示意图:stonesetting fracture surface sketch: 西岸护坡砌筑长度21.95m技术负责人technique principle :年月日Date 施工班长crew foreman :年月日Date记录人recorder:年月日Date(浆砌石护坡)砌石工程施工记录建-13stoesetting records工程名称project name HD066桩环山河浆砌石护坡施工单位construction company管道第一工程公司砌体部位stoneset part 东岸护坡施工日期construction date2002.10.8~10.30砂浆标号mortar mark No. M10砂浆饱满mortar saturability95%轴线位移axis displacement 10mm标高偏差elevation warp12mm垂直度verticality degree表面平整度surface level degree+8、-10mm砌石断面示意图:stonesetting fracture surface sketch: 西岸护坡砌筑长度21.95m技术负责人technique principle :年月日Date 施工班长crew foreman :年月日Date记录人recorder:年月日Date。
建筑工程施工记录表项目名称:XXXX建筑工程项目工程地点:XXXX市XXXX区XXXX街道建设单位:XXXX有限公司承包单位:XXXX建设工程有限公司监理单位:XXXX监理工程有限公司施工单位:XXXX建筑工程施工队施工记录表第一天施工(2022年1月1日):1. 施工单位按照工程图纸要求搭建了施工现场的临时构筑物;2. 施工队对施工现场进行了清理,清除了杂物和垃圾,确保施工环境整洁;3. 建设单位与监理单位代表到场检查并对施工单位的准备工作进行了验收,验收合格;4. 施工队开始了地基处理工作,进行了地质勘探,并开始挖掘基坑。
第二天施工(2022年1月2日):1. 施工队继续进行地基处理工作,对基坑进行了支护和排水,并开始进行地基沉降观测;2. 施工单位在现场搭建了施工用的架子和脚手架,并组织工人进行了安全培训;3. 建设单位和监理单位对地基处理工作进行了检查,发现了一些问题并要求施工单位及时整改。
第三天施工(2022年1月3日):1. 施工队对地基处理工作进行了整改,并加强了基坑的支护措施;2. 施工单位开始进行主体结构的施工,组织工人进行了混凝土浇筑和钢筋焊接工作;3. 建设单位和监理单位对主体结构施工进行了检查,对施工单位的质量管理工作进行了表扬。
第四天施工(2022年1月4日):1. 施工队继续进行主体结构的施工,完成了一层的混凝土浇筑工作;2. 施工单位加强了对工人的安全管理,设置了安全警示标识,并对施工现场进行了安全巡查;3. 建设单位和监理单位对主体结构施工的进展进行了检查,并提出了一些改进建议。
第五天施工(2022年1月5日):1. 施工队继续进行主体结构的施工,完成了二层的混凝土浇筑和钢筋绑扎工作;2. 施工单位对施工现场进行了环境整治,清理了施工垃圾和杂物,并进行了垃圾分类处理;3. 建设单位和监理单位对主体结构施工的质量进行了抽检,并发现了一些问题,要求施工单位及时整改。
第六天施工(2022年1月6日):1. 施工队继续进行主体结构的施工,完成了三层的混凝土浇筑和墙体砌筑工作;2. 施工单位对工人进行了技术培训和安全演练,确保施工作业的顺利进行;3. 建设单位和监理单位对主体结构施工的质量进行了全面检查,发现了一些技术问题,并要求施工单位及时整改。
技术交底记录施表工程名称施工单位交底概要:交底内容:一、施工准备(一)资料准备1、加气混凝土砌块:采纳600×200× 200(长×宽×高)加气混凝土砌块,天然容重≤ m3,强度等级为。
2、沙浆:宜采纳蒸压加气混凝土砌块专用沙浆,强度等级为。
(二)作业准备1.砌筑前应付基层进行清理,并铺满水泥沙浆作找平层,按设计要求丈量放线、配块,并应每层进行挂线砌筑,保证墙面平坦度和垂直度2.砌筑前应将砌块砌筑面浮灰消除洁净。
3.第一皮砌块应采纳经过防水办理的砌块(可满刷专用界面办理剂)。
二、施工工艺(一)结构要求1、砌块摆列应上下错缝,搭接长度不宜小于基层砌块长度的1/3,且最小搭接长度不该小于 100mm。
2、墙长大于 5m 或墙长超出层高两倍时应设置钢筋混凝土结构柱。
3、高度超出4m 的墙体在半高处应设置截面宽度与墙厚同样的与柱连结且沿墙全长贯穿的钢筋混凝土水平系梁。
4、顶部为自由端的墙体顶面应设置沿全长贯穿的圈梁。
5、砌块墙体与钢筋混凝土构件之间应设置拉结钢筋,应沿钢筋混凝土构件全高每隔 500~600mm 设 2Φ6 拉结筋,深入墙内长度不该小于墙长的1/5,且不该小于700mm。
1/4 墙长,且开6、砌块墙体水平方向应尽量防止开槽,若需要开槽时长度不宜大于槽深度不大于 1/3 墙厚。
(二)施工要求1.灰缝要求横平竖直,上下错缝,沙浆应饱满,并随砌随勾缝,将灰缝勾成 1~3mm的凹缝。
水平灰缝厚度与竖向灰缝宽度不该超出 15mm。
砌块墙体水平灰缝厚度和垂直灰缝饱满度不该低于 80%。
2.砌块墙体应分次砌筑,每次砌筑高度不该超出,应待上次砌筑的沙浆终凝后,再持续砌筑,日砌筑高度不宜大于。
3.砌筑墙体遇窗台时,应砌筑至窗台压顶停止砌筑,待窗台压顶浇筑达成后砌筑,窗台压顶板每边伸入墙体长度不小于 250mm。
4.墙体与结构柱连结处宜砌成马牙槎,马牙槎深入墙体 60~100mm、槎高200~300mm 并应为砌体资料高度的整倍数。
工程施工记录表格excel
项目名称:XXXX工程
项目地点:XXXX省XXXX市XXXX区
施工单位:XXXX建筑工程有限公司
施工负责人:XXXX
填表日期:XXXX年XX月XX日
序号日期施工内容施工人员施工时间施工进度存在问题解决措施
1 XXXX年XX月XX日进行现场勘察,确定施工方案工程师、测量员8:00-12:00 完成无无
2 XXXX年XX月XX日进行场地清理,搭建施工围挡施工队员8:00-17:00
进行中无提高工作效率
3 XXXX年XX月XX日进行地基基础施工土建工人8:00-17:00 进行中
部分地基不稳定加固地基
4 XXXX年XX月XX日进行钢筋安装钢筋工人8:00-17:00 进行中部分钢筋不符合要求更换钢筋
5 XXXX年XX月XX日进行混凝土浇筑混凝土工人8:00-17:00 进行中
混凝土浇筑不均匀提醒工人注意操作
6 XXXX年XX月XX日进行砌体砌筑砌筑工人8:00-17:00 进行中砖瓦质量不符合标准更换砖瓦
7 XXXX年XX月XX日进行室内装修装修工人8:00-17:00 进行中装修质量差提升装修质量
8 XXXX年XX月XX日进行设备安装设备安装工人8:00-17:00 进行中部分设备安装不稳固重新安装设备
9 XXXX年XX月XX日进行验收项目负责人8:00-12:00 完成未通过验收整改不符合要求部分
10 XXXX年XX月XX日进行项目交付施工队员8:00-17:00 完成项目结构不稳定进行结构调整
以上为工程施工记录表,如有疑问,请随时与施工负责人联系。
感谢您的合作!。
Q/CSG表5.9.1编号:单位(子单位)工程名称分部(子分部)工程名称分项工程名称验收部位施工单位项目经理分包单位分包项目经理施工执行标准(或规范)名称及编号施工质量检验及评定标准的规定施工单位自检记录监理(建设)单位验收记录主控项目1砖强度等级、规格和外加剂☆必须符合设计要求和现行有关标准的规定2砂浆品种、强度等级a☆必须符合设计要求和现行有关标准的规定3 斜槎留置☆砖砌体的转角处和交接应同时砌筑,严禁无可靠措施的内外墙分砌施工。
对不能同时砌筑而又必须留置的临时间断处应砌成斜槎,斜槎水平投影长度不小高度的2/34直槎拉结钢筋及接槎处理应符合设计要求和现行有关标准的规定5 水平灰缝砂浆饱满度灰缝横平竖直密实饱满,实心砌体水平灰缝饱满度必须达到80%以上6 基础防潮层应符合设计要求和现行有关标准的规定7轴线位移bmm≤10(8)8垂直度mm每层≤5(4)全高≤10m ≤10(8)>10m ≤20(15)Q/CSG表5.9.1(续)编号:施工质量检验及评定标准的规定施工单位自检记录监理(建设)单位验收记录一般项目1组砌方法c清水墙组砌正确,不应出现通缝,接槎密实、平直混水墙砌体上下错缝每间(处)4皮~6皮砖的通缝小于或等于3处,且不在同一面墙体上砌体接槎每个接槎部位水平灰缝厚度小于5mm或透亮缺陷不超过3个2水平灰缝厚度和竖缝宽度宜为10mm,但不应大于12mm,也不应小于8mm3基础顶面和楼面标高偏差dmm±15(10)4表面平整度mm清水墙、柱≤5(4)混水墙、柱、基础≤8(6)5门窗洞口高度、宽度偏差mm±5(4)6外墙上下窗偏移mm≤20(15)7水平灰缝平直度mm清水墙≤7(5)混水墙≤10(8)8清水墙游丁走缝mm≤20(15)9水平灰缝厚度偏差(10皮砖累计)mm±8(6)10预留洞中心位移mm≤10(8)截面内部尺寸偏差mm+10~0施工单位检查评定结果专业工长(施工员)施工班组长项目专业质量检查员:年月日监理(建设)单位验收结论专业监理工程师:(建设单位项目专业技术负责人) 年月日a指可按单位工程的同品种、同标号砂浆试块组数统一评定各分项工程砂浆强度。
砖砌石工程施工记录一、施工前准备1. 确认施工图纸和设计要求在开始砖砌石工程之前,施工队首先需要仔细查看施工图纸和设计要求,确认砌墙的尺寸、材料和工艺要求等内容。
在确定了施工要求之后,施工队才能明确施工的步骤和注意事项,确保施工过程中不出现偏差或错误。
2. 搭建安全施工保护设施为了确保施工过程中工人的安全,施工队需要搭建安全施工保护设施,包括搭建脚手架、设置警示标志、清理施工现场等。
只有通过合理的安全措施,才能保证施工过程安全顺利进行。
3. 准备施工所需的材料和工具在开始实际施工之前,施工队需要对所需的砖石材料和施工工具进行统一采购和准备。
这些材料和工具包括砖块、石材、水泥、砂浆、砖工工具、切割机等。
只有在确保所有所需材料和工具齐全的情况下,才能高效地进行施工工作。
二、施工过程1. 基础处理在开始砖砌石工程之前,首先需要对墙体基础进行处理。
这包括清理基础上的杂物和泥土,确保基础表面平整和干燥。
如果基础表面存在较大的凹凸不平,需要进行修整和打磨。
2. 砌筑砖石墙体在基础处理完毕后,施工队开始进行砖砌石墙体的施工。
首先需要在墙体上涂抹一层水泥砂浆,然后按照设计要求,逐层砌筑砖块或石材。
在砌筑过程中,需要注意控制砌筑厚度和垂直度,确保墙体整体结构牢固和平整。
3. 砌缝处理在砌筑完墙体之后,需要对砖石墙体的砌缝进行处理。
这包括清理砌缝上的杂物和残渣,然后填充水泥砂浆或砂浆,确保砌缝饱满和均匀。
在填充砂浆的过程中,需要注意砂浆的质量和比例,确保填充的砂浆质量均匀和牢固。
4. 养护处理在砌筑和砌缝处理完毕后,需要对砖砌石墙体进行养护处理。
这包括保持墙体表面的湿润和干燥,确保水泥或砂浆能够充分凝固和硬化。
在养护处理过程中,需要注意防止外界环境的影响,确保墙体能够顺利完成养护过程。
5. 清理整理施工完成后,需要对施工现场进行清理整理工作。
这包括清理施工现场上的杂物和垃圾,整理施工工具和设备,确保施工现场整洁和干净。
D--16贵州省黔南州通乡油路工程惠水县翁孔坡至甲烈通乡油路建设项目圬工砌体施工原始记录承包单位:黔南州交通建设公司合同号:01施工单位技术负责人:监理工程师:注:本表涵洞工程按每道,挡墙工程按座,桥梁工程按分项(部)填记。
D--16贵州省黔南州通乡油路工程惠水县翁孔坡至甲烈通乡油路建设项目圬工砌体施工原始记录承包单位:黔南州交通建设公司合同号:01施工单位技术负责人:监理工程师:注:本表涵洞工程按每道,挡墙工程按座,桥梁工程按分项(部)填记。
D--16贵州省黔南州通乡油路工程惠水县翁孔坡至甲烈通乡油路建设项目圬工砌体施工原始记录承包单位:黔南州交通建设公司合同号:01施工单位技术负责人:监理工程师:注:本表涵洞工程按每道,挡墙工程按座,桥梁工程按分项(部)填记。
D--16贵州省黔南州通乡油路工程惠水县翁孔坡至甲烈通乡油路建设项目圬工砌体施工原始记录承包单位:黔南州交通建设公司合同号:01施工单位技术负责人:监理工程师:注:本表涵洞工程按每道,挡墙工程按座,桥梁工程按分项(部)填记。
D--16贵州省黔南州通乡油路工程惠水县翁孔坡至甲烈通乡油路建设项目圬工砌体施工原始记录承包单位:黔南州交通建设公司合同号:01施工单位技术负责人:监理工程师:注:本表涵洞工程按每道,挡墙工程按座,桥梁工程按分项(部)填记。
D--16贵州省黔南州通乡油路工程惠水县翁孔坡至甲烈通乡油路建设项目圬工砌体施工原始记录承包单位:黔南州交通建设公司合同号:01施工单位技术负责人:监理工程师:注:本表涵洞工程按每道,挡墙工程按座,桥梁工程按分项(部)填记。
D--16贵州省黔南州通乡油路工程惠水县翁孔坡至甲烈通乡油路建设项目圬工砌体施工原始记录承包单位:黔南州交通建设公司合同号:01施工单位技术负责人:监理工程师:注:本表涵洞工程按每道,挡墙工程按座,桥梁工程按分项(部)填记。
D--16贵州省黔南州通乡油路工程惠水县翁孔坡至甲烈通乡油路建设项目圬工砌体施工原始记录承包单位:黔南州交通建设公司合同号:01施工单位技术负责人:监理工程师:注:本表涵洞工程按每道,挡墙工程按座,桥梁工程按分项(部)填记。
砌筑工班前施工活动记录
日期:[填写日期]
工作内容
1. 修整施工现场:清理工地周围的垃圾和障碍物,确保施工区
域整洁。
2. 搭建施工临时设施:根据施工要求搭建临时工棚和材料堆放区,保证施工过程中的便利和安全。
3. 准备施工材料和工具:确认所需的砖块、水泥、沙子等材料
的数量和质量,并将其准备就绪。
检查工具箱,确保工具完好无损。
4. 核对施工图纸和工程要求:仔细阅读施工图纸和工程要求,
确保施工过程中的准确性和合规性。
5. 搭建施工脚手架:根据安全规范和施工要求搭建脚手架,为
后续施工工作提供支撑和安全保障。
问题和解决方案
1. 问题:施工现场积水严重。
解决方案:清理积水,确保施工区域干燥,可以借助排水设施
或者使用泵抽水。
2. 问题:材料不齐全。
解决方案:及时补充缺失的材料,确保施工所需材料的完整性。
3. 问题:施工工具损坏。
解决方案:更换损坏的工具或进行维修,在施工前确保所有工
具的正常使用。
记录人:[填写记录人姓名]。
砌体工程施工记录表项目名称:XX砌体工程施工单位:XX建筑工程有限公司施工日期:2021年7月1日工程内容:本次施工包括砌筑砖墙、填充料墙、砌筑地库等砌体工程。
施工人员:现场负责人:张工砌筑工:王师傅、李师傅、赵师傅辅助人员:20名监理人员:李工工程材料:水泥、砖头、砂浆、填充料等施工进度安排:7月1日:组织人员到达现场,进行施工准备工作,包括清理施工区域、搭建施工脚手架等。
7月2日-7月5日:砌筑砖墙,完成地库砌体工程的砌筑标高。
同时进行填充料墙的施工。
7月6日-7月10日:对砖墙进行检查整改,完成砌筑地库及其它砌体工程。
施工记录:7月1日:上午8点,施工人员到达现场,张工布置工作任务,分工明确。
8点30分,开始清理施工区域,清理杂物,将施工区域整理干净。
9点,搭建施工脚手架,保证施工安全进行。
下午2点,开始运输工程材料,并做好材料的验收记录。
7月2日:上午8点,开始砌筑砖墙,根据设计图纸标高进行砌筑。
11点,砌筑到一定高度后,进行检查,重新调整水平和垂直度。
下午2点,将填充料墙进行施工,保证填充料的均匀性和紧密度。
7月3日:上午8点,继续进行砌筑砖墙工程,保证工程质量。
11点,检查砌筑质量,钉子是否按要求固定,是否有空鼓等情况。
下午2点,填充料墙继续进行,对填充料进行质量检查。
7月4日:上午8点,对砌筑的砖墙进行清理和防水处理。
10点,对地库砌体工程进行检查和整改,保证施工质量。
下午2点,填充料墙继续施工,对填充料的密实度进行检查。
7月5日:上午8点,砌筑砖墙工程全面完成,进行验收。
10点,对地库砌体工程进行检查和整改,保证工程质量。
下午2点,填充料墙施工全面完成,进行验收。
7月6日:上午8点,对所有砌体工程进行检查,确保施工质量符合要求。
10点,进行最终验收,并对整个工程过程进行总结汇报。
施工总结:本次砌体工程施工按照施工进度安排,保质保量完成了所有工程内容。
施工过程中,严格按照工程要求操作,注重施工质量,确保施工安全。
第1篇一、工程概况本工程位于我国某城市,总建筑面积约5万平方米,包括住宅、商业、办公等多种业态。
本次施工记录主要针对住宅部分的砌体工程。
二、施工准备1. 材料准备:水泥、砂子、砖块、钢筋、外加剂等,均需符合国家相关标准。
2. 施工队伍:组织专业砌体施工队伍,确保施工质量。
3. 施工机械:搅拌机、运输车辆、砌筑工具等,确保施工效率。
4. 施工方案:根据设计图纸,制定详细的施工方案,明确施工工艺、质量标准、安全措施等。
三、施工过程1. 砌筑基础(1)清理场地,平整基础表面,确保基础稳固。
(2)按照设计要求,设置钢筋网片,绑扎钢筋,浇筑混凝土垫层。
(3)按照施工方案,砌筑基础墙体,严格控制墙体厚度、垂直度和水平度。
2. 砌筑墙体(1)根据施工图纸,绘制墙体放样,确保墙体位置准确。
(2)按照施工方案,分层砌筑墙体,严格控制砌筑质量。
(3)墙体砌筑过程中,注意墙体垂直度和水平度,确保墙体垂直。
(4)墙体转角、门窗洞口等部位,按照设计要求进行处理。
3. 砌筑楼梯(1)根据设计图纸,绘制楼梯放样,确保楼梯位置准确。
(2)按照施工方案,砌筑楼梯,严格控制楼梯的垂直度和水平度。
(3)楼梯踏步、扶手等部位,按照设计要求进行处理。
4. 砌筑阳台、飘窗等部位(1)根据设计图纸,绘制阳台、飘窗放样,确保位置准确。
(2)按照施工方案,砌筑阳台、飘窗,严格控制砌筑质量。
(3)阳台、飘窗等部位,按照设计要求进行处理。
四、质量控制1. 材料质量:严格控制水泥、砂子、砖块等材料的质量,确保满足设计要求。
2. 施工质量:严格按照施工方案进行施工,确保砌体工程的质量。
3. 工程验收:按照国家相关标准进行工程验收,确保工程质量合格。
五、安全措施1. 施工现场安全:严格执行施工现场安全管理制度,确保施工人员安全。
2. 机械设备安全:定期检查机械设备,确保机械设备安全运行。
3. 临时用电安全:按照国家相关标准进行临时用电,确保用电安全。
六、施工进度本工程砌体工程于XX年XX月XX日开始施工,预计于XX年XX月XX日完成,确保工程按期交付使用。
砌石工程施工记录一、施工准备1.砌石工程施工前,先进行现场勘测,并确定砌石的种类、规格及数量。
根据图纸和设计要求,进行材料采购和准备。
2.施工前,对施工现场进行清理,清除杂物和污物,确保施工区域干净整洁。
3.检查施工工具和设备的完好度和安全性,并进行必要的维修和更换。
二、基础处理1.根据设计要求,先进行基础处理。
清理基坑内的杂物和污物,并保持基坑的干燥。
2.根据设计要求,进行基础的填充和夯实,确保基础平整和坚固。
三、石料切割1.根据砌石设计要求,对石块进行切割。
根据石材的规格和形状,采用合适的切割工具和设备进行操作。
2.切割后,对石料进行检查,确保切割面光滑,无裂缝和碎片。
四、砌筑石墙1.在墙体基础上涂抹一层薄砂浆,作为砌石墙的基层。
2.从底部开始砌石,先将石块放入砂浆中,并用橡胶锤轻轻敲打,使其牢固固定在基层砂浆上。
3.在砌石过程中,保持墙面的垂直和水平,通过使用水平仪和垂直仪进行检查和调整。
4. 砖与砖之间,石与石之间留有砂缝,砂缝宽度根据设计要求确定,一般为3-5mm。
5.每砌一层石块后,检查墙面的平整度和垂直度,并及时修整和调整。
五、填充砂浆1.等砌块全部完成后,对墙面进行填充砂浆。
选择适当的砂浆配合比,根据实际情况进行调配。
2.用砂浆刮刀将砂浆填充到石块的缝隙中,确保填充均匀,并用抹刀将其抹平。
3.去除多余的砂浆,并平整墙面,使其光滑整洁。
六、施工记录1.按照施工进度和工艺要求,记录施工过程中的关键节点和具体操作细节,包括材料使用情况、砌石块数量、每日施工进度等。
2.记录施工过程中遇到的问题和解决方法,以及质量检验结果和评价意见。
3.施工记录应详细,准确,以备后续施工和验收参考。
七、施工安全1.在施工过程中,严格执行相关的安全规定和操作流程,保证施工人员的安全。
2.使用合格的施工设备和工具,并确保其安全可靠。
3.对施工人员进行安全培训,提高他们的安全意识和技能水平。