电磁组智能车恒磁式20KHZ信号源设计导图
- 格式:pdf
- 大小:1.75 MB
- 文档页数:13
智能车磁导航中的信号调理电路设计2010-09-28 19:50:17 来源:END关键字:磁导航智能车信号调理电路磁导航组是即将举办的2010年第五届全国大学生“飞思卡尔”杯智能汽车竞赛中首次引入,新赛制规定,在赛道中心线下铺设漆包线,其中通有f=20 kHz,I=100 mA的交变电流,频率为(20±2)kHz,电流为50~150 mA,要求电磁组不允许通过获取道路的光学信息进行路径检测,只能通过检测漆包线周围的磁场来引导小车沿着载流线行驶。
从工作频率、输出信号的大小、器件成本、磁场强度等方面综合考虑,最适合用于磁导航赛道检测的传感器就是感应线圈。
检测线圈安装在智能车体上后,智能车前进过程中线圈与导航载流线之间的空间方位决定了线圈输出的感应电动势,再配接适当的信号调理电路,将检测线圈输出的电信号经过放大、检波等处理,最终转换为智能车单片机能接收的信号,为智能车提供导航依据,这是磁导航智能车能够正确寻道、高速行进的重要基础性工作。
而到目前为止,磁导航的检测研究还很少,本文将对检测线圈配接的信号调理电路进行探讨。
1 检测线圈中的感应电动势由于比赛用车的尺度远小于赛道长度,可将载流导线近似看作无限长直导线。
载流长直导线周围的磁感应线是以导线为轴的同心圆环,B的方向为电流i的右螺旋切向,距离导线a的P点磁感应强度式中μ0为真空磁导率,i为直导线中的交变电流,以正弦电流激励(若为非正弦波,可看作是一系列正弦波的线性迭加),i=Ipsin2πft,故B为交变磁场,通过放置在导线周围的检测线圈将交变磁场转化为感应电动势。
假设在载流导线正上方竖直放置面积为S,匝数为N的矩形检测线圈,此时磁感应强度与线圈平面垂直,以线圈中心P点处的磁感应强度可估算出通过线圈的磁通量φ式(4)表明,当线圈绕制成型后,线圈匝数Ⅳ和面积S已确定。
检测线圈输出的感应电动势还与激励电流的幅值,Ip 和频率f成正比。
赛制规定的激励电流频率为(20±2)kHz,变化不超过10%。
基于电磁传感器的智能直立车控制系统设计作者:柴鹏孙丽飞闫熙刘龙来源:《科教导刊·电子版》2013年第10期摘要本文设计并实现了电磁智能车的整体框架结构和相关硬件电路。
电磁智能车的实现使用MC9S12SX128 单片机作为核心控制芯片,并采用数字增量式PID和模糊方法作为控制算法。
关键词 MC9S12SX128 单片机舵机控制速度控制 PID中图分类号:TP273.5 文献标识码:A0 引言全国大学生智能汽车竞赛是教育部倡导的大学生科技竞赛之一。
以智能汽车为研究对象的创意性科技竞赛,是面向全国大学生的一种具有探索性的工程实践活动。
本论文采用飞思卡尔半导体公司的 8 位、16 位处理器(单核)作为唯一的微控制器,采用A型车模。
车模通过感应由赛道中心导线产生的交变磁场,进行路径检测。
本文则采用通电导线产生的电磁场对智能车进行引导。
使用磁场信号引导车沿一定轨迹行走的优点主要体现在磁场信号具有很好的环境适应性,不受光线、温度、湿度等环境因素的影响。
1 智能车整体方案设计根据电磁寻迹的设计方案,赛车整体包括以下五大模块:MC9S12XS128单片机控制模块,路径识别模块(电磁传感器模块),电机驱动模块,电源管理模块,编码器测速。
MC9S12XS128单片机是智能车的核心,负责赛道信息的接收、滤波、处理数据和调用控制算法,最终输出电机的控制信号。
1.1 电源模块设计电源管理模块的功能是对电池进行电压调节,为各个模块正常工作提供可靠的工作电压。
设计中除了考虑电压范围和电流容量外,还要在电源转化效率、降低噪音、防止干扰等方面进行优化。
本系统小车全部硬件电路的电源采用7.2 V、2000mAh镍镉蓄电池提供。
由于电路中的不同电路模块所需要的工作电压和电流容量各不相同,因此将充电电池电压转换成3.3 V、5 V和7.2 V三个档。
1.2 路径识别模块设计模块是系统信息输入的重要来源,相当于智能小车的“ 眼睛”,主要负责将小车当前或前面位置的赛道信息输出给主控芯片处理;本系统使用3个电磁传感器采集赛道信息。
二手超声波 lcplee 20KHz电源参考设计方案(设计、制作由电子设计与创新实验室完成)三峡大学第三届大学生电子设计竞赛要求设计、制作电磁感应智能电动车。
根据比赛技术要求,参赛选手设计的智能车能够检测到道路中心线下电线中20KHz交表电流产生的磁场来导引小车沿着道路行驶。
在平时调试和比赛过程中需要能够满足比赛技术要求的20KHz的交流电源驱动赛道中心线下的线圈。
本文给出了电源设计参考方案,参赛选手可以到实验室来使用有交变电流引导线的赛道进行训练、调试和比赛。
一、电源技术指标要求:20KHz电源技术要求如下:1、赛道中心线下铺设0.1-0.3mm直径的漆包线;2、频率范围:20K±2K;3、电流范围:50-150mA;我们按照普通的练习赛道总长度50,使用直径为0.2mm漆包线。
在30摄氏度下,铜线的电阻率大约为0.0185欧姆平方毫米/米。
计算可以得到中心线的电阻大约为29.4欧姆。
按照导线电感量计算公式:其中l,d的单位均为cm。
可以计算出直径为0.2mm,长度50米的铜线电感量为131微亨。
对应20KHz下,感抗约为16.5欧姆。
可以看出,线圈的电感量小于其电阻值。
由于导线的电感量与铺设的形状有关系,上述计算所得到的电感量不是准确数值。
另外,我们可以在输出时串接电容来抵消电感的感抗。
所以估算电源电压输出范围的时候,我们不再特别考虑线圈的电感对于电流的影响。
为了方便设计,我们设计电源输出电压波形为对称方波。
由于线圈电感的影响,线圈中的电流为上升、下降沿缓变的方波波形。
如下图1所示图1线圈驱动电压与电流示意图对于电阻为29.4欧姆的赛道导线,流过100mA的电流,电压峰值应该大于3V。
考虑到赛道长度有可能进一步增加、漆包线的直径减少等原因,设计电源输出电压的峰值为6V。
在输出电流为150mA的时候,电源输出功率大约为0.9W。
二、电源组成电源电路包括振荡电路、功率输出电路、恒流控制电路以及电源等组成。
电磁导引线位置检测中的传感器排布设计作者:吴文灏孙一弘王聪睿王击来源:《科技与创新》2016年第11期摘要:以第十届全国大学生“飞思卡尔杯”智能车竞赛电磁导引组为背景,研究了不同形状轨道中导引线位置的确定,从直道展开讨论,考虑到导引线电流小,频率低,认为其附近磁场分布均匀。
进行了传感器的设计以及曲线拟合算法和差值法的电感排布。
分析了两种方法的原理及位置解算,使用双电感差值法解决单个电感无法分辨左右的问题,小车实现了利用电磁原理确定导引线位置自主行驶。
关键词:智能车;电磁导引;电感排布设计;曲线拟合法;双电感差值法;差值加权法中图分类号:TP23 文献标识码:A DOI:10.15913/ki.kjycx.2016.11.091文章编号:2095-6835(2016)11-0091-02当今社会,无人自主车在减轻军事伤亡和生活智能化方面都有着重要意义,本文以地面无人自主车和第十届全国大学生“飞思卡尔杯”智能车竞赛电磁导引组为背景,研究了不同形状轨道中导引线位置的确定,进行了传感器设计、电感分布设计及其理由和算法解算位置的分析,详细介绍了基于差值法和曲线拟合法的电感排布设计及其电磁导引线位置解算,并对其进行了优化。
1 传感器设计1.1 导线周围磁场分析电磁小车使用路径导航的交流电流频率为20 kHz,波长为15 km。
由于电磁小车尺寸远远小于电磁波的波长,电磁场辐射能量很小。
因此,将导线周围缓慢变化的磁场近似为静态磁场获取导线周围的磁场分布,从而检测导引线位置。
考虑到实时运行时不能在控制周期内得到相应位置值,且通过分析,赛道主要由直道、弯道组成,弯道变化多,不利于磁场解算,但直道简单,于是,本文从直道展开讨论,长直导线周围的磁场分布分析如下。
1.2 电磁检测导引线原理选用10mH的工字电感作传感器。
传感器在导引电线产生的磁场中放置如图1所示。
假设线圈中心到导线垂直距离为r,电感线圈中的感应电动势经过放大器放大和检波电路检波后,得到直流信号E,正比于e的峰峰值。
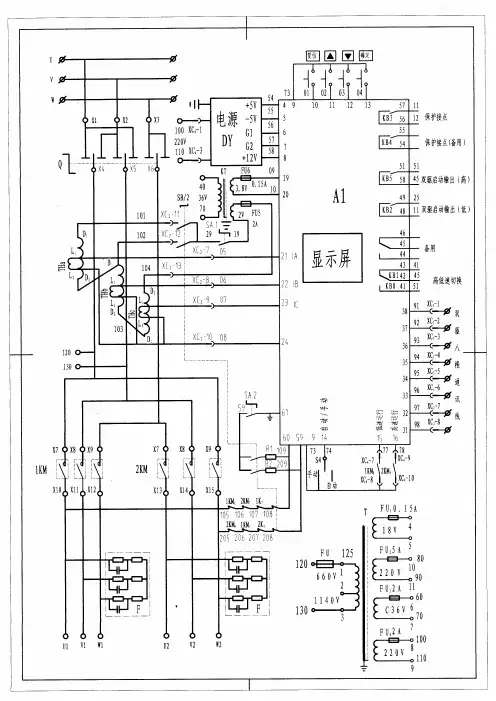
电磁组智能车恒磁式20KHZ信号源设计导图现在我们借助电磁组用的20KHZ的信号发生器看看能学到些什么。
信号发生器分三个部分组成,20K信号发生器、功率输出部分(功率输出可以采用多种方式,我们在这里只讨论用分立元件组成的H桥)、恒流源部分。
20K信号的发生有多种方式,可以使用单片机也可以使用555还可以使用其他的振荡电路(教材上有详细的介绍)。
下面我们主要讨论一下H桥和恒流控制。
这是一个H桥功率输出+恒流电路,现在我们把它拆分成两部分来看。
首先是H桥的主体如下图所示。
这是上臂由PNP三极管和下臂由NPN三极管构成的H桥。
其原理是在三极管工作在关闭和饱和两种状态的基础下,当控制Q1和Q4导通并且另外两只三极管截至的情况下电流会从负载(RL)的左侧流向右侧(红线方向);同理当Q2和Q3导通Q1和Q4截至的时候电流会从负载的右侧流向左侧(绿线方向)。
让NPN三极管工作在饱和的状态(当开关使)只要使其基极电流足够大就可以了(不可太大会烧坏管子的),当Vbe大于导通电压时集电极和发射极导通。
一般NPN三极管当开关使的电路如下图所示。
与NPN三极管不同的是PNP三极管的Vbe为负压时(电流从发射极流向基极)发射极和集电极导通。
一般PNP三极管当开关使的电路如下图所示。
通过观察这两个开关电路可以发现NPN三极管开关电路的负载比三极管更靠近电源正极,而PNP三极管开关电路的负载比三极管更靠近地。
为什么要这么做呢,如果放反了会怎么样呢,以NPN三极管为例。
我们都知道NPN三极管正常工作时发射极电位是小于基极电位的,所以上图电路中的三极管是工作在放大状态下的。
这个电路的好处在于基极电流很小(输入阻抗很大),基极电流近似等于(基极电压-导通电压)/负载电阻/β。
在共集放大电路(在学习共集放大电路的时候不妨也顺便看看共基放大电路)和推挽电路中会看到它的身影。
这个电路稍微改造一下就变成了一个最简单的(之一吧)恒流源。
流过负载电阻RL的电流近似恒定为(Vref-导通电压)/Rfb。
电磁调速电动机接线图之宇文皓月创作电磁调速电动机是由滑差离合器和一般异步电动机结合在一起组成的,在规定的范围内,它能实现均匀连续无极调速。
电磁调速控制器:7芯接线(1、2、3、4、5、6、7)电磁调速电动机:5端子(励磁线圈:F1、F2、测速发电机:U、V、W)电磁调速控制器1、2接220V电源相线和零线; 3、4(两根粗的)接励磁线圈F1、F2; 5、6、7接电磁调速电机的测速发电机U、V、W一般异步电动机:U、V、W通过接触器接电源 R 、S、T。
JDIA型电磁调速电动机控制器是原机械工业部全国联合(统一)设计产品,用于电磁调速电动机(滑差电机)的调速控制。
实现恒转矩无级调速。
一、型号含义:二、使用条件:1、海拔不超出1000m。
2、周围环境温度;-5℃-+40℃。
3、相对湿度不超出90% (20℃以下时)。
4、振动频率10-15OHz时,其最大振动加速度应不超出0.5g。
5、电网电压幅位动摇±10%额定值时、包管额定使用。
6、周围介质没有导电尘埃和能腐蚀金属和破坏绝缘的气体。
三、主要技术数据:3.1手操普通型(见下表)型号JDIA-11 JDIA-40 JDIA-90电源电压-220V ±10%频率50-60Hz员大输出定额直流90V 3.15A 直流90V 5A 直流90V 8A可控制电机功率0.55~11KW 15 ~ 40KW 45 ~ 90KW测速发电机单相或三相中频电压转速比为≥2V/100min≤3%额定转速时的转速变更率稳速精度≤1%四、基本工作原理:从图1方框图可知,控制器由可控硅主回路、给定电路、触发电路、测速负反馈电路等环节组成。
主回路:采取可控硅半波直流电路。
由于励磁线圈是一个电感性负载,为了让电流连续,因此在励磁线圈前并联一个续6R二级管(C2)。
主回路的呵护装置:用熔断器(RD)进行短路呵护,用压敏电阻1(Rv)进行交流侧浪涌电压保。
给定电路:4w交流电压由变压器副边经BZ01桥式整流,Rl、cl、C2兀型滤波后,以WD2WD1,稳压管加到给定电位器w1,两端。
基于磁场导航智能车控制器的设计学校:专业:电气工程及其自动化带队教师:参赛队员:第一章前言 (3)第二章方案论证 (4)第三章整体设计思路 (5)1)、磁场检测原理2)、系统整体结构3)、定磁场放大电路4)、交变磁场放大电路第四章单元电路 (10)1)、单片机最小统2)、速度传感器模块3)、磁场检测模块4)、电机驱动模块5)、舵机驱动模块6)、LCD显示模块第五章软件设计 (18)第七章结论 (21)附页在智能导航系统中,如无人驾驶飞机、无人驾驶汽车,目前较为常用的导航方式为GPS导航。
而地球磁场的大小和方向是任何人改变不了的,因此如何利用磁场导航具有很高的研究价值。
磁导航智能车根据多给交变的磁场信息或是根据无法人为改变的地球磁场来判断方向及大小,自行达到预期的目标并完成导航任务。
当今机器人技术发展如火如荼,其应用已涉及包括国防等众多领域,工业自动化,神五、神六升天,无人探月飞船……无不得益于机器人技术的飞速发展。
智能小车应该说是最基本的机器人雏形,智能小车控制系统的研制将有助于推动智能机器人等智能控制系统的发展。
实时采集传感器信号,智能分析外部环境、路径信息,自动实现方向控制及速度调节,是智能小车控制的主要特点,其设计内容涵盖机械、汽车、电子、自动控制、计算机、传感器技术等多个学科的知识领域。
作为一门新兴的综合技术,可广泛应用于工厂自动料车、固定场地搬运车等技术领域,具有良好的应用前景。
本文设计一智能车,能够检测有磁引导的轨迹识别,及自行检测当前地磁场.在有磁导航线路时,可跟踪线路磁场,自动寻找轨迹,并迅速或按照规定速度前进.在水平面内确定方位角,当接受到位置坐标和速度等命令后,智能车可再不受人干预的情况下,自行到达目标位置.实现对特定磁导航的智能循迹和地磁场的方位角的测定,以实现水平面内的定位,用以实现导航.第二章方案论证该项目的研究内容为首先对磁场导航相关的理论进行分析,根据所分析的理论设计导航模型。
基于磁路分析的SRM设计方法开关磁阻电机工作时遵循磁阻最小原理,在外部激励的作用下产生磁阻转矩驱动转子旋转,使电机的工作磁路趋向于磁阻最小位置。
因此,可通过磁路分析的方法,获得电机主要结构参数与外部激励间的电磁关系,从而对电机结构参数进行合理选取和设计。
由于SRM的磁路结构随转子位置的变化而变化,故合理选取电机的等效计算磁路对计算过程的复杂性和设计结果的准确度具有重要意义,本例将选用SRM定转子位于对齐位置时的等效计算磁路进行磁路分析和电机本体设计。
3.2.3.1 磁路分析法磁路分析方法是基于开关磁阻电机定转子位于对齐位置时的磁路结构、磁动势方程和磁通密度分布规律对SRM的主要结构参数进行设计的方法。
由于定转子位于对齐位置时,定子磁极高度饱和,且激励相的绕组电流近似为峰值电流,故可根据SRM的设计指标要求和框架尺寸约束,并基于电机的定子极饱和磁密B s对SRM的主要结构参数进行设计。
此外,根据SRM的磁路结构并结合磁动势方程,可实现SRM的定子绕组设计。
本例所选取的三相12/8极SRM的磁路结构如图4所示,此时SRM的定、转子磁极位于对齐位置。
图4 三相12/8极SRM磁路结构(对齐位置)所设计的三相12/8极SRM的工作磁路经由定子极、定子轭、转子极、转子轭和气隙组成闭合回路。
故在磁路计算过程中,需分别对上述五类电机结构的磁通密度和磁场强度进行计算。
由于SRM在定转子对齐位置处的磁路结构较为简单,且定子磁极处于高饱和状态,相电流近似为峰值电流,故选取对齐位置的工作磁路进行磁路分析和计算。
在磁路计算中,铁芯材料的磁通密度和磁场强度的对应关系取决于所选材料的直流磁化曲线,本例选用硅钢片DW310-35作为定转子铁芯叠压材料,其直流磁化曲线如图5所示。
20004000600080001000012000140000.00.20.40.60.81.01.21.41.61.82.0磁通密度 (T )磁场强度 (A/m)图5 硅钢片DW310-35的直流磁化曲线3.2.3.2 基于磁路分析的SRM 设计流程磁路分析法基于定转子对齐位置处的磁通、磁密分布规律和电机设计经验公式,在电机框架尺寸的约束下,实现SRM 的主要结构参数设计;基于电机磁路的磁动势方程,实现对相电流和绕组匝数的初步设计。
磁导航智能车中的正弦波峰值检测电路设计【摘要】在智能车磁导航中通常以电磁线圈作为赛道路径识别传感器。
测量出电磁线圈输出感应电动势为毫伏级的正弦波信号,而智能车控制电路需要0-5V的直流电压信号。
以此为出发点,以NE555定时器为核心,设计了一种正弦波峰值检测电路。
先用电磁线圈输出的正弦波产生一个控制信号,再用此控制信号触发采样保持器采样,最后保持并输出当前正弦波峰值电压。
通过这种方法确保了信号检测的实时性、准确性和实用性。
【关键词】智能车;磁导航;正弦波;峰值检测1.整体电路设计框图检测线圈输出的正弦波信号需要进行放大和电压抬高运算。
放大和电压抬高电路输出的信号一路送入移相电路,另一路送入采样保持电路。
移相后输出的信号进入电压比较电路,产生的方波送往多谐振荡电路,在方波的下降沿触发多谐振荡器动作,产生一个窄脉宽的低电位脉冲,然后经过一个反相器,得到一个窄脉宽的高电位脉冲,用此脉冲信号控制采样保持电路进行采样。
最后输出峰值检波后的直流电压信号。
整体电路设计框图如图1所示。
2.检测线圈中感应电动势的计算1)磁导航智能车竞赛使用路径导航的交流电流频率为20KHz,产生的电磁波属于甚低频(VLF)电磁波,波长为10-100Km。
赛道中心载流导线和小车尺寸远远小于电磁波的波长,电磁场辐射的能量很小,所以能感应到电磁波的能量非常小。
因此,可以将导线周围变化的磁场近似缓变的磁场,按照检测静态磁场的方法获取导线周围的磁场分布,从而进行位置检测。
由于赛道长度远远大于小车尺寸,因此,可将赛道中心线处的载流导线近似看作无限长直导线。
那么载流长直导线周围感应磁场的分布是以导线为轴的一系列同心圆,圆上的磁场强度B大小相同,方向为电流i的右手螺旋切向。
距离导线r处P点的磁感应强度为:式中μ0为真空磁导率,i为长直导线中的交变电流。
2)导线中的电流按一定规律变化时,导线周围的磁场也将发生变化,则线圈中将感应出一定的电动势。
线圈内部感应电动势E与磁场B(t)、电磁线圈的圈数N、截面积A的关系有:由于导线中通过的电流频率较低,且线圈较小,令线圈中心到导线的距离为,认为小范围内磁场分布是均匀的,则线圈中感应电动势可近似为:即线圈中感应电动势的大小正比于电流变化率,反比于线圈中心到导线的距离,其中常量K为线圈摆放方法。
现在我们借助电磁组用的20KHZ的信号发生器看看能学到些什么。
信号发生器分三个部分组成,20K信号发生器、功率输出部分(功率输出可以采用多种方式,我们在这里只讨论用分立元件组成的H桥)、恒流源部分。
20K信号的发生有多种方式,可以使用单片机也可以使用555还可以使用其他的振荡电路(教材上有详细的介绍)。
下面我们主要讨论一下H桥和恒流控制。
这是一个H桥功率输出+恒流电路,现在我们把它拆分成两部分来看。
首先是H桥的主体如下图所示。
这是上臂由PNP三极管和下臂由NPN三极管构成的H桥。
其原理是在三极管工作在关闭和饱和两种状态的基础下,当控制Q1和Q4导通并且另外两只三极管截至的情况下电流会从负载(RL)的左侧流向右侧(红线方向);同理当Q2和Q3导通Q1和Q4截至的时候电流会从负载的右侧流向左侧(绿线方向)。
让NPN三极管工作在饱和的状态(当开关使)只要使其基极电流足够大就可以了(不可太大会烧坏管子的),当Vbe大于导通电压时集电极和发射极导通。
一般NPN三极管当开关使的电路如下图所示。
与NPN三极管不同的是PNP三极管的Vbe为负压时(电流从发射极流向基极)发射极和集电极导通。
一般PNP三极管当开关使的电路如下图所示。
通过观察这两个开关电路可以发现NPN三极管开关电路的负载比三极管更靠近电源正极,而PNP三极管开关电路的负载比三极管更靠近地。
为什么要这么做呢,如果放反了会怎么样呢,以NPN三极管为例。
我们都知道NPN三极管正常工作时发射极电位是小于基极电位的,所以上图电路中的三极管是工作在放大状态下的。
这个电路的好处在于基极电流很小(输入阻抗很大),基极电流近似等于(基极电压-导通电压)/负载电阻/β。
在共集放大电路(在学习共集放大电路的时候不妨也顺便看看共基放大电路)和推挽电路中会看到它的身影。
这个电路稍微改造一下就变成了一个最简单的(之一吧)恒流源。
流过负载电阻RL的电流近似恒定为(Vref-导通电压)/Rfb。
那么这个电路是如何恒流的呢,反馈电阻Rfb(在这里就不叫负载电阻了)是关键。
我们都知道在RL在一定范围内变化时(这点很重要,RL如果太大下文就不成立了)三极管的集电极电流=基极电流*β,集电极电流与RL无关,但是β会随着三极管工作产生的热量变化,所以β值的变化是恒流最大的敌人。
好在这里有Rfb,当β增大时集电极电流增大即流过Rfb的电流就会增大所以导致三极管发射极电压升高,进而导致基极电流变小使集电极电流稳定下来。
这就是所谓的负反馈。
可以把这个电路抽象成一个串接在主回路上的可调电阻器。
这其实就是上文要说的第二部分恒流部分。
很显然这种恒流源的缺点是功耗大(全部转变成了热量)不经济。
现在回到三极管作为开关的话题。
前边说过只要保证三极管有足够的基极电流就可以使其进入饱和状态,那么顾名思义关掉基极电流就可以使三极管关闭了。
对于NPN三极管来说很简单,单片机的IO串个限流电阻到基极就可以控制了。
但是对于PNP三极管来说,如果发射极电压高过单片机IO的电压(3.3V和5V居多)会存在三极管关不断的情况,所以当PNP三极管用作开关的时候不能用IO直接控制基极,一般情况下会用一个NPN三极管作为辅助控制如下图所示,辅助NPN三极管还可以起到电平转换的作用(单片机IO端由低电平打开PNP变成了高电平打开)。
R1(上拉电阻)和R4(下拉电阻)可以省略,但是怕三极管基极浮空(三极管的基极是可以浮空的)容易引入干扰所以NPN的基极加下拉电阻PNP的基极加上拉电阻。
R3是NPN三极管基极限流电阻,R2既是PNP的基极限流电阻也是NPN的集电极限流电阻(在这里NPN三极管的集电极电流就不满足Ibe*β了,原因是R2的阻值……,一定和上文中所说的情况区别开),没有R2只要控制信号给个高电平两个三极管就都烧了。
现在H桥的控制以及恒流方法我们都掌握了,我们试着来设计一个带恒流输出的H桥。
下图是我第一印象的设计。
对比组委会给出的电路就会发现组委会方案应用地更加灵活,电路的输入阻抗很高。
这是一个非常值得学习借鉴的电路。
虽然组委会方案最终给的两个版本里既没有使用三极管做H桥也没有采用带反馈电阻的恒流方式而是使用了开环的容易温漂的恒流方式(我猜组委会是想参赛的同学自己主动使用隐藏在这张不起眼的图里的恒流方案吧,毕竟这是传统),但是搞懂了这张图后边的问题就迎刃而解了。
一般情况下H桥我们喜欢用MOS管(说实话MOS管比三极管学起来困难一些,因为MOS的分类实在太多了特性各不相同,由于水平有限这里就单单探讨一下增强型MOSFET 吧)来做。
以增强型MOSFET为例(下文中如果说到MOS管、NMOS、PMOS等都默认是增强型MOSFET),其特性与三极管由如下几个特别明显的不同使用时要注意。
这里只是简单概述不会说的特别全以及解释的特别详细(毕竟水平有限),详细了解还需要查看教材。
①三极管是流控流型器件;而MOS管是压控流型器件,MOS正常工作的时候栅极和源极以及漏极之间的电流极其微小所以用MOS做成的放大电路比用三极管做的放大电路输入阻抗高。
正是这个不同所以基于三极管的放大电路和基于MOS的放大电路看起来电路拓扑结构非常相似但是参数差异很大。
②三极管是单向导电的而MOS不是。
以NMOS为例只要保证Vgs(栅极电压-源极电压)高于导通电压,电流既可以从源极流向漏极也可以从漏极流向源极,并且MOS完全开启后源漏两极并不像三极管一样有一个二极管带来的压降,MOS的压降主要是下文提到的Rds 决定的。
这个特性常用来在驱动感性负载时辅助续流二级管(MOSFET的原理图上都并着一个二级管)续流,续流问题一会再讨论;大功率的防反接电路如下图所示也巧妙地利用了这一特性。
③三极管的基极浮空不会有太大问题,而MOS的栅极就不多说了。
在选择MOS管以及使用MOS管的时候最常需要注意的几个参数。
①Vds(漏源两极的电压)的最大耐压值。
其实MOS是很脆弱的器件,而它又常常工作在大电压大电流的环境中,其负载多为感性负载并且电路中不可避免会有寄生电感,所以耐压余量留大点没有啥坏处尤其是对于萌新来说。
②Vgs(栅源两极的电压)的最大耐压值和Vgs(th)(开启电压),在开关电路中Vgs往往大开大合,如果电路设计使得开启MOS的Vgs太小(比Vgs(th)稍大)会造成导电沟道太窄(MOS不能完全打开造成能量损耗,其表现是驱动能力差发热量大);而Vgs在使用时接近Vgs的最大耐压值或略超过最大耐压值会造成更为可怕的现象,MOS短期内可以正常工作但是一段时间后就挂掉了换个MOS又能工作一段时间,如果设计师不认真排查问题而是出了问题就换件就凉凉了。
所以在设计电路以及选用MOS的时候一定看清楚这个参数。
③Rds(MOS开启后漏源两极间的电阻),在开关电路中比较关心这个参数,我们希望Rds越小越好。
一般情况下同级别(价格、Vds、Id等)的NMOS的Rds比PMOS的Rds要小,这也是为什么不惜增加成本不惜增加电路复杂度使用4个(三相电机是6个)NMOS来做H桥的原因之一。
④Id(漏极电流)的最大值,和三极管一样MOS的电流也不能无限增大总有饱和的时候。
有人经常把MOS的Id最大值直接作为自己电机驱动的带载能力,真不知道该说什么好。
⑤Qg(使MOS管开启时栅极需要的电荷量),简单理解就是MOS栅极和另外两极之间会有个小电容,当开启MOS(NMOS)的时候就是给电容充电,关闭NMOS的时候就是给电容放电。
开启或者关闭MOS的速度越快那么流过栅极的电流就越大,计算公式是I=Qg/t。
所以MOS驱动芯片手册上都会在最显眼的地方标上驱动芯片的最大输入输出电流,比如IR2104的IO+/-为130mA/270mA。
在这里不得不多说一下因为电路中存在寄生电感(驱动芯片的IO到栅极的那根线可以看成一个小电感和小电阻的串联,当线过长或打了过孔寄生电感就会更大),这个寄生电感和MOS的寄生电容就会玩得很开心荡个不停,所以为了避免振荡所以栅极和驱动芯片之间会加个小电阻。
一般情况下小功率的MOS的Qg也小,可以比较容易地使开关频率高一些;而大功率地Qg比较大所以很难做到太高频率的开关控制,并且需要使用带负载能力更强的驱动芯片。
因此Qg小一些对使用者是有利的。
搞清楚了MOS的一些知识,下一步就来看看如何驱动开关电路中的MOS管吧。
以IRLR7843为例,其Vds(MAX)为30V;Vgs(MAX)为正负20V;Vgs(th)为2.3V(单片机IO的3.3V 或5V是可以打开它的),下图为MOS管开关驱动电路。
看上图也许有疑问,为什么不用单片机IO直驱MOS管呢,原因之前已经说过了MOS 管栅极电流(公式也说过了)在开启关闭的时候是很大的,而单片机IO电流最大值大概在20mA左右(一般情况下单个IO带载能力是20mA,所有IO加起来带载能力也是20mA,这点需要特别注意),如果不需要MOS开启关闭地太过陡峭是可以用IO直驱的(限流电阻用大点就是了)。
所以为了保护单片机IO所以加上推挽电路(只放大电流不放大电压,之前说过)。
对于有些MOS管来说Vgs(th)比较大,3.3V或者5V的电压打不开怎么办呢,那么就在推挽电路前加一级共射放大,如下图所示。
顺便再思考一个问题,这个电路是基于IRLR7843来做的,如果现在要把MOS换成AO3400这个电路需不需要做修改呢?现在H桥下臂MOS的驱动已经掌握了,上臂MOS怎么驱动呢?和上图一样吗?我们先看一下H桥的拓扑结构(之前说过一次现在再说一次)。
假设Q1、Q4开启另外两只MOS关闭的情况下我们看看Q1漏极(S)处的电压,因为MOS开启后内阻很小所以S处的电压就约等于H桥供电电压,那么要维持MOS开启栅极(G)电压要比S大Vgs(th)才行,所以上臂MOS的驱动就需要升压了。
升压可以使用升压芯片升压到一个比H桥供电电压大10V左右的电压来给上臂驱动的推挽电路供电,或者使用经常看得见的一个二极管和一个电容组成的自举升压电路,如下图所示。
说到自举升压就不得不说电容的特性了,分析电容在电路中起到的作用就需要掌握公式:Ic=C(du/dt),这个公式的意思是电容上的电流和电容两端电压差的变化率是呈正比的,也就是说电容上有电流流过电容两端的电压差才会变化。
现在来看上边的图,假设Q2、Q3导通Q1、Q4关闭,那么OUTA处的电压大约为0V,此时+12V电源会通过D1给电容C1充电到电容两端的电压为12V(不考虑二极管压降)。
然后关闭Q1、Q3,打开Q2、Q4,在打开Q2、Q4的这一刻VB处的电压是12V,负载上还没有电流流过,OUTA处的电压还是接近0V,所以上臂MOS管是可以被打开的,随着负载上电流越来越大,OUTA处的电压也会越来越大,由于D1的存在C1无法向+12V电源放电所以VB处的电压也会随着OUTA处的电压升高,这样就能维持上臂MOS的开启。