电力电缆作业指导书
- 格式:docx
- 大小:279.98 KB
- 文档页数:12
电力电缆试验作业指导书电力电缆试验作业指导书(一)一、引言电力电缆试验是在电力工程中非常重要的一项工作。
通过试验可以检测电缆的质量和性能是否符合要求,以及发现潜在的故障和隐患。
本指导书旨在为电力电缆试验提供具体的操作指南和注意事项。
二、试验前准备1. 根据实际情况选择合适的试验方法和试验设备。
2. 查阅相关资料,了解试验的要求、标准和方法。
3. 检查试验设备是否正常工作,并做好试验仪器的校准工作。
三、试验流程1. 试验前检查(1) 检查试验电缆的外观,如有明显损坏或变形,应及时更换。
(2) 检查试验设备的安全性能,确保电源接地良好,并检查仪器连接是否牢固。
(3) 检查试验环境是否满足试验要求,如温度、湿度等。
2. 绝缘电阻试验(1) 将电缆两端导线分别连接到绝缘电阻测试仪的正负极,设置好测试参数。
(2) 启动绝缘电阻测试仪,进行绝缘电阻试验。
(3) 记录测试结果,并核对是否符合试验要求。
3. 直流电阻试验(1) 将电缆两端导线连接到直流电阻测试仪的正负极,设置好测试参数。
(2) 启动直流电阻测试仪,进行直流电阻试验。
(3) 记录测试结果,并核对是否符合试验要求。
4. 交流耐压试验(1) 将电缆两端导线分别连接到交流耐压测试仪的正负极,并设置好测试参数。
(2) 启动交流耐压测试仪,进行交流耐压试验。
(3) 记录测试结果,并核对是否符合试验要求。
5. 过热试验(1) 将电缆导线连接到过热试验设备。
(2) 设定过热试验设备的温度和时间参数。
(3) 启动过热试验设备,进行过热试验。
(4) 记录测试结果,并核对是否符合试验要求。
6. 试验结束(1) 断开电缆与试验设备的连接。
(2) 数据整理和报告编写。
四、注意事项1. 在试验过程中,应严格按照试验要求和标准操作,确保试验的准确性和可靠性。
2. 如发现试验过程中有异常情况或设备故障,应立即停止试验,并及时处理。
3. 在试验过程中,应严格遵守安全操作规程,保证试验人员的人身安全。
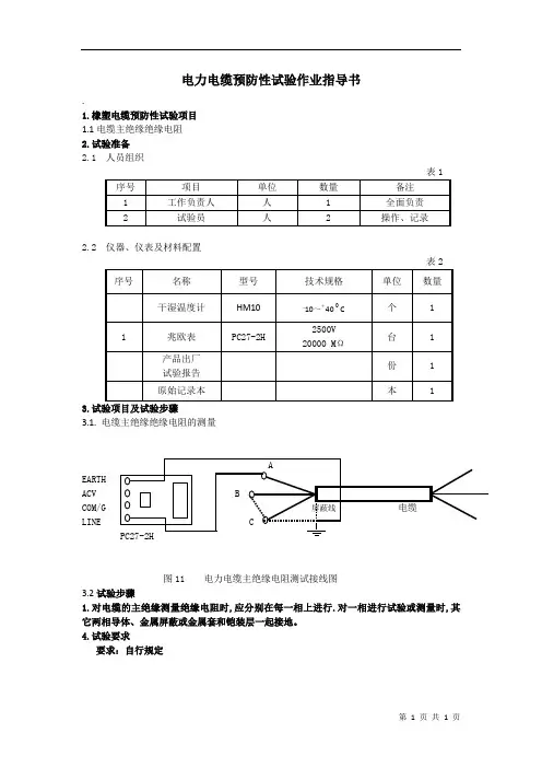
电力电缆线路常规预防性试验第一节测量主绝缘绝缘电阻一、试验目的检查电缆主绝缘对地绝缘状况,判定电缆主绝缘绝缘电阻值是否满足运行要求。
二、试验周期1、A(设备整体性检查、修理、更换)、B(设备局部性检修,主要组件、部件解体检查、修理、更换)级检修后。
2、新制作终端或中间接头后。
3、220kV及以下电压等级设备,自投运起2年内做首次预防性试验。
自首次预防性试验起,其后最长以6年为一个周期进行试验。
4、必要时。
三、试验步骤1、准备仪表:进行兆欧表的开路及短路试验,确定仪表良好。
2、确定电缆具备试验条件:落实安全措施,电缆两端拆除电缆头。
3、高压电缆主绝缘绝缘电阻测量:对于高压电缆,设置兆欧表2500V档位,高压测试线触碰一根电缆相芯,电缆另外两芯短接并接地,兆欧表地线接地,读取1min 兆欧表读数并记录数据。
同理,进行电缆另外两相主绝缘对地绝缘电阻测量。
4、低压电缆主绝缘绝缘电阻测量:对于低压电缆,设置兆欧表1000V档位,高压测试线触碰一根电缆相芯,电缆其它线芯短接并接地,兆欧表地线接地,读取1min 兆欧表读数并记录数据。
同理,进行电缆其它相主绝缘对地绝缘电阻测量。
5、放电:将电缆各相芯对地充分放电。
6、整理仪器:收拾整理仪表。
四、合格标准1、6/10kV及以上电缆用兆欧表2500V档位或5000V档位测量,电缆主绝缘绝缘电阻一般不小于1000MΩ。
2、0.6/1kV电缆用1000V档位测量,电缆主绝缘绝缘电阻一般不小于1000MΩ。
五、注意事项1、停电并验明无电后再进行试验。
2、主绝缘脏污时应先用干净的棉布及无水酒精清洁擦拭干净再试验。
第二节主绝缘交流耐压试验一、试验目的交流耐压试验是鉴定电缆主绝缘好坏最有效和最直接的方法,是保证电缆主绝缘能够安全稳定运行的一个重要手段。
二、试验周期1、A级检修(设备整体性检查、修理、更换)后2、新制作终端或中间接头后。
3、必要时。
三、试验步骤1、准备仪器:确定交流耐压机(50米以内短电缆)或串联谐振耐压设备(容量较大,无电缆长度限制)良好。
专业的论文在线写作平台
电力电缆试验作业指导书
1、工具使用前,应经专职电工检验接线是否正确,防止零线与相线错接造成事故。
2、长期搁置不用或受潮的工具在使用前,应由电工测量绝缘阻值是否符合要求。
3、工具自带的软电缆或软线不得接长,当电源与作业场所距离较远时,应采用移动电箱解决。
4、工具原有的插头不得随意拆除或改换,严禁不用插头直接将电线的金属丝插入插座。
5、发现工具外壳,手柄破裂,应停止使用,进行更换。
6、非专职人员不得擅自拆卸和修理工具。
7、手持式工具的旋转部件应有防护装置;
8、作业人员按规定穿戴绝缘防护用品;
9、电源处,必须装漏电保护器。
电力电缆故障检修作业指导书一、故障检修作业指导书概述电力电缆故障检修作业指导书是为了指导电力工程师和维修人员在电力电缆故障发生时进行有效的检修作业而编写的。
本指导书旨在提供详细的操作步骤、安全注意事项和技术要求,以确保故障检修作业的顺利进行,保障电力系统的安全运行。
二、故障检修作业指导书内容1. 作业前准备1.1 确定故障类型和位置在进行故障检修作业之前,首先需要通过故障报警系统或者巡检等方式确定故障的类型和位置。
根据故障类型的不同,采取相应的检修方法和工具。
1.2 制定作业计划根据故障类型和位置,制定详细的作业计划,包括人员配备、工具准备、时间安排等。
确保作业过程有序进行,减少故障修复时间。
1.3 安全防护措施在进行故障检修作业之前,必须采取必要的安全防护措施,包括穿戴个人防护装备、设置警示标识、确保作业区域的安全等。
同时,还应对现场进行安全评估,排除潜在的危(wei)险因素。
2. 故障检修作业步骤2.1 断电和放电在进行电力电缆故障检修作业之前,必须先断开电源,并对电缆进行放电处理,以确保作业安全。
2.2 清理作业区域清理作业区域的杂物和污物,确保作业环境整洁,减少作业过程中的安全风险。
2.3 检查电缆连接检查电缆的连接情况,确保连接坚固,没有松动或者腐蚀现象。
如有问题,及时进行修复或者更换。
2.4 检测电缆绝缘使用绝缘测试仪对电缆绝缘进行测试,判断是否存在绝缘损坏的情况。
如发现绝缘损坏,需要进行绝缘修复或者更换。
2.5 定位故障点根据故障类型和位置,采用适当的故障定位方法,如反向测量法、时域反射法等,准确确定故障点的位置。
2.6 确认故障原因根据故障点的位置和性质,结合现场实际情况,分析故障原因,找出故障的根源。
2.7 修复故障根据故障类型和原因,选择合适的修复方法和工具,进行故障修复。
修复过程中要注意操作规范,确保修复质量。
2.8 检测修复效果在故障修复后,使用合适的检测设备对修复效果进行验证,确保故障得到彻底修复,电力系统恢复正常运行。
电力电缆预防性试验及检修预试作业指导书编制时间:二〇一八年十月二十日电力电缆预防性试验作业指导书一、适用范围本作业指导书适用于新疆景峡风电项目电力电缆年度预防性试验工作。
二、参考资料及规范标准三、试验项目:四、安全及预控措施1.安全措施:2.危险点及预控措施五、作业准备1.人员准备(1)工作人员不少于5人,电气试验人员不少于3人,其中工作负责人应由项目高级运维工程师以上岗位人员担任;(2)专业技术要求:试验人员经高压专业培训,掌握预防性检修试验标准要求;运维人员须掌握电力电缆结构原理及相关试验仪器的使用,具备两票资质人员,熟悉本作业指导书。
2.仪器仪表及工具的准备六、工期定额本项工作时间为1个工作日/1回线路,不包括设备停送电及其他因素造成的延误的时间。
七、作业项目、工艺要求和质量标准7.1试验前准备工作7.2测量绝缘电阻7.3直流耐压试验将被试品短路放电并接地根据相关试验规程对测试结果判断详见记录表说明栏试验接线示意图7.4 接触电阻测试序号工作内容操作及工艺质量控制点控制措施1 摆放电桥电桥应平稳放置2 按相应的试验方法布置试验接线按相应的试验方法布置试验接线接线错误认真对照接线图检查3 估算电阻值并选择合适的测量挡选择合适的测量挡挡位不合适损坏仪器认真检查测量挡4 读取测量数据记录被试品要有足够的充电时间,当电桥检流计指示无变化时,记录读书充电时间是否足够注意观察检流计指示变化情况根据相关试验规程对测试结果判断详见记录表说明栏试验接线示意图7.5试验终结试序号工作内容操作及工艺质量控制点控制措施1 检査试验结果检査各项试验项目、数据是否齐全、数据记录是否准确,工作负责人及各试验人员在现场试验记录上签名确认2 恢复被试设备的引线用专用工具恢复被试设备的引线注意作业安全对照危险点分析内容,采取相应防范措施3 拆除试验电源,清理、撤离现场拆除试验电源,将仪器、工具、材料等搬离现场注意作业安全对照危险点分析内容,采取相应防范措施4 结束工作办理工作终结手续,会同运行人员赴现场检査,确认已恢复试验前状态,已清理工作现场八、作业中可能出现的主要异常现象及对策序号工作内容主要异常现象处理对策九、作业后闭环管理(1)工作组成员在现场检修试验记录上签字(2)工作负责人填写作业交代记录,详细记录试验全过程内容(3)工作负责人、工作验收人员及时在相应验收记录上签字,做好过程资料整理及总结归档工作。
1.目的:为了保证*电厂二期工程(2×900MW)#6标段电力电缆设备安装的施工质量,检验电力电缆设备和安装质量符合有关规程规定,保证电力电缆安全投运。
2.适用范围:适用于**电厂二期工程(2×900MW)#6标段电力电缆交接试验。
3.编制依据:3.1.SIEMENS施工图纸及安装手册3.2.《电力建设安全工作规程》(火力发电厂部分)3.3.《电气装置安装工程电气设备交接试验标准》(GB50150—91)4.试验项目:4.1.测量绝缘电阻4.2.直流耐压试验及泄漏电流测量4.3.检查电缆线路的相位5.试验人员:5.1.试验负责人 1名5.2.试验人员 3名6.试验条件:6.1.电缆施工完毕。
6.2.现场已经做好安全措施。
6.3.现场照明条件良好。
6.4.现场通讯畅通。
7.试验方案:见附图一。
8.试验方法:8.1.测量绝缘电阻8.1.1.试验接线:将测试相接入兆欧表,非测试相接地。
8.1.2.试验仪器:2500V兆欧表。
8.1.3.试验步骤:a.找出电缆两端头,确认电缆两端相位对应。
b.分别测量线芯对其它线芯及地的绝缘电阻。
c.将电缆对地充分放电,时间不小于5分钟。
8.1.4.安全注意事项:用兆欧表测定绝缘电阻时,被试物要确实与电源断开,试验中要防止与人体接触,试验后被试物必须充分放电,时间不小于5分钟。
8.2.直流耐压试验及泄漏电流测量8.2.1.试验接线:按试验仪器的要求接线。
8.2.2.试验仪器:直流高压发生器。
8.2.3.试验步骤:a.10kV电缆试验电压为35kV,3kV电缆试验电压为15kV,试验时间均为15分钟。
b.检查试验接线正确无误。
c.通知电缆对端监护人员开始试验,并要得到监护人员明确答复。
d.测量试前绝缘电阻。
e.分4个阶段升到试验电压,每阶段停留1分钟,记录泄漏电流。
f.升到试验电压后,停留15分钟,再次记录泄漏电流。
g.降下电压,断开电源,将电缆充分放电。
电力电缆试验作业指导书编写:审核:审批:xxxxxxxxxxx2015年3月1日目录1适用范围 (1)2编写依据 (1)3作业流程 (1)4作业准备 (1)5作业方法 (2)6质量控制措施及检验标准 (3)附件1 安全施工作业票 (4)1适用范围本实验作业指导书适用于电力电缆实验作业。
2编写依据表2-1编写依据3作业流程作业(工序)流程图见图3-1。
图3-1作业(工序)流程图4作业准备4.1人员配备表4-1 人员配备表4.2工器具及仪器仪表配置表4-2 主要工器具及仪器仪表配置5.1测量绝缘电阻5.1.10.6/1kV电缆线路应用2500V兆欧表测量导体对地绝缘电阻代替耐压试验,试验时间1min;5.1.2 0.6/1kV以上电缆用2500V兆欧表,6/6kV及以上电缆也可用5000V兆欧表;5.1.3 橡塑电缆外护套、内衬套用500V兆欧表,绝缘电阻不低于0.5MΩ/km;5.1.4 耐压试验前后,绝缘电阻值应无明显变化。
5.2测量金属屏蔽层电阻和导体电阻比5.2.1 测量在相同温度下的金属屏蔽层和导体的直流电阻,为以后预防性试验提供原始数据,依此判断电缆有无腐蚀、损伤等情况5.3检查电缆线路两端的相位5.3.1检查电缆线路两端相位应一致,并与电网相位相符合。
5.4直流耐压试验及泄露电流测量5.4.1试验分相进行,非被试相及屏蔽层可靠接地;5.4.2 根据电缆类型及电压等级选取规程规定的试验电压进行试验;5.4.3试验时,试验电压可分4~6个阶段均匀升压,每阶段停留1min,并读取泄漏电流值,试验电压升至规定值后维持15min,期间读取1min和15min时的泄漏电流,测量时应消除杂散电流的影响;5.4.4纸绝缘电缆泄漏电流的三相不平衡系数(最大值与最小值之比)不应大于2;当6/10kV及以上电缆的泄漏电流小于20μA和6kV及以下电压等级电缆泄漏电流小于10μA时,其不平衡系数不作规定;泄漏电流值和不平衡系数只作为判断绝缘状况的参考,不作为是否能投入运行的判据;其他电缆泄漏电流不作规定;5.4.5电缆的泄漏电流具有下列情况之一者,电缆绝缘可能有缺陷,应找出缺陷部位,并予以处理:a.泄漏电流很不稳定,b.泄漏电流随试验电压升高急剧上升,c.泄漏电流随试验时间延长有上升现象;5.5交流耐压试验5.5.1橡塑电缆优先采用20Hz~300Hz交流耐压试验,试验电压及时间按规程规定确定;5.5.2不具备试验条件或有特殊规定时,可采用施加正常系统相对地电压24h方法代替交流耐压;5.5.3当不具备条件时,额定电压U0/U位18/30kV及以下电缆,允许用直流耐压试验及泄露电流测量代替交流耐压试验。
电缆敷设作业指导书1 适用范围本指导书适用于新建和检修中的高低压电力电缆敷设作业。
2 编制依据2.1《铁路电力管理规则》和《铁路电力安全工作规程》(铁运〔1999〕103号)。
2.2《高速铁路电力管理规则》(铁总运[2015]49号)2.3《铁路电力安全工作规程补充规定》(铁总运[2015]51号)2.4《铁路电力设备安装标准》(80)铁机字1817号第三版。
2.5《铁路电力设计规范》(TB10008-2007)2.6《杭州供电段高速铁路电力设备检修管理细则》。
2.7《杭州供电段普速铁路电力设备检修管理细则》。
3安全风险提示3.1风险识别3.1.1敷设过程中存在触电伤害。
3.1.2敷设过程中存在车辆伤害。
3.1.3敷设过程中存在滑跌伤害。
3.1.4敷设过程中存在蛇犬伤害。
3.2管控措施3.2.1必须执行“三戴二穿”制度,合理安排作业人员,作业人员明确所分担的作业任务和作业安全事项。
3.2.2具备必要的电气知识和业务技能,并根据工作性质,熟悉本规程的相关部分,经考试合格并取得相关资质。
3.2.3高压设备发生接地时,室内不准接近故障点4米以内,室外不准接近故障点8米以内。
3.2.4在快速列车开行区段内进行敷设作业,必须到行车室驻站,并设置防护人员。
3.2.5具备必要的安全生产知识,学会紧急救护法,特别要学会触电急救。
3.2.6毒蛇咬伤后,不要惊慌、奔跑、饮酒,以免加速蛇毒在人体内扩散,应迅速从伤口上端向下方反复挤出毒液,伤口用布带扎紧,将伤肢固定,避免活动,以减少毒液吸收。
3.2.7犬咬伤后应立即用浓肥皂水冲洗伤口,同时用挤压法自上而下将残留伤口唾液挤出,然后再用碘酒涂搽伤口。
3.2.8雨雪天气,要及时清扫楼梯、工作平台、工作现场的积雪,要扶好、走稳注意安全。
3.2.9新参加工作的人员、实习人员,应经过安全知识教育后,方可随同参加指定的工作,并且不得单独工作。
3.2.10编制施工组织方案、召开审查会,涉及营业线施工,必须与相关单位签订安全协议。
10kV电力电缆预防性试验作业指导书作业指导书:10kV电力电缆预防性试验一、试验目的本次试验的目的是对10kV电力电缆进行预防性试验,以确保电缆的安全可靠运行。
通过试验,可以检测电缆的绝缘性能、耐电压能力以及其他关键参数,及时发现潜在问题并采取相应措施,以保障电力系统的正常运行。
二、试验范围本次试验适用于10kV电力电缆,包括但不限于架空电缆、地下电缆等。
三、试验设备与工具1. 电缆预防性试验仪:用于检测电缆的绝缘电阻、介质损耗因数、局部放电等指标。
2. 高压发生器:用于提供试验所需的高压电源。
3. 电缆接头测试设备:用于检测电缆接头的绝缘性能。
4. 电缆故障测量仪:用于定位电缆故障点。
5. 电缆剥线工具、绝缘电阻测试仪、绝缘电阻表等。
四、试验步骤1. 准备工作a. 检查试验设备与工具的完好性,确保其正常使用。
b. 查阅电缆的技术资料,了解其规格参数、试验要求等。
c. 确定试验地点,并进行现场勘察,确保环境安全与通风良好。
d. 确定试验时间,避免影响正常供电。
2. 试验前准备a. 对电缆进行外观检查,检查是否有损伤、老化等情况。
b. 清理电缆表面,确保无灰尘、油污等杂质。
c. 检查电缆接头的连接情况,确保接触良好。
d. 检查接地装置的可靠性,确保接地良好。
3. 试验操作a. 连接试验设备与电缆,确保连接良好。
b. 设置试验参数,如试验电压、试验时间等,根据电缆的规格和试验要求进行调整。
c. 开始试验,记录试验过程中的数据,如电流、电压、时间等。
d. 观察试验过程中是否出现异常情况,如电流过大、放电现象等。
4. 试验结果分析a. 根据试验数据,计算电缆的绝缘电阻、介质损耗因数等指标。
b. 判断试验结果是否符合要求,如是否达到规定的绝缘电阻值、放电等级等。
c. 若试验结果不符合要求,进行故障定位,找出问题所在,并采取相应措施修复。
五、试验安全注意事项1. 试验过程中严禁触摸高压设备和电缆,以免发生触电事故。
电力电缆试验作业指导书编码:DQSY-07目次1 适用范围 (216)2 编写依据 (216)3 作业流程图 (216)4 安全风险辨析与预控 (217)5 作业内容 (218)1、适用范围1.1 电压等级35kV 及以下配网工程。
1.2 电气类别适用于10kV 配网工程高压电力电缆交接试验。
2、编写依据表 2-1 编写依据3、作业流程图图3-1 作业流程图4、安全风险辨析与预控表4-1 工作前安全风险辨析及预控措施表请您认真检查并签名确认,您的签名意味着将承担相应的安全质量责任。
施工单位检查人:监理单位检查人:日期:日期:注:对存在风险且控制措施完善填写“√”,存在风险而控制措施未完善填写“×”,不存在风险则填写“―”,未检查项空白。
5、作业内容5.1 、作业前施工条件表 5-1作业前施工条件5.2、施工准备表5-2 施 工 准 备5.3、主要作业内容表5-3主要作业内容表5-3(续)图5-3-1 电力电缆绝缘电阻测量接线示意图(3)直流耐压试验和泄漏电流测试:分别在每一相上进行,对一相试验时,其他两相、屏蔽层、铠装层一起接地;试验电压可分 4段均匀升压,每段停留 1min,并读取泄漏电流,升至试验电压值后维持 15min,读取 1min和 15min时的泄漏电流(见图 5-3-2)。
图5-3-2 电力电缆直流耐压试验和泄漏电流测试接线示意图(4)测试绝缘电阻、直流耐压试验进行的过程中,严禁人员进入试验范围及触碰正在试验的电缆;设专人监护,直流耐压试验高压引出线应支持牢固,并有足够的安全绝缘距离。
加压前,必须认真检查试验接线,调压器零位及仪表的开始状态,均正确无误,通知有关人员离开被试电缆,包括电缆两侧,被试电缆的另一侧也应有人看护,采取呼唱应答的方式进行操作,升压过程,应观察仪表的指示,监视电缆的状表5-3(续)5.4、质量检验表 5-4 质量检验。
编号:
电缆线路检修作业指导书
审核:年月日
审定:年月日
批准:年月日
工作负责人:
编写:
作业日期:年月日至年月日
编制单位:崇义供电公司线路工区
1、适用范围
本指导书针对电缆线路检修作业工作编写而成,仅适用于该项工作。
2、使用方法
在执行标准化作业指导书过程中按照所编写的步骤由各项专责人逐项落实并打“√”。
一、组织措施
1、现场勘察
2、检修前的准备
电缆线路检修作业准备工作安排
3、人员要求
电缆线路检修对工作人员要求
4、工器具
电缆线路检修使用工器具
5、材料
线路检修使用材料
二、安全措施:
1、危险点分析
线路检修危险点分析
2、安全措施
线路检修应采取的安全措施
3、全体人员签字
三、作业分工
电缆线路检修作业分工
四、作业程序
1、开工
2、开工会
电缆线路检修的开工内容
五、消缺记录
电缆线路检修消缺记录
六、收工会
八、竣工电缆线路检修竣工内容
九、验收总结
线路检修验收总结
十、指导书执行情况评估
线路检修作业指导书执行情况评估表。
电力电缆试验作业指导书编码:DQSY-07目次1适用范围 (315)2编写依据 (315)3作业流程图 (315)4安全风险辨析与预控 (316)5作业准备 (13)6 作业方法 (6)7 质量控制措施及检验标准 (9)1适用范围西门站10KV西郊线与北窑线网架完善工程2编写依据表2编写依据3作业流程图图3作业流程图4安全风险辨析与预控4.1 电力电缆试验作业前,施工项目部根据该项目作业任务、施工条件,参照《电网建设施工安全基准风险指南》(下简称《指南》)开展针对性安全风险评估工作,形成该任务的风险分析表。
4.2 按《指南》中与电力电缆试验作业相关联的《电网建设安全施工作业票》(编码:DQSY-07-01/01),结合现场实际情况进行差异化分析,确定风险等级,现场技术员填写安全施工作业票,安全员审核,施工负责人签发。
4.3 施工负责人核对风险控制措施,并在日站班会上对全体作业人员进行安全交底,接受交底的作业人员负责将安全措施落实到各作业任务和步骤中。
4.4 安全施工作业票由施工负责人现场持有,工作内容、地点不变时可连续使用10天,超过10天须重新办理作业票,在工作完成后上交项目部保存备查。
表 4.1 作业任务安全基准风险指南5 作业准备5.1 作业前施工条件表5.1 作业前施工条件5.2 人员、主要工器具及仪器仪表配置表5.2 人员、主要工器具及仪器仪表配置6 作业方法表6 作业方法7.1质量控制措施7.1.1现场负责人应根据现场情况安排技术人员负责质量监控。
7.1.2作业人员必须熟悉工程作业流程和质量检验标准;技术岗位人员必须持有与作业相应、有效的上岗证。
7.1.3现场负责人在进行安全技术交底时必须详细介绍本作业质量控制要点、常见的质量通病及其防治措施。
7.1.4作业现场必须有经审核批准的设计图纸和施工方案,作业人员必须按图施工。
7.1.5施工质量检验一般按以下方式进行。
质量检验一般采用三级检验制,施工队(组)对所施工的分项工程应进行100%的质量自检;项目部对所负责施工的分部工程和单位工程组织质量检查,复检比例不宜低于50%;公司对单位工程组织检查,抽检比例不宜低于20%。
电力电缆试验作业指导书前言电力电缆是电力传输和分配的重要部分,而电力电缆试验作业则是确保电缆性能和安全的关键环节。
本指导书旨在向电力电缆试验作业人员提供操作指南,以保证试验作业的正确性和有效性。
试验前准备在进行电力电缆试验工作之前,需进行以下准备工作。
1.了解电缆试验的目的及测试范围在进行电力电缆试验之前,需要了解试验的目的和测试范围,以明确试验的实施要求和验收标准。
2.熟悉试验仪器的工作原理和操作方法试验仪器是进行电力电缆试验的重要工具,因此需要熟悉试验仪器的工作原理和操作方法。
试验人员应熟练掌握试验仪器的主要功能和操作方法,以避免试验过程中出现误操作或设备故障。
3.检查试验仪器和配件的使用状态和准确度在进行电力电缆试验之前,需要检查试验仪器和配件的使用状态和准确度,以确保试验过程的精准度和可靠性。
检查工作包括检查设备是否存在机械故障或损坏,是否存在电源电压波动或降低,以及各项配件的连接是否牢固等。
4.选择合适的试验方案和电极根据试验需要,应选择合适的试验方案和电极。
试验方案应符合试验标准或验收要求,而电极的选择则应基于电缆型号和试验要求,以确保试验的准确性和有效性。
5.确保试验现场环境安全和清洁试验现场应确保环境安全和清洁,以避免外界环境的影响和干扰。
试验现场应过渡到专用试验室中进行,保证试验环境的稳定性,避免其他因素的影响。
试验操作步骤在进行电力电缆试验的操作过程中,应严格按照以下步骤执行。
1.电极接地处理首先需要对电极进行接地处理,以保证试验的准确性和安全性。
接地工作应根据试验要求选择合适的接地方式,包括接地极的安装位置,接地线的连接方式以及接地电阻的大小等。
2.试验电缆的准备工作试验电缆的准备工作包括清理电缆外皮和各项配件,如电缆头、引线、接头等。
电缆表面应清除所有杂质,确保表面平整、干燥,以保证试验的精准性。
3.进行电缆试验在准备工作完成后,开始进行电缆试验。
试验的具体操作方式应根据试验要求和试验仪器说明书而定。
电力电缆试验作业指导书(总5页)
--本页仅作为文档封面,使用时请直接删除即可--
--内页可以根据需求调整合适字体及大小--
变电站110kV电力电缆试验
标准化作业指导书
编写人:年月日
审核人:年月日
批准人:年月日
作业负责人:
作业时间:年月日时分至年月日时分
1、范围
本作业指导书适用于高压专业的110kV电力电缆试验工作
2、引用文件
《国家电网公司电力安全工作规程》(变电站和发电厂电气部分)国家电网公司2009年
《电力安全工器具预防性试验规程》国家电网公司2002年颁
《电气装置安装工程电气设备交接试验标准》国家质量监督局、建设部联合发布GB 50150—2006
《电力设备预防性试验规程》(DL/T 596—1996)电力工业部发布
《电力设备交接和预防性试验规程》(试行)福建省电力有限公司Q/FJG —2004
3、准备阶段
3、1准备工作安排
3、2人员要求
3、3工器具及材料
3、4危险点分析
3、5安全措施
3、6人员分工
4、设备试验流程图
5、试验程序及试验标准5、1`开工
5、2试验内容及试验标准
5、3试验结束阶段
6、试验总结。
电力电缆绝缘试验作业指导书1范围本作业指导书适用于6 kV及以上橡塑绝缘电力电缆线路,其目的是检验电缆线路的绝缘性能是否满足有关标准的要求,规定了交接验收、预防性试验、检修过程中的试验项目的引用标准、仪器设备要求、作业程序、试验结果判断方法和试验注意事项等。
制定本作业指导书的目的是规范操作、保证试验结果的准确性,为设备运行、监督、检修提供依据。
2规范性引用文件下列文件中的条款通过本作业指导书的引用而成为本作业指导书的条款。
凡是注日期的引用文件,其随后所有的修改单或修订版均不适用于本作业指导书,然而,鼓励根据本作业指导书达成协议的各方研究是否可使用这些文件的最新版本。
凡是不注日期的引用文件,其最新版本适用于本作业指导书。
GB 11017额定电压110 kV铜芯、铝芯交联聚乙烯绝缘电力电缆GB 12706额定电压35 kV及以下铜芯、铝芯塑料绝缘电力电缆3试验项目橡塑绝缘电力电缆的绝缘试验包括以下试验项目:a) 绝缘电阻;b) 交流耐压。
4安全措施a) 保证人身和设备安全,要求必须在试验现场周围设围栏,被试电缆两端均应专人监护,且通信畅通,负责升压的人要随时注意周围的情况,一旦发现异常应立刻断开电源停止试验,查明原因并排除后方可继续试验。
b) 在试验过程中,如果发现电压表指针摆动很大,电流表指示急剧增加,发出绝缘烧焦气味或冒烟或发生响声等异常现象时,应立即降低电压,断开电源,被试品进行接地放电后再对其进行检查。
c) 进行绝缘电阻和交流耐压试验后,应对电缆充分放电。
d) 工作中如需使用梯子等登高工具时,应做好防止高空坠落的安全措施。
5工作程序5.1 绝缘电阻试验5.1.1 设备清单和要求a) 温度计(误差±1℃)、湿度计;b)500V兆欧表1块、2500V或5000V兆欧表1块。
5.1.2作业程序5.1.2.1测试方法测量电缆的绝缘电阻是检查其绝缘状态的最基本和最简便的方法。
用兆欧表来测量设备的绝缘电阻,由于受到介质吸收电流的影响,兆欧表的指示值随时间逐步增大,对电缆而言,通常读取稳定值,作为工程上电缆的绝缘电阻值。
电缆电气试验标准化作业指导书(试行)一、适用范围1、本指导书在本公司业务范围内适用。
2、本指导书适用于35kV及以下电缆(包括橡塑绝缘电缆和油纸绝缘电缆)的交接、预防性试验。
二、引用的标准和规程GB 50150-2006 《电气装置安装工程电气设备交接试验标准》DL/T596-1996 《电力设备预防性试验规程》DL/408-1991 《电业安全工作规程(发电厂和变电所电气部分)》三、试验仪器、仪表及材料1. 交接及大修后(新作终端或接头后)试验所需仪器及设备材料:2. 预防性试验所需仪器及设备材料:四、安全工作的一般要求1、基本要求1.1为了保证工作人员在现场试验中的安全和健康,电力系统发、供、配电气设备的安全运行,必须严格执行DL409-1991《电业安全工作规程》。
做好安全围栏悬挂标示牌。
1.2 加压前必须认真检查试验接线,表计倍率、量程,通知有关人员离开被试设备,加压时,必须将被测设备从各方面断开,验明无电压,确实证明设备无人工作,且电缆的另一端已派专人看守后,方可进行。
在加压过程中,试验人员应精力集中,操作人应站在绝缘垫上。
1.3变更接线或绝缘电阻试验以及直流耐压结束后应对电缆彻底放电,并将升压设备短路接地。
1.4高压设备带电时的安全距离表1 高压设备带电时的安全距离2、保证安全的组织措施2.1 在电气设备上工作,保证安全的组织措施a、工作票制度;b、工作许可制度;c、工作监护制度;d、工作间断,转移和终结制度。
注:详见《电业安全工作规程》2.2必须由有经验的运行维护单位的实际操作人员现场进行安全监督。
现场技术负责人负责测试方案的制定及现场工作协调联络和监督。
2.3 电气试验工作应填写第一种工作票,必须严格履行工作许可手续,工作不得少于两人。
2.4 若需要变更或增加安全措施者应填用新的工作票,并重新履行工作许可手续。
五、试验项目及要求1、绝缘电阻测量1.1 测量目的通过对主绝缘绝缘电阻的测试可初步判断电缆绝缘是否受潮、老化、脏污及局部缺陷,并可检查由耐压试验检出的缺陷的性质。
对橡塑绝缘电力电缆而言,通过电缆外护套和电缆内衬层绝缘电阻的测试,可以判断外护套和内衬层是否进水。
1.2 该项目适用范围交接(针对橡塑绝缘电缆)及预防性试验时,耐压前后进行。
1.3 试验时使用的仪器、仪表1.3.1 采用500V数字式兆欧表(测量橡塑电缆的外护套和内衬层绝缘电阻时)1.3.2 采用1000V数字式兆兆欧表(对0.6/1kV及以下电缆)1.3.3采用2500 V数字式兆兆欧表(对0.6/1kV以上电缆)1.3.4采用5000 V数字式兆兆欧表(对35kV及上电缆)1.4 试验步骤1.4.1电缆主绝缘绝缘电阻测量1.4.2断开被试品的电源,拆除或断开其对外的一切连线,并将其接地充分放电。
1.4.3用干燥清洁柔软的布檫净电缆头,然后将非被试相缆芯与铅皮一同接地,逐相测量。
1.4.4 将数字式兆欧表放置平稳,将数字式兆欧表的接地端头E与被试品德接地端相连。
将高压端L接与被试相缆芯,屏蔽端G接与被试相外护套。
1.4.5采用数字兆欧表进行测量,根据不同的电缆规格调整不同的电压等级。
1.4.6读取绝缘电阻的数值后,将被试相电缆充分放电,操作应采用绝缘工具1.5 试验接线图绝缘电阻测试原理接线图(a)不加屏蔽(b)加屏蔽1.6 测量结果分析判断运行中电缆,其绝缘电阻值应从各次试验数据的变化规律及相间的相互比较来综合判断。
1.6.1电力电缆的绝缘电阻值与电缆的长度和测量时的温度有关,所以应进行温度和长度的换算,公式为:R i20=RitKL式中:Ri20表示温度为20℃时的单位绝缘电阻值,(MΩ.km);Rit表示电缆长度为L,在温度为t℃时的绝缘电阻值,MΩ;L为电缆长度(km);K为绝缘电阻温度换算系数,见下表电缆绝缘的温度换算系数温度(℃)0 5 10 15 20 25 30 35 40 K 0.48 0.57 0.70 0.85 1.00 1.13 1.41 1.66 1.92 停止运行时间较长的地下电缆可以以土壤温度为准,运行不久的应测量导体直流电阻后计算缆芯温度,对于新电缆(尚未铺设)可以以周围环境温度为准。
1.6.2绝缘电阻参考值对油纸绝缘电缆对橡塑绝缘电缆:主绝缘电阻值应满足:橡塑绝缘电缆的内衬层和外护套电缆每km不应低于0.5MΩ(使用500V兆欧表),当绝缘电阻低于0.5 MΩ/km时,应用万用表正、反接线分别测量铠装层对地、屏蔽层对铠装的电阻,当两次测得的阻值相差较大时,表明外护套或内衬层已破损受潮。
1.6.3对纸绝缘电缆而言,如果是三芯电缆,测量绝缘电阻后,还可以用不平衡系数来判断绝缘状况。
不平衡系数等于同一电缆各芯线的绝缘电阻值中最大值与最小值之比,绝缘良好的电缆,其不平衡系数一般不大于2.5。
1.7 注意事项1.7.1兆欧表接线端柱引出线不要靠在一起;1.7.2测量时,兆欧表放置在水平位置。
1.7.3被试品温度不低于+5℃,户外试验应在良好的天气下进行,且空气的相对湿度一般不高于80%。
2 直流耐压和泄漏电流试验2.1测量目的通过直流耐压试验可以检查出电缆绝缘中的气泡、机械损伤等局部缺陷,通过直流泄漏电流测量可以反映绝缘老化、受潮等缺陷,从而判断绝缘状况的好坏。
2.2 该项目适用范围交接、预试、新作终端或接头后2.3 试验时使用的仪表(测量仪器)直流高压发生器一套2.4试验步骤2.4.1. 按照试验接线图由一人接线,接线完后由另一人检查,内容包括试验接线有无错误,各仪表量程是否合适,试验仪器现场布局是否合理,试验人员的位置是否正确。
2.4.2 将电缆充分放电,指示仪表调零,调压器置于零位。
2.4.3 测量电源电压值并分清电源的火、地线,电源火、地线应与单相调压器的对应端子相接。
2.4.4 合上电源刀闸,给升压回路加电,然后用单相调压器逐步升压至预先确定的试验电压值:在0.25、0.5、0.75倍试验电压下各停留1分钟,读取泄漏电流值,在1.0倍试验电压下读取1分钟及5分钟泄漏电流值,交接时还应读取10分钟和15分钟泄漏电流值。
2.4.5 试验完毕,应先将升压回路中单相调压器退回零位并切断电源。
2.4.6 每次试验后,必须将电缆先经电阻对地放电,然后对地直接放电。
放电时,应使用绝缘棒,并可根据被试相放电火花的大小,大概了解其绝缘状况。
2.4.7 再次试验前,必须检查接地是否已从被试相上移开。
2.5 试验原理接线图2.6对测量结果的分析判断2.6.1试验电压标准纸绝缘电缆主绝缘的直流耐压试验标准(加压5分钟)交联聚乙烯电缆主绝缘的直流耐压试验标准(加压5分钟)交接时粘性油浸纸绝缘电缆主绝缘直流耐压试验电压值不滴流油浸纸绝缘电缆主绝缘直流耐压试验电压值2.6.2耐压5分钟时的泄漏电流值不得大于耐压1分钟时的泄漏电流值。
三相之间的泄露电流值不平衡系数不应大于2。
2.6.3在加压过程中,泄漏电流突然变化,或者随时间的增长而增大,或者随试验电压的上升而不成比例地急剧增大,说明电缆绝缘存在缺陷,应进一步查明原因,必要时可延长耐压时间或提高耐压值来找绝缘缺陷。
2.6.4与相间的泄漏电流相差很大,说明电缆某芯线绝缘可能存在局部缺陷。
2.6.5试验电压一定,而泄漏电流作周期性摆动,说明电缆存在局部孔隙性缺陷。
当遇到上述现象,应在排除其他因素(如电源电压波动、电缆头瓷套管脏污等)后,再适当提高试验电压或延长持续时间,以进一步确定电缆绝缘的优劣。
2.7注意事项2.7.1试验时,应每相分别施加电压,其他非被试相应短路接地。
2.7.2改变试验接线时,应保证电缆电荷完全泄放完、电源断开、调压器处于零位,将待被试的相先接地,接线完毕后加压前取下该相的地线。
2.7.3电流值和不平衡系数只作为判断绝缘状况的参考,不能作为是否能投入运行的判据。
2.7.4温度空气湿度对表面泄漏电流的影响当空气湿度对表面泄漏电流远大于体积泄漏电流,电缆表面脏污易于吸潮,使表面泄漏电流增加,所以必须擦净表面,并应用屏蔽电极。
另外,温度对高压直流试验结果的影响极为显著,最好在电缆温度为30~80℃时做试验,因在这样的温度范围内泄漏电流变化较明显。
2.7.5属屏蔽或金属套一端接地,另一端装有护层过电压保护器的单芯电缆主绝缘作直流耐压试验时,必须将护层过电压保护器短接,使这一端的电缆金属屏蔽或金属套临时接地。
3 检查相位3.1测量目的检查电缆两端相位一致并应与电网相位相符合,以免造成短路事故。
3.2该项目适用范围交接时或检修后。
3.3试验时使用的仪表(测量仪器)数字万用表3.4试验步骤3.4.1 在电缆一端将某相接地,其他两相悬空,准备好以后,用对讲机呼叫电缆另一端准备测量。
3.4.2 将万用表的档位开关置于测量电阻的合适位置,打开万用表电源,黑表笔接地,将红表笔依次接触三相,观察红表笔处于不同相时电阻值的大小。
3.4.3 当测得某相直流电阻较小而其他两相直流电阻无穷大时(此时表),说明该相在另一端接地,呼叫对侧做好相序标记(己侧也做好相同的相序标记)。
3.4.4 重复步骤ABC,直至找完全部三相为止,最后随即复查任意一相,确保电缆两端相序的正确。
3.5原理接线图4 交联聚乙烯电缆交流耐压试验4.1 测量目的橡塑绝缘电缆特别是交联聚乙烯电缆,因其具有优异的性能,得到了迅速的发展,目前在中低压电压等级中已基本取代了油浸纸绝缘电缆,超高压交联聚乙烯电缆已发展至500kV电压等级。
如果对交联聚乙烯电缆施加直流电压,那么直流试验过程中在交联聚乙烯电缆及其附件中会形成空间电荷,对绝缘,有积累效应,加速绝缘老化,缩短使用寿命,同时,直流电压下绝缘电场分布与实际运行电压下不同。
因此,直流试验合格的交联聚乙烯电缆,投入运行后,在正常工作电压作用下也会发生绝缘事故。
通过施加交流试验电压,可以避免以上不足,并且可以有效地鉴别正常绝缘的绝缘水平。
4.2该项目适用范围交接、预试、新作终端或接头后4.3试验时使用的仪器(测量仪器)串联谐振试验设备一套(包括操作箱、励磁变、谐振电抗器、分压器、负载补偿电容等)4.4试验步骤4.4.1 将被试电缆与其他电气设备解开并充分放电。
4.4.2 布置试验设备,检查设备的完好性,连接电缆无破损、断路和短路。
连接线路前应有明显的电源断开点。
4.4.3 按照试验接线图连接各部件,各接地点应一点接地。
4.4.4 检查“电源”开关处于断开位置,“电压调节”电位器逆时针旋转到底(零位),接通电源线。
4.4.5接通“电源”开关,显示设置界面,进行有关参数设置。
4.4.6升压及试验结果保存与查询。
4.4.7更换试验相,重复以上步骤。
4.4.8机,断开电源。
4.5试验原理接线图串联谐振试验现场接线布置原理示意图(单个或多个串联使用)串联谐振试验现场接线布置原理示意图(单个或多个并联使用)4.6测量结果的分析判断4.6.1试验电压标准地区华北(1~300H z)U0/U 交接/分钟预试/分钟1.8/3 2 U0/5 1.6 U0/53.6/6 2 U0/5 1.6 U0/56/108.7/102 U0/60 1.6 U0/54.6.2频率范围内(通常为20~300Hz),当确定试验电压后,逐渐升高电压,如果在规定时间内耐压通过,说明电缆能够投入运行,否则不合格。