商品混凝土技术要求
- 格式:doc
- 大小:18.50 KB
- 文档页数:3
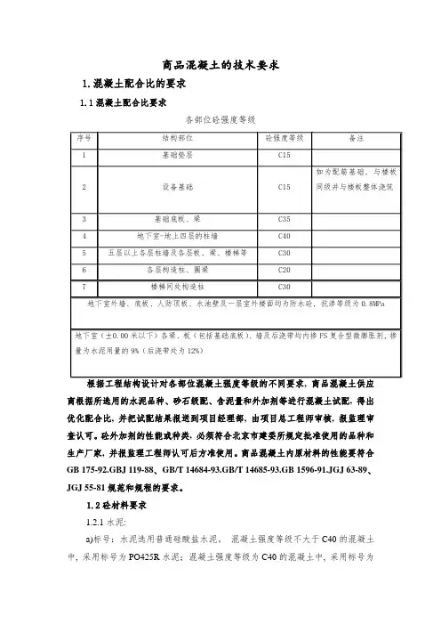
商品混凝土的技术要求1.混凝土配合比的要求1.1混凝土配合比要求各部位砼强度等级商根据所选用的水泥品种、砂石级配、含泥量和外加剂等进行混凝土试配, 得出优化配合比, 并把试配结果报送到项目经理部, 由项目总工程师审核, 报监理审查认可。
砼外加剂的性能或种类, 必须符合北京市建委所规定批准使用的品种和生产厂家, 并报监理工程师认可后方准使用。
商品混凝土内原材料的性能要符合GB 175-92.GBJ 119-88、GB/T 14684-93.GB/T 14685-93.GB 1596-91.JGJ 63-89、JGJ 55-81规范和规程的要求。
1.2砼材料要求1.2.1水泥:a)标号:水泥选用普通硅酸盐水泥。
混凝土强度等级不大于C40的混凝土中, 采用标号为PO425R水泥;混凝土强度等级为C40的混凝土中, 采用标号为PO525R水泥。
所使用的普通硅酸盐水泥中掺活性混合材料(粉煤灰)时, 最大掺量不得超过15%。
大体积混凝土选用P.O425R普通硅酸盐水泥, 水泥用量严格控制在345kg/m3, 且掺入二级粉煤灰80kg/m3, 从根本上降低水化热, 避免大体积混凝土产生龟裂。
大体积混凝土一次浇筑的方量较大, 为了保证混凝土质量, 要将其初凝时间延长到16小时。
b)检验规则:①编号及取样: 水泥出厂前按同品种、同标号编号和取样。
袋装水泥和散装水泥要分别进行编号和取样。
②每200吨为一编号;取样方法按GB 12573进行, 取样要有代表性, 可连续取, 亦可从20个以上不同部位取等量样品, 总量不少于12kg。
③对于水泥要具备要有准用证;3d质量证明;28d质量证明;及快测、3d 试验报告、28d试验报告。
1.2.2砂:选用中砂, 细度模数为2.6。
具备砂试验报告。
1.2.3石子:a)粒径0.5-2.5cm的三河产级配机碎石, 混凝土低于C30时, 含泥量不大于2%, 高于C30时不大于1%。
b)具备碎石试验报告。
附件1一、商品混凝土企业管理要求1.供应商必须具有健全稳定的组织机构。
2.供应商具备履行合同所需的人力、财力、物力(投入本工程项目的主要机械设备情况)和技术(包括设计、生产、试验室和服务等)能力:1)砂石贮料仓、料斗必须加盖雨棚;料场的原材料均分仓贮存、专料专仓,具有明显的标识,物料的贮存地面必须有排水的砼硬化场面且排水畅通;砂石料有有效的冲洗设备。
2)水泥、粉煤灰、外加剂等需按生产厂家及批次、水泥品种及强度等级分别贮存,并有有效的降温、防潮和防止其质量发生变化的措施。
3)减水剂储存罐有搅拌设备,拌合场有有效的除尘降噪设备和措施.4)具有专项试验室,能满足原材料、混凝土各项试验要求,并通过有关部门的资质认可;有材料留样措施,原材料检测设备、流程满足规范要求。
5)传输设备:生产场地内的所有传输带均须有密封措施,确保不对周边环境造成污染。
6)生产环境:生产环境必须按照政府相关要求执行,生产场地不得出现积水,保证排水畅通,并做好生产场地的硬化工作,保证生产环境符合相关卫生和安全的要求。
7)运输车辆:必须配备符合供货要求的混凝土运输车辆,所有车辆上必须安装GPS定位设备,确保可随时查询到车辆所在位置。
针对项目情况,在遇到交通拥堵等情况后需有有效措施进行协调.3.合格供应商自觉接受土建施工承包商、土建监理、建设单位的监督,遵守选招人现行或今后制定的关于温州市域铁路工程甲控商品混凝土材料合格供应商名录的有关规定、考核要求及相应处罚.原材料检测、验收、贮存和使用应符合国家和省市的建设工程规定要求,并且原材料必须按品种、规格分别存放、严禁混放混用。
4.合格供应商进行的试件取样、取样频率和强度检验应符合相应国家及行业标准且满足建设工程规定要求。
5.合格供应商必须严格按照规范、设计和技术要求生产混凝土,所用的原材料来源、规格、品种、生产厂家、测试资格等在正式生产前必须报监理审核;配合比必须经第三方检测机构平行验证,验证配合比时对应原材料应同时验证(相同原材料验证一次,有效期一年),针对主体结构、附属结构、地下连续墙、桩基础等重要工程部位的混凝土配合比,应每年进行一次第三方检测。
商品砼的质量控制细则引言概述:商品砼是建筑工程中常用的材料之一,其质量控制对于保证工程质量至关重要。
本文将从五个方面介绍商品砼的质量控制细则,包括原材料的选择、生产工艺的控制、试验与检测的要求、施工过程中的监控以及质量记录的保存。
一、原材料的选择:1.1 水泥的选择:应选用符合国家标准的优质水泥,其标号应与设计要求相符,且应具备良好的流动性和可泵性。
1.2 砂石的选择:砂石应符合国家标准的要求,颗粒形状应均匀,含泥量不得超过规定范围,且应进行筛分试验。
1.3 水的选择:水质应符合国家标准的要求,不得含有有害物质,且应注意控制水的用量,避免过多或过少。
二、生产工艺的控制:2.1 配合比的确定:根据设计要求和试验数据,确定合理的配合比,包括水灰比、砂石比等,以保证商品砼的强度和耐久性。
2.2 搅拌过程的控制:搅拌时间、搅拌速度、搅拌方式等应符合标准要求,以确保混凝土的均匀性和稳定性。
2.3 浇注过程的控制:应控制浇注速度、浇注高度和浇注方式,避免产生空隙、松散或分层现象。
三、试验与检测的要求:3.1 原材料试验:应对水泥、砂石和水进行试验,包括强度试验、含泥量试验、筛分试验等,确保原材料符合标准要求。
3.2 配合比试验:根据设计要求,进行配合比试验,以确定最佳的配合比。
3.3 商品砼试验:对商品砼进行抗压强度试验、抗渗试验、收缩试验等,以验证其质量是否符合设计要求。
四、施工过程中的监控:4.1 浇注过程的监控:应监控浇注速度、浇注高度和浇注方式,避免出现过快或过慢的情况,以确保混凝土的均匀性。
4.2 养护过程的监控:应控制养护时间和养护方式,保持混凝土的湿润状态,避免过早脱模或过早负荷。
4.3 施工环境的监控:应控制施工环境的温度、湿度和风速等因素,避免对混凝土质量产生不利影响。
五、质量记录的保存:5.1 原材料试验记录:应保存水泥、砂石和水的试验记录,包括试验日期、试验结果和试验方法等。
5.2 配合比试验记录:应保存配合比试验记录,包括试验日期、试验结果和试验方法等。
商品混凝土的供应及质量保证要求措施一、供应要求:1.供应商选择:选择有良好信誉和口碑的正规混凝土供应商。
供应商应有混凝土生产资质和相关认证,并具备先进的生产设备和技术人员。
2.供货能力:供应商应保证能够按照工程需求,准时供应所需的商品混凝土。
3.供货地点:供货地点应尽可能靠近工地,以减少运输过程中混凝土质量变差的可能性。
二、质量保证要求:1.材料要求:原材料的选择应符合相应的标准,如水泥、砂、骨料等。
供应商应提供原材料的检测报告,并确保原材料符合工程设计要求。
2.试块强度测试:供应商应按照标准的施工工艺,定期取样制作混凝土试块,并进行强度测试。
测试结果应在规定范围内,否则应采取相应的纠正措施,确保商品混凝土的强度符合要求。
3.现场检测:在混凝土运输至工地后,应进行现场检测,包括坍落度、气孔率、密实性等指标,以确保混凝土质量。
4.施工工艺要求:混凝土供应商应制定详细的施工工艺,包括搅拌时间、搅拌速度、运输时间等,确保混凝土搅拌均匀且保持良好的流动性。
5.混凝土养护:供应商应提供合理的养护方案,包括湿养护、覆盖保温等,保证混凝土在养护期间能够达到设计强度和耐久性要求。
三、质量保证措施:1.监督检查:建设单位或第三方检测机构应对供应商进行监督检查,对原材料和混凝土进行抽样检测,确保其质量符合要求。
2.培训与技术支持:供应商应提供培训和技术支持,提高现场施工人员的技术水平和操作规范,确保混凝土施工的质量。
3.质量追溯:供应商应建立混凝土质量追溯体系,对每批次的混凝土进行编号和存档,以便后期质量问题的溯源和处理。
总结:商品混凝土的供应和质量保证要求措施包括供应商选择、供货能力、材料要求,试块强度测试、现场检测、施工工艺要求,混凝土养护等方面的要求。
同时,建设单位或第三方检测机构的监督检查、供应商的培训与技术支持以及质量追溯等措施也是确保商品混凝土质量的关键步骤。
只有通过严格的控制和监督,才能保证商品混凝土的质量,确保建筑工程的可靠性和安全性。
2、当做分项工程施工技术交底时,应填写"分项工程名称"栏,其他技术交底可不填写。
2、当做分项工程施工技术交底时,应填写"分项工程名称"栏,其他技术交底可不填写。
2、当做分项工程施工技术交底时,应填写"分项工程名称"栏,其他技术交底可不填写。
2、当做分项工程施工技术交底时,应填写"分项工程名称"栏,其他技术交底可不填写。
2、当做分项工程施工技术交底时,应填写"分项工程名称"栏,其他技术交底可不填写。
2、当做分项工程施工技术交底时,应填写"分项工程名称"栏,其他技术交底可不填写。
2、当做分项工程施工技术交底时,应填写"分项工程名称"栏,其他技术交底可不填写。
商品混凝土技术要求商品混凝土作为现代建筑施工中广泛应用的重要材料,其质量和性能直接关系到建筑工程的结构安全和耐久性。
为了确保商品混凝土满足工程的设计和施工要求,以下将详细阐述商品混凝土的技术要求。
一、原材料要求1、水泥应选用质量稳定、强度等级符合设计要求的水泥品种。
常见的有硅酸盐水泥、普通硅酸盐水泥等。
水泥的各项性能指标,如强度、凝结时间、安定性等,必须符合国家相关标准。
2、骨料粗骨料:宜选用质地坚硬、级配良好的碎石或卵石。
其粒径、含泥量、针片状颗粒含量等应符合规范要求。
细骨料:通常采用中砂,其细度模数、含泥量、有机物含量等指标要严格控制。
3、掺和料粉煤灰:应选用品质稳定、符合国家标准的粉煤灰,其烧失量、需水量比等指标要符合规定。
矿渣粉:质量应符合相关标准,活性指数、流动度比等参数要满足要求。
4、外加剂减水剂:能显著提高混凝土的流动性,同时减少用水量,其减水率、含气量等性能要达标。
缓凝剂、早强剂等:根据施工需要选用,且要保证其对混凝土性能无不良影响。
5、水拌制商品混凝土宜采用饮用水。
如使用其他水源,应经过检验合格后方可使用,水中不得含有影响水泥正常凝结与硬化的有害杂质。
二、配合比设计要求1、强度要求商品混凝土的强度应满足设计强度等级的要求。
配合比设计时,应根据设计强度、施工工艺、原材料性能等因素,通过试验确定合理的配合比。
2、工作性能坍落度:根据工程部位、施工方法和运输距离等确定合适的坍落度。
一般来说,泵送混凝土的坍落度宜为 180mm 220mm,非泵送混凝土的坍落度可适当减小。
流动性:混凝土应具有良好的流动性,便于浇筑和振捣,不得出现离析、泌水等现象。
3、耐久性要求抗渗性:对于有抗渗要求的混凝土,应通过合理的配合比设计和添加外加剂等措施,提高其抗渗性能。
抗冻性:在寒冷地区使用的混凝土,应考虑其抗冻性能,通过控制水胶比、选用合适的水泥品种和掺和料等方法来满足要求。
4、经济性在满足强度、工作性能和耐久性的前提下,应尽量降低混凝土的成本,通过优化配合比,合理利用原材料,减少水泥用量等方式实现。
附件2商品混凝土的技术要求本工程混凝土工程量较大,为保证混凝土施工连续进行,基础和主体结构施工阶段均采用商品混凝土。
商品混凝土的技术要求如下:一、原材料要求1)水泥技术要求:宜采用硅酸盐水泥、普通硅酸盐水泥,采用其他品种水泥时应经试验确定。
2)粗骨料技术要求:采用5mm~25mm连续级配碎石,针片状颗粒含量≤10%,含泥量小于1%,石子吸水率小于1.5%。
粗骨料最大粒径与输送管径(管径按Ф125考虑)之比:不宜大于1:2.5(即最大粒径为25mm)。
由厂家提供现场试验报告,粗骨料应符合《普通混凝土用碎石和卵石质量标准及检验方法》(JGJ53-92)要求。
3)细骨料技术要求:砂采用中砂或中粗砂,不应使用海砂,细度模数为2.6~3.7(即平均粒径为0.414mm~0.5mm) ,含泥量小于3%,符合《普通混凝土用砂质量标准及检验方法》(JGJ52-2006)的规定并提供现场试验报告。
4)掺合料技术要求:选用II级粉煤灰。
粉煤灰应用时应符合国家现行标准《用于水泥和混凝土中的粉煤灰》(GB/T 1596-2005)的规定。
5)外加剂要求:本工程混凝土的减水剂、膨胀剂、防水剂、密实剂、引气剂、阻锈剂、复合型外加剂等,其品种和掺量应由试验确定。
所有外加剂须符合国家或行业标准一等品及以上的质量要求。
设计要求基础底板采用SY-G型高性能膨胀抗裂剂,掺量10%。
SY-G型高性能膨胀抗裂剂是具有早期塑性膨胀功能、中期的微膨胀功能、后期的减缩和防渗功能的复合型抗裂防水剂。
6)防水混凝土中各类材料的总碱量(NaO当量)不得大于23kg/m3;氯离子含量不应超过胶凝材料总量的0.1%。
三、防水混凝土配合比要求1)防水混凝土的施工配合比应通过试验确定,试配混凝土的抗渗等级应比设计要求提高0.2MPa。
2)胶凝材料用量应根据混凝土的抗渗等级和强度等级选用,其总量不宜小于320kg/m-3。
3)在满足混凝土抗渗等级、强度等级和耐久性条件下,水泥用量不宜小于260kg/m3。
可编辑修改精选全文完整版对商品混凝土的技术质量要求甲方:乙方:商品混凝土搅拌站古城现代嘉园项目结构混凝土强度等级为:C15、C25、C30、C30(P6/P8)、C40、C40(P6/P8)等。
甲方提供对商品混凝土的技术要求,提供商品混凝土浇筑部位、强度等级、外加剂要求、方量等技术参数给乙方,乙方按要求提供合格的商品混凝土。
乙方在以下几方面要严格控制:一、原材料:乙方用于商品混凝土(商品砂浆)的原材料必须符合现行国家有关规范要求,提供出场合格证及复验报告。
其中:1、水泥:水泥选用普通硅酸盐水泥,混凝土强度不大于C40的混凝土中,使用水泥标号为P.O42.5,最小水泥用量不少于300kg/m3,水灰比不大于0.6,碱含量、氯离子含量等项目要求符合现行国家规范要求。
2、砂、石:应符合国家现行标准《普通混凝土用砂质量标准及检验方法》(JGJ52-2006)的规定,应有出厂合格证和进厂复验报告。
3、拌和用水:水质应符合《混凝土用水标准》(JGJ63-2006)的规定。
4、外加剂:应符合现行国家标准《混凝土外加剂》(GB8076-2008)、《混凝土外加剂应用技术规范》(GB50119-2003)等和有关环境保护的规定,进场应有产品合格证、出厂检验报告和进厂复验报告。
其掺量应根据规范及设计要求,通过试验室确定。
5、掺合料:混凝土中掺用矿物掺合料的质量应符合现行国家标准《用于水泥和混凝土中的粉煤灰》(GB1596-2005)等的规定,应有出厂合格证、进厂复验报告;其掺量应通过试验确定。
用于商品混凝土(商品砂浆)的原材料进场后有专门存放地,有覆盖或放雨雪冰冻措施。
冬季施工期间有保温加热防冻措施。
浇筑大体积混凝土时调整要相应调整材料产量及凝结时间的技术参数确保混凝土不开裂。
二、混凝土的搅拌:应满足国家有关现行规范及行业标准要求。
三、混凝土的供应混凝土坍落度由乙方根据季节、气温、运输路线、运距、浇筑部位、现场条件等条件试配确定,泵送混凝土坍落度一般控制在140±20mm,高层施工时一般调整为160±20mm。
商品混凝土技术要求一、原材料1、水泥:应使用质量稳定、信誉良好的品牌,标号不宜低于425号,且各批次间质量应稳定。
2、骨料:砂、碎石和卵石等骨料的粒径、级配、质量和清洁度都会影响混凝土的性能。
骨料的含水率应控制在规定的范围内,以保证混凝土的配合比和坍落度。
3、矿物掺合料:如粉煤灰、矿渣等,可提高混凝土的后期强度、改善和易性、降低水化热等。
在使用前应进行质量检验,并确保其各批次的质量稳定。
4、外加剂:为改善混凝土的性能,如流动性、凝结时间和硬化性能等,可添加适量的外加剂。
使用前应对其质量进行检验,并按照说明书正确使用。
5、水:应使用清洁、无污染的水,质量应符合相关标准。
二、配合比设计1、配合比应根据设计要求、试验室数据和现场实际情况进行设计。
在设计时应考虑混凝土的强度、耐久性、和易性、坍落度等性能指标。
2、在进行配合比设计时,应对各种原材料进行试验,以确定最佳的配合比。
同时,应进行试拌,以验证配合比的合理性和可行性。
3、在配合比设计过程中,应注重对矿物掺合料和外加剂的使用,以优化混凝土的性能。
同时,应考虑骨料的粒径和级配,以提高混凝土的密实度和强度。
4、配合比应按照规范进行标注和记录,以便于跟踪和质量控制。
三、生产过程1、生产前应对各种原材料进行检查,确保其质量符合要求。
如有不合格材料,应拒绝使用并进行处理。
2、在生产过程中,应严格控制配合比,确保混凝土的质量稳定。
同时,应对各种原材料进行计量和搅拌,以保证混凝土的均匀性和稳定性。
3、在生产过程中,应对混凝土进行观察和检测,如发现异常情况应及时处理并上报。
4、在生产结束后,应对混凝土进行养护,以保证其强度和耐久性。
同时,应对生产过程中的废料进行妥善处理。
四、质量控制1、应对进场的原材料进行严格的质量检验,确保其符合相关标准和设计要求。
2、在生产过程中,应定期对混凝土进行质量抽检,如发现异常应及时处理并上报。
3、在浇筑过程中,应对混凝土的坍落度、和易性等进行检测,以确保其质量符合要求。
商品混凝土技术要求商品混凝土技术要求本工程采用商品混凝土进行基础和主体结构施工。
在选择搅拌站时,我们经过多年的合作和附近搅拌站的考察,决定采用___供应的商品混凝土,并组织业主和监理进行考察。
在商品混凝土的技术要求方面,我们有以下几点要求:1.水泥:所有施工部位的商品混凝土水泥均采用低碱的普通硅酸盐水泥P.O42.5.其强度、安定性、凝结时间和其他必要的性能指标必须符合现行国家标准《通用硅酸盐水泥》GB175-2007的规定。
2.粗骨料:采用5mm~25mm连续级配碎石,针片状颗粒含量≤10%,含泥量小于1%,石子吸水率小于1.5%。
粗骨料最大粒径与输送管径之比不宜大于1:2.5(即最大粒径为25mm)。
粗骨料应符合《普通混凝土用砂石质量及检验方法标准》(52-2006)要求,并由厂家提供现场试验报告。
3.细骨料:砂采用中砂或中粗砂,细度模数为2.6~3.7(即平均粒径为0.414mm~0.5mm),含泥量小于3%。
细骨料应符合《普通混凝土用砂石质量及检验方法标准》(52-2006)的规定,并提供现场试验报告。
4.掺合料:选用II级粉煤灰。
粉煤灰应符合国家现行标准《粉煤灰混凝土应有技术规程》(GBJ164)、《粉煤灰在混凝土和砂浆中应用技术规程》(28)和《混凝土中掺用粉煤灰的技术规程》(DBJ01-10-93)的规定。
5.外加剂:混凝土的泵送剂、减水剂、膨胀剂、防水剂、密实剂、引气剂、复合型外加剂等,其品种和掺量应由试验确定。
所有外加剂须符合国家或行业标准一等品及以上的质量要求,标准主要有《混凝土外加剂》、《混凝土外加剂应用技术规范》、《混凝土泵送剂》和《商品混凝土》。
6.碱集料反应控制:本工程地下室底板和地下室外墙为二类环境,须采用低碱混凝土,即采取预防混凝土碱集料反应措施。
混凝土中所用水泥、砂石料、粉煤灰、外加剂必须有碱含量报告,出据法定检测报告,控制混凝土各类材料总碱含量(Na2O+0.658K2O)不超过3kg/m3.7.氯盐含量:要求严格控制混凝土中的氯盐含量,混凝土中的氯离子总含量应小于水泥重量的0.2%。
1、工程概况库车县龟兹博物馆工程位于新疆阿克苏地区库车县团结路与胜利路交叉处,与县广场、财政局及县二中初中部相邻。
建筑物地上3层,地下1层,地面以上建筑高度36.2m,结构基础埋深7.75m(最深),总建筑面积16328㎡。
本工程基础为筏板基础,局部独立基础,主体为钢筋砼框架结构,各层楼板为钢筋砼现浇楼板。
本工程浇筑时间以电话通知为准,砼强度等级、技术要求及浇筑部位按我项目部所发砼浇灌申请书上所写部位。
2、混凝土工程概况本工程全部采用商品混凝土,混凝土强度等级见下表:本工程基础底板、地下室外墙、设计使用年限为50年。
环境类别为III 类属于预防混凝土碱集料反应的工程,应按规范要求配置混凝土。
每次开盘,按照混凝土浇筑方量及相关要求留置混凝土标准养护试件。
3、质量目标合格4、原材及成品要求经甲方、监理和总包单位的共同考察,本工程决定选用贵站生产的商品混凝土,为了保证工程结构质量和工程的正常施工,特提出以下技术要求,搅拌站必须予以遵守。
4.1混凝土原材料要求➢水泥:符合GB175-1999《硅酸盐水泥、普通硅酸盐水泥》、GB1344-1999《矿渣硅酸盐水泥、火山灰质硅酸盐水泥和粉煤灰硅酸盐水泥》的现行国家标准。
并选用本地区建委备案的知名品牌的产品,只允许使用同一个水泥厂家。
搅拌站需提供所使用的质量证明书、复试试验报告,并对其品种、等级、包装、出厂日期等检查验收,加强批量复试。
冬期施工时优选硅酸盐水泥和普通硅酸盐水泥,水泥强度等级不应低于42.5Mpa。
➢砂选用质地坚硬、级配良好的B类低碱活性天然中砂。
符合JGJ52-92《普通混凝土用砂质量标准及检验方法》的现行标准,其含泥量不大于3%、细度模数:2.3~3.1。
要求搅拌站砂进厂后要进行材料试验。
➢石子优先选用5~25mm的低碱自然连续级配的碎石或卵石。
要符合JGJ53-92《普通混凝土用碎石或卵石质量标准及检验方法》,含泥量不大于1%,针状和片状颗粒含量不大于15%,要求搅拌站石子进厂后要进行材料试验。
招标编号:_______一、招标内容本次招标项目为商混供应,具体供应内容如下:1. 供应地点:_______2. 供应时间:_______3. 供应数量:_______4. 供应品种:C20、C25、C30、C35、C40等5. 供应要求:满足国家相关标准及施工图纸要求二、投标人资格要求1. 具有独立法人资格,注册资金不少于人民币_______万元;2. 具有有效的营业执照、税务登记证、组织机构代码证;3. 具有有效的安全生产许可证;4. 具有良好的商业信誉和履约能力;5. 具有同类工程供应业绩,近三年内无重大安全事故;6. 具有完善的售后服务体系。
三、技术要求1. 原材料要求(1)水泥:应选用符合国家标准的水泥,强度等级不低于32.5MPa,具有良好的耐久性能;(2)细骨料:应选用级配良好、质地坚硬的天然砂,细度模数在2.5~3.0之间,含泥量不大于1%;(3)粗骨料:应选用级配良好、质地坚硬的碎石或砾石,粒径在5~40mm之间,含泥量不大于1%;(4)矿物掺合料:应选用符合国家标准、具有良好性能的粉煤灰或矿渣粉,掺合料掺量按设计要求执行;(5)外加剂:应选用符合国家标准、具有良好性能的外加剂,包括减水剂、缓凝剂、引气剂等。
2. 配合比设计(1)配合比设计应遵循合理、经济、环保的原则,确保混凝土强度、耐久性、工作性能等满足设计要求;(2)配合比设计应考虑原材料性能、施工条件、环境因素等因素;(3)配合比设计应经过试验验证,确保其可靠性。
3. 混凝土质量要求(1)混凝土强度:应符合设计要求,C20、C25、C30、C35、C40等品种的混凝土强度等级分别不低于20MPa、25MPa、30MPa、35MPa、40MPa;(2)混凝土耐久性:应符合设计要求,抗渗等级不低于P6,抗冻等级不低于F100;(3)混凝土工作性能:应符合设计要求,坍落度、扩展度、维勃稠度等指标应满足施工要求;(4)混凝土外观质量:应符合设计要求,无裂缝、蜂窝、麻面等缺陷。
商品混凝土招标文件一、招标项目概述1、项目名称:_____项目2、项目地点:_____3、项目规模:_____二、招标范围及要求本次招标范围为_____项目所需的商品混凝土供应。
(一)商品混凝土的技术要求1、水泥:应采用符合国家标准的_____水泥。
2、骨料:粗细骨料的质量应符合相关规范要求,且级配合理。
3、外加剂:根据混凝土性能要求,合理添加外加剂,其质量应符合相应标准。
4、强度等级:涵盖 C15、C20、C25、C30、C35、C40 等常用等级。
(二)供应要求1、供应能力:具备满足项目施工进度所需的混凝土供应能力,确保按时、按量供应。
2、运输设备:拥有足够数量、性能良好的混凝土运输车辆,保证混凝土在运输过程中的质量。
3、交货地点:按照施工单位指定的地点交货。
三、投标人资格要求1、投标人必须是在中华人民共和国境内注册的独立法人,具有有效的营业执照。
2、具备预拌商品混凝土专业承包资质。
3、具有良好的商业信誉和健全的财务会计制度,提供近三年(_____年_____年)的财务审计报告。
4、有类似工程的供应经验,提供相关合同证明。
5、具有完善的质量保证体系和售后服务体系。
四、招标文件的获取1、时间:自_____年_____月_____日起至_____年_____月_____日止(法定节假日除外),每天_____至_____(北京时间)。
2、地点:_____3、方式:投标人携带营业执照副本、资质证书副本、法定代表人授权委托书及被授权人身份证原件及复印件(复印件加盖公章)进行报名并获取招标文件。
4、招标文件售价:人民币_____元/份,售后不退。
五、投标文件的递交1、投标文件递交的截止时间:_____年_____月_____日_____时_____分(北京时间)。
2、投标文件递交地点:_____3、逾期送达的或者未送达指定地点的投标文件,招标人不予受理。
六、开标时间及地点1、开标时间:_____年_____月_____日_____时_____分(北京时间)。
商品混凝土技术要求
1、到达现场的混凝土时间不易过长,施工单位不得将润泵砂浆充当混凝土使用工程中;
2、施工单位不得以其它理由向混凝土内加水,造成混凝土强度降低影响混凝土结构质量;
3、砂送混凝土应根据混凝土对模板的侧压力计算,必须确保模板支架的刚度、强度和稳定性,防止模板变形;
4、坚向结构浇筑时,布料设备的出口离模板不应小于50mm,且不得直冲钢筋骨架;水平结构不得在同一处放料,防止模板局部超重;
5、振捣砂送混凝土时,振动棒移动间距宜为400mm左右,振捣时间宜为15-30分钟且在初凝前30分钟进行第二次复振,防止骨料下沉,引起裂缝,尤其是梁板结构,在梁板交接处一定要进行复振;
6、浇筑墙板薄壁结构,应控制浇筑速度不宜过快,浇好后应及时进行保湿养护,框架柱拆模后必须沿柱周边满挂湿麻袋保湿养护,防止产生裂缝;
7、混凝土浇筑后在具备一定强度前不得上人,堆放重物,以免破坏混凝土内部结构;
8、商品混凝土的初凝时间一般在6--8小时,终凝时间一般在8---11小时,冬季凝结时间将有所延长,夏季将有所缩短;
9、商品混凝土送到现场后应立即使用并在混凝土初凝前用完,夏季2个小时,冬季4个小时内用完;
10、混凝土在浇筑完毕后,应进行二次以上的压平,并进行覆盖养护,当混凝土终凝后可进行浇水养护,养护时间不少于7天;有抗渗要求的混凝土养护时间不少于14天;
11、拆模必须等到混凝土强度达到设计及规范要求后进行,否则将会产生混凝土变形或沉降破坏;
12、施工缝施工时,闲浇灌混凝土基面必须充分凿毛,清洗干净,排除杂物,施工缝再浇注混凝土前洒水湿润,然后再施工施工缝处铺一层水泥浆或与混凝土内成分相同的水泥砂浆,该部位混凝土应细致捣实,使新旧混凝土紧密结合;
13、。
商品混凝土质量和技术指标标准嘿,咱今儿就来聊聊商品混凝土这档子事儿!你说这商品混凝土,那可真是建筑界的大功臣啊!它的质量和技术指标标准,那可太重要啦!商品混凝土的质量,就好比是一个人的健康状况。
要是质量不过关,那盖出来的房子能结实吗?就像人要是总生病,那还能好好工作生活吗?这商品混凝土的质量得从好多方面来看呢。
先说说它的和易性吧,这就像是人的性格一样。
和易性好的混凝土,在施工的时候就特别听话,容易浇筑成型,不会这儿堵那儿漏的。
要是和易性不好,哎呀,那可就麻烦大了,就跟那脾气倔的人似的,怎么都摆弄不好。
还有强度,这可是关键指标啊!房子要坚固,混凝土的强度就得够。
你想想,要是混凝土强度不行,那房子不就跟纸糊的似的,风一吹就倒啦?这可不是开玩笑的事儿呀!再说说耐久性。
咱盖的房子可不是住一天两天,那得长久啊!这就要求混凝土得经得住时间的考验。
要是耐久性不行,过个几年就这儿裂那儿坏的,多闹心啊!那技术指标标准又是什么呢?这就好比是给商品混凝土定的规矩。
比如说坍落度,它得在一个合适的范围内,不能太稀也不能太稠。
就跟做饭放盐似的,得恰到好处,多了咸少了没味。
还有含气量,这也有讲究呢!含气量合适了,能让混凝土更密实,更不容易出问题。
商品混凝土的配合比也很重要啊!就像做菜,各种材料得搭配好,才能做出美味的菜肴。
水泥、骨料、外加剂等等,都得按照一定的比例来,不然能做出好的混凝土吗?在实际生产中,可不能马虎。
搅拌得均匀,运输得及时,浇筑得规范,养护得到位。
这每一个环节都不能掉链子啊!就像一场接力赛,哪一棒没跑好都不行。
咱老百姓买房子,不就图个安心嘛。
要是房子质量不行,那住着能踏实吗?所以啊,这商品混凝土的质量和技术指标标准可千万不能含糊。
你说这建筑商们是不是得把好关,不能为了省钱就用质量差的混凝土啊?那不是坑人吗?咱老百姓辛辛苦苦一辈子买套房,可不能被这劣质混凝土给坑了呀!总之,商品混凝土的质量和技术指标标准那是至关重要的。
混凝土质量标准技术要求
混凝土质量标准技术要求包括以下内容:
1. 骨料:使用的骨料应符合国家相关标准要求,具有一定的坚固度和稳定性;
2. 水泥:使用的水泥应符合国家相关标准要求,具有一定的强度和稳定性;
3. 砂浆:砂浆的配比应符合设计要求,并严格控制水灰比,以确保良好的工作性能和强度;
4. 混凝土抗压强度:混凝土的设计抗压强度应符合建筑设计要求,并按照相关标准进行检测;
5. 混凝土配合比:混凝土的配合比应符合设计要求,包括水灰比、骨料配合比等;
6. 混凝土开裂控制:合理的配合比、正确的施工方法和养护措施应采取,以控制混凝土的开裂;
7. 混凝土的施工:混凝土的施工应符合相关标准要求,包括搅拌、运输、浇筑、振捣等各个环节;
8. 混凝土的养护:混凝土浇筑后,应采取适当的养护措施,以保证混凝土的强度和耐久性;
9. 混凝土的检测:混凝土的抗压强度、抗渗透性、收缩性等性能应进行检测和评价,以确保达到设计要求;
10. 混凝土质量控制:应建立有效的质量控制体系,对混凝土的生产和施工过程进行监控和管理,以确保混凝土质量的稳定性和可靠性。
商砼技术要求公司内部编号:(GOOD-TMMT-MMUT-UUPTY-UUYY-DTTI-附件2商品混凝土的技术要求本工程混凝土工程量较大,为保证混凝土施工连续进行,基础和主体结构施工阶段均采用商品混凝土。
商品混凝土的技术要求如下:一、原材料要求1)水泥技术要求:宜采用硅酸盐水泥、普通硅酸盐水泥,采用其他品种水泥时应经试验确定。
2)粗骨料技术要求:采用5mm~25mm连续级配碎石,针片状颗粒含量≤10%,含泥量小于1%,石子吸水率小于%。
粗骨料最大粒径与输送管径(管径按Ф125考虑)之比:不宜大于1:(即最大粒径为25mm)。
由厂家提供现场试验报告,粗骨料应符合《普通混凝土用碎石和卵石质量标准及检验方法》(JGJ53-92)要求。
3)细骨料技术要求:砂采用中砂或中粗砂,不应使用海砂,细度模数为~(即平均粒径为0.414mm~0.5mm) ,含泥量小于3%,符合《普通混凝土用砂质量标准及检验方法》(JGJ52-2006)的规定并提供现场试验报告。
4)掺合料技术要求:选用II级粉煤灰。
粉煤灰应用时应符合国家现行标准《用于水泥和混凝土中的粉煤灰》(GB/T 1596-2005)的规定。
5)外加剂要求:本工程混凝土的减水剂、膨胀剂、防水剂、密实剂、引气剂、阻锈剂、复合型外加剂等,其品种和掺量应由试验确定。
所有外加剂须符合国家或行业标准一等品及以上的质量要求。
设计要求基础底板采用SY-G型高性能膨胀抗裂剂,掺量10%。
SY-G型高性能膨胀抗裂剂是具有早期塑性膨胀功能、中期的微膨胀功能、后期的减缩和防渗功能的复合型抗裂防水剂。
O当量)不得大于6)防水混凝土中各类材料的总碱量(Na23kg/m3;氯离子含量不应超过胶凝材料总量的%。
三、防水混凝土配合比要求1)防水混凝土的施工配合比应通过试验确定,试配混凝土的抗渗等级应比设计要求提高。
2)胶凝材料用量应根据混凝土的抗渗等级和强度等级选用,其总量不宜小于320kg/m3。
商品混凝土技术要求
本工程混凝土工程,基础和主体结构施工阶段均采用商品混凝土。
一、搅拌站的选择
通过我公司多年来与其它搅拌站的合作以及附近搅拌站的考察,决定本工程采用北京宏鑫预拌砂浆混凝土有限公司供应的商品混凝土。
并组织业主、监理对搅拌站进行考察。
二、商品混凝土技术要求
2.1水泥技术要求:本工程所有施工部位商品混凝土的水泥均采用低碱的普通硅酸盐水泥P.O42.5,其强度、安定性、凝结时间及其他必要的性能指标必须符合现行国家标准《通用硅酸盐水泥》GB175-2007的规定。
2.2粗骨料技术要求:采用5mm~25mm连续级配碎石,针片状颗粒含量≤10%,含泥量小于1%,石子吸水率小于1.5%。
粗骨料最大粒径与输送管径(管径按Ф125考虑)之比:不宜大于1:2.5(即最大粒径为25mm)。
由厂家提供现场试验报告,粗骨料应符合《普通混凝土用砂石质量及检验方法标准》(JGJ52-2006)要求。
2.3细骨料技术要求:砂采用中砂或中粗砂,细度模数为2.6~
3.7(即平均粒径为0.414mm~0.5mm) ,含泥量小于3%,符合《普通混凝土用砂石质量及检验方法标准》(JGJ52-2006)的规定并提供现场试验报告。
2.4掺合料技术要求:选用II级粉煤灰。
粉煤灰应用时应符合国家现行标准《粉煤灰混凝土应有技术规程》(GBJ164)、《粉煤灰在混凝土和砂浆中应用技术规程》(JGJ28)和《混凝土中掺用粉煤灰的技术规程》(DBJ01-10-93)的规定。
2.5外加剂要求:本工程混凝土的泵送剂、减水剂、膨胀剂、防水剂、密实剂、引气剂、复合型外加剂等,其品种和掺量应由试验确定。
所有外加剂须符合国家或行业标准一等品及以上的质量要求,标准主要有《混凝土外加剂》,《混凝土外加剂
应用技术规范》、《混凝土泵送剂》和《商品混凝土》。
2.6混凝土碱集料反应控制要求:本工程地下室底板、地下室外墙为二b类环境,须采用低碱混凝土,即采取预防混凝土碱集料反应措施。
混凝土中所用水泥、砂石料、粉煤灰、外加剂必须有碱含量报告,出据法定检测报告,控制混凝土各类材料总碱含量(Na2O+0.658K2O)不超过3kg/m3。
2.7要求严格控制混凝土中的氯盐含量,混凝土中的氯离子总含量应小于水泥重量的0.2%。
2.8初凝时间:要求大于4h;终凝时间:要求8h~10h。
2.9坍落度要求:条形基础、地下室外墙等有抗渗要求的混凝土坍落度为120mm ±20mm,无抗渗要求的混凝土坍落度水平构件为140mm±20mm,竖向构件为160±20mm。
入泵前混凝土经时损失值不应超过下表要求。
2.10其他技术指标:混凝土水灰比宜在0.4~0.6,砂率控制在38%~45%,用于结构的混凝土最小水泥用量为300 kg/m3(当掺加活性掺和料时不得小于280 kg/m3)。
三、混凝土供应时间要求
为保证现场混凝土供应的连续性,供方应每隔10~15分钟发一次车,每辆车从出站到施工现场的时间间隔不得大于45分钟,并保证车辆到场时间均衡,始终有2~3辆混凝土罐车在场。
混凝土罐车内应安装通讯设备,随时保持通讯畅通。
混凝土出站后,严禁混凝土罐车司机往混凝土中加水。
四、混凝土环保要求
所有商品混凝土原材料需要有符合国家标准的环保检测报告,商品混凝土放射
性指标限量必须符合下表规定:
北京宏鑫预拌砂浆混凝土有限公司
技术负责人:
2010年月日
中国新兴保信建设总公司五公司
技术负责人:
2010年月日。