施工企业信用评价办法修订定稿(铁总建设[2018]124号)
- 格式:pdf
- 大小:978.45 KB
- 文档页数:45
铁道部关于印发《铁路建设工程施工企业信用评价暂行办法》的通知文章属性•【制定机关】铁道部(已撤销)•【公布日期】•【文号】铁建设[2008]160号•【施行日期】2008.09.05•【效力等级】部门规范性文件•【时效性】现行有效•【主题分类】铁路正文铁道部关于印发《铁路建设工程施工企业信用评价暂行办法》的通知(铁建设[2008]160号)为进一步建立健全铁路建设市场诚信机制,完善施工企业信用评价制度,确保铁路建设工程质量和施工安全,现印发《铁路建设工程施工企业信用评价暂行办法》,自发布之日起施行。
铁道部办公厅原发《铁路建设工程施工企业质量信誉评价办法》(办建设发[2006]55号)、《关于〈铁路建设工程施工企业质量信誉评价办法〉补充相关内容的通知》(办建设发[2007]66号)同时废止。
请各单位将本办法执行中的建议与意见及时反馈铁道部建设管理司。
附件:1.日常检查评分表2.施工不良行为认定、公布期限和扣分标准铁路建设工程施工企业信用评价暂行办法第一章总则第一条为完善铁路建设市场诚信机制,激励施工企业加强管理,提高铁路工程质量,保证施工安全,根据国家及铁道部有关规定,制定本办法。
第二条本办法适用于铁道部投资的铁路大中型建设项目。
第三条本办法所称施工企业信用评价(以下简称信用评价),是指铁道部工程质量安全监督机构、建设单位根据对施工企业的日常检查情况和不良行为记录情况,对施工企业信用等级所进行的评价。
第四条信用评价应坚持公开、公正、公平的原则,自觉接受纪检监察部门和社会的监督。
第五条铁道部建设管理司对信用评价工作进行监督管理。
第二章日常检查第六条日常检查是指在铁路建设过程中,建设单位依据合同和规程规范,组织监理等单位对施工企业的实施行为和工程实体质量进行的检查。
第七条建设单位应严格按合同和规程规范对建设项目施工现场进行日常检查,一个评价期内日常检查不少于2次,检查时间应合理安排,各标段检查项目和频次应基本一致。
铁路建设项目施工企业信用评价办法(2)内容提要:铁路建设项目施工企业信用评价办法(2)铁路建设项目施工企业信用评价办法(2)附录3重大不良行为认定标准及公布期限备注:1.第1项以质量监督和管理部门通拫为依据;2.第2项以媒体公布并经核实或部省一级业务主管部门通报为依据;3.第3项以司法机关或有关纪检部门认定的事实和处理结杲作为依据。
附录4施工企业不良行为认定记录单建设项目及标段:编号:附录5信用评价抢险加分标准备以及抢险时间情况、灾害规模和复杂程度,合理提出加分建议值。
参加干线抢险的,可在同档中按较大值申请加分;参加支线抢险的,一般在同档中按较小值申请加分.抢险时间在12小时以内的,一般应取同档下限;抢险时间在96小时以上的,可取同档上限。
2.新线抢险涉及隧道被困人员救援抢险的,可取同档高限。
3.抢险加分以项目为单位,不得将多个项目捆起来加分。
4.多个施工企业共同参与一个项目抢险的,应根据发挥的作用加分,非主要施工企业加分值不超过发挥主要作用的施工企业加分值的70%。
5.大型机械是指挖掘机、装载机、推土机等在抢险中实际使用的机械,轨道车、汽车等交通工具不计。
附录6信用评价抢险加分申请汇总表附录7巳运营线路因工程质量原因影响行车或造成事故扣分标准附录8施工企业信用评价相关计分及排序原则一、建设项目计分按照以下公式计算施工企业项目信用评价得分。
式中:a为评价期内所有不良行为扣分。
b为标准化管理绩效考评得分。
当施工企业在同一建设项目中有一个以上的标段,其项目施工企业信用评价得分取各标段得分的平均值。
二、建设单位计分1. 计算各施工企业在各建设项目得分E的平均值F2. 施工企业在建设单位最终得分M = k x F,其中,k为调整系数。
(1 )建设单位管内施工企业数量为奇数时,排名在中间的施工企业A系数k取1.0 (如多家施工企业名次相同,均取1.0 ),排名在A之前的施工企业系数k按名次由低到高依次取 1.01、1.02、1.03……,排名在A之后的施工企业系数k按名次由高到低依次取0.99、0.98、0.97……,以此类推。
郑万高铁湖北段ZWZQ-9标信用评价预控措施结合中国铁路总公司文件《铁路建设项目施工企业信用评价办法》(铁总建设[2018]124号)现将如何做好下半年铁路项目信誉评价工作汇报如下:一、认真贯彻学习新办法,认清信用评价新形势项目经理和分部经理分别亲自组织项目部及分部各级管理人员认真贯彻学习中国铁路总公司文件《铁路建设项目施工企业信用评价办法》(铁总建设[2018]124号)、武九公司信誉评价实施细则、中铁隧道局集团有限公司文件《关于加强铁路信用评价管理工作的通知》(隧工程函[2018]432号),充分认清当前铁路信用评价竞争异常严峻的市场形势,高度重视铁路信誉评价对铁路施工单位提出的新标准、新要求,做到思想不松懈,行动不迟疑。
二、加强信用评价体系建设,狠抓责任落实。
依照集团、公司相关信用评价管理办法,结合郑万高铁自身管理特点,建立项目信用评价管理体系,项目经理为第一责任人,项目班子成员及分部主要管理人员分工协作,严格对照中国铁路总公司《铁路建设项目施工企业信用评价办法》(铁总建设[2018]124号)及武九公司信誉评价实施细则的相关扣分表及信用评价实施细则,针对本标段项目实际情况,逐条梳理归类,对日常管理目标分解,落实到人,利用月度质量安全大检查同步开展信用评价月度自查工作,确保责任落实到位。
建立各级检查分级跟踪及应急处置机制,确保各级检查过程全程跟踪,发现问题及时处理销号,将影响降到最低。
三、坚持红线管理不突破,夯实信用评价基础工作。
依照《铁路建设项目质量安全红线管理规定》,建立各施工工序卡控红线,对已完工程及时进行自检,建立质量问题台账,分析产生原因, 制定彻底整改措施确保问题及时整改并销号;对衬砌厚度不够、强度不足、初支背后空洞等触犯红线行为严厉追责,做到质量红线问题零容忍。
在项目今后的施工过程中,规范施工工艺流程、严控工序施工质量、强化安全信息化建设、优化各种施工方案、最大限度的减少或消除质量通病。
第一章总则第一条为完善中国中铁股份有限公司(以下简称股份公司)内部建设市场诚信机制,激励各施工企业加强管理,提高现场管理水平,保证工程质量和施工安全,根据股份公司有关规定和要求,制定本办法。
第二条本办法适用于股份公司作为合同主体而有多个二级施工企业(二级工程公司)参与建设的投资建设项目和总承包施工项目(以下统简称建设项目)。
第三条内部信用评价(以下简称信用评价)是指股份公司组织所属投资公司、总承包项目部或指挥部(以下均统称为评价人)对内部施工企业合同履行情况的综合评价。
信用评价对象为参加股份公司建设项目施工的所属二级施工企业(以下均统称为被评价人)。
第四条信用评价结果分A、B、C三个等级。
评价得分排名前5名的被评价人信用评价等级为A级,存在重大不良行为的被评价人信用评价等级为C级;评价得分排名为其他名次的被评价人信用评价等级为B级。
第五条信用评价工作应坚持公开、公平、公正原则,依照评价标准和评价程序进行。
—2—第二章组织管理和评价内容第六条股份公司生产管理部负责信用评价管理工作,对评价结果进行汇总、加减分核定和结果公布。
评价人负责评价工作的具体实施及上报。
第七条信用评价综合考虑被评价人所属各三级公司在建设项目的综合管理和质量、安全、工期、效益、环保、稳定等分项履约与管理情况,以及参加抢险救灾、特殊项目和业主来函投诉等因素,汇总后按评价得分由高到低对被评价人进行排名。
第八条信用评价每半年为一个评价期,建设项目初步验收后不再进行评价。
一个评价期内有3个月及以上施工期的项目,对该被评价人进行全面评价;施工期少于3个月或工程初验后存在不良行为的项目,只对该被评价人不良行为进行认定,不进行项目信用评价。
第九条仅在股价公司投资或总承包一个建设项目承担施工任务的被评价人,只在该项目内进行评价,不参加全股份公司的评价记分和排序,在全股份公司的信用评价结果视为B级,发生重大不良行为的直接评定为C级。
第十条评价人对建设项目现场检查应合理均衡安排,对各标段的检查项目和频次应基本一致(检查频次宜为每个评价期2次)。
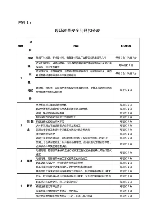
附件1:现场质量安全问题扣分表备注:1.建设单位应结合项目特点,对《现场质量安全问题扣分表》进行补充、细化,明确扣分标准。
附件2:施工管理扣分表备注:1.建设单位应结合项目特点,在上述检查项目的基础上制订《施工管理检查实施细则》,补充增加检查内容及子项目,明确检查方法及相关扣分标准,并与本办法有关扣分标准保持一致。
2.对各施工单位检查频次应基本均衡;检查子项目的扣分不得超过该子项目的扣分上限。
附件3:铁路工程管理平台自动采集问题扣分表说明:“人工核查”是指由人工调查现场实际信息并与平台提供信息进行对比统计数据。
“自动”是指系统根据该模块的平台数据自动计算。
附件4:质量监督检测中心抽检不合格项目及扣分表备注:对表中未列项目抽检达到本办法规定的不良行为认定条件的,按相应扣分标准进行扣分.附件5:一般不良行为认定及扣分标准备注:具体扣分由建设单位在规定幅度范围内细化并公布。
附件6:较大不良行为认定、扣分标准及公布期限附件7:重大不良行为认定标准及公布期限备注:1. 第1项以质量监督和管理部门通报为依据;2. 第2项以媒体公布并经核实或部省一级业务主管部门通报为依据;3. 第3项以司法机关或有关纪检部门认定的事实和处理结果作为依据。
附件8:信用评价抢险加分标准备注:1.抢险加分申请项目须符合下列条件之一:①山体滑坡1万方及以上;②路堤、路堑边坡溜坍1千方及以上;③隧道衬砌严重开裂、变形、垮塌;④桥梁墩台倾斜超限、冲倒;⑤涵洞冲毁。
⑥路堤冲空;⑦中断行车时间6小时及以上(以行车调度命令为准);⑧限速慢行24小时及以上(以行车调度命令为准)。
2.铁路局集团公司根据施工企业实际投入抢险的人员、大型机械设备以及抢险时间情况、灾害规模和复杂程度,合理提出加分建议值。
干线抢险取同档中较大值,支线抢险取同档中较小值。
抢险时间12小时以内的取同档下限,96小时以上的取同档上限。
3.新线抢险涉及隧道被困人员救援抢险的,可取同档高限。
铁路建设工程施工企业信用评价暂行办法1. 引言随着铁路建设规模不断扩大,对施工企业的技术能力、管理能力以及信用记录的要求也相应提高,以确保施工质量和安全,保证施工进度和质量。
本文旨在介绍铁路建设工程施工企业信用评价暂行办法,以帮助施工企业更好地了解铁路建设领域的信用评价标准,提高企业的信用水平,更好地参与铁路建设。
2. 信用评价指标铁路建设工程施工企业信用评价主要根据以下指标进行评定:1.技术能力。
包括施工人员的技术水平、施工管理能力、资金实力、施工装备等。
2.安全生产。
包括安全规范的遵守程度、安全生产管理措施、安全生产事故记录等。
3.合同履约情况。
包括合同签订的严格程度、合同履行的情况、合同纠纷处理等。
4.信用记录。
包括企业的信用评级、承担过的项目经验、资信状况等。
3. 评价标准铁路建设工程施工企业信用评价根据以上指标进行评价,评价标准如下:1.技术能力:以企业规模、施工人员技术水平和施工装备设施等指标为主要评价因素。
2.安全生产:以安全生产管理体系和安全生产事故记录等指标为主要评价因素。
3.合同履约情况:以合同签订率、合同履行情况和合同纠纷处理等指标为主要评价因素。
4.信用记录:以企业信用评级、承担过的项目经验和资信状况等指标为主要评价因素。
4. 评价方式铁路建设工程施工企业信用评价主要采用信用分级制度进行评价。
将企业的信用状况分为优、良、中、差四个等级,其中优秀企业拥有在中标及合作机会上的优先权。
评价方式主要包括自评、第三方评价和政府评价。
其中,自评包括企业的内部评价和由专业机构的评价,第三方评价包括铁路建设部门的评价和铁路项目监理单位的评价,政府评价包括质建部、建设部和财政部门的评价。
企业内部评价和专业机构评价是免费的,其他评价方式需要企业承担一定的评价费用。
5. 信用评价结果铁路建设工程施工企业信用评价的结果将会影响企业在铁路建设领域中的竞争力和可能获得的项目。
优秀企业将获得中标及合作机会的优先权,而差的评价将导致企业失去很多机会。
铁路工程信用评价方案一、前言铁路工程信用评价是对参与铁路工程建设的各个主体(包括建设单位、设计单位、施工单位、监理单位等)的信用状况进行评估,以确保工程建设的规范进行和工程质量的提高。
铁路工程对于国家经济和社会发展有着重要意义,因此对于参与铁路工程建设的各个主体的信用状况的评价也显得尤为重要。
二、铁路工程信用评价的内涵和意义1. 内涵铁路工程信用评价是指对参与铁路工程建设的各个主体的资信状况、履约能力、社会信誉等进行全面评价的行为。
评价内容主要包括评价对象的基本信息、信用历史、履约能力、社会信誉等,评价方法包括定性评价和定量评价两种。
2. 意义(1)促进工程质量提高。
通过对参与铁路工程建设的各个主体的信用状况进行评价,可以有效地提高这些主体的责任心和服务意识,从而促进工程质量的提高。
(2)降低建设风险。
通过对参与铁路工程建设的各个主体的信用状况进行评价,可以有效地降低建设风险,保障铁路工程建设的顺利进行。
(3)促进行业规范发展。
通过对参与铁路工程建设的各个主体的信用状况进行评价,可以有效地促进行业规范发展,推动行业的健康发展。
三、铁路工程信用评价的基本原则1. 公平公正。
评价应当公平公正,不偏不倚地评价参与铁路工程建设的各个主体的信用状况。
2. 严谨科学。
评价应当严格按照评价标准和程序进行,确保评价结果的科学客观性。
3. 信息透明。
评价应当将参与铁路工程建设的各个主体的信用评价结果及时公布,让社会公众了解到相关信息。
4. 利益平衡。
评价应当综合考虑政府、企业和社会等不同利益主体的利益,做到平衡发展。
5. 激励约束。
评价应当既能够激励履约良好的主体,又能够对不良主体进行惩戒,形成有效的约束机制。
四、铁路工程信用评价的具体内容1. 评价对象评价对象主要包括建设单位、设计单位、施工单位、监理单位等参与铁路工程建设的各个主体。
2. 评价指标(1)资信状况。
评价对象的注册资本、资产规模、经营范围、行业地位等资信状况。
附件1-1
建筑工程施工总承包企业信用评价标准(2018版)
项目信用信
息(100)1.企业负责人是指企业法定代表人、总经理、主管质量或安全生产工作的副总经理、总工程师、副总工程师。
2.分公司(非独立法人)负责人是指分公司负责人、主管质量或安全生产工作的副经理、技术负责人,企业质安科负责人。
3.项目部主要管理人员包括:项目负责人、技术负责人、施工员、质量员、安全员,以金华市建筑市场监管信息平台的登记为准。
4.通过实名制管理系统,认定无故不在施工现场
用信息(10
备注:
1.项目负责人信用分=项目信用信息分+项目其他信用信息分+加减分事项项目其他信用信息分=Z (项目其他信用信息得分)
X二级指标系数
扣分
信用
信息
20
项目信用信息分=£(项目三级指标得分X二级指标系数)* m未查过的二级指标按缺项处理,m为该项目检查总次数。
当检查项目三级指标缺项时,
i
=1
得分=得分率x100。
2 .企业信用分=企业基础信用信息分+企业项目信用信息分+企业其他信用信息分 企业基础信用信息分=£ (三级指标得分X 二级指标系数)
i
=1
企业其他信用信息分=£ (三级指标得分X 二级指标系数) 其中n 为企业在金在建项目数。
3 .监管部门应对加*项目进行重点监督检查。
企业项目信用信息分=
£
(项目信用信息得分)+ n。
中国铁路总公司物资供应商信用评价管理办法第一章总则第一条为提高现场管理水平,保证工程质量和施工安全,强化质量管理,树立诚信形象,打造信誉品牌,巩固核心市场,提升竞争能力,实现持续发展,我分部根据中国铁路总公司《铁路建设项目施工企业信用评价办法》(铁总建设[2014]129号)、《济南铁路局铁路建设项目施工企业信用评价实施细则》(济铁建发[2014]241号)、《青连铁路有限责任公司施工企业信用评价实施办法》以及集团公司《信用评价管理办法》相关规定,特制定本办法。
第二条本办法适用于中铁十四局集团青连铁路项目经理部一分部工程项目的信用评价。
第二章工作目标第三条铁路质量信誉评价总体目标通过各级同心协力,力争在青连铁路责任有限公司信用评价中,排名在第一名,确保平均名次以上(含平均名次)。
第三章实施与管理第四条建立信用评价工作责任体系,明确目标,落实责任,分级负责。
成立以分部经理为组长的信用评价工作领导小组。
1)分部主管领导对信用体系评价工作负总责,应了解、掌握、安排信用评价工作;2)分部主管领导和分管领导应了解和掌握信用评价动态。
必要时,组成内部检查组在建设单位组织评价前依据有关的评价内容进行自评与整改,并及时主动与业主建设指挥部、铁路局沟通,做好相关工作,保证取得相应的名次;3)分部信用评价工作实行部门责任制和分管领导负责制,以加强对评价工作的管理力度。
各级业务部门应对信用评价的相应内容作为重点实施监督管理,及时进行指导与服务;分部指定专人分管领导负责信用评价的有关工作;各架子队要按照分部信用评价工作部门划分表对各自的部门实施进一步划分,以强化职能部门在此项工作中的职责;第五条各架子队是实施信用评价工作的主体,应积极配合,做好信用评价工作。
各架子队的主要负责人(架子队长、技术负责人、安全负责人、质量负责人)实行现场记名责任制管理,建立施工管理档案,以强化管理人员的责任心。
第六条分部经理、书记是实施信用评价的第一责任人,对所管辖分部的信用评价结果负责。
铁路总公司《铁路建设项目施工企业信用评价办法》(铁总建设【2016】239号)修订条款解读(集团工管中心)2016年10月18日,铁路总公司下发了最新的《铁路建设项目施工企业信用评价办法》(铁总建设【2016】239号),办法从2016年下半年信用评价起施行。
铁总建设【2014】129号文件同时废止。
新办法的整体结构未发生变化(7章56条,9个附件),信用评价管理基本组织形式和管理程序未发生变化。
最大的变化是调整了标准化管理绩效考核评分制度(由原来的合格制调整为评分制);改变信用评价得分在建设单位的计分方法(调整系数的取值出现巨大变化),新增了一部分不良行为的认定,进一步明确了铁路总公司责任分工。
具体调整情况第一章总则没有变化(第1~6条)。
第二章组织管理1.第七条:责任更为明晰,新办法中明确了铁路总公司加分和减分审核部门以及信用评价监督部门的职责。
铁总建设【2014】129铁总建设【2016】2392、第十条:旧办法中仅在1个建设单位承担施工任务的,施工企业只在建设项目和建设单位内进行评价,不参加全路评价积分,全路信用评价结果视为B级,新办法中改为仅在1-2个建设单位承担施工任务的。
铁总建设【2014】129铁总建设【2016】2393、第十二条标准化管理绩效考评出现重大变化。
旧办法中达标考核满分5分,创优考评满分10分,考核采用合格制,即合格得满分,不合格得0分。
铁总建设【2014】129新办法中依据文件增加了《铁路建设项目标准化管理绩效考评实施办法》(铁总建设【2014】280号)文件。
达标考评满分10分,不合格0分,合格分别给予6-10分(保留一位小数),创优考评进行量化打分,得分按照《铁路建设项目标准化管理绩效考评实施办法》评定的施工企业百分制实际得分除以10(保留1位小数)。
这是除不良行为以外的另一个拉开得分差距的考核点。
目前集团公司参评项目中长株潭站房项目的业主每期均按该办法进行标准化管理考评并打分(但最终分数按照合格制给予满分)铁总建设【2016】239第三章不良行为变化1、第十三条:去掉“造成严重后果的行为”这一表述,意味着考核更加严格。
关于修订《中铁北京工程局集团第一工程有限公司工程项目信用评价管理及奖惩办法》的议案公司领导:根据集团公司《中铁北京工程局集团有限公司工程项目信用评价管理及奖罚办法》中铁京工管〔2017〕452 号文件,结合集团公司文件要求及公司实际,需要对《中铁北京工程局集团第一工程有限公司工程项目信用评价管理及奖惩办法》中铁京一安〔2017〕89 号部分条款作以修订,现将修订后的《中铁北京工程局集团第一工程有限公司工程项目信用评价管理及奖惩办法》(草案)报请总经理办公会审议。
工程管理部2018.05.24中铁北京工程局集团第一工程有限公司工程项目信用评价管理及奖惩办法(草案)第一章总则第一条为满足建筑市场诚信行为的要求,确保我公司在建筑市场的良好信誉,提高建筑市场的占有份额,依据铁路总公司《铁路建设项目施工企业信用评价办法》(铁总建设〔 2016〕239号)、北京局关于转发《中国中铁投资建设项目和总承包施工项目内部信用评价暂行办法》(中铁京工管〔 2018〕 115 号)及集团公司《中铁北京工程局集团有限公司工程项目信用评价管理及奖罚办法》(中铁京工管〔 2017〕452 号)特制定本办法。
第二条本办法适用于公司所有在建铁路、公路、公司参与股份公司自投及施工总承包项目以及开展评比并与招投标挂钩的市政、城轨、房建、机场等项目。
第三条按照中国铁路总公司、铁路局集团(铁路公司)公布的信用评价结果以及集团公司对于信用评价的奖罚决定,公司每半年对铁路信用评价结果进行公布,考核兑现结果按集团公司文件执行,公司不再另行进行考核兑现。
(第五章已阐述公司奖罚制度,此处有问题)按照交通运输部、各省运输主管部门公布的公路信用评价结果,公司每年对公路信用评价工作进行一次考核兑现。
开展信用评比并与招投标挂钩的市政、城轨、房建、机场等项目,根据建设单位开展的信用考核评价的结果参照本办法中公路信用评价部分同周期进行考核兑现。
按照股份公司公布的自投及施工总承包项目信用评价结果,公司每半年对公司参与股份公司自投及施工总承包项目信用评价工作进行一次考核兑现。
附件1:现场质量安全问题扣分表备注:1.建设单位应结合项目特点,对《现场质量安全问题扣分表》进行补充、细化,明确扣分标准。
附件2:施工管理扣分表备注:1.建设单位应结合项目特点,在上述检查项目的基础上制订《施工管理检查实施细则》,补充增加检查内容及子项目,明确检查方法及相关扣分标准,并与本办法有关扣分标准保持一致。
2.对各施工单位检查频次应基本均衡;检查子项目的扣分不得超过该子项目的扣分上限。
附件3:铁路工程管理平台自动采集问题扣分表说明:“人工核查”是指由人工调查现场实际信息并与平台提供信息进行对比统计数据。
“自动”是指系统根据该模块的平台数据自动计算。
附件4:质量监督检测中心抽检不合格项目及扣分表备注:对表中未列项目抽检达到本办法规定的不良行为认定条件的,按相应扣分标准进行扣分.一般不良行为认定及扣分标准备注:具体扣分由建设单位在规定幅度范围内细化并公布。
较大不良行为认定、扣分标准及公布期限重大不良行为认定标准及公布期限2. 第2项以媒体公布并经核实或部省一级业务主管部门通报为依据;3. 第3项以司法机关或有关纪检部门认定的事实和处理结果作为依据。
信用评价抢险加分标准备注:1.抢险加分申请项目须符合下列条件之一:①山体滑坡1万方及以上;②路堤、路堑边坡溜坍1千方及以上;③隧道衬砌严重开裂、变形、垮塌;④桥梁墩台倾斜超限、冲倒;⑤涵洞冲毁。
⑥路堤冲空;⑦中断行车时间6小时及以上(以行车调度命令为准);⑧限速慢行24小时及以上(以行车调度命令为准)。
2.铁路局集团公司根据施工企业实际投入抢险的人员、大型机械设备以及抢险时间情况、灾害规模和复杂程度,合理提出加分建议值。
干线抢险取同档中较大值,支线抢险取同档中较小值。
抢险时间12小时以内的取同档下限,96小时以上的取同档上限。
3.新线抢险涉及隧道被困人员救援抢险的,可取同档高限。
4.抢险加分以项目为单位,不得将多个项目捆起来加分。
5.多个施工企业共同参与一个项目抢险的,应根据发挥的作用加分,非主要施工企业加分值不超过发挥主要作用的施工企业加分值的70%。
中铁上海三工程〔2019〕151号关于印发《中铁上海工程局集团第三工程有限公司铁路工程信用评价管理办法》的通知公司各铁路项目部:根据《铁路建设项目施工企业信用评价办法的通知》(铁总建设〔2018〕124号)、《中铁上海工程局集团有限公司铁路工程信用评价管理办法(2019年版)》(中铁上海工管〔2019〕215号)相关规定,公司编制了《中铁上海工程局集团第三工程有限公司铁路工程信用评价管理办法》,经公司2019年第五次总经理办公会审议通过,现印发给你们,请遵照执行。
附件:1.铁路工程项目信用评价周报(样表)- 1 -2.四级迎检工作机制中铁上海局三公司2019年10月18日- 2 -中铁上海工程局集团第三工程有限公司铁路工程信用评价管理办法第一章总则第一条为维护和提升中铁上海工程局集团有限公司(以下简称“集团公司”)在铁路市场的信用,确保公司完成集团公司下达的信用评价目标,推进铁路工程标准化施工,强化铁路工程项目管理,建立健全以客户为导向的绩效评价奖惩机制,依据铁路建设工程管理的相关法律法规和《铁路建设项目施工企业信用评价办法的通知》(铁总建设〔2018〕124号)、《中铁上海工程局集团有限公司铁路工程信用评价管理办法(2019年版)》(中铁上海工管〔2019〕215号)等规定,制定本办法。
第二条公司各铁路项目部应按照施工承包合同及施工质量验收标准、设计图纸、安全作业规程,抓实过程控制,积极创新革新,依法依规开展各项工作,杜绝重大不良行为及较大不良行为,控制一般不良行为,减少日常检查扣分,确保工程质量、安全、环保、职业健康、稳定、进度、标准化管理满足合同及集团公司、各铁路局、国家铁路集团有限公司管理要求。
第三条本办法适用于公司承建或参建的(集团公司直管或公司代管)大中型铁路建设工程项目。
路外工程项目部参与铁路营业线抢险成功加分的奖励标准参照本办法执行。
第四条集团公司总体信用评价目标为A级,公司各铁路- 3 -项目信用评价目标以集团公司每半年下达的评价目标为准。
铁道部办公厅关于印发《铁路建设工程施工企业质量信誉评价办法》的通知文章属性•【制定机关】铁道部(已撤销)•【公布日期】2006.11.23•【文号】办建设发[2006]55号•【施行日期】2006.11.23•【效力等级】部门规范性文件•【时效性】失效•【主题分类】铁路正文*注:本篇法规已被:铁道部关于印发《铁路建设工程施工企业信用评价暂行办法》的通知(实施日期:2008年9月5日)废止铁道部办公厅关于印发《铁路建设工程施工企业质量信誉评价办法》的通知(办建设发[2006]55号)各铁路局,集装箱、投资公司,各铁路公司(筹备组):为进一步完善铁路建设施工企业质量信誉评价体系,引导施工企业加强现场管理,提高铁路建设项目工程质量水平,经铁道部同意,现印发《铁路建设工程施工企业质量信誉评价办法》,自即日起实行。
为便于衔接,保证本期质量信誉评价的质量,2006年下半年的质量信誉评价期延至2007年1月底,请各建设单位依照本办法,在2007年1月底之前完成本期的质量信誉评价工作,评价结果于2007年2月10日前报铁道部工程质量安全监督总站。
以后的评价期按本办法规定办理。
铁道部办公厅二00六年十一月二十三日铁路建设工程施工企业质量信誉评价办法第一条为保证铁路工程质量,建立铁路建设市场施工企业诚信机制,依据《建设工程质量管理条例》、《铁路建设管理办法》等有关规定,制定本办法。
第二条本办法适用于铁路大中型建设项目的施工质量信誉评价。
第三条本办法所称铁路建设工程施工企业质量信誉评价,是指在建设期内对新建、改(扩)建铁路大中型建设项目的参建施工企业在质量信誉方面定期进行的评价。
每半年为一个评价期。
联合体中标的施工企业,按照投标承诺,对各自所承担的工程分别进行评价。
第四条各参建单位要严格按照标准、规范、规程做好质量管理工作。
质量信誉评价不替代正常的质量管理工作。
第五条质量信誉评价由建设单位组织。
铁路局作为建设单位的项目由铁路局组织评价;部管铁路公司(筹备组)管理的项目由铁路公司(筹备组)组织评价;铁路局为出资人代表的其他合资铁路项目由铁路局组织,统一纳入本局质量信誉评价。