物料提升机在办理安装备案手续提交资料
- 格式:doc
- 大小:70.00 KB
- 文档页数:4
河南省建设厅关于印发河南省建筑起重机械设备备案登记管理办法的通知豫建〔2008〕203号各省辖市、各扩权县(市)建委(建设局)、城建局、市政局:现将《河南省建筑起重机械设备备案登记管理办法》印发给你们,并提出如下实施意见,请认真贯彻执行。
一、各级建设行政主管部门要高度重视建筑起重机械设备备案登记工作,抓紧安排部署,广泛进行宣传,明确管理机构,安排专人或专职小组负责,认真组织实施,扎扎实实地做好此项工作。
二、各级建设行政主管部门要主动与当地工商行政管理部门联系沟通,摸清建筑起重机械设备出租单位的底数和有关情况,以便更加积极有效地开展建筑起重设备的备案管理工作。
三、该《办法》实施后,省建设行政主管部门不再对建筑起重机械进行产品备案。
四、各级建设行政主管部门及其安全监督机构要督促建筑起重机械设备产权单位抓紧办理建筑起重机械设备备案,现有建筑起重设备的备案工作应在2008年12月底前完成,新购置的建筑起重机械设备应按规定及时办理备案。
五、鉴于建筑起重机械设备备案工作量较大,需要一段集中办理的时间,对于涉及建筑起重机械设备备案的处罚性条款从2009年1月1日起执行。
六、各地建设行政主管部门在办理建筑起重机械设备备案登记中遇到的问题,请及时向省建设行政主管部门报告。
附件:《河南省建筑起重机械设备备案登记管理办法》河南省建筑起重机械设备备案登记管理办法第一条为加强建筑起重机械设备备案登记管理,根据建设部《建筑起重机械安全监督管理规定》、《建筑起重机械备案登记办法》及《河南省建筑起重机械设备安全监督管理办法》,制定本办法。
第二条河南省境内建筑起重机械设备的备案登记管理适用本办法。
第三条本办法所称建筑起重机械设备备案登记,包括建筑起重机械设备备案、安装(拆卸)告知和使用登记。
建筑起重机械设备的备案、使用登记分别由设备所有权单位、使用单位申请办理,安装(拆卸)告知由安装、拆卸单位办理。
第四条省建设主管部门负责全省建筑起重机械设备的备案登记管理工作。
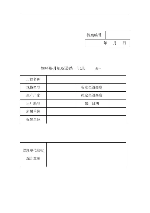
物料提升机拆装统一记录表一
物料提升机在办理安装备案手续时
应出具下列有效征件及资料
一、物料提升机安装备案申请表。
二、物料提升机拆装方案,由拆装单位编编制,经技术负责人审批签字,报经工程总监签字审批。
三、物料提升机备案证(或出厂合格证);安装单位安全生产许可证;安装、操作人员上岗证(复印件)。
四、物料提升机租赁;租赁促使合同(复印件)——合同应明确各方安全主体责任;出租方应出具整机及配件安全性能检测合格证明(复印件)。
五、外购关键零部件、易损件的产品合格证(复印件)。
六、物料提升机拆装统一记录:
1、安全技术交底书;
2、基础验收记录;
3、安装前查检记录;
4、安装检测验收记录;
七、物料提升机安全事故预防监控措施:如安全操作规程和操作注意事项,定期技术维持和安全检查记录记录等。
施工单位物料提升机安装前查检记录表二
物料提升机基础验收记录表三
物料提升机安装检测验收记录表四。
关于进一步加强井架物料提升机安全管理的通知常住建〔2011〕163号各建筑施工、监理企业:为进一步加强井架物料提升机安全管理,预防安全生产事故的发生,根据《建筑起重机械安全监督管理规定》(原建设部第166号令)、住建部《建筑起重机械备案登记办法》(建质〔2008〕76号)、《龙门架及井架物料提升机安全技术规范》(JGJ88-2010)、《江苏省建筑施工起重机械设备使用登记办法》(苏建管质〔2006〕92号)等文件规定,结合我市实际,提出如下管理要求,请认真贯彻执行:一、施工企业在购置井架物料提升机时,应选择专业厂家生产的合格产品,并要求厂家提供特种设备制造许可证、产品合格证、制造监督检验证明、产品说明书等合格证明材料。
二、井架物料提升机必须按规定到市安监站办理产权登记手续,办理产权登记时提供下列资料:1、《井架物料提升机产权登记表》(见附件1);2、产权单位法人工商营业执照副本及复印件;3、特种设备制造许可证复印件1份。
未实行产品制造许可证的产品,提供省建设行政主管部门颁发的产品鉴定证书;4、制造监督检验证明或省建设行政主管部门颁发的使用证明复印件1份;5、产品出厂合格证原件及复印件;6、建筑起重机械设备购销合同、发票或相应有效凭证;7、已购置使用的井架物料提升机办理产权登记时,还应提交以下相关资料:(1)技术改造、大修情况资料;(2)事故记录和累计运转记录等资料;(3)超过使用年限的必须提供检验检测机构出具的性能试验和结构应力测试合格报告。
三、井架物料提升机的进场、使用、注销登记手续办理,按照原市建设局《关于转发〈江苏省建筑施工起重机械设备使用登记办法〉的通知》(常建〔2006〕265号)的规定执行。
四、井架物料提升机的安装、拆卸、顶升、附着等作业,必须由取得起重设备安装工程专业承包资质及安全生产许可证的单位进行,并在装、拆前,由安装单位编制针对性的专项施工方案(安装、拆卸施工方案必须分开编制),方案报单位技术负责人审核,并报使用单位技术负责人、总监审批,审批通过后方可实施。
物料提升机办理使用登记流程下载温馨提示:该文档是我店铺精心编制而成,希望大家下载以后,能够帮助大家解决实际的问题。
文档下载后可定制随意修改,请根据实际需要进行相应的调整和使用,谢谢!并且,本店铺为大家提供各种各样类型的实用资料,如教育随笔、日记赏析、句子摘抄、古诗大全、经典美文、话题作文、工作总结、词语解析、文案摘录、其他资料等等,如想了解不同资料格式和写法,敬请关注!Download tips: This document is carefully compiled by theeditor. I hope that after you download them,they can help yousolve practical problems. The document can be customized andmodified after downloading,please adjust and use it according toactual needs, thank you!In addition, our shop provides you with various types ofpractical materials,such as educational essays, diaryappreciation,sentence excerpts,ancient poems,classic articles,topic composition,work summary,word parsing,copy excerpts,other materials and so on,want to know different data formats andwriting methods,please pay attention!物料提升机是建筑施工中常用的一种机械设备,为了确保其安全使用,需要进行使用登记。
附件1:台州市建筑起重机械产权备案表县(市、区)编号:1.本表一式三联,第一联交各地建设工程质量安全监督机构办理装拆使用登记、第二联备案管理部门留存、第三联建筑起重机械设备产权单位存档。
(三联式各地自制)2.交表时应提交下列资料并装订成册:(1)产权单位法人营业执照副本;(2)特种设备制造许可证;(3)产品合格证;(4)制造监督检验证明;(5)建筑起重机械设备购销合同、发票或相应凭证;(6)安全技术档案含安装使用保养说明、检验维修保养记录等。
(所有资料复印件应当加盖产权单位公章)3.备案资料如有变更,应到原备案机关办理备案注销手续并应重新办理备案。
—2—附件2:台州市建筑起重机械备案编号规则一、建筑起重机械备案编号:XXX—X XXXXX(1)(2)(3)其中:(1)起重机械备案属地代号——第一位“X”表示省(区)的简称,我省为“浙”;第二位“X”为设区市的英文字母代号,我市为J;第三位“X”为县(市、区)的英文字母代号。
县(市、区)的英文字母代号具体为椒江J、黄岩H、路桥Q、临海L、温岭W、玉环Y、天台T、仙居X、三门S、台州湾循环经济产业集聚区C、台州经济开发区K。
(2)起重机械规格型号——“X”表示起重机械类别英文字母代号(具体见下表)。
起重机械规格型号代号对照表(3)起重机械备案序号——“XXXXX”表示五位阿拉伯数字备案序号,由县(市、区)从00001开始流水编号。
二、示例:浙JJ—T00001表示:浙江省台州市椒江区进行起重机械备案的第一台塔式起重机,备案序号为00001号。
—4—附件3:台州市建筑起重机械备案登记汇总表填报单位:(章)填表日期:年月日附件4:台州市建筑起重机械产权备案注销表编号:1.本表一式二份,一份交备案管理部门,另一份建筑起重机械设备产权单位自留;2.交表时附上原有建筑起重机械产权备案表原件第二联。
—6—附件5:台州市建筑起重机械设备安装(拆卸)告知表安装(拆卸)单位(章):联系人:联系电话:说明:本表一式五份,相关单位各留一份,另一份交建设工程质量安全监督机构用于办理使用登记。
物料提升机械登记备案须知物料提升机械在安装检测完毕后一个月内,应向市安监站提供下列资料进行登记备案。
①起重机械装拆资格证或装拆许可证。
②安装单位自行检验验收合格的文件。
③安装、使用、监理单位共同签署的整机验收合格文件。
④法定检测机构出具的检测合格文件原件。
⑤生产厂家的资质证书、安全生产许可证等;出厂合格证明。
⑥施工总承包(使用)单位和拆装单位签订的安装或拆卸合同及安全生产责任书。
⑦起重机械装拆人员的上岗证。
⑧现场提升机械操作人员上岗证。
⑨由装拆单位编制并报经施工总承包(使用)单位和监理单位审查同意后的物料提升机械安装或拆卸的专项方案。
在提供上述文件完整后,安监站在三个工作日内完成备案,并挂牌。
临安市建设工程质量安全监督站起重机械安装验收备案须知塔机、人货梯在安装检测完毕后一个月内,应向市安监站提供下列文件进行备案登记。
⑩起重机械基础打桩记录、桩产品合格证、基础隐蔽工程验收书、砼试块报告、钢筋质保书及试拉报告、钢筋连接检验批质量验收记录、技术复核单。
⑪起重机械装拆资格证或塔机装拆许可证。
⑫安装单位自行检验验收合格的文件。
⑬安装、施工、监理单位共同签署的起重机械整机验收合格文件。
⑭法定起重机械检测机构出具的检测合格文件原件。
⑮生产厂家的资质证书、安全生产许可证等;出厂合格证明。
⑯施工总承包(使用)单位和拆装单位签订的安装或拆卸合同及安全生产责任书。
⑰起重机械装拆人员的上岗证。
⑱现场起重设备的驾驶、指挥、司索等上岗证。
⑲由装拆单位编制并报经施工总承包(使用)单位和监理单位审查同意后的起重机械安装或拆卸的专项方案。
在提供上述文件完整后,安监站在三个工作日内完成备案,并挂牌。
临安市建设工程质量安全监督站物料提升机安装验收书工程名称:施工单位:验收日期:备案日期:临安市建设工程质量安全监督站施工物料提升机安装检验记录说明:1、本验收书一式四份,使用单位、安装单位、主管单位、市安监站各一份。
2、检点记录样,应用文字或数据填写,主要问题可填写在相应空格栏内;结论栏用“符合”或“不符合”字样填写。
建筑起重机械设备安装告知申报单位:设备安装单位办理时限:5个工作日办理程序:1、申报单位进行网上申报(江苏省起重机械设备安全监督管理系统(http://58.213.147.230:8080/jscvemis/),上传申请材料附件,密钥使用省住建厅建筑企业资质管理密钥,网上上报单位为镇江市住建局)。
2、申报单位申报成功后,网上打印出建筑起重机械设备安装告知书,按要求提供相关材料至窗口受理。
3、后台进行网上审核。
4、审核通过后,申报单位到窗口领取安装告知回复书。
办理时限:5个工作日申请材料:1、网上打印的建筑起重机械设备安装告知书(加盖安装单位公章);2、安装公司营业执照复印件(加盖安装单位公章);3、安装单位资质证书复印件(加盖安装单位公章);4、安装单位安全许可证复印件(加盖安装单位公章);5、安装单位专业技术人员(安装单位设备安装过程中现场监督的技术人员——工程师、助理工程师证书复印件加盖安装单位公章);6、安装单位专职安全生产管理人员;(安装单位设备安装过程中现场监督的专职安全人员——“C类”人员证书复印件加盖安装单位公章);7、特种作业人员名单及证书复印件(塔式起重机安装需提供4名以上塔式起重机安拆人员证书复印件;施工升降机安装需提供3名以上施工升降机安拆人员证书复印件;物料提升机安装需提供2名以上物料提升机安拆人员证书复印件,提供安拆人员汇总名单加盖安装单位公章,所有证书复印件加盖安装单位公章);8、安装合同以及与施工总承包单位签订的安全管理协议书原件;9、起重机械设备安装工程专项施工方案原件(需附监理报审表、企业内部审批表,且须经总承包单位审核、监理单位项目总监理工程师审批);10、起重机械设备安装工程安全事故应急救援预案原件(需附监理报审表、企业内部审批表,且须经总承包单位审核、监理单位项目总监理工程师审批);11、安全施工技术交底资料原件;12、其他有关资料(1、外地进镇安装企业需提供起重机械设备进镇备案证明,现场验原件留加盖安装单位公章的复印件;2、起重机械设备转场保养合格证3、设备的产权备案证明)。
物料提升机备案审查资料目录一、申报材料1.《物料提升机备案申请表》2.申报单位法定代表人授权委托书3.申报单位法定代表人身份证复印件4.申报单位营业执照副本复印件5.项目建设规划书6.设备选型及设计方案说明书7.设备生产厂家的资质证明及产品质量证明文件8.设备所需电气元器件应符合国家、行业及安规标准,并应有有效认证或检测合格报告9.设备所需电气元器件及电缆应符合安装环境要求,应考虑达到防火、防爆、防腐蚀和防护等方面的要求。
二、技术要求1.设备应符合国家、行业及安规标准,并应有有效检测合格报告2.设备所需电气元器件应符合国家、行业及安规标准,并应有有效认证或检测合格报告3.设备所需电气元器件及电缆应符合安装环境要求,应考虑达到防火、防爆、防腐蚀和防护等方面的要求4.设备应具备以下功能:紧急停车、断电保护、限速保护、上下限位保护、悬挂绳保护和绳飞跑保护。
5.设备适用于水平或垂直单向运输,其设备结构合理、操作方便、运转平稳、能耗低、使用可靠、使用寿命长、维护简便,同时,设备具有一定的自我保护能力。
6.设备的速度、控制方式、运行方式等需与物料提升机所在的工艺流程相匹配,不得违反国家、地方安全规定。
三、相关证照文件1.设备安全生产许可证2.制造许可证或特种设备制造许可证3.省专用设备检测机构出具的设备性能测试报告、定期检测报告、检验报告等4.产品合格证书、质量检验报告、质量保证书四、管理要求1.设备应安装完好并已取得《特种设备安全检验检测合格证》后方可投入使用。
2.设备使用单位应按照使用、维护和保养规程,正确使用和保养设备,确保设备长期安全运行。
3.设备发生故障或达到使用寿命后,应及时报废或更新,避免安全隐患。
以上是物料提升机备案审查资料目录,申请人应按照要求准备相关申报材料并提交物料提升机备案申请。
申请单位应保证材料的真实性和合法性,如有虚假资料或不符合要求等情况,责任自负。
江苏省建筑施工起重机械设备使用登记办法第一条为加强对建筑施工起重机械设备(以下简称起重机械)的安全监督管理,预防重大设备事故的发生,保障人民群众生命财产安全,根据国务院《建设工程安全生产管理条例》、《特种设备安全监察条例》,制定本办法。
第二条在本省行政区域内进行房屋建筑工程和市政工程施工中起重机械的登记管理适用本办法。
本办法所称起重机械是指各类塔式起重机、门式起重机、施工升降机、物料提升机、高处作业吊篮和整体提升脚手架。
第三条省建筑工程管理局负责全省起重机械登记管理工作。
设区的市和县(市)建设(筑)行政主管部门负责本行政区域内起重机械登记管理工作。
第四条在本省使用的起重机械都必须进行登记管理。
起重机械登记包括产权登记和使用登记,分别由起重机械产权单位和使用单位申请办理。
第五条起重机械产权登记编号,实行一机一号终身编号制度,在全省通用,直至设备报废或不再在本省使用(编号规则见附件一)。
登记后,任何单位和个人不得随意更改登记文件和编号。
第六条起重机械产权登记手续由设备产权单位在购机后到企业注册所在地登记部门办理,起重机械登记部门应当对符合登记条件的设备进行编号,向产权单位核发《江苏省建筑施工起重机械设备产权登记证》(见附件二)。
产权单位办理产权登记手续时,应当向登记部门提交以下资料:(一)《江苏省建筑施工起重机械设备产权登记申报表》(见附件三)一式2份;(二)设备产权单位法人工营业执照副本及复印件1份或所有权人身份证复印件1份;(三)产品制造许可证复印件1份。
未实行产品制造许可证的产品应当提供省级有关部门的产品鉴定证书复印件1份;(四)产品出厂合格证原件及复印件1份;(五)设备购销合同或发票复印件1份。
第七条本办法实施前已购置使用的起重机械办理产权登记时,除应提交本办法第六条规定的资料外,还应提交以下相关资料:(一)技术改造、大修情况资料;(二)事故记录和累计运转记录等资料;(三)超过使用年限的必须提供检验检测机构出具的性能试验和结构应力测试合格报告。
建筑起重机械备案申报表物料提升机背景建筑工程中涉及到的机械设备,按照国家安全监管要求需要进行备案登记。
其中,涉及到的建筑起重机械包括塔式起重机、门式起重机、动臂式塔机、桅杆式起重机、升降机、物料提升机等。
本文主要介绍建筑起重机械备案申报表物料提升机的相关信息。
物料提升机的概述物料提升机是一种常见的建筑起重机械,广泛用于工地中将一些轻质材料、木材等物品进行升降运输。
物料提升机主要由电机、输送机械、支撑塔架等组成,其升降机构则由齿条、齿轮、传动轮和起升机构组成。
申报要求在建筑工程中使用物料提升机进行物资的升降运输,需要进行备案登记。
备案申报表的填写需要提供机械的相关信息,如型号、产地、安装位置、技术参数等。
同时,需要提供完善的安全措施与管理制度,确保作业安全。
填写备案申报表时需要注意以下几点:申报材料•机械使用说明书•产品合格证或检测报告•驾驶员操作证书•机电设备合格证书•施工组织设计方案机械信息填写备案申报表时需要提供机械的相关信息,如型号、产地、安装位置、技术参数等。
主要包括以下内容:•机械名称:物料提升机•型号规格:如JJ-Ⅲ-A型•生产厂家:北京科技有限公司•出厂日期:2021年1月1日•运输方式:自行车运输•安装位置:XX区某工地•台数:1台安全措施使用物料提升机的工地必须制定完善的安全管理方案和安全措施,加强对机械的检查维护。
为了确保使用安全,需要注意以下几点:•现场管理,设置警示标志、铁质护栏和告示牌等•加强安全检查和岗位培训•确保机械的定期点验和维护•全面加强安全制度建设,并不断完善和提升结论以上就是建筑起重机械备案申报表物料提升机的相关要求和申请流程。
对于使用这类起重机械的工地,需认真落实备案申报制度和安全管理要求,确保工地作业的安全和正常进行。
物料提升机备案审查资料目录
前言
物料提升机是在现代物流系统中广泛运用的设备之一,其重要性不言而喻。
该设备一旦出现质量问题,可能会对生产、安全等多个方面造成影响。
因此,对于物料提升机的备案审查工作十分必要,本文档旨在提供相关资料目录,为备案审查工作提供参考。
目录
1.设计图纸
–机械设计图
–电气设计图
2.强制性产品认证证书
–CCC认证证书
–CE认证证书
–安全生产许可证
3.生产企业资质及技术能力
–企业营业执照
–企业生产许可证
–生产企业相关资质证明
–生产企业技术能力评估报告
4.检测报告
–制造商出厂前检验报告
–检测机构检验报告
–日常检测记录
5.使用说明书及维护手册
–设备安装指导书
–设备操作手册
–技术参数及维护手册
6.售后服务承诺书
–售后服务承诺书
–维修保养计划
7.其他相关资料
–相关标准规范
–设备备件清单
–设备运营历史记录
补充说明
1.上述目录内容仅供参考,根据具体情况,备案审查人员可以进行适当
调整。
2.在备案审查过程中,有需要补充的资料,应及时向生产企业索取。
3.如有必要,备案审查人员可以对生产企业提交的资料进行核实和真实
性验证。
结语
物料提升机的备案审查工作十分重要,只有在充分了解设备的情况下,才能保障其在使用中的安全性。
本文档提供的资料目录以及补充说明,希望能对备案审查工作提供参考和帮助。
物料升降机备案登记资料1. 引言本文档旨在列出物料升降机备案登记所需的资料清单,以确保升降机的合法使用和安全性。
物料升降机是用于垂直运输货物或人员的设备,广泛应用于建筑工地和物流仓储等领域。
备案登记的目的是为了监督和管理物料升降机的使用,以保障施工安全和作业效率。
2. 登记资料清单为了完成物料升降机的备案登记,需准备以下资料:2.1. 申请表格申请表格是备案登记的重要文件,用于记录物料升降机的基本信息和使用情况。
申请表格应包含以下内容:•申请单位名称•升降机型号和规格•使用地点•预计使用时间•使用期限限制(如租赁协议)•承建单位信息•制造单位信息•安装单位信息•维修单位信息2.2. 设备合格证书物料升降机备案登记需要提供设备的合格证书副本。
合格证书是指升降机生产厂家出具的设备合格证明文件,用于确保升降机符合国家相关安全规范和标准。
2.3. 设备技术参数应提供物料升降机的技术参数清单,包括但不限于以下内容:•最大起重量•高度范围•运行速度•载重平台尺寸•平台控制方式•电源要求•安全装置配备情况2.4. 安全检测报告物料升降机的备案登记还需提供近期的安全检测报告。
安全检测报告是由具备相应资质的第三方机构进行的设备安全性检测,用于验证升降机的使用安全性。
2.5. 维保记录建议提供升降机的维保记录,包括维保时间、内容和维保单位等信息。
维保记录可以反映升降机的维护状况,同时也是安全监管部门评估设备运行状态的重要依据之一。
2.6. 其他相关证件备案登记所需的其他相关证件包括但不限于:•升降机使用许可证•环境保护证书•噪音排放证明•施工许可证明•驾驶员从业资格证书3. 结束语物料升降机备案登记是确保升降机使用安全的重要程序。
在备案登记过程中,需要提供各种相关的资料和证明文件。
本文档列举了备案登记所需的资料清单,供申请单位进行准备。
只有通过备案登记并持续进行安全监管和维护,才能确保物料升降机的正常运行和施工现场的安全。
《建筑起重机械备案登记办法》实施细则第一章总则第二章建筑起重机械的安全监督管理第三章首次备案登记第四章安装告知第五章使用备案登记第六章备案编号规则第七章法律责任第一章总则第一条为了加强建筑起重机械安全监督管理,促进建筑施工企业保持和改善安全生产条件,防止和减少安全生产事故,保障人民群众生命和财产安全,依据《建设工程安全生产管理条例》、《特种设备安全监察条例》、《安全生产许可证条例》、《建筑起重机械安全监督管理规定》等法律、法规和规章,结合我县实际制定本实施细则。
第二条我县行政区域内建筑施工企业建筑起重机械安全监督管理,以及从事建筑起重机械的租赁、安装、拆卸、使用等建筑施工活动,应当遵守本实施细则。
本细则所称建筑起重机械,是指纳入特种设备目录,在房屋建筑工程和市政工程工地安装、拆卸、使用的起重机械。
建筑起重机械备案登记包括建筑起重机械备案、安装(拆卸)告知、使用登记。
第二章建筑起重机械安全监督管理第三条县人民政府建设主管部门对全县建筑起重机械的租赁、安装、拆卸、使用实施监督管理。
第四条县级以上地方人民政府建设主管部门应当对施工现场的建筑起重机械备案登记情况进行监督检查。
第五条省级以上人民政府建设主管部门应当按照有关规定及时公布限制或禁止使用的建筑起重机械。
第六条出租、安装、使用单位未按规定办理建筑起重机械备案、安装(拆卸)告知、使用登记及注销手续的,由建设主管部门依照有关法规和规章进行处罚。
第七条出租、安装、使用单位应当按规定提交建筑起重机械备案登记资料,并对所提供资料的真实性负责。
县人民政府建设主管部门建立建筑起重机械备案登记诚信考核制度。
第三章首次备案登记第八条建筑起重机械出租单位或者自购建筑起重机械使用单位(以下简称“产权单位”)在建筑起重机械首次出租或安装前15日,应当向本单位工商注册所在地县级以上地方人民政府建设主管部门(以下简称“设备备案机关”)办理备案。
第九条产权单位在办理备案手续时,应当向设备备案机关提交以下资料:(一)贵州省建筑起重机械备案申请表(见附表一)一份及电子文档;(二)产权单位法人营业执照副本;(三)特种设备制造许可证;(四)产品合格证;(五)制造监督检验证明;(六)建筑起重机械设备购销合同、发票或相应有效凭证;(七)单位自检能力证明资料,包括:1.设备存放场地情况说明;2.机械工程师及相关技术检测维修、作业人员相关证件;3.设备检测维修保养制度;4.安全装置定期检查制度;5.设备出入库管理制度;6.其他。
分物料提升机
一、证明文件
1.产品出厂合格证
2.特种设备制造许可证或工业产品生产许可证
3.起重机械制造监督检验证
4.产品说明书
5.建筑起重机械产权备案证
6.安装单位资质证书、安全生产许可证
7.安装单位特种作业人员名单及特种作业证书复印件
8.安装单位负责建筑起重机械安装(拆卸)工程专职安全生产管理人员、专业技术人员名单
9.使用单位特种作业人员名单及特种作业证书复印件
二、合同、协议和专项方案
1.安装单位与使用单位签订的安装(拆卸)合同
2.安装单位与施工总承包单位签订的安全协议书
3.使用单位与产权(出租租赁)单位签订的租赁合同
4.设备维修保养合同
5.建筑起重机械使用及维护保养制度
6.物料提升机基础专项施工方案
7.物料提升机安装专项施工方案
8.物料提升机拆卸专项施工方案
9.物料提升机安装(拆卸)工程生产安全事故应急救援预案
10. 物料提升机生产安全事故应急救援预案
检查验收
1.建筑起重机械安装(拆卸)告知表GDAQ21006
2.机械(电气)设备进场查验登记表GDAQ2090102
3.建筑起重机械基础验收表GDAQ2090104
4.物料提升机安装自检表GDAQ209010805
5.建筑起重机械检验检测报告
6.建筑起重机械安装验收表GDAQ2090105
7.建筑起重机械运行记录GDAQ20613
8.建筑起重机械维护保养记录表GDAQ20612
9.物料提升机定期自检表GDAQ209010903
10. 建筑起重机械使用登记牌(物料提升机)GDAQ21012。
物料提升机备案资料样本汇总物料提升机(也称升降机)是一种能够将物料从低处提升至高处的设备。
在使用前,必须对其进行备案。
下面介绍一些物料提升机备案所需要的资料样本。
1. 产品型号资料物料提升机备案需要提供产品型号资料。
这些资料包括产品规格、结构特点、使用范围等信息。
这些信息可以从产品说明书中获得。
1.1 产品规格产品规格是指物料提升机的技术参数。
包括额定起重力、提升高度、升速、机身尺寸等指标。
这些规格参数必须准确无误,并符合国家标准。
1.2 结构特点结构特点是指物料提升机的工作原理和构造特点。
包括提升机构、支承结构、主要传动部位等。
这些特点必须与产品规格相符合,并符合国家标准。
1.3 使用范围使用范围是指物料提升机适用的领域和环境。
例如,电梯的使用范围可能包括商业楼宇、住宅楼宇等。
这些信息必须与产品规格相符,符合国家标准。
2. 质量保证资料物料提升机备案需要提供质量保证资料。
这些资料包括产品生产许可证、检验报告、产品质量保证书等。
2.1 产品生产许可证产品生产许可证是指生产物料提升机的企业所持有的产权证明。
这些证件必须符合国家标准,并在备案时提供。
2.2 检验报告检验报告是指由权威机构对物料提升机进行的品质检测和评估报告。
这些报告必须符合国家标准,并在备案时提供。
2.3 产品质量保证书产品质量保证书是指生产企业对其产品质量的承诺书。
这些保证书必须符合国家标准,并在备案时提供。
3. 安全保障资料物料提升机备案需要提供安全保障资料。
主要包括安全生产许可证、安全管理制度、安全生产责任书等。
3.1 安全生产许可证安全生产许可证是指企业获得的安全生产许可的权利证书。
这些证书必须符合国家标准,并在备案时提供。
3.2 安全管理制度安全管理制度是指企业建立的保障生产安全的管理体系。
这些制度必须符合国家安全管理标准,并在备案时提供。
3.3 安全生产责任书安全生产责任书是指企业主要领导对企业安全生产工作的承诺书。
这些书必须符合国家安全管理标准,并在备案时提供。
2023年机械员之机械员专业管理实务题库与答案单选题(共30题)1、建筑机械事故发生的原因中,冒险蛮干,违章作业、违章指挥属于()。
A.人的不安全行为B.物的不安全状态C.管理缺陷D.自然因素【答案】 A2、操作人员在上岗作业前,项目部必须安排技术人员对其进行安全技术交底。
交底内容应区分不同机型,本教材第10章提供了()种特种设备的安全技术交底内容。
A.1B.2C.3D.4【答案】 D3、衡量塔式起重机工作能力的最重要参数是()。
A.最大高度B.臂长C.额定起重力矩D.起重量【答案】 C4、物料提升机应安装上行程限位并灵敏可靠,安全越程不应小于()。
A.0.5mB.1mC.5mD.3m【答案】 D5、塔式起重机作业完毕后,起重臂应转到顺风方向,并松开回转制动器,小车及平衡重应置于非工作状态,吊钩提升到离起重臂顶端()m处。
A.1~2B.2~3C.3~4D.4~5【答案】 B6、房屋建筑工地和市政工程工地用起重机械安装、使用的监督管理,由()实施。
A.建设行政主管部门B.住建部C.住建厅D.质量技术监督部门【答案】 A7、“反对违章指挥、违章作业,严格执行安全操作规程”等内容属于机械设备操作人员的()教育。
A.劳动纪律B.安全生产基本知识C.安全生产技能D.安全生产法制【答案】 A8、对机械购置、租赁计划所列的机械品种、规格、型号等要经过认真的论证,这是编制年度机械购置、租赁计划的()。
A.准备阶段B.平衡阶段C.选择论证阶段D.确定阶段【答案】 C9、机械设备经济分析时,维修费是指机械设备在()进行各种维修所需的费用。
A.全寿命过程中B.使用过程中C.损坏时D.库存过程中【答案】 A10、建筑起重机械特种作业人员在作业中()违章指挥和强令冒险作业。
A.有权拒绝B.必须拒绝C.不得拒绝D.暂缓进行【答案】 A11、()的实质是通过对建筑机械总成进行深入的检查和调整,以保证运转一定时间后仍能保持正常的使用性能。
物料提升机拆装统一记录表一
物料提升机在办理安装备案手续时
应出具下列有效征件及资料
一、物料提升机安装备案申请表。
二、物料提升机拆装方案,由拆装单位编编制,经技术负责人审批签字,报经工程总监签字审批。
三、物料提升机备案证(或出厂合格证);安装单位安全生产许可证;安装、操作人员上岗证(复印件)。
四、物料提升机租赁;租赁促使合同(复印件)——合同应明确各方安全主体责任;出租方应出具整机及配件安全性能检测合格证明(复印件)。
五、外购关键零部件、易损件的产品合格证(复印件)。
六、物料提升机拆装统一记录:
1、安全技术交底书;
2、基础验收记录;
3、安装前查检记录;
4、安装检测验收记录;
七、物料提升机安全事故预防监控措施:如安全操作规程和操作注意事项,定期技术维持和安全检查记录记录等。
施工单位物料提升机安装前查检记录表二
物料提升机基础验收记录表三
物料提升机安装检测验收记录表四。