热轧H型钢规格及截面特性表
- 格式:doc
- 大小:154.50 KB
- 文档页数:12
热轧H型钢尺寸规格(摘自GB/T11263—1998)i2250 X250 250X50 9 14 16 92.18 72.4 10800 3650 10.8 6.29 867 292 250X55 14 14 16 104.7 82.2 11500 3880 10.5 6.09 919 304300 X300 294X302 12 12 20 108.3 85.0 17000 5520 12.5 7.14 1160 365 300X300 10 15 20 120.4 94.5 20500 6760 13.1 7.49 1370 450 300X305 15 15 20 135.4 106 21600 7100 12.6 7.24 1440 466350 X350 344X348 10 16 20 146.0 115 33300 11200 15.1 8.78 1940 646 350X350 12 19 20 173.9 137 40300 13600 15.2 8.84 2300 776 388X402 15 15 24 179.2 141 49200 16300 16.6 9.52 2540 809 394X398 11 18 24 187.6 147 56400 18900 17.3 10.0 2860 951 400X400 13 21 24 219.5 172 66690 22400 17.5 10.1 3340 1120400 X400 400X108 21 21 24 251.5 197 71100 23800 16.8 9.73 3560 1170 414X405 18 28 24 296.2 233 93000 31000 17.7 10.2 4490 1530428X407 20 35 24 361.4 284 119000 39400 18.2 10.4 5580 1930458X417 30 50 24 529.3 415 187000 60500 18.8 10.7 8180 2900498X432 45 70 24 770.8 605 298000 94400 19.7 11.1 12000 4370(表二)类别型号(高度X宽度)截面尺寸/mm 截面面积2/cm理论重量-1/kg m截面特性参数HXB 11 t 2 r惯性矩/cm4惯性半径/cm 截面模数/cml x I Y i X i Y W X W Y 150X00 148 X100 6 9 13 27.25 21.4 1040 151 6.17 2.35 140 30.2 200X50 194 X150 6 9 16 39.76 31.2 2740 508 8.30 3.57 283 67.7HM 中翼缘250X75 244 X175 7 11 16 56.24 44.1 6120 985 10.4 4.18 502 113 300X200 294 X200 8 12 20 73.03 57.3 11400 1600 12.5 4.69 779 160 350X250 340 X250 9 14 20 101.5 79.7 21700 3650 14.6 6.00 1280 292 400X300 390 X300 10 16 24 136.7 107 38900 7210 16.9 7.26 2000 481 450X300 440 X300 11 18 24 157.4 124 56100 8110 18.9 7.18 2550 541500X300 482 X300 11 15 28 146.4 115 60800 6770 20.4 6.80 2520 451 488 X300 11 18 28 164.4 129 71400 8120 20.8 7.03 2930 541 582 X300 12 17 28 174.5 137 103000 7670 24.3 6.63 3530 511600X300 588 X300 12 20 28 192.5 151 118000 9020 24.8 6.85 4020 601 594 X302 14 23 28 222.4 175 137000 10600 24.9 6.90 4620 701(表三)截面尺寸/mm 截面面积/cm2理论重量/kg -n-1截面特性参数类别型号(高度X宽度)H>B 11 t 2 r惯性矩4/cm惯性半径/cm截面模数3/cml x I Y i X i Y W X W Y 100 >50 100 >50 5 7 10 12.16 9.54 192 14.9 3.98 1.11 38.5 5.96 125X50 125 >60 6 8 10 17.01 13.3 417 29.3 4.95 13.1 66.8 9.75 150 >75 150 >75 5 7 10 18.16 14.3 679 49.6 6.12 1.65 90.6 13.2 175 >90 175 >90 5 8 10 23.21 18.2 1220 97.6 7.26 2.05 140 21.7 200X00198 >99 4.5 7 13 23.59 18.5 1610 114 8.27 2.20 163 23.0200 X00 5.5 8 13 27.57 21.7 1880 134 8.25 2.21 188 26.8 250X25248 X24 5 8 13 32.89 25.8 3560 255 10.4 2.78 287 41.1HN 250 X25 6 9 13 37.87 29.7 4080 294 10.4 2.79 326 47.0窄翼缘300X50 298 X49 5.5 8 16 41.55 32.6 6460 443 12.4 3.26 433 59.4 300 X50 6.5 9 16 47.53 37.3 7350 508 12.4 3.27 490 67.7350X75 346 X74 6 9 16 53.19 41.8 11200 792 14.5 3.86 649 91.0 350 X75 7 11 16 63.66 50.0 13700 985 14.7 3.93 782 113400X50 400 X50 8 13 16 71.12 55.8 18800 734 16.3 3.21 942 97.9400X200 396 X99 7 11 16 72.16 56.7 20000 1450 16.7 4.48 1010 145 400 X00 8 13 16 84.12 66.0 23700 1740 16.8 4.54 1190 174450X50 450 X50 9 14 20 83.41 65.5 27100 793 18.0 3.08 1200 106450X200 446 X99 8 12 20 84.95 66.7 19000 1580 18.5 4.31 1300 159 450 X00 9 14 20 97.41 76.5 33700 1870 18.6 4.38 1500 187500X150 500 X00 10 16 20 98.23 77.1 38500 907 19.8 3.04 1540 121 496 X99 9 14 20 101.3 79.5 41900 1840 20.3 4.27 1690 185 500X200 500 X00 10 16 20 114.2 89.6 47800 2140 20.5 4.33 1910 214 506 X01 11 19 20 131.3 103 56500 2580 20.8 4.43 2230 257596 X99 10 15 24 121.2 95.1 69300 1980 23.9 4.04 2330 199 600X200 600 X00 11 17 24 135.2 106 78200 2280 24.1 4.11 2610 228 606 X01 12 20 24 153.3 120 91000 2720 24.4 4.21 3000 271700X300 692 X300 13 20 28 211.5 166 172000 9020 28.6 6.53 4980 602 700 X300 13 24 28 235.5 185 201000 10800 29.3 6.78 5760 722800X300 792 X300 14 22 28 243.4 191 254000 9930 32.3 6.39 6400 662 800 X300 14 26 28 267.4 210 292000 11700 33.0 6.62 7290 782 890 X99 15 23 28 270.9 213 345000 10300 35.7 6.16 7760 688900X300 900 X300 16 28 28 309.8 243 411000 12600 36.4 6.39 9140 843912 X302 18 34 28 364.0 286 498000 15700 37.0 6.56 10900 1040 热轧剖分T型钢尺寸规格(摘自GB/T11263—1998)(表一)类别型号(高度X宽度)截面尺寸/mm 截面面积2/cm理论重量-1/kg m截面特性参数对应H型钢系列h B 11 t2 r惯性矩/cm4惯性半径/cm截面模数/cm3重心/cml x I Y i x i Y W W G 50X100 50 100 6 8 10 10.95 8.56 16.1 66.9 1.21 2.47 4.03 13.4 1.00 100 X00 62.5 X25 62.5 125 6.5 9 10 15.16 11.9 35.0 147 1.52 3.11 6.91 23.5 1.19 125 X25TW 宽翼缘75X50 75 150 7 10 13 20.28 15.9 66.4 282 18.1 3.73 10.8 37.6 1.37 150 X50 87.5 X75 87.5 175 7.5 11 13 25.71 20.2 115 492 2.11 4.37 15.9 56.2 1.55 175 X75100X200100 200 8 12 16 32.14 25.2 185 801 2.40 4.99 22.3 80.1 17.3 200 X200100 204 12 12 16 36.14 28.3 256 851 2.66 4.85 32.4 83.5 2.09 200 X200 125X250 125 250 9 14 16 46.09 36.2 412 1820 2.99 6.29 39.5 146 2.08 250 X250125 255 14 14 16 52.34 41.1 589 1940 3.36 6.09 59.4 152 2.58 250147 302 12 12 20 54.16 42.5 858 2760 3.98 7.14 72.3 183 2.83 300 X300 150X300150 300 10 15 20 60.22 47.3 798 3380 3.64 7.49 63.7 225 2.47 300 X300 150305 15 15 20 67.72 53.1 1110 3550 4.05 7.24 92.5 233 3.02 300 X300 175X350172 348 10 16 20 73.00 57.3 1230 5620 4.11 8.78 84.7 323 2.67 350 X350 175 350 12 19 20 86.94 68.2 1520 6790 4.18 8.84 104 388 2.86 350 X350194402 15 15 24 89.62 70.3 2480 8130 5.26 9.52 158 405 3.69 400 X400197 398 11 18 24 93.80 73.6 2050 9460 4.67 10.0 123 476 3.01 400 X400 200X400200 400 13 21 24 109.7 86.1 2480 11200 4.75 10.1 147 560 3.21 400 X400 200 408 21 21 24 125.7 98.7 3650 11900 5.39 9.73 229 584 4.07 400 X400207 405 18 28 24 148.1 116 3620 15500 4.95 10.2 213 766 3.68 400 X400214407203524180.71424380197004.9210.42509673.90400(表二)类别型号 (高度X 宽度)截面尺寸/mm截面 面积2/cm理论 重量-1/kg -m 截面特性参数对应 H 型钢 系列 h B 11 t 2 r惯性矩 /cm 4 惯性半径 /cm截面模数 /cm 3重心 /cm I x I Y i x i Y W W G74X00 74 100 6 9 13 13.63 10.7 51.7 75.4 1.95 2.35 8.80 15.1 1.55 150X0097X5097 150 6 9 16 19.88 15.6 125 254 2.50 3.57 15.8 33.9 1.78 200X50 TM 中翼缘122X175 122 175 7 11 16 28.12 22.1 289 492 3.20 4.18 29.1 56.3 2.27 250X75 147X^00 147 200 8 12 20 36.52 28.7 572 802 3.96 4.69 48.2 80.2 2.82 300X200 170X^50 170 250 9 14 20 50.76 39.9 1020 1830 4.48 6.00 73.1 146 3.09 350X250200X300 195 300 10 16 24 68.37 53.7 1730 3600 5.03 7.26 108 240 3.40 400X300220X30022030011182478.6961.8268040605.84 7.18150 2704.05450X300250 >300 241 300 11 15 28 73.23 57.5 3420 3380 6.83 6.80 178 226 4.90 500W00250 >300 244 300 11 18 28 82.23 64.5 3620 4060 6.64 7.03 184 271 4.65 500W00 291 300 12 17 28 87.25 68.5 6360 3830 8.54 6.63 280 256 6.39 600W00 300 >300 294 300 12 20 28 96.25 75.5 6710 4510 8.35 6.85 288 301 6.08 600W00 297 302 14 23 28 111.2 87.3 7920 5290 8.44 6.90 339 351 6.33 600W00 (表三)截面尺寸/mm截面面积/cm2理论重量-1/kg -m截面特性参数对应 H型钢系列类别型号(高度>宽度)h B 11 t 2 r惯性矩/cm4惯性半径/cm截面模数/cm3重心/cmI x I Y i x i Y W W G50 >50 50 50 5 7 10 6.079 4.79 11.9 7.45 1.40 1.11 3.18 2.98 1.27 100 >50 62.5 >60 62.5 60 6 8 10 8.499 6.67 27.5 14.6 1.80 1.31 5.96 4.88 1.63 125 >6075X75 75 75 5 7 10 9.079 7.14 42.7 24.8 2.17 1.65 7.46 6.61 1.78 150 >75 87.5 >90 87.5 90 5 8 10 11.60 9.11 70.7 48.8 2.47 2.05 10.4 10.8 1.92 175 >90 100 >0099 99 4.5 7 13 11.80 9.26 94.0 56.9 2.82 2.20 12.1 11.5 2.13 200 X100100 100 5.5 8 13 13.79 10.8 115 67.1 2.88 2.21 14.8 13.4 2.27 200 >00TN125 >25 124 124 5 8 13 16.45 12.9 208 128 3.56 2.78 21.3 20.6 2.62 250 >25窄翼缘125 125 6 9 13 18.94 14.8 249 147 3.62 2.79 25.6 23.5 2.78 250 >25150 >50 149 149 5.5 8 16 20.77 16.3 395 221 4.36 3.26 33.8 29.7 3.22 300 >50 150 150 6.5 9 16 23.76 18.7 465 254 4.42 3.27 40.0 33.9 3.38 300 >50175 >75 173 174 6 9 16 26.60 20.9 681 396 5.06 3.86 50.0 45.5 3.68 350 >75 175 175 7 11 16 31.83 25.0 816 492 5.06 3.93 59.3 56.3 3.74 350 >75200 >200 198 199 7 11 16 36.08 28.3 1190 724 5.76 4.48 76.4 72.7 4.17 400 X200 200 200 8 13 16 42.06 33.0 1400 868 5.76 4.54 88.6 86.8 4.23 400 X200225 >200 223 199 8 12 20 42.54 33.4 1880 790 6.65 4.31 109 79.4 5.07 450 X200 225 200 9 14 20 48.71 38.2 2160 936 6.66 4.38 124 93.6 5.13 450 X200 248 199 9 14 20 50.64 39.7 2840 922 7.49 4.27 150 92.7 5.90 500 X200250 >200 250 200 10 16 20 57.12 44.8 3210 1070 7.50 4.33 169 107 5.96 500 X200 253 201 11 19 20 65.65 51.5 3670 1290 7.48 4.43 190 128 5.95 500 X200298 199 10 15 24 60.62 47.6 5200 991 9.27 4.04 236 100 7.76 600 X200 300 >200 300 200 11 17 24 67.60 53.1 5820 1140 9.28 4.11 262 114 7.81 600 X200 303 201 12 20 24 76.63 60.1 6580 1360 9.26 4.21 292 135 7.76 600 X200方管理论重量表型号理论重量(kg/m)型号理论重量(kg/m)20*20*1.2 0.75 50*30*2.5 3.0225*25*1.2 0.94 50*30*3 3.640*40*2 2.29 50*32*2 2.240*40*2.5 3.02 50*35*2.5 3.3240*40*4 4.68 55*38*2 2.850*50*2.5 3.81 60*40*2.5 3.8150*50*3 4.44 60*40*3 4.44 50*50*4 5.74 60*40*4 5.74 60*60*2.5 4.52 70*50*4 7.0260*60*3 5.38 80*60*3 7.09 60*60*4 7.02 80*60*4 8.22 70*70*4 8.22 80*60*5 10.25 70*70*5 10.2 90*40*2.5 5.19 80*80*4 9.96 90*60*5 10.47 80*80*6 13.85 100*60*3 7.3 100*100*4 11.65 100*60*4 9.16 100*100*8 23 100*60*5 11.53 120*120*4 14.16 100*60*4.5 14.41160*160*4.5 19.2 160*80*4.5 15.84220*80*6 27.1。
热轧H型钢截面规格及理论重量表1. 表中同一型号的产品,其内侧尺寸高度一致。
2. 表中截面面积计算公式为:t1(H-2t2)+2Bt2+0.858r2。
3. 表中橘色一栏数据表示的规格为市场非常用规格。
1. 表中同一型号的产品,其内侧尺寸高度一致。
2. 表中截面面积计算公式为:t1(H-2t2)+2Bt2+0.858r2。
3. 表中橘色一栏数据表示的规格为市场非常用规格。
1. 表中同一型号的产品,其内侧尺寸高度一致。
2. 表中截面面积计算公式为:t1(H-2t2)+2Bt2+0.858r2。
3. 表中橘色一栏数据表示的规格为市场非常用规格。
1. 表中同一型号的产品,其内侧尺寸高度一致。
2. 表中截面面积计算公式为:t1(H-2t2)+2Bt2+0.858r2。
3. 表中橘色一栏数据表示的规格为市场非常用规格。
尺寸及表示方法说明:H——高度;B——宽度;t1——腹板厚度;t2——翼缘厚度;r——圆角半径H型钢表示方法:H与高度H值×宽度B值×腹板厚度t1值×翼缘厚度t2值例如:H596×199×10×15重量及允许偏差H型钢理论重量密度按7.85g/cm3计算。
H型钢重量偏差按以下公式计算。
重量偏差=(实际重量-理论重量)÷理论重量×100%热轧H型钢主要用途1. 热轧H型钢主要用于工业与民用结构中的梁、柱构件。
2. HW是H型钢高度和翼缘宽度基本相等,主要用于钢筋混凝土框架结构柱中钢芯柱,也称劲性钢柱,在钢结构中主要用于柱。
3. HM是H型钢高度和翼缘宽度比例大致为1.33~1.75,主要在钢结构中用做钢框架柱,在承受动力荷载的框架结构中用做框架梁。
4. HN是H型钢高度和翼缘宽度比例大于等于2,主要用于结构梁,工字钢的用途相当于HN型钢。
热轧H型钢主要特点1. 翼缘宽,侧向刚度大。
抗弯能力强,比工字钢大约5%-10%。
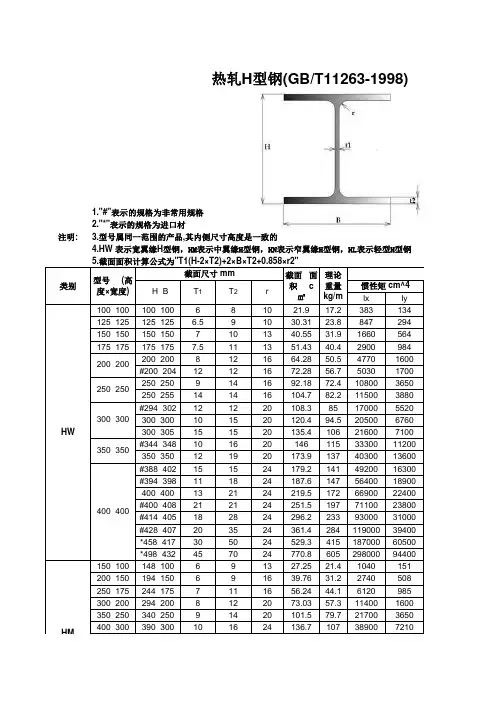
热轧H型钢尺寸规格(摘自GB/T11263—1998)H—高度;B—宽度;t1—腹板厚度;t2—翼缘厚度;r—工艺圆角(表一)精品文档,超值下载类别型号(高度×宽度)截面尺寸/mm 截面面积/cm2理论重量/kg·m-1截面特性参数H×B t1t2r惯性矩/cm4惯性半径/cm 截面模数/cm3I X I Y i X i Y W X W YHW 宽翼缘100×100 100×100 6 8 10 21.90 17.2 383 134 4.18 2.47 76.5 26.7 125×125 125×125 6.5 9 10 30.31 23.8 847 294 5.29 3.11 136 47.0 150×150 150×150 7 10 13 40.55 31.9 1660 564 6.39 3.73 221 75.1 175×175 175×175 7.5 11 13 51.43 40.3 2900 984 7.50 4.37 331 112200×200200×200 8 12 16 64.28 50.5 4770 1600 8.61 4.99 477 160200×204 12 12 16 72.28 56.7 5030 1700 8.35 4.85 503 167250×250 250×250 9 14 16 92.18 72.4 10800 3650 10.8 6.29 867 292 250×255 14 14 16 104.7 82.2 11500 3880 10.5 6.09 919 304300×300 294×302 12 12 20 108.3 85.0 17000 5520 12.5 7.14 1160 365 300×300 10 15 20 120.4 94.5 20500 6760 13.1 7.49 1370 450 300×305 15 15 20 135.4 106 21600 7100 12.6 7.24 1440 466350×350 344×348 10 16 20 146.0 115 33300 11200 15.1 8.78 1940 646 350×350 12 19 20 173.9 137 40300 13600 15.2 8.84 2300 776400×400 388×402 15 15 24 179.2 141 49200 16300 16.6 9.52 2540 809 394×398 11 18 24 187.6 147 56400 18900 17.3 10.0 2860 951 400×400 13 21 24 219.5 172 66690 22400 17.5 10.1 3340 1120 400×408 21 21 24 251.5 197 71100 23800 16.8 9.73 3560 1170 414×405 18 28 24 296.2 233 93000 31000 17.7 10.2 4490 1530 428×407 20 35 24 361.4 284 119000 39400 18.2 10.4 5580 1930 458×417 30 50 24 529.3 415 187000 60500 18.8 10.7 8180 2900 498×432 45 70 24 770.8 605 298000 94400 19.7 11.1 12000 4370(表二)类别型号(高度×宽度)截面尺寸/mm 截面面积/cm2理论重量/kg·m-1截面特性参数H×B t1t2r惯性矩/cm4惯性半径/cm 截面模数/cm3I X I Y i X i Y W X W YHM 中翼缘150×100 148×100 6 9 13 27.25 21.4 1040 151 6.17 2.35 140 30.2 200×150 194×150 6 9 16 39.76 31.2 2740 508 8.30 3.57 283 67.7 250×175 244×175 7 11 16 56.24 44.1 6120 985 10.4 4.18 502 113 300×200 294×200 8 12 20 73.03 57.3 11400 1600 12.5 4.69 779 160 350×250 340×250 9 14 20 101.5 79.7 21700 3650 14.6 6.00 1280 292 400×300 390×300 10 16 24 136.7 107 38900 7210 16.9 7.26 2000 481 450×300 440×300 11 18 24 157.4 124 56100 8110 18.9 7.18 2550 541500×300 482×300 11 15 28 146.4 115 60800 6770 20.4 6.80 2520 451 488×300 11 18 28 164.4 129 71400 8120 20.8 7.03 2930 541600×300 582×300 12 17 28 174.5 137 103000 7670 24.3 6.63 3530 511 588×300 12 20 28 192.5 151 118000 9020 24.8 6.85 4020 601594×302 14 23 28 222.4 175 137000 10600 24.9 6.90 4620 701(表三)类别型号(高度×宽度)截面尺寸/mm截面面积/cm2理论重量/kg·m-1截面特性参数H×B t1t2r惯性矩/cm4惯性半径/cm截面模数/cm3I X I Y i X i Y W X W YHN 窄翼缘100×50 100×50 5 7 10 12.16 9.54 192 14.9 3.98 1.11 38.5 5.96 125×60 125×60 6 8 10 17.01 13.3 417 29.3 4.95 13.1 66.8 9.75 150×75 150×75 5 7 10 18.16 14.3 679 49.6 6.12 1.65 90.6 13.2 175×90 175×90 5 8 10 23.21 18.2 1220 97.6 7.26 2.05 140 21.7200×100198×99 4.5 7 13 23.59 18.5 1610 114 8.27 2.20 163 23.0200×100 5.5 8 13 27.57 21.7 1880 134 8.25 2.21 188 26.8250×125248×124 5 8 13 32.89 25.8 3560 255 10.4 2.78 287 41.1250×125 6 9 13 37.87 29.7 4080 294 10.4 2.79 326 47.0300×150298×149 5.5 8 16 41.55 32.6 6460 443 12.4 3.26 433 59.4300×150 6.5 9 16 47.53 37.3 7350 508 12.4 3.27 490 67.7350×175346×174 6 9 16 53.19 41.8 11200 792 14.5 3.86 649 91.0350×175 7 11 16 63.66 50.0 13700 985 14.7 3.93 782 113 400×150 400×150 8 13 16 71.12 55.8 18800 734 16.3 3.21 942 97.9 400×200396×199 7 11 16 72.16 56.7 20000 1450 16.7 4.48 1010 145400×200 8 13 16 84.12 66.0 23700 1740 16.8 4.54 1190 174 450×150 450×150 9 14 20 83.41 65.5 27100 793 18.0 3.08 1200 106450×200 446×199 8 12 20 84.95 66.7 19000 1580 18.5 4.31 1300 159 450×200 9 14 20 97.41 76.5 33700 1870 18.6 4.38 1500 187500×150 500×200 10 16 20 98.23 77.1 38500 907 19.8 3.04 1540 121500×200 496×199 9 14 20 101.3 79.5 41900 1840 20.3 4.27 1690 185 500×200 10 16 20 114.2 89.6 47800 2140 20.5 4.33 1910 214 506×201 11 19 20 131.3 103 56500 2580 20.8 4.43 2230 257600×200 596×199 10 15 24 121.2 95.1 69300 1980 23.9 4.04 2330 199 600×200 11 17 24 135.2 106 78200 2280 24.1 4.11 2610 228 606×201 12 20 24 153.3 120 91000 2720 24.4 4.21 3000 271700×300 692×300 13 20 28 211.5 166 172000 9020 28.6 6.53 4980 602 700×300 13 24 28 235.5 185 201000 10800 29.3 6.78 5760 722800×300 792×300 14 22 28 243.4 191 254000 9930 32.3 6.39 6400 662 800×300 14 26 28 267.4 210 292000 11700 33.0 6.62 7290 782900×300 890×299 15 23 28 270.9 213 345000 10300 35.7 6.16 7760 688 900×300 16 28 28 309.8 243 411000 12600 36.4 6.39 9140 843 912×302 18 34 28 364.0 286 498000 15700 37.0 6.56 10900 1040热轧剖分T型钢尺寸规格(摘自GB/T11263—1998)(表一)类别型号(高度×宽度)截面尺寸/mm截面面积/cm2理论重量/kg·m-1截面特性参数对应H型钢系列h B t1t2r惯性矩/cm4惯性半径/cm截面模数/cm3重心/cmI x I Y i x i Y W x W Y C xTW 宽翼缘50×100 50 100 6 8 10 10.95 8.56 16.1 66.9 1.21 2.47 4.03 13.4 1.00 100×100 62.5×125 62.5 125 6.5 9 10 15.16 11.9 35.0 147 1.52 3.11 6.91 23.5 1.19 125×125 75×150 75 150 7 10 13 20.28 15.9 66.4 282 18.1 3.73 10.8 37.6 1.37 150×150 87.5×175 87.5 175 7.5 11 13 25.71 20.2 115 492 2.11 4.37 15.9 56.2 1.55 175×175100×200100 200 8 12 16 32.14 25.2 185 801 2.40 4.99 22.3 80.1 17.3 200×200100 204 12 12 16 36.14 28.3 256 851 2.66 4.85 32.4 83.5 2.09 200×200125×250125 250 9 14 16 46.09 36.2 412 1820 2.99 6.29 39.5 146 2.08 250×250125 255 14 14 16 52.34 41.1 589 1940 3.36 6.09 59.4 152 2.58 250×250 150×300147 302 12 12 20 54.16 42.5 858 2760 3.98 7.14 72.3 183 2.83 300×300150 300 10 15 20 60.22 47.3 798 3380 3.64 7.49 63.7 225 2.47 300×300150 305 15 15 20 67.72 53.1 1110 3550 4.05 7.24 92.5 233 3.02 300×300175×350 172 348 10 16 20 73.00 57.3 1230 5620 4.11 8.78 84.7 323 2.67 350×350 175 350 12 19 20 86.94 68.2 1520 6790 4.18 8.84 104 388 2.86 350×350200×400 194 402 15 15 24 89.62 70.3 2480 8130 5.26 9.52 158 405 3.69 400×400 197 398 11 18 24 93.80 73.6 2050 9460 4.67 10.0 123 476 3.01 400×400 200 400 13 21 24 109.7 86.1 2480 11200 4.75 10.1 147 560 3.21 400×400 200 408 21 21 24 125.7 98.7 3650 11900 5.39 9.73 229 584 4.07 400×400 207 405 18 28 24 148.1 116 3620 15500 4.95 10.2 213 766 3.68 400×400 214 407 20 35 24 180.7 142 4380 19700 4.92 10.4 250 967 3.90 400×400(表二)类别型号(高度×宽度)截面尺寸/mm截面面积/cm2理论重量/kg·m-1截面特性参数对应H型钢系列h B t1t2r惯性矩/cm4惯性半径/cm截面模数/cm3重心/cmI x I Y i x i Y W x W Y C xTM 中翼缘74×100 74 100 6 9 13 13.63 10.7 51.7 75.4 1.95 2.35 8.80 15.1 1.55 150×100 97×150 97 150 6 9 16 19.88 15.6 125 254 2.50 3.57 15.8 33.9 1.78 200×150 122×175 122 175 7 11 16 28.12 22.1 289 492 3.20 4.18 29.1 56.3 2.27 250×175 147×200 147 200 8 12 20 36.52 28.7 572 802 3.96 4.69 48.2 80.2 2.82 300×200 170×250 170 250 9 14 20 50.76 39.9 1020 1830 4.48 6.00 73.1 146 3.09 350×250 200×300 195 300 10 16 24 68.37 53.7 1730 3600 5.03 7.26 108 240 3.40 400×300 220×300 220 300 11 18 24 78.69 61.8 2680 4060 5.84 7.18 150 270 4.05 450×300 250×300 241 300 11 15 28 73.23 57.5 3420 3380 6.83 6.80 178 226 4.90 500×300 250×300 244 300 11 18 28 82.23 64.5 3620 4060 6.64 7.03 184 271 4.65 500×300300×300291 300 12 17 28 87.25 68.5 6360 3830 8.54 6.63 280 256 6.39 600×300294 300 12 20 28 96.25 75.5 6710 4510 8.35 6.85 288 301 6.08 600×300297 302 14 23 28 111.2 87.3 7920 5290 8.44 6.90 339 351 6.33 600×300 (表三)类别型号(高度×宽度)截面尺寸/mm截面面积/cm2理论重量/kg·m-1截面特性参数对应H型钢系列h B t1t2r惯性矩/cm4惯性半径/cm截面模数/cm3重心/cmI x I Y i x i Y W x W Y C xTN 窄翼缘50×50 50 50 5 7 106.0794.79 11.9 7.451.41.113.182.981.27 100×50 62.5×60 62.5 60 6 8 108.4996.67 27.5 14.61.81.315.964.881.63 125×60 75×75 75 75 5 7 109.0797.14 42.7 24.82.171.657.466.611.78 150×75 87.5×90 87.5 90 5 8 1011.69.11 70.7 48.82.472.0510.410.81.92 175×90 100×10099 994.57 1311.89.26 94.0 56.92.822.212.111.52.13 200×100100 1005.58 1313.7910.8 115 67.12.882.2114.813.42.27 200×100 125×125124 124 5 8 1316.4512.9 208 1283.562.7821.320.62.62 250×125125 125 6 9 1318.9414.8 249 1473.622.7925.623.52.78 250×125 150×150149 1495.58 1620.7716.3 395 2214.363.2633.829.73.22 300×150150 1506.59 1623.7618.7 465 2544.423.2740.33.93.38 300×150175×175 173 174 6 9 1626.620.9 681 3965.063.8650.45.53.68 350×175 175 175 7 11 1631.8325.0 816 4925.063.9359.356.33.74 350×175200×200 198 199 7 11 1636.0828.3 1190 7245.764.4876.472.74.17 400×200 200 200 8 13 1642.0633.0 1400 8685.764.5488.686.84.23 400×200225×200 223 199 8 12 2042.5433.4 1880 7906.654.3110979.45.07 450×200 225 200 9 14 2048.7138.2 2160 9366.664.3812493.65.13 450×200250×200 248 199 9 14 2050.6439.7 2840 9227.494.2715092.75.90 500×200 250 200 10 16 2057.1244.8 3210 10707.54.33169 107 5.96 500×200 253 201 11 19 2065.6551.5 3670 12907.484.43190 128 5.95 500×200300×200 298 199 10 15 2460.6247.6 5200 9919.274.04236 100 7.76 600×200 300 200 11 17 2467.653.1 5820 11409.284.11262 114 7.81 600×200 303 201 12 20 2476.6360.1 6580 13609.264.21292 135 7.76 600×200 方管理论重量表型号理论重量(kg/m)型号理论重量(kg/m)20*20*1.2 0.75 50*30*2.5 3.0225*25*1.2 0.94 50*30*3 3.640*40*2 2.29 50*32*2 2.240*40*2.5 3.02 50*35*2.5 3.3240*40*4 4.68 55*38*2 2.850*50*2.5 3.81 60*40*2.5 3.8150*50*3 4.44 60*40*3 4.4450*50*4 5.74 60*40*4 5.7460*60*2.5 4.52 70*50*4 7.0260*60*3 5.38 80*60*3 7.0960*60*4 7.02 80*60*4 8.2270*70*4 8.22 80*60*5 10.25 70*70*5 10.2 90*40*2.5 5.19 80*80*4 9.96 90*60*5 10.47 80*80*6 13.85 100*60*3 7.3 100*100*4 11.65 100*60*4 9.16 100*100*8 23 100*60*5 11.53 120*120*4 14.16 100*60*4.5 14.41 160*160*4.5 19.2 160*80*4.5 15.84220*80*6 27.1。
热轧h型钢规格表热轧h型钢规格的参数主要有:规格尺寸、净重、重量、性能等等。
一、规格尺寸通常我们根据h型钢的外形尺寸来定义h型钢的规格尺寸,即可分为外尺寸和厚度。
根据外尺寸,h型钢市场普遍有以下规格:(1)100×100×4~6mm;(2)125×125×4~8mm;(3)150×150×4~10mm;(4)175×175×4~12mm;(5)200×200×10~16mm;(6)250×250×10~20mm;(7)300×300×12~36mm;(8)350×350×12~36mm;(9)400×400×14~50mm;(10)450×450×14~50mm;(11)500×500×14~50mm;(12)600×600×20~90mm;(13)700×700×21~110mm。
二、净重h型钢的净重一般根据h型钢每米的长度、宽度和厚度等数据进行测量,按照市场标准一般每米净重都是0.56 千克(左右)。
三、重量h型钢的重量一般根据h型钢本身所含的合金量、有效应力、热处理程序等因素进行测算,根据所应用的热轧、冷轧、热处理和表面处理等不同的特性和质量标准来定,一般的重量范围大约在3.87-17.27 千克(左右)。
四、性能根据h型钢的热处理和表面处理,h型钢的性能大致可分为:高强度钢、抗震钢、抗腐蚀钢和其他装配应用钢。
其中,高强度钢涵盖了从q235 到q345 等多种标准和可指定的性能,而抗震钢、抗腐蚀钢是针对特定的应用领域设计的,主要可分别用于结构性建材、桥梁建材、内燃机等性能要求极高的行业应用中。
热轧h型钢规格表及重量表98热轧H型钢是一种常用的结构钢材,具有强度高、刚性好、焊接性能优良等特点。
根据不同的需求,热轧H型钢的规格和重量也会有所不同。
下面是常见的热轧H型钢规格表及重量表:规格表:规格(mm)重量(kg/m)100×100×6×8 16.9125×125×6.5×9 23.6148×100×6×9 20.7150×75×5×7 14.3150×150×7×10 31.1175×175×7.5×11 40.4194×150×6×9 31.2200×100×5.5×8 21.7200×200×8×12 50.5 244×175×7×11 44.1 248×124×5×8 25.8 250×125×6×9 29.7 244×252×11×11 55.8 294×200×8×12 57.3 298×149×5.5×8 32 300×150×6.5×9 37.3 300×300×10×15 94.5 346×174×6×9 41.2 350×175×7×11 49.4 340×250×9×14 79.7 400×150×8×13 55.8重量表:规格(mm)重量(kg/m)100×100×6×8 16.9 120×120×6.5×9 20.4 144×100×6×9 20.7 148×100×6×9 20.7 150×75×5×7 14.3 150×150×7×10 31.1 175×175×7.5×11 40.4 194×150×6×9 31.2 198×99×4.5×7 18.5 200×100×5.5×8 21.7 200×200×8×12 50.5 248×124×5×8 25.8 250×125×6×9 29.7244×252×11×11 55.8294×200×8×12 57.3298×149×5.5×8 32300×150×6.5×9 37.3300×300×10×15 94.5340×250×9×14 79.7344×348×10×16 113.1热轧H型钢的规格表中,第一列为规格,分别代表了H型钢的高度和底板的厚度。
矿产资源开发利用方案编写内容要求及审查大纲
矿产资源开发利用方案编写内容要求及《矿产资源开发利用方案》审查大纲一、概述
㈠矿区位置、隶属关系和企业性质。
如为改扩建矿山, 应说明矿山现状、
特点及存在的主要问题。
㈡编制依据
(1简述项目前期工作进展情况及与有关方面对项目的意向性协议情况。
(2 列出开发利用方案编制所依据的主要基础性资料的名称。
如经储量管理部门认定的矿区地质勘探报告、选矿试验报告、加工利用试验报告、工程地质初评资料、矿区水文资料和供水资料等。
对改、扩建矿山应有生产实际资料, 如矿山总平面现状图、矿床开拓系统图、采场现状图和主要采选设备清单等。
二、矿产品需求现状和预测
㈠该矿产在国内需求情况和市场供应情况
1、矿产品现状及加工利用趋向。
2、国内近、远期的需求量及主要销向预测。
㈡产品价格分析
1、国内矿产品价格现状。
2、矿产品价格稳定性及变化趋势。
三、矿产资源概况
㈠矿区总体概况
1、矿区总体规划情况。
2、矿区矿产资源概况。
3、该设计与矿区总体开发的关系。
㈡该设计项目的资源概况
1、矿床地质及构造特征。
2、矿床开采技术条件及水文地质条件。