2020年高考化学之《考前抓大题》05 有机制备类实验(一)(解析版)
- 格式:docx
- 大小:641.29 KB
- 文档页数:18
2020年高考化学:有有有有有有有有专题练习题【答案+解析】1.化合物G是合成鬼臼脂的中间体,可通过以下方法合成:⑴E中的含氧官能团的名称为、。
⑴B→C的反应类型为。
⑴F的分子式为C15H14O7,写出F的结构简式:。
⑴B的同分异构体X同时满足下列条件。
写出符合条件的X的一种结构简式:。
①属于芳香族化合物;②在酸性条件下水解后可得三种产物,且每种产物均只含有两种化学环境不同的氢。
⑴已知:。
请以甲苯、BuLi和DMF为原料制备,写出相应的合成路线流程图(无机试剂任用,合成路线流程图示例见本题题干)。
2.如图为化合物Ⅰ的合成路线:已知:请回答下列问题:(1)化合物A的名称是____________;化合物G的结构简式是____________;化合物C中官能团的名称是____________;C→D的反应类型是_______________。
(2)写出化合物C与新制Cu(OH)2悬浊液反应的化学方程式__________________________。
(3)写出化合物B与H反应的化学方程式__________________________________________。
(4)化合物W与F互为同分异构体,满足下列条件的W的结构有______种。
①属于芳香族化合物;②能发生银镜反应;③与FeCl3溶液发生显色反应。
其中苯环上的一氯取代物只有2种,且核磁共振氢谱有5组峰且峰面积之比为1:2:2:2:1的有机物的结构简式为________________________。
(5)参照上述合成路线,设计由和HOOCCH2COOH为原料制备的合成路线(无机试剂任选)。
3.非索非那定(其中−R为)是一种抗过敏药物,其合成路线如下:(1)CH3Cl的名称是________。
(2)X的结构简式是________。
(3)C中的含氧官能团名称是________,C→D的反应类型是________。
(4)碳原子上连有4个不同的原子或基团时,该碳称为“手性碳”。
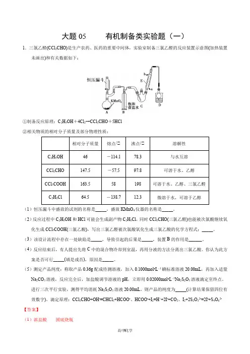
大题05 有机制备类实验题(一)1.三氯乙醛(CCl3CHO)是生产农药、医药的重要中间体,实验室制备三氯乙醛的反应装置示意图(加热装置未画出)和有关数据如下:①制备反应原理:C2H5OH+4Cl2→CCl3CHO+5HCl②相关物质的相对分子质量及部分物理性质:(1)恒压漏斗中盛放的试剂的名称是_____,盛放KMnO4仪器的名称是_____。
(2)反应过程中C2H5OH和HCl可能会生成副产物C2H5Cl,同时CCl3CHO(三氯乙醛)也能被次氯酸继续氧化生成CCl3COOH(三氯乙酸),写出三氯乙醛被次氯酸氧化生成三氯乙酸的化学方程式:_____。
(3)该设计流程中存在一处缺陷是_____,导致引起的后果是_____,装置B的作用是______。
(4)反应结束后,有人提出先将C中的混合物冷却到室温,再用分液的方法分离出三氯乙酸。
你认为此方案是否可行_____(填是或否),原因是_____。
(5)测定产品纯度:称取产品0.36g配成待测溶液,加入0.1000mol•L−1碘标准溶液20.00mL,再加入适量Na2CO3溶液,反应完全后,加盐酸调节溶液的pH,立即用0.02000mol•L−1Na2S2O3溶液滴定至终点。
进行三次平行实验,测得平均消耗Na2S2O3溶液20.00mL。
则产品的纯度为_____(计算结果保留四位有效数字)。
滴定原理:CCl3CHO+OH-=CHCl3+HCOO-、HCOO-+I2=H++2I-+CO2、I2+2S2O32-=2I-+S4O62-【答案】(1)浓盐酸圆底烧瓶(2)33CCl CHO+HClO CCl COOH+HCl →(3)无干燥装置 副产物增加 除去氯气中的氯化氢 (4)否 三氯乙酸会溶于乙醇和三氯乙醛,无法分液 (5)73.75%【解析】根据题干和装置图我们能看出这是一个有机合成实验题,考查的面比较综合,但是整体难度一般,按照实验题的解题思路去作答即可。
物质制备类综合实验【题型方法技巧】1.题型剖析(1)无机物制备题的常考方向(2)有机物制备题的常考问题涉及有机物制备的综合实验,重点考查物质分离中的蒸馏、分液操作,反应条件的控制,产率的计算等问题。
2.制备实验方案设计的原则(1)无机物制备实验方案应遵循下列原则①原料廉价易得,用料最省即原料利用率高。
②所选用的实验装置或仪器不复杂。
③实验操作简便安全,对环境不造成污染或污染较小。
(2)有机物制备实验方案应遵循下列原则①原料廉价易得,用料最省。
②副反应、副产品少,反应时间短,产品易分离提纯。
③反应实验步骤少,实验操作方便安全。
(3)仪器装置的选择要根据反应物的状态和反应条件。
3.有气体参与的制备实验的注意事项(1)操作顺序问题与气体有关的实验操作顺序:装置选择与连接→气密性检查→装入固体药品→加液体药品→按程序进行实验→拆卸仪器。
(2)加热操作的要求①使用可燃性气体(如H2、CO、CH4等),先用原料气排尽系统内的空气,再点燃酒精灯加热,以防止爆炸。
②制备一些易与空气中的成分发生反应的物质(如H2还原CuO的实验),反应结束时,应先熄灭酒精灯,继续通原料气至试管冷却。
(3)尾气处理的方法有毒气体常采用溶液(或固体)吸收或点燃的方法,不能直接排放。
(4)特殊实验装置①制备在空气中易吸水、潮解以及水解的物质(如Al2S3、AlCl3、FeCl3等),往往在装置的末端再接一个干燥装置,以防止空气中的水蒸气进入。
②用液体吸收气体,若气体溶解度较大,要加防倒吸装置。
③若制备物质易被空气中的氧气氧化,应加排空气装置。
4.有机物的制备(1)实验流程(2)装置特点①有机化合物的制备通常要用到多口的烧瓶、冷凝管(直形、球形)等中学不常见实验仪器。
不过只是其形状不同,作用与我们学过的基本仪器相同。
②几种有机制备实验常见的装置与仪器③常用操作:蒸馏,冷凝回流,分液。
【高考真题再现】角度一无机物的制备1.(2019·高考全国卷Ⅰ,T27,15分)硫酸铁铵[NH4Fe(SO4)2·x H2O]是一种重要铁盐。
三三三三2020三三三三三三三三三——三三三三三—三三三三三1.青蒿素是一种有效的抗疟药。
常温下,青蒿素为无色针状晶体,难溶于水,易溶于有机溶剂,熔点为156~157℃.提取青蒿素的方法之一是乙醚浸取法,提取流程如图1:请回答下列问题:(l)对青蒿进行破碎的目的是______。
(2)操作I用到的玻璃仪器是______,操作Ⅱ的名称是______。
(3)用图2实验装置测定青蒿素的化学式,将28.2g青蒿素放在燃烧管C中充分燃烧:①仪器各接口的连接顺序从左到右依次为______(每个装置限用一次)。
A装置中发生的化学反应方程式为______。
②装置C中CuO的作用是______。
③装置D中的试剂为______。
④已知青蒿素是烃的含氧衍生物,用合理连接后的装置进行实验。
测量数据如表:装置质量实验前/g实验后/gB22.642.4E(不含干燥管)80.2146.2则青蒿素的最简式为______。
(4)某学生对青蒿素的性质进行探究。
将青蒿素加入含有NaOH、酚酞的水溶液中,青蒿素的溶解度较小,加热并搅拌,青蒿素的溶解度增大,且溶液红色变浅,与青蒿素化学性质相似的物质是______(填字母代号)。
A.乙醇B.乙酸C.乙酸乙酯D.葡萄糖。
2.图l表示“侯氏制碱法”工业流程,图2表示各物质的溶解度曲线.回答下列问题:(1)图中X的化学式为______ .(2)沉淀池中发生反应的化学方程式为______ ,该反应先向饱和食盐水中通入______ (填化学式)至饱和,再通入另一种气体,若顺序颠倒,后果是______ .(3)沉淀池的反应温度控制在30~35℃,原因是______ .(4)母液中加入CaO后生成Y的化学方程式为______ .(5)氯碱工业是指电解饱和食盐水,这里的碱是指______ (填化学式),其另外两种气体产物可以用于工业上制取纯硅,流程如图3:①整个制备过程必须严格控制无水无氧.SiHCl3遇水剧烈反应,写出该反应的化学方程式______ .②假设每一轮次制备1mol纯硅,且生产过程中硅元素没有损失,反应I中HCl的利用率为90%,反应II中H2的利用率为93.75%.则在第二轮次的生产中,补充投入HCl 和H2的物质的量之比是______ .3.苯甲酸苯酯是重要的有机合成中间体,工业上用二苯甲酮制备苯甲酸苯酯.制备苯甲酸苯酯的实验步骤为:步骤1:将20mL浓H2SO4与40mL冰醋酸在下图装置的烧杯中控制在5℃以下混合.步骤2:向烧杯中继续加入过硫酸钾25g,用电磁搅拌器搅拌4~5分钟,将二苯甲酮9.1g溶于三氯甲烷后,加到上述混合液中,控制温度不超过15℃,此时液体呈黄色.步骤3:向黄色液体中加水,直至液体黄色消失,但加水量一般不超过1mL,室温搅拌5h.步骤4:将反应后的混合液倒入冰水中,析出苯甲酸苯酯,抽滤产品,用无水乙醇洗涤,干燥(1)步骤1中控制在5℃以下混合的原因为______.(2)步骤2中为控制温度不超过15℃,向混合液中加入二苯甲酮的三氯甲烷溶液的方法是______.(3)步骤3中加水不超过1mL,原因是______.(4)步骤4中抽滤用到的漏斗名称为______.(5)整个制备过程中液体混合物会出现褐色固体,原因是______;除去该固体操作为______.4.某小组利用如图装置,用苯与溴在FeBr3催化作用下制备溴苯:反应剧烈进行,烧瓶中有大量红棕色蒸气,锥形瓶中导管口有白雾出现,蒸馏水逐渐变成黄色.反应停止后按如下流程分离产品:已知:沸点℃密度g/cm3溶解性溴59 3.119水中溶解度小,易溶于有机溶剂苯800.8765难溶于水,与有机溶剂互溶溴苯156 1.50难溶于水,与有机溶剂互溶(1)操作Ⅰ为______ ,操作Ⅱ为______ .(2)“水洗”、“NaOH溶液洗”需要用到的玻璃仪器是______ 、烧杯.(3)“水洗”主要目的是除去______ ,“NaOH溶液洗”主要目的是除去______ .(4)锥形瓶中蒸馏水变黄的原因是______ .(5)已知苯与溴发生的是取代反应,推测反应后锥形瓶中液体含有的两种大量离子是______ ,请设计实验方案验证你的推测.(限选试剂:镁条、四氯化碳、氯水、溴水、蒸馏水)5.草酸(H2C3O4)是一种重要的有机化工原料,为探究草酸的制取和草酸的性质,进行如下实验.实验Ⅰ:实验室用硝酸氧化淀粉水解液法制备草酸,装置如图所示:①一定量的淀粉水解液加入三劲烧瓶中②控制反应温度55~60℃,边搅拌边缓慢滴加一定量的混合酸(65%的H2SO4与98%的H2SO4的质量比2:1.25)③反应3小时,冷却,有随后再重结晶得到草酸晶体硝酸氧化淀粉水解液的反应为:C8H12O6+12HNO3=3H3C2O4+9NO2↑+3NO↑+9H2O(1)装置B的作用是______(2)如何检验该装置的气密性:______(3)要控制反应温度55~60℃,应选择加热的方式是______ ,C装置中应加入______ 溶液.实验Ⅱ:探究草酸与酸性高锰酸钾的反应(4)向草酸溶液中逐滴加硫酸酸化的高锰酸钾溶液时,可观察到溶液由紫红色变为近乎无色,写出上述反应的离子方程式:______(5)学习小组的同学发现,当向草酸溶液中逐滴加入硫酸酸化的高锰酸钾溶液时,溶液褪色总是先慢后快,为探究其原因,同学们做了如下对比实验:由此你认为溶液褪色总是先慢后快的原因是______(6)为测定上述实验中得到草酸的纯度,取5.0g该草酸样品,配制成250mL溶液,然后取25.00mL此溶液溶于锥形瓶中,将0.10mol/L酸性KMnO4溶液装在______ (填仪器名称)中进行滴定,达到滴定终点时的现象是______ .若消耗酸性KMnO4溶液体积为20.00mL,则该草酸样品的纯度为______ .6.实验室制乙酸乙酯得主要装置如图A所示,主要步骤①在a试管中按2:3:2的体积比配制浓硫酸、乙醇、乙酸的混合物;②按A图连接装置,使产生的蒸气经导管通到b试管所盛的饱和碳酸钠溶液(加入几滴酚酞试液)中;③小火加热a试管中的混合液;④等b试管中收集到约2mL产物时停止加热.撤下b试管并用力振荡,然后静置待其中液体分层;⑤分离出纯净的乙酸乙酯.请回答下列问题:(1)步骤④中可观察到b试管中有细小的气泡冒出,写出该反应的离子方程式:______.(2)A装置中使用球形管除起到冷凝作用外,另一重要作用是______,步骤⑤中分离乙酸乙酯必须使用的一种仪器是______.(3)为证明浓硫酸在该反应中起到了催化剂和吸水剂的作用,某同学利用上图A所示装置进行了以下4个实验.实验开始先用酒精灯微热3min,再加热使之微微沸腾3min.实验结束后充分振荡小试管b再测有机层的厚度,实验记录如下:实验编号试管a中试剂试管b中试剂测得有机层的厚度/cmA3mL乙醇、2mL乙酸、1mL18mol⋅L−1浓硫酸饱和Na2CO3溶液5.0B3mL乙醇、2mL乙酸0.1C3mL乙醇、2mL乙酸、6mL3mol⋅L−1H2SO4 1.2D3mL乙醇、2mL乙酸、盐酸 1.2①实验D的目的是与实验C相对照,证明H对酯化反应具有催化作用.实验D中应加入盐酸的体积和浓度分别是______mL和______mol⋅L−1.②分析实验______(填实验编号)的数据,可以推测出浓H2SO4的吸水性提高了乙酸乙酯的产率.浓硫酸的吸水性能够提高乙酸乙酯产率的原因是______.③加热有利于提高乙酸乙酯的产率,但实验发现温度过高乙酸乙酯的产率反而降低,可能的原因是______.④分离出乙酸乙酯层后,经过洗涤,为了干燥乙酸乙酯可选用的干燥剂为______(填字母).A.P2O5B.无水Na2SO4C.碱石灰D.NaOH固体.7.某学习小组探究溴乙烷的消去反应并验证产物.实验原理:CH3CH2Br+NaOH实验过程:组装如图1所示装置,检查装置气密性,向烧瓶中注入10mL溴乙烷和15mL饱和氢氧化钠乙醇溶液,微热,观察实验现象.一段时间后,观察到酸性KMnO4溶液颜色褪去.(1)甲同学认为酸性KMnO4溶液颜色褪去说明溴乙烷发生了消去反应,生成了乙烯;而乙同学却认为甲同学的说法不严谨,请说明原因:______(2)丙同学认为只要对实验装置进行适当改进,即可避免对乙烯气体检验的干扰,改进方法:______改进实验装置后,再次进行实验,却又发现小试管中溶液颜色褪色不明显.该小组再次查阅资料,对实验进行进一步的改进.资料一:溴乙烷于55℃时,在饱和氢氧化钠的乙醇溶液中发生取代反应的产物的百分比为99%,而消去反应产物仅为1%.资料二:溴乙烷发生消去反应比较适宜的反应温度为90℃~110℃,在该范围,温度越高,产生乙烯的速率越快.资料三:溴乙烷的沸点:38.2℃.(3)结合资料一、二可知,丙同学改进实验装置后,溶液颜色褪色不明显的原因可能是______,此时发生反应的化学方程式为:______.(4)结合资料二、三,你认为还应该在实验装置中增加的两种仪器是①______.②______.8.三苯甲醇()是一种重要的化工原料和医药中间体,实验室合成三苯甲醇其合成流程如图1所示,装置如图2所示.已知:(I)格氏试剂容易水解,;(Ⅱ)相关物质的物理性质如下:物质熔点沸点溶解性三苯甲醇164.2℃380℃不溶于水,溶于乙醇、乙醚等有机溶剂乙醚−116.3℃34.6℃微溶于水,溶于乙醇、笨等有机溶剂溴苯−30.7℃156.2℃不溶于水,溶于乙醇、乙醚等多数有机溶剂苯甲酸已酯−34.6℃212.6℃不溶于水Mg(OH)Br常温下为固体能溶于水,不溶于醇、醚等有机溶剂(Ⅲ)三苯甲醇的分子量是260,纯净固体有机物一般都有固定熔点.请回答以下问题:(1)图2中玻璃仪器B的名称:______ ;装有无水CaCl2的仪器A的作用是______ ;(2)图2中滴加液体未用普通分液漏斗而用滴液漏斗的作用是______ ;制取格氏试剂时要保持微沸,可以采用______ (方式)加热,优点是______ ;(3)制得的三苯甲醇粗产品中,含有乙醚、溴苯、苯甲酸乙酯等有机物和碱式溴化镁等杂质,可以设计如下提纯方案,请填写如下空白:其中,①操作为______ ;洗涤液最好选用:______ (从选项中选);A、水B、乙醚C、乙醇D、苯检验产品已经洗涤干净的操作为:______(4)纯度测定:称取2.60g产品,配成乙醚溶液,加入足量金属钠(乙醚与钠不会反应),充分反应后,测得生成气体体积为100.80m L(标准状况).产品中三苯甲醇质量分数为______ (保留两位有效数字.9. 实验室用乙酸和正丁醇制备乙酸正丁酯的反应如下CH 3COOH +CH 3CH 2CH 2CH 2OH ⇌△浓硫酸CH 3COOCH 2CH 2CH 2CH 3+H 2O 物质的相关数据如下表: 化合物相对分子质量 密度/g ⋅cm −3 沸点/℃ 溶解度/100g 水 正丁醇74 0.80 118.0 9 冰醋酸60 1.045 118.1 互溶 乙酸正丁酯 116 0.882 126.1 0.7(1)制备乙酸正丁酯①在干燥的50ml 圆底烧瓶中,加入3.7g 的正丁醇和3.3g 冰醋酸,再加入2~3滴浓硫酸,摇匀,投入1~2粒沸石按图安装带分水器的回流反应装置,并在分水器中预先加入水,使水面略低于分水器的支管口.打开冷凝水,圆底烧瓶在石棉网上用小火加热.在反应过程中,通过分水器下部的旋塞不断分出生成的水,注意保持分水器中水层液面原来的高度,使油层尽量回到圆底烧瓶中.反应达到终点后,停止加热,记录分出的水的体积.(二)产品的精制②将分水器分出的酯层和反应液一起倒入分液漏斗中,用适量的水洗涤.有机层继续用一定体积10%Na 2CO 3洗涤至中性,再用适量的水洗涤,最后将有机层转移至锥形瓶中,再加入少量无水硫酸镁固体.静置片刻,过滤除去硫酸镁固体. ③将②处理后的乙酸正丁酯滤入50 mL 烧瓶中,进行蒸馏纯化,收集126.1℃的馏分,得乙酸正丁酯3.5g .回答有关问题:(1)装置B 的名称是 ______(2)步骤①中判断反应终点的依据是 ______(3)产品的精制过程步骤②中,第一次水洗的目的是 ______ 用饱和Na 2CO 3溶液洗涤有机层,该操作的目的是 ______ 第二次洗的目的是 ______ 实验中加入少量无水硫酸镁的目的是 ______(4)下列关于蒸馏操作的说法,正确的是 ______A 、温度计的水银柱应插入到液面以下B 、蒸馏过程中,加入沸石(碎瓷片)的目的是防止暴沸C 、冷凝管进出水的方向是上进下出D 、为提高蒸馏的速度,可以不用石棉网而直接用酒精灯进行加热.(5)步骤③的常压蒸馏,需收126.1℃的馏分,沸点大于140℃的有机化合物的蒸馏,一般不用上述冷凝管而用空气冷凝管,可能原因是 ______(6)该实验过程中,列式计算生成乙酸正丁酯的产率(保留2位有效数字) ______ .答案和解析1.【答案】增大青蒿与乙醚的接触面积,提高青蒿素的浸取率 漏斗、玻璃棒、烧杯 蒸馏 afgdebchi 2H 2O 2− MnO 2 2H 2O +O 2↑ 使青蒿素充分氧化生成CO 2和H 2O 浓硫酸 C 15H 22O 5 C【解析】解:(1)对青蒿进行干燥破碎的目的是增大青蒿与乙醚的接触面积,提高青蒿素的浸出率;故答案为:增大青蒿与乙醚的接触面积,提高青蒿素的浸取率;(2)操作Ⅰ用于分离固体和液体,则可用过滤的方法分离,选择玻璃仪器为烧杯、玻璃棒、漏斗,操作Ⅱ用于分离乙醚,可用蒸馏的方法;故答案为:漏斗、玻璃棒、烧杯;蒸馏;(3)①为了能准确测量青蒿素燃烧生成的CO 2和H 2O ,实验前应通入除去CO 2和H 2O 的空气,A 装置发生反应:2 H 2O 2 − MnO 2 2 H 2O +O 2↑,排除装置内的空气,防止干扰实验。
专题5 高考真题精选1、【2018年全国1】在生成和纯化乙酸乙酯的实验过程中,下列操作未涉及的是A. AB. BC. CD. D【答案】D【解析】分析:在浓硫酸的作用下乙酸与乙醇发生酯化反应生成乙酸乙酯,根据乙酸乙酯的性质、产品中含有的杂质,结合选项解答。
详解:A、反应物均是液体,且需要加热,因此试管口要高于试管底,A正确;B、生成的乙酸乙酯中含有乙酸和乙醇,乙酸乙酯不溶于水,因此可以用饱和碳酸钠溶液吸收,注意导管口不能插入溶液中,以防止倒吸,B正确;C、乙酸乙酯不溶于水,分液即可实现分离,C正确;D、乙酸乙酯是不溶于水的有机物,不能通过蒸发实现分离,D错误。
答案选D。
点睛:掌握乙酸乙酯的制备原理是解答的关键,难点是装置的作用分析,注意从乙酸乙酯的性质(包括物理性质和化学性质)特点的角度去解答和判断。
2、【2018年全国2】实验室中用如图所示的装置进行甲烷与氯气在光照下反应的实验。
光照下反应一段时间后,下列装置示意图中能正确反映实验现象的是A. AB. BC. CD. D【答案】D【解析】分析:在光照条件下氯气与甲烷发生取代反应生成氯化氢和四种氯代烃,结合有关物质的溶解性分析解答。
详解:在光照条件下氯气与甲烷发生取代反应生成氯化氢和四种氯代烃,氯化氢极易溶于水,所以液面会上升。
但氯代烃是不溶于水的气体或油状液体,所以最终水不会充满试管,答案选D。
点睛:明确甲烷发生取代反应的原理和有关物质的溶解性是解答的关键,本题取自教材中学生比较熟悉的实验,难度不大,体现了依据大纲,回归教材,考查学科必备知识,体现高考评价体系中的基础性考查要求。
3、【2018年江苏】下列有关从海带中提取碘的实验原理和装置能达到实验目的的是A. 用装置甲灼烧碎海带B. 用装置乙过滤海带灰的浸泡液C. 用装置丙制备用于氧化浸泡液中I−的Cl2D. 用装置丁吸收氧化浸泡液中I−后的Cl2尾气【答案】B【解析】分析:A项,灼烧碎海带应用坩埚;B项,海带灰的浸泡液用过滤法分离获得含I-的溶液;C项,MnO2与浓盐酸反应制Cl2需要加热;D项,尾气Cl2应用NaOH溶液吸收。
——以化工工艺流程综合考查元素化合物知识【提分训练】1.工业上用铬铁矿(主要成分可表示为FeO ·Cr 2O 3,还含有Al 2O 3、MgCO 3、SiO 2等杂质)为原料制备重铬酸钾晶体和绿矾的流程如下:已知:Ⅰ.常见离子沉淀的pH 范围Fe 3+ Al 3+ Mg 2+ SiO 2-3AlO -2 开始沉淀 1.9 4.2 8.1 9.5 10.2 沉淀完全3.25.39.48.08.52323237NaNO 3===4Na 2CrO 4+Fe 2O 3+4CO 2↑+7NaNO 2。
回答下列问题:(1)绿矾的化学式为FeSO 4·7H 2O 。
(2)滤液1中除含有Na 2CrO 4、NaNO 2和过量的Na 2CO 3、NaNO 3外,还含有NaAlO 2和Na 2SiO 3,则熔融Na 2CO 3条件下发生的副反应有Na 2CO 3+Al 2O 3=====高温 2NaAlO 2+CO 2↑和Na 2CO 3+SiO 2=====高温Na 2SiO 3+CO 2↑(用化学方程式表示)。
(3)滤渣2的主要成分为H 2SiO 3和Al(OH)3(填写化学式)。
(4)用醋酸调节pH 2=5的目的为将CrO 2-4转化为Cr 2O 2-7;若pH 调节的过低,NO -2可被氧化为NO -3,其离子方程式为Cr 2O 2-7+3NO -2+8H+===2Cr 3++3NO -3+4H 2O 。
(5)调节pH 2后,加入KCl 控制一定条件,可析出K 2Cr 2O 7晶体的可能理由是在该条件下K 2Cr 2O 7的溶解度最低,更易分离。
(6)流程中的一系列操作为蒸发浓缩、冷却结晶、过滤。
解析:(1)绿矾的化学式为FeSO 4·7H 2O 。
(2)生成NaAlO 2和Na 2SiO 3的化学方程式为Na 2CO 3+Al 2O 3=====高温2NaAlO 2+CO 2↑和Na 2CO 3+SiO 2=====高温 Na 2SiO 3+CO 2↑。
常见有机物的制备实验1(2023·辽宁·统考高考真题)2-噻吩乙醇(M r=128)是抗血栓药物氯吡格雷的重要中间体,其制备方法如下:Ⅰ.制钠砂。
向烧瓶中加入300mL液体A和4.60g金属钠,加热至钠熔化后,盖紧塞子,振荡至大量微小钠珠出现。
Ⅱ.制噻吩钠。
降温至10℃,加入25mL噻吩,反应至钠砂消失。
Ⅲ.制噻吩乙醇钠。
降温至-10℃,加入稍过量的环氧乙烷的四氢呋喃溶液,反应30min。
Ⅳ.水解。
恢复室温,加入70mL水,搅拌30min;加盐酸调pH至4~6,继续反应2h,分液;用水洗涤有机相,二次分液。
Ⅴ.分离。
向有机相中加入无水MgSO4,静置,过滤,对滤液进行蒸馏,蒸出四氢呋喃、噻吩和液体A后,得到产品17.92g。
回答下列问题:(1)步骤Ⅰ中液体A可以选择。
a.乙醇 b.水 c.甲苯 d.液氨(2)噻吩沸点低于吡咯( )的原因是。
(3)步骤Ⅱ的化学方程式为。
(4)步骤Ⅲ中反应放热,为防止温度过高引发副反应,加入环氧乙烷溶液的方法是。
(5)步骤Ⅳ中用盐酸调节pH的目的是。
(6)下列仪器在步骤Ⅴ中无需使用的是(填名称):无水MgSO4的作用为。
(7)产品的产率为(用Na计算,精确至0.1%)。
【答案】(1)c(2) 中含有N原子,可以形成分子间氢键,氢键可以使熔沸点升高(3)2+2Na→2+H2↑(4)将环氧乙烷溶液沿烧杯壁缓缓加入,此过程中不断用玻璃棒进行搅拌来散热(5)将NaOH中和,使平衡正向移动,增大反应物的转化率(6)球形冷凝管和分液漏斗除去水(7)70.0%【解析】(1)步骤Ⅰ制钠砂过程中,液体A不能和Na反应,而乙醇、水和液氨都能和金属Na反应,故选c。
(2)噻吩沸点低于吡咯( )的原因是: 中含有N原子,可以形成分子间氢键,氢键可以使熔沸点升高。
(3)步骤Ⅱ中和Na反应生成2-噻吩钠和H2,化学方程式为:2+2Na→2+H2↑。
(4)步骤Ⅲ中反应放热,为防止温度过高引发副反应,加入环氧乙烷溶液的方法是:将环氧乙烷溶液沿烧杯壁缓缓加入,此过程中不断用玻璃棒进行搅拌来散热。
大题06 有机制备类实验(二)1.乙酰水杨酸(阿司匹林)是目前常用药物之一。
实验室通过水杨酸进行乙酰化制备阿司匹林的一种方法如下:实验过程:在100 mL锥形瓶中加入水杨酸6.9 g及醋酸酐10 mL,充分摇动使固体完全溶解。
缓慢滴加0.5 mL浓硫酸后加热,维持瓶内温度在70 ℃左右,充分反应。
稍冷后进行如下操作.①在不断搅拌下将反应后的混合物倒入100 mL冷水中,析出固体,过滤。
②所得结晶粗品加入50 mL饱和碳酸氢钠溶液,溶解、过滤。
③滤液用浓盐酸酸化后冷却、过滤得固体。
④固体经纯化得白色的乙酰水杨酸晶体5.4 g。
回答下列问题:(1)该合成反应中应采用__________加热。
(填标号)A.热水浴B.酒精灯C.煤气灯D.电炉(2)下列玻璃仪器中,①中需使用的有________(填标号),不需使用的_______________________(填名称)。
(3)①中需使用冷水,目的是______________________________________。
(4)②中饱和碳酸氢钠的作用是_________________________________,以便过滤除去难溶杂质。
(5)④采用的纯化方法为____________。
(6)本实验的产率是_________%。
【答案】(1)A(2)BD 分液漏斗、容量瓶(3)充分析出乙酰水杨酸固体(结晶)(4)生成可溶的乙酰水杨酸钠(5)重结晶(6)60【解析】(1)因为反应温度在70℃,低于水的沸点,且需维温度不变,故采用热水浴的方法加热;(2)操作①需将反应物倒入冷水,需要用烧杯量取和存放冷水,过滤的操作中还需要漏斗,则答案为:B、D;分液漏斗主要用于分离互不相容的液体混合物,容量瓶用于配制一定浓度的溶液,这两个仪器用不到。
(3)反应时温度较高,所以用冷水的目的是使得乙酰水杨酸晶体充分析出;(4)乙酰水杨酸难溶于水,为了除去其中的杂质,可将生成的乙酰水杨酸与碳酸氢钠反应生成可溶性的乙酰水杨酸钠,以便过滤除去杂质;(5)每次结晶过程中会有少量杂质一起析出,可以通过多次结晶的方法进行纯化,也就是重结晶;(6)水杨酸分子式为C7H6O3,乙酰水杨酸分子式为C9H8O4,根据关系式法计算得:C7H6O3~ C9H8O4138 1806.9g mm( C9H8O4)=(6.9g×180)/138=9g,则产率为5.4g100%=60% 9g。
2020年高考化学之考前抓大题11-有机化学基础(一)(选修)(解析版)(总18页)--本页仅作为文档封面,使用时请直接删除即可----内页可以根据需求调整合适字体及大小--大题11 有机化学基础(一)(选修)1.2005年诺贝尔化学奖授予了研究烯烃复分解反应的科学家,以表彰他们作出的卓越贡献。
现以烯烃C5H10为原料,合成有机物M和N,合成路线如下:(1)按系统命名法,有机物A的名称是___________。
(2)B的结构简式是___________。
(3)C D的反应类型是___________。
(4)写出D M的化学方程式___________。
(5)写出E F合成路线(用结构简式表示有机物,用箭头表示转化关系,箭头上注明试剂和反应条件)___________。
(6)已知X的苯环上只有一个取代基,且取代基无甲基,则N的结构简式为___________。
(7)满足下列条件的X的同分异构体共有_____种,写出任意一种的结构简式________。
①遇FeCl3溶液显紫色②苯环上的一氯取代物只有两种【答案】(1)2-甲基-1-丁烯(2)CH3CH2C(CH3)=C(CH3)CH2CH3(3)取代反应(4)(5)(6)3(7)【解析】(1)由F的结构可以判断A的结构简式为:CH2=C(CH3)CH2CH3,根据系統命名法命名为2-甲基-1-丁烯;(2)根据题干中给的烯烃复分解反应原理:C2H5CH=CHCH3+CH2=CH2C2H5CH=CH2+CH2=CHCH3,推测出两个A之同发生复分解后的产物为CH3CH2C(CH3)=C (CH3) CH2CH3;(3)B与Br2发生加成反应生成C,C的结构简式为:CH3CH2CBr(CH3)CBr(CH3)CH2CH3,C在碱性条件下水解生成D。
水中羟基取代溴得位置,所以发生了取代反应,故答案为取代(水解)反应;(4)D→M是与HOOC-COOH发生酯化反应生成环酯,反应的方程式为;(5)E→F是E中的Br被-OH取代,同时一个羟基被催化第化最终变成羧基的过程,合成路线为:CH3CH2CBr(CH3)CH2Br CH3CH2COH(CH3)CH2OH CH3CH2COH(CH3)CHO;(6)G只有一个甲基说明G的结构简式为:,G的分子式是C5H8O2与X 反应后生成C13H16O2,发生了酯化反应并且増加了8个C、8个H,根据酯化反应酸脱羟基醇脱氢可知X的分子式为C8H9O,且X中只有一个取代基没有甲基,可知X为苯乙醇,因此推出N的结构简式为;(7)符合两个条件的结构中包含了一个酚羟基,同时具有对称结构,所以符合条件的结构有、、共3种。
绝密★启用前冲刺2023年高考化学真题重组卷05云南、安徽、黑龙江、山西、吉林五省通用注意事项:1.答卷前,考生务必将自己的姓名、考生号等填写在答题卡和试卷指定位置上。
2.回答选择题时,选出每小题答案后,用铅笔把答题卡对应题目的答案标号涂黑。
如需改动,用橡皮擦干净后,再选涂其他答案标号。
回答非选择题时,将答案写在答题卡上。
写在本试卷上无效。
3.考试结束后,将本试卷和答题卡一并交回。
一、单项选择题:本题共7小题,每小题6分,共420分。
在每小题给出的四个选项中,只有一项是符合题目要求的。
7.(2020·全国·Ⅱ卷高考真题,7)北宋沈括《梦溪笔谈》中记载:“信州铅山有苦泉,流以为涧。
挹其水熬之则成胆矾,烹胆矾则成铜。
熬胆矾铁釜,久之亦化为铜”。
下列有关叙述错误的是A.胆矾的化学式为CuSO4B.胆矾可作为湿法冶铜的原料C.“熬之则成胆矾”是浓缩结晶过程D.“熬胆矾铁釜,久之亦化为铜”是发生了置换反应【答案】A【解析】A.胆矾为硫酸铜晶体,化学式为CuSO4 5H2O,A说法错误;B.湿法冶铜是用铁与硫酸铜溶液发生置换反应制取铜,B说法正确;C.加热浓缩硫酸铜溶液可析出胆矾,故“熬之则成胆矾”是浓缩结晶过程,C说法正确;D.铁与硫酸铜溶液发生置换反应生成铜,D说法正确。
综上所述,相关说法错误的是A,故选A。
8.(2021·湖南·统考高考真题,4)已二酸是一种重要的化工原料,科学家在现有工业路线基础上,提出了一条“绿色”合成路线:下列说法正确的是A.苯与溴水混合,充分振荡后静置,下层溶液呈橙红色B.环己醇与乙醇互为同系物C .已二酸与3NaHCO 溶液反应有2CO 生成D .环己烷分子中所有碳原子共平面【答案】C【解析】A.苯的密度比水小,苯与溴水混合,充分振荡后静置,有机层在上层,应是上层溶液呈橙红色,故A 错误;B .环己醇含有六元碳环,和乙醇结构不相似,分子组成也不相差若干CH 2原子团,不互为同系物,故B 错误;C .己二酸分子中含有羧基,能与NaHCO 3溶液反应生成CO 2,故C 正确;D .环己烷分子中的碳原子均为饱和碳原子,与每个碳原子直接相连的4个原子形成四面体结构,因此所有碳原子不可能共平面,故D 错误;答案选C 。
大题02 化学工艺流程题(二)1.利用水钴矿(主要成分为Co2O3,含少量Fe2O3、Al2O3、MnO、MgO、CaO、SiO2等)可以制取多种化工试剂,以下为草酸钴晶体和氯化钴晶体的制备流程,回答下列问题:已知:①浸出液中含有的阳离子主要有H+、Co2+、Fe2+、Mn2+、Al3+、Mg2+、Ca2+等。
②沉淀Ⅰ中只含有两种沉淀。
③流程中部分阳离子以氢氧化物形式沉淀时溶液的pH见表:(1)浸出过程中加入Na2SO3目的是_______________。
(2)NaClO3在浸出液中发生反应的离子方程式为____________。
(3)加入Na2CO3调pH至5.2,目的是______;萃取剂层含锰元素,则沉淀Ⅰ的主要成分为_____。
(4)操作Ⅰ包括:将水层加入浓盐酸调整pH为2~3,______、_____、过滤、洗涤、减压烘干等过程。
(5)为测定粗产品中CoCl2·6H2O的含量,称取一定质量的粗产品溶于水,加入足量硝酸酸化的硝酸银溶液,过滤、洗涤、干燥,测沉淀质量。
通过计算发现粗产品中CoCl2·6H2O质量分数大于100%,其原因可能是________________________(回答一条原因即可)。
(6)将5.49g草酸钴晶体(CoC2O4·2H2O)置于空气中加热,受热过程中不同温度范围内分别得到一种固体物质,其质量如下表。
经测定,整个受热过程,只产生水蒸气和CO 2气体,则290~320Ⅰ温度范围,剩余的固体物质化学式为____。
[已知:CoC 2O 4·2H 2O 的摩尔质量为183g·mol −1]【答案】(1)将Fe 3+、Co 3+还原(2)ClO 3-+6Fe 2++6H +=Cl -+6Fe 3++3H 2O(3)使Fe 3+和Al 3+沉淀完全 CaF 2和MgF 2(4)蒸发浓缩 冷却结晶(5)粗产品中结晶水含量低(或粗产品中混有氯化钠杂质)(6)Co 3O 4(或CoO·Co 2O 3)【解析】(1)、浸出过程中,Co 2O 3、Fe 2O 3与盐酸、Na 2SO 3发生反应,Co 2O 3转化为Co 2+,Fe 2O 3转化为Fe 2+,Co 、Fe 元素化合价降低,则S 元素化合价升高,SO 32-转化为SO 42-,故答案为:将Fe 3+、Co 3+还原; (2)、NaClO 3加入浸出液中,将Fe 2+氧化为Fe 3+,ClO -被还原为Cl -,反应的离子方程式为:ClO 3-+6Fe 2++6H +=Cl -+6Fe 3++3H 2O -;(3)根据工艺流程图结合表格中提供的数据可知,加Na 2CO 3调pH 至5.2,目的是使Fe 3+和Al 3+沉淀完全。
大题05 有机制备类实验题(一)1.三氯乙醛(CCl3CHO)是生产农药、医药的重要中间体,实验室制备三氯乙醛的反应装置示意图(加热装置未画出)和有关数据如下:①制备反应原理:C2H5OH+4Cl2→CCl3CHO+5HCl②相关物质的相对分子质量及部分物理性质:(1)恒压漏斗中盛放的试剂的名称是_____,盛放KMnO4仪器的名称是_____。
(2)反应过程中C2H5OH和HCl可能会生成副产物C2H5Cl,同时CCl3CHO(三氯乙醛)也能被次氯酸继续氧化生成CCl3COOH(三氯乙酸),写出三氯乙醛被次氯酸氧化生成三氯乙酸的化学方程式:_____。
(3)该设计流程中存在一处缺陷是_____,导致引起的后果是_____,装置B的作用是______。
(4)反应结束后,有人提出先将C中的混合物冷却到室温,再用分液的方法分离出三氯乙酸。
你认为此方案是否可行_____(填是或否),原因是_____。
(5)测定产品纯度:称取产品0.36g配成待测溶液,加入0.1000mol•L−1碘标准溶液20.00mL,再加入适量Na2CO3溶液,反应完全后,加盐酸调节溶液的pH,立即用0.02000mol•L−1Na2S2O3溶液滴定至终点。
进行三次平行实验,测得平均消耗Na2S2O3溶液20.00mL。
则产品的纯度为_____(计算结果保留四位有效数字)。
滴定原理:CCl3CHO+OH-=CHCl3+HCOO-、HCOO-+I2=H++2I-+CO2、I2+2S2O32-=2I-+S4O62-【答案】(1)浓盐酸圆底烧瓶(2)33CCl CHO+HClO CCl COOH+HCl →(3)无干燥装置 副产物增加 除去氯气中的氯化氢 (4)否 三氯乙酸会溶于乙醇和三氯乙醛,无法分液 (5)73.75%【解析】根据题干和装置图我们能看出这是一个有机合成实验题,考查的面比较综合,但是整体难度一般,按照实验题的解题思路去作答即可。
全国卷1卷高考化学有机大题专题非选择题即大题共4道,包括3道必做题,1道选做题(选做题建议选择有机大题)有机大题考查形式:1、有机物化学式、结构简式、官能团、键的推断判断2、有机反应类型判断3、方程式4、同分异构体5、合成途径6、操作过程判断有机大题解题要点是抓住“题眼”,再准确推断。
有机大题整体性比较强,某个环节推断不出可能会影响整体做题效果。
题目推断有正推法和逆推法,逆推法更适合有机推断,值得注意!【真题回顾】2019全国1卷化合物G是一种药物合成中间体,其合成路线如下:回答下列问题:(1)A中的官能团名称是__________。
(2)碳原子上连有4个不同的原子或基团时,该碳称为手性碳。
写出B的结构简式,用星号(*)标出B中的手性碳__________。
(3)写出具有六元环结构、并能发生银镜反应的B的同分异构体的结构简式__________。
(不考虑立体异构,只需写出3个)(4)反应④所需的试剂和条件是__________。
(5)⑤的反应类型是__________。
(6)写出F到G的反应方程式__________。
(7)设计由甲苯和乙酰乙酸乙酯(CH3COCH2COOC2H5)制备的合成路线__________(无机试剂任选)。
【答案】(1). 羟基(2). (3). 、、、、(任写3个)(4). C2H5OH、浓硫酸、加热(5). 取代反应(6). 、(7).2018年全国1卷化合物W可用作高分子膨胀剂,一种合成路线如下:回答下列问题(1)A的化学名称为。
(2)②的反应类型是。
(3)反应④所需试剂,条件分别为。
(4)G的分子式为。
(5)W中含氧官能团的名称是。
(6)写出与E互为同分异构体的酯类化合物的结构简式(核磁共振氢谱为两组峰,峰面积比为1:1)(7)苯乙酸苄酯()是花香型香料,设计由苯甲醇为起始原料制备苯乙酸苄酯的合成路线(无机试剂任选)。
【答案】一氯乙酸;取代反应;乙醇/浓硫酸、加热;C12H18O3;醚键、羟基;;;2017年全国1卷化合物H是一种有机光电材料中间体。
大题03 无机制备类实验题(一)1.高铁酸盐是优良的多功能水处理剂。
K2FeO4为紫色固体,可溶于水,微溶于浓KOH溶液,难溶于有机物;在0~5℃、强碱性溶液中比较稳定,在酸性、中性溶液中易分解放出O2。
某实验小组制备高铁酸钾(K2FeO4)并测定产品纯度。
回答下列问题:℃.制备K2FeO4装置如下图所示,夹持、加热等装置略。
(1)仪器a的名称是____________,装置B中除杂质所用试剂是__________,装置D的作用是________________。
(2)A中发生反应的化学方程式为___________________________________。
(3)C中反应为放热反应,而反应温度须控制在0~5℃,采用的控温方法为______,反应中KOH必须过量的原因是_____________________。
(4)写出C中总反应的离子方程式:__________________。
C中混合物经重结晶、有机物洗涤纯化、真空干燥,得到高铁酸钾晶体。
℃.K2FeO4产品纯度的测定准确称取1.00g制得的晶体,配成250mL溶液,准确量取25.00mL K2FeO4溶液放入锥形瓶,加入足量CrCl3和NaOH溶液,振荡,再加入稀硫酸酸化后得Fe3+和Cr2O,滴入几滴二苯胺磺酸钠作指示剂,用0.0500mol/L (NH4)2Fe(SO4)2标准溶液滴定至终点(溶液显浅紫红色),平行测定三次,平均消耗(NH4)2Fe(SO4)2标准溶液28.00mL。
(5)根据以上数据,样品中K2FeO4的质量分数为__________。
若(NH4)2Fe(SO4)2标准溶液部分变质,会使测定结果_______(填“偏高”“偏低”或“无影响”)。
【答案】(1)圆底烧瓶饱和食盐水(2)吸收尾气Cl2并能防倒吸MnO2+4HCl(浓)MnCl2+Cl2↑+2H2O(3)冰水浴K2FeO4在强碱性溶液中比较稳定(4)3Cl2+2Fe3++16OH-=2FeO42-+6Cl-+8H2O(5)92.4% 偏高【解析】根据装置图:首先制得氯气,氯气中混有氯化氢,根据题目信息:K2FeO4强碱性溶液中比较稳定,故须用饱和的食盐水除去氯化氢,再通入三氯化铁和过量的氢氧化钾混合溶液中生成K2FeO4,氯气是有毒气体,需要氢氧化钠溶液吸收尾气。
大题01 化学工艺流程题(一)1.钼酸钠晶体(Na2MoO4·2H2O)是一种金属腐蚀抑制剂。
工业上利用钼精矿(主要成分是不溶于水的MoS2)制备钼酸钠的两种途径如图所示:(1)途径I碱浸时发生反应的化学反应方程式为________________________________________。
(2)途径II氧化时还有Na2SO4生成,则反应的离子方程式为_____________________________。
(3)已知途径I的钼酸钠溶液中c(MoO42-)=0.40 mol/L,c(CO32-)=0.10mol/L。
由钼酸钠溶液制备钼酸钠晶体时,需加入Ba(OH)2固体以除去CO32-。
当BaMoO4开始沉淀时,CO32-的去除率是____________[已知K sp(BaCO3)=1×10-9、K sp(BaMoO4)=4.0×10-8,忽略溶液的体积变化]。
(4)分析纯的钼酸钠常用钼酸铵[(NH4)2MoO4]和氢氧化钠反应来制取,若将该反应产生的气体与途径I所产生的气体一起通入水中,得到正盐的化学式是__________________________。
(5)钼酸钠和月桂酰肌氨酸的混合液常作为碳素钢的缓蚀剂。
常温下,碳素钢在三种不同介质中的腐蚀速率实验结果如下图:①当硫酸的浓度大于90%时,碳素钢腐蚀速率几乎为零,原因是________________________。
②若缓释剂钼酸钠-月桂酸肌氨酸总浓度为300mg·L-1,则缓蚀效果最好时钼酸钠(M=206g/mol) 的物质的量浓度为__________________(计算结果保留3位有效数字)。
(6)二硫化钼用作电池的正极材料时接受Li+的嵌入,锂和二硫化钼形成的二次电池的总反应为:xLi+nMoS2Li x(MoS2)n。
则电池放电时正极的电极反应是:_____________________。
大题05 有机制备类实验题(一)1.三氯乙醛(CCl3CHO)是生产农药、医药的重要中间体,实验室制备三氯乙醛的反应装置示意图(加热装置未画出)和有关数据如下:①制备反应原理:C2H5OH+4Cl2→CCl3CHO+5HCl②相关物质的相对分子质量及部分物理性质:(1)恒压漏斗中盛放的试剂的名称是_____,盛放KMnO4仪器的名称是_____。
(2)反应过程中C2H5OH和HCl可能会生成副产物C2H5Cl,同时CCl3CHO(三氯乙醛)也能被次氯酸继续氧化生成CCl3COOH(三氯乙酸),写出三氯乙醛被次氯酸氧化生成三氯乙酸的化学方程式:_____。
(3)该设计流程中存在一处缺陷是_____,导致引起的后果是_____,装置B的作用是______。
(4)反应结束后,有人提出先将C中的混合物冷却到室温,再用分液的方法分离出三氯乙酸。
你认为此方案是否可行_____(填是或否),原因是_____。
(5)测定产品纯度:称取产品0.36g配成待测溶液,加入0.1000mol•L−1碘标准溶液20.00mL,再加入适量Na2CO3溶液,反应完全后,加盐酸调节溶液的pH,立即用0.02000mol•L−1Na2S2O3溶液滴定至终点。
进行三次平行实验,测得平均消耗Na2S2O3溶液20.00mL。
则产品的纯度为_____(计算结果保留四位有效数字)。
滴定原理:CCl3CHO+OH-=CHCl3+HCOO-、HCOO-+I2=H++2I-+CO2、I2+2S2O32-=2I-+S4O62-【答案】(1)浓盐酸圆底烧瓶(2)33CCl CHO+HClO CCl COOH+HCl →(3)无干燥装置 副产物增加 除去氯气中的氯化氢 (4)否 三氯乙酸会溶于乙醇和三氯乙醛,无法分液 (5)73.75%【解析】根据题干和装置图我们能看出这是一个有机合成实验题,考查的面比较综合,但是整体难度一般,按照实验题的解题思路去作答即可。
(1)根据反应原理我们发现原料需要氯气,因此装置A 就应该是氯气的发生装置,所以恒压漏斗里装的是浓盐酸;盛放4KMnO 的装置是蒸馏烧瓶;(2)按照要求来书写方程式即可,注意次氯酸的还原产物是氯化氢而不是氯气:33CCl CHO+HClO CCl COOH+HCl →;(3)制得的氯气中带有氯化氢和水分,氯化氢可以在装置B 中除去,但是缺少一个干燥装置来除去水分,若不除去水分,氯气和水反应得到次氯酸和盐酸,会生成更多的副产物;(4)该方案是不行的,因为三氯乙酸是有机物,会溶于乙醇和三氯乙醛,根据题目给出的沸点可知此处用蒸馏的方法最适合;(5)根据-4n=c V=0.020.02=410mol ⨯⨯g 算出消耗的223Na S O 的物质的量,根据2:1的系数比,这些223Na S O 对应着过量的-4210mol ⨯单质碘,而一开始加入的碘的物质的量为-3n=c V=0.10.02=210mol ⨯⨯g ,因此整个过程中消耗了-31.810mol ⨯单质碘,再次根据化学计量数之比发现3CCl CHO :2I 为1:1,也就是说产品中有-31.810mol ⨯三氯乙醛,质量为-3m=n M=1.810147.5=0.2655g ⨯⨯⨯,因此产品的纯度为0.2655100%=73.75%0.36⨯。
2.物质C 为对甲氧基苯丙酰胺(相对分子质量为179)难溶于冷水的白色晶体,是一种医药中间体,可以由苯甲醚通过两步合成,如下图所示:已知:无水三氯化铝遇水会发生强烈水解并放热。
①步骤一:用图一装置合成对甲氧基苯丙腈(B)在500 mL三颈烧瓶中,加入108 g(1.00 mol)苯甲醚(A),室温下缓慢加入70g(0.52 mol)粉末状三氯化铝,加入过程中温度不超过25℃,加完后降温至5℃,逐滴加入130g(2.45 mol)丙烯腈,滴加结束后再升温至90~95℃,反应2小时。
将反应物倒入500g冰水中,搅匀,静置分层,分出油相。
减压蒸馏,收集150~160℃/2.67kPa馏分,得到对甲氧基苯丙腈。
②步骤二:对甲氧基苯丙酰胺(C)的合成将上述反应合成的对甲氧基苯丙腈加入到500 mL三颈烧瓶中,加入300 mL浓盐酸,再经过一系列操作后得对甲氧基苯丙酰胺133.7g。
(1)对甲氧基苯丙腈(B)的合成过程中宜采用的加热方式:____________(2)图一中合成对甲氧基苯丙腈(B)的装置有一缺陷,请提出改进方法并说明理由:_________(3)用恒压滴液漏斗加丙烯腈的优点:___________________________________(写出两条);(4)下列操作为步骤二对甲氧基苯丙酰胺(C)合成过程中加浓盐酸后的一系列操作,请排出下列操作的合理顺序:____________________________________;①加入活性炭回流0.5h ②趁热过滤③抽滤④将滤液慢慢倒入1000g冷水中,析出晶体⑤升温至40~50℃,搅拌1h ⑥洗涤、烘干(5)下列关于实验操作的说法错误的是:__________A.减压蒸馏采用如图二所示装置,装置中的D为毛细管,也可以用沸石代替B.减压蒸馏过程中,可以通过控制G处的旋塞停止减压C.在步骤二,对甲氧基苯丙酰胺(C)的合成过程中,析出的晶体可以用冷水洗涤D.在步骤二,抽滤后洗涤晶体时,应先关小水龙头,使洗涤剂浸没晶体后,再打开水龙头进行抽滤E.减压过滤不宜用于过滤颗粒太小的沉淀,因为颗粒太小的沉淀在快速过滤时易透过滤纸(6)本实验制得的对甲氧基苯丙酰胺的产率为_____________【答案】(1)水浴加热(2)空气中的水蒸气会进入装置式氯化铝水解,可在冷凝管上方接一球形干燥管;(3)平衡气压,使液体顺利流下;防止丙烯腈挥发(4)⑤①②④③⑥(5)AE(6)74.69%【解析】(1)由于对甲氧基苯丙腈(B)合成过程中加热温度不超过100℃,为了使反应物均匀受热,应水浴加热;(2)空气中的水蒸气会进入装置式氯化铝水解,可在冷凝管上方接一球形干燥管;(3)恒压滴液漏斗可以平衡气压,使液体顺利流下同时也能够防止丙烯腈挥发;(4)加浓盐酸后,首先升温至40~50℃,搅拌1h,而后加入活性炭回流0.5h,然后趁热过滤、将滤液慢慢倒入1000g冷水中,析出晶体,而后抽滤,最后洗涤烘干,故正确的顺序为⑤①②④③⑥;(5)A. 减压蒸馏时,空气由毛细管进入烧瓶,冒出小气泡,成为液体沸腾时的气化中心,这样不仅可以使液体平稳沸腾,防止暴沸,同时又起一定的搅拌作用。
不能用沸石代替毛细管,A错误;B.减压蒸馏过程中,可以通过控制G处的旋塞停止减压,B正确;C.在步骤二,对甲氧基苯丙酰胺(C)的合成过程中,析出的晶体可以用冷水洗涤,C正确;D. 在步骤二,抽滤后洗涤晶体时,应先关小水龙头,使洗涤剂浸没晶体后,再打开水龙头进行抽滤,D正确;E.过滤时沉淀不会透过滤纸,E错误;故答案选AE;(6)对甲氧基苯丙酰胺的产率为133.7g100%74.69% 179g⨯=。
3.甲醛(HCHO)与葡萄糖相似具有强还原性,40%甲醛溶液沸点为96℃,易挥发。
为探究过量甲醛和新制Cu(OH)2反应的产物,进行如下研究。
(1)在如图装置中进行实验,向a中加入0.5 mol/LCuSO4溶液50 mL和5 mol/LNaOH溶液100 mL,振荡,再加入40%的甲醛溶液50 mL,缓慢加热a,在65 ℃时回流20分钟后冷却至室温。
反应过程中观察到有棕色固体生成,最后变成红褐色,并有气体产生。
①仪器b的名称是_________,作用为_________。
②能说明甲醛具有还原性的实验现象是______________。
(2)查阅资料发现气体产物是副反应产生的。
为确认气体产物含H2不含CO,将装置A和如图所示的装置连接后进行实验。
依次连接的合理顺序为A→B→___→_____→_____→_____→G,________装置B的作用是______。
(3)已知:。
设计实验证明a中甲醛的碳元素未被氧化成+4 价,___________。
(4)为研究红色固体产物的组成,进行如下实验(以下每步均充分反应):已知:Cu2O [Cu(NH3)4]+(无色)[Cu(NH3)4]2+(蓝色)①摇动锥形瓶i的目的是__________。
②锥形瓶ii中固体完全溶解得深蓝色溶液的离子方程式为_______________。
③将容量瓶ii中的溶液稀释100倍后,溶液的颜色与容量瓶i相近。
由此可知固体产物的组成及物质的量之比约为___________。
(1)①球形冷静管冷凝回流②A中出现红色物质(或A中出现棕色物质)(2)E F D C 吸收甲醛蒸气,防止其干扰后续检验(3)取少量a中反应后的清液,滴入过量的浓盐酸,未见气泡产生,说明甲醛的碳元素未被氧化成+4价(其他答案参照评分)(4)①有利于溶液与空气中的氧气接触②2Cu+8NH3·H2O+O2=2[Cu(NH3)4]2++4OH-+6H2O ③n(Cu2O):n(Cu)=1:200【解析】(1)①仪器b为球形冷凝管,主要是冷凝回流反应物,故答案为球形冷静管;冷凝回流;②能说明甲醛具有还原性的实验现象是和新制氢氧化铜加热反应生成氧化亚铜红色沉淀A中出现红色物质(或A中出现棕色物质),故答案为A中出现红色物质(或A中出现棕色物质);(2)为确认气体产物中含H2不含CO,装置A连接装置B除去甲醛,防止干扰后续实验验证,利用装置E 吸收水蒸气,通过装置F中氧化铜加热反应,利用装置D中无水硫酸铜检验是否生成水蒸气,装置C中澄清石灰水检验是否生成二氧化碳验证气体中是否含一氧化碳,通过装置G收集剩余气体,依次连接的合理顺序为ABEFDCG,装置B的作用是吸收甲醛蒸气,防止其干扰后续检验,故答案为EFDC;吸收甲醛蒸气,防止其干扰后续检验;(3)甲醛被氧化为甲酸,甲酸被氧化为碳酸,若碱溶液中甲醛被氧化生成碳酸盐,加入浓盐酸会生成二氧化碳气体,设计实验证明a中甲醛的碳元素未被氧化成+4价的方法为:取少量a中反应后的清液,滴入过量的浓盐酸,未见气泡产生,说明甲醛的碳元素未被氧化成+4价,故答案为取少量a中反应后的清液,滴入过量的浓盐酸,未见气泡产生,说明甲醛的碳元素未被氧化成+4价;(4)①氧化亚铜加入浓氨水得到无色溶液,在空气中变化为蓝色,摇动锥形瓶℃的目的是有利于溶液与空气中的氧气接触,故答案为有利于溶液与空气中的氧气接触;②锥形瓶℃中固体完全溶解得深蓝色溶液是铜、氧气和一水合氨溶液反应生成深蓝色络离子,反应的离子方程式为:2Cu+8NH3•H2O+O2=2[Cu(NH3)4]2++4OH-+6H2O,故答案为2Cu+8NH3•H2O+O2=2[Cu(NH3)4]2++4OH-+6H2O;③将容量瓶℃中的溶液稀释100倍后,溶液的颜色与容量瓶℃相近,说明[Cu(NH3)4]2+浓度相同,根据铜元素守恒可知,固体产物的组成及物质的量之比约为n(Cu2O):n(Cu)=1:200,故答案为1:200。