危险源辨识及评价表2018年3月(标准)
- 格式:docx
- 大小:23.30 KB
- 文档页数:1
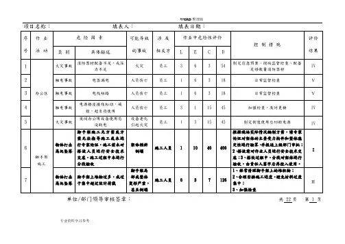
项目名称: 填表人: 填表日期:单位/部门领导审核签章:共_22页第1页项目名称: 填表人: 填表日期:1213 物体打击高处坠落悬挑工子钢未按方案设置,工字钢材料锈蚀架体倾斜,甚至倒塌施工人员 1 10 40 400悬挑工字钢必须按方案搭设,验收,经常检查I 物体打击扣件的质量不符合标准的要求架体倾斜倒塌施工人员 1 10 15 150按照规定,项目部将不符合要求的扣件及时更换,进场的扣件应具备产品合格证。
出单位/部门领导审核签章: 共22页第2页项目名称: 填表人: 填表日期:单位/部门领导审核签章:项目名称:填表人:填表日期: 共22页第4页单位/部门领导审核签章:共22页第5页项目名称:填表人:填表日期:单位/部门领导审核签章:项目名称:填表人:填表日期: 共22页第_6_页共22页第7页单位/部门领导审核签章:项目名称:填表人:填表日期:单位/部门领导审核签章:项目名称:填表人:填表日期: 共22页第_8_页单位/部门领导审核签章:共22页第9页项目名称:填表人:填表日期:单位/部门领导审核签章:共22页第10页项目名称: 填表人: 填表日期:单位/部门领导审核签章: 共2页第11页共22页第12页单位/部门领导审核签章:项目名称:填表人:填表日期:单位/部门领导审核签章: 共2页第13页项目名称: 填表人: 填表日期:单位/部门领导审核签章:项目名称:填表人:填表日期:序作业危险因素可能导致涉及作业中危险性评价控制措施评价号活动类另S 具体描述的事故相关方L E C D 结果122模板高处坠落因土方无法回填,外架未与主体同步坠落伤人施工人员 6 1 15 90项目部技术负责人根据现场实际情况,编制专项技术方案,并严格按照方案执行出123 工程高处坠落物体打击模板拆除时,未将电梯井口楼梯口封闭防护,易坠物伤人施工人员 6 6 15 540按照进行搭设,每隔 4层设置一道封闭式的保护,并挂设安全网及安全标志I 高处坠落“四口、无临边”设置防护坠落伤人施工人员6615540按照临边防护有关规定进行搭设,设置1-1.2m 的防护栏杆,并挂设安全标志,经过检查后方可投入使用I 机械伤害木工机具传动部位无防护罩伤人施工人员3315135由机电人员按照JGJ46-88的要求,增设防护罩方可使用出共22页第15页120 12 1共22页第16页单位/部门领导审核签章:项目名称:填表人:填表日期:单位/部门领导审核签章:共 22页第 17页单位/部门领导审核签章:项目名称:填表人:填表日期:共2页 第18页单位/部门领导审核签章:项目名称:填表人:填表日期:共22页 第19页单位/部门领导审核签章:共22页第20页项目名称:填表人:填表日期:单位/部门领导审核签章: 共22页第21_页项目名称: 填表人: 填表日期:单位/部门领导审核签章:共22页第 22页。
××××××××××××××××××××××危险源辨别及评论表×××××××××××××××××××××××××××危险源辨别及评论表单位:陕西省第十一建筑工程企业第五经理部西北政法项目部D=L×E×C重要危险序区活动/人员控制/应急重要危险源危险源可能的风险源,用√标号域/设备L E C D举措应急方案识1建筑选址不合理或搭建超出二层自然灾祸110050人员伤亡设备管理2办公、生活建筑未经过设计或使用前未经查收合格110050财富损失设备管理3 4 5 6 7 8 91011未装备消防器械或使用易燃资料搭建;无消防通火灾事故应抢营救火灾3340360√消防管理道或消防通道堵塞方案办公未经过漏电保护器接设或漏电保护器不动作触电114040电器使用用电管理及生电器线路绝缘老化、过载或短路火灾121530活区电脑辐射1616电脑使用职业损害职业防备复印机废粉、臭氧的排放367126上下班、出门做事发生道路交通事故161590职工管理职工管理人身损害职工连续加班367126劳务管理酒后驾车、疲屈驾驶、超速行驶611590车辆管理交通事故司机管理办公区无穷速标记或减速举措61159012车辆未按期审验及养护611590车辆管理15食堂无卫生赞同证161616炊事人员无健康证1616食品中毒17后勤卫生生熟食品未分案加工1616食堂管理传得病18食堂没有防鼠、防蝇举措161619厨房有腐化、变质食品16742危险源辨别及评论表D=L×E×C序区重要危险活动/人员重要危险源危险源可能的风险源,用√标控制/应急举措/设备L EC D 应急方案号域识携带传得病职工得不到实时辨别和20传染疾病61742卫生管理有效隔绝、治疗办公对流行性疾病没有预防举措,如注射21及生后勤卫生传染疾病3140120卫生管理疫苗等活区招录职工未经体检,不适合施工作业22不测事故33763劳务管理的疾病未被实时发现23无卫生饮用水供给或饮用水受污染疾病31行政后勤管理饮水机没有按期冲洗,或采纳不合格24传染疾病31行政后勤管理饮用水现场无卫生间或卫生间保洁不到位,生活25传染疾病63118行政后勤管理垃圾清运不实时26除“四害”举措落实不到位行政后勤管理夏天施工未供给防暑降温品,露天高27中暑33763夏天施工管理温作业时间过长28危险源辨别及评论表序区D=L×E×C重要危险活动/人员重要危险源控制/应急危险源可能的风险源,用√标/设备L E C D举措应急方案号域识1未成立安全生产责任制或未落实生产安全事故631590项目经理负责建施工2安全管理经济承包中无安全生产指标生产安全事故3315135立项目安全生产区3未按规定装备专(兼)职安全员生产安全事故3315135责任制度和操作4未拟订安全管理目标或未进行安全责任目标分解生产安全事故33151355未拟订各工种安全技术操作规程生产安全事故3315135施工组织设计/方案无安全举措或未经企业及监理审6生产安全事故3315135批施工组织设计/方案中安全举措不全面、无针对性或7生产安全事故3315135未落实8未进行分部分项工程安全技术交底生产安全事故3315135未成立安全检查制度、安全教育制度、班前安全活动9生产安全事故637126制度未按期进行安全检查,检查失事故隐患不决人、定10生产安全事故611590时间、定举措新入厂工人未进行三级安全教育,变换工种时未进11生产安全事故311545行安全教育未成立工伤事故报告检查办理制度,工伤事故未按12生产安全事故311545事故检查剖析规定办理,未成立工伤事故档案13特种作业人员未拥有效证件上岗生产安全事故311545规程,健全项目安全保证系统,将安全生产目标分解落实,组织隐患排查和治理,保证安全投入有效实行;项目技术负责人负责编制和报批施工组织设计和专项方案,并监督实行;项目专职安全员负责实行安全教育培训,监察特种作业人员的持无现场安全标记部署总平面图(消防分散图)或未证上岗,成立安全管理档案;专业工长负责实14生产安全事故3315135按安全标记总平面图设置安全标记施安全技术交底,落实安全技术举措。
ISO45001-2018危险源辨识及风险评价一览表编号:BZH-JL-9-03序号生产现场、生产过程、环境和设备存在风险和隐患可能造成的事故危险级别控制措施L E C D风险等级1 电焊机漏电未接保护零线触电伤人 3 6 7 126 显著定期检查,按规范要求接好保护零线漏电保护器失灵触电伤人 3 6 7 126 显著定期检查,及时更换防护装置不符合要求触电伤人 3 6 7 126 显著定期检查,确保防护装置齐全、有效焊接时产生的熔珠无防护措施溅落到易燃物上发生火灾3 1 7 21 一般焊接时有防护措施,配备灭火器2 生产车间饲料加工过程粉尘浓度超标人员伤害、粉尘爆炸1 1 100 100 显著定期检查、粉尘浓度检测、及时整改3 提升机、电葫芦货物坠落坠物伤人、起重伤害1 6 15 90 显著严格执行提升机安全操作规程4 外电防护小于安全距离未采取措施触电伤人 1 6 7 42 一般按方案制定防护措施并落实防护措施不符合要求触电伤人 1 6 7 42 一般按规范制定防护措施并落实5 配电箱开关箱未达到“三级配电、两级保护”要求触电伤人 3 6 7 126 显著按要求实行“三级配电、两级保护”漏电保护器失灵触电伤人 3 6 7 126 显著及时检查更换未接保护零线触电伤人 3 6 7 126 显著及时检查,按规范要求接好保护零线电器元件损坏或配备不符合要求触电伤人 3 6 7 126 显著定期检查,及时更换损坏的电器元件6 生产设备:提升机刮板机、粉碎机、制粒机等1.设备、设施缺陷;2.违章操作;3.机械设备安全防护装置缺乏或损坏等;4.操作人员疏忽大意,身体进入机械危险部位;5.在检修工作时,机器突然被别人随意启动;6.在不安全的机械上停留、休息。
机械伤害 3 6 7 126 显著制定设备检修计划定时检修,严格执行检修操作等操作规程7 锅炉锅炉自动调节、控制、联锁、保安系统失灵或操作不当,可能发生锅炉压力过高、水位失常,造锅炉爆炸 3 2 15 90 显著定期检查检测,严格执行安全操作规程。
1.目的:持续对全公司范围内所有危险源进行辨识、风险评价和风险控制的策划, 为职业健康安全管理体系的建立、运行、保持奠定基础。
消除事故隐患, 有效减少事故的发生。
2.范围:适用于全公司危险源辨识、风险评价和风险控制策划的工作。
3.术语及定义3.1 危险源: 各种经营生产活动及其场所中可能存在的并可能造成人员伤害和(或)健康损害的根源、状态或行为, 或它们的组合。
3.2 危险源辨识: 识别危险源的存在并确定其特性的过程, 即从组织经营生产活动中识别出可能造成危险源, 并判定其可能导致事故类别和事故发生的直接原因的过程。
3.3 风险: 发生危险事件或有害显露的可能性, 与随之引发的人身伤害或健康损害的严重性的组合。
3.4 风险评价:对危险源导致的风险进行评估、对现有控制措施的充分性加以考虑以及确定风险是否可以接受的过程。
3.5 事故: 造成死亡、疾病、伤害、损坏或其他损失的意外情况。
4.职责:4.1 EHS管理部:4.1.1负责编制、修订、解释本程序。
并监督、指导实施。
4.1.2组织对公司的活动、产品、服务过程中所有影响环境的因素和可能涉及的危险源进行识别、汇总、分析、评价, 并制定评价准则, 确定重大危险源并及时更新。
4.1.3 根据评价结果建立公司《重大危险源清单》(EHSP-002-RC-02)。
4.1.4根据评价结果指导督促各部门制定管理方案和运行控制措施, 履行相应的管理职责。
4.1.5 策划公司危险因素控制的目标、指标。
4.2 各部门:4.2.1各部门负责识别所属范围内的危险源, 填写《危险源辨识与风险评价表》(EHSP-002-RC-01)报EHS管理部, 并配合EHS管理部进行危险源的辨识、评价活动。
4.2.2 各部门负责管理方案和运行控制措施的确定和组织实施。
4.3 EHS管理部部长:4.3.1 审核职业健康安全管理方案。
4.3.2 审核重大危险源清单5.内容:5.1危险源辨识的范围危险源辨识应覆盖公司所有生产、办公及服务的各个方面作业活动。
危险源辨识与风险评价记录表单位:江苏万象建工集团有限公司审批人:填表人: 2018年2月28日 NO:1序号活动/工序/部位作业项目危险源形成原因可能导致的事故应采取的控制措施LEC值法危险程度L值E值C值D值1施工准备临时用电乱搭乱设用电线路,未按规定设漏电保护器触电火灾1、施工用电必须做到“三级配电,二级保护”和采用TN-S接零保护系统,机械设备必须做到“一机一闸一漏一箱一锁”;2、接、拆电源应由专业工电操作;3、漏电开关等必须灵敏有效;4、现场电缆线布设规范;5、操作人员戴好个人绝缘防护用品;6、制订应急求援预案。
3615270高度危险要立即整改2 临近高压线施工防护不到位、接触损坏电线触电火灾1、作专项施工方案;2、搭设楠竹防护棚;3、对操作工人进行详细针对性的安全技术交底;4、制订重大事故应急救援预案。
0.56 40 120显著危险需要整改3 场地平整违章作业车辆伤害1、土方设备必须由专人按安全技术操作规程操作,持证上岗;2、施工人员不得擅自进入铲车等机械的操作范围;3、设专人指挥。
1 6 7 42一般危险需要注意4 搭建临时设施违章作业物体打击机械伤害1、操作人员按规定穿戴个人防护用品;2、施工人员严格按安全技术操作规程操作;3、现场设专人统一指挥协调;4、划出施工警戒区,并加设围栏,无关人员不得入内。
3 6 3 54一般危险需要注意5 材料机械进场吊装违章作业机械伤害物体打击1、吊装时应把吊物捆绑牢固;2、信号工及吊装司机必须持证上岗,密切配合,严格遵守“十不吊”规定;3、被吊物严禁从人上方通过,人员严禁在被吊物下方停留;4、经常检查吊索具,并且保持安全有效;5、遇6级以上强风、大雨、大雾等天气严禁吊物;6、严格遵守操作规程,按规定穿戴劳保用品。
1 6 7 42一般危险需要注意参考学习资料6进场安全教育未严格按规定内容教育多种伤害所有进场施工人员必须按规定的内容进行安全技术教育,并经考试合格。
项目名称:填表人:填表日期:单位/部门领导审核签章:共 22页第 1 页专业资料学习参考单位/部门领导审核签章:共 22 页第 2 页专业资料学习参考项目名称:填表人:填表日期:单位/部门领导审核签章:共 22 页第3页专业资料学习参考单位/部门领导审核签章:共 22 页第 4 页专业资料学习参考单位/部门领导审核签章:共 22 页第 5 页专业资料学习参考项目名称:填表人:填表日期:单位/部门领导审核签章:共 22 页第 6 页专业资料学习参考项目名称:填表人:填表日期:单位/部门领导审核签章:共 22 页第 7 页项目名称:填表人:填表日期:专业资料学习参考单位/部门领导审核签章:共 22 页第 8 页项目名称:填表人:填表日期:专业资料学习参考单位/部门领导审核签章:共 22 页第 9 页项目名称:填表人:填表日期:专业资料学习参考单位/部门领导审核签章:共 22 页第 10 页项目名称:填表人:填表日期:专业资料学习参考单位/部门领导审核签章:共 22 页第 11 页专业资料学习参考项目名称:填表人:填表日期:单位/部门领导审核签章:共 22 页第 12 页项目名称:填表人:填表日期:专业资料学习参考单位/部门领导审核签章:共 22 页第 13 页项目名称:填表人:填表日期:专业资料学习参考单位/部门领导审核签章:共 22 页第 14 页项目名称:填表人:填表日期:专业资料学习参考单位/部门领导审核签章:共 22 页第 15 页项目名称:填表人:填表日期:专业资料学习参考单位/部门领导审核签章:共 22 页第 16 页项目名称:填表人:填表日期:专业资料学习参考单位/部门领导审核签章:共 22 页第 17 页专业资料学习参考单位/部门领导审核签章:共 22 页第 18 页专业资料学习参考单位/部门领导审核签章:共 22 页第 19 页专业资料学习参考项目名称:填表人:填表日期:单位/部门领导审核签章:共 22 页第 20 页专业资料学习参考单位/部门领导审核签章:共 22 页第21 页专业资料学习参考单位/部门领导审核签章:共22页第 22 页专业资料学习参考。
××××××××××××××××××××××危险源辨识及评价表、×××××××××××××××××××××××××××&[危险源辨识及评价表单位:陕西省第十一建筑工程公司第五经理部西北政法项目部危险源辨识及评价表危险源辨识及评价表危险源辨识及评价表危险源辨识及评价表危险源辨识及评价表危险源辨识及评价表危险源辨识及评价表危险源辨识及评价表危险源辨识及评价表危险源辨识及评价表)危险源辨识及评价表危险源辨识及评价表危险源辨识及评价表*危险源辨识及评价表危险源辨识及评价表危险源辨识及评价表@危险源辨识及评价表危险源辨识及评价表危险源辨识及评价表危险源辨识及评价表?危险源辨识及评价表危险源辨识及评价表危险源辨识及评价表[—危险源辨识及评价表危险源辨识及评价表危险源辨识及评价表》、危险源辨识及评价表危险源辨识及评价表危险源辨识及评价表(@危险源辨识及评价表危险源辨识及评价表危险源辨识及评价表危险源辨识及评价表危险源辨识及评价表危险源辨识及评价表。
注:1、L ——可能性;E ——发生频率;C ——危害程度;
2、风险等级:如果风险值D ≥160则为重大风险,对应危险源为不可接受风险危险源;D <160为一般风险,对应危险源为一般危险源;
3、现有风险控制措施:A 、按法律法规要求,规范管理;B 、制定制度,规范操作;C 、加强现场监督检查/定期检查; D 、加强警示、注意安全;E 、加强设施检修,确保完好;F 、加强协商沟通/签订安全协议;G 、加强教育培训;H 、制定应急预案,及时应急响应。
危险源辨识、风险评价控制表
部门: 姓名: 岗位: 时 间: 2018年3 月 8 日
危险源辨识、风险评价控制表
序号
场所
危险源
潜在危害类别
LEC 评价法
控制策略
控制措施
例图
发生可能性(L ) 暴露的频繁程度(E ) 后果(C ) 判断 依据(D)
风险 等级
1 材料
装卸场
材料淋雨损坏 财产损失 10 10 1 100 3 显著,需要整改 A 、C
2 钢管卸载人力操作 砸伤 10 2 7 140
3 显著,需要整改 B 、C 、D 3 钢管堆放无固定 滑塌 10 10 1 100 3 显著,需要整改 A 、B 、C 、D 、G 、H
4 人员站在钢管上
滑到、摔伤
10 3 3 90 4 一般,需要注意
A 、
B 、
C 、
D 、F 、G 5 进入施工现场人员未佩戴带PPE
受伤 10 6 3 180 2 高度危险,要立
即整改
A 、
B 、
C 、
D 、
E 、G
6
人员现场抽烟 火灾 10 6 3 180 2 一般,需要注意 A 、B 、C 、D 、F 、G 、H 7 未设置安全标识 受伤 10 10 3 100 3 显著,需要整改 A 、B 、C 、D 、G
8 场地硬化,车辆清洗
污染环境 10 10 1 100 4 显著,需要整改 A 、D 9 施工围挡破损 财产损失 10 10 1 100 4 显著,需要整改
A 、C 、D 、E 10 安全网脱落,破损 砸伤、坠落
10 2 15 300 2 高度危险,要立
即整改
A 、
B 、
C 、
D 、F
11 钢管车辆拉运固定 受伤 10 10 15 300 2 显著,需要整改 A 、B 、D 12 钢管堆区混乱放无明显标志
污染、财产损失
10 10 1 100 3 显著,需要整改
B 、
C 、
、。