松下空调遥控器中文说明书
- 格式:docx
- 大小:8.28 KB
- 文档页数:1
万能空调遥控器的使用(代码设置)万能空调遥控器,是根据空调机品种较多,遥控器损坏难以相配而专门设计的。
它集遥控器主要功能于一体,有近 50 种名牌于一身,采用进口芯片设计,性能稳定,配大屏幕液晶中文显示,一目了然,简单易操作。
适用机型及代码:三菱电机 1.2.3.4.5.6.7 三菱重工 8.9 大金 10 东芝 11 开利 13 麦克维尔 14 松下乐声 15 日立16 夏普声宝17.18 LG 19.20 珍宝(富士通)21.12 华宝 22.23.24.41 科龙 24.25.26.27 美的28.11.5.30 汇丰5 格力 31.32.33 胜风34 新科35 春兰36.37 长虹38 飞歌39 索华41 海尔 39.40.29 威力 44.40.42 东宝 43 蓝波 45 志高 6 华菱 8 飞利浦 15设置步骤(一)手动设置步骤:1. 从“代码表”中查出你所需遥控的空调机对应的机型代码,并打开空调机电源;2. 连续(间断)按“设置”键,直至所需代码显示在窗口上并闪烁;注:此机型代码即为您空调机所对应的代码。
3. 按确认键,机型代码将停止闪烁,设置完毕,这样本遥控器就可以遥控您所选的空调机了。
查找代码→打开空调机电源→连续按“设置”键设置→机型代码在“型号”窗口闪烁→按确认键确认→机型代码停止闪烁→设置完毕(二)数字式自动搜索适用机型:1. 打开空调机电源;2. 将遥控器正对着空调机接收头,循环按“设置”键,直到空调机自动开启/关闭,按“确认”键;注:此机型代码即为您空调所对应的代码。
3. 设置完毕。
打开空调机电源→将遥控器对向空调机→循环按“设置”键否空调机自动开启/关是按“确认”键→自动查找代码设置完成。
四、使用注意1. 本遥控器不能增加您空调上的功能。
如果您的空调机上无风向功能,则遥控器的风向键无效。
2. 本遥控器为低耗产品,正常情况下,电池寿命为6 个月,若使用不当电池寿命缩短,更换电池要两节一起换,不要新旧电池或不同型号电池混用。
感谢您购买Panasonic的产品。
请在使用本机之前,仔细阅读使用说明书,并保存以供参考。
本说明书中的图示仅为示意图。
松下智能电视松下服务目录重要提示2安全注意事项3附件5电视机控制面板6遥控器7连接8首次开机11常见问题解答12保养12规格13特别声明:说明书中的图片和说明仅供参考,可能和实际产品不同,请以实物为准。
(此声明贯穿整本说明书)品质升级,产品设计和规格如有变更,恕不另行通知。
本产品适用的软件内容服务取决于第三方提供商,部分软件可能因网络、地区、服务周期等问题不能使用,与本产品质量无关,请与第三方提供商联系了解相关细节。
此标志标识产品的环保使用期限为10年,在环保使用期限内,产品中含有的有害物质或元素在正常使用下不会发生外泄或突变,用户使用该产品不会对环境造成严重污染或对其人身、财产造成严重损害。
产品过了环保使用期要废弃时,必须按国家相关法律法规进行合理处理。
《废弃电器电子产品回收处理管理条例》提示性说明:为了更好地关爱及保护地球,当用户不再需要此产品或产品寿命终止时请遵守国家废弃电器电子产品回收处理相关法律法规,将其交给当地具有国家认可的回收处理资质的厂商进行回收处理。
警告:本机为I类设备,请确保将产品连接到带保护接地连接的电网电源输出插座上。
本设备包含型号核准代码为:CMIIT ID: 2021AP8776的无线电发射模块。
Dolby、杜比、Dolby Vision、Dolby Atmos、和双 D符号是杜比实验室特许公司的注册商标。
本产品经过杜比实验室的许可而制造。
未公布的机密作品。
版权所有 2012-2022杜比实验室。
保留所有权利。
HDMI、HDMI高清晰度多媒体接口以及HDMI标志是HDMI Licensing Administrator,Inc.在美国和其他国家的商标或注册商标。
For DTS patents, see . Manufac-tured under license from DTS Licensing Limited. DTS, DTS-HD Master Audio, DTS-HD, Virtual:X, and the DTS-HD logo are registered trademarks or trademarks of DTS, Inc. in the United States and other countries. © 2021 DTS, Inc. ALL RIGHTS RESERVED.括对产品特定用途的担保,任何数据丢失,和任何Panasonic 的USB 设备和USB 端口间的协议及通信有效性的担保。
Using a wi-fi Adapter for Remote Control of the AG-UX90 and AG-UX180The new AG-UX90 and AG-UX180 camcorders offer the capability of utilizing an optional wi-fi adapter to provide remote control from an Apple iPad. This paper will describe the setup procedures for getting the camera to work with the AG ROP app, the free Panasonic app for the iPad that controls the AG-UX90 and AG-UX180 (and also the AG-DVX200).In this paper I will outline the simplest procedure for setting up the camera and the iPad for remote control operation. The necessary equipment and software include: 1. The camera (either a UX90, UX180, or DVX200)2. The wireless adapter (I’m using an AJ-WM50P)3. The Panasonic AG ROP App, available from the Apple App Store.4. An Apple iPad to run the AG ROP App software. Note, this app works only on the iPad, not on an iPhone.The Wireless Adapter Before considering wireless remote control, you’ll first need to secure a wireless wi-fi adapter. The cameras themselves do not have any inherent wi-fi capability, but they can work with a wi-fi adapter through their USB Host ports.Panasonic has certified three wireless adapters for use with the cameras as of the time of this writing (January 2017). Those adapters are the Panasonic AJ-WM30, the AJ-WM50, and the ASUS USB-N53 (hardware version A1). It is possible that other adapters may work, but is not guaranteed. Check the website for any updated announcements about certified net-work adapters.Simple Network Setup The networking capability built into the cameras is substantial and you can get as complex as you want, but the process of connecting to the network can be extremely easy as well.First: install the network adapter in the camera’s USB Host port. The USB Host port is located on the right side of the viewfinder, on top of the camera, under a door that says “USB HOST”.Second: go into the camera’s Other Function menu, and set the USB MODE menu item to “ON”, and the USB MODE SELECTmenu item to “HOST”. Within a few seconds, you should see asmall “wi-fi” icon appear at the top of the screen, indicating that the wi-fi adapter is active.Panasonic AJ-WM50PThird: go into the camera’s Network Setup menu and choose Net-work Initial Setting->YES. That will restore the camera’s settings totheir factory-original defaults.Fourth, go into the camera’s Network Setup menu and chooseWireless LAN setup, and set DHCP to “SERVER”.Finally, exit all the menus. This is an important step - you need to exit entirely from the menu system, or the camera may not be able to receive and respond to the networking requests from the iPad.That’s it. Y our camera is now broadcasting a wireless network and is ready to receive commands from the app.Configuring the iPadThe only device that can work with the camera’s wireless capability is an Apple iPad, and the only software that works on an iPad to control the camera is the Panasonic AG ROP app. Go to the App store and search for “Panasonic AG ROP”. Install that app. Note: do notinstall the Panasonic P2 ROP app; that’s a different app meant for use with a differ-ent line of cameras. For the AG-UX90, AG-UX180, or AG-DVX200, you need the“Panasonic AG ROP” app.After the app is installed, you need to connect your iPad to the wi-fi network that the camera is creating. From the iPad’s home screen, choose “Settings”, then “Wi-Fi”. In the “Choose A Net-work” window, it will show all the available wi-fi networks.One of them will be from your camera. If you’re usingan AG-UX90 camera, the wi-fi network will be named“UX90”. If you were instead using an AG-UX180 camera,the wi-fi network will be named “UX180.” And, logically,if you were using an AG-DVX200 camera, the wi-fi net-work will be named “DVX200”.Select the network that your camera is creating. The iPadwill attempt to connect, but it will need a password. Thedefault password is “01234567890123456789abcdef”.Enter that password, using lowercase letters, and the iPadshould connect to the wi-fi network.Y ou’re almost done. The camera is broadcasting a network, and the iPad has connected to that network. There’s one last step, which is configuring the application.Configuring The AG ROP App For A Direct ConnectionThere’s a little bit of setup you need to do to the AG ROP app before it can connect to the cam-era. Y ou have to supply a username and password to the app. This is very simple to do.Y ou should already be in the “Settings” section of the iPad, from having connected the network in the previous step. On the leftmost edge of the screen, there’s a panel labeled “Settings”, offer-ing items such as “General”, “Display & Brightness”, “Wallpaper”, etc. Scroll down through thelist of items until you find “AG ROP”. Selectit, and the right side of the iPad’s display willchange to show the available settings for theAG ROP app.For the IP Address, make sure that field isempty. Y ou do not have to set an IP Address,when the camera is set to DHCP->SERVER.Set the “User Account” to “guest” and set thepassword to “agguest”. Then, exit the Settingsby pressing the “home” button.At this point, you’re done. Y ou can now run the AG ROP app, and it should successfully con-nect to your camera; you can then use the AG ROP app’s capabilities to take control of your camera.Connecting Through An Existing NetworkThe procedures outlined previously will get the camera connected to the iPad and get the ap-plication working. However, there are many more advanced options you can use. One such example would be if you wanted to connect the camera and iPad to an existing wireless network, instead of making a direct connection between the camera and iPad as described previously. This section will describe the process of connecting to an existing wi-fi network. Configuring The Camera To Connect Through An Existing NetworkFirst: install the network adapter in the camera’s USB Host port.Second: go into the camera’s Other Function menu, and set the USBMODE menu item to “ON”, and the USB MODE SELECT menuitem to “HOST”. Within a few seconds, you should see a small“wi-fi” icon appear at the top of the screen, indicating that the wi-fiadapter is active.Third: go into the camera’s Network Setup menu and choose Net-work Initial Setting->YES. That will restore the camera’s settings totheir factory-original defaults.Fourth: go into the camera’s Network Setup menu and chooseWIRELESS SETUP->SSID (SELECT). The camera will scan foravailable networks and, after a few seconds, it will display a screenfull of the wireless networks it found. Y ou have to choose the net-work that you want to use for both thecamera and the iPad, and if it’s a securenetwork, you’ll have to enter the password. Choose your networkand press “ENTER”. Then enter the password (remember, it’s case-sensitive; if you need to toggle between upper and lowercase, use the“A-a” button in the lower left). The camera will then connect to thewireless network.At this point the camera is connected and ready to go, but we needone more piece of information. Go to the Network Setup menu’sWIRELESS LAN SETUP menu, and make note of the IP Address.Y ou won’t be changing it on the camera, but we need to know whatit is in order to enter it on the iPad. In this example, the camerachose IP Address 192.168.2.13, but your camera’s IP address will probably be different, so make note of what it is.Configuring The iPad To Connect Through An Existing NetworkThis process is similar to the direct connection; you need to tell the iPad which network to con-nect to. From the home screen, choose “Settings”, and then select Wi-Fi. The iPad will bring up a list of the available networks to choose from. Choose the same network that you chose for the camera, and join that network.Configuring The AG ROP App To Connect Through An Existing NetworkThe process here is similar to the direct connection. From the iPad’s Settings screen, scroll through the choices on the left until you find the AG ROP entry, and select it. The right side of the display will change to “AG ROP” and show the same fields: IP Address, User Account, and Password.Set the IP Address to the same address that the camera isdisplaying. Copy the IP address from the Camera’s WIRE-LESS LAN SETUP->IP ADDRESS field, and enter it herein the iPad’s “IP Address” field. In this example, the cam-era was showing its current IP Address as 192.168.2.13,so I’ve entered “192.168.2.13” into the iPad’s “IP Address”field. Again, your camera’s IP Address will probably besomething different; just copy the numbers from yourcamera into this field.Just like before, set the “User Account” to “guest” and set the password to “agguest”. Then, exitNow, exit the menus on the camera. It’s important to exit the menus, and you want to see the wi-fi icon being displayed on the camera’s screen.At this point, you’re done. Y ou can now run the AG ROP app, and take control of your camera. Changing The UsernameThe default username is “guest”, with a default password of “agguest”, but you’re free to change the username and password to whatever you want. The camera provides the ability to store and retrieve up to 10 User Accounts. If you want to use a different User Account other than “guest”, follow these steps:First, go to the camera’s Network Setup menu and choose USERACCOUNT->SET.The camera will bring up 10 potential slots (which all probably read “Unregistered”).Choose one of the “Unregistered” slots, and press “REFRESH”.Then you can enter a User Account Name and a User Account Pass-word for this particular account. In this example I entered the name“JOHN SMITH”.Finally, select the name you want touse, and press the RETURN button. This will cause the camerato choose the account name and password that you have chosen,rather than the default “guest” account name and “agguest” accountpassword.Y ou then have to match this User Name and Password in the iPad’s AG ROP settings. It’s not enough to connect to the same network; the camera andthe AG ROP app have to both be connected to the same ac-count name and use the same password. If you choose touse an account name on the camera, you’ll have to use thesame account name and password on the iPad ROP Appsettings. And, note - once you’ve selected a User Accounton the camera, it will no longer respond to any other account name or password. “guest” and “agguest” won’t work anymore; the only way to connect to the camera is to use the User Account name and password that the camera is currently using. If you want to go back to using “guest” and “agguest”, you’ll have to go back into the camera’s User Account menu and set it to OFF.Changing The Network NameIf you’re planning on using the camera in the simple direct-connection settings, but you want more security and privacy than using the default network name, you can easily change it. Re-member, the default network name is “UX90”, “UX180”, or “DVX200” depending on which camera you have.Go to the Network Setup menu, and choose DIRECT. SelectingDIRECT instructs the camera that it will be generating its ownwireless network.After choosing the Direct option, it shows you the current settings.The first field is showing the network name (the SSID) that thecamera will be broadcasting. Selecting that field brings up a menuthat gives you the chance to change the SSID.Next, enter a new name for the network. If, for example, you’reworking a show where there are multiple UX180 cameras, youmight change one to be “UX180-A”, another to be “UX180-B”,another to be “UX180-C”, etc. That way you avoid the conflict ofthere being multiple devices trying to broadcast the same networkname, and you’ll know exactly which camera is which when you go to connect to it with the iPad. In this example, I’ve changed the network SSID to “JOHN’S UX90”. Y ou can also choose to change the password, or leave it as the existing password. Either way, remember the password, as you’ll need to enter it on the iPad to connect to the camera.Finally, you’ll need to change the wi-fi settings on youriPad to connect to the correct camera. Go to the Settings,and choose Wi-Fi. In the “CHOOSE A NETWORK”window, look for the new network name that your cam-era is broadcasting. Select that network, and enter thepassword, and the iPad should connect to the camera.SummaryThe networking capabilities of these cameras provide for comprehensive remote control through the AG-ROP app. Because there are so many settings and options, it can be a bit complicated for someone attempting to connect for the first time. Hopefully this step-by-step guide will enable you to get your camera connected to your iPad and the AG ROP app quickly and easily.。
Model No.Indoor UnitOutdoor UnitCS-V7RWA CS-V9RWA CS-V12RWA CU-V7RWA CU-V9RWA CU-V12RWAOperating InstructionsAir Conditioner操作說明書空調器感謝您購買Panasonic 空調器。
附帶安裝說明。
在操作空調器前,請細讀此操作說明,並保存此書以備日後參考。
Operating Instructions Air ConditionerThank you for purchasing Panasonic Air Conditioner.Installation instructions attached.Before operating the unit, read these operating instructions thoroughly and keep them for futurereference.安全措施 ....................................................4-5如何使用 ....................................................6-7清洗說明 .......................................................8故障檢修 .......................................................9信息 .........................................................封底附件• 遙控器• AAA 或 R03 電池 × 2• 遙控器托架• 用於遙控器托架的螺釘 × 2Table of contentsSafety precautions .................................10-11How to use.............................................12-13Cleaning instructions ..................................14Troubleshooting .........................................15Information...................................Back coverAccessories• Remote control• AAA or R03 batteries × 2• Remote control holder• Screws for remote control holder × 2安全措施為了防止個人傷害,危害其他人或財物的損失,請遵守以下指示:因不遵守以下指示導致的錯誤操作將引起傷害或損壞,其嚴重程度分類如下:要遵守的指示按下列符號分類:室内機及室外機此裝置不適合殘疾、感應欠佳或智障,經驗與知識不足的人士(包括兒童)使用。
PACi HIGH STATIC PRESSURE HIDE AWAY·High ESP (external static pressure) up to 150Pa · A utomatic learning function for the required static pressure on site during commissioning*·DC FAN for better efficiency and control ·Built in drain pump ·Twin split options · E asy connection and control of external fan or ERV using the connector PAW-FDC on the indoor unit PCB. The external device can be controlled by the remote control of the indoor unit ·New Comfort Cloud control* A standard wired remote controller is required.Refrigerant gas R32 that shows a drastic reduction in the value of Global Warming Potential (GWP). — Exceptional Seasonal cooling efficiency based on the ErP regulation. — Exceptional Seasonal heating efficiency based on the ErP regulation. — Inverter Plus System classification highlights the highest performing Panasonic systems. — The air conditioner works in cooling mode with an outdoor temperature of -15°C. — The air conditioner works in heating mode even when outdoor temperatures are as low as -20°C. — DC Fan. Safe and precise.Filter Included — R410A/R22 renewal. — Internet Control. A next generation system providing a user-friendly remote controller of air conditioning or heat pump units from everywhere, using a simple Android or iOS smartphone, tablet or PC via internet. — Datanavi, a new way to connect. Simple and easy support tool with your smartphone. — BMS connectivity. The communication port can be integrated into the indoor unit and provides easy connection to, and control of, your Panasonic heat pump to your home or building management system.6,50 SEER/4,60 SCOPA++COOLING MODEOPTIONAL WLANFILTER INCLUDEDR32R22/R410A RENEWAL R22R410AR32HEATING MODEDC FANDATANAVIBMS CONNECTIVITYR32NEW REFRIGERANT GASPlenumsAir Outlet Plenum (without regulation adaptor)Diameters Model36, 45 & 50 2 xØ200CZ-56DAF260 & 71 3 xØ200CZ-90DAF2 100, 125 & 140 4 xØ200CZ-160DAF2Air Inlet PlenumDiameters Model60 & 71 3 xØ200CZ-DUMPA90MF2 100, 125 & 140 4 xØ200CZ-DUMPA160MF2The ducted system is the ideal solution for flexible concealed air conditioning. Optional 200mmspigots ensure simple and hassle-free connection to spiral ductwork. Using a high-lift drainpump, drain piping can be elevated up to 785mm from the base of the unit.environmentally friendly. Compared to R22 and R410A, R32 has a very lowpotential impact on global warming. Panasonic is leading the switch to R32.The static pressure outside the unit can be increased up to 150 PaType3645506071100125140Standard Pa7070707070100100100Maximum available setting Pa150150150150150150150150Built-in Drain pump(DC motor pump)- Built-in filter- Side removablefilterStandardized height of 290mm for all models.Height standardization enables easy and uniforminstallation for models with different capacities.equipment box makesmaintenance easy. P-Link PCBAccessoriesCZ-RTC5B Wired remote controller with Econavi function anddatanaviCZ-RWS3+CZ-RWRC3Infrared remote controllerCZ-RE2C2Simplified remote controllerPAW-WTRAY Tray for condenser water compatible with baseground supportPAW-GRDBSE20Outdoor base ground support for noise and vibration absorptionPAW-GRDSTD40Outdoor elevation platform 400 x 900 x 400mmCZ-56DAF2Air Outlet Plenum S . .PF1E5B 36, 45 & 50CZ-90DAF2Air Outlet Plenum S . .PF1E5B 60 & 71CZ-160DAF2Air Outlet Plenum S . .PF1E5B 100, 125 & 140CZ-DUMPA90MF2Air Inlet Plenum S . .PF1E5B 60 & 71CZ-DUMPA160MF2Air Inlet Plenum S . .PF1E5B 100, 125 & 140CZ-CAPWFC1NEW Commercial WLAN Adaptor1) For models below 12kW, the SEER and SCOP is calculated based on values of EU/626/2011. For models above 12kW, the SEER and SCOP is calculated based on values of EU/2281/2016. 2) Medium External static pressure setting from factory. 3) The sound pressure of the units shows the value measured of the position 1,5 below the unit. The sound pressure is measuredin accordance with Eurovent 6/C/006-97 specification. 4) Outdoor unit operation range : PZH : Cooling -15 ~ +46°C, Heating -20 ~ +24°C, PZ : Cooling -10 ~ +43°C, Heating -15 ~ +24°C. 5) When installing the outdoor unit at a higher position than the indoor unit. * Recommended fuse for the indoor 3A.Just holding up your smartphone to the LED display on a remote controller(CZ-RTC5B) to receive useful AC system information super fast by PanasonicLight ID Technology.· S can & Save AC system info· E asy access to manual database· Commissioning, F gas check data historyCZ-RE2C2Optional Controller.Simplified remote controller.CZ-CENSC1Optional EconaviSensor.CZ-RTC5BWired remote controllerCompatible with EconaviCZ-RWS3 + CZ-RWRC3Optional Controller.Infrared remote controller.New Commercial WLAN AdaptorNew CZ-CAPWFC1 interfaceadaptor, allows connection of oneor a group of indoor units to bemanaged by the Panasonic ComfortCloud App, which provides control,monitoring, scheduling and erroralerts.Panasonic Cloud ServerPanasonic unique LightID technologyDuetotheongoinginnovationofourproducts,thespecificationsofthiscataloguearevalidbarringtypographicerrors,andmaybesubjecttominormodificationsbythemanufacturerwithoutpriorwarninginordertoimprovetheproduct.ThetotalorpartialreproductionofthiscatalogueisprohibitedwithouttheexpressauthorisationofPanasonicMarketingEuropeGmbH.To find out how Panasonic cares for you, log on to www.aircon.panasonic.eu/IE_en/+353 (0)1 4195313+353 (0) 876005031Heating & Cooling SolutionsPanasonic Ireland. A branch of Panasonic Marketing Europe GmbH Unit 1, The Courtyard, Kilcarbery Business ParkNangor Road, Dublin 22。
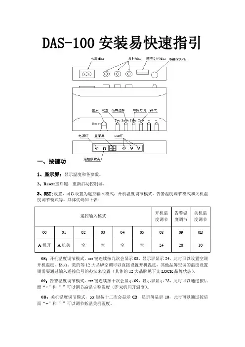
DAS-100安装易快速指引一、按键功能1、显示屏:显示温度和各参数。
2、Reset:重启键,重新启动控制器。
3、SET:设置,可以设置为遥控输入模式、开机温度调节模式、告警温度调节模式和关机温度调节模式等。
具体代码如下表:遥控输入模式开机温度调节告警温度调节关机温度调节00 01 02 03 04 05 08 09 0B A机开A机关空空空空24 28 1008:开机温度调节模式,set键连续按九次会显示08,显示屏显示24,此时可以设置空调开机温度,格力、美的等12大品牌空调可以直接设置开机温度,其他品牌空调的温度设置则需要通过输入遥控信号的办法来设置(具体的12大品牌见下文LOCK品牌状态)。
09:告警温度调节模式,set键连续按十次会显示09,显示屏显示28,此时可以通过按后面“+”和“-”可以调节高温告警温度(即双机同开温度)。
0B:关机温度调节模式,set键按十二次会显示0B,显示屏显示10,此时可以通过按后面“+”和“-”可以调节低温关机温度。
3、LOCK::品牌状态,用于选定品牌种类:00 普通信号学习代码,02全品牌,03格力04美的,05海尔,06大金,07三菱海尔,08志高,09奥克斯,10松下,11 日立,12三洋,13 海信,14 长虹,15 科龙操作方法如下:(1)按LOCK键一次,会显示0A,两秒后显示02,02是A机默认的发射代码,即全代码,用户可根据空调品牌,按“+”或“-”选择合适代码4、TEST:测试键,按该键可以人为控制空调的开启,测试设备是否能正常控制空调机。
按该键会显示“A1”、“A0”、等字符,每个字符会自动显示三次。
A1:代表开A口(对应红灯亮);A0:代表关A口(对应红灯灭)。
二、调试、学习、安装。
1、接线:将红外发射头连接到DAS上,A发射头插在DAS2红色端口,B发射头插在DAS2白色端口,对准空调接收口(距离太远可以将数据线加长,但必须注意数据线分正负极)。
万能空调遥控器K100A使用说明(说明书)(一)手动设置步骤:1. 从“代码表”中查出你所需遥控的空调机对应的机型代码,并打开空调机电源;2. 连续(间断)按“设置”键,直至所需代码显示在窗口上并闪烁;注:此机型代码即为您空调机所对应的代码。
3. 按确认键,机型代码将停止闪烁,设置完毕,这样本遥控器就可以遥控您所选的空调机了。
查找代码→打开空调机电源→连续按“设置”键设置→机型代码在“型号”窗口闪烁→按确认键确认→机型代码停止闪烁→设置完毕(二)数字式自动搜索适用机型:1. 打开空调机电源;2. 将遥控器正对着空调机接收头,循环按“设置”键,直到空调机自动开启/关闭,按“确认”键;注:此机型代码即为您空调所对应的代码。
3. 设置完毕。
打开空调机电源→将遥控器对向空调机→循环按“设置”键否空调机自动开启/关是按“确认”键→自动查找代码设置完成(三)、使用注意1. 本遥控器不能增加您空调上的功能。
如果您的空调机上无风向功能,则遥控器的风向键无效。
2. 本遥控器为低耗产品,正常情况下,电池寿命为6 个月,若使用不当电池寿命缩短,更换电池要两节一起换,不要新旧电池或不同型号电池混用。
3. 要确保您的空调机接收器正常,本遥控器才有效。
4. 如果出现电池漏液,必须将电池仓清洁干净后换上新电池。
为防漏液,请您在备长期不使用时,最好将电池取出。
(四)、适用品牌及代码一览表万能控遥控器代码表众合chunghop,大众合万能电视遥控器代码表及使用说明书万能遥控器使用方法代码自定义搜索万能遥控器的代码自定义搜索的方法:1、左手先按住“设置”键不松手,再用右手按一下“电源”键,指示灯变成长亮。
2、输入三个“0”,使指示灯熄灭,这时遥控器的代码为“000”3、再重复第一条所说,使指示灯长亮4、将遥控器对准电视机的接收窗,开始按遥控器的“音量+”键,按一下数一下写数字,“1、2、3、4、5、6、.......300”,耐心点,直接接某一个数字后,电视机出现了“音量指示线”,就松开遥控器按钮,并记下该数字,这个数字就是你的电视机的“代码”。
松下空调校准点及维修流程下载温馨提示:该文档是我店铺精心编制而成,希望大家下载以后,能够帮助大家解决实际的问题。
文档下载后可定制随意修改,请根据实际需要进行相应的调整和使用,谢谢!并且,本店铺为大家提供各种各样类型的实用资料,如教育随笔、日记赏析、句子摘抄、古诗大全、经典美文、话题作文、工作总结、词语解析、文案摘录、其他资料等等,如想了解不同资料格式和写法,敬请关注!Download tips: This document is carefully compiled by theeditor. I hope that after you download them,they can help yousolve practical problems. The document can be customized andmodified after downloading,please adjust and use it according toactual needs, thank you!In addition, our shop provides you with various types ofpractical materials,such as educational essays, diaryappreciation,sentence excerpts,ancient poems,classic articles,topic composition,work summary,word parsing,copy excerpts,other materials and so on,want to know different data formats andwriting methods,please pay attention!松下空调校准点。
1. 温度传感器,室温传感器通常位于蒸发器附近,负责检测室内温度并将其发送至空调控制器。
(图8-68)(图8-70)额定风量D0AX9(B)和D0AS9(B)的相关安装请参考随机附带说明书。
D0AX9(B)/D0AS9(B)与排水管之间存在用工具垂直按压检测阀的十字芯,会有氮气排出(发出“嘶嘶”声)。
直至氮气泄压完成,保压螺母头部的红芯陷入螺母,方可拆下保压螺母及检测阀。
如果保压螺母取下时氮⽓还没有完全泄压,螺母会因内部⽓压过⾼⽽飞出,可能会造成⼈⾝伤害或物体损坏。
液气按压保压螺母头部红芯,检查室内热交换器是否发生泄漏由于室内机热交换器在出厂前进行了氮气充注保压,在拆卸保压螺母及检测阀前请务必做到以下事项:若红芯不会被压入螺母,说明室内热交换器无泄漏:反之说明室内热交换器可能发生了泄漏,此时需要联系经销商。
液气预留维修口液气连接气连接气液遥控器遥控器遥控器遥控器遥控器遥控器P62相关内容。
(图9-5)吊顶平面泄漏22P白(CZ-RL529B4X)(CZ-RL503BXB)bCZ-RL529B4X:CZ-RL503BXB:12R1R2有线遥控器(主)室内机无线遥控器(子)CN-DISP1遥控器配线用端子P板上连接器10-1910-2110-2010-22CZ-RL503DXB10-17.附件10-18.安装位置10-20.接线方法将信号接收器安装在吹出口百叶旁。
10-23当本遥控器与另一有线遥控器同时使用时,请将任意一台无线遥控器受信部设置为“子机”,方法见上述。
当无线遥控器与有线遥控器同时使用时,请将无线受信设置为“子机”,方法如下:任何一个无线受信部件的应急SW(壁挂受信部SW,3D 装置SW,简单单8受信部SW,天花机受信部SW)10秒长按,听到“嘀”的短音后松开即可设置为“子机”,再次重复操作为“主机”10-21.主/子控制器和接收器的设置10-22.10-23.10-24.10-25A.遥控器停止中,以下按键长按4秒以上,可以开启或取消相应的功能“ ”“超静/超强”“灯光”“节能”“ECONAVI”“换气”“WIFI”B.遥控器停止中,按住温度上键的同时操作(风向上下,风向左右,风量)可以变化相应的功能适⽤机型⼀览表10-26.10-27.*基于“ ”功能的“洁净”运转CS-ME*KX7B 、CS-ME*KS7、CS-ME*KX8B、CS -ME *BX7B 与CS -ME *BX8B 出厂默认“洁净”功能有。
空调双机切换FST-2多重安全设计全面实现如下功能★空调定时切换★空调故障切换★高温双机同开★低温关机省电★高温报警输出★远程电脑监控(选配需另个收费)★免学习轻松装请您在使用之前认真阅读安装使用指南,以便得到正确的安装方式及快速的启动使用。
产品外观、颜色、配件如有变动,请以实物为准!标准配件一 快速安装指引:按如下步骤,皆可轻松安装。
方法1:免学习(适用格力、美的、海尔、大金、三菱海尔、志高、奥克斯、松下、日立) ◆ 通电,发射线插入A 口,小灯泡对准空调。
◆ 按测试(TEST )键一次,数码管显示先显示01,A 灯亮,再显示A1。
◆ 灯泡发射开机信号,观察空调是否开机。
如果不开机,可调整小灯泡方位再试。
◆ 空调开机,测试成功。
将设备用双面胶粘牢即可。
◆ 拨掉空调电源后再插上(或用遥控器关掉空调),拔掉设备AS-100电源后再通电,设备自检3分钟,空调开机。
◆ 如果测试几次空调都不开机,请选用方法2进行 方法2:学习01型安装(适用于春兰、大金等)◆ 按品牌(LOCK )键一次,数码管显示品牌码(如02),按加减调为01。
◆ 连续按设置(SET )键两次,显示01,A 灯闪。
Temp signal-test lock +timeSetJidu controlsDC B A 通信灯变压器电源插入电源红外接收窗发射头◆将空调遥控器调好温度和风速等,对准设备上红外接收窗(在数码管旁),按空调遥控器上开关按钮,学习开机信号。
(注意:是发射开机信号,就像开空调一样。
)学习成功后会显示一个代码如“1A”,灯一起亮。
◆按测试(TEST)键一次,待数码管显示A1,小灯泡发射开机信号,观察空调是否开机。
◆空调开机,测试成功。
将设备用双面胶粘牢即可。
◆如果学习几次空调都不开机,请选用方法3进行方法3:学习00型安装(适用TCL、惠而浦等)◆通电,按品牌锁定(LOCK)一次,显示品牌代码,按加减将其调为00;◆按设置(SET)键一次,显示00,A灯闪;◆将空调遥控器调好温度风速,对准设备上红外接收窗,按空调遥控器上开关按钮,学习开机信号。
ENGLISHBefore operating the unit, read these operatinginstructions thoroughly and keep them for futurereference.F568726© Panasonic Appliances Air-Conditioning Malaysia Sdn. Bhd. 2012. Unauthorized copying and distribution is a violation of law.Operating InstructionsAir Conditioner Model No.Indoor Unit Outdoor UnitCS-E18NKUA CU-E18NKUACS-E24NKUA CU-E24NKUAThank you for purchasingPanasonic Air ConditionerNOTEThe illustrations in this manual are for explanation purposes only and may differ from the actual unit. They are subjected to change without notice for future improvement.SAFETY PRECAUTIONSTo prevent personal injury, injury to others, or property damage, please comply with the following.Incorrect operation due to failure to follow instructions below may cause harm or damage, the seriousness of which is classifi ed as below:WARNINGThis sign warns of death orserious injury.CAUTIONThis sign warns of injury ordamage to property.The instructions to be followed are classifi ed by the following symbols:This symbol denotes an actionthat is PROHIBITED.These symbols denote anactions that is COMPULSORY.WARNINGINDOOR UNIT AND OUTDOOR UNITThis appliance is not intended for use by persons (includingchildren) with reduced physical, sensory or mental capabilities, orlack of experience and knowledge, unless they have been givensupervision or instruction concerning use of the appliance by aperson responsible for their safety. Children should be supervisedto ensure that they do not play with the appliance.Please consult authorized dealer or specialist to clean the internalparts, repair, install, remove and reinstall the unit. Improperinstallation and handling will cause leakage, electric shock or fi re.Confi rm to authorized dealer or specialist on usage of specifi edrefrigerant type. Using of refrigerant other than the specifi ed typemay cause product damage, burst and injury etc.Do not install the unit in a potentially explosive or fl ammableatmosphere. Failure to do so could result in fi re.Do not insert your fi ngers or other objects into the airconditioner indoor or outdoor unit, rotating parts maycause injury.Do not touch the outdoor unit during lightning, it may cause electricshock.Do not expose yourself directly to cold air for a long period to avoidexcess cooling.Do not sit or step on the unit, you may fall downaccidentally.Air InletAir OutletAir OutletAir InletOutdoorUnitPowerSupplyRemoteControlOPERATION CONDITION Use this air conditioner under the followingtemperature rangeTemperature (°F)Indoor*DBT*WBTCOOLING Max.89.673.4 Min.60.851.8HEATING Max.86.0-Min.60.8-Temperature (°F)Outdoor *DBT*WBTCOOLING Max.109.478.8 Min.0.0-HEATING Max.75.264.4 Min. 5.0 3.2* DBT: Dry bulb temperature * WBT: Wet bulb temperature POWER SUPPLYModels Number Time DelayCircuit Breaker Rated VoltsCS/CU-E18NKUA20 Amps208/230V CS/CU-E24NKUA25 Amps Indoor UnitTABLE OF CONTENTSSAFETY PRECAUTIONS2~3 REMOTE CONTROL4~5 INDOOR UNIT6 TROUBLESHOOTING7 INFORMATION8 QUICK GUIDEBACK COVER23CAUTIONINDOOR UNIT AND OUTDOOR UNITDo not wash the indoor unit with water, benzene, thinner or scouring powder to avoid damage or corrosion at the unit.Do not use for preservation of precise equipment, food, animals, plants, artwork or other objects. This may cause quality deterioration, etc.Do not use any combustible equipment in front of the air fl ow outlet to avoid fi re propagation.Do not expose plants or pet directly to air fl ow to avoid injury, etc.Do not touch the sharp aluminium fi n, sharp parts may cause injury.Do not switch ON the indoor unit when waxing the fl oor. After waxing, aerate the room properly before operating the unit.Do not install the unit in oily and smoky areas to prevent damage to the unit.Do not dismantle the unit for cleaning purpose to avoid injury.Do not step onto an unstable bench when cleaning the unit to avoid injury.Do not place a vase or water container on the unit. Water may enter the unit and degrade the insulation. This may cause an electric shock.Do not open window or door for long time during COOL/DRY mode operation.Ensure drainage pipe is connected properly and keep drainage outlet clear of gutters, containers or does not immersed in water to prevent water leakage.After a long period of use or use with anycombustible equipment, aerate the room regularly.After a long period of use, make sure theinstallation rack does not deteriorate to prevent the unit from falling down.REMOTE CONTROLDo not use rechargeable (Ni-Cd) batteries.It may damage the remote control.To prevent malfunction or damage of the remote control:• Remove the batteries if the unit is not going to be used for a long period of time.• New batteries of the same type must be inserted following the polarity stated.WARNINGREMOTE CONTROLDo not allow infants and small children to play with the remote control to prevent them from accidentally swallowing the batteries.POWER SUPPLYDo not use a modi fi ed cord, joint cord, extension cord or unspeci fi ed cord to prevent overheating and fi re.To prevent overheating, fi re or electric shock:• Do not share the same power outlet with other equipment.• Do not operate with wet hands.• Do not over bend the power supply cord.If the supply cord is damage, it must be replaced by the manufacturer, its service agent or similarly quali fi ed persons in order to avoid a hazard.It is strongly recommended to install this unit using an Earth Leakage Circuit Breaker (ELCB) or Ground Fault Interrupt (GFCI) or ApplianceLeakage Current Interrupt (ALCI) to prevent electric shock or fi re.Stop using the product if any abnormality/failure occurs or turn off the power switch and breaker.(Risk of smoke/fi re/electric shock)Examples of abnormality/failure• The ELCB or GFCI or ALCI trip frequently. • Burning smell is observed.• Abnormal noise or vibration of the unit is observed.• Water leaks from the indoor unit. • Power cord becomes abnormally hot.• Fan speed cannot be controlled.• The unit stops running immediately even if it is switched on for operation.• The fan does not stop even if the operation is stopped.Contact your local dealer immediately for maintenance or repair assistance.This equipment must be earthed to prevent electrical shock or fi re.Prevent electric shock by switching off the power:- Before cleaning or servicing.- Extended non-use.- Abnormally strong lightning activity.4A U T O H E A T C O O L D R YF A N S PE E DM O D EQ U IE T T E M PO F F /ONP O W E RF U L T IM E R S E TC A N CE LO NO F F123A IR S W INGF A N S P E E D A IR S W IN GREMOTE CONTROLMaximum distance: 26ftINDICATOR POWER (Green) TIMER (Orange) QUIET (Orange)POWERFUL (Orange)342RemoteControl display6157Press the remote control’s button 1TO TURN ON OR OFF THE UNIT• Please be aware of the OFF indication on the remote control display to prevent the unit from starting/stopping improperly.2TO SET TEMPERATURE• Selection range : 60°F ~ 86°F.• Operating the unit within the recommended temperature could induce energy saving.HEAT mode : 68°F ~ 75°F.COOL mode : 78°F ~ 82°F.DRY mode : 2°F ~ 4°F lower than room temperature.3TO SELECT OPERATION MODEAUTO mode - For your convenience• During operation mode selection the power indicator blinks.• Unit selects operation mode every 10 minutes according to temperature setting and room temperature.HEAT mode - To enjoy warm air• Unit takes a while to warm up. The power indicator blinks during this operation.COOL mode - To enjoy cool air• Use curtains to screen off sunlight and outdoor heat to reduce power consumption during cool mode.DRY mode - To dehumidify the environment• Unit operates at low fan speed to give a gentle cooling operation.4TO SELECT FAN SPEED (5 OPTIONS)FAN SPEED• For AUTO, the indoor fan speed is automatically adjusted according to the operation mode.5TO ADJUST AIRFLOW DIRECTION (5 OPTIONS)AIR SWING• Keeps the room ventilated.• In COOL/DRY mode, if AUTO is set, the louver swing left/right and up/down automatically.• In HEAT mode, if AUTO is set, the horizontal louver fi x at predetermined position. The vertical louver swing left/right after the temperature rises.6TO ENJOY QUIET OPERATION• This operation reduces air fl ow noise.891210115TO SET THE TIMER• To turn ON or OFF the unit at a preset time.ON OFF12SETSelect ON or OFF timerSet the timeCon fi rm • To cancel ON or OFF timer, press ONorOFFthenpress CANCEL .• When ON Timer is set, the unit may start earlier (up to 35 minutes) before the actual set time in order to achieve the desired temperature on time.• Timer operation is based on the clock set in the remote control and repeats daily once set. For clock setting, please refer to Remote Control Preparation on the back cover.• If timer is cancelled manually or due to power failure, you can restore the previous setting (once power isresumed) by pressing SET.7TO REACH TEMPERATURE QUICKLY• This operation stops automatically after 20 minutes.8Press and hold for 5 seconds to dim or restore the unit’s indicator brightness.9Press and hold for approximately 10 seconds to show temperature setting in °C or °F.10Press and hold for approximately 5 seconds to show 12-hour (am/pm) or 24-hour time indication.11Press to restore the remote control’s default setting.12Not used in normal operations.NOTESQUIET,POWERFUL• Can be activated in all modes and can be cancelled by pressing the respective button again.QUIET,POWERFUL• Cannot be selected at the same time.6CAUTION• Switch off the power at the circuit breaker before cleaning.• Do not touch the aluminium fi n, sharp parts may cause injury.CLEANING INSTRUCTIONSHINT• Do not use benzene, thinner or scouring powder.• Use only soap ( pH7) or neutral household detergent.• Do not use water hotter than 104°F.• To ensure optimal performance of the unit, cleaning maintenance has to be carried out at regular intervals. Dirty unit may cause malfunction and you may see error code “H99”. Please consult authorized dealer.INDOOR UNIT2567143981INDOOR UNIT• Wipe the unit gently with a soft, dry cloth.2FRONT PANELRemove Front Panel• Raise and pull to remove the front panel.• Wash gently and dry.Close Front Panel• Press down both ends of the front panel to close it securely.3REMOTE CONTROL RECEIVER 4ALUMINIUM FIN5HORIZONTAL AIRFLOW DIRECTION LOUVER• Do not adjust by hand.6VERTICAL AIRFLOW DIRECTION LOUVER• Do not adjust by hand.7AUTO OFF/ON BUTTON• Use when remote control is misplaced or a malfunction occurs.Step Action Mode 1Press once.Automatic 2Press and hold until you hear one beep, then release.Force cooling 3Repeat step 2. Press and hold until you hear two beeps, thenrelease.Normal cooling 4Repeat step 3. Press and hold until you hear three beeps, thenrelease.Force heatingPress the button to turn off.8AIR PURIFYING FILTERVacuum the air purifying fi lter.• It is recommended to clean the fi lter every 6 months.• Replace the fi lter every 3 years or replace any damaged fi lter.Part no.: CZ-SA20P 9AIR FILTERS• Air fi lter cleaning is required every two weeks.• Wash/rinse the fi lters gently with water to avoid damage to the fi lter surface.• Dry the fi lters thoroughly under shade, away from fi re or direct sunlight.• Replace any damaged fi lters.7The unit stops and the TIMER indicator e remote control to retrieve error code.TIMER SET CANCELON OFF 1231Press for 5seconds.3Press for 5 seconds to quit checking.2Press until you hear beep sound, then write down the error code.Note:• For certain errors, you may restart the unit for limited operation with 4 beeps when operation starts.4Turn the unit off and reveal the error code to authorized dealer.TROUBLESHOOTINGThe following symptoms do not indicate malfunction.SYMPTOMCAUSEMist emerges from indoor unit.►• Condensation effect due to cooling process.Water fl owing sound during operation.►• Refrigerant fl ow inside the unit.The room has a peculiar odor.►• This may be due to damp smell emitted by the wall,carpet, furniture or clothing.Indoor fan stops occasionally during automatic fan speed setting.►• This helps to remove the surrounding odours.Air fl ow continues even after operation has stopped.►• Extraction of remaining heat from the indoor unit(maximum 30 seconds).Operation is delayed a few minutes after restarting.►• The delay is a protection to the unit’s compressor.Outdoor unit emits water/steam.►• Condensation or evaporation occurs on pipes.TIMER indicator is always on.►• The timer setting repeats daily once set.POWER indicator blinks during HEAT mode with no warm air supply (and louver is closed).►• The unit is in defrost mode (and AIR SWING is set toAUTO).Indoor fan stops occasionally during heating operation.►• To avoid unintended cooling effect.Power indicator blinks before the unit is switched on.►• This is a preliminary step in preparation for the operationwhen the ON timer has been set.Cracking sound during operation.►• Changes of temperature caused the expansion/contraction of the unit.Check the following before calling for servicing.SYMPTOMCHECKHeating/Cooling operation is not working ef fi ciently.►• Set the temperature correctly.• Close all doors and windows.• Clean or replace the fi lters.• Clear any obstruction at the air inlet and air outlet vents.Noisy during operation.►• Check if the unit has been installed at an incline.• Close the front panel properly.Remote control does not work.(Display is dim or transmission signal is weak.)►• Insert the batteries correctly.• Replace weak batteries.The unit does not work.►• Check if the circuit breaker is tripped.• Check if timers have been set.The unit does not receive the signal from the remote control.►• Make sure the receiver is not obstructed.• Certain fl uorescent lights may interfere with signal transmitter. Please consult authorized dealer.8INFORMATIONFOR SEASONAL INSPECTION AFTER EXTENDED NON-USE • Check remote control batteries.• No obstruction at air inlet and air outlet vents.• Use Auto OFF/ON button to select Cooling/Heating operation. After 15 minutes of operation, it is normal to have the following temperature difference between air inlet and air outlet vents: Cooling: ≥ 14.4°F Heating: ≥ 25.2°F FOR EXTENDED NON-USE• Activate Heat mode for 2~3 hours as an alternative to remove moisture left in the internal parts thoroughly to prevent mould growth.• Switch off power at the circuit breaker.• Remove the remote control batteries.NON SERVICEABLE CRITERIASSWITCH OFF POWER AT THE CIRCUIT BREAKER then please consult an authorized dealer under the following conditions:• Abnormal noise during operation.• Water/foreign particles have entered the remote control.• Water leaks from Indoor unit.• Circuit breaker switches off frequently.• Switches or buttons are not functioning properly.Information for Users on Collection and Disposal of Old Equipment and used Batteries[Information on Disposal in other Countries outside the European Union]These symbols are only valid in the European Union. If you wish to discard these items, please contact your local authorities or dealer and ask for the correct method of disposal.Note for the battery symbol (bottom two symbol examples): This symbol might be used incombination with a chemical symbol. In this case it complies with therequirement set by the Directive for the chemical involved.PbContact your local hazardous waste disposal hotline.Federal Communications Commission Interference StatementThis device complies with part 15 of the FCC Rules. Operation is subject to the following two conditions: (1) This devicemay not cause harmful interference, and (2) this device must accept any interference received, including interference that may cause undesired operation.This equipment has been tested and found to comply with the limits for a Class B digital device, pursuant to part 15 of the FCC Rules. These limits are designed to provide reasonable protection against harmful interference in a residential installation. This equipment generates, uses and can radiate radio frequency energy and, if not installed and used inaccordance with the instructions, may cause harmful interference to radio communications. However, there is no guarantee that interference will not occur in a particular installation. If this equipment does cause harmful interference to radio or television reception, which can be determined by turning the equipment off and on, the user is encouraged to try to correct the interference by one or more of the following measures:• Reorient or relocate the receiving antenna.• Increase the separation between the equipment and the receiver.• Connect the equipment to an outlet on a circuit different from that to which the receiver is connected.• Consult the dealer or an experienced radio/TV technician for help.FCC Caution: To assure continued compliance, follow the attached installation instructions. Any changes or modi fi cations not expressly approved by the party responsible for compliance could void the user’s authority to operate this equipment.Industry Canada NoticeThis Class B digital apparatus complies with Canadian ICES-003.Models NumberCS-E18NKUA / CU-E18NKUA only.The above listed models have been designed and manufactured to meet ENERGY STAR ® criteria for energy ef fi ciency when matched with appropriate coil components. However, proper refrigerant charge and proper air fl ow are critical to achieve rated capacity and ef fi ciency. Installation of this product should follow the manufacturer’s refrigerant charging and air fl ow instructions. Failure to con fi rm proper charge and air fl ow may reduce energy ef fi ciency and shorten equipment life.MEMOQUICK GUIDEAUTOHEATCOOLDRYFAN SPEEDMODEQUIETTEMPOFF/ONPOWERFULTIMERSETCANCELONOFF123AIR SWINGFANSPEEDAIRSWING213Remote Control Preparation123TIMERSETCANCELONOFF1234561Pull out2Insert AAA or R03 batteries (can be used ~ 1 year)3Close the cover4Press CLOCK5Set time6Confi rmMODEAUTO HEATDRY COOLSelect the desired mode.1OFF/ONStart/stop the operation.2TEMPSelect the desired temperature.3Printed in MalaysiaPanasonic CorporationWebsite: /For inquiries, please call 1-800-851-1235F568726ST0212-0。
近来天气比较炎热,不少消费者纷纷抢购松下的怡睿空调,很多人都认为松下这个系列的空调很人性化、智能化,究竟松下LE怡睿空调有哪些性能方面的优势呢?据松下官方介绍,2014怡睿这款产品,最大的功能卖点莫过于强速冷、强速暖、ECONA VI节能导航,实现的原理相当复杂,但使用起来只需一个按键即可。
这需要我们在使用中加以了解,作为掌控空调性能的遥控器,担当了十分重要的角色,现在我们就来普及一下松下怡睿空调LE型号遥控器的使用细则。
1、遥控器的使用方法●将遥控器对准室内机的信号接收器位置。
●遥控器信号正面工作距离约8米●当电池的电能消耗后,有效工作距离会缩短。
●不要在遥控器与室内机接收器之间放置障碍物,以免影响信号的接收。
2、松下怡睿空调LE系列新款遥控器的按键说明。
3、运转模式选择连续按【功能选择】键,选择所需要的运转模式,显示屏上光标指向的运转模式显示顺序为【自动】-【制暖】-【制冷】-【制冷】-【柔湿】-【抽湿】,用户可根据自身需要选择。
4、基本操作模式解析●自动运转:是指空调器根据室内温度、室外温度和设定温度,自动选择运转模式:制冷、抽湿或制暖。
需要注意的是,在运转过程中,空调器会定期进行温度取样,可能会出现运转模式重新判定的情况。
●制暖运转:因为空调器是通过将室外热量送到室内并循环以使整个房间变暖,因此整个房间变暖是需要一定的时间的。
●制冷运转:需要注意的是——开始运转时,为防止异味吹出,室内机可能会延迟送风;在打开窗户、温度比较高或连续运转一段时间后,出风口可能会出现因为结露而滴水的现象;不要让导风板长时间向下,以防导风板结露、滴水。
●制冷-柔湿运转:在柔湿模式下,空调在实现制冷效果的同时也能保持一定的湿度。
●抽湿模式:抽湿是以降低房间湿度为目的的轻度制冷运转,抽湿运转时,室内机以弱风量运转。
建议在湿度较大温度不高时使用抽湿运转功能。
5、强速冷、强速暖模式设定强速冷暖是松下空调的一大特色,这一性能可以让用户体验更为舒适,这一性能在松下怡睿LE型号的空调遥控器中有直接的体现,只需在遥控器上加以操作,就能轻松实现强速冷暖。
Q-1000空调万能遥控简要说明书
〒Q-1000功能特点
兼容国内其它空调多功能版本
共计有空调遥控码值1000多组
最新的品牌搜索,使搜索代码更快更方便
〒Q-1000操作说明
1:型号设置步骤:
1) 手动搜索功能:先长按【设置】键2秒,型号显示开始闪烁,此时按下【选择+】键一次可加1改变型号,同时发射遥控信号。
按下【选择-】键一次可减1改变型号,同时发射遥控信号。
同时观察空调机是否有反应,如果空调机被自动开启,停止操作,按下【确认】键,设置完毕。
如果已从型号对照表查处有对应的型号,则可快速搜索到该型号。
先长按【设置】键2秒,型号显示开始闪烁,此时长按【选择+】键3秒可快速增加型号数字,直到找到需要的信号,停止按键。
此时发射遥控信号,可控制空调机。
长按【选择-】键亦有此功能。
按下【确认】键,退出改变型号状态。
检查遥控器各个按键是否功能正常,若不正常重复此步骤,直到找到最合适的代码。
2)全自动搜索模式:
1.先长按【设置】键2秒,型号显示开始闪烁,按住【开/关】,每两秒型号增加1,并自动发开机码,松开键不再发射。
按【设置】键或【确认】键退出。
2.长按【开/关】键6秒后,进入每两秒型号增加1的自动发开机码状态。
发完所有的开机码后停止,或按【开/关】键,【设置】键,【确认】键退出。
检查遥控器各个按键是否功能正常,若不正常重复此步骤,直到找到最合适的代码。
3.3.复位保持功能
此遥控器复位后仍保持原来设置的型号。
松下d27fp3 说明书一、d27fp3使用说明1.如果d27fp3遥控器x个月以上不用时请取出电池。
请用两节新x 号干电池。
请不要把新旧电池以及种类不同的电池混用。
2.当d27fp3遥控器的液晶显示器不清晰或者遥控器不能有效控制空调器时,请更换电池。
3.进行遥控操作时,请将d27fp3遥控器对准空调器室内机。
当室内机连续x分钟以上接收不到遥控器温度信号时,空调器将自动切换为室内机的传感器来检测室温。
此时,遥控器检测的温度可能与室内机检测的温度略有不同。
4.请勿将遥控器放置在冷、热源周围,否则会影响空调器使用效果。
二、d27fp3注意事项1.严禁擅自安装空调,可能会导致电击、火灾、爆炸、漏水事故的发生。
2.室外机上严禁站人或放置物品。
3.严禁在放置或使用挥发性、腐蚀性、可燃性化学制品的环境中使用空调。
4.严禁将手或棒状物放入空调器内,高速旋转的风扇会造成人身伤害。
5.严禁向机器内淋水或用水冲洗空调,否则会造成故障或发生触电危险。
6.严禁将本空调器用于冷藏食品、动植物、医疗用品、艺术品的特殊保养;7.严禁将本空调器安装在船舶、车辆等特殊场所。
8.禁止将空调器安装在有持续燃烧的明火(如点燃的燃气器具)和点火源(如工作中的电加热器)的房间内。
9.严禁擅自拆解、改装、修理或清洁空调器内部元器件,否则会导致触电、爆炸或火灾事故的发生。
10.空调器运行过程中发生异常现象时,如烧焦味、外观变形等,严禁继续使用空调器,必须拨打我公司服务热线进行处理。
否则,在发生异常后继续运转会导致故障、触电、爆炸或火灾等事故的发生。
11.严禁靠近油漆、杀虫剂、啫喱水等可燃性物质,严禁这些物质喷涂在空调器表面,否则会导致故障、触电、爆炸或火灾等事故的发生。
12.严禁空调器压缩机压缩空气运行。
当空调系统中混入空气时严禁长时间运行。
否则会导致故障、爆炸或者火灾等事故的发生。
13.请勿刺破或点燃空调器。
14.禁止私自挪动配管或内机位置。
松下空调遥控器中文说明书
P?a?n?a?s?o?n?i?c???松?下?空?
调?C?S?-?P?C?1?2?M?K?F?/?C?S?-?P?C?1?8?M?K?F?/?C?S?-?P?C?2?4?M?K?F?通?用? 显示屏区域:
AIRCONDITIONER:空调遥控器。
AUTO:自动模式,空调会检测环境温湿度,自动调节适宜的运作模式。
COOL:制冷。
DRY:除湿。
FANSPEED:风速调节。
AIRSWING:风向选择。
功能区域:
ECONAVI:节能导航功能,空调会自动感应室内人体活动量、活动方位,智能调节风向、风量、温度和角度。
OFF/ON:开关,运行/停止。
AUTOCOMFORT:舒适性(空气)自动调节。
MODE:模式,功能选择。
TEMP:温度设置,上升/下降。
FANSPEED:风速。
AIRSWING:风向调节。
定时区域:
TIMER:定时。
ON:定时开机。
OFF:定时关机。
▲:增加10分钟。
▼:减少10分钟。
SET:(开关机)双定时功能。
CANCEL:取消。
调试区域:
SET:设置。
CLOCK:时间设置。
RESET:遥控复位。