浙建监全套表格
- 格式:doc
- 大小:1.10 MB
- 文档页数:145
《建设工程监理规范》(GB50319—2013)中25个监理工作用表基本表式填写目录1、A类表(工程监理单位用表)(1)表A.0.1 《总监理工程师任命书》(2)表A.0.2 《工程开工令》(3)表A。
0。
3 《监理通知》(4)表A。
0。
4 《监理报告》(5)表A。
0。
5 《工程暂停令》(6)表A。
0。
6 《旁站记录》(7)表A.0.7 《工程复工令》(8)表A。
0。
8 《工程款支付证书》2、B类表(施工单位报审/验用表)(9)表B。
0.1 《施工组织设计/(专项)施工方案报审表》(10)表B.0.2 《开工报审表》(11)表B.0。
3 《复工报审表》(12)表B。
0。
4《分包单位资格报审表》(13)表B.0。
5 《施工控制测量成果报验表》(14)表B。
0。
6《工程材料/构配件/设备报审表》(15)表B.0.7 《报审/验表》(16)表B。
0。
8 《分部工程报验表》(17)表B。
0。
9 《监理通知回复单》(18)表B.0。
10 《单位工程竣工验收报审表》(19)表B.0。
11 《工程款支付报审表》(20)表B.0.12 《施工进度计划报审表》(21)表B.0.13 《费用索赔报审表》(22)表B。
0。
14 《工程临时/最终延期报审表》3、C类表(通用表)(23)表C.0.1 《工作联系单》(24)表C。
0。
2 《工程变更单》(25)表C.0.3 《索赔意向通知书》表A。
0。
1 《总监理工程师任命书》工程名称: 编号:注:本表一式三份,项目监理机构、建设单位、施工单位各一份.表A.0.2 《工程开工令》工程名称:编号:注:本表一式三份,项目监理机构、建设单位、施工单位各一份。
表A。
0.5 《工程暂停令》表A。
0.6 《旁站记录》工程名称: 编号:注:本表一式一份,项目监理机构留存.表A。
0。
7 《工程复工令》工程名称:编号:注:本表一式三份,项目监理机构、建设单位、施工单位各一份.表A。
0.8 《工程款支付证书》工程名称:编号:填表说明:本表一式三份,项目监理机构、建设单位、施工单位各一份.表B.0.1施工组织设计或(专项)施工方案报审表表B.0.2工程开工报审表工程名称:宁钢热轧升级改造EPC项目工业电视改造工程编号:2013。
《建设工程监理规范》(GB50319-2013)中25个监理工作用表基本表式填写目录1、A类表(工程监理单位用表)(1)表A.0.1 《总监理工程师任命书》(2)表A.0.2 《工程开工令》(3)表A.0.3 《监理通知》(4)表A.0.4 《监理报告》(5)表A.0.5 《工程暂停令》(6)表A.0.6 《旁站记录》(7)表A.0.7 《工程复工令》(8)表A.0.8 《工程款支付证书》2、B类表(施工单位报审/验用表)(9)表B.0.1 《施工组织设计/(专项)施工方案报审表》(10)表B.0.2 《开工报审表》(11)表B.0.3 《复工报审表》(12)表B.0.4《分包单位资格报审表》(13)表B.0.5 《施工控制测量成果报验表》(14)表B.0.6《工程材料/构配件/设备报审表》(15)表B.0.7 《报审/验表》(16)表B.0.8 《分部工程报验表》(17)表B.0.9 《监理通知回复单》(18)表B.0.10 《单位工程竣工验收报审表》(19)表B.0.11 《工程款支付报审表》(20)表B.0.12 《施工进度计划报审表》(21)表B.0.13 《费用索赔报审表》(22)表B.0.14 《工程临时/最终延期报审表》3、C类表(通用表)(23)表C.0.1 《工作联系单》(24)表C.0.2 《工程变更单》(25)表C.0.3 《索赔意向通知书》表A.0.1 《总监理工程师任命书》工程名称:编号:注:本表一式三份,项目监理机构、建设单位、施工单位各一份。
表A.0.2 《工程开工令》工程名称:编号:注:本表一式三份,项目监理机构、建设单位、施工单位各一份。
表A.0.3 《监理通知单》工程名称:编号:注:本表一式三份,项目监理机构、建设单位、施工单位各一份。
表A.0.4 《监理报告》工程名称:编号:注:本表一式四份,主管部门、建设单位、工程监理单位、项目监理机构各一份。
表A.0.5 《工程暂停令》工程名称:编号:注:本表一式三份,项目监理机构、建设单位、施工单位各一份。
《建设工程监理规范》(GB50319-2013)中25个监理工作用表基本表式填写目录1、A类表(工程监理单位用表)(1)表A.0.1 《总监理工程师任命书》(2)表A.0.2 《工程开工令》(3)表A.0.3 《监理通知》(4)表A.0.4 《监理报告》(5)表A.0.5 《工程暂停令》(6)表A.0.6 《旁站记录》(7)表A.0.7 《工程复工令》(8)表A.0.8 《工程款支付证书》2、B类表(施工单位报审/验用表)(9)表B.0.1 《施工组织设计/(专项)施工方案报审表》(10)表B.0.2 《开工报审表》(11)表B.0.3 《复工报审表》(12)表B.0.4《分包单位资格报审表》(13)表B.0.5 《施工控制测量成果报验表》(14)表B.0.6《工程材料/构配件/设备报审表》(15)表B.0.7 《报审/验表》(16)表B.0.8 《分部工程报验表》(17)表B.0.9 《监理通知回复单》(18)表B.0.10 《单位工程竣工验收报审表》(19)表B.0.11 《工程款支付报审表》(20)表B.0.12 《施工进度计划报审表》(21)表B.0.13 《费用索赔报审表》(22)表B.0.14 《工程临时/最终延期报审表》3、C类表(通用表)(23)表C.0.1 《工作联系单》(24)表C.0.2 《工程变更单》(25)表C.0.3 《索赔意向通知书》表A.0.1 《总监理工程师任命书》工程名称:编号:致:(建设单位)兹任命(注册监理工程师注册号:)为我单位出任项目总监理工程师,负责履行建设工程监理合同,主持项目监理机构工作。
工程监理单位(盖章)法定代表人(签字):年月日注:本表一式三份,项目监理机构、建设单位、施工单位各一份。
表A.0.2 《工程开工令》工程名称:编号:致:(施工单位)经审查,本工程已具备施工合同约定的开工条件,现同意你方开始施工,开工日期为:年月日。
附件:开工报审表项目监理机构(盖章)总监理工程师(签字、加盖执业印章):年月日注:本表一式三份,项目监理机构、建设单位、施工单位各一份。
《建设工程监理规范》(GB50319-2013) 中25个监理工作用表基本表式填写目录1、A类表(工程监理单位用表)(1)表A。
0.1 《总监理工程师任命书》(2)表A。
0。
2 《工程开工令》(3)表A.0。
3 《监理通知》(4)表A。
0.4 《监理报告》(5)表A。
0.5 《工程暂停令》(6)表A。
0。
6 《旁站记录》(7)表A。
0。
7 《工程复工令》(8)表A。
0。
8 《工程款支付证书》2、B类表(施工单位报审/验用表)(9)表B.0。
1 《施工组织设计/(专项)施工方案报审表》(10)表B。
0.2 《开工报审表》(11)表B。
0。
3 《复工报审表》(12)表B.0.4《分包单位资格报审表》(13)表B。
0。
5 《施工控制测量成果报验表》(14)表B。
0。
6《工程材料/构配件/设备报审表》(15)表B.0.7 《报审/验表》(16)表B。
0.8 《分部工程报验表》(17)表B。
0。
9 《监理通知回复单》(18)表B.0。
10 《单位工程竣工验收报审表》(19)表B。
0。
11 《工程款支付报审表》(20)表B.0。
12 《施工进度计划报审表》(21)表B.0。
13 《费用索赔报审表》(22)表B.0.14 《工程临时/最终延期报审表》3、C类表(通用表)(23)表C。
0.1 《工作联系单》(24)表C。
0。
2 《工程变更单》(25)表C。
0.3 《索赔意向通知书》表A.0.1 《总监理工程师任命书》工程名称: 编号:注:本表一式三份,项目监理机构、建设单位、施工单位各一份。
表A。
0。
2 《工程开工令》工程名称:编号:注:本表一式三份,项目监理机构、建设单位、施工单位各一份。
表A。
0.5 《工程暂停令》表A.0.6 《旁站记录》工程名称:编号:注:本表一式一份,项目监理机构留存。
表A。
0.7 《工程复工令》工程名称:编号:注:本表一式三份,项目监理机构、建设单位、施工单位各一份。
表A。
0。
8 《工程款支付证书》填表说明:本表一式三份,项目监理机构、建设单位、施工单位各一份。
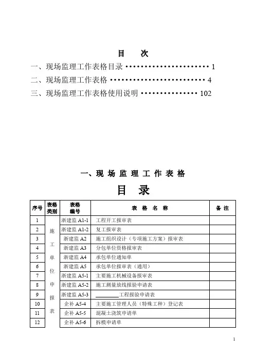
目次一、现场监理工作表格目录 (1)二、现场监理工作表格 (4)三、现场监理工作表格使用说明 (102)一、现场监理工作表格目录注:1、本《现场监理工作表格》合订本(2006年3月版),是公司依据国家标准《建设工程监理规范》(GB50319-2000)、浙江省建设工程(施工阶段)监理工作基本表式,综合在监理实践中积累的经验修订而成。
自2006年4月1日起在公司各新开工监理项目中统一使用。
各项目监理部在使用中,发现问题或有合理化建议,请书面向公司总师办提出,以便修改本标准。
2、本套《现场监理工作表格》及与其配套使用的《现场监理工作表格使用说明》为公司企业标准的组成部分,仅供内部使用,望领用人妥善保管,请勿外传。
二、现场监理工作表格工程开工报审表工程名称:文化中心工程编号:A1-1注:本表一式三份,经项目监理机构审核后,建设单位、监理单位、承包单位各存一份。
*《施工现场质量管理检查记录》指的是《建筑工程施工质量验收统一标准》(GB50300-2001)复工报审表工程名称:编号:A1-2施工组织设计(专项施工方案)报审表工程名称:浙江恒盛建设有限公司编号:A2分包单位资格报审表工程名称:编号:A3承包单位通知单工程名称:编号:A4承包单位报审表(通用)工程名称:杭州市下沙文化中心工程编号:A5。
主要施工机械设备报审表工程名称:浙江恒盛建设有限公司编号:A5-1注:本表一式三份,经项目监理机构审核后,建设单位、监理单位、承包单位各存一份。
施工测量放线报验申请表工程名称:编号:A5-2注:本表一式三份,经项目监理机构审核后,建设单位、监理单位、承包单位各存一份。
地基验槽工程报验申请表工程名称:编号:A5-3注:本表一式三份,经项目监理机构审核后,建设单位、监理单位、承包单位各一份。
企业补充用表A5-4主要施工管理人员(特殊工种)登记表(承包单位申报表)工程名称:编号:A5-4注:本表由承包单位填报,一式三份,监理、施工、建设单位各存在份。
《建设工程监理规范》(GB50319-2013)中25个监理工作用表基本表式填写目录1、A类表(工程监理单位用表)(1)表A.0.1 《总监理工程师任命书》(2)表A.0.2《工程开工令》(3)表A.0.3 《监理通知》(4)表A.0.4《监理报告》(5)表A.0.5 《工程暂停令》(6)表A.0.6 《旁站记录》(7)表A.0.7《工程复工令》(8)表A.0.8《工程款支付证书》2、B类表(施工单位报审/验用表)(9)表B.0.1 《施工组织设计/(专项)施工方案报审表》(10)表B.0.2 《开工报审表》(11)表B.0.3 《复工报审表》(12)表B.0.4《分包单位资格报审表》(13)表B.0.5 《施工控制测量成果报验表》(14)表B.0.6《工程材料/构配件/设备报审表》(15)表B.0.7《报审/验表》(16)表B.0.8 《分部工程报验表》(17)表B.0.9 《监理通知回复单》(18)表B.0.10 《单位工程竣工验收报审表》(19)表B.0.11 《工程款支付报审表》(20)表B.0.12《施工进度计划报审表》(21)表B.0.13 《费用索赔报审表》(22)表B.0.14 《工程临时/最终延期报审表》3、C类表(通用表)(23)表C.0.1 《工作联系单》(24)表C.0.2 《工程变更单》(25)表C.0.3 《索赔意向通知书》表A.0.1 《总监理工程师任命书》工程名称: 编号:注:本表一式三份,项目监理机构、建设单位、施工单位各一份。
表A.0.2 《工程开工令》工程名称: 编号:注:本表一式三份,项目监理机构、建设单位、施工单位各一份。
表A.0.3《监理通知单》工程名称: 编表A.0.4 《监理报告》工程名称:编号:表A.0.5 《工程暂停令》工程名称:编号:表A.0.6 《旁站记录》工程名称: 编号:注:本表一式一份,项目监理机构留存。
表A.0.7 《工程复工令》工程名称:编号:注:本表一式三份,项目监理机构、建设单位、施工单位各一份。
浙江省建设工程监理用表(ABC表格)附:建设工程监理基本表式A类表(工程监理单位用表)浙建监A1 工程开工令浙建监A2 工程暂停令浙建监A3 工程复工令浙建监A4 总监理工程师任命书浙建监A4-1 总监理工程师代表授权书浙建监A5 监理通知单浙建监A5-1 施工现场安全检查整改单浙建监A6 旁站记录浙建监A7 见证取样异常情况记录表浙建监A8 工程款支付证书浙建监A9 监理报告B类表(施工单位报审、报验表)浙建监B1 施工组织设计/(专项)施工方案报审表浙建监B1-1 超过一定规模的危险性较大的分部分项工程专项方案报审表浙建监B2 开工报审表浙建监B3 复工报审表浙建监B4 分包单位资格报审表浙建监B5 施工控制测量成果报验表浙建监B6 工程材料、设备、构配件报审表浙建监B6-1 主要施工机械设备报审表浙建监B7 报审、报验表浙建监B8 分部工程报验表浙建监B9 监理通知回复单浙建监B10 单位工程竣工验收报审表浙建监B11 工程款支付报审表浙建监B12 施工进度计划报审表浙建监B13 费用索赔报审表浙建监B14 工程临时/最终延期报审表C类表(通用表)浙建监C1 工作联系单浙建监C2 工程变更单浙建监C3 索赔意向通知书工程开工令工程名称:编号:工程暂停令工程名称:编号:注:本表一式三份,项目监理机构、建设单位、施工单位各一份。
工程复工令工程名称:编号:注:本表一式三份,项目监理机构、建设单位、施工单位各一份。
浙建监A4总监理工程师任命书工程名称:编号:浙建监A4-1总监理工程师代表授权书工程名称:编号:注:本表一式三份,项目监理机构、建设单位、施工单位各一份。
浙建监A5监理通知单工程名称:编号:浙建监A5-1施工现场安全检查整改单工程名称:编号:注:本表一式三份,项目监理机构、建设单位、施工单位各一份。
浙建监A6旁站记录工程名称:编号:注:本表一式一份,项目监理机构留存浙建监A7见证取样异常情况记录表工程名称:编号:浙建监A8工程款支付证书工程名称:编号:注:本表一式三份,项目监理机构、建设单位、施工单位各一份。
附:建设工程监理基本表式A类表(工程监理单位用表)浙建监A1 工程开工令浙建监A2 工程暂停令浙建监A3 工程复工令浙建监A4 总监理工程师任命书浙建监A4-1 总监理工程师代表授权书浙建监A5 监理通知单浙建监A5-1 施工现场安全检查整改单浙建监A6 旁站记录浙建监A7 见证取样异常情况记录表浙建监A8 工程款支付证书浙建监A9 监理报告B 类表(施工单位报审、报验表)浙建监B1 施工组织设计/ (专项)施工方案报审表浙建监B1-1 超过一定规模的危险性较大的分部分项工程专项方案报审表浙建监B2 开工报审表浙建监B3 复工报审表浙建监B4 分包单位资格报审表浙建监B5 施工控制测量成果报验表浙建监B6 工程材料、设备、构配件报审表浙建监B6-1 主要施工机械设备报审表浙建监B7 报审、报验表浙建监B8 分部工程报验表浙建监B9 监理通知回复单浙建监B10 单位工程竣工验收报审表浙建监B11 工程款支付报审表浙建监B12 施工进度计划报审表浙建监B13 费用索赔报审表浙建监B14 工程临时/ 最终延期报审表C类表(通用表)浙建监C1 工作联系单浙建监C2 工程变更单浙建监C3 索赔意向通知书浙建监A1工程开工令工程名称:编号:致 _____________________________ (施工单位):经审查,本工程已具备施工合同约定的开工条件,现同意你方开始施工,开工日期为:年月日。
附件:开工报审表项目监理机构(盖章)总监理工程师(签字、加盖执业印章)年月日浙建监A2工程暂停令工程名称:编号:致 _____________________________ (施工单位):由于原因,现通知你方于年月日时起,暂停_________________ 部位(工序)施工,并按下述要求做好后续工作。
要求:项目监理机构(盖章)总监理工程师(签字、加盖执业印章)年月日工程复工令工程名称:编号:致(施工单位):部位日时我方发出的编号为__ 《工程暂停令》,要求暂停(工序)施工,经查已具备复工条件。
建设工程监理规范G B50319-2013中25个监理工作用表基本表式填写目录1、A类表工程监理单位用表1表总监理工程师任命书2表工程开工令3表监理通知4表监理报告5表工程暂停令6表旁站记录7表工程复工令8表工程款支付证书2、B类表施工单位报审/验用表9表施工组织设计/专项施工方案报审表10表开工报审表11表复工报审表12表分包单位资格报审表13表施工控制测量成果报验表14表工程材料/构配件/设备报审表15表报审/验表16表分部工程报验表17表监理通知回复单18表单位工程竣工验收报审表19表工程款支付报审表20表施工进度计划报审表21表费用索赔报审表22表工程临时/最终延期报审表3、C类表通用表23表工作联系单24表工程变更单25表索赔意向通知书表总监理工程师任命书工程名称:编号:注:本表一式三份,项目监理机构、建设单位、施工单位各一份;表工程开工令工程名称:编号:注:本表一式三份,项目监理机构、建设单位、施工单位各一份;表监理通知单工程名称:编号:表监理报告工程名称:编号:表工程暂停令工程名称:编号:表旁站记录工程名称:编号:注:本表一式一份,项目监理机构留存;表工程复工令工程名称:编号:注:本表一式三份,项目监理机构、建设单位、施工单位各一份;表工程款支付证书填表说明:本表一式三份,项目监理机构、建设单位、施工单位各一份;表施工组织设计或专项施工方案报审表开工报审表工程名称:宁钢热轧升级改造EPC项目工业电视改造工程表复工报审表表分包单位资格报审表表施工控制测量成果报验表工程名称:编号:表工程材料、构配件或设备报审表表工程检验批报审、报验表表分部工程报验表表监理通知回复单单位工程竣工验收报审表工程款支付申请表本表一式四份,项目监理机构、建设单位各一份、施工单位二份;施工进度计划报审表工程名称:编号:工程名称:编号:。
《建设工程监理规范》(GB50319—2013)中25个监理工作用表基本表式填写目录1、A类表(工程监理单位用表)(1)表A。
0.1 《总监理工程师任命书》(2)表A。
0。
2 《工程开工令》(3)表A。
0。
3 《监理通知》(4)表A.0.4 《监理报告》(5)表A.0。
5 《工程暂停令》(6)表A。
0。
6 《旁站记录》(7)表A.0.7 《工程复工令》(8)表A。
0。
8 《工程款支付证书》2、B类表(施工单位报审/验用表)(9)表B。
0。
1 《施工组织设计/(专项)施工方案报审表》(10)表B。
0。
2 《开工报审表》(11)表B.0。
3 《复工报审表》(12)表B.0。
4《分包单位资格报审表》(13)表B.0。
5 《施工控制测量成果报验表》(14)表B.0.6《工程材料/构配件/设备报审表》(15)表B.0.7 《报审/验表》(16)表B.0.8 《分部工程报验表》(17)表B。
0。
9 《监理通知回复单》(18)表B.0。
10 《单位工程竣工验收报审表》(19)表B。
0.11 《工程款支付报审表》(20)表B。
0.12 《施工进度计划报审表》(21)表B.0。
13 《费用索赔报审表》(22)表B.0。
14 《工程临时/最终延期报审表》3、C类表(通用表)(23)表C.0。
1 《工作联系单》(24)表C。
0.2 《工程变更单》(25)表C。
0.3 《索赔意向通知书》表A。
0。
1 《总监理工程师任命书》工程名称:编号:注:本表一式三份,项目监理机构、建设单位、施工单位各一份.表A.0。
2 《工程开工令》工程名称:编号:注:本表一式三份,项目监理机构、建设单位、施工单位各一份。
表A。
0.6 《旁站记录》工程名称:编号:注:本表一式一份,项目监理机构留存。
表A.0.7 《工程复工令》工程名称:编号:注:本表一式三份,项目监理机构、建设单位、施工单位各一份。
表A。
0.8 《工程款支付证书》填表说明:本表一式三份,项目监理机构、建设单位、施工单位各一份。
《建设工程监理规范》(GB50319-2013) 中25个监理工作用表基本表式填写目录1、A类表(工程监理单位用表)(1)表A。
0.1 《总监理工程师任命书》(2)表A。
0.2 《工程开工令》(3)表A。
0。
3 《监理通知》(4)表A.0。
4 《监理报告》(5)表A.0.5 《工程暂停令》(6)表A。
0。
6 《旁站记录》(7)表A.0.7 《工程复工令》(8)表A。
0。
8 《工程款支付证书》2、B类表(施工单位报审/验用表)(9)表B。
0。
1 《施工组织设计/(专项)施工方案报审表》(10)表B。
0。
2 《开工报审表》(11)表B.0.3 《复工报审表》(12)表B.0。
4《分包单位资格报审表》(13)表B.0。
5 《施工控制测量成果报验表》(14)表B.0。
6《工程材料/构配件/设备报审表》(15)表B。
0.7 《报审/验表》(16)表B。
0.8 《分部工程报验表》(17)表B。
0.9 《监理通知回复单》(18)表B.0。
10 《单位工程竣工验收报审表》(19)表B。
0.11 《工程款支付报审表》(20)表B.0。
12 《施工进度计划报审表》(21)表B.0.13 《费用索赔报审表》(22)表B.0。
14 《工程临时/最终延期报审表》3、C类表(通用表)(23)表C.0。
1 《工作联系单》(24)表C。
0。
2 《工程变更单》(25)表C.0。
3 《索赔意向通知书》表A。
0。
1 《总监理工程师任命书》工程名称:编号:注:本表一式三份,项目监理机构、建设单位、施工单位各一份。
表A.0.2 《工程开工令》工程名称: 编号:注:本表一式三份,项目监理机构、建设单位、施工单位各一份。
表A。
0.3 《监理通知单》工程名称:编号:表A。
0。
4 《监理报告》工程名称:编号:表A。
0。
5 《工程暂停令》工程名称:编号:表A。
0。
6 《旁站记录》工程名称:编号:注:本表一式一份,项目监理机构留存。
表A。
0。
7 《工程复工令》工程名称: 编号:注:本表一式三份,项目监理机构、建设单位、施工单位各一份。
附:建设工程监理基本表式A 类表(工程监理单位用表)浙建监A1 工程开工令浙建监A2 工程暂停令浙建监A3 工程复工令浙建监A4 总监理工程师任命书浙建监A4-1 总监理工程师代表授权书浙建监A5 监理通知单浙建监A5-1 施工现场安全检查整改单浙建监A6 旁站记录浙建监A7 见证取样异常情况记录表浙建监A8 工程款支付证书浙建监A9 监理报告B 类表(施工单位报审、报验表)浙建监B1 施工组织设计/(专项)施工方案报审表浙建监B1-1 超过一定规模的危险性较大的分部分项工程专项方案报审表浙建监B2 开工报审表浙建监B3 复工报审表浙建监B4 分包单位资格报审表浙建监B5 施工控制测量成果报验表浙建监B6 工程材料、设备、构配件报审表浙建监B6-1 主要施工机械设备报审表浙建监B7 报审、报验表浙建监B8 分部工程报验表浙建监B9 监理通知回复单浙建监B10 单位工程竣工验收报审表浙建监B11 工程款支付报审表浙建监B12 施工进度计划报审表浙建监B13 费用索赔报审表浙建监B14 工程临时/最终延期报审表C 类表(通用表)浙建监C1 工作联系单浙建监C2 工程变更单浙建监C3 索赔意向通知书工程开工令工程名称:编号:致_____________________________ (施工单位):经审查,本工程已具备施工合同约定的开工条件,现同意你方开始施工,开工日期为:年月日。
附件:开工报审表项目监理机构(盖章)总监理工程师(签字、加盖执业印章)年月日注:本表一式三份,项目监理机构、建设单位、施工单位各一份。
工程暂停令工程名称:编号:致______________________________ (施工单位):由于原因,现通知你方于年月日时起,暂停_________________ 部位(工序)施工,并按下述要求做好后续工作。
要求:项目监理机构(盖章)总监理工程师(签字、加盖执业印章)年月日注:本表一式三份,项目监理机构、建设单位、施工单位各一份。
《建设工程监理规范》(GB50319—2013)中25个监理工作用表基本表式填写目录1、A类表(工程监理单位用表)(1)表A。
0。
1 《总监理工程师任命书》(2)表A.0.2 《工程开工令》(3)表A.0.3 《监理通知》(4)表A.0。
4 《监理报告》(5)表A。
0.5 《工程暂停令》(6)表A。
0。
6 《旁站记录》(7)表A。
0。
7 《工程复工令》(8)表A.0.8 《工程款支付证书》2、B类表(施工单位报审/验用表)(9)表B。
0。
1 《施工组织设计/(专项)施工方案报审表》(10)表B。
0。
2 《开工报审表》(11)表B。
0.3 《复工报审表》(12)表B。
0。
4《分包单位资格报审表》(13)表B。
0。
5 《施工控制测量成果报验表》(14)表B。
0。
6《工程材料/构配件/设备报审表》(15)表B.0。
7 《报审/验表》(16)表B.0。
8 《分部工程报验表》(17)表B。
0.9 《监理通知回复单》(18)表B.0.10 《单位工程竣工验收报审表》(19)表B。
0.11 《工程款支付报审表》(20)表B.0.12 《施工进度计划报审表》(21)表B.0。
13 《费用索赔报审表》(22)表B。
0.14 《工程临时/最终延期报审表》3、C类表(通用表)(23)表C.0.1 《工作联系单》(24)表C。
0.2 《工程变更单》(25)表C.0.3 《索赔意向通知书》表A.0。
1 《总监理工程师任命书》工程名称: 编号:注:本表一式三份,项目监理机构、建设单位、施工单位各一份。
表A。
0.2 《工程开工令》工程名称:编号:注:本表一式三份,项目监理机构、建设单位、施工单位各一份。
表A.0。
5 《工程暂停令》表A。
0.6 《旁站记录》工程名称:编号:注:本表一式一份,项目监理机构留存。
表A。
0.7 《工程复工令》工程名称:编号:注:本表一式三份,项目监理机构、建设单位、施工单位各一份.表A.0.8 《工程款支付证书》工程名称:编号:填表说明:本表一式三份,项目监理机构、建设单位、施工单位各一份。
《建设工程监理规范》(GB50319-2013)中25个监理工作用表基本表式填写目录1、A类表(工程监理单位用表)(1)表A.0.1《总监理工程师任命书》(2)表A.0.2《工程开工令》(3)表A.0.3《监理通知》(4)表A.0.4《监理报告》(5)表A.0.5《工程暂停令》(6)表A.0.6《旁站记录》(7)表A.0.7《工程复工令》(8)表A.0.8《工程款支付证书》2、B类表(施工单位报审/验用表)(9)表B.0.1《施工组织设计/(专项)施工方案报审表》(10)表B.0.2《开工报审表》(11)表B.0.3《复工报审表》(12)表B.0.4《分包单位资格报审表》(13)表B.0.5《施工控制测量成果报验表》(14)表B.0.6《工程材料/构配件/设备报审表》(15)表B.0.7《报审/验表》(16)表B.0.8《分部工程报验表》(17)表B.0.9《监理通知回复单》(18)表B.0.10《单位工程竣工验收报审表》(19)表B.0.11《工程款支付报审表》(20)表B.0.12《施工进度计划报审表》(21)表B.0.13《费用索赔报审表》(22)表B.0.14《工程临时/最终延期报审表》3、C类表(通用表)(23)表C.0.1《工作联系单》(24)表C.0.2《工程变更单》(25)表C.0.3《索赔意向通知书》表A.0.1《总监理工程师任命书》工程名称:编号:注:本表一式三份,项目监理机构、建设单位、施工单位各一份。
表A.0.2《工程开工令》工程名称:编号:表A.0.3《监理通知单》工程名称:编号:表A.0.4《监理报告》工程名称:编号:表A.0.5《工程暂停令》工程名称:编号:表A.0.6《旁站记录》工程名称:编号:注:本表一式一份,项目监理机构留存。
表A.0.7《工程复工令》工程名称:编号:注:本表一式三份,项目监理机构、建设单位、施工单位各一份。
表A.0.8《工程款支付证书》工程名称:编号:填表说明:本表一式三份,项目监理机构、建设单位、施工单位各一份。